设备安装验收表
- 格式:docx
- 大小:280.87 KB
- 文档页数:2
电脑设备安装验收表
项目信息
- 项目名称:
- 项目负责人:
- 项目开始日期:
- 项目结束日期:
设备信息
安装验收
请在以下方框中打"√"表示完成安装,并在备注栏注明异常情况或补充信息。
一、硬件设备安装
- [ ] CPU及散热器安装完好
- [ ] 内存安装完好
- [ ] 硬盘安装完好
- [ ] 显卡安装完好
- [ ] 主板安装完好
- [ ] 电源安装完好
- [ ] 显示器安装完好- [ ] 键盘安装完好
- [ ] 鼠标安装完好
- [ ] 其他设备安装完好
二、系统软件安装
- [ ] 操作系统安装完好- [ ] 驱动程序安装完好- [ ] 杀毒软件安装完好- [ ] 办公软件安装完好- [ ] 其他软件安装完好
三、网络连接
- [ ] 路由器连接正常- [ ] Wi-Fi连接正常
- [ ] 网线连接正常四、设备功能
- [ ] 电源正常
- [ ] 启动正常
- [ ] 系统稳定
- [ ] 网络连接正常- [ ] 其他功能正常
五、验收结论
- [ ] 验收通过
- [ ] 验收不通过
备注
请输入备注信息。
电力设备安装验收记录表1.项目信息项目名称:[填写项目名称]设备名称:[填写设备名称]设备型号:[填写设备型号]设备数量:[填写设备数量]2.安装验收信息2.1 安装验收日期安装开始日期:[填写安装开始日期]安装完成日期:[填写安装完成日期]2.2 安装验收人员安装负责人:[填写安装负责人姓名]验收负责人:[填写验收负责人姓名]2.3 安装验收内容2.3.1 安装情况请根据以下情况选择相应选项,并在括号内填写具体情况。
设备布置合理、位置正确,与施工图纸一致。
([是/否])设备接地系统接触良好,无异常情况。
([是/否])设备电缆线路完整无损,接头处符合要求。
([是/否])设备的附件、辅助设备安装齐全、牢固。
([是/否])设备的维护、保养标识清晰明确。
([是/否])2.3.2 安全性能请根据以下情况选择相应选项,并在括号内填写具体情况。
设备的与安全相关的指示和警示标志是否齐全,是否能够引起注意。
([是/否])设备的绝缘性能测试符合要求。
([是/否])设备的操作部件、接线端子以及电器元件是否牢固。
([是/否])设备是否采取了必要的防雷、防爆、防护等措施。
([是/否])3.备注填写备注信息]4.验收结论根据安装验收情况,初步判断设备的安装情况。
安装验收结论:[填写验收结论,例如合格/不合格]5.验收人员签字安装负责人签字:[安装负责人签字]验收负责人签字:[验收负责人签字]以上是电力设备安装验收记录表,供参考填写。
根据实际情况,可以增加或删除相关内容,以满足需求。
江苏翔盛粘胶纤维股份有限公司机械设备安装工程最终验收报告单____年__月__日NO.设备(部位)名称施工单位施工开工日期设备(部位)制造单位序号9101112验收资料内容竣工图或按实际完成情况注明修改部分的施工图设计修改的有关文件工程的施工方案、人员组织及进度计划主要材料和用于重要部位的出厂合格证和检验记录或试验资料重要焊接工作的焊接试验记录及检验记录设备部件开箱清单、仪表合格证及其校验记录隐蔽工程记录各重要工序的自检和中间检查(或交接)记录重要灌浆所用混凝土的配合比和强度试验记录试运转(单机调试、联动调试及试生产)记录重大问题及其处理的文件其它有关资料(安全措施及安全报告等)建设单位使用部门施工竣工日期出厂编号份数提供单位提供人(签名)工程验收符合的规范与规定(使用单位填写):填写人:____年__月__日工程验收的综合评议(验收小组填写):填写人:____年__月__日验收人员签名热电部、原液部、纺练部、酸站部、动力部、仪电部、CS2回设备部意见:收部、生产技术部、工程部意见:验收负责人签名:____年__月__日负责人(签名):____年__月__日公司主管领导意见:公司常务副总意见:公司董事长意见:意见签名:签名:签名:____年__月__日____年__月__日说明:1."对所提供的验收资料应作为附件按顺序放在此表后,验收资料由施工及相关单位提供;2.本表由使用单位组织填写,在验收时此表格中不需要项在后空格中用“/”填写;3.此表一式三份,使用单位、设备部、总经办各一份。
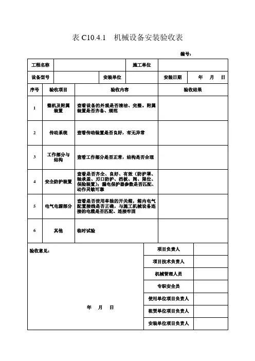
机械设备安装验收表
项目信息
- 项目名称:
- 设备名称:
- 设备型号:
- 设备数量:
- 供应商:
- 安装单位:
安装验收内容
1. 设备外观检查:
- 设备是否完好无损
- 设备表面是否存在划痕或变形
- 设备颜色是否与要求一致
2. 安装位置确认:
- 设备安装位置是否与设计要求一致
- 设备放置是否平稳、牢固
- 设备周围是否存在阻挡物或影响使用的因素
3. 电气系统检查:
- 设备电气连接是否正确接地
- 电气线路是否符合电气安全标准- 各电气部件是否正常工作
4. 机械系统检查:
- 设备运转是否顺畅
- 各机械部件是否正常工作
- 设备传动系统是否正常运转
5. 安全保护装置检查:
- 各安全装置是否齐全
- 安全保护装置是否正常工作
- 安全防护措施是否符合安全要求
6. 试运行:
- 设备是否能正常启动和停止
- 设备运行过程中是否出现异常情况- 设备各项功能是否正常
备注
- 验收人:
- 验收日期:
请根据实际情况填写以上内容,并在验收完成后由相关人员签字确认。
(完整)电力设备安装验收表
项目名称:
项目编号:
设备名称:
设备型号:
设备数量:
一、设备安装情况验收
1. 设备安装是否按照电力设备安装规范进行?
2. 设备安装是否符合安全要求和现场施工图纸要求?
3. 设备接线是否正确、牢固可靠?
4. 设备的附属设备(如冷却器、散热器等)是否安装完善,运行正常?
5. 设备的运输、卸货过程中是否有损坏或变形?
6. 设备的外观是否整洁无损伤?
二、设备性能测试验收
1. 设备的接地、绝缘电阻是否符合规范要求?
2. 设备的试运行是否进行,运行情况是否正常?
3. 设备的电流、电压是否稳定?
4. 转速、功率、温度等参数是否符合设计要求?
5. 设备的安全保护装置是否正常工作?
6. 设备的噪音、振动是否在安全范围内?
三、验收结论
1. 设备安装验收结论:合格 / 不合格(请在括号内打勾)
2. 附加说明(如有):
验收人员:
______________________________
日期:
______________________________
注:如有问题或非合格项,请列举问题并说明原因。
电气设备安装验收表
1. 项目基本信息
- 项目名称:
- 安装单位:
- 项目负责人:
- 安装地点:
- 联系
3. 验收标准
- 所有电气设备安装位置符合设计要求;
- 设备连接正确、紧固可靠;
- 设备及设备间线缆符合规定,并有明确标识;
- 设备的配电回路、接地线符合规范要求;
- 设备的保护措施完善,标识清晰;
- 设备的工作可靠,性能符合设计要求;
- 安装区域整洁,无明显隐患;
- 安装质量与安装图纸相符。
4. 验收结果说明
- 合格:设备安装符合标准要求,验收通过;
- 不合格:设备安装存在问题,需整改后重新验收;- 备注:对设备安装的任何特殊情况或说明。
5. 签名
- 项目负责人(签字):
- 安装单位负责人(签字):
- 验收时间:
- 备注:若验收不通过,请注明原因和整改措施。
以上为电气设备安装验收表,请按照实际情况填写,并确保所有项均得到验收。
如有问题,请及时与项目负责人或安装单位负责人联系。
谢谢合作!
注意:安装验收表仅作为参考,实际填写中应根据具体项目情况进行调整。