全部整合尾矿库安全检查表
- 格式:doc
- 大小:38.13 KB
- 文档页数:8
汛期安全检查记录表
备注:“检查结果”栏:根据该栏内容,正常时填写“正常”、无异常情况时填写“无”、有异常时填写具体缺陷。
“采取措施”栏:写出具体处理意见,如“已书面报告安全科”等。
防排洪系统安全检查记录表
备注:“检查结果”栏:根据该栏内容,正常时填写“正常”、无异常情况时填写“无”、有异常时填写具体缺陷。
“采取措施”栏:写出具体处理意见,如“已书面报告安全科”等。
备注:“检查结果”栏:根据该栏内容,正常时填写“正常”、无异常情况时填写“无”、有异常时填写具体缺陷。
“采取措施”栏:写出具体处理意见,如“已书面报告安全科”等。
备注:“检查结果”栏:根据该栏内容,正常时填写“正常”、无异常情况时填写“无”、有异常时填写具体缺陷。
“采取措施”栏:写出具体处理意见,如“已书面报告安全科”等。
尾矿库日常巡检检查记录表
备注:检查结果栏:正常时填写“√”;异常时填写具体缺陷(如“裂纹”、“渗漏”、“管路泄漏”等)。
采取措施栏:写出具体处理意见,如“已书面报告安全科”、“正进行维修”
等。
日常巡检和定期观测月汇总表
安全检查记录
安全生产派班记录
安全设备管理记录
工伤事故记录2011年度
安全生产档案名序表
安全生产档案记录2011年度档案号()
安全生产例会记录2011年度
安全措施经费提取使用记录2011年
职工安全培训教育记录2011年度
职工健康检查记录2011年度
劳动防护用品发放记录
应急救援演练记录
职工花名册。
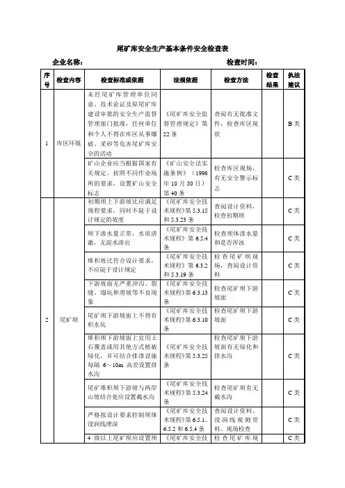
尾矿库检查表
一、检查目的
尾矿库是矿山生产过程中产生的废料储存和处理场所,如未得到有
效管理和合规处理,会对环境和公共安全造成不可逆转的影响。
本次
检查旨在排除尾矿库安全隐患,确保尾矿库稳定运行,防范环境风险,保障公共安全。
二、检查范围
根据尾矿库的等级和规模,分别确定不同的检查范围。
•等级I尾矿库:检查面积至少为1000平方米
•等级II尾矿库:检查面积至少为5000平方米
•等级III尾矿库:检查面积至少为10000平方米
三、检查内容
3.1 运行状况
•尾矿库是否按照规定进行了操作和管理?
•尾矿库的日常巡查记录是否按照规定填写并存档?
•是否存在严重超载和超限的情况
•尾矿库是否存在渗漏、裂缝、污水渗漏等状况?
•尾矿库是否存在塌陷或滑坡风险?
3.2 安全设施
•是否设置完善的劝导警示标志?
•尾矿库是否设置防洪设施和污水收集设备?是否配备应急处理设施?
•尾矿库的过渡区是否符合要求?
•尾矿库排放口周围是否设置了防护罩和道路标识?
3.3 环境保护
•尾矿库周围是否存在违法开采、盗采、乱采等现象?
•周围环境是否受到尾矿渗漏等污染?
•是否存在禁止开采的区域被非法挖掘的情况?
四、检查结果
•A类:未发现重大问题
•B类:存在一些缺陷或风险隐患,需及时整改
•C类:存在严重违规行为或安全隐患,需立即停工整改五、检查建议
•将本次检查情况及时进行总结,做好相应材料的归档。
•对发现的问题进行分类,划分优先程度,制定合理的整改方案和时间表。
•进一步健全尾矿库管理体制,强化责任落实,加大监督力度,确保安全、稳定、可持续运行。