3.金属非金属矿山尾矿库安全检查表
- 格式:doc
- 大小:49.50 KB
- 文档页数:5
尾矿库安全生产现场检查表
16 对尾矿坝是否实施了有效监控?
17 对尾矿坝下游居民区或重要设施是否实施了有效监控?
18 再利用的尾矿库,未履行建设项目“三同时”制度的是否进行了整改?
19 库区内是否存在从事爆破或采砂等危害尾矿库安全的隐患?
20 未履行安全评价、安全设施设计审查及竣工验收制度的,是否进行了整改?
21 防垮坝、防漫顶、防自然灾害等事故是否建立应急预案?
22 是否制定重大险情、防洪渡汛应急救援预案?
23 有否应对重大险情、防洪渡汛的应急物资储备?
24 应急预案是否定期演练?。
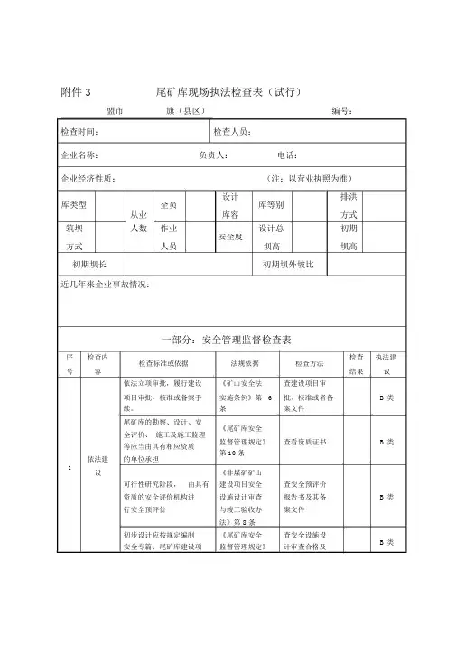
附件 3尾矿库现场执法检查表(试行)盟市旗(县区)编号:检查时间:检查人员:企业名称:负责人:电话:企业经济性质:(注:以营业执照为准)库类型设计 库等别排洪全员从业库容方式 筑坝人数作业 设计总 初期 方式安全度坝高坝高人员初期坝长初期坝外坡比近几年来企业事故情况:一部分:安全管理监督检查表序检查内 检查标准或依据法规依据 检查执法建检查方法号容结果议依法立项审批,履行建设 《矿山安全法 查建设项目审项目审批、核准或备案手 实施条例》第 6 批、核准或者备 B 类续。
条案文件尾矿库的勘察、设计、安 《尾矿库安全全评价、 施工及施工监理监督管理规定》 查看资质证书B 类等应当由具有相应资质第10条依法建的单位承担1设《非煤矿矿山可行性研究阶段, 由具有 建设项目安全 查安全预评价资质的安全评价机构进 设施设计审查 报告书及其备 B 类行安全预评价与竣工验收办 案文件法》第 8条初步设计应按规定编制 《尾矿库安全 查安全设施设 B 类安全专篇;尾矿库建设项监督管理规定》计审查合格及目应当进行安全设施设第 11、13 条设计修改的有计并经审查合格,方可施《非煤矿矿山关文件、资料工。
安全设施的设计应由建设项目安全具有资质的设计单位承设施设计审查担,并经安全生产监督管与竣工验收办理部门审查同意;有重大法》第 3、5、14、变更的,应经原设计单位15、 21 条同意,并报原审查部门审查同意《非煤矿矿山投入生产或使用前,由具建设项目安全查安全验收评有资质的安全评价机构设施设计审查价报告书及其进行安全验收评价与竣工验收办备案文件法》第 8条建设项目竣工投入生产或者使用前,必须依照有关法律、行政法规的规定《安全生产法》查安全验收批对安全设施进行验收,验第27条复文件资料收合格后,方可投入生产和使用B类B类尾矿库应当每三年至少进行一次安全评价生产经营单位应当按照《非煤矿矿山企业安全生产许可证实施办法》的有关规定,为其尾矿库申请领取安全生产许可证。
附件 1金属非金属地下矿山安全专项执法检查表组织检查单位:被检查企业名称:矿山企业安全风险管控情况防范地下矿山采空区坍塌事二故措施落实情况检查人员:检查日期:年月日被检查矿山(生产系统)名称:是否按照要求建立安全风险分级管控体系并有效运行。
1.对矿区范围内采空区位置、体积、积水、形成时间、地质条件等情况是否清晰,是否绘制采空区现状图,采空区相关资料是否齐全。
2.是否按照设计要求对生产形成的采空区进行处理。
3.相邻矿山开采错动线重叠的,是否按照设计要求采取相应措施。
4.开采错动线以内存在居民村庄或者存在重要设备设施的,是否按照设计要求采取相应措施。
一1二三防范地下矿山采空区坍塌事故措施落实情况防范地下矿山火灾事故措施落实情况5.是否擅自开采各种保安矿柱或者保安矿柱形式及参数劣于设计值。
6.工程地质复杂、严重地压条件或者开采深度超过 800 米的,是否建立地压监测系统,并严格执行采空区监测预报制度和定期巡查制度。
7.新建地下矿山未选用充填采矿法的,是否经过设计单位或者专家论证并出具论证材料。
1.是否严格执行动火作业审批制度,井下切割、焊接等动火作业是否制定安全措施,并经矿长签字批准后实施。
2.有自然发火危(wei)险的,是否按照国家标准、行业标准或者设计采取防火措施。
3.井下是否存在吸烟,违规使用电器,违规使用电炉、灯泡等进行防潮、烘烤、做饭和取暖等行为。
4.井下油品是否单独存放在安全地点并严密封盖。
5.井下消防设施是否完善,是否按照有关规定设置地面和井下消防设施。
6.是否制定火灾事故现场处置方案,并定期进行演练。
2四防范地下矿山透水事故措施落实情况1.是否摸清矿区范围内的其他矿山、废弃矿井、老采空区,含水层、岩溶带等详细情况,掌握矿井水与地下水、地表水和大气降水的水力关系,并填绘矿区水文地质图。
2.是否按照设计和规程要求建立排水系统,并确保排水系统完好可靠。
3.相邻矿山的井巷是否相互贯通;是否存在开采隔水矿柱等各类保安矿柱等违规行为。
金非金矿山安全检查表金非金矿山是一种开采金属矿石或非金属矿石的矿山。
在进行矿山开采工作时,安全是至关重要的。
为了确保矿山的安全运营,必须定期进行安全检查。
本文档将介绍金非金矿山安全检查表,以帮助人们进行全面的矿山安全检查。
1. 检查日期在这一部分中,记录进行安全检查的具体日期。
确保在每次进行安全检查时都记录当前的日期。
2. 检查人员在这一部分中,记录参与安全检查的人员姓名和职务。
可以是矿山负责人、安全主管或其他相关人员。
3. 检查项目在这一部分中,列出需要检查的项目。
以下是一些常见的矿山安全检查项目:3.1 通风系统检查矿山的通风系统是否正常运行。
确保所有通风设备如插扣、风机和排气管道都没有堵塞。
3.2 防火设施检查矿山的防火设施是否完好。
确保灭火器、消防栓和火灾报警系统等设备都处于良好的工作状态。
3.3 矿井道路检查矿井道路的状况。
确保道路平整、无明显破损,并且标志清晰。
3.4 安全警示标识检查矿山内是否设置了必要的安全警示标识。
确保标识清晰可见,涵盖必要的安全信息。
3.5 存储设施检查矿山的危险品和爆炸物的存储设施。
确保存储设施符合相关的安全标准,并且没有超过存储限制。
3.6 作业人员培训检查矿山的作业人员是否接受过必要的安全培训。
确保他们了解矿山的安全规章制度,以及如何正确使用个人防护设备。
3.7 紧急逃生通道检查矿山的紧急逃生通道是否畅通。
确保逃生通道没有被杂物、设备或其他障碍物堵塞。
3.8 设备维护检查矿山的生产设备是否进行了定期维护。
确保设备运行良好,减少设备故障引发的安全风险。
4. 检查结果在这一部分中,记录每个检查项目的结果。
如果项目符合安全标准,请标记为“合格”;如果存在问题,请记录详细的问题描述。
5. 处理意见在这一部分中,记录对于存在问题的检查项目所采取的处理意见。
建议制定相应的修复措施,并在合理的时间内进行修复。
6. 安全改进计划在这一部分中,记录根据检查结果所制定的安全改进计划。
金属非金属地下矿山安全检查表背景介绍地下矿山是一个资源开采的重要场所,然而地下矿山的工作环境及工作特点十分复杂,安全问题一直是重中之重。
因此,为了保障矿工的安全,及时发现和解决潜在的危险,建立一个全面的、科学的检查表格是十分必要的。
检查内容一、进入矿场前检查1.工作证是否齐全2.是否佩戴安全帽、安全鞋、口罩、眼镜等相关安全装备3.体力和身体状态是否适宜进行矿山工作4.是否确认个人防护装备齐全且正常5.是否熟悉矿区地形、某些特定危险区域、安全设施的位置、安全制度等相关知识6.是否查看驾驶车辆的磨损、灯光是否正常,油量是否充足等相关情况二、检查地下矿场1.收集岩体施工、支护、防治水、排水等措施是否到位2.安全疏散通道是否畅通,应急救援设备是否处于完好状态3.有无出现酸碱性气体、有毒气体等危险问题4.工作环境是否保持干净、有序,有无隐患5.矿井周围是否有道路、电线杆、建筑物等因素影响其安全6.安全标志、警告等是否清晰、醒目### 三、检查巷道区域1.是否有瓦斯泄漏,如有应马上停工2.是否摆放爆炸物品、易燃易爆物质等危险物品3.工人是否在危险巷道、窑口进行施工4.矿车有无异常、矿车上煤有无堆放超过标准5.巷道内通风设施和电照设施是否正常四、检查井道、平台等区域1.井口围栏是否完好,落井管盖帽是否齐全、牢固2.安全绳、安全网是否符合安全要求,严禁强行挪移3.检查压风机和球磨机是否正常工作,要求工艺部门操作人员必须有证本文提供了一份相对全面的、科学的地下矿山安全检查表,经过科学、周全的检查可以确保矿工的安全,同时也可以预防任何无法想象的事故的发生。
建议在地下矿山工作人员每日出勤时执行该检查表,确保矿工的生命安全。
金属非金属矿山安全生产专项检查表为了保障金属非金属矿山安全生产,确保生产过程中不发生事故,需要进行专项的安全生产检查。
下面是金属非金属矿山安全生产专项检查表,供矿山管理部门和工作人员参考使用。
一、矿山基本情况序号问题检查内容检查结果1 矿山名称2 矿山地址3 矿山规模4 生产实力5 备品备件6 危险化学品存储情况7 废弃物处理情况8 矿山环境保护设施9 供电设备10 水源设备二、矿山生产现场序号问题检查内容检查结果1 工作证持有情况2 劳动保护用品配备情况3 矿工身体状况4 生产场地安全情况5 矿井状况6 洞口支护情况7 煤仓库存储情况8 输送设备安全情况9 维修设备状况10 英山巷道保护情况三、矿山生产管理序号问题检查内容检查结果1 安全生产责任落实情况2 安全生产记录情况3 防范意识强化情况4 生产设备维护保养情况5 设备运转监控情况6 危险化学品管理情况7 废弃物处理情况8 紧急预案制定情况9 事故调查处理情况10 安全培训开展情况四、矿山安全管理序号问题检查内容检查结果1 安全规章制度制定情况2 安全检察开展情况3 安全生产专项检查情况4 安全生产投入情况5 安全生产措施落实情况6 安全事故处理情况7 安全监管执法情况8 安全生产奖惩情况9 安全生产宣传教育情况10 重大隐患排查消除情况以上是金属非金属矿山安全生产专项检查表,该表将各个方面的关键问题列举出来,对于矿山管理部门和工作人员来说,可以根据表格所列出的问题进行逐一监测和检查。
通过定期的检查和监测,可以确保矿山的安全生产环境达到最佳状态,从而保障工作人员的安全生产。