世嘉三厢2011款产品知识
- 格式:ppt
- 大小:3.76 MB
- 文档页数:44
新世嘉三厢长宽高:4588×1773×1486 轴距:2610 轮距:1501/1489,最小转弯半径:5.3 质量:1331~1370KG 油箱:60 行李厢:481 轮胎尺寸:205/55 R16最大功率(kw):78/5750,108/6000 最大扭矩:142/4000,200/40001.6最高车速:186 MT,176 AT2.0最高车速:205 MT,200 AT1.6综合油耗:7.3 MT,7.6 AT2.0综合油耗:8.0 MT,8.2 AT车身颜色:碳晶黑,白,水晶银,铂金灰,玛瑙红,新波尔多红,深海蓝标准配置:四轮盘刹,5速手动/手自一体变速箱,液压助力转向,16寸轮毂,发动机双顶置凸轮轴(DOHC),电子节气门,后视镜电动调节带转向灯,隐藏式天线,钢琴烤漆中控台和装饰件,ABS+EBD+BA,危险警示灯,双气囊,安全带预紧,倒车雷达,发动机防盗,碰撞自动解锁,四门内置防撞梁,定速巡航+限速器,燃油防翻转阀+自动切断功能,可溃式转向柱+转向柱锁止装置,固定集控方向盘+四向可调,大灯延时伴我回家,随速感应前雨刮,数字组合仪表,全中文行车电脑+车外温度显示,前大灯电动调节,驾席六向手动调节,前排中央扶手,后排座椅折叠,手动空调,四门电动车窗(驾席防夹),单碟CD+USBAUX接口4喇叭音响同为标配,2.0比1.6多CVVT连续可变正时系统。
无其他配置差别1.6/2.0高配比低配多:电加热后视镜,车窗下沿镀铬装饰,真皮座椅,镀铬装饰真皮方向盘,防盗报警器,遥控关闭车窗玻璃,后排中央扶手带杯托,分区自动恒温空调,电动天窗为标配,四门车窗防夹,6喇叭音响,音量随速调节,方向盘音响控制。
2.0高配亮点配置:后视镜电动折叠,高透气网面真皮座椅,侧气囊,气帘,驾席六向电动调节,腰部手动调节,蓝牙免提系统,ESP+TCS电子稳定系统(选配)说明:1.6/2.0标配可以选装天窗,4000元。
三十多款新车详解本周,随着广州车展(微博)的日益临近,我们继续关注车展新车,消息曝光也越来越多,大家关注的国产凯美瑞就将在18日正式国内发布。
谍照方面,国产换代福克斯车型配置细节浮出水面,有望广州车展发布。
海外方面,大众改款CC和MINI Roadster跑车正式发布,换代卡罗拉两厢车的谍照以及路虎换代揽胜内饰谍照则首次曝光。
下面,我们将分为上市新车、国内新车谍照消息以及海外新车消息三个方面来回顾下本周的热点车讯。
2012款宝马5系Li上市转播到腾讯微博图为2011款宝马5系,2012款车型与现款外形没有区别2011年11月2日,2012款华晨宝马5系Li车型在北京宣布上市,本次上市的新车共有8款,售价区间42.86-79.76万元。
阅读详细请点击:2012款宝马5系Li上市售42.86-79.76万元2012款比亚迪F3换芯上市转播到腾讯微博2012款F3为了给消费者带来更好的产品体验以及更加超值车型,10月31日,比亚迪汽车(微博)对旗下F3车型进行换“芯”升级,此次推出的新F3共有三款车型,售价5.29万-6.69万元。
阅读详细请点击:2012款比亚迪F3换芯上市售5.29-6.69万15款广州车展月即将上市新车前瞻解读转播到腾讯微博15款广州车展月将上市新车前瞻解读进入2011年11月份,一年一度的广州车展近在咫尺,在这个车展月里,新车上市自然会出现一个爆发点。
除了大部分新车将在车展上发布售价,也有厂家会选择在车展前提前吸引眼球。
从我们目前已经了解到的消息来看,本月上市新车预计多达15款,下面我们就来了解下本月上市的新车都有哪些,它们各自又有哪些值得关注的看点。
阅读详细请点击:15款广州车展月即将上市新车前瞻解读广州车展2款MPV新车展望转播到腾讯微博新一代夏朗广州车展的新车陆续更新中,在进口车方面,两台属于冷门细分市场的产品引起了先期的关注,它们分别是大众全新一代夏朗和日产新一代贵士,作为MPV 市场中竞争的佼佼者,面对中国汽车市场日益增长的不同需求,这两款产品在完成垂直换代后即将于中国消费者见面。
雷诺纬度2011款轿车使用手册一、引言感谢您选择雷诺纬度2011款轿车,为了让您更好地了解和使用您的爱车,我们特此为您提供此使用手册。
本手册涵盖了车辆的各个部分,包括驾驶操控、舒适与安全、车辆维护等方面的详细介绍。
请仔细阅读并遵循相关规定,确保您的驾驶体验更加安全、舒适。
二、车辆概述1.外观设计雷诺纬度2011款轿车采用了流线型设计,展现出优雅的外观。
车头部分采用了家族式设计,独特的进气格栅和锐利的前大灯,彰显出运动气息。
车身侧面线条流畅,与饱满的尾部相互呼应,营造出时尚、大气的整体外观。
2.内饰设计内饰部分以简约大气为主,选用高品质材料打造,呈现出精湛的工艺。
驾驶舱以驾驶者为中心,各项功能布局合理,便于操作。
座椅采用人体工程学设计,提供良好的支撑与舒适度。
3.车身尺寸雷诺纬度2011款轿车的车身尺寸为:长×宽×高(mm)4787×1832×1468,轴距为2702mm。
优越的车身尺寸为乘客提供了宽敞的内部空间,保证了乘坐舒适性。
三、驾驶操控1.发动机雷诺纬度2011款轿车搭载了一台高效、低油耗的发动机,具备出色的动力性能和燃油经济性。
发动机采用铝合金材质,轻量化设计,降低了车身重量,提高了车辆性能。
2.变速器车辆配备了一台先进的变速器,具有顺畅的换挡性能和稳定的传动性能。
根据驾驶需求,可以选择自动挡或手动挡模式,满足不同驾驶者的需求。
3.悬挂系统悬挂系统采用了麦弗逊式独立前悬挂和多连杆式独立后悬挂,有效降低了行驶中的震动,提高了行驶舒适性。
同时,悬挂调校偏向运动风格,兼顾了操控性能与舒适性。
4.制动系统雷诺纬度2011款轿车采用了四轮碟刹制动系统,具备良好的制动性能。
配合ABS+EBD系统,有效提高制动效果,保障行车安全。
四、舒适与安全1.座椅配置车辆配备了高品质的座椅,提供了多向调节功能,可满足不同驾驶者的需求。
同时,座椅采用了透气性好的面料,提高了乘坐舒适度。
东风雪铁龙世嘉三厢是从欧洲雪铁龙全球战略车型C4演变而来,凭借时尚现代的外形,优雅和冠军王者的品质与精准的操控畅销全球,作为世界车潮的领跑者。
传承雪铁龙的设计精髓,加上满足中国来百姓的三厢情节,所以一经推出就立刻受到了中国消费者的喜欢。
今年9月份雪铁龙推出了全新改款的2011款世嘉,全新的世嘉进一步提升了整车的性价比。
那么全新的2011款三厢世嘉在使用方面有何优势呢?下面就让我们一起来了解一下。
一、外观部分东风雪铁龙2011款世嘉三厢流线型车身圆润饱满,风阻系数仅为0.31,在拥有完美造型风格的同时,更有效降低车辆行驶时的风噪,并且降低燃油消耗和有害气体的排放。
2610mm的轴距和1486mm的车身高度,完全可以满足消费者对头部空间和腿部空间的要求。
2011款东风雪铁龙三厢世嘉是一款A级三厢轿车,但是它将车身尺寸和内部空间绝佳的融合在一起,4556x1773x1486mm的车身尺寸也高于同级别车型的平均水平。
车位行李箱的设计与车头设计风格十分相符。
2011款东风雪铁龙三厢世嘉发动机舱盖线条清晰有力,飞去来器型前大灯与发动机盖和车身两侧相呼应。
高配车型采用自动氙气大灯。
世嘉全系车辆头部均没用采用倒车雷达,这不能不说是一种不足。
2011款东风雪铁龙三厢世嘉尾部造型线条感十足,动如静,静亦动。
独具匠心的后尾灯与车尾浑然天成,勾勒出流畅的尾部线条,更与侧后窗巧妙组合形成张力十足的雪铁龙品牌双人字标造型。
高位刹车灯为安全添加了一份保障。
2011款东风雪铁龙三厢世嘉行李箱门采用的是电磁开启上掀式的设计,液压杆开启力度适中。
后备箱的开口宽度达到了1210mm,行李箱空间较大,完全能满足人们的日常需求。
备胎位于行李箱底部。
二、车门部分2011款东风雪铁龙三厢世嘉的前门开度很大,对于一般身材的驾驶者来说进入车内都很轻松。
车门下部储物格方便驾驶员存放一些常用物件。
车辆四门车窗均为电动控制,但仅有驾驶席一侧的车窗为一键式防夹车窗。
雷诺纬度2011款轿车使用手册【实用版】目录1.雷诺纬度 2011 款轿车概述2.安全驾驶注意事项3.车辆操作与维护指南4.常见问题解答5.售后服务与联系方式正文【雷诺纬度 2011 款轿车概述】雷诺纬度 2011 款轿车是一款集舒适、安全、经济于一体的中级轿车,凭借其优雅的外观、宽敞的内部空间以及卓越的性能,深受广大消费者喜爱。
本手册旨在为您提供有关该车型的详细使用说明和维护指南,帮助您更好地驾驶和照顾您的爱车。
【安全驾驶注意事项】在驾驶雷诺纬度 2011 款轿车时,请务必遵守交通规则,并注意以下几点:1.系好安全带,确保行车安全;2.在行驶过程中,保持适当车速,避免急刹车、急转弯等剧烈驾驶行为;3.在恶劣天气条件下行驶时,请提前做好车辆检查,确保雨刷、刹车等设备正常工作;4.夜间行驶时,请开启近光灯,并在会车时使用近光变换器。
【车辆操作与维护指南】本部分将详细介绍雷诺纬度 2011 款轿车的操作方法和维护要点:1.发动机启动与关闭:请按照说明书上的指示操作,避免长时间空转或突然熄火;2.变速器操作:请正确使用自动变速器,避免在行驶过程中突然换档;3.刹车系统:请定期检查刹车片厚度,确保刹车系统正常工作;4.轮胎:请定期检查轮胎气压,避免行驶过程中因气压不足或过足导致的安全隐患;5.定期保养:请按照厂家推荐的保养周期进行维护,确保车辆始终保持最佳状态。
【常见问题解答】在使用过程中,您可能会遇到一些常见问题,如下所示:1.问:question1答:answer12.问题 2答:answer2【售后服务与联系方式】如果您在使用过程中遇到任何问题,请随时联系雷诺汽车售后服务中心。
我们将竭诚为您提供专业的技术支持和维修服务。
稿件说明稿件类别:新闻稿稿件标题:东风雪铁龙世嘉C-QUATRE正式发布引领两厢车市场进入高品质时代稿件字数:2763字东风雪铁龙世嘉C-QUATRE正式发布引领两厢车市场进入高品质时代2008年6月28日,东风雪铁龙全新高品质两厢车-世嘉(C-QUATRE)正式发布。
在充满设计感与时尚气息的发布会现场,全国主流媒体记者代表、东风雪铁龙经销商代表以及领导和嘉宾共同享受了一场时尚派对带来的欢乐与惊喜,近距离地感受了全新世嘉(C-QUATRE)的型动”魅力。
作为一款和谐大气、动感灵性、品质卓越的高科技都市用车,东风雪铁龙世嘉(C-QUATRE)的风尚登场,不仅成为东风雪铁龙出击中高端两厢车市场的利器,更将为众多积极进取、自信优雅、追求时尚的现代中青年人士带来高品质的现代生活。
东风雪铁龙世嘉(C-QUATRE)是雪铁龙C4轿车的全球同步国产车型,其命名延续了东风雪铁龙车型命名的规律,C”代表着雪铁龙家族车型,世嘉与C4的法文发音C-QUARTE吻合,同时QUATRE取自法国巴黎著名景点-亨利世嘉港(QUAI HENRI QUATRE ),延续了东风雪铁龙系列车型命名与法国元素的关联。
东风雪铁龙世嘉(C-QUATRE)的风尚设计传承雪铁龙家族鲜明的设计风格,为用户带来高品质驾乘享受。
东风雪铁龙世嘉(C-QUATRE)共有2种动力总成(1.6L和2.0L )、3个装备级别。
8月中旬东风雪铁龙全国各4S店开始接受预订,9月初正式上市。
东风雪铁龙一直以来在为消费者制造高品质车型上进行着不懈的努力。
特别是在两厢车市场的萌发、成长与壮大的过程中,东风雪铁龙更是做出了特殊的贡献。
现在两厢车市场和消费者需求有了新的变化,追求高品质的性能、智能化的配置以及出色的操控舒适性成为两厢车的发展趋势。
从市场数据分析来看,从2007年开始,A级中高端两厢车市场的增长速度不仅高于A级两厢车的增长速度,更高于整个A级轿车市场的增长率,两厢车市场正式进入高品质时代。
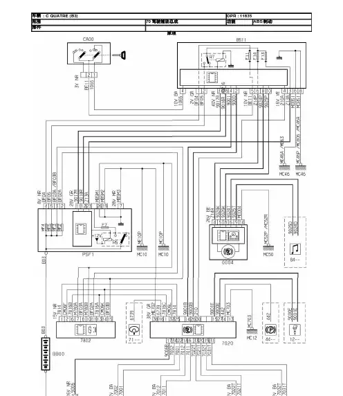
车辆: C QUATRE (B3) OPR : 11835范围70驾驶辅助总成功能ABS 制动部件原理线路车辆: C QUATRE (B3) OPR : 11835范围10风扇总成功能发动机冷却系统TU5JP4 (NFU)部件原理车辆: C QUATRE (B3) OPR : 11835范围70驾驶辅助总成功能多功能显示屏部件原理线路车辆: C QUATRE (B3) OPR : 11835范围40驾驶员信息总成功能安全带未系指示灯部件原理线路车辆: C QUATRE (B3) OPR : 11835范围60保护、访问、其他机械辅助总成功能烟火爆燃式安全气囊和安全带部件原理线路车辆 范围 部件D3BQAPP0 : C QUATRE (B3) OPR : 1183500总成通用说明 功能 保险丝位置图BSI1智能控制盒 (BSI1)Fig. d3ap18ypAutomobiles Citroën RCS PARIS 642 050 199在没有制造商预先书面授权的情况下,该信息的任何复制品,即使是部分内容也是禁止的01/12/2009车辆 范围 部件D3BQANP0 : C QUATRE (B3) OPR : 11835 00总成通用说明 功能 保险丝位置图PSF1 发动机舱中的接线盒-保险丝盒(PSF1)Fig. d3ap40gp继电器壳体 (PSF1) 发动机室保险丝盒 (PSF1)保险 丝A 电源 匹配 F120A 蓄电池正极 发动机控制计算机主继电器 - 冷却风扇低速继电器 F215A 喇叭 - 双音喇叭 F310A 挡风玻璃清洗泵 F4- F515A 发动机控制计算机功率继 电器 燃油泵 F610A +CC 自动变速箱控制单元 - 自动变速箱档位选择锁止 - 点动控制开关 - 防抱死制动控制单元 - 检查 ECU 稳定性 F710A 电动动力转向ECU F820A 蓄电池正极 风挡玻璃雨刮器马达 F9- F1030A 发动机控制计算机功率继 电器 发动机管理控制装置 F1140A 蓄电池正极 空调鼓风机单元 F1230A 低速风挡玻璃雨刷器马达的供电 - 高速风挡玻璃雨刷器马达的供电 F1340A +CC BSI 供电(智能控制盒) F14- F1510A 蓄电池正极 右侧前大灯 F1610A 左大灯 F1715A 左大灯 F1815A 右侧前大灯 F1915A 发动机控制计算机功率继 电器 发动机管理控制装置 F2010A 发动机管理控制装置 F21 5A 蓄电池正极 双速电动风扇组的电子控制盒继电器电源 匹配 R1蓄电池正极 (F1) 发动机控制计算机主继电器 R2蓄电池正极 (R1) 发动机控制计算机功率继电器 R3蓄电池正极 (F14) 风机继电器 R4蓄电池正极 (F12) 挡风玻璃刮水器继电器 R5蓄电池正极 (R4) 前雨刮器低速继电器 - 前雨刮器高速继电器 R6蓄电池正极 分配器继电器 R7蓄电池正极 (F1) 空调脉冲继电器 R8蓄电池正极 (F8) 起动机继电器 R9蓄电池正极 (F3) 前车窗继电器 R10蓄电池正极 (F3) 后部车窗升高继电器 R11蓄电池正极 (F4) 前照灯清洗继电器 R12 蓄电池正极 (F2) 防盗报警系统警告继电器Automobiles Citroën RCS PARIS 642 050 199在没有制造商预先书面授权的情况下,该信息的任何复制品,即使是部分内容也是禁止的01/12/2009车辆: C QUATRE (B3) OPR : 11835范围40驾驶员信息总成功能超速警示音部件原理线路车辆: C QUATRE (B3) OPR : 11835范围40驾驶员信息总成功能车门等信息部件原理线路车辆: C QUATRE (B3) OPR : 11835范围70驾驶辅助总成功能车速限制部件原理线路车辆: C QUATRE (B3) OPR : 11835范围60保护、访问、其他机械辅助总成功能大灯光线水平调整部件原理线路车辆: C QUATRE (B3) OPR : 11835范围70驾驶辅助总成功能多功能显示屏部件原理线路车辆: C QUATRE (B3) OPR : 11835范围70驾驶辅助总成功能多功能显示屏部件原理线路车辆: C QUATRE (B3) OPR : 11835范围20信号总成-车外照明功能倒车信号灯部件原理线路车辆: C QUATRE (B3) OPR : 11835范围40驾驶员信息总成功能车灯未关蜂鸣器部件原理线路车辆: C QUATRE (B3) OPR : 11835范围80驾驶舒适性总成功能点烟器部件原理线路。
东风雪铁龙世嘉2011款上市售10.88-14.98万
佚名
【期刊名称】《音响改装技术》
【年(卷),期】2010(000)010
【摘要】2010年9月6日,东风雪铁龙世嘉2011款正式上市。
继承了雪铁龙C4创新设计理念和C4 WRC纯正冠军品质的世嘉2011款,以更加时尚动感的外观和内饰、更具个性化的颜色选择、
【总页数】1页(P53-53)
【正文语种】中文
【中图分类】U469.11
【相关文献】
1.2011款东风雪铁龙世嘉上市 [J], 无
2.2011款高尔夫正式上市售11.88万~16.68万元 [J],
3.东风雪铁龙新C5上市售16.99万-21.99万元 [J],
4.东风雪铁龙C4世嘉2018款正式上市 [J],
5.东风雪铁龙世嘉2.0L夺冠版上市售12.18万 [J],
因版权原因,仅展示原文概要,查看原文内容请购买。
项目建议可自己做型号
全合成机油一年或10000公里●美孚1号玻璃液少了就加●购自超市
动力转向液 5万公里一换神龙原厂
制动液2年一换神龙原厂
冷却液2年一换神龙原厂
变速箱油5万公里一换神龙原
厂
电瓶3-4年一换风帆
机油滤清器和机油同时换●宝孚L398 汽油滤清器3万公里一换●宝孚EP202 空气滤清器 1万公里一换●索菲玛
空调滤清器1万公里一换●索菲玛
节气门2万公里清洗●
喷油嘴怠速抖动时免拆清洗
发动机积碳严重时清洗
火花塞 3万公里一换●博世FR8SC++42 燃油添加剂5000公里加一次●
离合器片视磨损情况而定
离合器压盘视磨损情况而定
轮胎6万公里后先换前胎
正时皮带 9万公里
涨紧轮、惰轮 9万公里
前制动片3-6万公里,不得小于3mm
后制动片6-12万公里,不得小于3mm
刹车盘 10万公里
安全带、气囊10年一换
车轮轴承10万公里以上视情况
制冷剂R134a 制冷效果下降加
有什么不妥请指正,以上主要针对我自己使用时的路况、空气以及用车情况,车友们可做一参考。
另外,关于机油还是一年换一次全合成划算。
我用行货美孚1号。
东风雪铁龙世嘉三厢是从欧洲雪铁龙全球战略车型C4演变而来,凭借时尚现代的外形,优雅和冠军王者的品质与精准的操控畅销全球,作为世界车潮的领跑者。
传承雪铁龙的设计精髓,加上满足中国来百姓的三厢情节,所以一经推出就立刻受到了中国消费者的喜欢。
今年9月份雪铁龙推出了全新改款的2011款世嘉,全新的世嘉进一步提升了整车的性价比.那么全新的2011款三厢世嘉在使用方面有何优势呢?下面就让我们一起来了解一下。
一、外观部分东风雪铁龙2011款世嘉三厢流线型车身圆润饱满,风阻系数仅为0.31,在拥有完美造型风格的同时,更有效降低车辆行驶时的风噪,并且降低燃油消耗和有害气体的排放。
2610mm的轴距和1486mm的车身高度,完全可以满足消费者对头部空间和腿部空间的要求.2011款东风雪铁龙三厢世嘉是一款A级三厢轿车,但是它将车身尺寸和内部空间绝佳的融合在一起,4556x1773x1486mm的车身尺寸也高于同级别车型的平均水平。
车位行李箱的设计与车头设计风格十分相符.2011款东风雪铁龙三厢世嘉发动机舱盖线条清晰有力,飞去来器型前大灯与发动机盖和车身两侧相呼应。
高配车型采用自动氙气大灯.世嘉全系车辆头部均没用采用倒车雷达,这不能不说是一种不足。
2011款东风雪铁龙三厢世嘉尾部造型线条感十足,动如静,静亦动。
独具匠心的后尾灯与车尾浑然天成,勾勒出流畅的尾部线条,更与侧后窗巧妙组合形成张力十足的雪铁龙品牌双人字标造型。
高位刹车灯为安全添加了一份保障。
2011款东风雪铁龙三厢世嘉行李箱门采用的是电磁开启上掀式的设计,液压杆开启力度适中。
后备箱的开口宽度达到了1210mm,行李箱空间较大,完全能满足人们的日常需求.备胎位于行李箱底部。
二、车门部分2011款东风雪铁龙三厢世嘉的前门开度很大,对于一般身材的驾驶者来说进入车内都很轻松.车门下部储物格方便驾驶员存放一些常用物件.车辆四门车窗均为电动控制,但仅有驾驶席一侧的车窗为一键式防夹车窗。
“我爱我嘉”车友会世嘉车辆驾驶、养护、改装全攻略“我爱我嘉”车友会编写的这部《世嘉车辆驾驶、养护、改装全攻略》汇总了雪铁龙世嘉车遇到的各种问题和资深车友的解决方案,从车辆的提车、磨合、驾驶、保养和改装、以及雪铁龙汽车文化等方面为各位车主提供全面的技术支持,为让您全面了解爱车、并且让爱车为您更好的服务。
首先要告诉您的是对车辆良好的心态:世嘉是部机器,是一部好机器,对得起你掏出来的银子。
但是机器都会发生故障,保时捷也有进修理厂的时候。
所以我们应该将重点放在“车辆为什么会坏”和“我应该怎么修好”上。
世嘉概述雪铁龙世嘉,是法国标致雪铁龙集团C4平台上设计的经典车型。
目前中国国内的世嘉两厢即国外C4 Sedan,世嘉三厢为东风雪铁龙自主设计改装。
此外,雪铁龙C4平台上还有C4 Coupe (WRC勒布七届冠军车型)、C4毕加索(全进口)等6款车型。
虽然装配合不同排量的发动机和变速箱,但是底盘带来的优秀操控是雪铁龙一直引以自豪的。
此外,雪铁龙使用的是独家的人字形齿轮。
雪铁龙凯旋雪铁龙世嘉标准配备了官方介绍的ABS+EBD系统,还配备了没有标注的BA辅助刹车和刹车优先系统,高配车型还配有车辆稳定系统。
雪铁龙独有的后轮随动转向系统没有装配在世嘉上,精准的悬挂调教已经代替了随动转向系统的功能。
一、新车制备和提车新车检查不仅要保持所有部件的全新,还要保证核心部件(发动机、变速箱等)和损耗件(CD机头、轮胎等)能够在其使用寿命中正常运行。
新车主在提车的时候,最好在老驾驶员的陪同下提车。
新车提车需要注意以下方面:1.车辆外观(1)车辆漆面:车辆漆面应平顺光滑、光泽度好。
如漆面坑洼不平或有小坑,可能是事故维修车辆或有外力碰撞所致;漆面若色彩不匀称,可能是车辆表面曾经有补漆的记录;车辆的漆面可以从很大程度上反映车辆曾经的使用历史,漆面有问题的车辆绝对不要提车。
(2)轮胎:轮胎应有完整的胎刺和清晰纹路,轮胎整体清洁平整。
我们知道,新车在到达4S店之前或多或少的会有些许驾驶,造成的轮胎磨损和夹入石子是正常现象。
世嘉两厢表里如一是所有人挑选心仪对象时的基本标准之一,谁都希望能邂逅一位内外兼修、气质不凡的心上人。
选车也是如此,不仅要外观时尚大气,更要配置丰富、安全出众、动力强劲,最好是各方面品质皆优才值得“出血”选购。
世嘉两厢传承世界汽车拉力锦标赛WRC“6冠王”赛车荣誉品质,更以2.0LCVVT 16V 强劲发动机,感光自适应组合仪表,智能化手自一体变速箱,博世8.1版ABS+EBD,全系标配定速巡航等装备为您提供超凡的操控与舒适体验。
为使世嘉两厢这款集时尚优雅、活力操控于一身的动感轿车,更加彰显与众不同的驾驶者风格、突显冠军风范。
世嘉两厢继承了WRC(世界汽车拉力锦标赛)冠军车型雪铁龙C4 WRC的优秀基因,作为世嘉两厢的原型车,雪铁龙C4自2007年被雪铁龙车队用作WRC战车至今,与勒布一起包揽了全部年度总冠军头衔,斩获60余个分站冠军,雪铁龙也因此获得多次“年度冠军厂商”。
位列多个国家中级车销量前三甲、荣获数十项国际性大奖的雪铁龙C4进入中国后,东风雪铁龙世嘉汲取了C4所有的优点,凭借其独特造型设计、创新科技,屡获嘉奖,包揽08年20余项大奖,09年又陆续摘得“操控满意度冠军”“2009 CCTV年度中级车”等多项殊荣。
2010年,东风雪铁龙成为中国国家羽毛球队高级赞助商,世嘉晋升中国羽毛球队官方“冠军座驾”。
C2C2是一款完全拥有自己个性的汽车。
拥有良好的路面稳定性以及非常平横的操控性。
增加了性能以及驾驶激情,新的VTS版本也特别的改进了行走机构。
比较VTR,弹簧以及阻尼都调校得更加的坚固以突出VTS的运动特性。
简洁,犀利的线条完全表达了其与众不同之处。
其独有的性格以及动感的外表为运动型号提供了一个完美的平台。
C2 VTS拥有与C2 VTR同样的外表修饰部件,有更低的前保险杠以及更低的车身,还有后尾翼。
这些特点强调了C2的运动车身风格。
作为东风雪铁龙产品系列中的新生力量,C2和凯旋(C-Triomphe)一样,命名也延续了雪铁龙CITROEN产品命名的品牌标记:“C”。