高二化学平衡移动测试题
- 格式:doc
- 大小:100.00 KB
- 文档页数:4
高二化学化学平衡状态判断、平衡移动综合练习题一、单选题1.在一绝热(不与外界发生热交换)的恒容容器中,发生反应:()()()()2A g +B s C g +D g ,下列描述中不能表明该反应已达到平衡状态的是( ) A.混合气体的密度不变 B.单位时间内生成n mol D ,同时生成n mol C C.容器中的温度不再变化D.C(g)的物质的量浓度不变2.在一个不传热的固定容积的密闭容器中,发生可逆反应A(g)+B(C(g)D(g)g)m q n p +,当m 、n 、p 、q 为任意整数时,一定达到平衡的标志是( )①体系的温度不再改变 ②体系密度不再改变 ③各组分的浓度不再改变 ④各组分的质量分数不再改变⑤反应速率(A):(B):(C):(D)::: v v v v m p n q =⑥单位时间内mol m A 发生断键反应,同时mol p C 也发生断键反应 A.③④⑤⑥B.①③④⑥C.②③④⑥D.①③④⑤3.甲醇是一种可再生能源,具有广阔的开发和应用前景。
工业上一般采用如下反应合成甲醇:2232CO (g)3H (g)CH OH(g)H O(g)++。
能说明反应已达到化学平衡状态的是( )A.容器内2CO 、2H 、3CH OH 、2H O 的浓度之比为1:3:1:1B.生成1mol 2H O ,同时消耗3mol 2HC.体系中物质的总质量不变D.恒温恒容下,密闭容器中压强保持不变 4.可逆反应:222NO (g)2NO(g)O (g)+,在容积不变的密闭容器中进行,下列能说明该反应达到平衡状态的有( )①单位时间内生成2mol O n 的同时生成2mol NO n ②容器内总压强不再变化③2NO 、NO 、2O 的物质的量浓度之比为2:2:1 ④混合气体的密度不再改变 ⑤混合气体的颜色不再改变⑥混合气体的平均相对分子质量不再改变 A.2个B.3个C.4个D.5个5.在一个固定容积的密闭容器中,可逆反应:A(g)B(C(g)+D(g)g)m p q n +中,当m 、n 、p 、q 为任意正整数时,能说明该反应一定达到平衡状态的是( )A.气体分子的平均摩尔质量不再发生变化B.各组分的物质的量浓度不再改变C.A 与C 的质量分数相等D.反应速率A C B D ::::::v v v v m n p q = 6.氨基甲酸铵分解反应为2432NH COONH (s)2NH (g)CO (g)+,在一体积恒定的容器里,发生上面的反应,可以判断该反应已经达到平衡的是( ) A.密闭容器中氨气的体积分数不变 B.241molNH COONH 分解同时有317gNH 消耗 C.密闭容器中混合气体的密度不变 D.混合气体的平均分子量不变7.恒容密闭容器中发生反应:222NO (g)2NO(g)+O (g)(2NO 红棕色气体,NO 无色气体),下列状态中不能表明该反应达到平衡状态的有( ) A. 混合气体的颜色不再改变的状态B. 单位时间内生成mol n 2O 的同时生成2mol n 2NOC. 混合气体的密度不再改变的状态D. 混合气体的平均相对分子质量不再改变 8.一定温度下,反应()()22N g 3H g +()32NH g 达到化学平衡状态的标志是( )A.223N H NH 、和的质量分数不再改变B.()()()223N H NH c c c ∶∶=1∶3∶2 C. 断裂1 mol N≡N 键的同时,形成6 mol N —H 键 D. N 2与H 2的物质的量之和是NH 3的物质的量的2倍9.在一定温度下的恒容密闭容器中发生反应:2SO 2(g)+O 2(g)⇌2SO 3(g),下列证据不能说明反应一定达到化学平衡状态的是( ) A .容器内的压强不再改变B .SO 2的转化率不再改变C .223SO : O : ()O ()()S c c c = 2 : 1 : 2D .SO 3的生成速率与SO 3的消耗速率相等10.在一定温度下,下列叙述不是可逆反应A(g)+3B(g)2C(g)达到平衡状态标志的是( )①C 生成的速率与C 分解的速率相等②单位时间内生成a mol A,同时生成3a mol B ③A、B 、C 的浓度不再变化 ④A、B 、C 的压强不再变化 ⑤混合气体的总压强不再变化 ⑥混合气体的物质的量不再变化⑦单位时间内消耗a mol A,同时生成3a mol B ⑧A、B 、C 的分子数之比为1︰3︰2A.②⑧B.①⑥C.②④D.③⑧ 11.能表示H 2(g)+ I 2(g) 2HI(g)已经达到平衡状态的标志是( )①()()()22H I HI c c c ==时 ②()()()22H :I :HI 1:1:2c c c =时③()()()22H I HI c c c 、、不再随时间而改变 ④单位时间内生成 mol n H 2的同时生成2mol n HI ⑤单位时间内生成 mol n H 2的同时生成 mol n I 2 ⑥反应速()()()22H I 1/2HI v v v == ⑦一个H-H 键断裂的同时有两个H-I 键断裂 ⑧温度和体积一定时,容器内压强不再变化 ⑨温度和体积一定时,混合气体的颜色不再变化 ⑩温度和压强一定时,混合气体的密度不再变化 ⑪条件一定,混合气体的平均相对分子质量不再变化 A .③④⑦⑨⑩B .③④⑦⑨C .②③④⑦⑨D .②③④⑥⑦⑨12.一定温度下,可逆反应2NO 22NO+O 2在体积不变的密闭容器中反应,达到平衡状态的标志是( )①单位时间内生成 mol n O 2的同时生成2 mol n NO 2 ②单位时间内生成 mol n O 2的同时生成2 mol n NO ③混合气体的平均相对分子质量不再改变的状态 ④混合气体的颜色不再改变的状态 ⑤混合气体的密度不再改变的状态⑥用22NO NO O 、、的物质的量浓度变化表示的反应速率的比为2:2:1的状态 A .① ③ ④B .① ④ ⑥C .② ③ ⑤D .① ② ③ ④ ⑤ ⑥13.一定温度下,恒容密闭容器中发生反应:()()()()A g B g C g D g m n p q ++,其中m n p q、、、为任意正整数。
高中化学平衡移动及影响因素练习题一、单选题1.臭氧是理想的烟气脱硝试剂,其脱硝反应为2NO2(g)+O3(g)N2O5(g)+O2(g),若反应在恒容密闭容器中进行,下列由该反应相关图像作出的判断正确的是()A.AB.BC.CD.D2.下列实验结果不能作为相应定律或原理的证据之一的是(阿伏加德罗定律:在同温同压下,相同体积的任何气体含有相同数目的分子)( )左球气体颜色加烧瓶中冒气泡, 测得ΔH为ΔH、ΔH H与O的体积比约3.下列变化不能用勒夏特列原理解释的是( )A.向H2S 水溶液中加入N aOH 有利于S2-增多B.过氧化氢分解加催化剂二氧化锰,使单位时间内产生的氧气的量增多C.合成氨时将氨液化分离,可提高原料的利用率D.新制氯水久置后颜色变浅4.下列不能能用勒夏特烈原理解释的是( ) A .对2HI====H 2+I 2平衡体系增加压强使颜色变深B .在溴水中存在如下平衡:Br 2+H 2O===HBr+HBrO ,当加入NaOH 溶液后颜色变浅C .反应2NO+2CO===2CO 2+N 2正反应放热,升高温度使平衡向逆方向移动D .合成氨反应:N 2+3H 2===2NH 3正反应放热,为使氨的产率提高,理论上应采取低温高压的措施5.下列事实不能..用勒夏特列原理解释的是( ) A .光照新制的氯水时,溶液的pH 逐渐减小 B .高温,使2N 和2H 转化为更多的3NH (△H <0) C .可用浓氨水和氢氧化钠固体快速制取氨气 D .增大压强,有利于2SO 和2O 反应生成3SO6.某温度下,在固定容积的密闭容器中,可逆反应A(g)+3B(g)2C(g)达到平衡时,各物质的物质的量之比为n (A):n (B):n (C)=2:2:1。
保持温度不变,以2:2:1的物质的量之比再充入A 、B 、C,则( ) A.平衡不移动B.再次达到平衡时,n (A):n (B):n (C)仍为2:2:1C.再次达到平衡时,C 的体积分数增大D.正反应速率增大,逆反应速率减小7.下列事实不能用勒夏特列原理解释的是( ) ①工业合成氨,反应条件选择高温②实验室可以用排饱和食盐水的方法收集氯气 ③使用催化剂可加快SO 2转化为SO 3的速率④硫酸工业中,增大O 2的浓度有利于提高SO 2的转化率 A.②③B.②④C.①③D.①④8.在某密闭容器中,反应a A(g)+b B(g)c C(g)+d D(g)达到平衡时,B 的浓度为0.6mol/L,若保持温度不变,将容器的容积扩大到原来的3倍,达新平衡时B 的浓度降为0.3mol/L 。
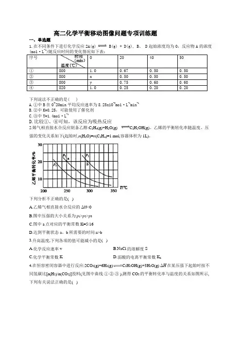
高二化学平衡移动图像问题专项训练题一、单选题1.在不同条件下进行化学反应2A(g) B(g) + D(g), B、 D起始浓度均为0,反应物A的浓度-1序号0 20 40 50①800 1.0 0.67 0.50 0.50②800 x 0.50 0.50 0.50③800 y 0.75 0.60 0.60④820 1.0 0.25 0.20 0.20下列说法不正确的是( )A.①中B在0~20min平均反应速率为8.25x10-3mo1·L-1min-1B.②中K=0.25,可能使用了催化剂C.③中Y=1.4mo1·L-1D.比较①、④可知,该反应为吸热反应2.烯气相直接水合反应制备乙醇:C2H4(g)+H2O(g)C2H5OH(g)。
乙烯的平衡转化率随温度、压强的变化关系如下(起始时,n(H2O)=n(C2H4)=1 mol,容器体积为1L)。
下列分析不正确的是( )A.乙烯气相直接水合反应的ΔH<0B.图中压强的大小关系为:p1>p2>p3C.图中a点对应的平衡常数K=5/16D.达到平衡状态a、b所需要的时间:a>b3.升高温度,下列各项的值可能减小的是( )A.化学反应速率vB.NaCl的溶解度SC.化学平衡常数KD.弱酸的电离平衡常数K a4.在恒容密闭容器中进行反应:2CO2(g)+6H2(g)C2H5OH(g)+3H2O(g) ΔΗ在某压强下起始时按不同氢碳比[n(H2)/n(CO2)]投料(见图中曲线①②③ ),测得CO2的平衡转化率与温度的关系如图所示,下列有关说法正确的是( )A.该反应的ΔΗ>0B.氢碳比:① <② <③C.其他条件不变的情况下,增大容器的体积可提高CO 2的转化率D.若起始时CO 2浓度为2mol·L -1,H 2浓度为4mol·L -1,在图中曲线③ 氢碳比条件下进行反应,则400K 时该反应的平衡常数数值约为1.75.在某容积一定的密闭容器中,有下列可逆反应:()()()A g +B g xC g H 僔未知,有图Ⅰ所示的反应曲线,试判断对图Ⅱ的说法中正确的是(T 表示温度,P 表示压强,C%表示C 的体积分数( )A. 34P >P ,y 轴表示C 的转化率B. 34P <P ,y 轴表示B 的体积分数C. 34P <P ,y 轴表示混合气体的密度D. 34P >P ,y 轴表示混合气体的平均摩尔质量6.在一恒温、恒容密闭容器中发生反应:()()()()50~804180~200Ni s +4CO g Ni CO g ,H<0垐垐垎V 噲垐垐℃℃利用该反应可以将粗镍转化为纯度达99.9%的高纯镍.对该反应的说法正确的是( ) A. 增加Ni 的量可提高CO 的转化率,Ni 的转化率降低℃ B. 缩小容器容积,平衡右移,H V 减小C. 反应达到平衡后,充入CO 再次达到平衡时,CO 的体积分数降低D. 当()()44v Ni CO =v CO ⎡⎤⎣⎦正正时或容器中混合气体密度不变时,都可说明反应已达化学平衡状态7.以下自发反应可以用熵判据来解释的是( ) A. ()()()222N g +2O g ==2NO g H=+67.7kJ/mol VB. ()()()23CaO s +CO g ==CaCO s H=-175.5kJ/mol VC. ()()()()434332NH CO s ==NH HCO s +NH g H=+74.9kJ/mol VD. ()()()2222H g +O g ==2H O l H=-285.8kJ/mol V 8.工业上以CH 4为原料制备H 2的原理为CH 4(g)+H 2O(g)4CO(g)+3H 2(g) ΔΗ>0。
化学平衡移动一、选择题1.压强变化不会使下列化学反应的平衡发生移动的是()A.H2(g)+Br2(g)2HBr(g) B.N2(g)+3H2(g)2NH3(g)C.2SO2(g)+O2(g)2SO3(g) D.C(s)+CO2(g)2CO(g)【解析】对于气体体积不变的反应,改变压强时化学平衡不移动。
【答案】 A2.对于平衡CO2(g)CO2(aq)ΔH=-19.75 kJ/mol,为增大二氧化碳气体在水中的溶解度,应采用的方法是()A.升温增压B.降温减压C.升温减压D.降温增压【解析】正反应放热,要使平衡右移,应该降低温度;另外正反应为气体分子数减少的反应,所以为了增加CO2在水中的溶解度,应该增大压强,故选D。
【答案】 D3.在常温常压下,向5 mL 0.1 mol·L-1FeCl3溶液中滴加0.5 mL 0.01 mol·L-1的NH4SCN溶液,发生如下反应:FeCl3+3NH4SCN Fe(SCN)3+3NH4Cl,所得溶液呈红色,改变下列条件,能使溶液颜色变浅的是()A.向溶液中加入少量的NH4Cl晶体B.向溶液中加入少量的水C.向溶液中加少量无水CuSO4,变蓝后立即取出D.向溶液中滴加2滴2 mol·L-1的FeCl3【解析】从反应实质看,溶液中存在的化学平衡是:Fe3++3SCN-Fe(SCN)3,Fe(SCN)3溶液显红色,加入NH4Cl晶体,因为在反应中NH4+、Cl-未参与上述平衡,故对此平衡无影响;加水稀释各微粒浓度都变小,且上述平衡逆向移动,颜色变浅;CuSO4粉末结合水,使各微粒浓度变大,颜色加深;加2滴2 mol·L-1FeCl3,增大c(Fe3+),平衡正向移动,颜色加深(注意,若加入FeCl3的浓度≤0.1 mol·L-1,则不是增加反应物浓度,相当于稀释)。
【答案】 B4.合成氨工业上采用了循环操作,主要原因是()A.加快反应速率B.提高NH3的平衡浓度C.降低NH3的沸点D.提高N2和H2的利用率【解析】合成氨工业上采用循环压缩操作,将N2、H2压缩到合成塔中循环利用于合成氨,提高了N2、H2的利用率。
化学平衡的移动(专题训练)1.某温度时,发生反应2HI(g)H2(g)+I2(g),向三个体积相等的恒容密闭容器A、B、C中,分别加入①2 mol HI;②3 mol HI;③1 mol H2与1 mol I2,分别达到平衡时,以下关系正确的是()A.平衡时,各容器的压强:②=①=③B.平衡时,I2的浓度:②>①>③C.平衡时,I2的体积分数:②=①=③D.从反应开始到达平衡的时间:①>②=③2.CO2经催化加氢可合成乙烯:2CO2(g)+6H2(g)C2H4(g)+4H2O(g)。
0.1 MPa 时,按n(CO2)∶n(H2)=1∶3投料,测得不同温度下平衡时体系中各物质浓度的关系如图,下列叙述不正确的是()A.该反应的ΔH<0B.曲线b代表H2O的浓度变化C.N点和M点所处的状态c(H2)不一样D.其他条件不变,T1℃、0.2 MPa下反应达平衡时c(H2)比M点大3.已知反应:CO(g)+3H2(g)CH4(g)+H2O(g)。
起始以物质的量之比为1∶1充入反应物,不同压强条件下,H2的平衡转化率随温度的变化情况如图所示(M、N点标记为▲)。
下列有关说法正确的是()A.上述反应的ΔH<0B.N点时的反应速率一定比M点的快C.降低温度,H2的转化率可达到100%D.工业上用此法制取甲烷应采用更高的压强4.工业上以CH4为原料制备H2的原理为CH4(g)+H2O(g)CO(g)+3H2(g)。
在一定条件下a、b两个恒温恒容的密闭容器中均通入1.1 mol CH4(g)和1.1 mol H2O(g),测得两容器中CO的物质的量随时间的变化曲线分别为a和b。
已知容器a的体积为10 L,温度为T a,下列说法不正确的是()A.容器a中CH4从反应开始到恰好平衡时的平均反应速率为0.025 mol·L-1·min-1B.a、b两容器的温度可能相同C.在达到平衡前,容器a的压强逐渐增大D.该反应在T a温度下的平衡常数为275.不同条件下,用O2氧化a mol/L FeCl2溶液过程中所测的实验数据如图所示。
第二章第三节化学平衡移动练习题(1)一、选择题1.对已达平衡状态的反应:2X(g)+Y(g)2Z(g),减小压强时,下列说法正确的是()A.逆反应速率增大,正反应速率减小,平衡向逆反应方向移动B.逆反应速率减小,正反应速率增大,平衡向正反应方向移动C.正、逆反应速率都减小,平衡向逆反应方向移动D.正、逆反应速率都增大,平衡向正反应方向移动2.在一定条件下,可逆反应:N 2(g)+3H2(g)2NH3(g) △H<0,达到平衡时,当单独改变下列条件后,有关叙述错误的是()A.加催化剂υ(正)、υ(逆)都发生变化且变化的倍数相等B.加压,υ(正)、υ(逆)都增大,且υ(正)增大倍数大于υ(逆)增大倍数C.降温,υ(正)、υ(逆)都减小,且υ(正)减小倍数小于υ(逆)减小倍数D.在体积不变时加入氩气,υ(正)、υ(逆)都增大,且υ(正)增大倍数大于υ(逆)增大倍数3.下列说法正确的是() A.可逆反应的特征是正反应速率总是和逆反应速率相等B.其他条件不变时,使用催化剂只改变反应速率,而不能改变化学平衡状态C.在其他条件不变时,升高温度可以使化学平衡向放热反应的方向移动D.在其他条件不变时,增大压强一定会破坏气体反应的平衡状态4.对于任何一个平衡体系,采取下列措施后,一定会使平衡移动的是()A.加入一种反应物 B.对平衡体系加压C.升高温度 D.使用催化剂5.对平衡CO 2(g)CO2(aq) △H= -19.75 kJ/mol,为增大二氧化碳气体在水中的溶解度,应采用的方法是()A.升温增压B.降温减压 C.升温减压D.降温增压6.2007年10月10日,德国科学家格哈德·埃尔特生日的当天获得了诺贝尔化学奖,以奖励他在表面化学领域做出开拓性的贡献。
合成氨反应在铁催化剂表面进行时效率显着提高,就是埃尔特的研究成果,下列关于合成氨反应的叙述中正确的是()A.铁做催化剂可加快反应速率,且有利于平衡向合成氨的方向移动B.将氨气从混合气中分离,可加快反应速率,且有利于平衡向合成氨的方向移动C.升高温度可加快反应速率,且有利于平衡向合成氨的方向移动D.增大压强可加快反应速率,且有利于平衡向合成氨的方向移动7.关于催化剂的叙述,正确的是()A.催化剂在化学反应前后性质不变B.催化剂在反应前后质量不变,故催化剂不参加化学反应C.使用催化剂可以改变反应达到平衡的时间D.催化剂可以提高反应物的转化率8.对于可逆反应2A2(g)+B22B(1)(正反应为放热反应)达到平衡,要使正、逆反应的速率都增大,而且平衡向右移动,可以采取的措施是()A.升高温度B.降低温度C.增大压强D.减小压强9.在一容积固定的密闭容器中,反应 2SO2(g)+O2(g) 2SO3(g)达平衡后,再通入18O2气体,重新达平衡。
化学平衡移动一、选择题1.压强变化不会使下列化学反应的平衡发生移动的是()A.H2(g)+Br2(g)2HBr(g) B.N2(g)+3H2(g)2NH3(g)C.2SO2(g)+O2(g)2SO3(g) D.C(s)+CO2(g)2CO(g)【解析】对于气体体积不变的反应,改变压强时化学平衡不移动。
【答案】 A2.对于平衡CO2(g)CO2(aq)ΔH=-19.75 kJ/mol,为增大二氧化碳气体在水中的溶解度,应采用的方法是()A.升温增压B.降温减压C.升温减压D.降温增压【解析】正反应放热,要使平衡右移,应该降低温度;另外正反应为气体分子数减少的反应,所以为了增加CO2在水中的溶解度,应该增大压强,故选D。
【答案】 D3.在常温常压下,向5 mL 0.1 mol·L-1FeCl3溶液中滴加0.5 mL 0.01 mol·L-1的NH4SCN溶液,发生如下反应:FeCl3+3NH4SCN Fe(SCN)3+3NH4Cl,所得溶液呈红色,改变下列条件,能使溶液颜色变浅的是()A.向溶液中加入少量的NH4Cl晶体B.向溶液中加入少量的水C.向溶液中加少量无水CuSO4,变蓝后立即取出D.向溶液中滴加2滴2 mol·L-1的FeCl3【解析】从反应实质看,溶液中存在的化学平衡是:Fe3++3SCN-Fe(SCN)3,Fe(SCN)3溶液显红色,加入NH4Cl晶体,因为在反应中NH4+、Cl-未参与上述平衡,故对此平衡无影响;加水稀释各微粒浓度都变小,且上述平衡逆向移动,颜色变浅;CuSO4粉末结合水,使各微粒浓度变大,颜色加深;加2滴2 mol·L-1FeCl3,增大c(Fe3+),平衡正向移动,颜色加深(注意,若加入FeCl3的浓度≤0.1 mol·L-1,则不是增加反应物浓度,相当于稀释)。
【答案】 B4.合成氨工业上采用了循环操作,主要原因是()A.加快反应速率B.提高NH3的平衡浓度C.降低NH3的沸点D.提高N2和H2的利用率【解析】合成氨工业上采用循环压缩操作,将N2、H2压缩到合成塔中循环利用于合成氨,提高了N2、H2的利用率。
高二化学化学平衡状态判断、平衡移动综合练习题一、单选题1.在一绝热(不与外界发生热交换)的恒容容器中,发生反应:()()()()2A g +B s C g +D g ,下列描述中不能表明该反应已达到平衡状态的是( ) A.混合气体的密度不变 B.单位时间内生成n mol D ,同时生成n mol C C.容器中的温度不再变化D.C(g)的物质的量浓度不变2.在一个不传热的固定容积的密闭容器中,发生可逆反应A(g)+B(C(g)D(g)g)m q n p +,当m 、n 、p 、q 为任意整数时,一定达到平衡的标志是( )①体系的温度不再改变 ②体系密度不再改变 ③各组分的浓度不再改变 ④各组分的质量分数不再改变⑤反应速率(A):(B):(C):(D)::: v v v v m p n q =⑥单位时间内mol m A 发生断键反应,同时mol p C 也发生断键反应 A.③④⑤⑥B.①③④⑥C.②③④⑥D.①③④⑤3.甲醇是一种可再生能源,具有广阔的开发和应用前景。
工业上一般采用如下反应合成甲醇:2232CO (g)3H (g)CH OH(g)H O(g)++。
能说明反应已达到化学平衡状态的是( )A.容器内2CO 、2H 、3CH OH 、2H O 的浓度之比为1:3:1:1B.生成1mol 2H O ,同时消耗3mol 2HC.体系中物质的总质量不变D.恒温恒容下,密闭容器中压强保持不变 4.可逆反应:222NO (g)2NO(g)O (g)+,在容积不变的密闭容器中进行,下列能说明该反应达到平衡状态的有( )①单位时间内生成2mol O n 的同时生成2mol NO n ②容器内总压强不再变化③2NO 、NO 、2O 的物质的量浓度之比为2:2:1 ④混合气体的密度不再改变 ⑤混合气体的颜色不再改变⑥混合气体的平均相对分子质量不再改变 A.2个B.3个C.4个D.5个5.在一个固定容积的密闭容器中,可逆反应:A(g)B(C(g)+D(g)g)m p q n +中,当m 、n 、p 、q 为任意正整数时,能说明该反应一定达到平衡状态的是( )A.气体分子的平均摩尔质量不再发生变化B.各组分的物质的量浓度不再改变C.A 与C 的质量分数相等D.反应速率A C B D ::::::v v v v m n p q = 6.氨基甲酸铵分解反应为2432NH COONH (s)2NH (g)CO (g)+,在一体积恒定的容器里,发生上面的反应,可以判断该反应已经达到平衡的是( ) A.密闭容器中氨气的体积分数不变 B.241molNH COONH 分解同时有317gNH 消耗 C.密闭容器中混合气体的密度不变 D.混合气体的平均分子量不变7.恒容密闭容器中发生反应:222NO (g)2NO(g)+O (g)(2NO 红棕色气体,NO 无色气体),下列状态中不能表明该反应达到平衡状态的有( ) A. 混合气体的颜色不再改变的状态B. 单位时间内生成mol n 2O 的同时生成2mol n 2NOC. 混合气体的密度不再改变的状态D. 混合气体的平均相对分子质量不再改变 8.一定温度下,反应()()22N g 3H g +()32NH g 达到化学平衡状态的标志是( )A.223N H NH 、和的质量分数不再改变B.()()()223N H NH c c c ∶∶=1∶3∶2 C. 断裂1 mol N≡N 键的同时,形成6 mol N —H 键 D. N 2与H 2的物质的量之和是NH 3的物质的量的2倍9.在一定温度下的恒容密闭容器中发生反应:2SO 2(g)+O 2(g)⇌2SO 3(g),下列证据不能说明反应一定达到化学平衡状态的是( ) A .容器内的压强不再改变B .SO 2的转化率不再改变C .223SO : O : ()O ()()S c c c = 2 : 1 : 2D .SO 3的生成速率与SO 3的消耗速率相等10.在一定温度下,下列叙述不是可逆反应A(g)+3B(g)2C(g)达到平衡状态标志的是( )①C 生成的速率与C 分解的速率相等②单位时间内生成a mol A,同时生成3a mol B ③A、B 、C 的浓度不再变化 ④A、B 、C 的压强不再变化 ⑤混合气体的总压强不再变化 ⑥混合气体的物质的量不再变化⑦单位时间内消耗a mol A,同时生成3a mol B ⑧A、B 、C 的分子数之比为1︰3︰2A.②⑧B.①⑥C.②④D.③⑧ 11.能表示H 2(g)+ I 2(g) 2HI(g)已经达到平衡状态的标志是( )①()()()22H I HI c c c ==时 ②()()()22H :I :HI 1:1:2c c c =时③()()()22H I HI c c c 、、不再随时间而改变 ④单位时间内生成 mol n H 2的同时生成2mol n HI ⑤单位时间内生成 mol n H 2的同时生成 mol n I 2 ⑥反应速()()()22H I 1/2HI v v v == ⑦一个H-H 键断裂的同时有两个H-I 键断裂 ⑧温度和体积一定时,容器内压强不再变化 ⑨温度和体积一定时,混合气体的颜色不再变化 ⑩温度和压强一定时,混合气体的密度不再变化 ⑪条件一定,混合气体的平均相对分子质量不再变化 A .③④⑦⑨⑩B .③④⑦⑨C .②③④⑦⑨D .②③④⑥⑦⑨12.一定温度下,可逆反应2NO 22NO+O 2在体积不变的密闭容器中反应,达到平衡状态的标志是( )①单位时间内生成 mol n O 2的同时生成2 mol n NO 2 ②单位时间内生成 mol n O 2的同时生成2 mol n NO ③混合气体的平均相对分子质量不再改变的状态 ④混合气体的颜色不再改变的状态 ⑤混合气体的密度不再改变的状态⑥用22NO NO O 、、的物质的量浓度变化表示的反应速率的比为2:2:1的状态 A .① ③ ④B .① ④ ⑥C .② ③ ⑤D .① ② ③ ④ ⑤ ⑥13.一定温度下,恒容密闭容器中发生反应:()()()()A g B g C g D g m n p q ++,其中m n p q、、、为任意正整数。
化学平衡状态和平衡移动 经典习题1.已知反应CO(g)+H 2O(g)催化剂CO 2(g)+H 2(g) ΔH <0。
在一定温度和压强下于密闭容器中,反应达到平衡。
下列叙述正确的是( )A .升高温度,K 增大B .减小压强,n (CO 2)增加C .更换高效催化剂,α(CO)增大D .充入一定量的氮气,n (H 2)不变答案 D解析 A 项,ΔH <0,正反应放热,升高温度平衡向逆反应方向移动,平衡常数减小,错误;B 项,比较方程式气体的计量数关系,反应前气体的化学计量数之和等于反应后气体的计量数之和,则减小压强,平衡不移动,n (CO 2)不变,错误;C 项,催化剂能改变反应速率,但不会引起化学平衡的移动,所以α(CO)不变,错误;D 项,充入一定量的氮气,相当于混合气体压强减小,平衡向气体体积增大的方向移动,但该反应前后气体体积不变,平衡不移动,n (H 2)不变,正确。
2.一定条件下,CH 4与H 2O(g)发生反应:CH 4(g)+H 2O(g)CO(g)+3H 2(g)。
设起始n (H 2O )n (CH 4)=Z ,在恒压下,平衡时CH 4的体积分数φ(CH 4)与Z 和T (温度)的关系如图所示。
下列说法正确的是( )A .该反应的焓变ΔH >0B .图中Z 的大小为a >3>bC .图中X 点对应的平衡混合物中n (H 2O )n (CH 4)=3 D .温度不变时,图中X 点对应的平衡在加压后φ(CH 4)减小答案 A解析 A 项,由图可知,随温度的升高,CH 4的体积分数减小,说明平衡向正反应方向移动,正反应为吸热反应,正确;B 项,Z 越大,说明n (H 2O )n (CH 4)大,相当于增加H 2O 的量,平衡正向移动,CH 4的体积分数减小,所以b >3>a ,错误;C 项,起始时n (H 2O)=3x mol ,n (CH 4)=x mol ,随平衡的建立,消耗的n (CH 4)=n (H 2O)=a mol ,平衡时n (H 2O )n (CH 4)=3x -a x -a≠3,错误;D 项,加压,平衡向逆反应方向移动,CH 4体积分数增大,错误。
高二化学必修二化学平衡的移动2套训练试题(1)在达到平衡状态向A的容器中通入少量O2,体系中SO2的体积分数____________(填“增大” “减小”或“不变”),若要使SO2的体积分数再变到与平衡状态A相同,可采取的措施有:__________ __或____________。
(2)若起始时a=1.2 mol,b=0.6 mol,且达到平衡后各气体的体积分数与平衡状态A相同,则起始时c的取值为____________。
(3)若要使反应开始时向逆反应方向进行,且达到平衡后各气体的物质的量与平衡状态A相同,则起始时c的取值范围是____________。
解析:(1)平衡向正方向移动;通过改变条件,使平衡向逆方向移动。
(2)在等温、等压时,只需加入的反应物与起始物成比例即可。
(3)算出平衡时A中生成的SO3的物质的量为3.6 mol,若使平衡向逆方向进行,则加入的C必大于3.6 mol。
答案:(1)减小升高温度再通入2倍于O2的SO2(2)c≥0(3)3.6<c≤412.将1 mol A气体在较高温度下放入一密闭容器下,使其分解,A(g) 2B(g),当有40%的A分解时,达到平衡,平衡时反应混合气体的平均摩尔质量为65.7 gmol-1,求A的摩尔质量。
解析:利用平衡模式法解题。
A(g)2 B(g)始(mol)1 0变(mol)0.4 0.8平(mol)0.6 0.8=65.7解得:MA=92。
答案:92 gmol-1拓展探究13 .将等物质的量的A、B、C、D四种物质混合,发生如下反应:aA+bB cC(s)+dD。
当反应进行一定时间后,测得A减小了n mol,B减小了mol,C增加了mol,D增加了n mol,此时达到化学平衡。
(1)该化学反应中各物质的系数为a=_____________,b=_____________,c=_____________,d=_____________。
(2)若只改变压强,反应速率发生变化,但平衡不发生移动,该反应中各物质的聚集状态是A_____________,B_____________,C_____________,D_____________。
化学平衡1、一定条件下,在恒容密闭容器中,能表示反应X(g)+2Y(g)2Z(g)一定达到化学平衡状态的是( )①X 、Y 、Z 的物质的量之比是1∶2∶2 ②X 、Y 、Z 的浓度不再发生变化③容器中的压强不再发生变化 ④单位时间内生成n mol Z ,同时生成2n mol Y A.①② B.①④ C.②③ D.③④ 2、在反应:FeCl 3+3KSCN Fe(SCN)3+3KCl 达到平衡后,加入少量下列固体,该平衡几乎不发生移动的是( )A.KSCNB.KClC.KOHD.FeCl 3 3.一定温度下,反应C(s)+H 2O(g)CO(g)+H 2(g)在密闭容器中进行,一段时间后达到平衡,下列措施不能使平衡发生移动的是( )①增加C 的物质的量②保持体积不变,充入N 2使体系压强增大 ③将容器的体积缩小一半④保持压强不变,充入N 2使容器体积变大 A.①② B.②③ C.①④ D.③④ 4.下列对化学平衡移动的分析中,不正确的是( ) ①已达平衡的反应C(s)+H 2O(g)CO(g)+H 2(g),当增加反应物物质的量时,平衡一定向正反应方向移动②已达平衡的反应N 2(g)+3H 2(g)2NH 3(g),当增大N 2的浓度时,平衡向正反应方向移动,N 2的转化率一定升高 ③有气体参加的反应达到平衡时,若减小反应器容积时,平衡一定向气体体积增大的方向移动 ④有气体参加的反应达平衡时,在恒压反应器中充入稀有气体,平衡一定不移动A.①④B.①②③C.②③④D.①②③④ 5.下列叙述及解释正确的是( ) A.2NO 2(g)(红棕色)N 2O 4(g)(无色) ΔH <0,在平衡后,对平衡体系采取缩小容积、增大压强的措施,因为平衡向正反应方向移动,故体系颜色变浅 B.H 2(g)+I 2(g)2HI(g) ΔH <0,在平衡后,对平衡体系采取增大容积、减小压强的措施,因为平衡不移动,故体系颜色不变 C.FeCl 3+3KSCNFe(SCN)3(红色)+3KCl ,在平衡后,加少量KCl ,因为平衡向逆反应方向移动,故体系颜色变浅 D.对于N 2+3H 22NH 3,平衡后,压强不变,充入O 2,平衡左移6.已知:可逆反应2SO 2(g)+O 2(g)2SO 3(g) ΔH <0,在一定条件下达到平衡后,改变下列条件一定能使该平衡向正反应方向移动的是( ) A.升温增压 B.降温增压C.升温减压 D.降温减压 7.对于反应3Fe(s)+4H 2O(g)Fe 3O 4(s)+4H 2(g)的平衡常数,下列说法正确的是( )A.K =c 4H 2·c Fe 3O 4c 3Fe ·c 4H 2OB.K =c 4H 2c 4H 2OC.增大c (H 2O)或减小c (H 2),会使该反应平衡常数减小D.改变反应的温度,平衡常数不一定变化8.在25 ℃时,密闭容器中X、Y、Z三种气体的初始浓度和平衡浓度如下表:物质X Y Z初始浓度/mol·L-10.1 0.2 0平衡浓度/mol·L-10.05 0.05 0.1下列说法错误的是( )A.反应达到平衡时,X的转化率为50%B.反应可表示为X+3Y2Z,其平衡常数为1600C.增大压强使平衡向生成Z的方向移动,平衡常数增大D.改变温度可以改变此反应的平衡常数9.将4 mol SO2与2 mol O2放入4 L的密闭容器中,在一定条件下反应达到平衡:2SO2+O22SO3,测得平衡时SO3的浓度为0.5 mol·L-1。
高二化学化学平衡的移动试题1.可逆反应2A(g)+B(g)2C(g),根据下表中的数据判断下列图像错误的是( )【答案】D【解析】由表中数据可知,在相同压强下,升高温度,A的转化率降低,说明升高温度平衡向逆反应方向移动,则正反应为放热反应,在相同温度下,增大压强,A的转化率增大,说明平衡向正反应方向移动,则A、升高温度,A的转化率降低,与表中数据吻合,故A正确;B、升高温度,平衡向逆反应方向移动,C的百分含量降低,增大压强,平衡向正反应方向移动,C的百分含量增大,与表中数据吻合,故B正确;C、升高,反应速率增大,平衡向逆反应方向移动,逆反应速率大于正反应速率,与表中数据吻合,故C正确;D、增大压强,反应速率增大,正反应速率大于逆反应速率平衡向正反应方向移动,图象与表中数据不吻合,故D错误。
【考点】化学平衡专题2.一定温度下,往a、b两容器中各注人1 mol三氧化硫,a、b两容器起始体积和压强均相同,分别保持恒容和恒压,发生以下反应: 2SO3(g)2SO2(g)+O2(g),两容器中三氧化硫物质的量随时间(t)变化的示意图为( )【答案】B【解析】在相同温度下发生反应2SO3(g) 2SO2(g)+O2(g),该反应为气体物质的量增大的反应,若A容器保持体积不变,B容器保持压强不变,则随着反应的进行,A的压强逐渐增大,B容器压强小于A容器压强,增大压强,平衡向逆反应方向移动,A中SO3的物质的量增加,在某一点超过B,故选择B。
【考点】化学平衡3.在容积均为500 mL的I、Ⅱ、Ⅲ三个密闭容器中分别充入l molN2和2.5 molH2,三个容器的反应温度分别为T1、T2、T3且恒定不变,在其他条件相同的情况下发生反应N2(g)+3H2(g)2NH3(g)H<O。
实验测得反应均进行到t min时N2的体积分数如图所示。
下列说法正确的是( )A.当v(H2)=3v(N2)时,可以说明三个容器中的反应达平衡状态B.在t min时,一定达化学平衡状态的是Ⅱ和ⅢC.在t min时,一定没有达化学平衡状态的是ID.三个容器中的反应均达到平衡后,容器I中混合气体的平均相对分子质量最小【答案】C【解析】A、若为一个表示正反应速率、另一个表示逆反应速率,反应到达平衡,若为同方向速率,选项A中关系式在任何情况下都成立,不能说明到达平衡,没有指明H2和N2的正逆反应速率,不能说明反应达到了平衡状态,故A错误;B、由于不能确定容器II中氮气是否达到最小值,因此不能确定II是否达到平衡状态,故B错误;C、若未达平衡,温度越高反应速率越快,相同时间内氮气的含量越低,tmin时,氮气的含量Ⅲ比Ⅱ高,故Ⅲ到达平衡,故C正确;D、由质量守恒定律知,总质量不变,该反应为体积缩小的反应,Ⅲ中N2的含量最大,故总物质的量最大,故Ⅲ平均相对分子质量最小,故D错误。
第二章 化学平衡移动 转化率班级: 组号: 姓名: 成绩: 一.选择题1.在密闭容器中发生如下反应:aX(气)+bY(气) cZ(气)+dW(气),反应达平衡后保持温度不变,将气体体积压缩到原来的1/2,当再次达平衡时,W 的浓度为原平衡时的1.8倍。
下列叙述中不正确的是( )A.平衡向逆反应方向移动B.a+b<C+dC.Z 的体积分数增加D.X 的转化率下降 答案:C2.已建立化学平衡的某可逆反应,当条件改变使化学平衡向正反应方向移动时,下列叙述正确的是( )①生成物的质量分数一定增加;②生成物产量一定增加;③反应物的转化率一定增大;④反应物的浓度一定降低;⑤正反应速率一定大于逆反应速率;⑥一定使用催化剂 A .①③ B .③⑤ C .②⑤ D .④⑥ 答案:C3.在5 L 的密闭容器中充入2 mol A 气体和1 mol B 气体,在一定条件下发生反应:2A(g)+B(g)2C(g),达平衡时,在相同温度下测得容器内混合气体的压强是反应前的65,则A 的转化率为 ( )A. 67%B. 50%C. 25%D. 5% 答案:B4.在一密闭溶器中,用等物质的量的A 和B 发生如下反应:A(g)+2B(g)2C(g)反应达到平衡时,若混合气体中A 和B 的物质的量之和与C 的物质的量相等,则这时A 的转化率为 ( )A. 40%B. 50%C. 60%D. 70% 答案:A5.在恒压容器a 和恒容容器b 中,分别充入体积比为1∶3的N 2和H 2。
若开始时两容器的体积相等,且在相同的条件下达到平衡时,两容器的N 2的转化率应当是( ) A .a 中大 B .b 中大 C .a 、b 一样大 D .无法判断 答案:A6.在容积相同A 、B 两个密闭容器中,分别充入2molSO 2和1molO 2,使它们在相同的温度下发生反应:2SO 2+O 22SO 3,并达到平衡。
在反应过程中,若A 容器保持体积不变,B 容器保持压强不变,当A 中的SO 2的转化率为25%时,则B 容器中SO 2的转化率应是( ) A 、25% B 、>25% C 、<25% D 、12.5% 答案:B7.一定条件下,将10mol H 2和1mol N 2充入一密闭容器中,发生反应:N 2(g)+3H 2(g)2NH 3(g),达到平衡时,H 2的转化率可能是( )A .25%B .30%C .35%D .75%答案:A8.α1和α2分别为A 、B 在两个恒容容器中平衡体系A(g)2B(g)和2A(g)B(g)的转化率,在温度不变的情况下,均增加A 的物质的量,下列判断正确的是A .α1、α2均减小B .α1、α2均增大C .α1减小,α2增大D .α1增大,α2减小 【答案】A9.某体积可变的密闭容器,盛有适量的A 和B 的混合气体,在一定条件下发生反应:A +3B2C 若维持温度和压强不变,当达到平衡时,容器的体积为V L ,其中C 气体的体积占有10%,下列推断正确的是 ( )① 原混合气体的体积为1.2V L ② 原混合气体的体积为1.1V L ③ 反应达平衡时气体A 消耗掉0.05V L ④ 反应达平衡时气体B 消耗掉0.05V L A. ②③ B. ②④ C. ①③ D. ①④ 答案:A10.X 、Y 、Z 为三种气体,把a mol X 与b mol Y 充入一密闭容器中,发生反应X +2Y 2Z ,达到平衡时,若它们的物质的量满足:n (X)+n (Y)=n (Z),则Y 的转化率为( ) A. 5b a +×100% B. b b a 5)(2+×100% C. 5)(2b a +×100% D. aba 5+×100% 答案:B11.x 1和x 2分别为两个恒容容器中平衡体系A(g)2B(g)和2A(g)B(g)的转化率,在温度不变的情况下,均增加A 的物质的量.下列判断正确的是 ( )A. x 1降低, x 2增大B. x 1, x 2均降低C. x 1增大, x 2降低D. x 1, x 2均增大答案:A12.将2.00 mol SO 2和2.00 mol O 2通入1.00 L 的密闭容器中,1500 K 时,反应达到平衡,测得SO 3的物质的量浓度为0.64 mol·L -1,则平衡时SO 2的平衡转化率为( ) A .30% B .32% C .50% D .18% 答案:B 。
第二章第三节化学平稳移动练习题(1)一、选择题1.对已达平稳状态的反映:2X(g)+Y(g)2Z(g),减小压强时,下列说法正确的是()A.逆反映速度增大,正反映速度减小,平稳向逆反映方向移动B.逆反映速度减小,正反映速度增大,平稳向正反映方向移动C.正、逆反映速度都减小,平稳向逆反映方向移动D.正、逆反映速度都增大,平稳向正反映方向移动2.在必然条件下,可逆反映:N 2(g)+3H2(g)2NH3(g) △H<0,达到平稳时,当单独改变下列条件后,有关叙述错误的是()A.加催化剂υ(正)、υ(逆)都发生转变且转变的倍数相等B.加压,υ(正)、υ(逆)都增大,且υ(正)增大倍数大于υ(逆)增大倍数C.降温,υ(正)、υ(逆)都减小,且υ(正)减小倍数小于υ(逆)减小倍数D.在体积不变时加入氩气,υ(正)、υ(逆)都增大,且υ(正)增大倍数大于υ(逆)增大倍数3.下列说法正确的是()A.可逆反映的特点是正反映速度老是和逆反映速度相等B.其他条件不变时,利用催化剂只改变反映速度,而不能改转变学平稳状态C.在其他条件不变时,升高温度能够使化学平稳向放热反映的方向移动D.在其他条件不变时,增大压强必然会破坏气体反映的平稳状态4.关于任何一个平稳体系,采取下列方法后,必然会使平稳移动的是()A.加入一种反映物 B.对平稳体系加压C.升高温度 D.利用催化剂5.对平稳CO 2(g)CO2(aq) △H= kJ/mol,为增大二氧化碳气体在水中的溶解度,应采纳的方式是()A.升温增压B.降温减压 C.升温减压D.降温增压6.2007年10月10日,德国科学家格哈德·埃尔特生日的当天取得了诺贝尔化学奖,以奖励他在表面化学领域做出开拓性的奉献。
合成氨反映在铁催化剂表面进行时效率显著提高,确实是埃尔特的研究功效,下列关于合成氨反映的叙述中正确的是()A.铁做催化剂可加速反映速度,且有利于平稳向合成氨的方向移动B.将氨气从混合气中分离,可加速反映速度,且有利于平稳向合成氨的方向移动C.升高温度可加速反映速度,且有利于平稳向合成氨的方向移动D.增大压强可加速反映速度,且有利于平稳向合成氨的方向移动7.关于催化剂的叙述,正确的是()A.催化剂在化学反映前后性质不变B.催化剂在反映前后质量不变,故催化剂不参加化学反映C.利用催化剂能够改变反映达到平稳的时刻D.催化剂能够提高反映物的转化率8.关于可逆反映2A2(g)+B2(g) 2A2B(1)(正反映为放热反映)达到平稳,要使正、逆反映的速度都增大,而且平稳向右移动,能够采取的方法是()A.升高温度B.降低温度C.增大压强D.减小压强9.在一容积固定的密闭容器中,反映 2SO 2(g)+O2(g) 2SO3(g)达平稳后,再通入18O2气体,从头达平稳。
高中化学化学平衡、转化率、平衡移动练习题一、单选题1.一定量的2CO 与足量的碳在体积可变的恒压密闭容器中反应: 2C(s)+CO (g)2CO(g),平衡时,体系中气体体积分数与温度的关系如下图所示:已知:气体分压(p 分)=气体总压(p 总)×体积分数。
下列说法正确的是( ) A.550℃时,若充入惰性气体,v 正、v 逆均减小,平衡不移动 B.650℃时,反应达平衡后2CO 的转化率为25.0%C.T ℃时,若充入等体积的2CO 和CO,平衡向逆反应方向移动D.925℃时,用平衡分压代替平衡浓度表示的化学平衡常数p 24.0K p =总 2.可逆反应①X(g)+2Y(g)2Z(g)、②2M(g)N(g)+P(g),分别在密闭容器的两个反应室中进行,反应室之间有无摩擦、可滑动的密封隔板。
反应开始和达到平衡状态时有关物理量的变化如图所示:下列判断正确的是( ) A.反应①的正反应是吸热反应B.达平衡(Ⅰ)时体系的压强和反应开始时体系的压强之比为14:15C.达平衡(Ⅰ)时,X 的转化率为511D.在平衡(Ⅰ)和平衡(Ⅱ)中,M 的体积分数相等3.将物质的量均为3.00 mol 的气体A 、B 充入5 L 恒容密闭容器中,发生如下反应3A( g) + B( g)==C(g)他条件一定时,反应过程中C 的物质的量分数ϕ(C)随温度T 的变化曲线如图所示,下列有关说( )A.M点对应反应体系中反应速率v正=v逆B.该反应为放热反应C.X、Y两点对应反应体系中A物质正反应速率v( A)Y =v( A)xD.温度T<T0时,曲线上的点对应的反应未达到平衡4.向甲、乙两恒温恒容的密闭容器中,分别充入一定量的A和B,发生反应:A(g)+B(g) c C(g) ΔH<0(有关数据如下表所示)。
测得两容器中c(A)随时间t的变化如图所示:A.x=1B.Q1=2Q2C.根据题中信息无法计算a值D.保持其他条件不变,起始时向乙容器中充入0.2mol A、0.2mol B、0.2mol C,则此时v正>v逆5.向绝热恒容密闭容器中通入SO2和NO2,一定条件下使反应SO2(g)+NO2(g)=SO3(g)+NO(g)达到平衡,在此过程中正反应速率随时间变化的曲线如图所示,由图得出的结论正确的是( )A.反应在c点达到平衡状态B.反应物浓度:a点小于b点C.反应物的总能量低于生成物的总能量D.若Δt1=Δt2,则SO2的转化量:a~b段小于b~c段6.在恒温恒容条件下,有反应:2A(g)+2B(g)C(g)+3D(g)。
化学平衡移动专题练习1.在已经处于化学平衡状态的体系中,如果下列量发生变化,其中一定能表明平衡移动的是()A.反应混和物的浓度B.反应物的转化率C.正、逆反应速率D.反应混和物的压强2.在下列平衡体系中,保持温度一定时,改变某物质的浓度,混合气体的颜色会改变;改变压强时,颜色也会改变,但平衡并不移动,这个反应是()A.2NO+O22NO2B.Br2(g)+H22HBr C.N2O42NO2 D.6NO+4NH35N2+3H2O 3.在某温度下,反应ClF(g) + F2(g)ClF3(g)(正反应为放热反应)在密闭容器中达到平衡。
下列说法正确的是()A.温度不变,缩小体积,Cl F的转化率增大B.温度不变,增大体积,Cl F3的产率提高C.升高温度,增大体积,有利于平衡向正反应方向移动D.降低温度,体积不变,F2的转化率降低4.已建立化学平衡的可逆反应,当改变条件使化学反应向正反应方向移动时,下列有关叙述正确的是()①生成物的百分含量一定增加②生成物的产量一定增加③反应物转化率一定增大④反应物浓度一定降低⑤正反应速率一定大于逆反应速率⑥使用了合适的催化剂A.①②B.②⑤C.③⑤D.④⑥5.在一密闭容器中,反应aA(g) bB(g)达平衡后,保持温度不变,将容器体积增加一倍,当达到新平衡时,B的浓度是原来的60%,则()A.平衡向逆反应方向移动了B.物质B的质量分数增加了C.物质A的转化率减小了D.a>b6.在一固定容积的密闭容器中充入2mol NO2,一定温度下建立如下平衡:2NO2(g) N2O4此时平衡混合气体中NO2的体积分数为x%;若再充入1mol N2O4,在温度不变的情况下,达到新平衡时,测得NO2的体积分数为y%,则x和y的大小关系正确的是()A.x>y B.x=y C.x<y D.不能确定7.下列事实中,不能用列夏特列原理解释的是( )A.溴水中有下列平衡:Br2+H2O HBr+HBrO当加入AgNO3溶液后溶液颜色变浅B.对二氧化硫的品红溶液加热可使颜色变深C.反应CO+NO2CO2+NO(正反应放热),升高温度可使平衡向逆反应方向移动D.合成氨反应N2+3H22NH3(正反应放热)中使用催化剂8.在密闭容器中进行H2(g)+Br2(g) 2HBr(g)+Q;反应达到平衡后,欲使颜色加深,应采取的措施是()A.升温B.降温C.减小容器体积D.增大容器体积9.在体积可变的密闭容器中,反应mA(g)+nB(s )pC (g)达到平衡后,压缩容器的体积,发现A的转化率随之降低。
高二化学平衡的移动副标题一、单选题(本大题共15小题,共45.0分)1.增压会使下列化学平衡向逆方向移动的是()A. H 2 (g) + I2 (g)2HI (g)B. 3H2 (g) + N2 (g) 2NH3 (g)C. 2SO 2 (g) + O2 (g) 2SO3 (g)D. C (s) + CO2 (g) 2CO (g)【答案】D【解析】【分析】本题考查压强对化学平衡移动的影响,根据对反应前后气体分子数目的变化进行分析解答,题目难度不大。
【解答】A.该反应的反应前后气体分子数目不变,则增大压强,平衡不移动,故A错误;B.该反应的反应前后气体分子数目减小,则增大压强,平衡正向移动,故B错误;C.该反应的反应前后气体分子数目减小,则增大压强,平衡正向移动,故C错误;D.该反应的反应前后气体分子数目增大,则增大压强,平衡逆向移动,故D正确。
2.100℃时,在恒容密闭容器中,反应Na2SO4(s)+4H2(g)Na2S(s)+4H2O(g) ΔH>0达到平衡,改变某一条件,平衡正向移动的是()A. 加入少量Na2SO4B. 加压C. 加入少量灼热的Fe3O4D. 升温【答案】D【解析】【分析】本题主要考查了化学平衡的移动,关键是掌握影响平衡移动的因素,难度不大。
【解答】A.硫酸钠是固体,加入反应中不影响平衡,故A错误;B.反应前后气体的物质的量不变,所以改变压强平衡不移动,故B错误;C.加入四氧化三铁,不影响平衡,故C错误;D.正反应是吸热反应,升高温度向吸热反应方向移动,故D正确。
故选D。
3.对于平衡体系:mA(g)+nB(g)pC(g)+qD(g);ΔH=-Q kJ/mol(Q>0),下列判断正确的是()A. 若温度不变,将容器的体积增大1倍,此时A的浓度变为原来的0.48倍,则m+n>p+qB. 若平衡时,A、B的转化率相等,说明反应开始时,A、B的物质的量之比为m:nC. 若平衡体系共有气体a mol,再向其中加入b mol B,当重新达到平衡时气体总的物质的量等于(a+b)mol,则m+n>p+qD. 若温度不变,压强增大至原来的2倍,达到新的平衡时总体积一定比原来的小【答案】B【解析】【分析】本题考查学生化学平衡移动原理,注意对于反应前后气体体积不变的反应压强不会引起平衡移动,难度一般。
第二章 化学平衡移动 转化率班级: 组号: 姓名: 成绩: 一.选择题1.在密闭容器中发生如下反应:aX(气)+bY(气) cZ(气)+dW(气),反应达平衡后保持温度不变,将气体体积压缩到原来的1/2,当再次达平衡时,W 的浓度为原平衡时的倍。
下列叙述中不正确的是( )A.平衡向逆反应方向移动 +b<C+d 的体积分数增加 的转化率下降 答案:C2.已建立化学平衡的某可逆反应,当条件改变使化学平衡向正反应方向移动时,下列叙述正确的是( )①生成物的质量分数一定增加;②生成物产量一定增加;③反应物的转化率一定增大;④反应物的浓度一定降低;⑤正反应速率一定大于逆反应速率;⑥一定使用催化剂 A .①③ B .③⑤ C .②⑤ D .④⑥ 答案:C3.在5 L 的密闭容器中充入2 mol A 气体和1 mol B 气体,在一定条件下发生反应:2A g +B g 2C g ,达平衡时,在相同温度下测得容器内混合气体的压强是反应前的65,则A 的转化率为A67% B 50% C 25% D 5% 答案:B4.在一密闭溶器中,用等物质的量的A 和B 发生如下反应:A(g)+2B(g) 2C(g)反应达到平衡时,若混合气体中A 和B 的物质的量之和与C 的物质的量相等,则这时A 的转化率为 ( )A. 40%B. 50%C. 60%D. 70% 答案:A5.在恒压容器a 和恒容容器b 中,分别充入体积比为1∶3的N 2和H 2。
若开始时两容器的体积相等,且在相同的条件下达到平衡时,两容器的N 2的转化率应当是( ) A .a 中大 B .b 中大 C .a 、b 一样大 D .无法判断 答案:A6.在容积相同A 、B 两个密闭容器中,分别充入2molSO 2和1molO 2,使它们在相同的温度下发生反应:2SO 2+O 22SO 3,并达到平衡。
在反应过程中,若A 容器保持体积不变,B 容器保持压强不变,当A 中的SO 2的转化率为25%时,则B 容器中SO 2的转化率应是( ) A 、25% B 、>25% C 、<25% D 、% 答案:B7.一定条件下,将10mol H 2和1mol N 2充入一密闭容器中,发生反应:N 2(g)+3H 2(g)2NH 3(g),达到平衡时,H 2的转化率可能是( )A .25%B .30%C .35%D .75% 答案:A8.α1和α2分别为A 、B 在两个恒容容器中平衡体系A(g)2B(g)和2A(g)B(g)的转化率,在温度不变的情况下,均增加A 的物质的量,下列判断正确的是A .α1、α2均减小B .α1、α2均增大C .α1减小,α2增大D .α1增大,α2减小 【答案】A9.某体积可变的密闭容器,盛有适量的A 和B 的混合气体,在一定条件下发生反应:A +3B 2C 若维持温度和压强不变,当达到平衡时,容器的体积为V L ,其中C 气体的体积占有10%,下列推断正确的是 ( )① 原混合气体的体积为 L ② 原混合气体的体积为 L ③ 反应达平衡时气体A 消耗掉 L ④ 反应达平衡时气体B 消耗掉 L A. ②③ B. ②④ C. ①③ D. ①④ 答案:A10.X 、Y 、Z 为三种气体,把a mol X 与b mol Y 充入一密闭容器中,发生反应X +2Y2Z ,达到平衡时,若它们的物质的量满足:n (X)+n (Y)=n (Z),则Y 的转化率为( ) A. 5b a +×100% B. b b a 5)(2+×100% C. 5)(2b a +×100% D. aba 5+×100% 答案:B和x 2分别为两个恒容容器中平衡体系A(g)2B(g)和2A(g)B(g)的转化率,在温度不变的情况下,均增加A 的物质的量.下列判断正确的是 ( )A. x 1降低, x 2增大B. x 1, x 2均降低C. x 1增大, x 2降低D. x 1, x 2均增大答案:A12.将 mol SO 2和 mol O 2通入1.00 L 的密闭容器中,1500 K 时,反应达到平衡,测得SO 3的物质的量浓度为 mol·L -1,则平衡时SO 2的平衡转化率为( ) A .30% B .32% C .50% D .18% 答案:B 。
13.一定温度下,在一密闭容器中,充入一定量的H 2(g)和I 2(g)发生如下反应:H 2(g)+I 2(g) 2HI(g),并达到平衡状态,此时H 2的转化率x %,向平衡混合体系中充入一定量的I 2(g),重新达到平衡后H 2的转化率将( )A .增大B .减小C .不变D .无法确定 答案:A 。
14.在5 L 的密闭容器中充入2 mol A 气体和1 mol B 气体,在一定条件下发生反应:2A(g)+B(g) 2C(g),达到平衡时,在相同温度下测得容器内混合气体的压强是反应前的56,则A 的转化率为( )A .67%B .50%C .25%D .5% 答案:B 。
15.在恒压容器a 和恒容容器b 中,分别充入体积比为1∶3的N 2和H 2。
若开始时两容器的体积相等,且在相同的条件下达到平衡时,两容器的N 2的转化率应当是( ) A .a 中大 B .b 中大 C .a 、b 一样大 D .无法判断 答案:A16.在恒温、恒容的条件下,有反应2A(g)+2B(g) C(g)+3D(g),现从两条途径分别建立平衡。
途径Ⅰ:A 、B 的起始浓度均为2 mol/L ;途径Ⅱ:C 、D 的起始浓度分别为2 mol/L 和6 mol/L ,则以下叙述正确的是 ( ) A .两途径最终达到平衡时,体系内混合气的浓度相同 B .两途径最终达到平衡时,体系内混合气的百分组成不同 C .达平衡时,途径Ⅰ的反应速率v (A)等于途径Ⅱ的反应速率v (A) D .达平衡时,途径Ⅰ所得混合气的密度为途径Ⅱ所得混合气密度的1/2解析:分析反应特点,反应前后气体分子数不变,把途径Ⅱ中的C 、D 的浓度转化为A 、B 的浓度,都是4 mol/L 二者为等效平衡,混合气的百分组成相同,浓度不同A 项、B 项都不正确。
由于途径Ⅱ中A 的浓度大,故反应速率大,C 不正确,恒容条件下,途径Ⅱ的浓度为Ⅰ的2倍,故其密度也是Ⅰ的2倍,D 项正确。
答案:D17.T ℃时,将6 mol CO 2和8 mol H 2充入2 L 密闭容器中,发生反应CO 2(g)+3H 2(g) CH 3OH(g)+H 2O(g),容器中H 2的物质的量随时间的变化如图中实线所示。
图中虚线表示仅改变某一反应条件时,H 2的物质的量随时间的变化。
下列说法正确的是( )A .反应开始至a 点时v (H 2)=1 mol·L -1·min -1B .若曲线Ⅰ对应的条件改变是升温,则该反应ΔH >0C .曲线Ⅱ对应的条件改变是减小压强D .T ℃时,该反应的化学平衡常数为解析:本题主要考查反应速率、平衡移动、平衡常数的计算等知识点。
A 项,反应开始至a 点时v (H 2)=2 mol 2 L 1 min =1 mol·L -1·min -1,正确;B 项,曲线Ⅰ和实线对比,升温,平衡时H 2的物质的量变大,说明平衡逆向移动,该反应ΔH <0,错误;C 项,曲线Ⅱ和实线对比,平衡时H 2的物质的量变小,说明平衡正向移动,对应的条件改变是增大压强,错误;D 项,平衡时c (H 2)=1 mol·L -1,c (CO 2)=2 mol·L -1,c (CH 3OH)=c (H 2O)=1 mol·L -1,K =c (H 2O)·c (CH 3OH)c (CO 2)·c 3(H 2)=1×12×13=,错误。
答案:A18.在密闭容器中,对于可逆反应A(?)+3B(?) 2C(g) ΔH <0,平衡时C 的体积分数与温度和压强的关系如图所示,下列判断正确的是( )A .当n (A)∶n (B)∶n (c)=1∶3∶2时,反应达到平衡状态B .A 、B 聚集状态均无法确定C .压强增大时,混合气体的平均相对分子质量增大D .其他条件不变,升高温度,反应的平衡常数增大解析:由该条件不能确定是否达平衡,A 项错误;由图知加压C%增加,表明加压平衡向右移动,根据平衡移动原理知正向是气体体积缩小的方向,则B 一定是气体,A 不确定,此时混合气体的总质量增加或不变,总物质的量在减小,则混合气体的平均相对分子质量增大,B 项错误,C 项正确;其他条件不变,升高温度,平衡逆向移动,反应的平衡常数减小,D 项错误。
答案:C19.【武献敏】在一定条件下,N 2+3H 22NH 3达到平衡状态后,按如下操作,化学平衡不发生移动的是( )A .保持T 、V 不变,充入HClB .保持T 、V 不变,充入N 2C .保持T 、p 不变,充入HeD .保持T 、V 不变,充入He解析:保持T 、V 不变,充入HCl ,HCl 与NH 3反应生成NH 4Cl ,平衡向正反应方向移动,A 项错误;充入N 2,反应物浓度增大,平衡向正反应方向移动,B 项错误;保持T 、p 不变,充入He ,各物质的浓度减小,平衡向逆反应方向移动,C 项错误;充入He ,各物质的浓度不变,平衡不移动,D 项正确。
答案:D20.在恒容密闭容器中有可逆反应:nA(g) + mB(g) pC(g) m+n>p ,(正反应吸热) 处于平衡状态,对该平衡的下列说法正确的是( )A .升高温度,c(B)/c(C)的比值减小B .加入B ,A 和B 的转化率均增大C .充入C ,A 和B 的物质的量浓度增大,达到平衡时A 的质量百分含量增大D .降温时,混合气体的平均相对分子质量增大 答案:A21.在一定温度下,反应12H 2(g)+12X 2(g)HX(g)的平衡常数为10。
若将的HX(g)通入体积为1.0L的密闭容器中,在该温度时HX(g)的最大分解率接近于( )A .5%B .33%C .25%D .17% 答案:D 22.为了探索外界条件对反应a X(g)+b Y(g)c Z(g)的影响,以X 和Y 物质的量比为a ∶b 开始反应,通过实验得到不同条件下达到平衡时Z 的物质的量分数,实验结果如上图所示。
以下判断正确的是( )A .ΔH >0,a +b >cB .ΔH >0,a +b <cC .ΔH <0,a +b >cD .ΔH <0,a +b <c解析:根据图像知,升高温度平衡时Z 的物质的量分数减小,说明正反应是一个放热反应,即ΔH <0;增大压强,平衡时Z 的物质的量分数增大,说明正反应是一个气体分子数减小的反应,即a +b >c ,C 项正确。