氧化铝陶瓷烧结动力学
- 格式:docx
- 大小:80.84 KB
- 文档页数:9
氧化铝陶瓷的烧结摘要:随着科学技术与制造技术日新月异的发展,氧化铝陶瓷在现代工业中得到了深入的发展和广泛的应用。
本文就氧化铝陶瓷的烧结展开论述。
主要涉及原料颗粒和烧结助剂两方面,以获得性能良好的陶瓷材料,对满足工业生产和社会需求有非常重要的意义。
关键词:氧化铝;原料颗粒;烧结助剂;1 引言在科学技术和物质文明高度发达的现代社会中,人类赖以制成各种工业产品的材料实在千差万别,但总体包括起来,无非金属、有机物及陶瓷三大类[1]。
氧化铝陶瓷是目前世界上生产量最大、应用面最广的陶瓷材料之一,具有机械强度高、电阻率高、电绝缘性好、硬度和熔点高、抗腐蚀性好、化学稳定性优良等性能,而且在一定条件下具有良好的光学性和离子导电性。
基于Al2O3陶瓷的一系列优良性能,其广泛应用于机械、电子电力、化工、医学、建筑以及其它的高科技领域[2]。
在氧化铝陶瓷的生产过程中, 无论是原料制备、成型、烧结还是冷加工, 每个环节都是不容忽视的。
目前氧化铝陶瓷制备主要采用烧结工艺[3],坯体烧结后,制品的显微结构及其内在性能发生了根本的改变,很难通过其它办法进行补救。
因此,深入研究氧化铝陶瓷的烧结技术及影响因素,合理选择理想的烧结制度确保产品的性能、分析烧结机理、研究添加剂工作机理等对氧化铝陶瓷生产极有帮助,为氧化铝陶瓷的更广泛应用提供理论依据,为服务生产和社会需要非常重要。
2 氧化铝陶瓷简介Al2O3是新型陶瓷制品中使用最为广泛的原料之一,具有一系列优良的性能[4]。
Al2O3陶瓷通常以配料或瓷体中的Al2O3的含量来分类,目前分为高纯型与普通型两种。
高纯型氧化铝陶瓷系Al2O3含量在99.9%以上的陶瓷材料。
由于其烧结温度高达1650℃~1990℃,透射波长为1μm~6μm,一般制成熔融玻璃以取代铂坩埚,利用其透光性及可耐碱金属腐蚀性用作钠灯管;在电子工业中可用作集成电路基板与高频绝缘材料。
普通型氧化铝陶瓷系Al2O3按含量不同分为99瓷、95瓷、90瓷、85瓷等品种,有时Al2O3含量在80%或75%者也划为普通氧化铝陶瓷系列。
氧化铝陶瓷的烧结方式
氧化铝陶瓷的烧结办法其实是有很多的方面的。
首先要介绍的是一种活化热压烧结。
在停止活化烧结的根底上直接的又停止开展的一种新工艺。
再者,我们要注意,它是应用反响物在停止合成反响或者是相变的时分停止的热处置。
氧化铝陶瓷的烧结,是能够直接的在较低温度或者是较小压力,还有是在较短时间内取得高密度陶瓷的一个资料,总的来讲,它其实也是一种具有高效率的一个热压技术。
氧化铝陶瓷的超高压烧结,是在几十万大气压以上的一个压力下进行烧结,能够直接的使物料快速的到达高密度,这样的话,是会直接的具有细晶粒。
它能够使晶体构造电子状态以至使它的原子发生一系列变化。
这样的话,它是能够直接的赋予物料在通常烧结或者是热压烧结工艺下的时分,所达不到的一个性能。
并且,氧化铝陶瓷的超高压烧结能够直接的合成一种新型的人造矿物质。
还有是氧化铝陶瓷的电场烧结,陶瓷坯体在直流电场的一个作用下烧结。
关于氧化铝陶瓷里面某些高居里点的一个铁电陶瓷的两端来施加直流屯场,等到它冷却到我们的居里点1210℃以下的时分,撤去电场,这样能得到有压电性的一个陶瓷样品。
氧化铝陶瓷板烧结致密过程原理氧化铝陶瓷板烧结致密过程,听起来是不是有点高大上?其实说白了,就是在高温下把一种叫做氧化铝的粉末,通过一系列巧妙的工艺变成坚硬的陶瓷板。
而这个过程,仿佛是给氧化铝做了一次“蒸馏”或者“炼金”,就像铁匠打铁那样,通过加热、加压,把氧化铝变成坚不可摧的材料。
接下来我们就来聊聊这个神奇的烧结过程。
得知道氧化铝是什么东西。
其实它是铝的一种化合物,常见的就是我们吃的“铝箔”或者一些陶瓷材料。
它坚硬、耐磨、耐高温,简直是陶瓷界的“硬核”选手。
想想看,一块小小的氧化铝陶瓷板,能够承受多高的温度,简直比我每天对着电脑屏幕的耐性还要强得多。
不过,这些特性可不是一开始就有的,而是通过烧结这一过程,慢慢培养出来的。
那烧结到底是什么?烧结就是一个加热过程,把粉末状的材料加热到一定温度,使它们之间发生“亲密接触”,然后逐渐变得紧密、牢固。
简单来说,就是让那些分散的粉末变成一个整体,变得像块坚硬的石头。
就像一群散乱的小伙伴,经过一番组织训练,最后变成了一个紧密团结的团队,一起朝着目标前进。
不过,这个烧结过程可不是说加热就好,温度得掌握得刚刚好。
如果温度太低,粉末之间就不容易粘在一起;如果温度太高,反而会让材料变得过于松散,甚至会熔化,做出来的陶瓷板就一无是处了。
烧结的温度就像是人做事的状态,要在适当的温度下保持最佳状态,才能“烧”出一块完美的陶瓷。
有没有觉得这个过程有点像是做菜?比如你做一个汤,火候太大会烧糊,火候太小又煮不熟,必须掌握好那个“中火”,才能让食材充分融合,味道才会更好。
氧化铝陶瓷板的烧结过程也是如此,它需要在一个精准的温度范围内进行,才能让陶瓷板既密实又坚硬。
这烧结过程的另一关键是“致密化”,也就是让氧化铝的颗粒尽可能地紧密排列在一起。
这一步,实际上就像是在拼图一样,每一片小小的氧化铝颗粒都要找到自己最合适的位置,一旦“拼对了”,整个陶瓷板的性能就能得到最大化的提升。
你可以想象,那些氧化铝颗粒像小小的石块,一颗颗努力往一起凑,最后形成一个坚实的整体。
第34卷第6期2006年6月硅酸盐学报JOURNAL0FTHECHINESECERAMICSOCIETY液相烧结氧化铝陶瓷及其烧结动力学分析刘于昌,黄晓巍(福州大学材料科学与工程学院,福州350002)Vbl.34,No.6June,2006摘要:研究了cuO+Ti02复相添加剂对A120,陶瓷烧结性能、显微结构的影响以及添加剂形成液相时Al:O,陶瓷的烧结动力学。
结果显示:添加剂的加入明显地促进了A1203陶瓷的烧结致密度。
添加剂含量对致密有明显影响,含量越高,烧结速率越快。
当添加剂(cuo+Tio:)为2%(质量分数),cuo,n02质量比为1/2时,A1203样品致密度最高。
添加剂的存在使A1203晶粒发生较快生长,晶粒形貌为等轴状。
通过等温烧结动力学,确定掺杂A1203陶瓷烧结激活能为25.2kJ/mol,表明可能是氧离子和铝离子在液相中的扩散作用控制了烧结过程。
关键词:氧化铝:液相烧结;烧结性能;中图分类号:TQl74文献标识码:A显微结构;烧结动力学文章编号:045扯5648(2006)06_0647—05LIQUID-PHASE-SINTERINGoFALUMINACERAMICSANDSINTERINGKINETICANALYSIS上JU】锄c矗口,z凸H己ⅫGXf以Dw已i(CollegeofMat耐alsScienceandEngineedng,FuzhouUniversity,Fuzhou350002,China)Abstract:711leef琵ctoftheadditionofCu0aIldTi0,onmesiIltedngandmicmsⅡucmreofalumiIlaceramjcswasinvestigated.ThesiIltemgkineticsofaluminawasalsostlldiedinmepresenceofhquidphasef(恤edbvCu0andTi0,.nwasfoundthatthesintcdn2densificationofaluminace枷cisgreaclVenhancedbvmeadditionofCu0andTi0,.ThesiIlteringrateofaluminaincreaseswitllttleiIlcreaseof血eadditivecoIltent.Thedensitvofaluminacer刹c“粼hesamaxinlumwhenmecontemofaddmvesCuo+Tio,is2%(iIlmass)andmemassradoofCuOaIldTiO,isl,2.ThegmingrowmofaluIllinaispromot甜bvmeadditives,aIldmeshapeofthe鲫iIlsisequiaxedcrystal.Thesimerin2activadonenergvofaluminace“lIIlicsis25.2U恤olbvdeteminingaccordingtoison℃册alsiIltedngbnetics.Theresultsindicatemat山esinteringprocessispossiblycon廿olledbythedifhsionofAl计and0,inmeliquidphase.Keywords:alumina;liquid—phasesintering;sintedngpmperty;microsmJcture;sint舐ngkinetics添加剂通过2种作用方式促进A1203陶瓷的烧结:第1,与A1203基体形成固溶体,通过增加A1203的晶格畸变,使扩散速率变大,从而促进烧结。
氧化铝陶瓷低温烧结助剂研究概述氧化铝陶瓷是一种重要的结构陶瓷材料,具有优异的耐磨性、耐腐蚀性、抗高温性等特点,在工业生产和科研领域有着广泛的应用。
然而,氧化铝陶瓷的低温烧结难度较大,需要添加一定的助剂才能够实现良好的烧结效果。
本文将对氧化铝陶瓷低温烧结助剂的研究进展进行概述。
1. 氧化铝陶瓷低温烧结助剂的分类氧化铝陶瓷低温烧结助剂主要分为有机助剂和无机助剂两类。
有机助剂包括聚乙烯醇(PVA)、聚丙烯酸(PAA)、聚乙烯酮(PVP)等;无机助剂包括碳酸钙、硼酸、氧化钙、氢氧化钠等。
2. 有机助剂在氧化铝陶瓷低温烧结中的应用有机助剂可以在氧化铝陶瓷低温烧结过程中起到增强材料粘结力、促进颗粒成核、调节材料微观结构等作用。
其中,PVA 是一种常用的有机助剂,可以有效地提高氧化铝陶瓷的烧结密度和力学性能。
PAA则可以在低温下促进氧化铝颗粒的成核和晶粒生长,提高材料的致密性和硬度。
PVP则可以增加氧化铝陶瓷的塑性变形能力,降低其断裂韧性。
3. 无机助剂在氧化铝陶瓷低温烧结中的应用无机助剂可以在氧化铝陶瓷低温烧结过程中起到促进颗粒成核、调节晶体生长速率、防止晶体生长过快等作用。
其中,碳酸钙可以促进氧化铝陶瓷颗粒的成核和晶粒生长,提高材料的致密性和硬度;硼酸则可以防止氧化铝陶瓷晶体生长过快而导致材料开裂;氢氧化钠则可以调节氧化铝陶瓷晶体生长速率,提高材料的致密性和强度。
4. 氧化铝陶瓷低温烧结助剂的优化为了进一步提高氧化铝陶瓷低温烧结助剂的效果,需要对其进行优化。
目前,主要采用的方法包括改变助剂添加量、改变助剂种类、采用复合助剂等。
其中,复合助剂是一种较为有效的优化方法,可以充分发挥不同助剂的作用,提高氧化铝陶瓷的致密性和力学性能。
综上所述,氧化铝陶瓷低温烧结助剂是实现氧化铝陶瓷低温烧结的关键因素之一,其种类和添加量对于材料的致密性和力学性能具有重要影响。
未来,我们还需要进一步深入研究不同助剂的作用机制,以及如何优化氧化铝陶瓷低温烧结助剂的配方,为其在工业生产和科学研究中的应用提供更为可靠的技术支持。
氧化铝陶瓷的烧结摘要:随着科学技术与制造技术日新月异的发展,氧化铝陶瓷在现代工业中得到了深入的发展和广泛的应用。
本文就氧化铝陶瓷的烧结展开论述。
主要涉及原料颗粒和烧结助剂两方面,以获得性能良好的陶瓷材料,对满足工业生产和社会需求有非常重要的意义。
关键词:氧化铝;原料颗粒;烧结助剂;1 引言在科学技术和物质文明高度发达的现代社会中,人类赖以制成各种工业产品的材料实在千差万别,但总体包括起来,无非金属、有机物及陶瓷三大类[1]。
氧化铝陶瓷是目前世界上生产量最大、应用面最广的陶瓷材料之一,具有机械强度高、电阻率高、电绝缘性好、硬度和熔点高、抗腐蚀性好、化学稳定性优良等性能,而且在一定条件下具有良好的光学性和离子导电性。
基于Al2O3陶瓷的一系列优良性能,其广泛应用于机械、电子电力、化工、医学、建筑以及其它的高科技领域[2]。
在氧化铝陶瓷的生产过程中, 无论是原料制备、成型、烧结还是冷加工, 每个环节都是不容忽视的。
目前氧化铝陶瓷制备主要采用烧结工艺[3],坯体烧结后,制品的显微结构及其内在性能发生了根本的改变,很难通过其它办法进行补救。
因此,深入研究氧化铝陶瓷的烧结技术及影响因素,合理选择理想的烧结制度确保产品的性能、分析烧结机理、研究添加剂工作机理等对氧化铝陶瓷生产极有帮助,为氧化铝陶瓷的更广泛应用提供理论依据,为服务生产和社会需要非常重要。
2 氧化铝陶瓷简介Al2O3是新型陶瓷制品中使用最为广泛的原料之一,具有一系列优良的性能[4]。
Al2O3陶瓷通常以配料或瓷体中的Al2O3的含量来分类,目前分为高纯型与普通型两种。
高纯型氧化铝陶瓷系Al2O3含量在99.9%以上的陶瓷材料。
由于其烧结温度高达1650℃~1990℃,透射波长为1μm~6μm,一般制成熔融玻璃以取代铂坩埚,利用其透光性及可耐碱金属腐蚀性用作钠灯管;在电子工业中可用作集成电路基板与高频绝缘材料。
普通型氧化铝陶瓷系Al2O3按含量不同分为99瓷、95瓷、90瓷、85瓷等品种,有时Al2O3含量在80%或75%者也划为普通氧化铝陶瓷系列。
氧化铝陶瓷的低温烧结技术简介
一、氧化铝陶瓷简介
氧化铝陶瓷材料。
具有机械强度高、硬度大、高频介电损耗小、高温绝缘电阻高、耐化学腐蚀性和导热性良好等优良综合技术性能。
同时其生产原料来源广、价格相对便宜、加工制造技术较为成熟等优势,故已被广泛应用于电子、电器、机械、化工、纺织、汽车、冶金和航空航天等行业,成为目前世界上用量最大的氧化物陶瓷材料。
氧化铝陶瓷是一种以α氧化铝为主晶相的陶瓷材料,氧化铝含量一般在75~99.9%之间,通常习惯以氧化铝的含量来分类。
氧化铝的含量在75%左右称为“75瓷”,含量在85%左右称作“85瓷”,含量在99%左右称作“99瓷”。
含量在99%以上的称作刚玉瓷或纯刚玉瓷。
99瓷氧化铝瓷材料主要用于制作高温坩埚、耐火炉管及特殊耐磨材料,如陶瓷轴承、陶瓷密封件及水阀片等;95氧化铝瓷主要用作耐腐蚀、耐磨部件;85瓷中由于常掺入部分滑石,提高了电性能与机械强度,可与钼、铌、钽等金属封接,有的用作电真空装置器件。
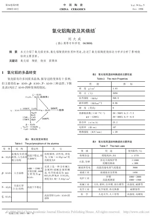
氧化铝有α(刚玉型)、β、γ、δ等11种变体,其中主要是α、γ两种晶型,而且只有一种热力学稳定相,即α氧化铝。
而β氧化铝是含碱的铝酸盐(R2O·11Al2O3或RO·6Al2O3)。
它们的结构各不相同。
氧化铝陶瓷
二、氧化铝陶瓷低温烧结技术
由于氧化铝熔点高达2050℃,导致氧化铝陶瓷的烧结温度普遍较高(参见表一中标准烧结温度),从而使得氧化铝陶瓷的制造需要使用高温发热体。
19影响氧化铝陶瓷烧结的因素分析刘国祥(214221江苏省陶瓷研究所7401314)摘要阐述了氧化铝陶瓷的烧结机理,分析了烧成气氛、物料分散度及添加熔剂等因素对氧化铝制品烧结程度的影响,总结出理想的升温制度、保温时间、绘制烧成曲线。
关键词氧化铝陶瓷烧结机理影响因素烧成制度1前言进入“九五”以来,工业特种陶瓷得到了迅猛发展。
其中氧化铝陶瓷以其优良的特性如耐酸碱性、耐磨性、耐电性、机械强度高等,在工业化生产中得到了广泛的应用。
因此,深入研究氧化铝陶瓷的生产技术及其发展,服务于生产和社会需要就显得相当重要。
在氧化铝陶瓷的生产过程中,无论是原料制备、成型、烧结还是冷加工,每个环节都是不容忽视的。
坯体烧结后,制品的显微结构及其内在性能发生了根本的改变,很难通过其它办法进行补救。
因此,深入研究氧化铝陶瓷的烧结技术,合理选择理想的烧结制度确保产品的性能,对氧化铝陶瓷生产极有帮助。
2烧结机理烧结是指坯体由低温到高温发生一系列的物理化学反应,从而得到致密的、坚硬的制品的过程。
其中物理化学变化包含坯体中残余的拌料水分的排溢、物料中化合物结合水和有机物的分解排除、Al2O3同质异晶的晶型转变以及固态物质颗粒间直接进行反应———固相反应等。
固相反应在氧化铝陶瓷烧结中占有极为重要的位置,它实质上是通过物质质点的迁移扩散作用而进行的,随着温度的升高,晶体的热缺陷不断增加,质点迁移扩散由内扩散形式到外扩散,并更加充分,从而发生反应,产生新的物质(见图1)。
如图1所示,假定颗粒是圆的,温度升高,颗粒界面相互融合,形成勃颈并不断扩大,颗粒径距缩短,气孔变小并逐渐排除,晶粒长大,体积收缩,最后形成致密体。
从以上的分析可以看出,固相反应的关键是迁移,提高质点的迁移速度和效率,就能有效地促进烧结和致密过程;反之,就起阻碍作用。
3影响烧结性能的因素影响氧化铝陶瓷烧结程度的因素较多,主要表现为以下几点:3.1晶体的结构化学键强的化合物(晶体)具有较高的晶格能量,晶格结构牢固:即使在较高温度下,质点的振动迁移也较弱。
氧化铝陶瓷低温常压烧结张全贺051002131摘要:氧化铝陶瓷材料以其优良的性能及较低的制造成本,被广泛应用于国民经济各部门。
随着科学技术的发展,特别是电子、能源、空间技术、汽车工业的发展,对材料的要求越来越苛刻,因此对高纯氧化铝陶瓷尤其是更高纯度的高性能氧化铝陶瓷需求量大为增加。
本课题围绕制各A1203含量>99.8wt%的高纯氧化铝陶瓷进行研究,通过原科粉体预处理工艺、烧结助剂添加工艺、成型优化工艺,从而实现常压下低温烧结高纯高致密氧化铝陶瓷。
本课题中获得的低温烧结试样具有较好的显微结构和较高的机械性能。
原料粉预处理工艺是一种新的氧化铝粉体解团聚方法,具有工艺简单、成本消耗低、粉体处理效果显著的特点,对于粉体解团聚处理工艺的技术进步有一定的促进意义。
在烧结助剂的研究中,本课题MgO为基本考察助剂,Y203、La203、Nd20s、纳米A1203为复合添加助剂,通过相关的选择实验,研究了以上烧结助剂在14500C、1550。
(2、16500C对~203含I>99.8wt%的商纯氧化铝陶瓷的烧结体密度的作用规律。
这一研究的结果,为高纯氧化铝陶瓷的制各提供重要参考数据。
通过高纯超细氧化铝粉料的凝胶浇注成型工艺的研究,优化高纯超细氧化铝粉体的凝胶浇注成型参数,获得了高质量的凝胶浇注成型试样。
以获得的生坯为研究对象,通过对真空烧结工艺参数的分析和工艺试验,在150012温度下,实现了高纯氧化铝陶瓷的低温致密烧结;获得的高纯高致密氧化铝陶瓷密度可达3.979/cm3;烧结体平均晶粒尺寸3~4um;抗弯强度(三点)可达500MPa以上;表面显微硬度可达18.5GPa以上。
关键词:氧化铝陶瓷预处理凝胶成型低温烧结纯1 引言氧化铝陶瓷是指以高纯AI2O3粉末为主要原料,经各种陶瓷工艺制成的晶相晶粒尺寸小于6um并以刚玉为主晶相的氧化铝陶瓷材料,其具有高熔点、高硬度机械性能好、耐蚀、绝缘等优良特性刚玉是自然界中的一种极硬材料,莫氏硬度为9,仅次干金刚石。
α-Al2O3纳米颗粒的制备与烧结特性中文摘要氧化铝陶瓷具有高硬度、耐高温、耐腐蚀、耐磨损、绝缘性好等特点,因而被广泛应用于结构材料、电子材料、光学材料等领域。
但氧化铝陶瓷的脆性限制了其更为广泛的应用。
若能成功制备出致密、细晶(甚至达到10 nm)的Al2O3纳米晶陶瓷,则有可能具有较好的塑性或韧性,有望解决其脆性问题。
要制备致密、细晶的Al2O3纳米晶陶瓷,通常首先要制备出分散、细小、等轴的α-Al2O3纳米颗粒。
通过煅烧前驱体并生成α-Al2O3为常用的α-Al2O3纳米颗粒的制备手段。
但是,采用这种方式得到的α-Al2O3纳米颗粒通常存在蠕虫状微结构,这对制备Al2O3纳米晶陶瓷极为不利。
因此,在通过煅烧前驱体来制备α-Al2O3纳米颗粒的过程中,研究如何避免形成蠕虫状微结构,得到分散、细小、等轴的α-Al2O3纳米颗粒具有重要的意义。
分散的α-Al2O3纳米颗粒的烧结特性研究是成功制备致密、细晶的Al2O3纳米晶陶瓷的基础。
而对于尺寸分布在100 nm以下、分散的α-Al2O3纳米颗粒的烧结特性还未被详细研究。
同时,几乎完全致密(相对密度大于99%)的Al2O3纳米晶陶瓷的成功制备仅有少量报道。
本论文中,通过煅烧前驱体的方式制备出了分散、细小、等轴的α-Al2O3纳米颗粒。
同时,对采用不同方法所得不同平均颗粒尺寸、分散的α-Al2O3纳米颗粒的烧结特性进行了研究,并采用两步烧结法制备出了具有不同平均晶粒尺寸、致密的Al2O3纳米晶陶瓷。
主要包括以下内容:(1) 采用非均相沉淀法,通过优化制备条件,在Fe3+/Al3+摩尔比为5的条件下,用氨水滴定含有铝离子和铁离子的溶液至pH值为7,得到前驱体,并通过煅烧、盐酸腐蚀,得到了分散、细小、等轴、平均颗粒尺寸12 nm、尺寸分布2-40 nm 的α-Al2O3纳米颗粒,并且完全避免了蠕虫状微结构。
通过扫描透射电子显微镜(STEM)和X射线能谱(EDX)元素图像分析,及α-Fe2O3引入量影响的分析得出:引入大量的α-Fe2O3可以充当晶种的作用,降低α-Al2O3的成核势垒,促进α-Al2O3的异相成核,从而降低α-Al2O3的生成温度;大量的α-Fe2O3还可以充当隔离相的作用,避免α-Al2O3颗粒发生团聚和长大。
氧化铝陶瓷的低温烧结技术简介一、氧化铝陶瓷简介氧化铝陶瓷材料,具有机械强度高、硬度大、高频介电损耗小、高温绝缘电阻高、耐化学腐蚀性和导热性良好等优良综合技术性能。
同时其生产原料来源广、价格相对便宜、加工制造技术较为成熟等优势,故已被广泛应用于电子、电器、机械、化工、纺织、汽车、冶金和航空航天等行业,成为目前世界上用量最大的氧化物陶瓷材料。
氧化铝陶瓷是一种以α氧化铝为主晶相的陶瓷材料,氧化铝含量一般在75~99.9%之间,通常习惯以氧化铝的含量来分类。
氧化铝的含量在75%左右称为“75瓷”,含量在85%左右称作“85瓷”,含量在99%左右称作“99瓷”。
含量在99%以上的称作刚玉瓷或纯刚玉瓷。
99瓷氧化铝瓷材料主要用于制作高温坩埚、耐火炉管及特殊耐磨材料,如陶瓷轴承、陶瓷密封件及水阀片等;95氧化铝瓷主要用作耐腐蚀、耐磨部件;85瓷中由于常掺入部分滑石,提高了电性能与机械强度,可与钼、铌、钽等金属封接,有的用作电真空装置器件。
氧化铝有α(刚玉型)、β、γ、δ等11种变体,其中主要是α、γ两种晶型,而且只有一种热力学稳定相,即α氧化铝。
而β氧化铝是含碱的铝酸盐(R2O·11Al2O3或RO·6Al2O3)。
它们的结构各不相同。
氧化铝陶瓷二、氧化铝陶瓷低温烧结技术由于氧化铝熔点高达2050℃,导致氧化铝陶瓷的烧结温度普遍较高(参见表一中标准烧结温度),从而使得氧化铝陶瓷的制造需要使用高温发热体或高质量的燃料以及高级耐火材料作窑炉和窑具,这在一定程度上限制了它的生产和更广泛的应用。
因此,降低氧化铝陶瓷的烧结温度,降低能耗,缩短烧成周期,减少窑炉和窑具损耗,从而降低生产成本,一直是企业所关心和急需解决的重要课题。
当前各种氧化铝瓷的低温烧结技术,归纳起来,主要是从原料加工、配方设计和烧成工艺等三方面来采取措施,下面分别加以概述。
1、通过降低氧化铝粉体的粒径,提高粉体活性来降低瓷体烧结温度。
氧化铝陶瓷是一种具有高硬度、高韧性等优点的材料,在众多领域都有广泛的应用。
在制作氧化铝陶瓷的过程中,烧结是一个关键步骤,但烧结过程中也容易出现变形的问题。
本文将探讨氧化铝陶瓷烧结变形的相关问题。
首先,我们需要了解氧化铝陶瓷烧结变形的原理。
氧化铝陶瓷的烧结变形主要是由于材料在高温下会发生体积膨胀。
由于氧化铝陶瓷的线膨胀系数较高,且材料的热稳定性较差,因此在高温烧结过程中,材料会发生较大的变形。
此外,材料的密度差异、应力分布不均匀等因素也会导致烧结变形。
在实际生产中,氧化铝陶瓷烧结变形的原因有多种。
首先,原料的质量和均匀性是影响烧结变形的重要因素。
如果原料中含有杂质或颗粒不均匀,会导致烧结过程中产生应力,进而导致烧结变形。
其次,模具的设计和制造也会影响烧结变形。
如果模具的刚度不足、尺寸精度不高,会导致烧结后的产品变形。
此外,成型工艺也会影响烧结变形。
如果成型过程中存在缺陷或应力,会导致烧结后的产品变形。
为了减少氧化铝陶瓷烧结变形,我们可以采取以下措施。
首先,要保证原料的质量和均匀性,避免使用杂质或颗粒不均匀的原料。
其次,要优化模具的设计和制造,提高模具的刚度和尺寸精度。
此外,可以采用先进的成型工艺,如干压、等静压、注射成型等,这些工艺可以减少成型过程中的缺陷和应力。
在烧结过程中,可以通过控制温度、时间、气氛等参数来减少烧结变形。
通过以上措施,我们可以有效地减少氧化铝陶瓷的烧结变形。
然而,在实际生产中,我们还需要考虑其他因素。
例如,产品的形状和尺寸也会影响烧结变形。
对于形状复杂或尺寸较大的产品,烧结变形的问题更加突出。
因此,在产品设计阶段,应该充分考虑产品的形状和尺寸,以避免烧结变形的问题。
总之,氧化铝陶瓷烧结变形是一个需要关注的问题。
通过了解其原理和影响因素,我们可以采取相应的措施来减少烧结变形。
在实际生产中,我们应该综合考虑原料、模具、成型工艺和产品形状等因素,以获得高质量的氧化铝陶瓷产品。
氧化铝陶瓷的烧结摘要:随着科学技术与制造技术日新月异的发展,氧化铝陶瓷在现代工业中得到了深入的发展和广泛的应用。
本文就氧化铝陶瓷的烧结展开论述。
主要涉及原料颗粒和烧结助剂两方面,以获得性能良好的陶瓷材料,对满足工业生产和社会需求有非常重要的意义。
关键词:氧化铝;原料颗粒;烧结助剂;1 引言在科学技术和物质文明高度发达的现代社会中,人类赖以制成各种工业产品的材料实在千差万别,但总体包括起来,无非金属、有机物及陶瓷三大类[1]。
氧化铝陶瓷是目前世界上生产量最大、应用面最广的陶瓷材料之一,具有机械强度高、电阻率高、电绝缘性好、硬度和熔点高、抗腐蚀性好、化学稳定性优良等性能,而且在一定条件下具有良好的光学性和离子导电性。
基于Al2O3陶瓷的一系列优良性能,其广泛应用于机械、电子电力、化工、医学、建筑以及其它的高科技领域[2]。
在氧化铝陶瓷的生产过程中, 无论是原料制备、成型、烧结还是冷加工, 每个环节都是不容忽视的。
目前氧化铝陶瓷制备主要采用烧结工艺[3],坯体烧结后,制品的显微结构及其内在性能发生了根本的改变,很难通过其它办法进行补救。
因此,深入研究氧化铝陶瓷的烧结技术及影响因素,合理选择理想的烧结制度确保产品的性能、分析烧结机理、研究添加剂工作机理等对氧化铝陶瓷生产极有帮助,为氧化铝陶瓷的更广泛应用提供理论依据,为服务生产和社会需要非常重要。
2 氧化铝陶瓷简介Al2O3是新型陶瓷制品中使用最为广泛的原料之一,具有一系列优良的性能[4]。
Al2O3陶瓷通常以配料或瓷体中的Al2O3的含量来分类,目前分为高纯型与普通型两种。
高纯型氧化铝陶瓷系Al2O3含量在99.9%以上的陶瓷材料。
由于其烧结温度高达1650℃~1990℃,透射波长为1μm~6μm,一般制成熔融玻璃以取代铂坩埚,利用其透光性及可耐碱金属腐蚀性用作钠灯管;在电子工业中可用作集成电路基板与高频绝缘材料。
普通型氧化铝陶瓷系Al2O3按含量不同分为99瓷、95瓷、90瓷、85瓷等品种,有时Al2O3含量在80%或75%者也划为普通氧化铝陶瓷系列。
《硅灰石、氧化铝、钛酸钙等陶瓷材料制备》实验报告---------------氧化铝陶瓷的微波烧结1、引言1.1氧化铝陶瓷材料的结构、性能及应用背景1.11氧化铝陶瓷材料的结构氧化铝陶瓷是一种以α-Al2O3为主晶相的陶瓷材料,氧化铝含量一般在75~99.9%之间,通常习惯以氧化铝的含量来分类。
氧化铝的含量在75%左右称为“75瓷”,含量在85%左右称作“85瓷”,含量在99%左右称作“99瓷”。
含量在99%以上的称作刚玉瓷或纯刚玉瓷。
氧化铝有α(刚玉型)、β、γ、δ等11种变体,其中主要是α、γ两种晶型,而且只有一种热力学稳定相,即α氧化铝。
而β氧化铝是含碱的铝酸盐(R2O·11Al2O3或RO·6Al2O3)。
它们的结构各不相同。
1.12氧化铝陶瓷材料的性能及应用背景(1)机械强度高:氧化铝烧结后的抗弯强度可达250MPa,热压产品可达500MPa。
氧化铝的成分愈纯,强度愈高。
强度在高温下可维持到900℃。
利用氧化铝陶瓷的这一性质可以制成装置瓷和其他机械构件。
(2)电阻率高,电绝缘性好:氧化铝的常温电阻率约为1015Ω·cm,绝缘强度15Kv/mm,利用其绝缘性和强度可制成各种基板、管座、火花塞和电路外壳等(3)硬度高:莫氏硬度为9,加上优良的抗磨损性,所以广泛地用以制造刀具、磨轮、磨料、拉丝模、挤压模、轴承等。
用A12O3陶瓷刀具加工汽车发动机和飞机零件时,可以以高的切削速度获得高的精度。
(4)熔点高,抗腐蚀:氧化铝的熔点为2050℃,能较好地抵抗一些熔融金属的侵蚀,可用作耐火材料、炉管,热电偶保护套等。
(5)化学稳定性好:许多复合的硫化物、磷化物、砷化物、碘化物、氧化物以及硫酸、盐酸、硝酸、氢氟酸不与A12O3作用。
因此A12O3可制备人体关节、人工骨等生物陶瓷材料。
(6)光学特性:氧化铝陶瓷可以制成用于高压纳灯的透明陶瓷灯管。
透明氧化铝陶瓷的熔点高达2050℃,能在1600℃的环境里不受钠蒸气的腐蚀,而且可以通过95%的光线。