全浇注干式放电线圈说明书
- 格式:doc
- 大小:360.50 KB
- 文档页数:6
放电线圈系俛集啟部•、放电线圈的相关定义■放电线圈(discharge coils)当电容器从电源脱开后能将电容器端子上的电压在规定时间内降到规定值的带有绕组的器件。
■高压端子(high voltage terminal)与电容器并联连接构成泄放电容器剩余电■ 一次绕组(primary winding)与高压端子相连的绕组。
■接地端子(earth terminal)使与放电线圈的线圈相绝缘的外壳接地或使电位固定在外壳上而设置的端子。
■外壳端子(shell terminal)对一次绕组的一端与外壳同电位结构的放电线圈为使该端子连接到外部回路而在外壳上设置的端子。
■额定一次电压(Uln) rated primary voltage(L/ln)放电线圈一次绕组端子间能连续承受的工频电压设计值的有效值。
■额定二次电压(U2n) rated sec on dary voltage((J2 n) 二次绕组端子同的工频电压设计值的有效值。
—■额定二次负荷(rated secondry burden) 在额定频率和额定二次电压下,二次端子间连接的每一相的负荷伏安数。
■最大配套电容器容量(maximum reactive power of capacitor coordination for a discharge coil) 能满足电容器的剩余电压在规定时间内降至规定电压以下时电容器组的单相或三相容量上限值为最大配套电容器容量。
由上、下限值所包含的容量为配套电容器容量范围。
■最高工作电压(maximum operation voltage) 连续施加于放电线圈一次绕组端子间的不致使其寿命显著缩短的工频电压限值。
■最高工作电压(maximum operation voltage) 连续施加于放电线圈一次绕组端子间的不致使其寿命显著缩短的工频电压限值。
■额定绝缘水平(rated insulation level) 放电线圈绝缘所能承受的耐压强度。
35kV环氧浇注干式接地变压器线圈设计要点一、引言35kV环氧浇注干式接地变压器是电力系统中常见的一种设备,其线圈设计是整个变压器中非常重要的一环。
合理的线圈设计不仅可以提高变压器的性能,而且还可以提高其使用寿命和可靠性。
本文将介绍35kV环氧浇注干式接地变压器线圈设计的要点,以便广大电力系统工程师和设计师能够更好地掌握这一关键技术。
35kV环氧浇注干式接地变压器主要由高压线圈、低压线圈和接地线圈组成。
其中高压线圈和低压线圈分别用于与35kV的高压侧和10kV的低压侧相连,而接地线圈则用于接地系统。
这三个线圈是整个变压器中最核心的部分,因此其设计是非常重要的。
1. 线圈绕组选材35kV环氧浇注干式接地变压器线圈的绕组选材应选择优质的绝缘材料,以保证其耐高压、耐污染和耐老化的性能。
常见的绕组材料有环氧浇注绝缘材料、玻璃纤维带和聚酯薄膜等。
这些材料在绝缘性能、机械强度和温度适应性等方面都具有较好的性能,能够满足35kV环氧浇注干式接地变压器的使用要求。
35kV环氧浇注干式接地变压器线圈的绕组结构应合理设计,以保证其电气性能和机械强度。
在绕组结构的设计中,应考虑到线圈的电场分布、电流分布和热分布等因素,避免局部放电和热点集中。
还要考虑到线圈的机械强度和散热性能,确保其可以承受正常运行和短路等异常情况。
3. 线圈匝间绝缘35kV环氧浇注干式接地变压器线圈的匝间绝缘是线圈设计中非常重要的一环。
匝间绝缘应保证线圈的电气性能和机械强度,避免匝间放电和局部放电,也能够提高线圈的绝缘强度和抗污闪击能力。
在线圈匝间绝缘的设计中,应选用合适的匝间绝缘结构和材料,以确保线圈的安全可靠运行。
4. 线圈端部处理5. 线圈绕接工艺。
.干式电力变压器使用说明书济南变压器集团济南济变志亨电力设备目录1、产物介绍 (1)2、附件 (1)3、产物装卸及运输 (2)4、查抄验收 (3)5、仓储保管 (3)6、安装本卷须知 (3)7、投运前的查抄 (4)8、投运前的试验 (4)9、投入运行 (4)10、维修与调养 (5)本说明书适用于我公司出产的树脂浇铸干式变压器的装卸、运输、仓储保管、安装、使用及维修维护等。
1、产物介绍我公司出产的变压器以德国西门子公司的技术进行设计、出产,主要由以下几局部组成:——铁芯采用优质进口高导磁晶粒取向冷轧硅钢片,45 全斜接缝,步进搭接。
空载损耗小,噪声低。
——线圈高压线圈为多段带状铜〔铝〕箔布局,用填料型树脂在真空状态下浇铸,低压线圈为整张铜〔铝〕箔布局,层间用预浸布粘结。
线圈绝缘等级为F级〔特殊要求可作到H级〕。
对于局部小容量的变压器,可按用户要求出产铜线导体的树脂浇铸变压器。
该种布局的线圈具有局部放电量小、抗短路能力强等特点。
2、附件以下附件由用户按其需选用。
温度控制器:为了便于不雅测,一般每台变压器配有一台温度控制器。
温度控制器的三个Pt100测温元件别离埋设在低压线圈上端的测温孔内。
随着温度变化,自动监测低压线圈温度,必要时发出控制信号,有效确保了变压器的安然运行。
温度控制器具有启停风机、超温报警、超温跳闸等功能。
目前国内各出产厂对上述各温度值的出厂设定值见下表。
冷却风机:变压器不带风机时,可在额定容量下持续运行。
加装低噪声辐流风机的变压器,可以在风机持续运行时,将变压器容量提高到120%~150%,但此时负载损耗相应增加50%~125%,阻抗电压也增加20%~50%,二次出口电压略有下降。
此种状态可短时期持续运行,但我们不保举持久运行。
外壳:变压器不带外壳,庇护等级为IP00,由于变压器运行时不得触摸或靠近,建议用防护栅栏,以包管安然。
按照所使用环境要求的不同,可装配IP20~IP23防护等级的外壳,以防止不测触电和滴水造成的变压器故障。
SC环氧浇注干式变压器 安装使用说明书南京大全变压器有限公司本说明书适用于本公司制造的容量在30~2500kVA,电压等级10kV环氧浇注干式变压器SC(B)10系列产品的验收、安装和使用。
一、 产品介绍本产品符合GB 6450—86《干式电力变压器》,GB 10228—1997《干式电力变压器技术参数和要求》和GB 1094.1-1996《电力变压器第一部分总则》的规定,是采用环氧树脂浇注成形的F或H级绝缘等级干式电力变压器。
该产品具有以下优点:1.浇注线圈的整体强度好,耐受短路的能力最强;2.耐受冲击过电压性能好,基准冲击水平(BIL)值高;3.防潮及耐腐蚀性能特别好,尤其适合极端恶劣的环境条件下工作;4.可以立即从备用状态下投入运行而无需预热去潮;5.损耗低,节能,过负荷能力强;6.可靠性高、运行寿命长;7.阻燃、无污染、体积小、重量轻、自动温控等。
本产品可广泛运用于输变电系统、高层建筑、商业中心、体育场馆、石化企业、地下铁道、车站机场等防火要求高的场所。
在我国,环氧浇注式干变的制造经验最丰富,运行业绩也最好。
二、使用条件1.本产品的防护等级有IP00、IP2O和IP23等型式。
2.安装地点海拔高度不超过1000m,环境温度不高于40℃。
如果海拔高度超1000m,或环境温度高于40℃时,应按GB6450-1986标准和有关规定作适当的定额调整。
3.变压器一般安装在自然通风良好和清洁干燥的场所。
如果安装在地下室或其他通风不良的地方,应考虑强制通风的问题。
本产品每1kW的损耗(空载损耗+负载损耗)大约需要2~4 m3 / min 的通风量。
4. 产品在车站、码头中转或终点卸下后不要堆码,同时在包装箱下用木方垫好,垫高不小于100mm,并用防雨布遮好。
5. 装卸产品时要用两根钢绳,同时着力四处,并注意产品重心的位置。
两根钢绳的起吊夹角不要大于600。
若因吊高限制不能符合条件,请用横梁辅助提升。
6. 若要长期贮存变压器,请保证贮存环境良好,不要拆去出厂包装物,变压器不要磕碰,不要堆码。
35kV环氧浇注干式接地变压器线圈设计要点一、引言35kV环氧浇注干式接地变压器是电力系统中常见的一种变压器设备,它广泛应用于电力配电系统中负荷较大的场合。
作为变压器的关键部件之一,线圈的设计直接影响到变压器的性能和可靠性。
对35kV环氧浇注干式接地变压器线圈的设计要点进行深入研究和分析,对于提高变压器的性能和可靠性具有重要意义。
二、35kV环氧浇注干式接地变压器线圈设计要点1. 线圈结构设计35kV环氧浇注干式接地变压器线圈结构设计是线圈设计的首要任务。
在设计中要充分考虑变压器的额定电压、容量、绝缘强度等参数,合理确定线圈的绕组结构和绝缘形式。
通常情况下,35kV环氧浇注干式接地变压器线圈采用圆形或矩形绕组结构,采用高强度的绝缘材料进行绝缘处理,以保证线圈在高压下能够安全运行。
3. 电磁设计35kV环氧浇注干式接地变压器线圈的电磁设计是线圈设计的重要内容。
在设计过程中要合理确定线圈的匝数、截面积、绕组层数等参数,以保证线圈具有良好的电磁特性和稳定的工作性能。
也要考虑到线圈在运行中可能受到的电磁力和电磁感应,采取合理的电磁屏蔽和防护措施,保证线圈在运行中不受外部电磁影响,确保变压器的正常运行。
4. 热设计35kV环氧浇注干式接地变压器线圈的热设计是线圈设计的重要环节。
在设计中要充分考虑线圈在运行中产生的热量和热应力,合理确定线圈的散热结构和冷却方式,以保证线圈在长期运行中不会过热损坏。
通常情况下,35kV环氧浇注干式接地变压器线圈采用风冷or 水冷方式进行散热,以确保线圈在运行中能够保持较低的温升和良好的散热效果。
5. 材料选型35kV环氧浇注干式接地变压器线圈设计要点中,材料选型是至关重要的。
合理选择线圈绝缘材料、导体材料、绕组结构材料等,以确保线圈具有良好的绝缘性能、电导率和机械强度。
也要注意材料的耐热性、耐腐蚀性和可加工性,以满足线圈在长期运行中的要求。
6. 工艺质量控制35kV环氧浇注干式接地变压器线圈的工艺质量控制是线圈设计的重要保障。
干式变压器工艺守则浇注线圈浇注和固化工艺编号:SD-BYQ-GY-004第1版第0次修改工艺步骤工艺内容图示一适用范围1、本工艺适用于8055环氧树脂浇注型线圈。
二设备1、浇注设备2、固化设备三工艺准备1、浇注罐:工作温度:60-80℃最高温度:130℃控温精度:±3工作真空度:50-200Pa 极限真空度:25Pa漏率:<100Pa/S 2、混料罐:有效容积:800L工作容积:600L 工作温度:60℃±5℃最大加热温度:80℃工作真空度:100-300Pa极限真空度:25Pa 3、真空浇注:抽速:300L/s 50分钟达到指标真空度4、烘箱:可调温度:室温200℃并有恒温控制系统。
5、称量工具:0-300kg 磅秤,0-5kg 电子称6、气源:0.4MPa 0.3吨/小时7、起重设备:吊车起重吨位在5吨四材料及配方环氧树脂:8055A (混合料)100kg固化剂:8055B (混合料)100kg五工艺操作1、将装配好浇注模具的线圈均匀放置在专用小车上,推入烘炉。
烘炉加热:温度105℃,保温时间6小时。
2、将预加热过的线圈用小车推入真空浇注罐,将各浇注分接管的出料头放在线圈的上端,使模具法兰刚好将其卡住。
3、浇注罐加热设置为80℃,环境实测温度为70℃,启动罗茨泵,抽真空至100~300Pa ,在该真空下保持1~2小时。
4、将A/B 组分别放入烘箱中预热,设置温度在60℃,时间以浇注料实际温度达到设定的温度为准,一般2小时以上,以利于浇注料抽取。
5、按生产需要用量,将A/B 料按1:1重量比抽入到混合料罐,按抽完一桶A 料,接着抽一桶B 料,交替抽取。
6、启动混合料罐搅拌电机,开启备料真空系统,真空控制在100~200Pa。
混合料重量少于200kg,抽真空搅拌时间控制在1~1.5小时。
混合料重量大于200kg,抽真空搅拌时间控制在1.5~2小时。
7、确保线圈干燥及混合料脱气完成后,才可对线圈进行浇注。
HRGTB系列干式特种高压试验变压器装置使用说明书目录一. 产品简介 (1)二. 技术指标 (2)三. 主要技术参数 (3)四. 工作原理 (4)五. 使用方法 (6)六. 注意事项 (8)七. 配件 (9)警告和注意为避免受到电击或人身安全,同时为避免仪表或被测设备受到损坏,提醒使用者可靠控制和合理使用。
在任何时候必须遵守以下原则:本试验变压器装置为短时30min以内工作制及配套工作!★试验变压器在接通电源前,必须可靠接地!★试验变压器在接通电源前,提手必须放平!一、产品简介本系列干式高压试验变压器,利用先进的生产设备,采用线圈绕组环氧真空浇注及CD型经过热处理的绕制铁芯的新工艺,和同类产品油浸式试验变压器相比,明显地降低重量,减少体积,局部放电量(接近无晕)很小,在质量上提高了绝缘强度和抗湿潮程度,因为磁路短,导磁率高,损耗很小,并有效地减弱了漏磁而大大增强了带载能力。
本系列产品具有重量轻,体积小,造型美观,性能稳定,使用携带方便等特点,特别适用于现场操作使用,是国内更新换代的新型交直流两用高压试验变压器。
本系列产品适用于电力系统及各电力用户的现场检测各种电气设备的绝缘性能试验、电器产品的交直流高压小电流的各种电压系统或装置中的高压电源。
二、技术指标本试验变压器装置:为短时30min以内工作制及配套工作!1、阻抗电压: ≤8%2、输出电压波形: 正弦波3、表面温升:<55 ℃4、空载损耗:<0.4 %5、允许最长连续运行时间: ≤ 30分钟(额定电压和额定电流下)。
6、正常温升断续运行时间:<2小时(额定电压和额定电流下)。
★在三分之二额定电压和三分之二额定电流下可以连续使用。
7、局部放电量:100% U H下小于25pC, 60% 电压下无局部放电。
8、产品使用条件:海拔高度:< 1500m环境温度:-15℃~+45℃相对湿度:< 90%(25℃时)最大日温差:15℃大气压力:0.1MPa大气湿度:11g/m3地震强度:≤7级使用环境:户内无导电尘埃无火灾及爆炸危险不含有腐蚀金属和绝缘的气体存在电源电压的波形为实际正弦波,波形畸变率<3%必须设有一个可靠接地点,接地电阻<0.5Ω!三、主要产品参数规格型号容量输入电压输出电压输出电流输出直流高压重量( kVA ) ( V ) ( kV ) ( mA ) ( kV ) ( kg )HRGTB-1.5/50 1.5200或400 50307015HRGTB-3/50 3 60 20 HRGTB-5/50 5 100 30 HRGTB-10/50 10 200 40 HRGTB-15/50 15 300 50 HRGTB-20/50 20 400 55 HRGTB-25/50 25 500 60 HRGTB-30/50 30 600 65 HRGTB-50/50 50 400 50 1000 70 95 HRGTB-5/100 5200 或400 1005014060HRGTB-10/100 10 100 65 HRGTB-15/100 15 150 70 HRGTB-20/100 20 200 75 HRGTB-25/100 25 250 80 HRGTB-50/100 50 100 500 140 120HRGTB-15/150 15150 100 85HRGTB-20/150 20 133 90 HRGTB-25/150 25 166 95 HRGTB-30/150 30 200 100串级变6/1003kVA/50kV 串6kVA/50kV 串级变6/1503kVA/75kV 串6kVA/75kV注:以上提供的目录,为本公司生产的干式试验变压器,特殊规格, 也可根据用户提供的参数和要求设计生产,以满足用户的需要。
FDGE型高压并联电容器用全浇注干式放电线圈
使
用
说
明
书
FDGE型高压并联电容器用
全浇注干式放电线圈使用说明书
1.用途及适用范围
FDGE型放电线圈用于电力系统中与高压并联电容器组并联连接,使电容器组从电力系统切除后的剩余电荷能快速泄放,电容器的剩余电压在规定的时间内达到要求值,防止在再次合闸时,由于电容器组仍带有电荷而产生危及设备安全的合闸过电压和过电流,确保检修人员的安全。
FDGE型放电线圈带有二次线圈,供测量和保护用。
2.产品特点
2.1 采用环氧树脂真空浇注结构,实现了无油化;
2.2 完全免除了油渗漏、污染环境和易燃等缺点;
2.3 产品结构简单,安装使用方便;
2.4 加强的内外绝缘使产品有极高的安全性;
2.5 产品维护简单,只需在停电时擦去表面灰尘即可;
2.6 产品坚固可靠,机械强度高。
3.使用条件
3.1.安装地点
3.1.1 安装位置:户内或户外;
3.1.2 环境温度:-40~+45℃;
3.1.3 海拔:不超过1000米;
3.2 安装使用环境
3.2.1 无腐蚀性气体、蒸汽,无导电性或爆炸性尘埃;
3.2.2 安装场所无剧烈的机械振动;
3.2.3 最大风速:35m/s;
3.2.4 放电线圈能在1.1倍额定电压下长期运行。
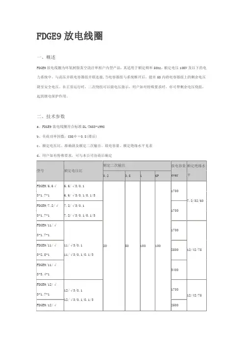
4.主要技术数据
(c)
(b)(a)5. 型号及说明
6. 与电容器线的连接方法
7. 包装、运输及贮存
7.1放电线圈必须使用包装箱包装;并在包装箱中固定,箱外要有型号和搬运禁忌标志。
7.2放电线圈应保存在防雨雪、没有腐蚀性气体、相对湿度不大于95%的地方。
7.3 放电线圈供电气连接的接触面在运输和储存期间应有防腐措施。
7.4 放电线圈一次回路通过电流小于1A,请不要使用硬质导线(如铝排、铜排等)并联放电线圈至电容器组(导线截面不要超过20mm2)。
注:严禁使用硬质导线直接连接放电线圈,否则会造成一次开路,产品报废。
7.5 请不要使用放电线圈套管作为母线的支撑点。
7.6 每台放电线圈附有下列文件:
7.6.1 产品合格证:1份;
7.6.2 出厂试验记录:1份;
7.6.3 使用说明书:1份;
8.验收试验
8.1 外观检验
8.2 绝缘电阻测量
8.3 工频耐受电压(干)试验
8.4 比值差试验(必要时)
9.外形及安装尺寸
见图一、图二。