轴承代号解释
- 格式:doc
- 大小:38.50 KB
- 文档页数:6
轴承的前置代号
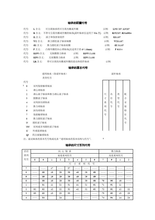
代号: L含义: 可分离轴承的可分离内圈或外圈示例: LNU 207, LN207
代号: R含义: 不带可分离内圈或外圈的轴承(滚针轴承仅适用于NA型) 示例: RNU207, RNA6904
代号: K含义: 滚子和保持架组件示例: K81107
代号: WS含义: 推力圆柱滚子轴承轴圈示例: WS81107
代号: GS含义: 推力圆柱滚子轴承座圈示例: GS 81107
代号: F含义: 凸缘外圈的向心球轴承(仅适用于的d≤10mm) 示例: F 618/4
代号: KOW-含义: 无轴圈推力轴承示例: KOW-51108
代号: KIW-含义: 无座圈推力轴承示例: KIW-51108
代号: LR含义: 带可分离的内圈或外圈的滚动体组件轴承示例:
轴承的基本代号
通用轴承(除滚针轴承)滚针轴承
类型代号
0双列角接触球轴承
1调心球轴承
2调心滚子轴承和推力调心滚子轴承
3圆锥滚子轴承
4双列深沟球轴承
5推力球轴承
6深沟球轴承
7角接触球轴承
8推力圆柱滚子轴承
N 圆柱滚子轴承
NN 双列或多列圆柱滚子轴承
U 外球面球轴承
QJ 四点接触球轴承
注:滚动轴承的基本代号构成见表“通用轴承的基本结构与代号”。
轴承的后置代号
1:内部结构2:密封、防尘与外部形状变化3:保持架及其材料4:轴承材料5:公差等级6:游隙7:配置8:其它。
轴承代号含义说明轴承代号含义说明轴承代号由基本代号,前置代号和后置代号构成。
基本代号表示轴承系列及尺寸,前置代号表示轴承类型及轴承零件,位于基本代号之前,后置代号表示轴承的结构,保持架,密封与防尘,公差,油隙,热处理等技术要求,位于基本代号之后。
1.前置代号C- 圆柱滚子轴承附件(或轴承本身),例:C00210 45C- 成对安装圆锥滚子轴承,面对面安装,例:45C3021046C- 成对安装圆锥滚子轴承,背对背安装,例:46C302104CRI- 四列圆柱滚子轴承内圈,例:4CRI4560F 4CRO- 四列圆柱滚子轴承外圈,例:4CRO660AF E- 磁电机球轴承,外径为正公差,例:E10EN- 磁电机球轴承,外径为负公差,例:EN10 IR- 滚针轴承内圈(英制),例:IR1212IRA- 滚针轴承内圈,比IR系列宽(英制),例:IRA20IRM- 滚针轴承内圈,例:IRM710M- 最大载荷容量型球轴承,例:M6311OR- 滚针轴承,只有外圈,例:OR10876F- 深沟球轴承带凸缘,例:F603TR- 尺寸非标准的单列圆锥滚子轴承,例:TR060702W- 宽型,深沟球轴承,例:W602ZZX2.后置代号(1)内部结构A- 角接触轴承,接触角30度(不标出),例:7210B- 角接触轴承,接触角40度,例:7210BC- 角接触轴承,接触角15度,例:7210CC- 圆锥滚子轴承,接触角20度,例:30303C D- 圆锥滚子轴承,接触角28度30分,例:30305D G- 压缩轴向油隙的调心和圆锥滚子轴承J- 圆锥滚子轴承,符合ISO分组,例:30206J N- 圆锥滚子轴承,特殊噪声要求,例:30208N R- 加大负荷容量的调心,圆锥和圆柱滚子轴承,例:22228R(2)密封和防尘OR- 球轴承带O型密封圈,例:6201+ORRK- 单面,双唇接触式合成橡胶密封,例:6210RK 2RK- 双面,双唇接触式合成橡胶密封,例:6210.2RKRS- 单面,接触式合成橡胶密封,例:6210RS 2RS- 双面,接触式合成橡胶密封,例:6210-2RS RSA- 单面,带金属罩接触式合成橡胶密封,例:88107RSA2RSA- 双面,带金属罩接触式合成橡胶密封,例:88107-2RSARSB- 单面,带加卡金属罩的接触式合成橡胶密封,例:88107RSB2RSB- 双面,带加卡金属罩的接触式合成橡胶密封,例:88107-2RSBRSC- 硅橡胶制RS型密封,例:6210RSCRSD- 聚丙烯橡胶制RS型密封,例:6210RSD RSE- 单面,挡边引导接触式合成橡胶密封,例:6206RSE2RSE- 双面,挡边引导接触式合成橡胶密封,例:6206-2RSERSF- RS型氟化橡胶密封,例:6210RSFRU- 单面,非接触式合成橡胶密封,例:6205RU 2RU- 双面,非接触式合成橡胶密封,例:6205-2RUTR- 单面,三唇金属罩合成橡胶密封,例:4508B-TR2TR- 双面,三唇金属罩合成橡胶密封,例:4508B-2TRU- 一面带接触式合成橡胶密封的滚针轴承,例:NA4916UUU- 二面带接触式合成橡胶密封的滚针轴承,例:NA4916UUZ- 单面钢制防尘盖,例:6205.ZZZ- 双面钢制防尘盖,例:6205ZZZL- 单面,L型内径的钢制防尘盖,例:6207ZL ZX- 单面,由止动环压紧的钢制防尘盖,例:6205ZXZXL- 由止动环压紧L型内径单面钢制防尘盖,例:6203ZXLZZL- 钢制防尘盖,双面,L型内径,例:6203ZZL ZZX- 钢制防尘盖,双面,由止动环压紧,例:605ZZXZZXL- 钢制防尘盖,双面,由止动环压紧,L型内径,例:6303ZZXL(3)套圈形状a- 大于标准倒角的非标准倒角,例:6205aB- 圆锥滚子轴承,外圈带凸缘,例:30210BBI- 双半内圈球轴承,例:6215BIBO- 双半外圈球轴承,例:6215BOD- 圆锥滚子轴承,双外圈或双内圈(英制),例:594/592DK- 带锥孔轴承,锥度为1:12,例:1210KK30- 带锥孔轴承,锥度为1:30,例:23026K30 N- 外圈带止动槽轴承,例:6206NC- 带锁孔的圆锥滚子轴承NR- 外圈带止动环轴承,例:6210NRY- 小于标准倒角尺寸的非标准倒角,例:30206Y S- 圆锥滚子轴承,非标准倒角(斜倒角)SG- 内径带螺旋槽的圆锥滚子轴承T- 锥孔或锥形外径(英制)圆锥滚子轴承TD- 双列、锥孔或锥形外径(英制)圆锥滚子轴承W- 双内圈、端面带槽的圆锥滚子轴承,例:47T694625WHW- 外圈有润滑油沟槽和孔的圆柱滚子轴承,例:NU316WWi- 圆柱滚子轴承(1-外圈有润滑油孔;2-内圈有润滑油孔和槽;3-内圈有润滑油孔;4-内、外圈有润滑油孔;5-内、外圈有润滑油孔和槽;6-外圈有润滑油孔和槽,内圈有润滑油孔;10-外圈带锁孔;11-外圈带润滑油孔和锁孔;13-外圈带锁孔,内圈带润滑油孔;14-内圈带润滑油孔,外圈带润滑油孔和锁孔;I=1,2,…)。
新手学习轴承快捷方式第一招:一、轴承代号介绍1.NU: NU 一般属于前置代号,是圆柱滚子轴承中的一个类型,属于内圈无挡边的圆柱滚子轴承,如 NU203等2.ECJ :这个我没有见到过我,不过我感觉是圆柱滚子里面的,可能是和保持架有关系,应该是加强保持架的意思!3.M :一般属于后置代号,可以代表是铜保的意思,就是轴承的保持架材质为铜的,如: 22220.M 或者 6040.M 这个M都是轴承的保持架为铜保持架,不过也有例外,每个厂家的表示方法都很不一样,要根据每个品牌厂家对轴承命名方法来看,才知道是什么意思!4.H :H 应该属于前置代号,一般表示为不锈钢的意思,和日本不锈钢 SS 表示相同,如 H 608 ZZ!5.2Z : 2Z 也等于 ZZ,这个一般都是说深沟球和角接触类型轴承的,是表示轴承的秘方方式是使用的:防尘盖密封,另外你也许会碰到 RS 或者 2RS等是橡胶密封圈的意思, Z 和 RS 是大面密封的意思,2Z和2RS 是双面密封的意思!6.N : N 一般为后置代号,在深沟球上使用的比较多,表示轴承外圈一边带有沟槽7.NJ :和NU 一样,都是圆柱滚子轴承中的一个类型,不过NJ 是表示内圈单挡边的圆柱滚子轴承, NU 就没有内挡圈!8.ECM :这个ECM 是后置代号,一般电机轴承才有这样的代号,这类轴承价格也比普通的要高,如 6204ECM。
9. 2RS : 2RS 也是后置代号,是轴承一种密封表示方法,是两面橡胶密封,可参照 2Z 所说的!/W33 :这里面要分两个地方说,第一: CC是铁保的意思,一般是对调心滚子轴承来说的,保持架为铁保,另外还有一种保持架,是铜保,用 CA 来表示,第二: W33 也是对调心滚子来说的,是表示此型号外圈带有润滑油槽和三个分布均匀的注油孔。
11.K :这个K 是锥度的意思,凡是轴承型号后边带有 K 的都是代表锥度的意思,如果单单出现一个 K ,那么这个锥度就是 K=1:12, 如果你看到某个型号后边带有 K30, 那么这个K30就等于 1:30 的锥度!待续。
轴承的代号说明★1:基本代号表示轴承的基本类型、结构和尺寸,是轴承代号的基础,前置、后置代号是轴承的结构形状、尺寸、公差、技术要求有改变时,在基本代号左右添加的补充代号基本代号类型代号尺寸系列代号内径代号★轴承的尺寸系列代号由轴承的宽(高)度系列代号和直径代号组合而成★直径系列系指对应同一轴承内径的外径系列分别7、8、9、0、1、2、3、4、5等外径尺寸依次递增的直径系列。
★宽度系列系指同一轴承直径系列的宽度尺寸系列分别有8、0、1、2、3、4、5、6等宽度尺寸依次递增的宽度系列★推力轴承以高度系列对应于向心轴承的宽度系列有7、9、1、2等高度尺寸递增的4个高度系列★内径代号公称内径10到17例00到03 00=10 01=12 02=15 03=17 04以上×50.6到10(非整数)与尺寸系列代号之间用“/”分开例618/2.5 d=2.5mm1到9(整数)对深沟球轴承及角接触球轴承7、8、9直径系列内径与尺寸系列代号之间用“/”分开例:深沟球轴承625 、618/5 d=5mm轴承形式标准开式轴承标准封闭式轴承 带法兰开式轴承 带法兰封闭式轴承圆柱滚子轴承N 外圈无挡边 NF 外圈单挡边 NN 双列圆柱滚子轴承 NFP 外圈单挡边,平当圈 NNU 内圈无档边双列圆柱滚子轴承 NU 内圈无挡边 NJ 内圈单挡边 NA 外圈带双锁圈的滚针轴承NUJ 内圈无挡边,带斜挡圈NH 内圈单挡边,带斜挡圈NUP 内圈单挡边,平挡圈RNU 无内圈 RN 无外圈前置代号的含义F 凸缘外圈的向心球轴承(紧使用d ≤10mm )L 可分离轴承的可分离内圈或外圈R 不带可分离内圈或外圈的轴承滚针轴承仅适用于NA 型WS 推力圆柱滚子轴承轴圈GS 推力圆柱滚子轴承座圈KOW 无轴圈推力轴承KIW 无座圈推力轴承LR 带可分离内圈或外圈与滚动体组件轴承K 滚子无保持架组件例:6 2 03 ZZ C3 6指深沟球轴承2 直径系列2 03内径17mm ZZ双防尘盖C3径向游隙7 2 20 A DB C3 7指角接触球轴承2直径系列20 内径100mm A指角度为30度DB背对背组合1 2 06 K+H206X 1指调心球轴承2直径系列06内径为30mm K锥度1:12 H206X指紧定套32318H=NU318MCM N指圆柱滚子轴承3直径系列18 内径90mmM指保持架为铜CM电机径向游隙CM经常表示在深沟球、圆柱滚子轴承后置HR30207J HR高负荷轴承3圆锥滚子轴承0 宽度系列2直径系列07 内径35mmJ指外圈滚动道直径、角度、宽度与ISO一制★★FAG 代号前置代号R不带可分离内圈或外圈轴承GS. 推力圆柱滚子轴承座圈GS.81112K.滚动体与保持架的组合件K.81108WS. 推力圆柱滚子轴承轴圈K.81112后置代号1:内部结构 A B C D EC:15°接触角B:40°接触角E:25°接触角实体保持架TV:玻璃纤维增强聚酰胺实体保持架,钢球引导。
轴承代号含义说明 IMB standardization office【IMB 5AB- IMBK 08- IMB 2C】轴承代号含义说明轴承代号由基本代号,前置代号和后置代号构成。
基本代号表示轴承系列及尺寸,前置代号表示轴承类型及轴承零件,位于基本代号之前,后置代号表示轴承的结构,保持架,密封与防尘,公差,油隙,热处理等技术要求,位于基本代号之后。
1.前置代号C- 圆柱滚子轴承附件(或轴承本身),例:C0021045C- 成对安装圆锥滚子轴承,面对面安装,例:45C3021046C- 成对安装圆锥滚子轴承,背对背安装,例:46C302104CRI- 四列圆柱滚子轴承内圈,例:4CRI4560F4CRO- 四列圆柱滚子轴承外圈,例:4CRO660AFE- 磁电机球轴承,外径为正公差,例:E10EN- 磁电机球轴承,外径为负公差,例:EN10IR- 滚针轴承内圈(英制),例:IR1212IRA- 滚针轴承内圈,比IR系列宽(英制),例:IRA20IRM- 滚针轴承内圈,例:IRM710M- 最大载荷容量型球轴承,例:M6311OR- 滚针轴承,只有外圈,例:OR10876F- 深沟球轴承带凸缘,例:F603TR- 尺寸非标准的单列圆锥滚子轴承,例:TR060702W- 宽型,深沟球轴承,例:W602ZZX2.后置代号(1)内部结构A- 角接触轴承,接触角30度(不标出),例:7210B- 角接触轴承,接触角40度,例:7210BC- 角接触轴承,接触角15度,例:7210CC- 圆锥滚子轴承,接触角20度,例:30303CD- 圆锥滚子轴承,接触角28度30分,例:30305DG- 压缩轴向油隙的调心和圆锥滚子轴承J- 圆锥滚子轴承,符合ISO分组,例:30206JN- 圆锥滚子轴承,特殊噪声要求,例:30208NR- 加大负荷容量的调心,圆锥和圆柱滚子轴承,例:22228R(2)密封和防尘OR- 球轴承带O型密封圈,例:6201+ORRK- 单面,双唇接触式合成橡胶密封,例:6210RK2RK- 双面,双唇接触式合成橡胶密封,例:RS- 单面,接触式合成橡胶密封,例:6210RS2RS- 双面,接触式合成橡胶密封,例:6210-2RSRSA- 单面,带金属罩接触式合成橡胶密封,例:88107RSA2RSA- 双面,带金属罩接触式合成橡胶密封,例:88107-2RSARSB- 单面,带加卡金属罩的接触式合成橡胶密封,例:88107RSB2RSB- 双面,带加卡金属罩的接触式合成橡胶密封,例:88107-2RSBRSC- 硅橡胶制RS型密封,例:6210RSCRSD- 聚丙烯橡胶制RS型密封,例:6210RSDRSE- 单面,挡边引导接触式合成橡胶密封,例:6206RSE2RSE- 双面,挡边引导接触式合成橡胶密封,例:6206-2RSERSF- RS型氟化橡胶密封,例:6210RSFRU- 单面,非接触式合成橡胶密封,例:6205RU2RU- 双面,非接触式合成橡胶密封,例:6205-2RUTR- 单面,三唇金属罩合成橡胶密封,例:4508B-TR2TR- 双面,三唇金属罩合成橡胶密封,例:4508B-2TRU- 一面带接触式合成橡胶密封的滚针轴承,例:NA4916UUU- 二面带接触式合成橡胶密封的滚针轴承,例:NA4916UUZ- 单面钢制防尘盖,例:ZZ- 双面钢制防尘盖,例:6205ZZZL- 单面,L型内径的钢制防尘盖,例:6207ZLZX- 单面,由止动环压紧的钢制防尘盖,例:6205ZXZXL- 由止动环压紧L型内径单面钢制防尘盖,例:6203ZXLZZL- 钢制防尘盖,双面,L型内径,例:6203ZZLZZX- 钢制防尘盖,双面,由止动环压紧,例:605ZZXZZXL- 钢制防尘盖,双面,由止动环压紧,L型内径,例:6303ZZXL(3)套圈形状a- 大于标准倒角的非标准倒角,例:6205aB- 圆锥滚子轴承,外圈带凸缘,例:30210BBI- 双半内圈球轴承,例:6215BIBO- 双半外圈球轴承,例:6215BOD- 圆锥滚子轴承,双外圈或双内圈(英制),例:594/592DK- 带锥孔轴承,锥度为1:12,例:1210KK30- 带锥孔轴承,锥度为1:30,例:23026K30N- 外圈带止动槽轴承,例:6206NC- 带锁孔的圆锥滚子轴承NR- 外圈带止动环轴承,例:6210NRY- 小于标准倒角尺寸的非标准倒角,例:30206YS- 圆锥滚子轴承,非标准倒角(斜倒角)SG- 内径带螺旋槽的圆锥滚子轴承T- 锥孔或锥形外径(英制)圆锥滚子轴承TD- 双列、锥孔或锥形外径(英制)圆锥滚子轴承W- 双内圈、端面带槽的圆锥滚子轴承,例:47T694625WHW- 外圈有润滑油沟槽和孔的圆柱滚子轴承,例:NU316WWi- 圆柱滚子轴承(1-外圈有润滑油孔;2-内圈有润滑油孔和槽;3-内圈有润滑油孔;4-内、外圈有润滑油孔;5-内、外圈有润滑油孔和槽;6-外圈有润滑油孔和槽,内圈有润滑油孔;10-外圈带锁孔;11-外圈带润滑油孔和锁孔;13-外圈带锁孔,内圈带润滑油孔;14-内圈带润滑油孔,外圈带润滑油孔和锁孔;I=1,2,…)。
0双列角接触球轴承1调心球轴承2调心滚子轴承和推力调心滚子轴承3圆锥滚子轴承4双列深沟球轴承5推力球轴承6深沟球轴承7角接触轴承8推力圆柱滚子轴承N圆柱滚子轴承和双列圆柱滚子轴承NNU外球面轴承QJ四点接触球轴承另外,轴承代号前后还有前置和后置代号,分别如下:——前置代号前置代号R直接放在轴承基本代号之前,其余代号用小圆点与基本代号隔开。
GS.——推力圆柱滚子轴承座圈。
例:GS.81112。
K.——滚动体与保持架的组合件。
例:推力圆柱滚子与保持架的组合件K.81108 R——不带可分离内圈或外圈的轴承。
例:RNU207——不带内圈的NU207轴承。
WS——推力圆柱滚子轴承轴圈。
例:WS.81112.——内部设计——外形尺寸及变形设计——密封——保持架——公差——游隙——热处理——特殊设计——机床主轴轴承——低噪省轴承——后置代号后置代号置于基本代号的后面。
当具有多组后置代号时,应按轴承代号表中所列后置代号的顺序从左至右排列。
某些后置代号前用小圆点与基本代号隔开。
后置代号—内部结构A、B、C、D、E——内部结构变化例:角接触球轴承7205C、7205E、7205B,C—15°接触角,E-25°触角,B—40°接触角。
例:圆柱滚子、调心滚子及推力调心滚子轴承N309E、21309E、29412E——加强型设计,轴承负载能力提高。
VH——滚子自锁的满滚子圆柱滚子轴承(滚子的复圆直径不同于同型号的标准轴承)。
例:NJ2312VH。
后置代号—轴承外形尺寸及外部结构DA——带双半内圈的可分离型双列角接触球轴承。
例:3306DA。
DZ——圆柱型外径的滚轮轴承。
例:ST017DZ。
K——圆锥孔轴承,锥度1:12。
例:2308K。
K30-圆锥孔轴承,锥度1:30。
例:24040K30。
2LS——双内圈两面带防尘盖的双列圆柱滚子轴承。
例:NNF5026VC.2LS.V——内部结构变化,双内圈,两面带防尘盖、满滚子双列圆柱滚子轴承。
1.基本代号基本代号用来表明轴承的内径、直径系列、宽度系列和类型,一般最多为五位数,先分述如下:1)轴承内径用基本代号右起第一、H位数字表示。
对常用内径d=20~480mm 的轴承内径一般为5的倍数,这两位数字表示轴承内径尺寸被5除得的商数,如04表示d=20mm;12表示 d=60mm等等。
对于内径为10mm、12mm、15mm和17mm 的轴承,内径代号依次为00、01、02和03。
对于内径小于10mm和大于500mm 轴承,内径表示方法另有规定,可参看 GB/T272—93。
2)轴承的直径系列(即结构相同、内径相同的轴承在外径和宽度方面的变化系列)用基本代号右起第三位数字表示。
例如,对于向心轴承和向心推力轴承,0、1表示特轻系列;2表示轻系列;3表示中系列;4表示重系列。
各系列之间的尺寸对比如下图所示。
推力轴承除了用1表示特轻系列之外,其余与向心轴承的表示一致。
3)轴承的宽度系列(即结构、内径和直径系列都相同的轴承宽度方面的变化系列)用基本代号右起第四位数字表示。
当宽度系图13-4直径系列的对比列为0系列(正常系列)时,对多数轴承在代号中可不标出宽度系列代号O,但对于调心滚子轴承和圆锥滚子轴承,宽度系列代号0应标出。
直径系列代号和宽度系列代号统称为尺寸系列代号。
4)轴承类型代号用基本代号右起第五位数字表示(对圆柱滚子轴承和滚针轴承等类型代号为字母)。
2.后置代号轴承的后置代号是用字母和数字等表示轴承的结构、公差及材料的特殊要求等等。
后置代号的内容很多,下面介绍几个常用的代号。
1)内部结构代号是表示同一类型轴承的不同内部结构,用字母紧跟着基本代号表示。
如:接触角为15°、25°和40°的角接触球轴承分别用C、AC和B 表示内部结构的不同。
2)轴承的公差等级分为2级、4级、5级、6级、6X级和0级,共6个级别,依次由高级到低级,其代号分别为/PZ、/P4‘/PS、/P6、/P6X和/PO。
轴承型号的含义及其说明轴承是当代机械设备中一种重要的零部件,它的主要功能是支撑机械旋转体,降低其传动过程中的摩擦系数,保证回转精度。
轴承的代号分为前置代号、基本代号、后置代号,其主要功能如下:A前置代号:是轴承在结构形状、尺寸、公差、技术要求等有改变时区分使用,用字母标示。
如用L表示可分离轴承的可分离套圈;K 表示轴承的滚动体与保持架组件等等。
实际应用的滚动轴承类型是很多的,相应的轴承代号也是比较复杂的;B基本代号:基本代号用来表明轴承的内径、直径系列、宽度系列和类型,一般最多为五位数,是轴承代号的基础。
基本代号有轴承类型代号、尺寸系列代号和内径代号3部分构成:类型代号-尺寸系列代号-内径代号(2位数);进口轴承常用类型代号(指型号的开头的数字或者字母,比如6200轴承,6代表深沟球轴承,NU,NJ则代表圆柱滚子轴承):1-调心球轴承2-调心滚子轴承3-圆锥滚子轴承4-双列深沟球轴承5-推力球轴承6-深沟球轴承7-角接触球轴承N-圆柱滚子轴承NA-滚针轴承QJ-四点接触球轴承基本代号的编制规则1、轴承内径用基本代号右起第一、H位数字表示。
对常用内径d=20~480mm的轴承内径一般为5的倍数,这两位数字表示轴承内径尺寸被5除得的商数,如04表示d=20mm;12表示d=60mm等等。
对于内径为10mm、12mm、15mm和17mm的轴承,内径代号依次为00、01、02和03。
对于内径小于10mm和大于500mm轴承,内径表示方法另有规定,可参看GB/T272--93。
2、轴承的直径系列用基本代号右起第三位数字表示。
例如,对于向心轴承和向心推力轴承,0、1表示特轻系列;2表示轻系列;3表示中系列;4表示重系列。
各系列之间的尺寸对比如下图所示。
推力轴承除了用1表示特轻系列之外,其余与向心轴承的表示一致。
3、轴承的宽度系列用基本代号右起第四位数字表示。
当宽度直径系列的对比列为0系列时,对多数轴承在代号中可不标出宽度系列代号O,但对于调心滚子轴承和圆锥滚子轴承,宽度系列代号0应标出。
轴承一、轴承后面代号的含义:.B--40°接触角;A--25°接触角;C--15°接触角;J--击压钢保持架;LI--机削铜合金保持架;DB--背对背配置;DF--面对面配置;CS--径向游隙大于标准游隙.二、后缀的意义若现代轴承中有几个后缀,则这些后缀按一下顺序分组排列:内部设计,外部设计,保持架,其它特点.第4组(其它特点)总是以斜线与基本代号或其它后缀分开.内部设计A 轴承内部设计经过修改BCDE外部设计CA 可任意(同向串列,面对面或背靠背)CB 配对安装的单列角接触球轴承CC 背靠背或面对面排列时,轴向按装前内部间隙与正常值之比较:小(CA),正常(CB),较大(CC)G 可任意(同向串连,背靠背,面对面)配对安装的单列角接触球轴承.面对面或背靠背排列时,轴承内有一定的按装前轴向间隙GA 可随意(串联,背靠背,面对面)GB 配对按装的单列角接触球轴承GC 面对面,背靠背排列时,轴承内有较轻(GA)中等(GB)或较重(GC)预负荷K 锥形内孔,直径锥度1:20K30 锥形内孔,直径锥度1:30-LS 轴承一侧具接触式油封,内圈无油封凸槽-2LS 轴承二侧具LS油封N 外圈圆柱面有止动槽NR 轴承外圈有止动槽和止动圈N2 外圈上有二个定位槽(成180度)PP 轴承(支承滚轮轴承,凸轮随动轴承)二侧具接触式油封RS 轴承(滚针轴承)一侧具有合成橡胶或聚氨基甲酸酯接触式油封-RS1 轴承一侧具亲钢板合成橡胶接触式油封-2RS1 轴承二侧具有ES1油封-RS 轴承(滚针轴承)两侧具RS油封-RZ 轴承一侧具亲钢板合成橡胶摩擦油封-2RZ 轴承两侧具RZ油封X 1.基本尺寸经修正后符合ISO标准2.柱形滚动面(支承滚轮轴承,凸轮随动轴承)-Z 轴承一侧具防尘盖(非摩擦油封)-2Z 轴承两侧具Z防尘盖-ZN 防尘盖位于止动槽异侧-2ZN 轴承两侧具Z防尘盖,外圈带止动槽-ZNR 同-ZN,且带止动圈-2ZNR 同-2ZN,且带止动圈保持架F 钢或特殊铸铁制造机削保持架J 钢板冲压成形保持架L 轻合金机削保持器M 黄铜机削保持架MP 窗型黄铜机削保持架P 玻璃织维增强尼龙6.6模注保持架TN 塑胶模注保持架Y 铜板冲压成型保持架V 满滚子轴承,(无保持架)VH 由非分离型滚子祝贺件构成的满滚子轴承(圆柱滚子轴承)其它轴承特性- 以下后缀之前省略了代号前的斜线轴承精度P4 尺寸精度符合ISO4级公差(比P5级精密)P4A 尺寸精度符合ISO4级公差,运行精度相当于AFBMA标准ABEC9级P5 尺寸及运行精度符合ISO5级公差(精度高于P6)P6 尺寸及运行精度相当于AFBMA标准ABEC9级PA9A 尺寸精度相当于AFBMA标准ABEC9级PA9B 尺寸精度相当于AFBMA标准ABEC9级,运行精度比PA9A高内部间隙C1 间隙小于C2C2 间隙小于普通级C3 间隙大于普通级C4 间隙大于C3C5 间隙大于C4当间隙后缀与P4,P5或P6结合时,间隙后缀省去C.例如:P6+C2=P62振动品质QE5 符合电动机用特别标准,尺寸及运转精度达P6,极低噪音QE6 符合电动机用标准,低噪音热处理S0 高达150摄氏度S1 高达200摄氏度S2 高达250摄氏度S3 高达300摄氏度S4 高达350摄氏度补充润滑W33 轴承外圈有润滑油槽三个油孔W33X 轴承外圈有润滑油槽六个油孔润滑剂HT 高温润滑(-20至+130摄氏度)LHT 低/高温滑脂(-40至+140摄氏度)LT 低温滑脂(??????)MT 中温滑脂(-30至+110摄氏度)三、SKF公司的滚动轴承,滚动轴承部件及附件的完整代号由基本代号和补充代号组成。
轴承代号表示方法与含义代号用途:代表象征滚动轴承的结构、尺寸、类型、精度等,代号由国家标准GB/T272-93规定。
代号的构成:前置代号——表示轴承的分部件基本代号——表示轴承的类型与尺寸等主要特征后置代号——表示轴承的精度与材料的特征轴承代号的组成如下表所示:内径代号:一般情况下轴承内径用轴承内径代号(基本代号的后两位数)×5=内径(mm),例:轴承6204的内径是04×5=20mm。
常见特殊情况:㈠当轴承内径小于20mm㈡当轴承内径小于10mm,直接用基本代号的最后一位表示轴承内径尺寸;例:轴承608Z,用基本代号‘608’的最后一位8作内径尺寸,轴承608Z的内径为8mm。
以此类推627的内径为7mm,634的内径为4mm。
㈢轴承的内径不是5的倍数或者大于等于500mm,内径代号用斜杠‘/’隔开。
另一种情况:有部分滚针轴承旧代号内径代号直接用‘/’隔开。
这几种情况‘/’后边的几位数值为轴承内径尺寸。
见下表示例:轴承型号619/1.562/2260/5003519/11207943/25内径尺寸(mm) 1.522500112025以上是几种轴承内径常见的表示方法,国际上有些公司的代号都不尽相同;要以实际情况为准。
具体要参考各种资料和各厂家样本。
尺寸系列代号:用于表达相同内径但外径和宽度不同的轴承,见图。
直径代号↑↑→→宽度代号外径系列代号:特轻(0,1),轻(2),中(3),重(4)宽度系列代号:一般正常宽度为“0”,通常不标注。
但对圆锥滚子轴承(7类)和调心滚子轴承(3类)等类型不能省略“0”6010为轻薄系列,应用于轻载荷、高转速;6210是轻型系列,轻型负荷转速最合理,是应用面最广的类型;6310是中重型系列;6410是重系列,用于重载低速。
中型和中重型应用最广,如各类机械传动部件、中小型电动机、流水线传送带、摩托车等等各种机械设备几乎都有用到这两种类型。
类型代号:应记住常用的轴承代号:3,5,6,7,N五类,对应老代号为7,8,0,6,2类。
轴承一、轴承后面代号的含义:.B--40°接触角;A--25°接触角;C--15°接触角;J--击压钢保持架;LI--机削铜合金保持架;DB--背对背配置;DF--面对面配置;CS--径向游隙大于标准游隙.二、后缀的意义若现代轴承中有几个后缀,则这些后缀按一下顺序分组排列:内部设计,外部设计,保持架,其它特点.第4组(其它特点)总是以斜线与基本代号或其它后缀分开.内部设计A 轴承内部设计经过修改BCDE外部设计CA 可任意(同向串列,面对面或背靠背)CB 配对安装的单列角接触球轴承CC 背靠背或面对面排列时,轴向按装前内部间隙与正常值之比较:小(CA),正常(CB),较大(CC)G 可任意(同向串连,背靠背,面对面)配对安装的单列角接触球轴承.面对面或背靠背排列时,轴承内有一定的按装前轴向间隙GA 可随意(串联,背靠背,面对面)GB 配对按装的单列角接触球轴承GC 面对面,背靠背排列时,轴承内有较轻(GA)中等(GB)或较重(GC)预负荷K 锥形内孔,直径锥度1:20K30 锥形内孔,直径锥度1:30-LS 轴承一侧具接触式油封,内圈无油封凸槽-2LS 轴承二侧具LS油封N 外圈圆柱面有止动槽NR 轴承外圈有止动槽和止动圈N2 外圈上有二个定位槽(成180度)PP 轴承(支承滚轮轴承,凸轮随动轴承)二侧具接触式油封RS 轴承(滚针轴承)一侧具有合成橡胶或聚氨基甲酸酯接触式油封-RS1 轴承一侧具亲钢板合成橡胶接触式油封-2RS1 轴承二侧具有ES1油封-RS 轴承(滚针轴承)两侧具RS油封-RZ 轴承一侧具亲钢板合成橡胶摩擦油封-2RZ 轴承两侧具RZ油封X 1.基本尺寸经修正后符合ISO标准2.柱形滚动面(支承滚轮轴承,凸轮随动轴承)-Z 轴承一侧具防尘盖(非摩擦油封)-2Z 轴承两侧具Z防尘盖-ZN 防尘盖位于止动槽异侧-2ZN 轴承两侧具Z防尘盖,外圈带止动槽-ZNR 同-ZN,且带止动圈-2ZNR 同-2ZN,且带止动圈保持架F 钢或特殊铸铁制造机削保持架J 钢板冲压成形保持架L 轻合金机削保持器M 黄铜机削保持架MP 窗型黄铜机削保持架P 玻璃织维增强尼龙6.6模注保持架TN 塑胶模注保持架Y 铜板冲压成型保持架V 满滚子轴承,(无保持架)VH 由非分离型滚子祝贺件构成的满滚子轴承(圆柱滚子轴承)其它轴承特性- 以下后缀之前省略了代号前的斜线轴承精度P4 尺寸精度符合ISO4级公差(比P5级精密)P4A 尺寸精度符合ISO4级公差,运行精度相当于AFBMA标准ABEC9级P5 尺寸及运行精度符合ISO5级公差(精度高于P6)P6 尺寸及运行精度相当于AFBMA标准ABEC9级PA9A 尺寸精度相当于AFBMA标准ABEC9级PA9B 尺寸精度相当于AFBMA标准ABEC9级,运行精度比PA9A高内部间隙C1 间隙小于C2C2 间隙小于普通级C3 间隙大于普通级C4 间隙大于C3C5 间隙大于C4当间隙后缀与P4,P5或P6结合时,间隙后缀省去C.例如:P6+C2=P62振动品质QE5 符合电动机用特别标准,尺寸及运转精度达P6,极低噪音QE6 符合电动机用标准,低噪音热处理S0 高达150摄氏度S1 高达200摄氏度S2 高达250摄氏度S3 高达300摄氏度S4 高达350摄氏度补充润滑W33 轴承外圈有润滑油槽三个油孔W33X 轴承外圈有润滑油槽六个油孔润滑剂HT 高温润滑(-20至+130摄氏度)LHT 低/高温滑脂(-40至+140摄氏度)LT 低温滑脂(??????)MT 中温滑脂(-30至+110摄氏度)三、SKF公司的滚动轴承,滚动轴承部件及附件的完整代号由基本代号和补充代号组成。
我国的轴承代号源于前苏联,老标准轴承的基本代号由七位阿拉伯数字组成,代号的前头可以加前置代号,后面可以加补充代号。
七位数字从右边数为第一位,一、二两位表示轴承内径,00为10MM,01为12MM,02为15MM,03为17MM,04开始为5的整数倍,09表示内径为45MM,两位数表达不了的大内径则以/后面直接用数字标出。
内径小于10MM的微型轴承,第一位数直接表示内径,如18轴承,其内径为8MM。
第3位表示直径系列,第四位表示轴承类型,0表示向心球轴承,你要求是指明球轴承和滚子轴承,2表示短圆柱滚子轴承,此处4207,第四位是4,应该是滚针轴承,直径系列为2,中系列,内径为35MM。
第五、六位数字表示轴承的结构特点,180309的18表示两面带橡胶密封圈的结构型式。
由于七位数字所表示的轴承种类有限,随着科学技术的发展,已经有很多轴承型号无法表示,也由于国际贸易的需要,现在我国已经采用ISO国际标准,现阶段新老代号标准还是混用。
0类轴承:深沟球轴承deep groove ball bearing1类轴承:调心球轴承self aligning ball bearing2类轴承:圆柱滚子轴承cylindrical roller bearing3类轴承:调心滚子轴承self aligning roller bearing (球面滚子轴承)4类轴承:滚针轴承needle roller bearing5类:螺旋滚子轴承6类轴承:角接触球轴承angular contact ball bearing7类轴承:圆锥滚子轴承tapered roller bearing8类轴承:推力球轴承thrust ball bearing9类轴承:推力滚子轴承推力角接触轴承等。
轴承的代号说明★1:基本代号表示轴承的基本类型、结构和尺寸,是轴承代号的基础,前置、后置代号是轴承的结构形状、尺寸、公差、技术要求有改变时,在基本代号左右添加的补充代号基本代号类型代号尺寸系列代号内径代号★轴承的尺寸系列代号由轴承的宽(高)度系列代号和直径代号组合而成★直径系列系指对应同一轴承内径的外径系列分别7、8、9、0、1、2、3、4、5等外径尺寸依次递增的直径系列。
★宽度系列系指同一轴承直径系列的宽度尺寸系列分别有8、0、1、2、3、4、5、6等宽度尺寸依次递增的宽度系列★推力轴承以高度系列对应于向心轴承的宽度系列有7、9、1、2等高度尺寸递增的4个高度系列★内径代号公称内径10到17例00到03 00=10 01=12 02=15 03=17 04以上×50.6到10(非整数)与尺寸系列代号之间用“/”分开例618/2.5 d=2.5mm1到9(整数)对深沟球轴承及角接触球轴承7、8、9直径系列内径与尺寸系列代号之间用“/”分开例:深沟球轴承625 、618/5 d=5mm轴承形式标准开式轴承标准封闭式轴承带法兰开式轴承带法兰封闭式轴承圆柱滚子轴承N 外圈无挡边NF外圈单挡边NN双列圆柱滚子轴承 NFP外圈单挡边,平当圈NNU内圈无档边双列圆柱滚子轴承NU内圈无挡边NJ内圈单挡边NA 外圈带双锁圈的滚针轴承NUJ内圈无挡边,带斜挡圈NH 内圈单挡边,带斜挡圈NUP 内圈单挡边,平挡圈RNU无内圈RN 无外圈前置代号的含义F 凸缘外圈的向心球轴承(紧使用d≤10mm)L可分离轴承的可分离内圈或外圈R不带可分离内圈或外圈的轴承滚针轴承仅适用于NA型WS推力圆柱滚子轴承轴圈GS推力圆柱滚子轴承座圈KOW 无轴圈推力轴承KIW 无座圈推力轴承LR 带可分离内圈或外圈与滚动体组件轴承K 滚子无保持架组件例:6 2 03 ZZ C3 6指深沟球轴承 2 直径系列2 03内径17mm ZZ双防尘盖 C3径向游隙7 2 20 A DB C3 7指角接触球轴承 2直径系列 20 内径100mm A指角度为30度DB背对背组合1 2 06 K+H206X 1指调心球轴承 2直径系列 06内径为30mm K锥度1:12 H206X指紧定套32318H=NU318MCM N指圆柱滚子轴承 3直径系列 18 内径90mmM指保持架为铜 CM电机径向游隙 CM经常表示在深沟球、圆柱滚子轴承后置HR30207J HR高负荷轴承 3圆锥滚子轴承 0 宽度系列 2直径系列 07 内径35mmJ指外圈滚动道直径、角度、宽度与ISO一制★★FAG 代号前置代号R不带可分离内圈或外圈轴承GS. 推力圆柱滚子轴承座圈 GS.81112K.滚动体与保持架的组合件 K.81108WS. 推力圆柱滚子轴承轴圈 K.81112后置代号1:内部结构 A B C D EC:15°接触角B:40°接触角 E:25°接触角实体保持架TV:玻璃纤维增强聚酰胺实体保持架,钢球引导。
轴承分类及代号的含义零类轴承:零类轴承(0类轴承)就是深沟球轴承(deep groove ball bearing).用于变速箱、仪器仪表、电机、家用电器、内燃机、交通车辆、农业机械、建筑机械、工程机械等。
0类轴承后置代号含义:RSR——轴承一面带密封圈。
例:6207RSR.2RSR——轴承两面带密封圈。
例:6207.2RSR.ZR——轴承一面带防尘盖。
例:6207ZR.2ZR轴承两面带防尘盖。
例:6207.2ZRZRN——轴承一面带防尘盖,另一面外圈上带止动槽。
例:6207ZRN。
.2ZRN——轴承两面带防尘盖,外圈上带止动槽。
例:6207.2ZRN。
一类轴承:一类轴承(1类轴承)即调心球轴承,适用于承受重载荷与冲击载荷、精密仪表、低噪音电机、汽车、摩托车、冶金、轧机、矿山、石油、造纸、水泥、榨糖等行业及一般机械等。
二类轴承:二类轴承(2类轴承)即是圆柱滚子轴承,主要用于电机、机床、石油、轧机装卸搬运机械和各类产业机械。
属分离型轴承,安装与拆卸非常方便。
圆柱滚子轴承分为单列、双列和四列。
单列圆柱滚子轴承根据套圈挡边的不同分为N型、NU型、NJ型、NF型和NUP型等。
圆柱滚子轴承承受的径向负荷能力大,根据套圈挡边的结构也可承受一定的单向或双向轴向负荷。
三类轴承:三类轴承(3类轴承)即调心滚子轴承,外圈是以轴承中心为球心的球面,具有自动调心性,滚动体与内、外圈滚道之间是线性接触,能承受大的径向载荷。
适用于矿山、冶金、造纸等高负荷重型机械和大型机械设备。
四类轴承:滚针轴承六类轴承:六类轴承(6类轴承)即角接触球轴承,可以同时承受径向载荷和轴向载荷,单列角接触球轴承只能承受单方向轴向载荷,困此一般都常采用成对安装。
成对使用时,以预先调整好间隙的配对角接触球轴承最为方便。
保持架的材质有黄铜、合成树木脂,依轴承形式,使用条件而区分。
DB组合、DT组合、DF组合成四点接触、双列角接触球轴承可承受径向和双向轴向负荷。
轴承代号的含义通用轴承第一位0 代表双列角接触球轴承1代表调心球轴承2代表调心滚子轴承和推力调心滚子轴承3代表圆锥滚子轴承4代表双列深沟球轴承5代表推力球轴承6代表深沟球轴承7代表角接触球轴承8代表推力圆柱滚子轴承N代表圆柱滚子轴承NN代表双列或多列圆柱滚子轴承U代表外球面球轴承QJ代表四点接触球轴承中间两位为尺寸系列代号后面2/3位轴承公称内径/mm: 0.6到10(非整数) 内径代号: 用公称内径毫米数直接表示,在其与尺寸系列代号之间用“/”分开轴承公称内径/mm: 1到9(整数) 内径代号: 用公称内径毫米数直接表示,对深沟、角接触球轴承7、8、9直径系列,内径与尺寸系列代号之间用“/”分开轴承公称内径/mm: 10 内径代号: 00轴承公称内径/mm: 12 内径代号: 01轴承公称内径/mm: 15 内径代号: 02轴承公称内径/mm: 17 内径代号: 03轴承公称内径/mm: 20到480(22,28,32除外)内径代号: 公称内径除以5的商数,商数为个位数,需在商数左边加“0”轴承公称内径/mm: 大于和等于500以及22,28,32 内径代号: 用公称内径毫米数直接表示,但在与尺寸系列之间用“/”分开举例36207:3是圆锥滚子轴承,6是宽度系列代号,2是直径系列代号,07是内径代号表示轴承内径为7乘5=35mm7210B:7是角接触球轴承2是尺寸系列代号02,其0宽度系列代号,按规定省略2是直径系列代号!10为内径代号为10乘5=50mm C指公称接触角为十五度!7120AC同上,AC指公称接触角为二十五度!30316:3是圆锥滚子轴承03为尺寸系列代号其中0是宽度代号3是直径代号16是内径代号16乘5=80mm7305B/P4:7是角接触球轴承3为内径代号(03)0为宽度代号可省略3为直径代号05为内径代号5乘5=25mmB指公称接触角为四十度P4为公差代号指精度高于五级!。
轴承型号含义大全表示静音等级ZZ:表示轴承双侧附带铁制防尘盖CM:表示电机用径向内部游隙NS7:表示轴承内部油脂标号S:表示轴承内部油脂的填充量5:表示轴承的的包装是商业包装附件代号Z:轴承单侧钢板防尘盖ZZ:轴承两侧钢板防尘盖V:轴承单侧橡胶制非接触型防尘盖VV:轴承两侧橡胶制非接触型防尘盖DU:轴承单侧橡胶制接触性防尘盖DDU:轴承两侧橡胶制接触性防尘盖NR:轴承外套圈带有径向定位槽和定位环保持架材质和形制代号M:铜合金车制保持架EM:滚子引导铜合金车制保持架EW:滚子引导刚保持架W:套圈引导钢制保持架ET:树脂保持架TYN:树脂保持架EA:调心滚子轴承钢制S型冲压保持架CD:钢制合金保持架CA:铜合金保持架的形制AW:30度角接触轴承/钢制保持架BW:40度角接触轴承/钢制保持架内部游隙代号C0标准游隙代号(一般轴承型号中省略)C1:比C2游隙略小的游隙C2:比标准游隙小的游隙C3:比标准游隙略大的游隙C4:比C3游隙略大的游隙C5:比C4游隙略大的游隙CM:符合电机用的内部游隙CC0:非互换性标准游隙CC1:比CC2小的非互换性游隙CC2:比非互换性标准游隙小的游隙CC3:比非互换性标准游隙略大的游隙CC4:比CC3略大的游隙CC5:比CC4略大的游隙MC3:微型轴承标准游隙MC1:小于MC2游隙MC2:小于MC3游隙MC4:大于MC3游隙MC5:大于MC4游隙MC6:大于MC5游隙精度等级代号P0:普通精度P6:优于普通精度P5:优于P6精度P4:优于P5精度P3:优于P4精度P2:优于P3精度PN7B:丝杠轴承/等于P4精度多列轴承组配代号DB:背靠背组合DF:面对面组合DT:串联组合SU:单只任意组配DU:两只轴承任意组配三联组合:DFD,DTD四联组合:DFF,DFTA角:30度接触角B角:40度接触角C角:15度接触角A5角:25度接触角QJ:四点角接触轴承35度接触角TAC:滚珠丝杆轴承60度接触角油脂代号AV2油脂/NS7油脂/包装代号5:商业包装6:工业包装轴承材质代号SS:表面镀铬不锈钢轴承预紧代号L:轻预紧新标准应该是0 双列角接触球轴承1 调心球轴承2 调心滚子轴承和推力调心滚子轴承3 圆锥滚子轴承4 双列深沟球轴承5 推力球轴承6 深沟球轴承7 角接触轴承8 推力圆柱滚子轴承N 圆柱滚子轴承和双列圆柱滚子轴承NNU 外球面轴承QJ 四点接触球轴承另外,轴承代号前后还有前置和后置代号,分别如下:——前置代号前置代号R 直接放在轴承基本代号之前,其余代号用小圆点与基本代号隔开。
德国轴承品牌fag的代号都代表些什么?悬赏分:0 - 解决时间:2008-2-20 13:36德国轴承品牌fag的代号都代表些什么?提问者:钻石王佬五- 试用期一级最佳答案常用轴承代号(德瑞基业进口轴承公司)提供参考:FAG 公司的轴承代号由基本代号、前置代号和后置代号构成。
基本代号表示轴承的基本类型、结构和尺寸。
前置代号表示轴承零件置于基本代号之前。
后置代号表示轴承结构形状、尺寸、密封、保持架、公差、游隙、热处理、包装、技术要求等有改变时,在轴承基本代号后添加的补充代号。
FAG 公司轴承代号排列规则见下表。
轴承代号的基本构成滚动轴承的代号滚动轴承代号的基本组成滚动轴承代号——前缀滚动轴承代号——后缀——前置代号前置代号R 直接放在轴承基本代号之前,其余代号用小圆点与基本代号隔开。
GS.——推力圆柱滚子轴承座圈。
例:GS.81112 。
K.——滚动体与保持架的组合件。
例:推力圆柱滚子与保持架的组合件K.81108R——不带可分离内圈或外圈的轴承。
例:RNU207——不带内圈的NU207 轴承。
WS——推力圆柱滚子轴承轴圈。
例:WS.81112.——内部设计——外形尺寸及变形设计——密封——保持架——公差——游隙——热处理——特殊设计——机床主轴轴承——低噪省轴承——后置代号后置代号置于基本代号的后面。
当具有多组后置代号时,应按轴承代号表中所列后置代号的顺序从左至右排列。
某些后置代号前用小圆点与基本代号隔开。
后置代号—内部结构A 、B 、C 、D 、E——内部结构变化例: 角接触球轴承7205C 、7205E 、7205B ,C—15 °接触角,E-25 °触角,B—40 °接触角。
例:圆柱滚子、调心滚子及推力调心滚子轴承N309E 、21309 E 、29412E——加强型设计,轴承负载能力提高。
VH——滚子自锁的满滚子圆柱滚子轴承(滚子的复圆直径不同于同型号的标准轴承)。
例:NJ2312VH 。
后置代号—轴承外形尺寸及外部结构DA——带双半内圈的可分离型双列角接触球轴承。
例:3306DA 。
DZ——圆柱型外径的滚轮轴承。
例:ST017DZ 。
K——圆锥孔轴承,锥度1 :12 。
例:2308K 。
K30- 圆锥孔轴承,锥度1 :30 。
例:24040 K30 。
2LS——双内圈两面带防尘盖的双列圆柱滚子轴承。
例:NNF5026VC.2LS.V——内部结构变化,双内圈,两面带防尘盖、满滚子双列圆柱滚子轴承。
N——外圈上带止动槽的轴承。
例:6207N 。
NR——外圈上带止动槽和止动环的轴承。
例:6207 NR 。
N2-——外圈上带两个止动槽的四点接触球轴承。
例:QJ315N2 。
S——外圈带润滑油槽和三个润滑油孔的轴承。
例:23040 S 。
轴承外径D ≥ 320mm 的调心滚子轴承均不标注S 。
X——外形尺寸符合国际标准的规定。
例:32036XZ··——特殊结构的技术条件。
从Z11 起依次向下排列。
例:Z15——不锈钢制轴承(W-N01.3541 )。
ZZ——滚轮轴承带两个引导外圈的挡圈。
后置代号——密封与防尘RSR——轴承一面带密封圈。
例:6207 RSR.2RSR——轴承两面带密封圈。
例:6207.2RSR.ZR——轴承一面带防尘盖。
例:6207 ZR.2ZR 轴承两面带防尘盖。
例:6207.2ZRZRN——轴承一面带防尘盖,另一面外圈上带止动槽。
例:6207 ZRN 。
.2ZRN——轴承两面带防尘盖,外圈上带止动槽。
例:6207.2ZRN 。
后置代号—保持架及其材料1 实体保持架。
A 或B 置于保持架代号之后,A 表示保持架由外圈引导,B 表示保持架由内圈引导。
F——钢制实体保持架,滚动体引导。
FA——钢制实体保持架,外圈引导。
FAS——钢制实体保持架,外圈引导,带润滑槽。
FB——钢制实体保持架,内圈引导。
FBS——钢制实体保持架,内圈引导,带润滑槽。
FH——钢制实体保持架,经渗碳淬火。
H ,H1——渗碳淬火保持架。
FP——钢制实体窗型保持架。
FPA——钢制实体窗型保持架,外圈引导。
FPB——钢制实体窗型保持架,内圈引导。
FV ,FV1——钢制实体窗孔保持架,经时效、调质处理。
L——轻金属制实体保持架,滚动体引导。
LA——轻金属制实体保持架,外圈引导。
LAS——轻金属制实体保持架,外圈引导,带润滑槽。
LB——轻金属制实体保持架,内圈引导。
LBS——轻金属制实体保持架,内圈引导,带润滑槽。
LP——轻金属制实体窗型保持架。
LPA——轻金属制实体窗型保持架,外圈引导。
LPB——轻金属制实体窗型保持架,内圈引导(推力滚子轴承为轴引导)。
M ,M1——黄铜实体保持架。
MA——黄铜实体保持架,外圈引导。
MAS——黄铜实体保持架,外圈引导,带润滑槽。
MB——黄铜实体保持架,内圈引导(推力调心滚子轴承为轴圈引导)。
MBS——黄铜实体保持架,内圈引导,带润滑槽。
MP——黄铜实体直兜孔保持架。
MPA——黄铜实体直兜也保持架,外圈引导。
MPB——黄铜实体直兜孔保持架,内圈引导。
T——酚醛层压布管实体保持架,滚动体引导。
TA——酚醛层压布管实体保持架,外圈引导。
TB——酚醛层压布管实体保持架,内圈引导。
THB——酚醛层压布管兜孔型保持架,内圈引导。
TP——酚醛层坟布管直兜孔保持架。
TPA——酚醛层压布管直兜孔保持架,外圈引导。
TPB——酚醛层压布管直兜孔保持架,内圈引导。
TN——工程塑料模注保持架,滚动体引导,用附加数字表示不同的材料。
TNH——工程塑料自锁兜孔型保持架。
TV——玻璃纤维增强聚酰胺实体保持架,钢球引导。
TVH——玻璃纤维增强聚酰胺自锁兜孔型实体保持架,钢球引导。
TVP——玻璃纤维增强聚酰胺窗式实体保持架,钢球引导。
TVP2——玻璃纤维增强聚酰胺实体保持架,滚子引导。
TVPB——玻璃纤维增强聚酰胺实体保持架,内圈引导(推力滚子轴承为轴引导)。
TVPB1——玻璃纤维增强聚酰胺实体窗式保持架,轴引导(推力滚子轴承)。
冲压保持架J——钢板冲压保持架。
JN——深沟球轴承铆接保持架。
保持架变动加在保持架代号之后,或者插在保持架代号中间的数字,表示保持架结构经过变动。
这些数字只用于过渡时期,例:NU 1008M 1 。
后置代号—无保持架轴承V——满装滚动体轴承。
例:NU 207V 。
VT——带隔离球或滚子的满装滚动体轴承。
例:51120VT 。
后置代号——公差等级(尺寸精度和旋转精度)P0——公差等级符合国际标准ISO 规定的0 级,代号中省略,不表示。
P6——公差等级符合国际标准ISO 规定的6 级。
P6X——公差等级符合国际标准ISO 规定的6 级圆锥滚子轴承。
P5——公差等级符合国际标准ISO 规定的5 级。
P4——公差等级符合国际标准ISO 规定的4 级。
P2——公差等级符合国际标准ISO 规定的2 级(不包括圆锥滚子轴承)。
SP——尺寸精度相当于5 级,旋转精度相当于4 级(双列圆柱滚子轴承)。
UP——尺寸精度相当于4 级,旋转精度高于4 级(双列圆柱滚子轴承)。
HG——尺寸精度相当于4 级,旋转精度高于4 级,低于2 级(主轴轴承)。
后置代号—游隙C1——游隙符合标准规定的1 组,小于2 组。
C2——游隙符合标准规定的2 组,小于0 组。
C0——游隙符合标准规定的0 组,代号中省略,不表示。
C3——游隙符合标准规定的3 组,大于0 组。
C4——游隙符合标准规定的4 组,大于3 组。
C5——游隙符合标准规定的5 组,大于4 组。
公差等级代号与游隙代号需同时表示时,取公差等级代号(P0 级不表示)加上游隙组号(0 组不表示)组合表示。
例:P63=P6+C3 ,表示轴承公差等级P6 级,径向游隙3 组。
P52=P5+C2 ,表示轴承公差等级P5 级,径向游隙2 组。
非标准游隙,在要求特殊径向游隙和轴向游隙的情况下,有关极限值应在字母R (径向游隙)或 A (轴向游隙)之后用μ m 数表示,数字之间要用小圆点隔开。
例:6210.R10.20——6210 轴承,径向游隙10 μ m 至20 μ m 。
6212.A120.160——6212 轴承,轴向游隙120 μ m 至160 μ m 。
后置代号—测试噪声的轴承F3——低噪声轴承。
主要是指圆柱滚子轴承和内径d >60mm 以上的深沟球轴承。
例:6213.F3 。
G——低噪声轴承。
主要是指内径d ≤ 60mm 的深沟球轴承。
例:6207.G后置代号——热处理S0——轴承套圈经过高温回火处理,工作温度可达150 ℃。
S1——轴承套圈经过高温回火处理,工作温度可达200 ℃。
S2——轴承套圈经过高温回火处理,工作温度可达250 ℃。
S3——轴承套圈经过高温回火处理,工作温度可达300 ℃。
S4——轴承套圈经过高温回火处理,工作温度可达350 ℃。
后置代号—特殊技术条件F··——连续编号的制造技术条件。
例:F80——轴承内、外径公差及径向游隙压缩。
K··——连续编号的检查技术条件。
例K5——轴承内、外径公差压缩。
.ZB——直径大于80mm 以上的带凸度的圆柱滚子。
例:NU 364.ZB 。
.ZB2——滚针两端的凸度大于一般的技术要求。
例:K18 × 26 × 20F .ZB2.ZW——双列滚针和保持架组件。
例:K20 × 25 × 40FZW 。
.700···——以700000 开头的连续编号的技术条件。
Z52JN.790144——轴承可用于高温及低转速,经特殊热处理,钢板冲压铆合保持架,大游隙,经磷化处理,注油脂,使用温度可超过270 ℃。
后置代号—特殊技术条件KDA——Split inner ring/; 剖分式内圈K——Tapered bore 锥型孔1:12K30——Tapered bore 锥型孔1:30N——circular in the outer ring for snap ringS——Lubricating groove and bores in the outer ring“S” 后缀在新E1 系列中已经全取消!外圈加油槽及油孔现已成为标准配置。
W03B Stainless steel bearingN2 two retaining troves for fixing the outer ring两条用于止动外圈的止动槽后置代号—成对轴承和机床主轴轴承1 )符合K 技术条件的成对轴承,下列特殊技术条件与成对轴承有关:K1——两套深沟球轴承成对安装以承受单向轴向载荷。
K2——两套深沟球轴承成对安装以承受双向轴向载荷。
K3——两套深沟球轴按无游隙背靠背安装(O 型安装)。