烧结焊剂简明表
- 格式:pdf
- 大小:79.86 KB
- 文档页数:5
烧结焊剂牌号烧结焊剂是一种用于焊接的材料,它可以将两个或多个金属零件连接在一起。
烧结焊剂的牌号是指这种材料的型号,不同的牌号代表着不同的化学成分和性能特点。
在选择烧结焊剂时,需要根据具体的焊接要求来选择合适的牌号。
以下是一些常见的烧结焊剂牌号:1. F308L:这是一种用于焊接不锈钢的烧结焊剂,具有良好的耐蚀性和高温强度。
2. F316L:这也是一种用于焊接不锈钢的烧结焊剂,与F308L 相比,它的耐蚀性更好,适用于更严苛的环境。
3. F347:这是一种用于焊接高温合金的烧结焊剂,具有良好的耐蚀性和高温强度。
4. F385:这是一种用于焊接铜合金的烧结焊剂,具有良好的流动性和耐蚀性。
5. F42:这是一种用于焊接铝合金的烧结焊剂,具有良好的流动性和耐腐蚀性。
6. F62:这是一种用于焊接镍合金的烧结焊剂,具有良好的耐蚀性和高温强度。
7. F71:这是一种用于焊接钛合金的烧结焊剂,具有良好的流动性和高温强度。
8. F81:这是一种用于焊接铬合金的烧结焊剂,具有良好的耐蚀性和高温强度。
除了以上列举的牌号外,还有很多其他类型的烧结焊剂可供选择。
在选择烧结焊剂时,需要考虑以下几个因素:1. 焊接材料:不同类型的烧结焊剂适用于不同类型的金属材料。
在选择烧结焊剂时,需要根据所要焊接的材料来选择合适的牌号。
2. 焊接要求:不同类型的烧结焊剂具有不同的化学成分和性能特点。
在选择烧结焊剂时,需要根据具体的焊接要求来选择合适的牌号。
3. 环境条件:在某些特殊环境下,如高温、高压、强酸等条件下进行焊接时,需要选择具有特殊性能的烧结焊剂。
总之,在选择烧结焊剂时,需要综合考虑以上因素,并参考相关标准和规范进行选择。
正确选择烧结焊剂可以保证焊接质量和安全性,提高生产效率和经济效益。
HJ172是熔炼型无锰低硅高氟焊剂,为白色至浅灰色半透明玉石状颗粒,粒度为10~60目。
用直流电源,焊丝接正极,焊接工艺性能良好。
焊接含铌或钛的铬镍不锈钢时,无粘渣现象。
其熔渣氧化性很弱,合金元素不易烧损,焊缝含氧量低,故具有较高塑性和韧性。
用途:配合适当焊丝,可焊接高铬马氏体热强钢如15Cr12MoWV及含铌、含钛的铬镍不锈钢。
说明:HJ151是熔炼型无锰中硅中氟焊剂。
呈蓝灰色至深灰色浮石状颗粒,粒度为10-60目(2.0~0.3mm)。
采用直流电源,焊丝或焊带接正极。
焊接工艺性能良好,脱渣容易,焊道成型美观。
焊接奥氏体不锈钢时,具有增碳少和铬烧损少的特点。
用途:配合奥氏体不锈钢焊丝或焊带如HOCr21Ni10,HOCr20Ni10Ti,HOOCr24Ni12Nb,HOOCr21Ni10Nb,HOOCr21Ni10等进行带极堆焊焊接。
适用于核容器及石油化工设备耐腐蚀层堆焊,压力容器堆焊,热壁加氢炉的制造等。
配合HOOCr16Mn16焊丝可用于高锰钢的补焊。
堆焊层性能:配HOOCr26Ni12过渡层焊接,HOOCr26Ni10作表面层焊带,在厚度50mm,18MnMoNb钢板上堆焊。
1、机械性能(见附表)2、堆焊层增碳≤0.01%,铬烧损≤1.5%。
3、晶间腐蚀试样经敏化处理后通过GB4334.5检验《不锈钢硫酸-硫酸铜腐蚀试验方法》。
焊剂化学成份(Chemical Composition)(%)机械性能:(Mechanical Performance)说明:HJ260是熔炼型低锰高硅中氟焊剂,呈灰色玻璃状颗粒,粒度为10~60目(2.0-0.3mm)。
采用直流电源,焊丝接正极。
电弧稳定,焊道成型美观,脱渣性能良好。
用途:配合奥氏体不锈钢焊丝(如HOCr21Ni10,HOCr20Ni10Ti,H1Cr13,H3Cr13等),焊接相应的耐酸不锈钢结构,也可用于各种连铸辊、热轧辊、中、小型钢轧辊,耐腐轴、轮的埋弧堆焊,堆焊性能优良。
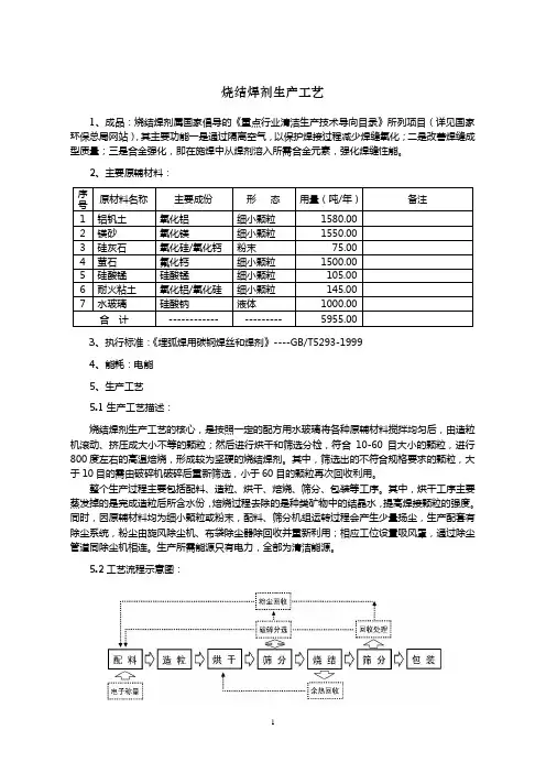
烧结焊剂生产工艺1、成品:烧结焊剂属国家倡导的《重点行业清洁生产技术导向目录》所列项目(详见国家环保总局网站),其主要功能一是通过隔离空气,以保护焊接过程减少焊缝氧化;二是改善焊缝成型质量;三是合金强化,即在施焊中从焊剂溶入所需合金元素,强化焊缝性能。
2、主要原辅材料:序号原材料名称主要成份形态用量(吨/年)备注1 铝钒土氧化铝细小颗粒1580.002 镁砂氧化镁细小颗粒1550.003 硅灰石氧化硅/氧化钙粉末75.004 萤石氟化钙细小颗粒1500.005 硅酸锰硅酸锰细小颗粒105.006 耐火粘土氧化铝/氧化硅细小颗粒145.007 水玻璃硅酸钠液体1000.00合计------------ --------- 5955.003、执行标准:《埋弧焊用碳钢焊丝和焊剂》----GB/T5293-19994、能耗:电能5、生产工艺5.1生产工艺描述:烧结焊剂生产工艺的核心,是按照一定的配方用水玻璃将各种原辅材料搅拌均匀后,由造粒机滚动、挤压成大小不等的颗粒;然后进行烘干和筛选分检,符合10-60目大小的颗粒,进行800度左右的高温焙烧,形成较为坚硬的烧结焊剂。
其中,筛选出的不符合规格要求的颗粒,大于10目的需由破碎机破碎后重新筛选,小于60目的颗粒再次回收利用。
整个生产过程主要包括配料、造粒、烘干、焙烧、筛分、包装等工序。
其中,烘干工序主要蒸发掉的是完成造粒后所含水份,焙烧过程去除的是种类矿物中的结晶水,提高焊接颗粒的强度。
同时,因原辅材料均为细小颗粒或粉末,配料、筛分机组运转过程会产生少量扬尘,生产配套有除尘系统,粉尘由旋风除尘机、布袋除尘器除回收并重新利用;相应工位设置吸风罩,通过除尘管道同除尘机相连。
生产所需能源只有电力,全部为清洁能源。
5.2工艺流程示意图:5.3设备组成:①配料工序:机组----料斗(单一矿物原料)、料仓(混合料)、除尘罩、电脑计量控制、皮带机等。
工艺----单一矿物原料人工投入料斗,由电脑计量控制系统按配比由料斗自动投料到料仓,全部原料在料仓混合后通过皮带机输送到造粒机组。
烧结焊剂科技名词定义中文名称:烧结焊剂英文名称:agglomerated flux定义:将一定比例的各种粉状配料加入适量黏结剂,混合搅拌并形成颗粒,然后经高温烧结成的焊剂。
应用学科:机械工程(一级学科);焊接与切割(二级学科);焊接材料(三级学科)本内容由全国科学技术名词审定委员会审定公布烧结焊剂是一种优质、高效、节能、环保型焊剂。
该焊剂在焊接时无烟、无味、无弧、无飞溅。
生产制造过程无环境污染,能耗低,原材料利用充分,符合国家产业发展政策。
烧结焊剂的堆积密度小,渣壳较薄,焊剂消耗量少,焊接生产成本较低。
烧结焊剂的碱度值调整范围大,可以适用于可焊性较差的材料焊接,可以满足焊缝超低氢、高强高韧、高洁度的理化性能要求,广泛地应用于高强钢、不锈钢等高合金钢结构的焊接,如核反应堆耐压壳体、加氢反应器等。
烧结焊剂中可以添加各类脱氧剂和合金剂,易于调整焊缝金属的化学成分,在埋弧堆焊工艺技术中有独到的优势。
烧结焊剂的配制科学灵便,焊接工艺适应性强,可用于薄板、角焊逢、超大规范、高速、多丝、抗气孔、窄间隙、深坡口等各种工况条件下的焊接,脱渣性优良,焊缝成形好。
烧结焊剂产品大多为球形颗粒状,便于焊剂在焊接过程中的输送与回收。
[CN28618-0017-0001] 高焊速高韧性氟碱型烧结焊剂[摘要] 一种高焊速高韧性氟碱型烧结焊剂,由下述重量百分比的成分构成:24 <MgO<26,17<CaF2<19,Al2O3 18~22,22<SiO2<24,CaO 3~5,MnO <7,FeO<2,K2O+Na2O 2~3,S <0.04,P<0.05。
本发明通过调节焊剂熔渣的熔点、粘度、表面张力、碱度等改善焊接时焊剂的脱渣性、焊缝表面成型性,来获得高的焊接速度;通过添加稳弧剂等改善电弧燃烧的稳定性,向焊剂中添加合金元素,以保证焊缝中获得合理的合金元素及其配比,减少原材料中带来的有害杂质,限制有害杂质S、P及氧化物夹杂渗向焊缝,使焊缝金属具有优良的低温冲击韧性。
焊剂的分类型号与牌号埋弧焊的焊接材料由焊丝(或带极)与焊剂的组合构成。
焊剂是具有一定粒度的颗粒状物质,是埋弧焊和电渣焊时不可缺少的焊接材料。
目前我国焊丝和焊剂的产量占焊材总量的15%左右。
在焊接过程中,焊剂的作用相当于焊条药皮。
焊剂对焊接熔池起着特殊保护、冶金处理和改善工艺性能的作用。
焊剂的焊接工艺性能和化学冶金性能是决定焊缝金属性能的主要因素之一,采用同样的焊丝和同样的焊接参数,而配用的焊剂不同,所得焊缝的性能将有很大的差别,特别是冲击韧度差别更大。
一种焊丝与多种焊剂的合理组合,无论是在低碳钢还是在低合金钢上都可以使用,而且能兼顾各自的特点。
2.4.1 焊剂的分类目前国产焊剂已有50余种。
焊剂的分类方法有许多种,可分别按用途、制造方法、化学成分、焊接冶金性能等对焊剂进行分类,但每一种分类方法都只是从某一方面反映了焊剂的特性。
了解焊剂的分类是为了更好地掌握焊剂的特点,以便进行选择和使用。
1.按用途分类焊剂按使用用途可分为埋弧焊焊剂、堆焊焊剂、电渣焊焊剂;也可按所焊材料分为低碳钢用焊剂、低合金钢用焊剂、不锈钢用焊剂、镍及镍合金用焊剂、钛及钛合金用焊剂等。
2.按制造方法分类按制造方法的不同,可以把焊剂分成熔炼焊剂和烧结焊剂两大类:(1)熔炼焊剂把各种原料按配方在炉中熔炼后进行粒化得到的焊剂称为熔炼焊剂。
由于熔炼焊剂制造中要熔化原料,所以焊剂中不能加碳酸盐、脱氧剂和合金剂,而且制造高碱度焊剂也很困难。
熔炼焊剂根据颗粒结构的不同,又可分为玻璃状焊剂、结晶状焊剂和浮石状焊剂等。
玻璃状焊剂和结晶状焊剂的结构较致密,浮石状焊剂的结构比较疏松。
(2)烧结焊剂把各种粉料按配方混合后加入粘结剂,制成一定尺寸的小颗粒,经烘熔或烧结后得到的焊剂,称为烧结焊剂。
制造烧结焊剂所采用的原材料与制造焊条所采用的原材料基本相同,对成分和颗粒大小有严格要求。
按照给定配比配料,混合均匀后加入粘结剂(水玻璃)进行湿混合,然后送入造粒机造粒。
表20 焊剂按主要成分含量分类⑶按焊剂的化学性质分类1)氧化性焊剂含大量SiO2、MnO或FeO。
2)弱氧化性焊剂含SiO2、MnO、FeO较少。
3)惰性焊剂含A12O3、CaO、MgO、CaF2等,基本上不含SiO2、MnO、FeO等。
41 试述熔炼焊剂牌号的编制方法。
根据《焊接材料产品样本》中的规定,熔炼焊剂由字母HJ表示,后加三位数字组成:1)第一位数字表示焊剂中MnO的含量,其系列编排见表21。
表21 熔炼焊剂牌号第一位数字系列2)第二位数字表示焊剂中SiO2、CaF2的含量,其系列编排见表22。
表22 熔炼焊剂牌号第二位数字系列3)第三位数字表示同一类型焊剂的不同牌号,按0、1、2、…顺序排列。
4)对同一牌号焊剂生产两种颗粒度时,在细颗粒(焊剂粒度为0.45~2.4mm)焊剂牌号后面加“×”字。
42 试述烧结焊剂牌号的编制方法。
根据《焊接材料产品样本》中的规定,烧结焊剂由字母SJ表示,后加三位数字组成:1)第一位数字表示焊剂熔渣的渣系,见表23。
表23 烧结焊剂牌号第一位数字系列2)第二位、第三位数字表示同一渣系类型中的不同牌号的焊剂,按01、02、…顺序排列。
43 试述HJ431焊剂的性能及用途。
HJ431是属于熔炼型的高锰、高硅焊剂,焊剂的化学成分见表24,颜色为红棕色或淡黄色,呈玻璃状颗粒,粒度为0.45~2.5mm,电源可交、直流两用,直流电源时采用反接。
焊剂工艺性能良好,电弧稳定,焊缝鱼鳞状波纹美观,但抗锈能力一般。
焊接时和熔化金属的主要化学反应如下:MnO+Fe=FeO+MnSiO2+2Fe=2FeO+SiCaFe+H2O=CaO+2HF↑CaF2+2H=Ca+2HF↑被还原出来的Mn和Si渗到焊缝金属中去,可以提高焊缝金属的力学性能,产生的HF逸出,可以减少焊缝金属的含氢量,提高抗气孔的能力。
表24 HJ431的化学成分(质量分数)(%)HJ431与H08A、H08MnA焊丝配合使用,可用以焊接低碳钢及低合金钢的重要构件。
熔炼焊剂及选用及烧结焊剂及选用1.熔炼焊剂的牌号焊剂牌号的编制远在GB12479-90颁布之前,旧牌号焊剂目前仍盛行国内。
牌号前“HJ”表示埋弧焊及电渣焊用熔炼焊剂。
牌号第一位数字表示焊剂中氧化锰的含量,见表2-53;牌号第二位数字表示焊剂中二氧化硅、氟化钙的含量,见表2-54;牌号第三位数字表示同一类型焊剂的不同牌号,按0、1、2、……、9顺序排列。
表2-53 熔炼焊剂牌号中第一位数字的含意牌号焊剂类型氧化锰含量(%)HJ 1XX HJ 2XX HJ 3XX HJ 4XX 无锰低锰中锰高锰MnO<2MnO2~15MnO15~30MnO<30表2-54 熔炼焊剂牌号中第二位数字的含意牌号焊剂类型二氧化硅及氟化钙含量(%)HJ X1X HJ X2X HJ X3X HJ X4X HJ X5X HJ X6X HJ X7X HJ X8X HJ X9X 低硅低氟中硅低氟高硅低氟低硅中氟中硅中氟高硅中氟低硅高氟中硅高氟其它SiO2<10 CaF2<10SiO2<10~30 CaF2<10SiO2>30 CaF2<10SiO2<10 CaF210~30SiO2<10~30 CaF210~30SiO2>30 CaF210~30SiO2<10 CaF2>30SiO2<10~30 CaF2>30焊剂牌号举例:HJ 4 3 1 X焊剂粒度为60-14目焊剂牌号编号为1焊剂为高硅低氟型焊剂为高锰型埋弧焊及电渣焊熔炼焊剂2.熔炼焊剂的选用目前我国生产的焊剂大部分是熔炼焊剂,有30余个品种,其中HJ431的产量占熔炼焊剂总产量的80%左右。
国产常用熔炼焊剂的简明特性、成分及用途列于表2-55、表2-56。
低碳钢焊接结构常采用H08A或H08MnA焊丝,一般选用高锰高硅焊剂(如HJ431),通过焊剂可向焊缝金属中过渡一定的Si、Mn合金元素,使焊缝金属具有良好的综合力学性能。
一、烧结焊剂型号释义 埋弧焊用烧结焊剂的型号均按照 GB/T5293-1999 《埋弧焊用碳钢焊丝和 焊剂》 、GB/T12470-2003《埋弧焊用低合金钢焊丝和焊剂》 、GB/T17854-1999 《埋弧焊用不锈钢焊丝和焊剂》的规定进行定名与考核。
例:GB/T5293-1999 标准中焊剂型号的表示方法:FX1X2X3-HXXX F:表示焊剂; X1:表示熔敷金属抗拉强度最小值; X2:表示试样状态(A:焊态 P:焊后热处理状态); X3:表示熔敷金属冲击吸收功不小于 27J 时,对试验温度的要求; HXXX:表示焊丝型号。
例举:F4A2-H08A:焊丝牌号 所示焊剂与 H08A 焊丝配合所焊熔敷金属试样在焊态下,其抗拉强度最 小值为 415MPa,在-20℃试验温度下的冲击吸收功不小于 27J。
(X1)熔敷金属拉伸性能代号及要求 拉伸性能代号 X1 抗拉强度 MPa 屈服或度 MPa 延抻率% 4 5 415-550 480-650 ≥330 ≥400 ≥22 ≥22(X3)熔敷金属冲击吸收功试验温度代号及要求 剖击吸收功代号 X3 0 2 3 4 5 6 试验温度(℃) 0 -20 -30 -40 -50 -60 ≥27 吸收功(J)二、烧结焊剂的选择与使用 埋弧焊用的焊接材料是由焊剂和焊丝组合而成的, 凡标出符合某标准型 号的焊剂,表示该产品符合 GB/T5293、GB/T12470、GB/T17854 等标准中的相应要求。
焊剂的牌号种类较多,分别可应于不同的材质、不同的结构型式 和不同的工艺条件等具体情况。
因此, 焊剂的具体选用, 应根据材质、 板厚、 结构形式、焊缝形式、焊接设备、焊接工艺、焊丝牌号及规格、焊缝金属性 能特殊要求等因素, 按照工艺技术文件和焊剂说明书的要求确定最为合适的 焊剂牌号。
焊剂应妥善搬运及贮存,要防潮,防湿,防包装破损,焊剂应存放于干 燥通风的库房内。
熔炼焊剂及选用及烧结焊剂及选用1.熔炼焊剂的牌号焊剂牌号的编制远在GB12479-90颁布之前,旧牌号焊剂目前仍盛行国内。
牌号前“HJ”表示埋弧焊及电渣焊用熔炼焊剂。
牌号第一位数字表示焊剂中氧化锰的含量,见表2-53;牌号第二位数字表示焊剂中二氧化硅、氟化钙的含量,见表2-54;牌号第三位数字表示同一类型焊剂的不同牌号,按0、1、2、……、9顺序排列。
表2-53 熔炼焊剂牌号中第一位数字的含意牌号焊剂类型氧化锰含量(%)HJ 1XX HJ 2XX HJ 3XX HJ 4XX 无锰低锰中锰高锰MnO<2MnO2~15MnO15~30MnO<30表2-54 熔炼焊剂牌号中第二位数字的含意牌号焊剂类型二氧化硅及氟化钙含量(%)HJ X1X HJ X2X HJ X3X HJ X4X HJ X5X HJ X6X HJ X7X HJ X8X HJ X9X 低硅低氟中硅低氟高硅低氟低硅中氟中硅中氟高硅中氟低硅高氟中硅高氟其它SiO2<10 CaF2<10SiO2<10~30 CaF2<10SiO2>30 CaF2<10SiO2<10 CaF210~30SiO2<10~30 CaF210~30SiO2>30 CaF210~30SiO2<10 CaF2>30SiO2<10~30 CaF2>30焊剂牌号举例:HJ 4 3 1 X焊剂粒度为60-14目焊剂牌号编号为1焊剂为高硅低氟型焊剂为高锰型埋弧焊及电渣焊熔炼焊剂2.熔炼焊剂的选用目前我国生产的焊剂大部分是熔炼焊剂,有30余个品种,其中HJ431的产量占熔炼焊剂总产量的80%左右。
国产常用熔炼焊剂的简明特性、成分及用途列于表2-55、表2-56。
低碳钢焊接结构常采用H08A或H08MnA焊丝,一般选用高锰高硅焊剂(如HJ431),通过焊剂可向焊缝金属中过渡一定的Si、Mn合金元素,使焊缝金属具有良好的综合力学性能。
HJ172是熔炼型无锰低硅高氟焊剂,为白色至浅灰色半透明玉石状颗粒,粒度为10~60目。
用直流电源,焊丝接正极,焊接工艺性能良好。
焊接含铌或钛的铬镍不锈钢时,无粘渣现象。
其熔渣氧化性很弱,合金元素不易烧损,焊缝含氧量低,故具有较高塑性和韧性。
用途:配合适当焊丝,可焊接高铬马氏体热强钢如15Cr12MoWV及含铌、含钛的铬镍不锈钢。
说明:HJ151是熔炼型无锰中硅中氟焊剂。
呈蓝灰色至深灰色浮石状颗粒,粒度为10-60目(2.0~0.3mm)。
采用直流电源,焊丝或焊带接正极。
焊接工艺性能良好,脱渣容易,焊道成型美观。
焊接奥氏体不锈钢时,具有增碳少和铬烧损少的特点。
用途:配合奥氏体不锈钢焊丝或焊带如HOCr21Ni10,HOCr20Ni10Ti,HOOCr24Ni12Nb,HOOCr21Ni10Nb,HOOCr21Ni10等进行带极堆焊焊接。
适用于核容器及石油化工设备耐腐蚀层堆焊,压力容器堆焊,热壁加氢炉的制造等。
配合HOOCr16Mn16焊丝可用于高锰钢的补焊。
堆焊层性能:配HOOCr26Ni12过渡层焊接,HOOCr26Ni10作表面层焊带,在厚度50mm,18MnMoNb钢板上堆焊。
1、机械性能(见附表)2、堆焊层增碳≤0.01%,铬烧损≤1.5%。
3、晶间腐蚀试样经敏化处理后通过GB4334.5检验《不锈钢硫酸-硫酸铜腐蚀试验方法》。
焊剂化学成份(Chemical Composition)(%)机械性能:(Mechanical Performance)说明:HJ260是熔炼型低锰高硅中氟焊剂,呈灰色玻璃状颗粒,粒度为10~60目(2.0-0.3mm)。
采用直流电源,焊丝接正极。
电弧稳定,焊道成型美观,脱渣性能良好。
用途:配合奥氏体不锈钢焊丝(如HOCr21Ni10,HOCr20Ni10Ti,H1Cr13,H3Cr13等),焊接相应的耐酸不锈钢结构,也可用于各种连铸辊、热轧辊、中、小型钢轧辊,耐腐轴、轮的埋弧堆焊,堆焊性能优良。
常用不锈钢推荐选用的焊条CO气体保护2焊药芯焊丝丝药芯焊丝自保护药芯焊丝氩弧焊丝焊剂(烧结焊剂)碳钢焊条简明表页码焊条牌号国标型号药皮类型焊接电源主要用途J421 (J38.12)E4313 钛型交直流焊接低碳钢结构,尤其宜薄板小件,间断焊和要求表面光洁的盖面焊J421X E4313 钛型交直流适用于薄板立向下焊及间断焊J421Fe E4313 钛型交直流适用于薄板小件,间断焊和要求表面光洁的盖面焊J421Fe16 E4324 钛型交直流用于一般低碳钢结构和要求表面光洁的平焊、平角焊的盖面焊J421Fe18 E4324 钛型交直流用于一般低碳钢和强度等级相等的低合金钢结构的平焊、平角焊J422(J40.50) E4303 钛钙型交直流焊接重要的低碳钢结构和强度等级相等的低合金钢结构J422GM E4303 钛钙型交直流用于重要的低碳钢结构和强度等级相同等的低合金钢结构的盖面J422Fe E4303 钛钙型交直流适用较重要的低碳钢结构的焊接J422Fe16 E4323 钛钙型交直流用于重要的低碳钢和强度等级相等的低合金钢结构的高效焊接J423 E4301 钛铁矿型交直流焊接低碳钢结构J424 E4320 氧化铁型交直流焊接较重要的碳钢结构J426(J48.46) E4316 低氢型交直流焊接重要的低碳钢和相应强度等级的低合金钢结构J427(J48.47)E4315 低氢型直流反接焊接重要的低碳钢和相应强度等级的低合金钢结构J427D E4315 低氢型直流反接用于低碳钢和相应强度等级的低合金钢结构的打底焊接页码焊条牌号国标型号药皮类型焊接电源主要用途J427Ni E4315 低氢型直流反接焊接重要的低碳钢和相应强度等级的低合金钢结构J501Fe E5014 钛型交直流焊接碳钢和低合金钢如16Mn等结构J501Fe15(J38.62Fe15)E5024 钛型交直流用于碳钢和低合金钢结构的高效焊接J501Fe18 E5024 钛型交直流用于碳钢和普通船用A级、D级钢的高效焊接J502 E5003 钛钙型交直流焊接16Mn及相应强度的低合金钢结构J503 E5001 钛铁矿型交直流适用于低合金钢结构的焊接如16Mn等J506(J48.56) E5016 低氢型交直流用于中碳钢和低合金钢重要结构的焊接J506R E5016 低氢型交直流适用于采油平台和船舶、压力容器等重要结构的焊接J506Fe E5018 低氢型交直流用于中碳钢和低合金钢重要结构的较高效率的焊接J506Fe-1 E5018-1 低氢型交直流用于海洋石油平台、船舶等重要碳钢结构、低合金钢结构的焊接J506Fe16 E5028 低氢型交直流用于中碳钢和低合金钢重要结构的高效焊接J506Fe18 E5028 低氢型交直流用于中碳钢和低合金钢重要结构的高效焊接J506H E5016-1 低氢型交直流用途同J506,抗冷裂、低温韧性更好J506D E5016 低氢型交直流用于中碳钢和低合金钢结构的底层焊接J507(J48.57)E5015 低氢型直流反接用于中碳钢和低合金钢重要结构的焊接J507R E5015 低氢型直流反接适用于压力容器的焊接及其它低合金重要结构的焊接,如16MnR等J507Fe16 E5028 低氢型直流反接用于中碳钢和低合金钢重要结构的高效焊接J507H E5015 低氢型直流反接用于中碳钢和低合金钢的焊接,抗裂、低温韧性优于J507 J507X E5015 低氢型直流反接用于中碳钢和低合金钢结构的立向下焊接页码焊条牌号国标型号药皮类型焊接电源主要用途*J422CrCu E4303-G钛钙型交直流用于12MnCrCu等耐候钢的焊接J427CrCu E4315-G低氢型直流反接用于12MnCrCu等耐候钢的焊接J502NiCu E5003-G钛钙型交直流铁路耐候车辆的焊接,如09MnCuPTi、16MnCu等J502WCu E5003-G钛钙型交直流铁路耐候车辆的焊接,如09MnCuPTi、16MnCu等J506NiCu E5016-G低氢型交直流适用于车辆、近海工程结构、桥梁等的焊接J506NiCrCu E5016-G低氢型交直流适用于耐大气腐蚀及近海工程的焊接结构J506WCu E5016-G低氢型交直流铁路耐候车辆的焊接,如09MnCuPTi、16MnCu等J507NiCu E5015-G低氢型直流反接铁路耐候车辆、近海工程桥梁等的焊接J507Mo E5015-G低氢型直流反接适用于含Mo、V等元素的抗H2S腐蚀钢的焊接J507MoNb E5015-G低氢型直流反接适用于石油化工用钢的焊接J507CuP E5015-G低氢型直流反接用于Cu-P系统抗大气、耐海水腐蚀钢的焊接J507MoW E5015-G低氢型直流反接抗高温高压H、N、NH3腐蚀用钢焊接,如10MnVNb等J507MoWNbB E5015-G低氢型直流反接耐中温高压,耐H、N、NH3腐蚀用钢焊接,如12SiMoVNb等J507CrNi E5015-G低氢型直流反接适用于Q235、16Mn和铬铝系统等耐海水腐蚀用钢的海洋重要结构的焊接J556NiCrCu E5516-G低氢型交直流适用于耐大气腐蚀及近海工程的焊接结构J656NiCrL E6516-G 低氢交直适用于650 N/mm2抗拉强度等型流级高耐蚀型耐候钢的焊接,如S450EW等*J422CrCu属碳钢焊条,列入耐候钢焊条类。
烧结焊剂的组成、作用及制备工艺总结1.烧结焊剂组成及其作用CaF2:在焊剂中以萤石或者冰晶石的形式添加,是低氢型烧结焊剂中的一种重要组分,在碱性渣里,可以促进CaO熔化,降低熔渣的黏度,对熔渣起稀释作用,并与自由的SiO2在高温作用下反应生成SiF4气体,气体能排除电弧区的氢气,防止氢溶解于金属中及液态金属表面的H2O发生化学反应形成不溶于钢液的稳定氢化物HF,减少氢在金属中的溶解度。
含量过高会造成焊接电弧的不稳定,主要是CaF2的电离电位较高,且电离所得的F-离子极易夺取电弧中的电子,使焊接电弧的稳定性降低,从而导致焊缝金属成形变差,因此,萤石的加入量为15~30%;10%~25%;15%-20%。
CaF2的含量和熔化温度区间之间的关系较为复杂。
当CaF2的含量在6%~14%之间增加时,焊剂的熔化温度区间减小;当含量从14%增加到18%时,焊剂的熔化温度区间增大;而含量从18%增加到22%时,熔化温度区间减小;但是当萤石的含量再增加时,焊剂的熔化温度区间基本不变。
偏碱性盐类,熔点较低(1360℃)表面张力小,膨胀系数大,是焊剂中不可缺少的组分,加入一定量时,能有效降低焊剂的熔点表面张力和粘度,改善焊道的摊开性、熔合性和脱渣性。
Al2O3:是一种高温下很稳定的氧化物,属于高熔点物质(2050℃),表面张力大,氧化性小,对堆焊金属成分影响小。
焊剂中含量增加愈多,焊道鱼鳞波纹愈细小,当含量超过40%时,焊道较光亮平滑,但会使熔渣粘度增大,流动性变差,使焊道两侧边缘与母材熔合处较陡,容易造成焊缝金属夹渣和咬边等缺陷。
主要通过氧化铝、铝矾土和焦宝石等的形式加入焊剂,其在焊剂中主要作为造渣剂,在焊接过程中随着其含量增加起着提高熔渣的熔点及黏度的作用。
另外,Al2O3在高温下有利于提高电弧的集中程度,对于保证焊接过程中焊丝电弧的稳定性有较好的效果,但由于其在高温下不易分解,熔点较高,会影响焊道外观形貌,所以在焊剂中含量不宜过高。
焊剂的型号与牌号焊剂的型号是依据国家标准的规定进行划分的,焊剂的牌号是由生产部门依据一定的规则来编排的,同一型号可以包括多种焊剂牌号。
1 焊剂的型号目前我国有关焊剂型号的国家标准主要有GB/T 5293—1999《埋弧焊用碳钢焊丝和焊剂》、GB 12470—90《低合金钢埋弧焊用焊剂》和GB/T 17854—1999《埋弧焊用不锈钢焊丝和焊剂》等。
(1)碳素钢埋弧焊用焊剂的型号1)GB/T 5293—1999《埋弧焊用碳钢焊丝和焊剂》中关于焊剂型号的编制国标GB/T 5293—1999第一次将焊剂与焊丝在同一个标准中编写,从而可以供使用单位更加全面地理解焊丝、焊剂与熔敷金属力学性能的关系。
标准中的型号是根据焊丝-焊剂组合的熔敷金属力学性能、热处理状态进行划分。
完整的焊丝-焊剂型号举例:焊丝-焊剂组合的型号编制方法规定如下。
a、字母“F”表示焊剂。
b、第一位数字表示焊丝-焊剂组合的熔敷金属抗拉强度的最小值,见表1。
焊剂型号抗拉强度 / MPa 屈服强度 / MPa 伸长率 / %F4××-H×××F5××-H×××415~550480~650≥330≥400≥22≥22c、第二位字母表示试件的热处理状态,“A”表示焊态,“P”表示焊后热处理状态。
焊后热处理按以下工艺参数进行:试件装炉时炉温不得高于300℃,然后以不大于200℃/h的升温速度加热到620℃±℃保温1h,保温后以不大于190℃/h的冷却速度炉冷至320℃,然后炉冷或空冷至室温。
也可根据供需双方协议,采用其他热处理规范。
d、第三位数字表示熔敷金属冲击吸收功不大于27J时的最低试试验温度,见表2。
焊剂型号冲击功/J 试验温度/℃F××0-H×××≥27 0F××2-H×××20 F××3-H×××30 F××4-H×××40F××5-H×××50F××6-H×××60e、“-”后面表示焊丝的牌号,焊丝的牌号按GB/T 14957,其中“H”表示焊丝,字母后面的两位数字表示焊丝中平均碳含量,如有其他化学成分,在字母的后面用元素符号表示,牌号最后的A、E、C 分别表示S、P杂质含量的等级。
烧结焊剂生产工艺1、成品:烧结焊剂属国家倡导的《重点行业清洁生产技术导向目录》所列项目(详见国家环保总局网站),其主要功能一是通过隔离空气,以保护焊接过程减少焊缝氧化;二是改善焊缝成型质量;三是合金强化,即在施焊中从焊剂溶入所需合金元素,强化焊缝性能。
2、主要原辅材料:序原材料名称号 1 2 3 4 5 6 7 铝钒土镁砂硅灰石萤石硅酸锰耐火粘土水玻璃合计主要成份氧化铝氧化镁氧化硅/氧化钙氟化钙硅酸锰氧化铝/氧化硅硅酸钠 ------------ 形态细小颗粒细小颗粒粉末细小颗粒细小颗粒细小颗粒液体 --------- 用量(吨/年) 1580.00 1550.00 75.00 1500.00105.00 145.00 1000.00 备注 5955.00 3、执行标准:《埋弧焊用碳钢焊丝和焊剂》----GB/T5293-1999 4、能耗:电能 5、生产工艺 5.1生产工艺描述:烧结焊剂生产工艺的核心,是按照一定的配方用水玻璃将各种原辅材料搅拌均匀后,由造粒机滚动、挤压成大小不等的颗粒;然后进行烘干和筛选分检,符合10-60目大小的颗粒,进行800度左右的高温焙烧,形成较为坚硬的烧结焊剂。
其中,筛选出的不符合规格要求的颗粒,大于10目的需由破碎机破碎后重新筛选,小于60目的颗粒再次回收利用。
整个生产过程主要包括配料、造粒、烘干、焙烧、筛分、包装等工序。
其中,烘干工序主要蒸发掉的是完成造粒后所含水份,焙烧过程去除的是种类矿物中的结晶水,提高焊接颗粒的强度。
同时,因原辅材料均为细小颗粒或粉末,配料、筛分机组运转过程会产生少量扬尘,生产配套有除尘系统,粉尘由旋风除尘机、布袋除尘器除回收并重新利用;相应工位设置吸风罩,通过除尘管道同除尘机相连。
生产所需能源只有电力,全部为清洁能源。
5.2工艺流程示意图:15.3设备组成:序号 1 2 3 4 5 6 7 8 9 设备名称料仓皮带机电子称量器电子称量包装机脉冲除尘器旋风除尘器搅拌机组合造粒机电加热炉型号 3m3TD75 B=500 DPC200 DCS-150 TBMa36 XL-50 ¢800 HLY-0.2 ZSZL-0.8x2 DL-400 ZT1x10 ZZC-50 ZS-80 SLG150x0 SJL-400 ZTL1x5 数量(台) 功耗(kw) 6 2 2 1 2 4 1 1 11 32 1 1 1 1套 1套 1套 1套备注 10 转筒干燥机 11 垂直提升机 12 振动分级筛 13 破碎机 14 焙烧炉 15 回转冷却机 16 微机控制系统 18 余热回收风网 21 电控系统 5.4生产工序简况:①配料工序:17 除尘风网及回收装置机组----料斗(单一矿物原料)、料仓(混合料)、除尘罩、电脑计量控制、皮带机等。
牌号GB标准AWS标准焊接电源主要用途
JQ.SJ101F4A2-H08MnA
F5A4-H10Mn2
F6A4-EM12
F7A0-EA2-A2
配合适当的焊丝(如H08MnA、H10Mn2、H08MnMoA、H08Mn2MoA等),可焊接多种低合金结构钢,如船体、锅炉压力容
器、管道等。
可用于多层焊、双面单道焊、多丝焊及窄间隙埋弧焊。
JQ.SJ101C F4A4-H08MnA
F5A4-H10Mn2
F6A4-EM12配合适当的焊丝(如H08MnA、H10Mn2等),用于船体结构的焊接,也可用于锅炉、压力容器、管道等重要结构的焊接。
JQ.SJ101G F4A4-H08MnA
F5A4-H10Mn2
F6A4-EM12配合H10Mn2、H08C等焊丝,可焊接输油、输气管道的螺旋焊管接头;配合H08C焊丝,尤其适用于焊接×65、×70级的螺旋焊
管,焊接速度可达70m/h以上。
JQ.SJ102F4A4-H08MnA
F5A4-H10Mn2
F6A4-EM12
F7A0-EA2-A2
配合适当的焊丝(如H08MnA、H10Mn2、H08MnMoA),可焊接多种低合金结构钢,较高强度船体结构钢、压力容器用钢。
可用于多道焊、双面单道焊、多丝焊及窄间隙埋弧焊。
JQ.SJ102Ni F5A5-H10Mn2
F5A4-H10Mn2
F7A5-EAH14配合适当焊丝(如H10Mn2,H08MnMoA, H08Mn2MoA等),可焊接多种低合金钢、较高强度船体结构钢、压力容器钢。
JQ.SJ105配合适当的焊丝(如WM-210药芯耐磨合金焊丝),可用于轧辊的表面堆焊。
氟碱型烧结焊剂使用说明:
采购及使用焊剂时应注意以下问题:
1、焊剂一般为袋装,应妥善运输,以防止包装破损;应存放在干燥的房间内,防止受潮而影响焊接质量。
2、使用前,焊剂应按说明书所规定的参数进行烘焙。
烘焙时,焊剂散布在盘中,厚度最大不超过50mm。
3、焊前,母材焊接处应清除铁锈、油污、水分等杂质。
4、使用回收的焊剂,应清除掉里面的渣壳、碎粉及其它杂物,与新焊剂混匀后再使用。
5、使用直流电源时,一般采用直流反接,即焊丝接正极。
氟碱型烧结焊剂简明表
牌号
GB 标准AWS 标准焊接电源主要用途JQ.SJ301
F4A2-H08A F5A2-H08MnA F6A2-EL8F7A2-EM12配合适当的焊丝(如H08A 、H08MnA 、H08MnMoA ),可焊接普通结构钢、锅炉用钢、管线用钢等。
可用于多道焊、双面单道焊和多丝焊,尤其适用于焊接各种直径的管线。
JQ.SJ301C F4A2-H08A
F5A2-H08MnA F6A0-EL8 F7A0-EM12配合适当的焊丝(如H08A ),用于焊接船体结构,也可焊接普通结构钢、锅炉用钢、管线钢等。
可用于多道焊
、双面单道焊和多丝
采购及使用焊剂时应注意以下问题:
1、焊剂一般为袋装,应妥善运输,以防止包装破损;应存放在干燥的房间内,防止受潮而影响焊接质量。
2、使用前,焊剂应按说明书所规定的参数进行烘焙。
烘焙时,焊剂散布在盘中,厚度最大不超过50mm。
3、焊前,母材焊接处应清除铁锈、油污、水分等杂质。
4、使用回收的焊剂,应清除掉里面的渣壳、碎粉及其它杂物,与新焊剂混匀后再使用。
5、使用直流电源时,一般采用直流反接,即焊丝接正极。
硅钙型烧结焊剂简明表
硅钙型烧结焊剂使用说明:
牌号
GB 标准AWS 标准焊接电源主要用途JQ.SJ402
F5A0-H08A F7A0-EL8配合H08A 焊丝可焊接低碳钢及某些低合金钢的较薄钢板和中等厚度钢板结构。
用于机车车辆、矿山机械等金属结构的焊接,尤其适用于薄板的较高速度的焊接。
1.配合YD137药芯堆焊焊丝,可堆焊修复大型推土机的引导轮、支重轮。
2.配合H08A 焊丝焊接低碳钢及某些低合金钢结构。
硅锰型酸性烧结焊剂使用说明:
采购及使用焊剂时应注意以下问题:
1、焊剂一般为袋装,应妥善运输,以防止包装破损;应存放在干燥的房间内,防止受潮而影响焊接质量。
2、使用前,焊剂应按说明书所规定的参数进行烘焙。
烘焙时,焊剂散布在盘中,厚度最大不超过50mm 。
3、焊前,母材焊接处应清除铁锈、油污、水分等杂质。
4、使用回收的焊剂,应清除掉里面的渣壳、碎粉及其它杂物,与新焊剂混匀后再使用。
5、使用直流电源时,一般采用直流反接,即焊丝接正极。
硅锰型酸性烧结焊剂简明表
JQ.SJ403F4A0-H08A
牌号
GB 标准AWS 标准焊接电源主要用途JQ.SJ501
F4A0-H08A F6A0-EL8配合适当的焊丝(如H08A 、H08MnA 、H08MnMoA ),可焊接低碳钢及低合金钢结构,如船舶、锅炉、压力容器;尤其适用于薄板的高速焊接。
JQ.SJ501C
F5A2-H08A F6A2-EL8配合适当的焊丝(如H08A 、H08MnA 、H08MnMoA ),用于船体结构的焊接,也可焊接低碳钢及低合金钢结构,如锅炉、压力容器等。
JQ.SJ501M
F5A0-H08A F7A0-EL8配合H08A 焊丝,可焊接重要的低碳钢及某些低合金钢结构,如锅炉、压力容器等。
JQ.SJ503F5A3-H08MnA F7A2-EM12K 配合适当的焊丝(如H08A 、H08MnA ),可焊接低碳钢及某些低合金钢的中厚度板
结构。
可用于多道焊、单道焊、双丝焊等。
采购及使用焊剂时应注意以下问题:
1、焊剂一般为袋装,应妥善运输,以防止包装破损;应存放在干燥的房间内,防止受潮而影响焊接质量。
2、使用前,焊剂应按说明书所规定的参数进行烘焙。
烘焙时,焊剂散布在盘中,厚度最大不超过50mm 。
3、焊前,母材焊接处应清除铁锈、油污、水分等杂质。
4、使用回收的焊剂,应清除掉里面的渣壳、碎粉及其它杂物,与新焊剂混匀后再使用。
5、使用直流电源时,一般采用直流反接,即焊丝接正极。
铝钛型酸性烧结焊剂简明表
铝钛型酸性烧结焊剂使用说明:
不锈钢和耐热钢碱性烧结焊剂简明表
牌号GB标准AWS标准焊接电源主要用途
JQ.SJ601配合H0Cr21Ni10、H00Cr21Ni10、H00Cr19Ni12Mo2等焊丝,焊接不锈钢及高合金耐热钢等重要结构。
不锈钢和耐热钢碱性烧结焊剂使用说明:
采购及使用焊剂时应注意以下问题:
1、焊剂一般为袋装,应妥善运输,以防止包装破损;应存放在干燥的房间内,防止受潮而影响焊接质量。
2、使用前,焊剂应按说明书所规定的参数进行烘焙。
烘焙时,焊剂散布在盘中,厚度最大不超过50mm。
3、焊前,母材焊接处应清除铁锈、油污、水分等杂质。
4、使用回收的焊剂,应清除掉里面的渣壳、碎粉及其它杂物,与新焊剂混匀后再使用。
5、使用直流电源时,一般采用直流反接,即焊丝接正极。