电源变压器铁芯规格表
- 格式:doc
- 大小:135.50 KB
- 文档页数:3
干式变压器;例如,(SCB10-1000KVA/10KV/0.4KV):S得意思表示此变压器为三相变压器,如果S换成D则表示此变压器为单相。
C得意思表示此变压器得绕组为树脂浇注成形固体。
B得意思就是箔式绕组,如果就是R则表示为缠绕式绕组,如果就是L则表示为铝绕组,如果就是Z则表示为有载调压(铜不标)。
10得意示就是设计序号,也叫技术序号。
1000KVA则表示此台变压器得额定容量(1000千伏安)、10KV得意思就是一次额定电压,0.4KV意思就是二次额定电压。
电力变压器产品型号其它得字母排列顺序及涵义。
(1)绕组藕合方式,涵义分:独立(不标);自藕(O表示)。
(2)相数,涵义分:单相(D);三相(S)。
(3)绕组外绝缘介质,涵义分;变压器油(不标);空气(G):气体(Q);成型固体浇注式(C):包绕式(CR):难燃液体(R)、(4)冷却装置种类,涵义分;自然循环冷却装置(不标):风冷却器(F):水冷却器(S)、(5)油循环方式,涵义:自然循环(不标);强迫油循环(P)。
(6)绕组数,涵义分;双绕组(不标);三绕组(S);双分裂绕组(F)。
(7)调压方式,涵义分;无励磁调压(不标):有载调压抑(Z)。
(8)线圈导线材质,涵义分:铜(不标);铜箔(B);铝(L)铝箔(LB)。
(9)铁心材质,涵义;电工钢片(不标);非晶合金(H)、(10)特殊用途或特殊结构,涵义分;密封式(M);串联用(C);起动用(Q);防雷保护用(B);调容用(T);高阻抗(K)地面站牵引用(QY);低噪音用(Z);电缆引出(L);隔离用(G);电容补偿用(RB);油田动力照明用(Y);厂用变压器(CY);全绝缘(J);同步电机励磁用(LC)。
不对得地方请各位专家朋友指正、变压器型号变压器型号一、电力变压器型号说明如下:变压器得型号通常由表示相数、冷却方式、调压方式、绕组线芯等材料得符号,以及变压器容量、额定电压、绕组连接方式组成。
电源变压器常用铁芯规格列表我国及日本硅钢片牌号表示方法* 中国牌号表示方法:(1)冷轧无取向硅钢片表示方法:DW铁损值(在频率为50HZ波形为正弦的磁感峰值为 1.5T的单位重量铁损值。
)的100倍+厚度值的100倍。
如DW470-50表示铁损值为4.7w/kg,厚度为0.5mm的冷轧无取向硅钢,现新型号表示为50W470(2)冷轧取向硅钢带片表示方法:DQ+铁损值(在频率为50HZ波形为正弦的磁感峰值为 1.7T的单位重量铁损值。
)的100倍+ 厚度值的100倍。
有时铁损值后加G表示高磁感。
如DQ133-30表示铁损值为1.33,厚度为0.3mm的冷轧取向硅钢带(片),现新型号表示为30Q133o(3)热轧硅钢板热轧硅钢板用DR表示,按硅含量的多少分成低硅钢(含硅量W 2.8%)、高硅钢(含硅量〉2.8%)。
表示方法:DR+铁损值(用50HZ反复磁化和按正弦形变化的磁感应强度最大值为 1.5T时的单位重量铁损值)的100倍+厚度值的100倍。
如DR510-50表示铁损值为5.1,厚度为0.5mm的热轧硅钢板。
家用电器用热轧硅钢薄板的牌号用JDR+铁损值+厚度值来表示,如JDR540-50。
*日本牌号表示方法:( 1 )冷轧无取向硅钢带由公称厚度(扩大100倍的值)+代号A+铁损保证值(将频率50HZ最大磁通密度为1.5T时的铁损值扩大100倍后的值)。
如50A470表示厚度为0.5mm铁损保证值为w 4.7的冷轧无取向硅钢带。
(2 )冷轧取向硅钢带由公称厚度(扩大100倍的值)+代号G:表示普通材料,P:表示高取向性材料+铁损保证值(将频率50HZ 最大磁通密度为1.7T时的铁损值扩大100倍后的值)。
如30G130表示厚度为0.3mm铁损保证值为w 1.3 的冷轧取向硅钢带。
EI152152.4127.076.225.450.825.4GEB50154.0127.077.027.050.025.0GEB54162.0135.081.027.054.027.0GEB56168.0140.084.028.056.028.0GEB57171.0142.885.828.557.028.5GEB60180.0150.090.030.060.030.0 EI188188.0158.094.032.060.032.0GEB64192.0160.096.032.064.032.0EI210210.0175.0105.035.070.035.0GEB70222.0187.0111.038.070.038.0EI240240.0200.0120.040.080.040.0GEB80288.0248.0144.052.080.052.0GEB90270.0225.0135.045.090.045.0GEB100300.0250.0150.050.0100.050.0GEB120360.0300.0180.060.0120.060.0我国及日本硅钢片牌号表示方法中国牌号表示方法:(1)冷轧无取向硅钢片表示方法:DW+铁损值(在频率为50HZ,波形为正弦的磁感峰值为1.5T的单位重量铁损值。
)的100倍+厚度值的100倍。
如DW470-50 表示铁损值为4.7w/kg,厚度为0.5mm的冷轧无取向硅钢,现新型号表示为50W470。
(2)冷轧取向硅钢带片表示方法:DQ+铁损值(在频率为50HZ,波形为正弦的磁感峰值为1.7T的单位重量铁损值。
)的100倍+厚度值的100倍。
有时铁损值后加G表示高磁感。
如DQ133-30表示铁损值为1.33,厚度为0.3mm的冷轧取向硅钢带(片),现新型号表示为30Q133。
(3)热轧硅钢板热轧硅钢板用DR表示,按硅含量的多少分成低硅钢(含硅量≤2.8%)、高硅钢(含硅量>2.8%)。
EE/EI型磁芯外形:EE型、EI型特点及应用范围:具有适用范围广,工作频率高,工作电压范围宽,输出功率大等.广泛应用于开关电源、计算机、电子镇流器及家用电器等。
以下仅为例示尺寸,我公司可根据客户要求进行定制。
尺寸(mm)TYPE 序号针数A B C±0.5D±0.5 E±0.5FEE-8.3 6 8 8 6 4 2.5 8.3 V EE-10 811.510.2 8 4 2.5 10.2 V EE-131012 12.5 8.5 4 2.5 13 V EE-16-1 614.813.3 9 4 3 16 V EE-16-21015.413 10.5 4 3.2 17.1 V EEL-161028.516 12.3 4 4.3 21.9 V EE-19-1 817.616 10 4 5 19 V EE-19-21017.216.213 4 3.9 20 V EEL-191031.516 10.5 4 4 21.1 V EEL-19-11015.630 24.1 4 3.5 21 H EE-25-1 620 18.212.5 4 6.3 25.2 V EE-25-2 821.717.512.6 4 5 25.2 V EE-25-31022.225 15.4 4 5 26.1 H EEL-25 835.317.512.5 4 5 25.2 V EE-301021 29.225.2 4 5 30 H EE-401427.630.525.8 4 5 40 H EE-42/15-11233.844 35.5 4 5 42 H EE-42/15-21641.348 37.7 4 5 42 H EE-42/15-31848.732 27.5 4 5 45.1 V EE-42/20-11245 39.832.5 4 5 42 V EE-42/20-21644.250 37.8 4 5 42.2 H EE-42/20-31844.137 27.3 4 5 45.3 V EE-552050 50 45.5 4 5 55 HER 型特点及应用范围 : 具有损耗小、输出功率大、工作频率宽,温升低,性能稳定等特点。
R型变压器R型变压器是当代国际上最新型的变压器产品。
此种变压器打破了传统的C型、E型、环型变压器铁芯截面为方型的结构型式,采用了由一根由窄到宽,由宽到窄均匀过渡的优质硅钢带连续卷绕而成,铁芯无切割,截面近似圆形的结构形式。
与传统的C型、E型变压器相比较具有漏磁小,温升低,体积小,重量轻,无噪音等显著特点。
R型变压器可广泛应用于音响电视广播设备、卫星接收机、复印机、计算机、医疗仪器、电子天平及各种电子仪器设备等方面。
R型铁芯系列规格R-600380-6201841073710637.5184*145*85 3.05 6.5 R-800620-90019412243.510838.0195*164*95 4.688.4 R-1000650-120022312543.513544.0223*172*99 4.9710.5R型变压器的尺寸规格(VA)形式外形尺寸(mm)安装尺寸(mm)重量(kg)A B C a bR-10卧786135604540.4侧7835635524立6835815824R-20卧817038605040.5侧8138715526立7538846526R-30卧947640755550.7侧9440786528立8540976546R-40卧937842756050.9侧9342796530立8742966546R-50卧99864575655 1.0说明:1.以上外型尺寸和重量只作参考用,它们可因VA数值、引线种类和电路数目而更改。
安装尺寸可根据客户要求制作。
各种型号变压器可选择用引线或焊片接头连接.2.R型变压器不但可符合标准规格,还可符合特别的规格。
详细可与宏研电子联系。
3.以上规格因设计而更改,恕不另行通知。
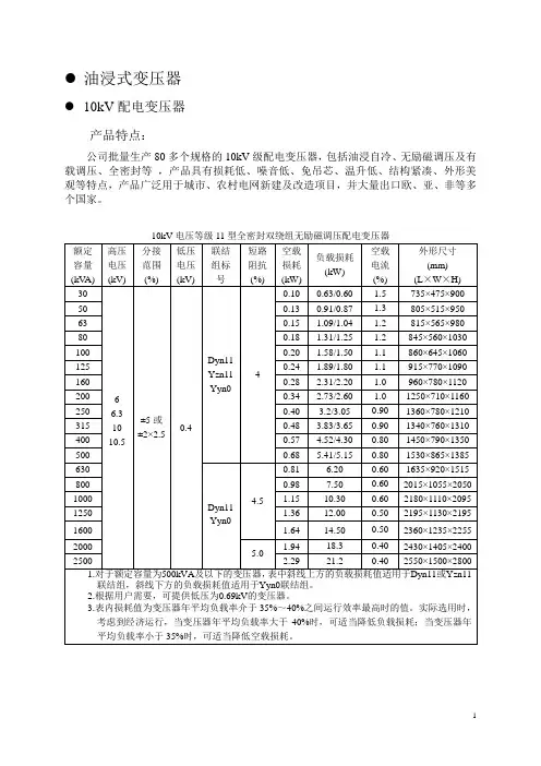
●油浸式变压器●10kV配电变压器产品特点:公司批量生产80多个规格的10kV级配电变压器,包括油浸自冷、无励磁调压及有载调压、全密封等,产品具有损耗低、噪音低、免吊芯、温升低、结构紧凑、外形美观等特点,产品广泛用于城市、农村电网新建及改造项目,并大量出口欧、亚、非等多个国家。
立体卷铁心变压器产品特点:三维立体卷铁芯变压器是近年来发展起来的新型节能配电变压器,该变压器采用传统冷轧硅钢片材料,在磁路结构上进行了特殊布置,使硅钢带的高导磁方向与磁路完全一致,三个心柱呈等边三角形立体排列,三相磁路长度相同,使其具有降低空载损耗、节省材料、减少噪声、抗短路能力强等优点,比S11型同容量变压器,空载损耗平均降低30%,空载电流下降70%,噪声下降10~25dB型号说明:电压等级kV 额定容量kV A 立体 卷铁心 全密封 13型 三相非晶合金配电变压器产品特点:非晶合金配电变压器是采用非晶合金作为导磁材料所制造的一种配电变压器,可取代硅钢片铁芯的变压器而广泛用于配电系统,空载损耗比S9型变压器降低75%左右,是目前节能效果最理想的配电变压器。
本产品特别适用于电能不足、负荷波动大以及难以进行日常维护的地区,本产品采用全密封结构,绝缘油不受外界大气的污染,是城乡广大配电网络中理想的配电设备。
高燃点变压器产品特点:高燃点绝缘油变压器是目前世界广泛应用的城网专用变压器,适用于城镇住宅区、宾馆商厦、医院、实验室、学校、剧院、石油化工、车站地铁、机场、矿井等要求安全防火性高、噪声低等重要场所,属于新型安全、防火、环保节能型变压器。
兼顾了油浸式变压器和干式变压器的共同优点,比普通油浸式变压器更安全,比干式变压器更实惠,成为继普通油变、干变之后的又一新型变压器,高燃点绝缘油变压器的推广应用将成为中国变压器技术领域的又一次产业革命。
整流变压器公司生产的ZS系列整流变压器用作整流装置的电源变压器,其作用是向整流器提供交流电源,整流器再将交流电变换为直流电,从而进行直流供电。
干式变压器;例如,(SCB10-1000KVA/10KV/0.4KV):S的意思表示此变压器为三相变压器,如果S换成D则表示此变压器为单相。
C的意思表示此变压器的绕组为树脂浇注成形固体。
B的意思是箔式绕组,如果是R则表示为缠绕式绕组,如果是L则表示为铝绕组,如果是Z则表示为有载调压(铜不标)。
10的意示是设计序号,也叫技术序号。
1000KVA则表示此台变压器的额定容量(1000千伏安)。
10KV的意思是一次额定电压,0.4KV意思是二次额定电压。
电力变压器产品型号其它的字母排列顺序及涵义。
(1)绕组藕合方式,涵义分:独立(不标);自藕(O表示)。
(2)相数,涵义分:单相(D);三相(S)。
(3)绕组外绝缘介质,涵义分;变压器油(不标);空气(G):气体(Q);成型固体浇注式(C):包绕式(CR):难燃液体(R)。
(4)冷却装置种类,涵义分;自然循环冷却装置(不标):风冷却器(F):水冷却器(S)。
(5)油循环方式,涵义:自然循环(不标);强迫油循环(P)。
(6)绕组数,涵义分;双绕组(不标);三绕组(S);双分裂绕组(F)。
(7)调压方式,涵义分;无励磁调压(不标):有载调压抑(Z)。
(8)线圈导线材质,涵义分:铜(不标);铜箔(B);铝(L)铝箔(LB)。
(9)铁心材质,涵义;电工钢片(不标);非晶合金(H)。
(10)特殊用途或特殊结构,涵义分;密封式(M);串联用(C);起动用(Q);防雷保护用(B);调容用(T);高阻抗(K)地面站牵引用(QY);低噪音用(Z);电缆引出(L);隔离用(G);电容补偿用(RB);油田动力照明用(Y);厂用变压器(CY);全绝缘(J);同步电机励磁用(LC)。
不对的地方请各位专家朋友指正。
变压器型号变压器型号一、电力变压器型号说明如下:变压器的型号通常由表示相数、冷却方式、调压方式、绕组线芯等材料的符号,以及变压器容量、额定电压、绕组连接方式组成。
请问下列电力变压器型号代号含义是什么?变压器型号一、电力变压器型号说明如下:变压器的型号通常由表示相数、冷却方式、调压方式、绕组线芯等材料的符号,以及变压器容量、额定电压、绕组连接方式组成。
EI152152.4127.076.225.450.825.4
GEB50154.0127.077.027.050.025.0
GEB54162.0135.081.027.054.027.0
GEB56168.0140.084.028.056.028.0
GEB57171.0142.885.828.557.028.5
GEB60180.0150.090.030.060.030.0 EI188188.0158.094.032.060.032.0
GEB64192.0160.096.032.064.032.0
EI210210.0175.0105.035.070.035.0
GEB70222.0187.0111.038.070.038.0
EI240240.0200.0120.040.080.040.0
GEB80288.0248.0144.052.080.052.0
GEB90270.0225.0135.045.090.045.0
GEB100300.0250.0150.050.0100.050.0
GEB120360.0300.0180.060.0120.060.0
我国及日本硅钢片牌号表示方法
中国牌号表示方法:
(1)冷轧无取向硅钢片
表示方法:DW+铁损值(在频率为50HZ,波形为正弦的磁感峰值为1.5T的单位重量铁损值。
)的100倍+厚度值的100倍。
如DW470-50 表示铁损值为4.7w/kg,厚度为0.5mm的冷轧无取向硅钢,现新型号表示为50W470。
(2)冷轧取向硅钢带片
表示方法:DQ+铁损值(在频率为50HZ,波形为正弦的磁感峰值为1.7T的单位重量铁损值。
)的100倍+厚度值的100倍。
有时铁损值后加G表示高磁感。
如DQ133-30表示铁损值为1.33,厚度为0.3mm的冷轧取向硅钢带(片),现新型号表示为30Q133。
(3)热轧硅钢板
热轧硅钢板用DR表示,按硅含量的多少分成低硅钢(含硅量≤2.8%)、高硅钢(含硅量>2.8%)。
表示方法:DR+铁损值(用50HZ反复磁化和按正弦形变化的磁感应强度最大值为1.5T时的单位重量铁损值)的100倍+厚度值的100倍。
如DR510-50表示铁损值为5.1,厚度为0.5mm的热轧硅钢板。
家用电器用热轧硅钢薄板的牌号用JDR+铁损值+厚度值来表示,如JDR540-50。
日本牌号表示方法:
(1)冷轧无取向硅钢带
由公称厚度(扩大100倍的值)+代号A+铁损保证值(将频率50HZ,最大磁通密度为1.5T时的铁损值扩大100倍后的值)。
如50A470表示厚度为0.5mm,铁损保证值为≤4.7的冷轧无取向硅钢带。
(2)冷轧取向硅钢带
由公称厚度(扩大100倍的值)+代号G:表示普通材料,P:表示高取向性材料+铁损保证值(将频率50HZ,最大磁通密度为1.7T时的铁损值扩大100倍后的值)。
如30G130表示厚度为0.3mm,铁损保证值为≤1.3的冷轧取向硅钢带。
(注:文档可能无法思考全面,请浏览后下载,供参考。
可复制、编制,期待你的好评与关注)。