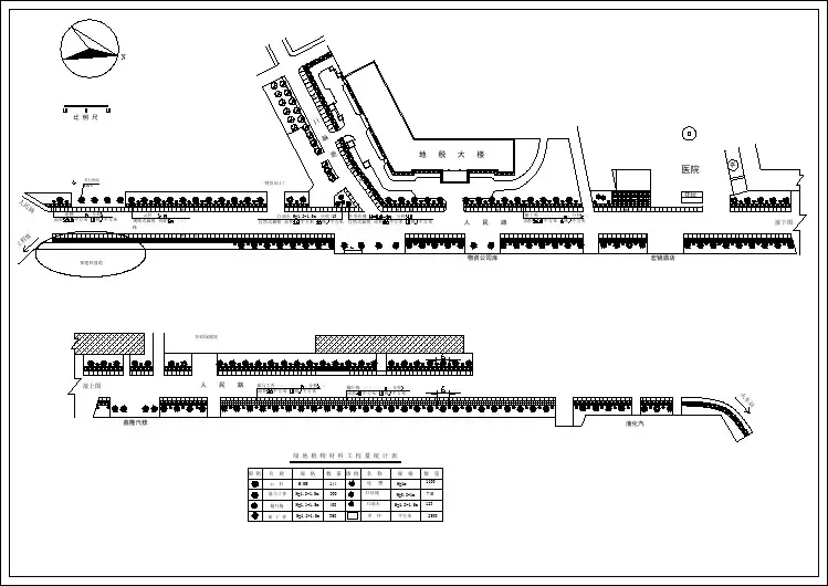
图 名项 目专业负责人审 定设计主持人设 计校 对中国建筑技术研究院北潞芳家园环境绿化工程种植平面图2设 计 号日 期图 号 总施62001.7木槿2黄刺玫4雪松1桧柏2大花萱草800迎春3迎春4141214 珍珠梅4紫薇7千头椿10白玉兰3绣线菊11油松3栾树6红瑞木3天幕琼花10龙爪槐212天目琼花7元宝枫1樱花4紫叶李1平枝荀子8花石榴3 珍珠梅4花石榴3白皮松3腊梅4杜仲3小叶黄杨球8金银木5白腊4贴梗海棠6桧柏2卫矛6白皮松1金银木4白皮松3紫叶李2黄栌2馒头柳3千头椿11丁香3黄栌2木槿5天目琼花10核桃2桧柏2合欢1桧柏1红瑞木6棣棠41414栾树9贴梗海棠4连翘3珍珠每6锦带花10锦带花9连翘3碧桃5德国鸢尾380白玉兰5德国鸢尾1500丁香3丰华月季1200丰华月季1200德国鸢尾150014丰华月季1200大叶黄杨篱260丰华月季1200月季1200美人蕉6绣线菊12红瑞木6榆叶梅5紫叶李3白蜡3油松2木槿2油松2碧桃4桧柏3贴梗海棠3锦带花10红瑞木7沙地柏150紫薇4 法桐1218金银木6国槐3迎春3平枝荀子3贴梗海棠4碧桃3迎春3龙柏2樱花3连翘8银杏1河南桧4榆叶梅7锦带花8黄栌2西府海棠3鹅掌楸1银杏1棣棠2迎春12白玉兰4天目琼花5红叶小檗篱180碧桃2天目琼花9紫薇3元宝枫2西府海棠3连翘4紫叶李5油松2银杏1河南桧3华山松3合欢2银杏1山楂3垂柳2垂柳1丝兰4龙爪槐2龙爪槐1黄刺玫3珍珠梅5白玉兰8绣线菊13桧柏2河南桧4贴梗海棠5垂柳2迎春7玉簪1200胶东卫矛3金银木4小叶黄杨球5黄刺玫4银杏2木槿6丁香7桧柏3白皮松1龙爪槐2珍珠梅3白皮松4千头椿3平枝荀子6连翘2碧桃6连翘5丝兰5红瑞木4小叶黄杨球3平枝荀子6迎春3黄刺玫5白玉兰2绣线菊7绣线菊8平枝荀子32018元宝枫1黄刺梅4珍珠梅3国槐6油松2国槐320天目琼花10锦带花15沙地柏55国槐6油