IPsec协议中的加密算法与密钥协商过程
- 格式:docx
- 大小:37.26 KB
- 文档页数:3
IPsecVPN协商过程-主模式
IPSEC协商共分为两个阶段,主模式第⼀阶段共6个包,第⼆阶段共3个包。
1-4个包是明⽂传输,5-9个包是加密传输。
第⼀阶段:
1.第1个包:
(1).加密算法:DES、3DES、AES...
(2).认证⽅法:pre-share、RSA
(3).认证与完整性算法:MD5、SHA-1
(4).group组:1、2、5、7
(5).IKE SA的存活时间:默认24⼩时
2.第2个包:是由响应端发起,进⾏参数⽐对。
3.第3-4个包:各⾃通过DH算法形成公钥和私钥,公钥发给对端,私钥留在本地,在通过对端公钥和⾃⼰公钥私钥形成密钥
4.第5-6个包:进⾏IKE阶段协商的认证,此时第⼀阶段交互完成。
第⼆阶段:
1.第1个包:
(1).在IKE SA协商基础上形成新的KEY。
(2).封装⽅式:AH、ESP
(3).加密⽅式:DES、3DES、AES...
(4).完整性算法:MD5、SHA-1
(4).IPSEC SA:默认1个⼩时
(5).两端保护⼦⽹
2.第2个包:包主要是接收端查看本地有没有⼀个IPSEC SA策略与发起⽅的⼀样,如果有,并且认证成功,感兴趣流协商成功,那么接收端会把协商成功的IPSEC SA策略发给发起端,同时也会把⾃⼰的认证Key发给发启端来进⾏双向认证
3.第3个包:包主要是发起端对接收端发来的第⼆个包进⾏确认,协商成功进⾏业务访问。
转载⾃:/s/blog_e6ea327d0102xr7x.html。
IPsecESP协议加密安全传输IPsecESP协议(Internet Protocol Security Encapsulated Security Payload)是一种在互联网传输数据时提供安全性的协议。
它使用加密技术来保护数据的机密性、完整性和身份验证。
本文将介绍IPsecESP协议的原理、工作流程以及它在加密安全传输中的应用。
一、IPsecESP协议的原理IPsecESP协议是IPsec协议的一部分,用于对数据进行加密和身份验证。
它基于对称密钥加密算法,在数据传输前对数据进行加密,使得只有拥有密钥的接收方能够解密。
IPsecESP协议使用ESP头部(Encapsulating Security Payload Header)来封装原始的IP数据报,并对整个封装后的数据进行加密。
加密算法可以采用DES、3DES、AES等。
同时,IPsecESP协议还可以通过身份验证头部(Authentication Header)来验证数据的完整性和身份。
二、IPsecESP协议的工作流程1. 协商阶段:在通信双方建立连接之前,需要协商共享的加密密钥和身份验证算法。
这一过程通常使用IKE(Internet Key Exchange)协议来完成。
2. 加密阶段:在连接建立后,发送方将原始的IP数据报封装在ESP 头部中,并对整个封装后的数据进行加密。
同时,还可以添加身份验证头部以验证数据的完整性和身份。
3. 解密阶段:接收方通过解密算法对收到的数据进行解密,并将解密后的数据还原成原始的IP数据报。
同时,还可以对数据进行身份验证,以确保数据的完整性和真实性。
三、IPsecESP协议在加密安全传输中的应用IPsecESP协议在网络安全领域有着广泛的应用,可以用于保护敏感数据的传输和通信,确保数据不被窃取、篡改或伪造。
1. 远程访问VPN:通过在远程访问VPN中使用IPsecESP协议,可以建立安全的隧道,确保远程用户与内部网络之间的通信是加密和安全的。
IPSec常见问题解答:解决IPSec使用过程中的疑难杂症导语:IPSec(Internet Protocol Security)是一种网络通信协议,用于保护数据包的安全性和完整性。
然而,在使用IPSec的过程中,用户可能会遇到一些疑难杂症。
本文将针对常见的IPSec问题提供解答,帮助读者解决困扰。
一、连接问题解答在使用IPSec建立连接时,有时会遇到连接失败的情况。
以下是一些可能的原因及相应的解决方法:连接超时:问题:连接时长超过预设的阈值,导致连接失败。
解决方法:检查连接设置中的超时时间,增加超时阈值,确保足够的时间用于建立连接。
认证问题:问题:认证过程中出现错误,连接无法建立。
解决方法:检查认证配置,确保提供正确的身份验证信息,并且认证服务器正常运行。
密钥交换失败:问题:在密钥交换阶段,由于某些原因,无法成功交换密钥。
解决方法:检查密钥交换算法和密钥协商协议的配置,确保双方配置一致,并且没有被防火墙或其他网络设备拦截。
二、性能问题解答IPSec的加密和解密过程可能会对网络性能产生一定的影响。
以下是一些常见的性能问题及解决方法:延迟问题:问题:使用IPSec时,延迟增加,导致网络连接变慢。
解决方法:优化IPSec隧道的参数配置,例如选择较快的加密算法、减少加密层的数量等。
吞吐量问题:问题:使用IPSec时,带宽降低,无法满足高速数据传输需求。
解决方法:选择较高效的加密算法和密钥长度,并根据具体需求合理设置IPSec参数,以平衡安全性和性能。
三、兼容性问题解答由于IPSec是一个广泛使用的安全协议,与其他网络设备和软件的兼容性可能会成为一个问题。
以下是一些常见的兼容性问题及解决方法:NAT环境下的问题:问题:在使用IPSec的网络中存在NAT设备时,无法建立连接。
解决方法:启用IPSec NAT穿透功能,并设置合适的NAT遍历选项,以确保IPSec能够在NAT环境下正常工作。
不同厂商设备的兼容性:问题:IPSec设备来自不同的厂商,无法互相进行安全通信。
IPSec(Internet Protocol Security)和SSL(Secure Socket Layer)VPN是两种常见的远程访问和网络安全协议,它们都用于保护数据在公共网络上的传输,并提供安全的远程访问解决方案。
本文将重点介绍IPSec和SSL VPN的原理,包括其工作原理、优缺点以及适用场景。
一、IPSec VPN原理1. IPSec VPN的工作原理IPSec VPN是一种在IP层实现的安全协议,它建立在IP层之上,可以保护整个网络层的通信。
IPSec VPN使用加密和认证机制来保护数据的机密性和完整性,确保数据在传输过程中不被篡改或窃取。
其工作原理主要包括以下几个步骤:1)通过IKE(Internet Key Exchange)协议建立安全关联(Security Association,SA),协商加密算法、认证算法、密钥长度等参数;2)建立隧道模式或传输模式的安全通道,将要传输的数据封装起来,并使用加密算法对数据进行加密;3)在通信双方的边界设备(如路由器、防火墙)上进行数据的解密和解封装,然后将数据传递给内部网络。
2. IPSec VPN的优缺点IPSec VPN具有以下优点:1)强大的安全性:IPSec VPN采用先进的加密和认证算法,可以有效保护数据的安全性;2)适用于网关到网关和终端到网关的部署:IPSec VPN可以实现网关到网关和终端到网关的安全连接,适用于企业内部网络到外部网络的连接需求。
然而,IPSec VPN也存在一些缺点:1)配置复杂:IPSec VPN的配置相对复杂,需要对网络设备进行详细的配置和管理;2)支持性差:由于IPSec VPN使用的协议和端口较多,导致有些网络环境可能无法通过IPSec VPN进行安全通信。
3. IPSec VPN的适用场景IPSec VPN适用于以下场景:1)企业远程办公:员工可以通过IPSec VPN安全地连接到公司内部网络,进行远程办公和资源访问;2)跨地域网络连接:不同地域的网络可以通过IPSec VPN建立安全连接,实现跨地域的网络互联;3)数据中心互联:多个数据中心之间可以通过IPSec VPN建立安全通道,实现数据的安全传输和共享。
IPsec协议工作原理IPsec(Internet Protocol Security)是一种在因特网上提供安全通信的协议。
它提供的安全机制包括机密性(Confidentiality)、完整性(Integrity)和认证(Authentication),确保数据在网络传输过程中得到保护。
本文将介绍IPsec协议的工作原理,包括其加密算法、密钥协商和安全协议等方面。
一、加密算法IPsec协议使用不同的加密算法来实现机密性和完整性。
常见的加密算法包括DES(Data Encryption Standard)、3DES(Triple DES)和AES(Advanced Encryption Standard)。
这些算法可以对数据进行加密,保证数据在传输过程中不会被窃取或篡改。
二、密钥协商在IPsec中,需要使用密钥来进行加密和解密操作。
密钥协商是指在通信双方建立安全连接之前,协商并共享密钥的过程。
常见的密钥协商方式包括手动密钥协商和自动密钥协商。
手动密钥协商是指双方通过安全信道或其他安全手段交换密钥信息。
这种方式的缺点是复杂且容易引入错误,因此在大多数情况下,自动密钥协商更为常用。
自动密钥协商使用密钥管理协议(Key Management Protocol)来自动分发、更新和撤销密钥。
常见的密钥管理协议包括Internet KeyExchange(IKEv1和IKEv2),它们通过协商双方的身份、生成和分发密钥,确保安全连接的建立和维护。
三、安全协议IPsec协议使用安全封装协议(Security Encapsulating Protocol)来保护数据包。
常见的安全封装协议包括AH(Authentication Header)和ESP(Encapsulating Security Payload)。
AH协议提供的机制主要包括完整性检查和认证。
它通过添加一个附加头部,对IP数据包的源地址、目的地址、有效载荷和其他字段进行认证,防止数据被篡改。
IKE协议的密钥交换流程IKE(Internet Key Exchange)协议是在IPSec(Internet Protocol Security)协议中用于实现安全通信的关键协议之一。
它负责在通信双方建立安全通道的过程中交换密钥。
本文将详细介绍IKE协议的密钥交换流程。
1. IKE协议概述IKE协议是基于公钥基础设施(PKI)的密钥协商协议,用于确保通信双方之间的数据传输的机密性、完整性和真实性。
它使用Diffie-Hellman密钥交换算法来生成共享密钥,并使用数字证书对身份进行认证。
2. IKE协议的两个阶段IKE协议的密钥交换流程分为两个阶段:建立安全关联(SA)和生成密钥材料。
在第一阶段中,通信双方将协商建立安全关联所需的参数,包括加密算法、HASH算法、Diffie-Hellman组等。
在第二阶段中,通过Diffie-Hellman密钥交换算法生成共享密钥,并使用数字证书对身份进行认证。
3. 第一阶段:建立安全关联在第一阶段中,通信双方进行一系列的协商和交换,以确保双方拥有相同的参数,并建立安全的通信环境。
(1) 提交协议(SA Proposal)通信双方向对方发送自己所支持的加密算法、HASH算法和Diffie-Hellman组等参数。
这些参数将用于后续的密钥交换和身份认证过程。
(2) Diffie-Hellman密钥交换通信双方使用Diffie-Hellman密钥交换算法生成临时的共享密钥。
该密钥将用于后续的身份认证和建立真正的安全通道。
(3) 身份认证通信双方使用数字证书对对方的身份进行认证。
每个通信方都向对方发送自己的数字证书,对方可以通过验证证书的合法性来确认对方的身份。
(4) 密钥确认通信双方使用生成的共享密钥对协商过程进行确认。
这是确保密钥交换没有被篡改的重要步骤。
4. 第二阶段:生成密钥材料在第一阶段完成后,通信双方已经建立了安全关联并进行了身份认证。
第二阶段的目标是生成用于加密和解密数据的密钥材料。
ipsec的认证过程IPsec(Internet Protocol Security)是一种用于保护Internet Protocol(IP)通信的协议套件,包括认证头(AH)、封装安全载荷(ESP)和安全关联数据库(SAD)等组件。
IPsec的认证过程涉及到密钥协商、身份验证和数据完整性保护等方面,下面我将从多个角度全面回答IPsec的认证过程。
1. 预共享密钥认证过程:首先,两个IPsec对端需要协商使用的安全协议、加密算法和认证算法等参数。
然后,它们进行身份验证,通常使用预共享密钥进行认证。
在预共享密钥认证中,对端使用预先共享的密钥进行身份验证,确保双方具有相同的密钥。
一旦身份验证成功,双方可以生成会话密钥,用于加密和认证IPsec通信中的数据。
2. 证书认证过程:在证书认证过程中,IPsec对端使用数字证书进行身份验证。
首先,对端向认证机构(CA)请求数字证书,CA对对端进行身份验证并签发数字证书。
然后,对端在IPsec通信中使用数字证书进行身份验证,确保通信双方的身份合法。
3. IKE(Internet Key Exchange)协议:IKE协议用于在IPsec对端之间进行身份验证和密钥协商。
IKE协议包括两阶段,第一阶段用于建立安全通道,进行身份验证和协商主密钥;第二阶段用于协商IPsec会话密钥。
在IKE协商过程中,双方交换认证信息、协商加密算法和认证算法,并生成会话密钥。
总的来说,IPsec的认证过程涉及到预共享密钥认证和证书认证两种方式,以及使用IKE协议进行密钥协商。
通过这些认证过程,IPsec可以确保通信双方的身份合法,并生成用于加密和认证通信数据的会话密钥,从而保护IP通信的安全性和完整性。
IPSec使用方法:配置和启用IPSec的步骤详解在现代互联网环境中,网络安全是至关重要的。
安全性协议是确保网络通信的保密性和完整性的必要工具。
IPSec(Internet Protocol Security)是一种常用的网络安全协议,它提供了对IP数据包的加密和身份验证。
本文将详细介绍IPSec的配置和启用步骤,帮助读者理解并使用IPSec。
第一步:选择IPSec实施方式IPSec可以在网络层或传输层实施。
在网络层,称为网络层安全(IPSec/L2TP),它提供了对整个IP数据包的加密和身份验证。
在传输层,称为传输层安全(IPSec/TLS),它只对上层协议数据进行加密和身份验证。
根据需求和系统要求,选择适合的实施方式。
第二步:获取所需的软件和证书运行IPSec需要安装相应的软件和证书。
在此之前,需要先确认操作系统支持IPSec,并从可靠的来源获取IPSec软件和相应的证书。
第三步:安装和配置IPSec软件按照提供软件的说明,将其安装到系统中。
然后,根据软件提供的配置选项,对IPSec进行相应的配置。
配置的主要目标是设置加密算法、密钥协商方法和证书。
第四步:设置安全策略安全策略决定了哪些数据包需要加密和身份验证。
根据实际需求,设置适当的安全策略。
这包括选择需要保护的源IP地址、目标IP地址以及加密和身份验证的要求。
第五步:建立密钥交换IPSec需要建立和维护安全的密钥用于加密和身份验证。
密钥交换协议(Key Exchange Protocol)用于确保受信任的密钥在通信双方之间的安全传输。
根据选择的密钥交换协议,进行合适的配置和启用。
第六步:配置网络设备在使用IPSec的网络中,所有相关设备需要配置以支持IPSec。
这包括路由器、防火墙和VPN服务器等。
根据不同设备的操作系统和管理界面,配置相应的IPSec选项。
第七步:启用IPSec完成上述步骤后,启用IPSec以开始保护网络通信。
确保按照正确的配置和安全策略启动IPSec,以充分发挥其安全功能。
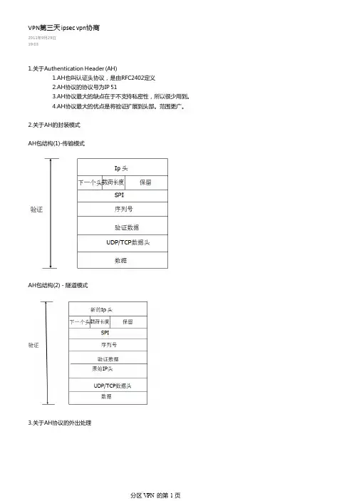
1.关于Authentication Header (AH)1.AH 也叫认证头协议,是由RFC2402定义2.AH 协议的协议号为IP 513.AH 协议最大的缺点在于不支持私密性,所以很少用到。
4.AH 协议最大的优点是将验证扩展到头部。
范围更广。
2.关于AH 的封装模式AH包结构(1)-传输模式AH包结构(2)-隧道模式3.关于AH 协议的外出处理VPN 第三天ipsec vpn 协商2011年9月29日19:03如上图1.检查外出数据包,是否与一个S P D条目匹配时,然后S A D B查看是否存在一个合适的S A。
如果没有,可用IKE动态地建立一个。
如果有,就将A H应用到这个与之相符的数据包,该数据包在S P D条目指定的那个模式中。
2.S P I字段分配的值是取自S A的S P I;下一个头字段分配的是跟在A H头之后的数据类型值;“身份验证数据”字段设成0。
3.A H将安全保护扩展到外部I P头的原有的或预计有的字段。
因此,将“完整性检查值(I C V)”之前的不定字段调成零是必要的4.根据身份验证器的要求,或出于排列方面的原因,可能需要进行适当的填充;5.利用密钥对整个I P包进行IC V进行计算。
由于不定字段已设成零,它们就不会包括在I C V计算中。
接下来,IC V值被复制到A H的“身份验证数据”字段中,I P头中的不定字段就可根据I P处理的不同得以填充。
6.输出数据包4.关于AH的入向处理1.找出用来保护这个包的S A。
然后用I P头的目的地址、特定协议(这里是5 1)和取自A H头的S P I这三者再对S A进行识别。
如果没有找到合适的S A,这个包就会被丢弃。
2.找到S A之后,进行序列号检查。
如果检查失败,这个包就会被丢弃。
3.检查I C V。
首先将A H头的“验证数据”字段中的I C V值保存下来,然后将那个字段清零。
I P中的所有不定字段也被清零(。
取决于身份验证器算法以及载荷长度,可能还要进行隐式填充,使验证数据的长度符合算法的要求。
IKE协议深度解析IPsec密钥协商的标准协议IKE(Internet Key Exchange)是一种用于IPsec(Internet Protocol Security)密钥协商的标准协议。
本文将深入解析IKE协议,并探讨其在IPsec中的作用和重要性。
一、引言IPsec是一种网络层协议,旨在为互联网通信提供机密性、数据完整性和源验证等安全服务。
而为了实现这些安全服务,IPsec需要进行密钥协商,以确保通信双方在数据传输期间使用的密钥是安全的、机密的和随机的。
而IKE协议正是用于实现IPsec中密钥协商的标准协议。
二、IKE协议的基本原理IKE协议采用了非对称密钥密码体制,包括两个阶段的协商过程。
首先,在第一阶段中,IKE使用Diffie-Hellman密钥交换算法来协商一个共享秘密密钥,同时根据安全策略确认双方身份。
这个共享秘密密钥将用于加密第二阶段的IKE协商过程。
在第二阶段中,IKE使用共享秘密密钥对称加密算法,如AES (Advanced Encryption Standard)或3DES(Triple Data Encryption Standard)来协商会话密钥。
会话密钥将用于后续IPsec协议的数据加密和解密。
三、IKE协议的主要功能1. 安全参数协商:IKE协议允许通信双方协商并共享所需的安全参数,如身份验证方法、加密算法、Hash算法和Diffie-Hellman组等。
2. 密钥材料生成:IKE协议利用安全参数生成加密和验证所需的密钥材料。
3. 安全关联建立:IKE协议通过交换和确认相应的消息来建立安全关联,确保通信双方共享相同的密钥材料。
4. 会话密钥协商:IKE协议使用共享秘密密钥对称加密算法来协商会话密钥,提供IPsec数据的加密和解密功能。
四、IKE协议的优势1. 强大的安全性:IKE协议采用了先进的密码学算法和安全策略,确保通信双方在数据传输期间的安全性。
2. 灵活性:IKE协议允许通信双方根据实际需求选择合适的安全参数和加密算法,以满足不同的安全要求。
ike 的协商过程IPSEC的组成:IPSEC结合了三个主要的协议,从而形成一个安全的框架。
首先:IKE,ESP,AH三个协议。
IPSEC工作在两个模式下面。
IKE是用来在两个对等体之间建立一个隧道。
ESP提供流量封装的机制。
1、IKE也是由三个不同的协议组成:SKEME,Oakley,ISAKMP.1、IKE的第一阶段的协商用途是在两个PEER之间建立一个安全的通道,这个通道目的是为协商IPSEC的密钥等参数提供加密的参数。
2、当IKE的通道协商成功之后,然后开始第二阶段的协商,目的是协商IPSEC的加密参数。
3、应用的模式是SITE-SITE,CLIENT-SITE,HOST-HOST。
我们先介绍一下IKE的协商是如何实现的。
1、首先当两个路由器启用IPSEC的时候,我们以其中之一为起点。
A->B,那么A开始发送IKE的数据报文。
报文是UDP的类型,封装在端口500里面。
a)首先是第一个信息被发送,主要内容是COOKIE号码,标识一个唯一的IPSEC会话,也有防止重放的功能。
它的建立是通常是基于IP地址,端口的号码,时间和日期等等进行一个散列算法,生成一个8位的随机数。
对方的COOKIE为0内容还包含一个SA负载,还有两个提议负载,两个转换负载。
sa的负载是定位这个ISAKMP 是为了IPSEC工作。
因为IKE是一个标准的协议,所以在SA负载中通过DOI,解释域,来说明这条消息交换用于IPSEC。
提议负载的内容包含一个提议号,协议ID,SPI,转换号,其中SPI为0,转换号指向了相应的转换负载转换负载的内容是加密的参数,如des,dh算法,存活时间,hash算法等等。
b) 然后是对方响应一个信息,主要内容就是对方的COOKIE号码,和一个提议和一个策略,注意,这个提议和策略是和开始里面的一个对应的,否则,就回一个失败信息。
c)初始方然后回应第三个信息,内容是自己的公钥,发给对方,注意,此处我的理解是素数已经交换完毕,公钥就是根据自己随机产生的私钥加上素数和一个产生器g三者来产生的。
ipsec隧道处理流程IPSec隧道处理流程是网络通信中常见的一种安全机制,它能够在两个网络之间建立一条加密的通信隧道,以保证通信的安全性和私密性。
下面,本文将为大家详细介绍IPSec隧道处理流程。
第一步,隧道建立阶段。
在隧道建立阶段,经过两个网络之间的协商,双方规定了加密算法、认证算法、密钥长度等关键参数,并互相交换了认证信息。
接下来,根据协商结果,隧道双方将会生成加密密钥和认证密钥,并进行预共享秘钥协议(PSK)交换,以确保双方密钥一致。
第二步,隧道保护阶段。
在隧道保护阶段,数据包将被加密和认证。
在产生数据包后,首先将在IP头中添加ESP(封装安全负载)标头,以确保数据包被加密。
在ESP头中,也会添加一个完整性检查值,以保证数据包的完整性。
另外,还可以使用IKE的快速模式创建一个密钥散列来优化IKE的初始连接。
第三步,隧道的删除。
为了终止隧道,必须使用IKE支持的协议(例如ISAKMP协议)执行撤销隧道的步骤。
这种过程不仅包括隧道和IPSec SA的删除,还包括删除相应的PSK协商和协议状态。
总结一下,IPSec隧道的处理流程基本上分为三个步骤:隧道建立、隧道保护和隧道删除。
在隧道建立阶段,双方需要进行一系列的协商和认证,以确保加密密钥和认证密钥的一致性。
在隧道保护阶段,数据包将被加密和认证,以保证数据的安全传输。
而在隧道删除阶段,将根据需要终止整个隧道并删除有关协商和状态信息。
了解IPSec隧道处理流程对于网络安全有极大的意义,可以帮助我们更好地了解网络安全相关知识,以及实际应用。
ipsec协议流程
IPsec(Internet Protocol Security)是一种网络协议,用于保护IP 通信的安全性和完整性。
它提供了一种加密和认证机制,确保数据在互联网上的传输是安全可靠的。
IPsec的流程可以分为三个主要阶段:建立安全关联、安全数据交换和终止安全关联。
在建立安全关联阶段,通信的双方需要进行身份验证和密钥交换。
首先,发起方发送一个安全关联请求消息给接收方。
这个消息包含了一些加密算法和密钥协商协议的信息。
接收方收到请求后,进行身份验证,并生成自己的安全关联请求消息。
双方交换这些消息,协商出一个共同的密钥和一些安全参数,用于加密和认证通信过程。
在安全数据交换阶段,双方使用前面协商好的密钥和参数对数据进行加密和认证。
发起方将要传输的数据分割成小块,并对每个块进行加密和认证。
接收方收到数据后,对每个块进行解密和认证,并验证数据的完整性。
如果数据通过了验证,接收方发送一个确认消息给发起方。
在终止安全关联阶段,通信的双方结束安全通信。
发起方发送一个终止消息给接收方,表示不再需要安全通信。
接收方收到消息后,也发送一个终止消息给发起方,表示同意终止安全通信。
双方删除之前协商好的密钥和参数,结束安全关联。
通过IPsec协议,通信的双方可以在互联网上进行安全的数据传输。
IPsec提供了加密和认证的机制,保护数据的机密性和完整性。
同时,IPsec还可以防止网络中的中间人攻击和数据篡改。
通过遵循IPsec 的流程,网络通信可以更加安全可靠。
IPsec协议的加密机制与VPN建立过程详解IPsec(Internet Protocol Security)是一种常用的安全协议,用于保护Internet Protocol(IP)通信的安全性。
它采用了多种加密技术和协议,确保在互联网上传输的数据能够安全可靠。
本文将详细介绍IPsec协议的加密机制以及VPN建立的过程。
一、IPsec协议的加密机制IPsec协议通过加密和身份验证来确保数据传输的机密性和完整性。
主要包括以下几个方面:1. 加密算法:IPsec协议支持多种加密算法,例如DES(Data Encryption Standard)、3DES、AES(Advanced Encryption Standard)等。
这些加密算法能够将原始数据转换为密文,只有合法的接收方才能解密还原成明文。
2. 身份验证:IPsec协议使用身份验证来确保通信双方的身份是合法的。
常用的身份验证机制包括预共享密钥、数字证书和基于公钥基础设施(PKI)的身份验证。
通过验证身份,IPsec协议可以防止恶意攻击者冒充合法用户。
3. 安全关联(Security Association):安全关联是IPsec协议中用于管理加密和身份验证参数的关键机制。
在通信的两端,需要预先建立安全关联,包括选择加密算法、身份验证方法、密钥等参数。
安全关联的建立需要通过安全关联数据库(Security Association Database)进行维护和管理。
二、VPN建立过程VPN(Virtual Private Network)是基于公共网络构建的私密通信网络,它利用加密和隧道技术,实现了在不安全的公网上建立安全通信的功能。
以下是VPN建立的过程:1. 握手阶段:在VPN的握手阶段,通信双方需要进行身份验证和密钥协商。
双方使用IPsec协议中的IKE(Internet Key Exchange)协议进行握手,确保双方的身份合法,并协商加密算法和密钥。
(一)IPSec VPN隧道的建立过程分为两个阶段:(二)第一个阶段:分为两种模式主模式(Main Mode和野蛮模式(又称主动模式Aggressive)(三)第二个阶段:快速模式(Quick Mode)(四)区别:主模式与野蛮模式的区别:(五)(1)野蛮模式协商比主模式协商更快。
(六)因为主模式需要交互6个消息,而野蛮模式只需要交互3个消息;(七)(2)主模式协商比野蛮模式协商更严谨、更安全。
(八)因为主模式在“消息5&消息6”中对ID信息进行了加密。
而野蛮模式由于受到交换次数的限制,ID消息在“消息1&消息2”中以明文的方式发送给对端。
即主模式对对端身份进行了保护,而野蛮模式则没有。
(九)两个阶段分别完成任务:(十)(1)第一个阶段IKE设置,有三个任务需要完成:(十一)(a)协商一系列算法和参数(这些算法和参数用于保护隧道建立过程中的数据);(十二)(b)必须计算出两边使用的加密KEY值,例如,两边使用3DES算法加密,3DES算法则需要一个密码,这个密码两端必须一样,但又不能在链路上传递。
(十三)(c)对等体的验证,如何才能知道对端就是我要与之通信的对端。
这里验证有三种方法:预共享、数字签名和加密临时值。
(十四)上面一系列过程都是IKE(Internet 密钥交换协议,大多数厂商都把这个叫做VPNs Gateway)这个协议来实现。
对于第一阶段需要注意以下几点:(十五)(a1)只有remote vpn和easy vpn是积极模式的,其他都是用主模式来协商的;(十六)(a2)让IKE对等体彼此验证对方并确定会话密钥,这个阶段用DH进行密钥交换,创建完IKE SA后,所有后续的协商都将通过加密和完整性检查来保护。
(十七)(a3)第一阶段帮助在对等体之间创建了一条安全通道,使后面的第二阶段过程协商受到安全保护。
(十八)(2)第二阶段:(十九)协商IPSec SA使用的安全参数,创建IPSec SA(SA可以加密两个对等体之间的数据,这才是真正的需要加密的用户数据),使用AH或ESP来加密IP数据流。
IPsec协议中的加密算法与密钥协商过程IPsec(Internet Protocol Security)是一种网络协议,用于确保互联网通信的安全性和保密性。
在IPsec协议中,加密算法和密钥协商过程起着至关重要的作用。
本文将探讨IPsec协议中常用的加密算法以及密钥协商过程的原理和流程。
一、IPsec简介
IPsec是一种在网络层提供安全服务的协议,可以用于保护网络通信中传输的数据。
它通过在IP数据包的头部添加或修改字段来实现数据的加密和认证。
IPsec协议提供了安全关联(Security Association, SA)的概念,用于管理加密和认证的参数。
二、加密算法
在IPsec中,加密算法用于对数据进行加密,保证数据的机密性。
常见的加密算法包括DES(Data Encryption Standard)、3DES(Triple DES)、AES(Advanced Encryption Standard)等。
1. DES(Data Encryption Standard)
DES是一种对称加密算法,广泛应用于早期的密码学中。
DES使用一个56位的密钥对64位的数据进行加密和解密。
尽管DES在过去是安全的,但随着计算能力的提高,DES已经不再被认为是一种足够安全的加密算法。
2. 3DES(Triple DES)
3DES是DES的增强版,采用了对称密钥的三次应用。
3DES使用3个56位的密钥对数据进行加密和解密,提供了更高的安全性。
3. AES(Advanced Encryption Standard)
AES是目前应用最广泛的对称加密算法之一。
它使用不同长度的密钥,包括128位、192位和256位。
AES算法具有快速、高效和强大的安全性。
三、密钥协商过程
密钥协商是IPsec中保证通信双方获取共享密钥的过程,用于确保加密的数据只能被合法的接收方解密。
IPsec使用IKE(Internet Key Exchange)协议来实现密钥协商。
1. IKE协议
IKE协议是IPsec中用于密钥协商的协议。
它基于公钥加密和数字签名技术,确保通信双方能够安全地协商出一个密钥用于加密和认证数据。
IKE协议的两个阶段分别是建立安全关联和秘密密钥协商。
2. 建立安全关联
建立安全关联是IKE协议的第一阶段,其目的是确保通信双方能够互相识别并建立起信任关系。
在这个阶段,通信双方将交换公钥、协商加密算法、认证算法等参数。
3. 秘密密钥协商
秘密密钥协商是IKE协议的第二阶段,其目的是协商出一个对称密钥,用于IPsec协议的加密和认证过程。
在这个阶段,通信双方将使用
公钥加密技术协商出一个对称密钥,确保通信的机密性和完整性。
四、总结
IPsec协议中的加密算法和密钥协商过程对于确保互联网通信的安
全性至关重要。
加密算法用于保证数据的机密性,常见的加密算法包
括DES、3DES和AES。
密钥协商过程使用IKE协议,通过建立安全
关联和秘密密钥协商来确保通信双方能够互相识别并建立起信任关系,并获取共享的对称密钥。
对于网络通信的安全性而言,了解IPsec协议
中的加密算法和密钥协商过程是至关重要的。
通过合理选择加密算法
和正确实施密钥协商,可以有效保护通信的机密性和完整性,提高网
络的安全性。