电动机可逆运行控制电路图
- 格式:doc
- 大小:226.00 KB
- 文档页数:4
电动机可逆作业操控电路(组图)为了使电动机可以正转和回转,可选用两只触摸器KM1、KM2换接电动机三相电源的相序,但两个触摸器不能吸合,假定一同吸合将构成电源的短路事端,为了避免这种事端,在电路中应选用牢靠的互锁,上图为选用按钮和触摸器两层互锁的电动机正、反两方向作业的操控电路。
线路剖析如下:一、正向主张:1、合上空气开关QF接通三相电源2、按下正向主张按钮SB3,KM1通电吸兼并自锁,主触头闭合接通电动机,电动机这时的相序是L1、L2、L3,即正向作业。
二、反向主张:1、合上空气开关QF接通三相电源2、按下反向主张按钮SB2,KM2通电吸兼并经过辅佐触点自锁,常开主触头闭合换接了电动机三相的电源相序,这时电动机的相序是L3、L2、L1,即反向作业。
三、互锁环节:具有阻挠功用在线路中起安全维护效果1、触摸器互锁:KM1线圈回路串入KM2的常闭辅佐触点,KM2线圈回路串入KM1的常闭触点。
当正转触摸器KM1线圈通电动作后,KM1的辅佐常闭触点断开了KM2线圈回路,若使KM1得电吸合,有必要先使KM2断电开释,其辅佐常闭触头复位,这就避免了KM1、KM2一同吸合构成相间短路,这一线路环节称为互锁环节。
2、按钮互锁:在电路中选用了操控按钮操作的正反传操控电路,按钮SB2、SB3都具有一对常开触点,一对常闭触点,这两个触点别离与KM1、KM2线圈回路联接。
例如按钮SB2的常开触点与触摸器KM2线圈串联,而常闭触点与触摸器KM1线圈回路串联。
按钮SB3的常开触点与触摸器KM1线圈串联,而常闭触点压KM2线圈回路串联。
这么当按下SB2时只能有触摸器KM2的线圈可以通电而KM1断电,按下SB3时只能有触摸器KM1的线圈可以通电而KM2断电,假定一同按下SB2和SB3则两只触摸器线圈都不能通电。
这么就起到了互锁的效果。
四、电动机正向(或反向)主张作业后,不用先按接连按钮使电动机接连,可以直接按反向(或正向)主张按钮,使电动机变为反方向作业。
三相异步电动机可逆运行能耗制动控制(S7-200系列PLC)解:1) I/O编址:I0.1——SB1停车 I0.4——FR过载保护 Q0.1——KM1线圈I0.2——SB2正转 Q0.2——KM2线圈I0.3——SB3反转 Q0.3——KM3线圈2) KT的对应指令——选定时器:T37(100ms时基接通延时定时器)设定时时间:PT=100(定时时间10s)2)梯形图(注意:I0.4过载保护设为常开触点)说明:在控制线路中,设置有KT的瞬动触点与KM3辅助常开触点串联,在PLC控制中,定时器是软器件,不存在机械故障的问题,所以不必设KT 的瞬动触点。
如果直接翻译,则根据定时器的工作时序,在Q0.3的自锁支路上串联的应是T37的常闭触点。
3)I/O端子接线图(略)多路定时器——多台电动机的顺序循环控制(S7-200系列PLC)控制要求:(1)由运行开关控制:“1”= 起动,“0”= 停止解:1) I/O编址:I0.0 ——运行开关定时器:T37 PT=800Q0.1——1#设备Q0.2——2#设备Q0.3——3#设备Q0.4——4#设备Q0.5——5#设备2)梯形图:如图8-3-14 (a)所示。
这里,利用了比较指令进行各时段的控制,非常方便3)I/O端子接线图(略)。
S7-200 PLC的PPI协议及其开发实例通过硬件和软件侦听的方法,分析PLC内部固有的PPI通讯协议,然后上位机采用VB编程,遵循PPI通讯协议,读写PLC数据,实现人机操作任务。
这种通讯方法,与一般的自由通讯协议相比,省略了PLC的通讯程序编写,只需编写上位机的通讯程序资源S7-226的编程口物理层为RS-485结构,SIEMENS提供MicroWin软件,采用的是PPI(Point to Point)协议,可以用来传输、调试PLC程序。
在现场应用中,当需要PLC与上位机通讯时,较多的使用自定义协议与上位机通讯。
在这种通讯方式中,需要编程者首先定义自己的自由通讯格式,在PLC 中编写代码,利用中断方式控制通讯端口的数据收发。
双重联锁(按钮、接触器)正反转控制电路原理图电机双重联锁正反转控制一、线路的运用场合Array正反转控制运用生产机械要求运动部件能向正反两个方向运动的场合。
如机床工作台电机的前进与后退控制;万能铣床主轴的正反转控制;圈板机的辊子的正反转;电梯、起重机的上升与下降控制等场所。
二、控制原理分析(1)、控制功能分析:怎样才能实现正反转控制?为什么要实现联锁?电机要实现正反转控制:将其电源的相序中任意两相对调即可(简称换相),通常是V相不变,将U相与W相对调,为了保证两个接触器动作时能够可靠调换电动机的相序,接线时应使接触器的上口接线保持一致,在接触器的下口调相。
由于将两相相序对调,故须确保2个KM线圈不能同时得电,否则会发生严重的相间短路故障,因此必须采取联锁。
为安全起见,常采用按钮联锁(机械)和接触器联锁(电气)的双重联锁正反转控制线路(如原理图所示);使用了(机械)按钮联锁,即使同时按下正反转按钮,调相用的两接触器也不可能同时得电,机械上避免了相间短路。
另外,由于应用的(电气)接触器间的联锁,所以只要其中一个接触器得电,其长闭触点(串接在对方线圈的控制线路中)就不会闭合,这样在机械、电气双重联锁的应用下,电机的供电系统不可能相间短路,有效地保护的电机,同时也避免在调相时相间短路造成事故,烧坏接触器。
(2)、工作原理分析:A、正转控制:按下SB1常闭触头先断开(对KM2实现联锁)SB1常开触头闭合KM1线圈得电KM1电机M启动连续正转工作KM1KM1联锁触头断开(对KM2实现联锁)B、反转控制:M失电,停止正转SB2按下线圈得电SB2KM2电机M启动连续反转工作KM2主触头闭合KM2联锁触头断开(对KM1实现联锁)C、停止控制:按下SB3,整个控制电路失电,接触器各触头复位,电机M失电停转;三、双重联锁正反转控制线路的优点接触器联锁正反转控制线路虽工作安全可靠但操作不方便;而按钮联锁正反转控制线路虽操作方便但容易产生电源两相短路故障。
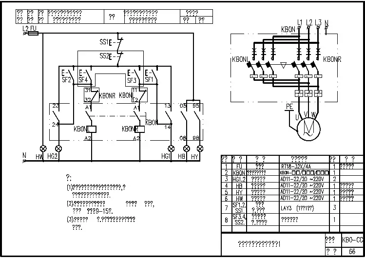
两个交流接触器控制电动机正反转接线控制图电动机可逆运行控制电路为了使电动机能够正转和反转,可采用两只接触器KM1、KM2换接电动机三相电源的相序,但两个接触器不能吸合,如果同时吸合将造成电源的短路事故,为了防止这种事故,在电路中应采取可靠的互锁,上图为采用按钮和接触器双重互锁的电动机正、反两方向运行的控制电路。
线路分析如下:一、正向启动:1、合上空气开关QF接通三相电源2、按下正向启动按钮SB3,KM1通电吸合并自锁,主触头闭合接通电动机,电动机这时的相序是L1、L2、L3,即正向运行。
二、反向启动:1、合上空气开关QF接通三相电源2、按下反向启动按钮SB2,KM2通电吸合并通过辅助触点自锁,常开主触头闭合换接了电动机三相的电源相序,这时电动机的相序是L3、L2、L1,即反向运行。
三、互锁环节:具有禁止功能在线路中起安全保护作用1、接触器互锁:KM1线圈回路串入KM2的常闭辅助触点,KM2线圈回路串入KM1的常闭触点。
当正转接触器KM1线圈通电动作后,KM1的辅助常闭触点断开了KM2线圈回路,若使KM1得电吸合,必须先使KM2断电释放,其辅助常闭触头复位,这就防止了KM1、KM2同时吸合造成相间短路,这一线路环节称为互锁环节。
2、按钮互锁:在电路中采用了控制按钮操作的正反传控制电路,按钮SB2、SB3都具有一对常开触点,一对常闭触点,这两个触点分别与KM1、KM2线圈回路连接。
例如按钮SB2的常开触点与接触器KM2线圈串联,而常闭触点与接触器KM1线圈回路串联。
按钮SB3的常开触点与接触器KM1线圈串联,而常闭触点压KM2线圈回路串联。
这样当按下SB2时只能有接触器KM2的线圈可以通电而KM1断电,按下SB3时只能有接触器KM1的线圈可以通电而KM2断电,如果同时按下SB2和SB3则两只接触器线圈都不能通电。
这样就起到了互锁的作用。
四、电动机正向(或反向)启动运转后,不必先按停止按钮使电动机停止,可以直接按反向(或正向)启动按钮,使电动机变为反方向运行。
2—5 可逆控制线路在生产实践活动中,往往要求运动部件向正反或上下两个方向运动。
这就要求拖动运动部件的电动机变换旋转方向。
根据电机学的知识,我们知道,若将接至电动机的三相电源的任意两相对调,即可达到改变电动机的转向的目的。
这种能够控制电动机改变转向的电路称为可逆控制线路或称为正、反转控制电路。
可逆控制线路在实际工作中的接法非常多,下面将常用的可逆控制线路介绍如下。
一,接触器联锁的可逆控制线路接触器联锁的可逆控制线路的原理,如图20501所示,其接线图见图20502。
图中使用了两个交流接触器,即正转用的接触器KM1和反转用的接触器KM2。
如图可见,当KM1的三个主触头接通时,三相电源的L1、L2、L3分别与电动机的U,V、W接通,此时电动机正转;而当KM2的三个主触头接通时,三相电源的L1、L2、L3分别与电动机的W、V、U接通,此时电动机将反转。
很明显,接触器KM1与KM2绝不能同时获电吸合,否则他们的主触头将同时闭合,使电源L1,L3两相电源短路。
为此,工程技术人员设计了许多种方法,用来防止KM1与KM2的同时获电接通。
这些方法统称为联锁、互锁或闭锁。
用机械的方法,就叫做机械联锁,用电气的方法,则称作电气联锁。
因机械联锁简单,在实践中遇到时,很容易弄明白。
所以本书只讨论电气联锁。
图20501中,在线圈KM1与KM2的各自支路中串联了对方的一个常闭辅助触头,这样,就保证了线圈KM1与KM2不会同时获电,也就不会发生短路故障。
这两个常闭触头叫作联锁触头。
由于这两个触头都属于接触器,所以称这种控制电路为接触器联锁的可逆控制线路。
图20501的工作原理如下:正转控制:按起动按钮SB2→KM1线圈获电→KM1自锁触头闭合自锁;KM1主触头闭合→使电动机获电正转;KM1常闭辅助触头断开→切断KM2线圈供电回路。
反转控制:先按停止按钮SB1→KM1线圈断电,KM1自锁触头断开;KM1主触头断开→电动机M断电停止;KM1联锁触头恢复闭合→为KM2线圈获电作准备。
为了使电动机能够正转和反转,可采用两只接触器KM1、KM2换接电动机三相电源的相序,但两个接触器不能吸合,如果同时吸合将造成电源的短路事故,为了防止这种事故,在电路中应采取可靠的互锁,上图为采用按钮和接触器双重互锁的电动机正、反两方向运行的控制路。
线路分析如下:一、正向启动:1、合上空气开关QF接通三相电源2、按下正向启动按钮SB3,KM1通电吸合并自锁,主触头闭合接通电动机,电动机这时的相序是L1、L2、L3,即正向运行。
二、反向启动:1、合上空气开关QF接通三相电源2、按下反向启动按钮SB2,KM2通电吸合并通过辅助触点自锁,常开主触头闭合换接了电动机三相的电源相序,这时电动机的相序是L3、L2、L1,即反向运行。
三、互锁环节:具有禁止功能在线路中起安全保护作用1、接触器互锁:KM1线圈回路串入KM2的常闭辅助触点,KM2线圈回路串入KM1的常闭触点。
当正转接触器KM1线圈通电动作后,K M1的辅助常闭触点断开了KM2线圈回路,若使KM1得电吸合,必须先使KM2断电释放,其辅助常闭触头复位,这就防止了KM1、KM2同时吸合造成相间短路,这一线路环节称为互锁环节。
2、按钮互锁:在电路中采用了控制按钮操作的正反传控制电路,按钮SB2、SB3都具有一对常开触点,一对常闭触点,这两个触点分别与KM1、KM2线圈回路连接。
例如按钮SB2的常开触点与接触器KM2线圈串联,而常闭触点与接触器KM1线圈回路串联。
按钮SB3的常开触点与接触器KM1线圈串联,而常闭触点压KM2线圈回路串联。
这样当按下SB2时只能有接触器KM2的线圈可以通电而KM1断电,按下SB 3时只能有接触器KM1的线圈可以通电而KM2断电,如果同时按下SB2和SB3则两只接触器线圈都不能通电。
这样就起到了互锁的作用。
四、电动机正向(或反向)启动运转后,不必先按停止按钮使电动机停止,可以直接按反向(或正向)启动按钮,使电动机变为反方向运行。
为了使电动机能够正转和反转,可采用两只接触器KM1、KM2换接电动机三相电源的相序,但两个接触器不能吸合,如果同时吸合将造成电源的短路事故,为了防止这种事故,在电路中应采取可靠的互锁,上图为采用按钮和接触器双重互锁的电动机正、反两方向运行的控制路。
线路分析如下:一、正向启动:1、合上空气开关QF接通三相电源2、按下正向启动按钮SB3,KM1通电吸合并自锁,主触头闭合接通电动机,电动机这时的相序是L1、L2、L3,即正向运行。
二、反向启动:1、合上空气开关QF接通三相电源2、按下反向启动按钮SB2,KM2通电吸合并通过辅助触点自锁,常开主触头闭合换接了电动机三相的电源相序,这时电动机的相序是L3、L2、L1,即反向运行。
三、互锁环节:具有禁止功能在线路中起安全保护作用1、接触器互锁:KM1线圈回路串入KM2的常闭辅助触点,KM2线圈回路串入KM1的常闭触点。
当正转接触器KM1线圈通电动作后,K M1的辅助常闭触点断开了KM2线圈回路,若使KM1得电吸合,必须先使KM2断电释放,其辅助常闭触头复位,这就防止了KM1、KM2同时吸合造成相间短路,这一线路环节称为互锁环节。
2、按钮互锁:在电路中采用了控制按钮操作的正反传控制电路,按钮SB2、SB3都具有一对常开触点,一对常闭触点,这两个触点分别与KM1、KM2线圈回路连接。
例如按钮SB2的常开触点与接触器KM2线圈串联,而常闭触点与接触器KM1线圈回路串联。
按钮SB3的常开触点与接触器KM1线圈串联,而常闭触点压KM2线圈回路串联。
这样当按下SB2时只能有接触器KM2的线圈可以通电而KM1断电,按下SB 3时只能有接触器KM1的线圈可以通电而KM2断电,如果同时按下SB2和SB3则两只接触器线圈都不能通电。
这样就起到了互锁的作用。
四、电动机正向(或反向)启动运转后,不必先按停止按钮使电动机停止,可以直接按反向(或正向)启动按钮,使电动机变为反方向运行。
电动机可逆运行控制电路为了使电动机能够正转和反转,可采用两只接触器KM1、KM2换接电动机三相电源的相序,但两个接触器不能吸合,如果同时吸合将造成电源的短路事故,为了防止这种事故,在电路中应采取可靠的互锁,上图为采用按钮和接触器双重互锁的电动机正、反两方向运行的控制电路。
线路分析如下:一、正向启动:1、合上空气开关QF接通三相电源2、按下正向启动按钮SB3,KM1通电吸合并自锁,主触头闭合接通电动机,电动机这时的相序是L1、L2、L3,即正向运行。
二、反向启动:1、合上空气开关QF接通三相电源2、按下反向启动按钮SB2,KM2通电吸合并通过辅助触点自锁,常开主触头闭合换接了电动机三相的电源相序,这时电动机的相序是L3、L2、L1,即反向运行。
三、互锁环节:具有禁止功能在线路中起安全保护作用1、接触器互锁:KM1线圈回路串入KM2的常闭辅助触点,KM2线圈回路串入KM1的常闭触点。
当正转接触器KM1线圈通电动作后,KM1的辅助常闭触点断开了KM2线圈回路,若使KM1得电吸合,必须先使KM2断电释放,其辅助常闭触头复位,这就防止了KM1、KM2同时吸合造成相间短路,这一线路环节称为互锁环节。
2、按钮互锁:在电路中采用了控制按钮操作的正反传控制电路,按钮SB2、SB3都具有一对常开触点,一对常闭触点,这两个触点分别与KM1、KM2线圈回路连接。
例如按钮SB2的常开触点与接触器KM2线圈串联,而常闭触点与接触器KM1线圈回路串联。
按钮SB3的常开触点与接触器KM1线圈串联,而常闭触点压KM2线圈回路串联。
这样当按下SB2时只能有接触器KM2的线圈可以通电而KM1断电,按下SB3时只能有接触器KM1的线圈可以通电而KM2断电,如果同时按下SB2和SB3则两只接触器线圈都不能通电。
这样就起到了互锁的作用。
四、电动机正向(或反向)启动运转后,不必先按停止按钮使电动机停止,可以直接按反向(或正向)启动按钮,使电动机变为反方向运行。
电动机可逆运行的反接制动控制电路的工作原理
按下正转起动按钮SB2,中间继电器KA3线圈通电并自锁,其常闭触点打开,互锁中间继电器KA4线圈电路,KA3常开触点闭合,使接触器KM1线圈通电,KM1主触点闭合使定子绕组经三个电阻R接通正序三相电源,电动机M开始减压起动。
当电机转速上升到一定值时,速度继电器的正转使常开触点KS1闭合,中间继电器KA1通电并自锁,这时由于KA1、KA3的常开触点闭合,接触器KM3线圈通电,于是三个电阻R被短接,定子绕组直接加以额定电压,电动机转速上升到稳定工作转速。
在电动机正常运转的过程中,若按下停止按钮SB1,则KA3、KM1、KM3三个线圈相继断电。
由于此时电动机转子的惯性转速仍然很高,使速度继电器的正转常开触点KS1尚未复原,中间继电器KA1仍处于工作状态,所以在接触器KM1常闭触点复位后,接触器KM2线圈便通电,其常开触点闭合,使定子绕组经三个电阻R获得反相序三相交流电源,对电动机进行反接制动,电动机转速迅速下降。
当电动机转速低于速度继电器动作值时,速度继电器常开触点复位,KA1线圈断电,接触器KM2释放,反接制动过程结束。
电机反向起动和制动停车过程与正转相同。
电动机可逆运行控制电路
电动机可逆运行控制电路
为了使电动机能够正转和反转,可采用两只接触器KM1、KM2换接电动机三相电源的相序,但两个接触器不能吸合,如果同时吸合将造成电源的短路事故,为了防止这种事故,在电路中应采取可靠的互锁,上图为采用按钮和接触器双重互锁的电动机正、反两方向运行的控制电路。
线路分析如下:
一、正向启动:
1、合上空气开关QF接通三相电源
2、按下正向启动按钮SB3,KM1通电吸合并自锁,主触头闭合接通电动机,电动机这时的相序是L1、L2、L3,即正向运行。
二、反向启动:
1、合上空气开关QF接通三相电源
2、按下反向启动按钮SB2,KM2通电吸合并通过辅助触点自锁,常开主触头闭合换接了电动机三相的电源相序,这时电动机的相序是L
3、L2、L1,即反向运行。
三、互锁环节:具有禁止功能在线路中起安全保护作用
1、接触器互锁:KM1线圈回路串入KM2的常闭辅助触点,KM2线圈回路串入KM1的常闭触点。
当正转接触器KM1线圈通电动作后,KM1的辅助常闭触点断开了KM2线圈回路,若使KM1得电吸合,必须先使KM2断电释放,其辅助常闭触头复位,这就防止了KM1、KM2同时吸合造成相间短路,这一线路环节称为互锁环节。
2、按钮互锁:在电路中采用了控制按钮操作的正反传控制电路,按钮SB2、SB3都具有一对常开触点,一对常闭触点,这两个触点分别与KM1、KM2线圈回路连接。
例如按钮SB2的常开触点与接触器KM2线圈串联,而常闭触点与接触器KM1线圈回路串联。
按钮SB3的常开触点与接触器KM1线圈串联,而常闭触点压KM2线圈回路串联。
这样当按下SB2时只能有接触器KM2的线圈可以通电而KM1断电,按下SB3时只能有接触器KM1的线圈可以通电而KM2断电,如果同时按下SB2和SB3则两只接触器线圈都不能通电。
这样就起到了互锁的作用。
四、电动机正向(或反向)启动运转后,不必先按停止按钮使电动机停止,可以直接按反向(或正向)启动按钮,使电动机变为反方向运行。
五、电动机的过载保护由热继电器FR完成。
电动机可逆运行控制接线示意图
电动机可逆运行控制电路的调试
1、检查主回路路的接线是否正确,为了保证两个接触器动作时能够可靠调换电动机的相序,接线时应使接触器的上口接线保持一致,在接触器的下口调相。
2、检查接线无误后,通电试验,通电试验时为防止意外,应先将电动机的接线断开。
故障现象预处理;
1、不启动;原因之一,检查控制保险FU是否断路,热继电器FR接点是否用错或接触不良,SB1按钮的常闭接点是否不良。
原因之二按纽互锁的接线有误。
2、起动时接触器“叭哒”就不吸了;这是因为接触器的常闭接点互锁接线有错,将互锁接点接成了自己锁自己了,起动时常闭接点是通的接触器线圈的电吸合,接触器吸合后常闭接点又断开,接触器线圈又断电释放,释放常闭接点又接通接触器又吸合,接点又断开,所以会出现“叭哒”接触器不吸合的现象。
3、不能够自锁一抬手接触器就断开,这是因为自锁接点接线有误。