贝雷片力学参数
- 格式:docx
- 大小:17.02 KB
- 文档页数:3
贝雷片弦杆计算一、贝雷片基本结构与几何尺寸贝雷片(单片)结构轮廓图贝雷片弦杆采用16Mn][10,如右侧图示,断面面积2A cm =2⨯12.74=25.48;截面抵抗矩339.478.8x W cm =2⨯=;截面惯性矩4198.3396.6x I cm =2⨯=;弹性模量5.110E MPa =2⨯弦杆横断面图二、计算1、梁体自重:W1=187m3×26KN/m3=4682KN ,其中326/kN m 系按设计文件取值;2、满堂碗扣式脚手架:2350W kN =,已考虑满堂碗扣式脚手架加固所需材料的荷载;3、弦杆受碗扣式脚手架单根立柱荷载为:P=(4682+350)/(12×14)=29.96KN注:碗扣式脚手架在箱梁底板6.7m 范围内,按顺桥向12行,横桥向14列布置,翼板虽布置了横桥向6列,但在此计算时,仅考虑箱梁底板范围内碗扣式脚手架承担箱梁梁体重量及全部碗扣式脚手架的重量,且恰好支承在单片贝雷梁弦杆中,即按照弦杆最不利位置进行计算。
4、按简支梁计算贝雷片弦杆m ax f :f max =PL 3/48EI=29.26KN ×(0.7m)3/(48×2.1×105MPa ×396.6cm 4)=0.025cm5、稳定性计算:按实腹式轴心受压构件计算[]N A σϕ≤⋅,其中弦杆属双肢b 类截面轴心受压构件,其长细比070017.739.5x x l λγ===按《钢结构设计规范GB50017-2003》5.3.1条中的规定:确定桁架弦杆的长细比时,其计算长度0l (弯曲方向在桁架平面内时)为构件的几何尺寸(节点中心间距离)700mm 。
(不考虑偏心受压情况)。
查《钢结构设计规范GB50017-2003》表C-2可知,稳定系数0.977ϕ=。
即29.26KN/(0.977×25.48cm 2)=11.76MPa <[σ]=160MPa查阅相关书籍,16Mn 的容许拉应力、压应力按1.3210M P a ⨯计算,容许剪应力按1.3160M Pa ⨯,计算时,系按容许剪应力计算。
贝雷梁桁架单元结构与基本尺寸如图6和图7,构件断面图特性见表1。
表1 标准桁架构件断面图特性
标准桁架容许力如下:
桁架弦杆容许轴向压力:508kN;
桁架弦杆容许轴向拉力:662kN;
桁架竖腹杆容许轴向压力:191kN;
桁架斜腹杆容许轴向压力:149kN;
桁架容许弯矩:711kN-m;
桁架容许剪力:210kN。
主要材料性能:
①结构材料Q235
屈服强度:σs=235 MPa
抗拉、抗压和抗弯强度:[σ]=157MPa
抗剪强度:[τ]=90MPa
②材料Q345
屈服强度:σs=345 Mpa
抗拉、抗压和抗弯强度:[σ] =230MPa
抗剪强度:[τ]=133MPa
③钢材的物理性能指标
弹性模量E=2.06×105 MPa
剪切模量G=0.81×105 MPa
质量密度ρ=7850kg/m3
④16锰钢拉应力、压应力及弯应力为1.3×210=273 MPa;剪应力为1.3×160=208 MPa。
图6 桁架单元结构图
图7 桁架单元轮廓图。
贝雷梁拼装结构力学参数贝雷梁现有进口与国产两种规格,国产贝雷梁其桁节用16锰钢,销子采用铬锰钛钢,插销用弹簧钢制造,焊条用T505X型,桥面板和护轮木用松木或杉木。
材料的容许应力按基本应力提高30%,个别钢质杆件超过上述规定时,不得超过其屈服点的85%,设计时采用的容许应力如下:木料——顺木纹弯应力、压应力及承压应力为16.2MPa;受弯时顺木纹剪应力为2.7 MPa。
弹性模量E=98.5×105MPa。
钢料——16锰钢拉应力、压应力及弯应力为1.3×210=273 MPa;剪应力为1.3×160=208 MPa。
30铬锰钛拉应力、压应力及弯应力为0.85×1300=1105 MPa;剪应力为0.45×1300=585 MPa。
现有进口贝雷梁多系20世纪40年代的产品,材料屈服点强度为351 MPa,其容许应力按0.7×351=245 MPa考虑,销子容许应力可考虑与国产销子一样。
构件重量如下表(单位:kg):其它构件容许荷载如下:进口贝雷梁的桁架销子双剪状态容许剪力550KN;弦杆螺栓容许剪力150KN,容许拉力80KN;摆动滚子最大容许荷载210KN。
国产贝雷梁的栓滚最大容许荷载250KN,平滚每一滚子最大荷载60KN;其余可参考进口贝雷的数值。
桁架片力学性质见下表:另有计算简化成单杆系可采用:I x=685.12×10-8m4,y=0.0028m,截面积A=146.45×10-4m。
拼装钢桥梁几何特性表:桁架容许内力表:注:1、进口贝雷截面面积等是按4ft槽钢查国外钢结构资料得出;2、进口贝雷桁片惯矩(英制单位)转引自“贝雷桁片手册”(载1964年公路设计资料第五期),其桁片断面率系由惯矩计算得出;3、国产与进口桁片容许弯矩系单排单层的数值,各由其容许应力计算得出。
如规定的容许应力与前述不同,应另行计算;4、三排单层贝雷的容许弯矩可按单排单层的乘以3再乘以不均匀系数0.9;双排双层的可按单排单层的乘以4再乘0.9;三排双层的可按单排单层的乘以8再乘0.8;5、表列国产贝雷的力学性质未计入加强弦杆。
贝雷梁截面力学参数贝雷梁现有进口与国产两种规格,国产贝雷梁其桁节用16锰钢,销子采用铬锰钛钢,插销用弹簧钢制造,焊条用T505X 型,桥面板和护轮木用松木或杉木。
材料的容许应力按基本应力提高30%,个别钢质杆件超过上述规定时,不得超过其屈服点的85%。
设计时采用的容许应力如下:木料——顺木纹弯应力、压应力及承压应力为16.2MPa ;进口贝雷梁的桁架销子双剪状态容许剪力550KN ;弦杆螺栓容许剪力150KN ,容许拉力80KN ;摆动滚子最大容许荷载210KN 。
国产贝雷梁的栓滚最大容许荷载250KN ,平滚每一滚子最大荷载60KN ;其余可参考进口贝雷的数值。
桁架片力学性质见下表:类型高×长(cm) 弦杆截面面率F(cm2) 弦杆惯矩Ix(cm4) 弦杆断面率Wx(cm3) 桁片惯矩Ig(cm4) 桁片断面率Wo(cm3)国产150×300 25.48 396.6 79.4 250500 3570进口154.94×304.8(61×120 ft) 27.48 382.9 75.2 283000(6800 ft4) 3910(238.6 ft4)类型桁片允许弯矩Mo(KN•m) 弦杆回旋半径α=Ix/F (cm) 自由长度Ip (cm) 长细比λ=Ip/R 纵向弯曲系数φ 弦杆纵向容许受压荷载(KN)国产 975.0 3.94 75 19.0 0.953 663.0进口 958.0 3.72 76.2 20.5 0.948 638.0另有计算简化成单杆系可采用:Ix =685.12×10-8m4,y =0.0028m ,截面积A =146.45×10-4m 。
拼装钢桥梁几何特性表:1、进口贝雷截面面积等是按4ft 槽钢查国外钢结构资料得出;2、进口贝雷桁片惯矩(英制单位) 转引自“贝雷桁片手册”(载1964年公路设计资料第五期) ,其桁片断面率系由惯矩计算得出;3、国产与进口桁片容许弯矩系单排单层的数值,各由其容许应力计算得出。
贝雷梁桁架单元结构与基本尺寸如图6和图7,构件断面图特性见表1。
表1 标准桁架构件断面图特性
标准桁架容许力如下:
桁架弦杆容许轴向压力:508kN;
桁架弦杆容许轴向拉力:662kN;
桁架竖腹杆容许轴向压力:191kN;
桁架斜腹杆容许轴向压力:149kN;
桁架容许弯矩:711kN-m;
桁架容许剪力:210kN。
主要材料性能:
①结构材料Q235
屈服强度:σs=235 MPa
抗拉、抗压和抗弯强度:[σ]=157MPa
抗剪强度:[τ]=90MPa
②材料Q345
屈服强度:σs=345 Mpa
抗拉、抗压和抗弯强度:[σ] =230MPa
抗剪强度:[τ]=133MPa
③钢材的物理性能指标
弹性模量E=2.06×105 MPa
剪切模量G=0.81×105 MPa
质量密度ρ=7850kg/m3
④16锰钢拉应力、压应力及弯应力为1.3×210=273 MPa;剪应力为1.3×160=208 MPa。
图6 桁架单元结构图
图7 桁架单元轮廓图。
贝雷片力学参数
贝雷架可以是国产或进口,国产贝雷架也称为321钢桥,其基本组成单元是贝雷片,见图 1 。
贝雷片由上下弦杆、竖杆及斜杆焊接而成,上下弦杆分别为双[10槽钢,斜杆和竖杆为I8工字钢,桁架构件材料为16Mn,每片桁架重2.7kN,单位长重量为0.9kN/m。
上下弦杆的一端为阴头,另一端为阳头,统称为接头,见图2;阴阳头都有销栓孔,两节贝雷片连接时,将一节的阳头插入另一节的阴头内,对准销子孔,插上销子即可。
上、下弦杆内有螺栓孔,通过螺栓来拼组加强弦杆或双层贝雷片,图3为加强弦杆的螺栓图。
(a) (b)
图 1 贝雷片构造(尺寸单位:mm),(a)贝雷片三维图,(b) 贝雷片三视图
图2 接头
图3 加强弦杆螺栓(单位:mm)
贝雷片的基本力学特性见表1、2。
表1 贝雷梁单元杆件力学性能
表2 材料、屈服强度及容许应力(MPa)
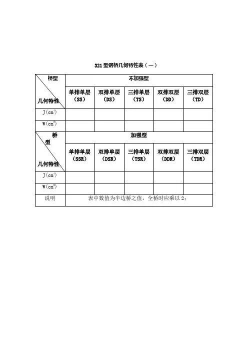
表3 相当梁模型时贝雷架几何特性
表4 相当梁模型时贝雷架容许内力表。
支架拼设方案检算说明1、该方案采用贝雷片拼设的支架进行现浇梁体的施工。
2、贝雷片上方铺设工字钢作为分配梁,工字钢上方直接铺设定型钢模板。
3、为确保模板顺利拆除,在钢管桩顶设置Φ=500mm的钢砂箱。
4、为加快支架安装的速度,所有分配梁、钢管桩、砂箱均统一使用同一规格。
设1排钢管桩立柱结构拼设检算成果书一、检算过程中用到的各种参数钢材E=2.1×105MPa=2.1×108KPa单排单层贝雷片I=250497.2cm4, W=3578.5 cm3[M]=788.2KN.m; [Q]=245.2KN贝雷片自重305/3=102kg/m=1.02KN/m22号工字钢I=3400cm4, W=309 cm3, 每延米自重q=42kg/m。
20号工字钢I=2370cm4, W=239 cm3, 每延米自重q=27.9kg/m。
28号工字钢I=7110cm4, W=508 cm3, 每延米自重q=43.4kg/m。
32号工字钢I=11620cm4, W=726 cm3, 每延米自重q=57.7kg/m。
二、腹板部分,设4排贝雷片钢材E=2.1×105MPa=2.1×108KPa4排单层贝雷片力学参数I=250497.2×4=1001988.8cm4,W=14314 cm3[M]=3152.8KN.m; [Q]=980.8KN检算过程所应考虑的各种荷载:1、贝雷片自重q1=102×4=408kg/m=4.08KN/m2、施工人员荷载q2=2.5×2.75×1=6.875 KN/m3、振捣荷载q3=2.0×2.75=5.5KN/m4、模板荷载(在腹板附近处)q4=腹板处模板重量+内模标准架+内模桁架+内模模板系+内模支架系+底模系=(34/2/32.6+0.1+0.11+0.15(内模暂考虑15t)+0.3+12/32.6/5×2.5)×10=13.655KN/m5、梁体自重腹板q5=(2.5+2.5)×0.45×1/2×25=28.125KN/m顶板q6=(0.65×0.45×1+(0.65+0.3)/2×1.635)×25=26.73KN/m底板q7=1×0.28×2.75×25=19.25KN/m6、分配型钢(暂按I22号工字钢间距0.6m)q8=0.042×2.75*1*0.6=0.1925KN/m贝雷片所受荷载q= q1+ q2 + q3 + q4 + q5 + q6 + q7 + q8 =(6.875+5.5)×1.4+(4.08+13.655+28.125+26.73+19.25+0.1925)×1.2=127.764KN/m,贝雷梁跨径按12.95m进行检算,检算时按两跨连续梁受均布荷载进行简化计算M=0.125ql2=0.125×127.764×12.952=2678.293KN.m<[M]=3152.8KN.m 满足要求Q=0.625ql=0.625×127.764×12.95=1034.0898<[Q] ×1.2=980.8KN×1.2 (剪力在临时结构中可不考虑荷载分项系数,而且可考虑应力提高系数1.2,在进行Q检算过程中如果将荷载分项系数不进行考虑,即能满足结构受力特性,不需考虑应力提高系数)满足要求f=0.521ql4/(100EI)=0.521×127.764 ×12.954/(100×2.1×108×1001988.8×10-8)=0.0089m=8.89mm<[f]=l/400=12950/400=32.375mm。
贝雷片力学参数
贝雷架可以是国产或进口,国产贝雷架也称为321钢桥,其基本组成单元是贝雷片,见图 1 。
贝雷片由上下弦杆、竖杆及斜杆焊接而成,上下弦杆分别为双[10槽钢,斜杆和竖杆为I8工字钢,桁架构件材料为16Mn,每片桁架重2.7kN,单位长重量为0.9kN/m。
上下弦杆的一端为阴头,另一端为阳头,统称为接头,见图2;阴阳头都有销栓孔,两节贝雷片连接时,将一节的阳头插入另一节的阴头内,对准销子孔,插上销子即可。
上、下弦杆内有螺栓孔,通过螺栓来拼组加强弦杆或双层贝雷片,图3为加强弦杆的螺栓图。
(a) (b)
图 1 贝雷片构造(尺寸单位:mm),(a)贝雷片三维图,(b) 贝雷片三视图
图2 接头
图3 加强弦杆螺栓(单位:mm)
贝雷片的基本力学特性见表1、2。
表1 贝雷梁单元杆件力学性能
表2 材料、屈服强度及容许应力(MPa)
表3 相当梁模型时贝雷架几何特性
表4 相当梁模型时贝雷架容许内力表。
贝雷片力学参数
贝雷架可以是国产或进口,国产贝雷架也称为321钢桥,其基本组成单元是贝雷片,见图1 。
贝雷片由上下弦杆、竖杆及斜杆焊接而成,上下弦杆分别为双[10槽钢,斜杆和竖杆为I8工字钢,桁架构件材料为16Mn,每片桁架重2.7kN,单位长重量为0.9kN/m。
上下弦杆的一端为阴头,另一端为阳头,统称为接头,见图2;阴阳头都有销栓孔,两节贝雷片连接时,将一节的阳头插入另一节的阴头内,对准销子孔,插上销子即可。
上、下弦杆内有螺栓孔,通过螺栓来拼组加强弦杆或双层贝雷片,图3为加强弦杆的螺栓图。
(a) (b)
图 1 贝雷片构造(尺寸单位:mm),(a)贝雷片三维图,(b) 贝雷片三视图
图2 接头
图3 加强弦杆螺栓(单位:mm)
贝雷片的基本力学特性见表1、2。
表1 贝雷梁单元杆件力学性能
表2 材料、屈服强度及容许应力(MPa)
表3 相当梁模型时贝雷架几何特性
表4 相当梁模型时贝雷架容许内力表。