检测项目收费标准
- 格式:docx
- 大小:32.65 KB
- 文档页数:11
建设工程检测—收费标准1.常规建筑材料检测收费标准2. 防水材料及市政土工检测收费标准3. 现场结构检测收费标准4. 水电设备安装检测收费5. 环境检测收费6. 保温节能材料检测收费7. 基坑、基桩检测收费1. 常规建筑材料检测收费标准序号检测项目单位收费标准(元)备注1 水泥强度组300全部项目合计收费450元安定性单项检测费用为150元细度组25安定性组70标准稠度组25凝结时间组502 混凝土配合比设计组200 配合比试配组500 抗渗配合比设计组1000 外加剂混凝土配合比试配组650 抗压组30 抗折组50 抗渗 S6抗渗 S8组500600 抗冻组800 碳化组400 弹性模量组1000 混凝土收缩性能组20003 砂浆配合比设计组200 稠度组90 密度组90 分层度组120 抗压组30 抗渗组2004 建筑用石颗粒级配组100全部常规项目合计收费340 含泥量组80泥块含量组80针片状含量组80*压碎指标组120 *坚固性组280 *堆积密度、紧密密度组80 *表观密度组80 含水率组50 吸水率组505 建筑用砂颗粒级配组80全部常规项目合计收费240 含泥量组80泥块含量组80*堆积密度、紧密密度组80*表观密度组80*含水率组50*吸水率组50*云母含量组80*轻物含量组80*坚固性组2806 混凝土外加剂减水率组150 另加材料费150元泌水率组150含气量组150凝结时间差组200固体含量组50抗压强度组500比重组40PH酸度组1007 烧结普通砖强度等级(抗压)组150 *尺寸偏差组130 *外观质量组50 *饱和系数组80 *石灰爆裂组808 烧结多孔砖强度等级组170 *尺寸偏差组130 *外观质量组50 *石灰爆裂组809 烧结空心砖和空心砌块强度等级组170尺寸偏差组130外观质量组50*石灰爆裂组80吸水率组90抗折组70泛霜组80抗冻组500 碳化组40010 混凝土小型空心砌块强度等级组190*尺寸偏差组80*外观质量组80*相对含水率组22011 粉煤灰砌块抗压强度组190全部常规项目合计收费380 *尺寸偏差组80*外观质量组80密度组190*含水率组220抗折组190空心率组60容重组190吸水率组190干缩率组1800软化系数组310抗冻组600碳化组150012 道路砖强度等级组180全部常规项目合计收费310 *尺寸偏差组130*外观质量组50吸水率组130*耐磨组350抗冻组550抗折组18013 混凝土瓦承载力组140全部项目合计收费365 吸水率组45抗渗性能组180抗冻性能组800急冷急热组12014 烧结瓦抗弯曲性能组140吸水率组45*尺寸偏差组80*外观质量组80*抗渗性能组180石棉瓦抗折(一纵二横向)组120 包括切割加工15 纸面石膏板含水率、断裂荷载、单位面积重量、粘结力组72016 普通石膏板吸水率、断裂荷载、单组680位面积重量、外观尺寸17 石膏刨花板含水率组130 密度组90 吸收膨胀组60 抗拉组130 静曲强度组13018 钢筋混凝土用热轧带肋钢筋钢筋混凝土用热轧光圆钢筋抗拉强度弯曲组(Ф≤25mm) 55(Ф=28mm) 90(Ф≥32mm) 18019 冷轧带肋钢筋抗拉强度弯曲组27.520 低碳钢热轧圆盘条抗拉强度伸长率弯曲组5521 碳素结构钢抗拉根70全部项目合计收费90+试件加工费60弯曲根2022 低合金高强度结构钢抗拉根70全部项目合计收费90+试件加工费60弯曲根2023 焊接件抗拉、冷弯组(Ф≤25mm) 70 (Ф=28mm) 130 (Ф≥32mm) 20024 大六角螺栓楔负载试验个150 全部项目合计收费1100其中:楔负载试验2个;连接副扭矩系数8个;螺母保证荷载试验2个;螺母硬度2个;垫圈硬度2个连接副扭矩系数个100螺母保证荷载试验个150螺母硬度个50垫圈硬度个5025 钢结构用扭剪型高强度螺栓连接副楔负载试验个150 全部项目合计收费1100其中:楔负载试验2个;连接副紧固轴力试验5个;螺母保证荷载试验2个;螺母硬度2个;垫圈硬度2个连接副紧固轴力试验个100螺母保证荷载试验个150螺母硬度个50垫圈硬度个5026 抗滑移试验抗滑移系数组60027 铝合金尺寸偏差力学性能(硬度)氧化膜厚度组170 全部常规项目合计收费17028 轻钢龙骨吊顶力学性能项600 墙体龙骨力学性能项100029 千斤顶标定≤150t收300元>150t 每增加1吨收2元30 硬聚氯乙烯塑料型材加热后状态组50全部常规项目合计收费300 加热后尺寸变化率件200角强度组100落锤冲击31 安全网耐冲击性能张250 耐贯穿性能张25032 建筑玻璃碎片状态组1000 落锤冲击组800 霰弹袋冲击性能组100033 钢管脚手架扣件直角扣件(抗滑移、抗破坏、扭转刚度)个60 旋转扣件(抗滑移、抗破坏)个60 对接扣件抗拉个602. 防水材料及市政土工检测收费标准序号检测项目单位收费标准(元)备注1 合成树脂乳液内、外墙涂料成型组50全部项目合计收费570(含成型及养护费150) 养护组100在容器中状态组10施工性组40干燥时间组30涂膜外观组20对比率组150耐水性组50耐碱性组60耐洗刷性组802 沥青针入度组110全部项目合计收费330软化点组110延度组1103 聚氯乙烯防水接缝材料耐热性组100全部项目合计收费495 低温柔性组120粘结延伸率组60浸水粘结延伸率组75回弹率组70挥发率组704 沥青防水卷材*浸涂材料含量组180全部常规项目合计收费460 不透水性组150吸水性组50耐热度组140拉力组100柔度组205 弹性体沥青防水卷材、塑性体沥青防水卷材拉力组100全部项目合计收费530 断裂延伸率组70耐热度组140柔度组90不透水性组1506 聚氯乙烯防水卷材拉伸强度组100全部项目合计收费530 断裂伸长率组90热处理尺寸变化率组120低温弯折性组90抗渗透性组1507 三元乙丙片材拉伸强度组100全部常规项目合计收费530 断裂伸长率组90撕裂强度组100低温弯折性组90不透水性组1508 聚氨脂防水涂料成型组80全部项目合计收费570 养护天20拉伸强度组50断裂延伸率组40低温柔性组200不透水性组100固体含量组90适用时间组30涂膜表干时间组30涂膜实干时间组309 陶瓷砖吸水率组160全部常规项目合计收费360破坏强度和断裂模数组120*尺寸偏差组240表面质量组80抗冻性组360抗釉裂性试验组12010 土工环刀法点90 灌砂(水)法点255击实试验 组 850 无侧限抗压 组 1000 液塑限组 120 11 灰剂量检测个 110 12 灰剂量标准曲线 组 50013 道路回弹弯沉点 7.5外加车辆费半天500元 14集料 筛分 组 80 压碎值 组 120 针片状组 80 含泥量组 80 密度 组 100 亲水系数组 100 砂石最大干密度 组 1000 15沥青 软化点 组 110 针入度组 110 延度组 110 粘附性 组 100 密度组 1000 16 沥青混合料 马歇尔稳定度组 667 沥青混凝土击实组 667 沥青含量组 200 17 二灰碎石配合比设计组 3240 18水泥土配合比项 1000 抗压强度组303. 现场结构检测收费标准序号 检测项目 单位 收费标准(元) 备 注1焊缝超声波检测 翼板焊缝 条 20 每次检测起收费是500元 腹板焊缝 条 30 2 回弹法检测混凝土抗压强度 区 30 3 回弹、超声综合法检测混凝土抗压强度 区 60 4 钻芯法检测混凝土强度 个 3005 超声法检测混凝土缺陷 m 2 600每次检测起收费是1000元6 构件检验大型屋面板结构检验 块 1000楼面静载试验 间 1000(<10m 2)间 1500(10-15m 2)间 2000(15-20m 2)间2500(>20m2)7 预应力板、混凝土空心板(包括檀条)承载力、挠度、抗裂组6008 饰面砖粘结强度保温层外墙面砖组1500 普通层外墙面砖组9009 锚固承载力植筋<Ф10 组300Ф10~Ф20 组500≥Ф20 组900 化学螺栓拉拔组90010 钢筋保护层板点15 柱子、梁点视现场检测情况协商11 混凝土排水管外压根1000 外加内压检测收费1500元内压根100012 沉降观测布点点70测量点100 每测量一次13 垂直观测布点点70测量点100 每测量一次14 现场检测砂浆抗压强度(回弹法、贯入法组13504. 水电设备安装检测收费序号项目单位收费标准备注1 门窗现场检测组2400 一组三樘2 施工升降机检测台12003 塔式起重机检测0~25t.m 台595 复检300元/次,检测费用另加派车费100元/次30~40 t.m 台76560~80 t.m 台935100 t.m 以上台17004 水电检测线路绝缘回路40 厂房另记接地电阻组60通球系统30水压回路1205. 环境检测收费序号项目单位价格(元)备注1 土壤中氡气点802 室内氡浓度点1503 室内甲醛点1504 室内氨点1505 室内苯点2006 室内TVOC 点3507 无机建筑材料放射性检测点10008 内墙涂料检测VOC 组300游离甲醛组800重金属组800 包括铅、镉、铬、汞9 油漆VOC 组100苯组300甲苯组300二甲苯组300TDI 组300重金属组800 包括铅、镉、铬、汞10 胶粘剂检测游离甲醛组800苯组300甲苯组300二甲苯组300TDI 组300重金属组800 包括铅、镉、铬、汞11 人造板及其制品甲醛释放量检测组800穿孔萃取法、干燥器法组5000 环境测试舱法12 混凝土外加剂释放氨检测组300 氯离子组300 pH值组100 硫酸盐组30013 水泥、石灰、粉煤灰烧失量组100 氧化钙组300 氧化镁组300 三氧化硫组30014 水质分析pH 组100不溶物组100可溶物组100氯离子组300硫酸根组300硫化物组3006. 保温节能材料检测收费打“*”的为常规复检项目序号项目价格(元)合计(元)备注1 聚苯板表观密度* 3006300 复检1800 尺寸稳定性* 300抗拉强度* 500导热系数* 700压缩强度* 400水蒸气渗透系数2000吸水率1000燃烧性能11002 保温浆料干表观密度* 40010000 复检2000 压缩强度* 400吸水率* 400导热系数* 800抗拉强度500线性收缩率1000软化系数500燃烧性能60003 抗裂砂浆常温常态拉伸粘结强度(与水泥砂浆)3003800 复检900 浸水拉伸粘结强度(与水泥砂浆)300常温常态拉伸粘结强度(与保温材料)*300浸水拉伸粘结强度(与保温材料)*300压折比* 300冻融后拉伸粘结强度2000可操作时间3004 胶粘剂常温常态拉伸粘结强度3001800 复检800 浸水拉伸粘结强度400常温常态拉伸粘结强度(与水泥砂浆)*400浸水拉伸粘结强度* 400可操作性3005 界面砂浆常温常态拉伸粘结强度(与保温材料)4001600 复检800 浸水拉伸粘结强度(与保温材料)400常温常态拉伸粘结强度(与水泥砂浆)*400浸水拉伸粘结强度400(与水泥砂浆)*6 耐碱玻纤网格布网孔中心矩1001100 复检1000 单位面积质量* 100断裂强力* 300断裂强力保留率* 500断裂伸长率* 1007 镀锌钢丝网网孔大小* 100800 复检800 丝径* 100焊点抗拉力* 350镀锌层质量* 2508 珍珠岩保温板抗压1303840密度80含水率130导热系数(墙体法)35009 外保温系统耐候性* 3500053000按JG144检测耐候性35000;按JG158检测40000 抗风压8000抗冲击1000吸水量1000耐冻融2000热阻3500抹面层不透水性500保护层水蒸气渗透阻20007. 基坑、基桩检测收费1、深基坑开挖及对周边构筑物影响监测收费标准序号项目单位价格(元)备注1 监测基准网(布点)(二等)水平位移点2181垂直位移点12162 变形监测(二等)水平位移点.次74垂直位移点.次503 建筑物倾斜监测H≤30m点.次920H >30m 点.次11004 建筑物裂缝监测条.次235 深层侧向位移监测米.次23 D≤20m6 应力应变监测点.次.个297 地下水位测量(试验观测孔) 次.孔1708 测斜管、水位管材料及埋设费米1509 应力计只30010 巡视检查次500另:岩土工程监测技术工作费收费比例为22%注:以上收费标准摘自《工程勘察设计收费标准》(2002年修订本)2、基桩检测收费基桩检测包括:静载、动测(高应变、低应变)、声波透射,其检测收费为静载荷试验费65元╱吨;低(小)应变动力检测费65元╱根。
建设项目质量检测收费参考标准
背景
在建设项目中,质量检测是确保工程质量和安全的重要环节。
为了确定合理的质量检测收费标准,本文提供了建设项目质量检测收费的参考标准。
目标
本文的目标是为建设项目质量检测收费提供参考标准,以便各方能够在进行项目质量检测时有一个明确的收费依据。
方法
参考标准的制定经过以下几个步骤:
1. 收集信息:收集建设行业中不同类型项目的质量检测收费情况。
2. 分析数据:对收集到的信息进行分析,找出其中的共性和差异。
3. 制定标准:根据分析结果,制定建设项目质量检测收费的参考标准。
参考标准
下面是建设项目质量检测收费的参考标准:
1. 收费方式:建议按项目阶段进行收费,例如设计阶段、施工阶段、竣工验收阶段等。
2. 收费基准:建议按照项目总造价的一定比例进行收费,比例可根据具体情况进行确定。
3. 不同类型项目:建议根据不同类型的建设项目,制定不同的收费标准。
例如,住宅项目和工业项目可以有不同的收费标准。
4. 附加收费:对于一些特殊项目或特殊要求,可以根据实际情况进行额外的附加收费。
结论
本文提供了建设项目质量检测收费的参考标准,为相关方提供了明确的收费依据。
然而,实际项目中的具体收费标准仍需根据项目的具体情况和市场需求进行调整。
工程检测项目收费标准1检测中心开户行:工行XX支行账号:XXX收款单位:XX有限公司工程检测项目收费标准序号检测项目取样数量收费标准优惠价1 混凝土抗压试验一组3块20元/组16元/组2 水泥试验20kg 214元/组171元/组3 砂子试验20kg 110元/组88元/组4 石子试验30kg 150元/组120元/组5 钢筋原材试验一组7根(25以下)130元/组(25以下)104元/组一组7根(含25以上)140元/组(含25以上)112元/组一组7根(含32以上)160元/组(含32以上)128元/组6 钢筋焊接试验一组3根(闪光对焊、气压焊6根)(不含25)50元/组(不含25)40元/组一组3根(闪光对焊、气压焊6根)(25以上)60元/组(25以上)48元/组7 机械连接试验一组3根(配3根原材)(25以下)70元/组(25以上)80元/组(25以下)56元/组(25以上)64元/组8 钢材型材焊接试验一组6根80元/组64元/组9 钢材型材原材试验一组3根70元/组56元/组10 普通混凝土配合比设计200元/组160元/组11 特种混凝土配合比设计300~500元/组240~400元/组高强和有特殊要求的混凝土配合比设计≥800元/组≥640元/组12 混凝土抗渗试验一组6块(圆柱形)500元/组400元/组13 混凝土/砂浆抗冻试验1次4000元20元/循环次16元/循环次14 砂浆抗压强度试验20元/组16元/组15 砂浆配合比设计200元/组160元/组16 烧结普通砖试验一组25块强度300元/组强度240元/组泛霜160元/组石灰爆裂240元/组泛霜200元/组石灰爆裂300元/组序号检测项目取样数量收费标准优惠价17 烧结多孔砖试验一组25块强度300元/组泛霜200元/组石灰爆裂300元/组强度240元/组泛霜160元/组石灰爆裂240元/组18混凝土小型空心砌块试验(砼路制品、砼路面砖、砼路缘石)一组12块400元/组320元/组19 加气混凝土砌块试验一组18块(100×100)㎜300元/组240元/组20 空心砖试验一组25块强度300元/组泛霜200元/组石灰爆裂300元/组强度240元/组泛霜160元/组石灰爆裂240元/组21 粉煤灰试验2-4kg 300元/组240元/组22 防水卷材试验 1.6㎡300元/组240元/组23 砂夹石击实试验300元/次240元/次24 砂夹石现场试验75元/点60元/点25 素土击实试验180元/次144元/次26 素土现场试验40元/点32元/点27 早强剂试验1500元/组1200元/组28 普通减水剂试验3-5kg 1500元/组1200元/组29 高效减水剂试验3-5kg 2000元/组1600元/组30 缓凝剂试验3-5kg 2000元/组1600元/组31 防冻剂试验3-5kg 2000元/组1600元/组32 泵送剂试验3-5kg 1500元/组1200元/组33 膨胀剂试验3-5kg 1500元/组1200元/组34 混凝土防水剂试验3-5kg 3000元/组2400元/组35 砂浆防水剂试验3-5kg 1500元/组1200元/组36 防水涂料试验600元/组480元/组37 粉刷石膏680元/组544元/组序号检测项目取样数量收费标准优惠价38 混凝土钻芯L≤200mm 600元/芯样L≤200mm 600元/芯样L>200mm 800元/芯样L>200mm 800元/芯样39 超声回弹综合法检测砼强度4500元/组3600元/组40 超声波测砼缺陷4000元/组3200元/组41 外墙面砖粘接强度1000㎡抽检一组800元/组640元/组42 砂浆强度检测(贯入法) 600元/构件480元/构件43 回弹法检测混凝土强度200元/构件160元/构件44 高强螺栓轴力、扭矩系数一组8套试件640元/组512元/组45 钢结构抗滑移试件一组3套试件1500元/组1200元/组46 房屋鉴定检测15元/平米12元/平米47 钢筋保护层厚度120元/构件96元/构件48 钢结构探伤检测H型钢梁、钢柱(箱式钢柱)200元/构件160元/构件49 外加焊缝探伤5元/m24元/m250 钢结构涂装工程检测200元/构件160元/构件51 钢结构构件厚度检测200元/构件160元/构件52 钢结构型材复检100元/道80元/道53 钢结构I级焊缝400元/道320元/道54 钢结构II级焊缝100元/道80元/道55 节能构造钻芯一组3个800元/组640元/组56 锚栓拉拔检测800元/组640元/组57 外保温粘接、抹面砂浆400元/组320元/组58 玻璃纤维网格布密度、耐碱断裂强度、耐碱断裂强力保留值400元/组320元/组59 外墙保温板400元/规格320元/规格60 外墙保温板燃烧性能1000/规格800/规格序号检测项目取样数量收费标准优惠价61 安全玻璃500元400元62 中空玻璃露点检测1200元/组960元/组63 门窗三性试验800元/樘640元/樘64 门窗保温性能实验3000元/项2400元/项65 外围护结构传热系数现场检测3500元/项2800元/项66 现场门窗气密试验六层抽取3樘多层抽取6樘800元/樘640元/樘67 外墙外保温粘接强度现场检测一组5块800元/组640元/组68 橡塑海绵800元/组640元/组69 PVC-U排水管材每种规格1m×4根取样700元/组560元/组70 PVC-U排水管件700元/组560元/组71 PVC-U给水管材700-1000元/组560-800元/组72 PVC-U给水管材700元/组560元/组73 聚丙烯PP-R管材热水1000元/组热水800元/组冷水600元/组冷水480元/组74 聚丙烯PP-R管件600元/组480元/组75 铝塑复合压力管热水1000元/组热水800元/组冷水800元/组冷水480元/组76 给水用PE管材2000-3000元/组1600-2400元/组77 冷热水用交联聚乙烯(PE-X)管材1000元/组800元/组78 冷热水用交联聚乙烯(PE-RT)管材3000元/组2400元/组79 建筑用电工套管800元/组640元/组80 电线600元/组480元/组81 电缆800元/组640元/组82 照明功率密度及照度检测3500元2800元83 室内温度检测150元/点120元/点84 硅酮结构胶污染性2支3000元/组2400元/组序号检测项目取样数量收费标准优惠价85 硅酮结构胶相容性2支3000元/组2400元/组86 硅酮结构胶拉伸粘接性2支3000元/组2400元/组87 硅酮结构胶压剪强度2支1500元/组1200元/组88 结构加固胶2支2000元/组1600元/组89 碳纤维网格布600元/组480元/组90 绝热用岩棉800元/组640元/组91 铝合金型材2m×2根500元/组400元/组92 室内环境检测(甲醛、苯、氨、TVOC、氡)每百个自然间抽取5个自然间1500元/点1200元/点93 施工用水分析800元/组640元/组94 沙子、石子坚固性2500元/项2000元/项95 抗硫酸盐水泥化学分析(烧失量、氯离子)3500元/组2800元/组96 砂子、石子氯离子700元/项560元/项97 沙子、石子碱活性3500元/项2800元/项98 土壤中氡浓度500元/点400元/点99 花岗岩1000元800元100 止水带600元480元101 止水条500元400元102 陶瓷砖内墙砖500元/组内墙砖400元/组外墙砖1100元/组外墙砖880元/组103 岩棉管壳800元/组640元/组104 空心隔墙板500元/组400元/组105 建筑用轻钢龙骨600元/组480元/组序号检测项目取样数量收费标准优惠价106 普通铝塑复合管300元/组240元/组107 普通石膏板500元/组400元/组108 橡塑管800元/组640元/组109 水泥保温板600元/组480元/组110 聚氨酯泡沫板600元/组480元/组111 采暖散热器112 散热量4000元3200元113 金属热强度114 耐压600元480元115 漆膜200元160元116 外形尺寸117 水溶性聚乙烯醇胶粘剂瓷砖粘接剂600元480元118 方钢200元160元建设工程质量检测合同科杰检测合同[2012 ]第号工程项目名称:工程地址:委托单位:(甲方)检测单位:宁夏XX检测中心(乙方)单位地址:业务电话:传真:依据《中华人民共和国合同法》和《宁夏回族自治区建设工程质量管理实施细则》的规定,甲方委托乙方就工程项目的施工过程,提供质量检测技术服务,双方经协调一致签订本合同。
建筑工程质量检测收费项目及标准表建筑工程质量检测收费项目及标准砼试件抗压强度检测项目分为10×10×10cm、15×15×15cm、20×20×20cm、10×10×40cm、15×15×55cm,单位为组,收费标准分别为24元、30元、36元、100元、210元。
每增加一个等级,加收费用100元。
初凝、终凝全测收费为400元/个。
除砼试件抗压强度检测外,还包括砼试件抗折、砼劈裂抗拉、砼抗渗透试验、砼凝结时间、砂浆试件抗压、钢材物理性能、钢材化学分析、预应力高强钢绞线、高强螺栓等检测项目。
钢筋焊接性能检测分为工艺性能、力学性能检验两项,收费标准为250元/个。
钢材化学分析检测包括C、P、S、Si、Mn等元素,收费标准为200元/每元素。
水泥安定性检测包括雷氏法和凝结时间两项,收费标准分别为500元和30元。
水泥强度快速测定收费标准为80元/条,不溶物、烧失量、氧化镁、三氧化硫、碱含量等检测项目收费标准为20元/项。
砂、粉煤灰、拌和水、石等材料的检测项目及收费标准也在此表中列出。
其中,砂的细度(比表面积法)检测收费标准为80元/项,粉煤灰的烧失量、三氧化硫检测收费标准为100元/项,拌和水的PH值、不溶物、可溶物、氯化物、硫化物、硫酸盐检测收费标准为100元/项,石的颗粒级配检测收费标准为60元/项。
岩石立方体强度测试需要另行计费,而PH值、不溶物、可溶物、氯化物、硫化物、硫酸盐等检测项目的收费标准分别为350元/项和50元/项。
16-5:删除明显有问题的段落,剔除格式错误17-1:砌块的含水率和密度是影响其抗压强度的重要因素。
需水量比也是制作砌块时需要考虑的因素之一。
17-2:砌块的体积和密度也是需要检测的指标之一。
吸水率也是砌块质量的重要指标之一。
17-3:每项检测都是为了保证砌块的质量。
组合检测可以更全面地了解砌块的性能。
建筑检测收费项目和收费标准表
一、前言
建筑检测是保证建筑物质量和安全的重要环节,为了规范建筑检测行业的收费,制定了以下收费项目和收费标准表。
二、收费项目和收费标准表
1. 建筑检测收费项目
下面列出了建筑检测的主要收费项目:
- 结构安全检测
- 地基基础检测
- 消防设施检测
- 电气设备检测
- 水暖设备检测
- 环境保护设施检测
- 建筑物质量检测
- ...(其他根据实际情况添加)
2. 收费标准表
建筑检测的收费标准如下表所示:
三、收费标准说明
1. 收费标准中的金额为每个单位的费用,具体金额根据实际项目而定。
2. 收费项目中的单位可以根据实际情况进行调整,但要确保准确明确。
3. 收费标准表仅作为参考,最终的收费标准还需要根据行业发展和市场情况进行评估和调整。
四、总结
通过建立建筑检测收费项目和收费标准表,可以帮助规范建筑检测行业收费,保证收费的公平性和合理性。
同时,建筑检测企业可以根据这些收费项目和标准来进行定价,提供高质量的建筑检测服务。
以上是《建筑检测收费项目和收费标准表》的内容,希望能为您提供一些帮助。
土壤检测收费标准
土壤检测是一项非常重要的环境监测工作,它可以帮助我们了解土壤的质量状况,为农业生产、环境保护和土壤修复提供科学依据。
在进行土壤检测时,我们需要了解相关的收费标准,以便更好地进行工作安排和预算管理。
一、基本收费标准。
1. 土壤pH值检测,每次收费50元,包括取样、实验室检测和报告输出。
2. 土壤养分检测,每次收费100元,包括氮、磷、钾等主要养分元素的检测和报告输出。
3. 重金属含量检测,每次收费150元,包括镉、铅、汞等重金属元素的检测和报告输出。
4. 土壤有机质检测,每次收费80元,包括有机质含量的检测和报告输出。
5. 土壤微生物检测,每次收费120元,包括土壤微生物种类和数量的检测和报告输出。
二、优惠政策。
1. 单次检测总费用达到500元以上的客户,可享受5%的折扣优惠。
2. 定期签订合作协议的客户,可根据合作协议的具体内容享受不同幅度的优惠政策。
三、补充说明。
1. 收费标准中所包含的项目仅为常规检测项目,如有特殊需求,将根据实际情况另行收费。
2. 检测报告将在工作日内完成,并通过电子邮件或快递的方式发送给客户。
3. 客户在委托检测前,应提前与检测机构进行沟通,明确检测项目和费用,并签订委托检测协议。
四、结语。
土壤检测收费标准的制定,是为了保障检测工作的质量和客户的权益。
希望各位客户能够理解和支持我们的工作,同时也欢迎提出宝贵意见,共同推动土壤检测工作的健康发展。
感谢您的合作与支持!。
交通建设工程现场检测和工程材料试(检)验收费项目及标准表一、交通建设工程现场检测收费项目及标准L路基②路基的单价只是仲裁和交工检测费用单价,下同;③港口道路、堆场检测频率及取费标准与公路相同,下同;④总价中分子为采用3 米直尺检测平整度和贝克曼梁检测弯沉时的总价,分母为采用连续平整度仪和自动弯沉仪检测时的总价,下同。
2.底基层(基层)3.沥青混凝土面层4.水泥混凝土面层注:根据目前市场调查,声波透射法检测预埋管的材料费和人工费约为元/米。
6.桥梁动、静载试验7.超声波检测砼状况:800元/区8.桥涵常规检测(交竣工检测)注:①上表桥梁单价是指桥面宽度为四车道简支梁桥的单价,如为其他桥梁结构应乘以相应难度系数。
连续刚构、连续梁桥难度系数为1.1,拱桥难度系数为1.2,悬索桥、斜拉桥难度系数为1.5。
②桥梁长度小于20米的,按20米计算;桥梁长度1000米以内的按线性内插法计算费用;桥梁长度超过1000米的,根据实际情况参考上述标准由双方协商确定。
③上述单价为桥梁交竣工验收常规检测费用,已包含外业检查、竣工资料审查等费用,但不含桥梁静动载试验、桩基检测、桥梁检测车租赁等费用。
④桥梁检测车租赁费用:平台长度不大于10m的桥梁检测车租赁单价为4000元/台班,平台长度13m 的桥梁检测车租赁单价为6000元/台班,平台长度16m的桥梁检测车租赁单价为8000元/台班。
9.隧道检测备注:⑴ 本费用未列入由委托单位负责完成的试验加载设备、租车台班、支架、工作棚、电源与照明设备以及现场配合人员费用;⑵ 桥面宽度超过四车道的,应按每增一车道相应加收20%;⑶ 道路工程的检查频率为双车道公路一公里检查段内的检查频率,多车道公路的检查频率,须按其车道数与双车道之比,相应增加检查数量;⑷ 路面超过双车道的,按每增两车道加收50%;⑸ 加急检测或质量仲裁检测加收50%;⑹ 旧桥鉴定试验按相应标准加收30%,危桥加收50%;⑺ 单项检测取费均未含汽车台班及人员差旅费,到外地进行单项检测,需另加该两项费用。
完整版)建筑工程质量检测收费项目及标准表建筑工程质量检测收费项目及标准砼试件抗压强度检测项目包括10×10×10cm,15×15×15cm,20×20×20cm,10×10×40cm和15×15×55cm等不同等级的试件,每组收费标准分别为24元,30元,36元,100元和210元。
每增加一个等级,收费标准增加100元。
___和终凝全测收费标准为400元/个。
除了砼试件抗压强度检测项目外,还有砼试件抗折、砼劈裂抗拉、砼抗渗透试验、砼凝结时间、砂浆试件抗压、钢材物理性能、钢材化学分析、预应力高强钢绞线和高强螺栓等检测项目。
每个项目的收费标准和单位不同,具体标准详见表格。
另外,还有水泥安定性(雷氏法)、凝结时间、强度标号、水泥强度快速测定、不溶物、烧失量、氧化镁、三氧化硫、碱含量、表观密度、堆积密度、紧密密度、孔隙率、含泥量、泥块含量、吸水率、含水率、颗粒级配、有机物含量、氯离子含量、硫酸盐含量、硫化物含量、云母含量、轻物质含量、坚固性、颗粒级配(筛分)、粘土含量、针片状颗粒含量、硫化盐含量、压碎指标、岩石立方体强度测试(试件取样、加工另计)、PH值、可溶物、氯化物等检测项目,每个项目的收费标准和单位也不同,详见表格。
细度(筛余法)和细度(比表面积法)是多个检测项目中都涉及的指标,收费标准分别为500元和200元。
另外,砼抗压强度比的收费标准为90元/项,水泥化学成分分析和粉煤灰、拌和水、石等项目的收费标准也在表格中详细列出。
总之,建筑工程质量检测收费项目和标准是多种多样的,具体收费标准和单位需要根据不同的检测项目进行查看。
建筑中使用的PVC塑料管材需要进行外观和尺寸测量,以及弯曲度测试。
同样,镀锌钢管也需要进行相关测试。
在施工中使用安全网时,需要进行扁平试验、纵向回缩率、烘箱试验、坠落试验、加热后状态、层间粘合强度、二氯甲烷浸渍和酸浸损失等方面的测试。
土壤样品检测收费标准一、检测项目及收费标准。
1. 常规土壤理化指标检测。
pH值,10元/样。
有机质含量,20元/样。
全氮含量,30元/样。
全磷含量,30元/样。
全钾含量,30元/样。
2. 重金属元素检测。
铅,50元/样。
镉,50元/样。
汞,50元/样。
铬,50元/样。
镍,50元/样。
3. 土壤微生物检测。
细菌总数,40元/样。
真菌总数,40元/样。
放线菌总数,40元/样。
4. 土壤农药残留检测。
有机氯农药,60元/样。
有机磷农药,60元/样。
除草剂,60元/样。
5. 土壤重金属污染物检测。
六价铬,80元/样。
三价砷,80元/样。
六价铬,80元/样。
6. 土壤微量元素检测。
锌,40元/样。
铜,40元/样。
锰,40元/样。
钼,40元/样。
硒,40元/样。
7. 其他特殊检测项目。
根据实际情况收费,具体价格另议。
二、收费说明。
1. 检测费用均以每个样品为单位计算,不足一单位的按一单位计算。
2. 检测费用不包括样品采集、包装、运输等费用,需要委托方自行承担。
3. 检测费用不包括报告解读费用,如需要报告解读服务,另行收费。
三、支付方式。
1. 委托方可选择线上支付或线下支付方式。
2. 线上支付可通过支付宝、微信等方式进行,支付成功后需将支付凭证发送至检测机构邮箱。
3. 线下支付可选择银行转账或现金支付,支付成功后需将支付凭证发送至检测机构邮箱。
四、报告领取。
1. 检测报告将在检测完成后的5个工作日内发送至委托方指定邮箱。
2. 如需纸质报告,需提前告知检测机构并承担快递费用。
五、其他注意事项。
1. 委托方需提供准确的样品信息和联系方式,以便检测机构能够及时与委托方联系。
2. 委托方需在送样前与检测机构确认好送样时间和方式,以免延误检测进度。
3. 委托方需按照检测机构的要求进行样品采集、包装和运输,确保样品的完整性和准确性。
六、结语。
以上为土壤样品检测收费标准,委托方在选择检测机构时,除了关注价格外,还需注意检测机构的资质和信誉,确保检测结果的准确性和可信度。
重庆市物价局关于核定重庆市建设工程检验测试暂行收费标准的通知渝价[2004]36号各区县(自治县、市)物价局、重庆市建设工程质量协会、各建设工程质量检测单位:为了促进我市建设工程检验测试工作的顺利进行,确保建设工程质量,规范检测结构收费行为,根据国务院《建设工程质量管理条例》和国家计委、国家经贸委、财政部等六部委印发的《中介服务收费管理办法》等有关规定,并结合我市实际,现就建设工程检验测试暂行收费标准的有关问题通知如下:一、凡依法取得建设工程检验测试资质证书,并经计量认证的建设工程质量检测机构,依据现行国家标准、行业标准及有关产品质量标准和规定,对进入施工现场的建筑材料、建筑构配件设备和商品混凝土等进行检验测试,可按附表所列的项目和收费标准向委托方收取检验测试费。
二、建设工程质量检测机构的检验测试费属经营性专业技术服务收费,实行政府指导价,依法纳税。
各检测机构可按本通知规定的收费标准上下浮动10%收费。
三、本通知适用于主城九区。
主城九区是指:渝中区、江北区、九龙坡区、沙坪坝区、大渡口区、巴南区、渝北区、南岸区、北碚区,包括经济技术开发区、高新技术开发区和北部新区。
其余各区县(自治县、市)的检测收费,可在本通知规定的收费标准幅度内,由当地政府价格主管部门根据当地实际确定收费标准,并报市物价局备案。
四、任何单位和个人不得强制或变相强制指定检测机构接受委托服务。
五、建设工程质量检测机构接本通知后,于2004年4月15日前到同级价格主管部门办理《收费许可证》,实行亮证收费。
并按照国家有关规定在收费场所实行明码标价,在其醒目位置公布收费依据、收费项目、收费标准。
六、各级政府价格主管部门,要随时加强对建设工程检验测试收费的监督检查,如有违反上述规定的,由政府价格主管部门依据《中华人民共和国价格法》、《价格违法行为行政处罚规定》等规定予以查处。
七、本通知自2004年1月18日起施行。
建筑工程材料检测收费项目及标准表
收费项目及标准表是对建筑工程材料检测所应收取的费用进行规定和说明的文件。
本标准表将列举一些常见的建筑工程材料检测项目和相应的收费标准,以供参考。
1. 水泥材料检测
- 凝结时间检测:10元/次
- 抗压强度检测:20元/个
- 抗折强度检测:15元/个
2. 砂浆材料检测
- 浆体流动性检测:10元/次
- 抗压强度检测:15元/个
- 凝结时间检测:10元/次
3. 钢筋材料检测
- 化学成分检测:30元/次
- 抗拉强度检测:25元/个
- 弯曲性能检测:20元/个
4. 沥青材料检测
- 针入度测试:15元/次
- 黏度测试:20元/次
- 密度测试:10元/次
以上只是部分常见的建筑工程材料检测项目及收费标准,具体的检测项目和费用可以根据实际需要进行调整。
建议在进行建筑工程材料检测前,与检测机构协商确认检测项目和收费标准,以确保双方达成一致。
注意:本文档仅供参考,具体收费标准以检测机构提供的信息为准,未经确认的内容请勿引用。
收费标准(桩基检测)收费标准(桩基检测)以下是不同类型的桩基检测项目和相应的收费标准。
需要注意的是,有些项目的收费标准可能会根据具体情况进行调整。
地基基础检测地基基础检测包括荷载试验、锚桩抗拔试验等项目,具体收费标准如下:桩基静载试验(荷重≤1000kN):不低于40元/根桩基静载试验(1000<荷重≤3000kN):10kN按堆载法各档标准的60%计算桩基静载试验(3000<荷重≤kN):10kN按堆载法各档标准的60%计算,加上难度调整系数(15元/10kN)直静载试验、锚桩抗拔试验等:参照计价格需要注意的是,试验桩数超过40根的项目需要按照不同的收费标准进行计算。
桩基动力检测桩基动力检测包括高应变检测、极限承载力检测等项目,具体收费标准如下:桩基极限承载力(荷载范围在1000-3000kN之间):50元/根桩基极限承载力(荷载范围在3000-5000kN之间):300元/根桩基极限承载力(荷载范围在5000-kN之间):500元/根桩基极限承载力(荷载范围在kN以上,每增加5000kN):按照不同的收费标准进行计算其他项目除了地基基础检测和桩基动力检测之外,还有一些其他项目需要进行收费。
具体收费标准如下:桩身完整性检测:按照不同的收费标准进行计算桩偏位、桩倾斜检测:50元/根超声波检测剖面深度(d≤30m):250元/组点超声波检测剖面深度(d>30m,每增加10m):按照不同的收费标准进行计算钻孔抽心法取样试验:按照不同的收费标准进行计算需要注意的是,有些项目的收费标准可能会根据具体情况进行调整。
据2002年的资料,以50吨为基价,每增加1吨费用增加120元,适用于复合地基。
对于50吨以上的工程,需要进行基坑检测,计算锚杆蠕变系数以及喷射混凝土与围岩的粘结强度。
其中,锚杆蠕变系数需要掌握在200以下,喷射混凝土与围岩的粘结强度需要掌握在300以上。
根据2002年的资料,复合地基的费用是以50吨为基价,每增加1吨费用增加120元。
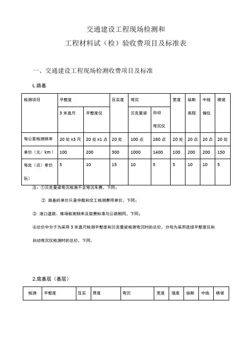
交通建设工程现场检测和
工程材料试(检)验收费项目及标准表
一、交通建设工程现场检测收费项目及标准
1•路基
②路基的单价只是仲裁和交工检测费用单价,下同;
③港口道路、堆场检测频率及取费标准与公路相同,下同;
④总价中分子为采用3米直尺检测平整度和贝克曼梁检测弯沉时的总价,分母为采用连续平整度仪和自动弯沉仪检测时的总价,下同。
2.底基层(基层)
3.沥青混凝土面层
4.水泥混凝土面层
桩基
注:根据目前市场调查,声波透射法检测预埋管的材料费和人工费约为元米。
6.桥梁动、静载试验
7.超声波检测砼状况:800元/区
8桥涵常规检测(交竣工检测)
注:①上表桥梁单价是指桥面宽度为四车道简支梁桥的单价,如为其他桥梁结构应乘以相应难度系数。
连续刚构、连续梁桥难度系数为1.1,拱桥难度系数为1.2,悬索桥、斜拉桥难度系数为1.5。
②桥梁长度小于20米的,按20米计算;桥梁长度1000米以内的按线性内插法计算费用;桥梁长度超过1000米的,根据实际情况参考上述标准由双方协商确定。
③上述单价为桥梁交竣工验收常规检测费用,已包含外业检查、竣工资料审查等费用,但不含桥梁静动
载试验、桩基检测、桥梁检测车租赁等费用。
④桥梁检测车租赁费用:平台长度不大于10m的桥梁检测车租赁单价为4000元/台班,平台长度13m
的桥梁检测车租赁单价为6000元/台班,平台长度16m的桥梁检测车租赁单价为8000元/台班。
9•隧道检测
备注:
⑴本费用未列入由委托单位负责完成的试验加载设备、租车台班、支架、工作棚、电源与照明设备以及现场配合人员费用;
⑵ 桥面宽度超过四车道的,应按每增一车道相应加收20%;
⑶ 道路工程的检查频率为双车道公路一公里检查段内的检查频率,多车道公路的检查频率,须按其车道数与双车道之比,相应增加检查数量;
⑷路面超过双车道的,按每增两车道加收50%;
⑸加急检测或质量仲裁检测加收50%;
⑹ 旧桥鉴定试验按相应标准加收30%,危桥加收50%;
⑺ 单项检测取费均未含汽车台班及人员差旅费,到外地进行单项检测,需另加该两项费用。
、工程材料试(检)验收费项目及标准。