工程检测检验收费标准
- 格式:docx
- 大小:179.85 KB
- 文档页数:2
建设工程检测—收费标准——-————-————-——————-——-———--—----—--——---—----———---—-———-———---————————-—-—---—————————-——--———-—---——--———
常规建筑材料检测收费标准
防水材料及市政土工检测收费标准
现场结构检测收费标准
水电设备安装检测收费
环境检测收费
保温节能材料检测收费
基坑、基桩检测收费
常规建筑材料检测收费标准
防水材料及市政土工检测收费标准
现场结构检测收费标准
水电设备安装检测收费
环境检测收费
保温节能材料检测收费
基坑、基桩检测收费
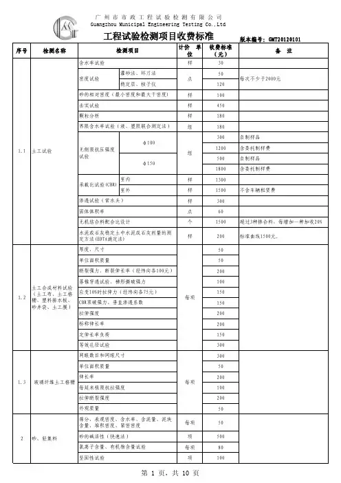
2、基桩检测收费
基桩检测包括:静载、动测(高应变、低应变)、声波透射,其检测收费为静载荷试验费65元╱吨;低(小)应变动力检测费65元╱根。
最后以实际工作量结算,可根据市场浮动进行协商.。
湖南省建设工程质量检测收费标准1 2 3 4 5 6 7 8 9101112 .1314151617181920212223 普通混凝土配合比设计特种配合比设计抗渗抗冻收缩立方体抗压抗折强度弹性模量拌和物凝结时间钢筋粘结力快速测强劈裂抗拉强度稠度常压泌水率压力泌水率表观密度含气量配合比分析配合比设计稠度密度分层度立方体抗压强度初凝终凝400450;≥C50,价格商议320;>P6 时,每提高1 个等级增加50 元50 元/循环32045501501401805501804590140200140140190330455510040★含垃圾费。
室温养护费用另计。
室温养护费用另个组个组个组24 抗冻25 收缩26 凝结时间27 抗渗28 回弹法检测砌筑砂浆强度29 筒压法检测砌筑砂浆强度30 点荷法检测砌筑砂浆强度31 静力受压弹性模量32 颗粒级配33 表现密度34 含泥量35 泥块含量36 含水率37 吸水率38 堆积密度39 密切密度40 有机物含量41 压碎指标42 针片状含量43 空隙率44 岩石抗压强度45 硫酸盐硫化物46 坚固性47 筒压强度48 强度标号49 软化系数50 粒型系数51 煮沸质量损失每测区组组计50 (每循环)180125>P6 时,每提高1 180个等级增加50 元2550040015070407060555550506565508080802406550030010020052 颗粒级配53 表观密度54 含泥量55 泥块含量56 石粉含量57 含水率58 吸水率59 堆积密度60 密切密度61 空隙率62 云母含量63 轻物质含量64 有机物含量65 坚固性66 硫酸盐硫化物67 氯化物含量68 杂物初凝69 混凝土凝结时间之差终凝70 减水率71 含气量72 常压泌水率比73 混凝土收缩率比74 混凝土抗压强度比75 固体含量76 对钢筋锈蚀作用77 混凝土限制膨胀率78 细度79 含水率80 硫酸钠组个组项703560604060605050556565651508065502002501201402603602008033060050 ( 0.08mm 以上 )90 (≤0.08mm)408081 砂浆减水率82 氯离子含量83 水泥净浆流动度84 碱含量85 密度86 pH 值87 吸水量比88 压力泌水率比89 砂浆收缩率比90 砂浆抗压强度比91 砂浆限制膨胀率92 比表面积93 氧化镁94 表面张力95 还原糖96 泡沫性能97 净浆安定性98 透水压力比99 塌落度保留值100 塌落度增加值()101 强度102 安定性103 细度(筛余法)104 标准稠度105 氧化镁沸煮安定性雷氏夹安定性组0.08mm 筛≤0.08mm 筛160160 ★16016080803302002702006002701501301808080360>P6 时,每提高1 个等级增加50 元18027022050★7020★803055★组项组106 三氧化硫107 烧失量108 膨胀率109 凝结时间110 流动性111 白度112 比表面积113 密度114 收缩115 耐磨度116 氧化钙117 三氧化二铁118 三氧化二铝119 氧化钾120 氧化钠121 二氧化硅122 外观质量123 尺寸偏差124 抗压强度125 抗折强度126 吸水率127 抗冻128 石灰爆裂129 体积密度130 泛霜131 饱和系数132 孔洞率及孔结构测定133 干燥收缩134 墙体传热系数每样本组758010050304527055100908045408080804545905510050 元/循环5570701501005004000★135 抗压强度136 抗冻性137 材料容重138 空心率139 块体密度140 抗折强度141 含水率142 吸水率143 软化系数144 抗渗性145 抗碳化性146 干缩率147 尺寸偏差148 外观质量149 相对含水率150 干湿强度系数(151 尺寸偏差152 外观质量153 抗压强度154 抗折强度155 抗冻性156 耐磨性(157 拉力158 不透水性159 低温和度160 耐热性161 吸水率162 单位面积浸涂含量/可溶物含量163 外观164 断裂延伸率18050 元/循环805555160100100组2501402007004545904506565125组250 (含加工费)33040055707075组702702565★★★165 166 167 168 169 170 171 172 173 174 175 176 177 178 179 () 180 181 182 183 184 185 186 187 () 188 189 190 191 192 193 撕裂强度拉伸强度粘结强度加热伸缩量剪切性能剥离性能热处理尺寸变化率热老化处理热老化抗拉强度热老化后伸长率热老化后断裂强度尺寸稳定性抗穿孔性剪切状态下粘合性耐碱性针入度延度软化点溶解度组闪点水分蒸发损失蒸发后针入度比固体含量拉伸强度延伸性低温和性耐热性不透水性656530908080200400100100100180180270180909090150655090808080759080★★★194 195 196 197 198 199 200 201 202 203 204 205 206207 208 209 210 211 212 213 214 215216 217 218 219 220 221 222 223 粘结强度抗冻性紫外线处理碱处理热处理试样处理剥离强度涂膜表干时间涂膜实干时间外观粘度耐腐蚀性成型、养护费耐热性低温和性最大延伸性拉伸粘结性最大抗拉强度)回弹率最大延伸性浸水拉伸粘结性最大抗拉强度挥发率试样处理外观不透水性热处理尺寸变化(加热伸缩)抗拉强度断裂延伸率柔度吸水率撕裂强度组卷组801603002002504018070100401302702007570656540656535253570757575757075★★★★★224225 226 227 228 229 230 231 232 233 234235 236 237 238 239 240 241 242243 244 245 246 247248 249 热空气老化外观质量尺寸偏差横向抗折纵向抗折抗冲击不透水性吸水率抗冻性样品处理急冷急热外观质量尺寸偏差含水率单位面积分量断裂荷载受潮挠度吸水率护面纸与石膏芯粘结熟化速度含砂率容重产浆量细度钢材元素化学分析钢材抗拉、冷弯组组组每元素组4003535505035903550 元/循环50130505075759090656525252550208060 (φ≤25)★90 (φ=28)250 251 252 253 254 255 256 257 258 259 260 261 262 263 264 265 266 267 268 269270271 272 273 274 275 276 277 278 反复弯曲比例极限弹性模量弯曲压扁扩口断口常温冲击低温冲击HB 硬度(3 点)HR 硬度(3 点)HV 硬度(3 点)钢板抗拉钢板冷弯钢丝索抗拉弹簧抗压钢链抗拉钢铰线抗拉锚杆拉力地脚螺栓、预埋件、穿杆螺栓拉力外观、尺寸偏差、承载力、挠度、抗裂容器中状态低温稳定性遮盖率颜色及外观干燥时间耐洗刷性耐碱性粘度每段180 (φ≥32)401202202020204030454030405555400808018075754502575752525905035根件块组根件组279 280 281 282 283 284 285 286 287 288 289 290291 292 293 294 295 296297 298 299 300 301 302 303 304305 306 307 细度白度附着力耐水性耐干擦性粘结强度耐冷热循环性透水性耐沾污性施工性骨料沉降性制样、养护耐水性耐碱性打磨性粘结强度耐水粘结强度制样、养护凉置后抗拉强度调整后抗拉强度压剪强度(标准)浸水后压剪强度耐热后压剪强度冻融后压剪强度收缩率制样、养护费外观固体含量粘度组组组355040404012012090902540305050501501607590904007007001200700150207575308 309 310 311 312 313314 315 316 317 318 319 320 321 322 323 324 325 326 327 328 329 330 331 332 333334 335 336 337 PH 值游离甲醛180°剥离强度低温稳定性灰分蒸发剩余物吸水率耐急冷急热性抗冻性弯曲强度断裂模数外观质量尺寸偏差中心弯曲度翘曲度饰面砖粘结强度边直度直角度抗釉裂性耐磨性耐酸碱边弯曲度显气孔率表观相对密度容重耐污染性吸水率体积密度压缩强度弯曲强度40904007575757590280758065454545360组55551209023065130130902708080组250250338 339 340 341 342 343 344 345 346 347 348 349350 351 352 353 354 355 356 357 358 359 360 361 362 363 364 365 366 367 368 光泽度外观质量尺寸偏差平直度直角度夹角度肖氏硬度放射性真密度真气孔率耐酸性耐磨性外观质量尺寸偏差密度抗折强度抗折挠度抗压强度横向抗折纵向抗折吸水率含水率湿胀率热收缩率垂直抗拉螺钉拔出力导热不燃性抗冲击性不透水性企口尺寸每样品组组50557550502525540140140230450404075120901505050757575500505021030025012020369 370 371 372 373374 375 376 377 378 379 380 381 382 383 384 385 386387 388 389 390391 392 393 394 395 396 397 面密度抗弯破坏荷载单点吊挂力试样状态调节样品处理外观尺寸单位面积质量含水率吸水率断裂荷载浸水抗折强度受潮挠度受潮变形浸水膨胀泛霜试验耐磨度光泽度样品处理需水比强度活性系数含水量细度外观尺寸尺寸偏差抗折力耐磨性能结构性能吸水率样品处理组0.08mm 筛≤0.080 mm 筛5075250907540257590507565757550210756590260402080355050370407540组块组组块组块组398 399 400 401 402 403 404 405 406 407 408 409 410411 412 413 414 415 416 417 418 419 420 421 422 423424 425 426 风压变形性雨水渗漏性空气渗透性耐候胶石材胶云石胶干挂胶结构胶中空玻璃钢化玻璃热反射镀镆玻璃拉拔试验建造石材下垂性挤出性合用时间表干时间抗折硬度拉伸粘结标准拉伸粘结90℃拉伸粘结-30℃拉伸粘结浸水拉伸粘结水——紫外热老化剥离性相容性含水率容重顺纹抗压樘17000 (三性试验)16501650165016503300项13501000750800700 (全套)160901609012070080080070016001600500400025组25210组427 428 429 430431 432 433 434 435 436437 438 439 440 441 442 443 444 445 446 447 448 449 450 451 452 453 454 455 弯曲强度顺纹拉力顺纹剪力弹性模量有机物含砂率最大干容重密实度含水量可溶性含水量环刀法密度试验环刀法密度试验(现场大体积)灌砂(水)法密度试验击实试验砂相对密实度颗粒分析比重液塑限无侧限抗压强度直剪(快剪)直剪(固剪)直剪(慢剪)压缩试验压缩试验(测固结系数)三轴不固结不排水剪三轴固结不排水剪三轴排水剪贯入(钢筋贯入法)每级3003003003302525500502025204050200750250120 (水洗法)350 (比重计法)90100401601601601003560080080025组组点样组项组组点456 457 458459 460461 462463464 465 466 467 468 469 470 471 472 473 474 475476 477 478479 480 贯入(轻便触探仪N 10贯入法)承载比试验(CBR)回弹模量弯沉测试路面压实度路面基层压实度路基压实度3m 直尺平整度八轮仪激光仪路基CBR/回弹模量基层强度构造深度磨擦系数几何尺寸(曲线半径、最大纵坡、坡长、最小视距)横坡度纵断高程中线偏位路基、路面宽度车辙渗水系数路面破损壁厚,氧化膜厚度硬度物理力学性能硬度拉伸强度1000m组点台班1000m点1000m18080060015 (杠杆仪)2040 (落锤仪)360 (取芯)270 (核子仪)180603511014080010010201500601010556045/车道25021012506565组点组套481 482 483 484 485 486 487 488 489 490 491 492 493494 495496 497 498 499 500 501 502 503 504505 506 断裂伸长率弯曲弹性模量低温落锤冲击维卡软化点加热后状态加热后尺寸变化率氧指数高低温反复尺寸变化率常温简支梁冲击低温简支梁冲击耐侯性尺寸公差样品加工处理岩石抗压强度(不含加工费)全项检测钢网架钢结构塔高强度螺栓扭矩系数连接副滑移系数型钢拉力型钢冷弯型钢焊接拉力型钢焊接冷弯螺栓球组合抗拉网架焊接球碳纤维复合材抗拉强度φ50 以下φ59~φ108φ108 以上小时套组块m2座组件根根65651606565652002506512059075901209600050010008080808021050608055507 508509 510 511 512 513 514 515 516 517518 519 520 521 522523 524525 526 527 528 529530531 532 533 碳纤维弹性模量碳纤维极限延伸率外观质量尺寸偏差压缩强度(未含加工费)弯曲强度(干燥、水饱和)(未含加工费)体积密度(未含加工费)吸水率(未含加工费)光泽度(未含加工费)抗压强度(未含加工费)抗折强度(未含加工费)苯氨TVOC (总有机挥发物)氡甲醛TVOC穿孔法甲醛干燥法重金属氨放射性核素苯基环乙烯聚乙烯单体压力试验回弹法检测混凝土抗压强度超声回弹检测混凝土抗压强度钢筋探测 (位置、规格、保护层厚度、板厚)测区160160901202502508080508080330330330330330550550400130260800260550405080180★★★★★组组项个534 535 536537 538 539540 541542 543544 545 546547 548 549550551 552 553 超声波测缺拔出法检测混凝土抗压强度钻芯法检测混凝土抗压强度结构载荷试验承载力结构载荷试验变形结构应力应变承载力变形承载力(不包括安装)变形(不包括安装)建造物结构检测鉴定(综合)检测楼板厚度检测构件裂缝、箍筋间距、钢筋直径砌体强度砌体砂浆抗拔力抗拔力测斜(不含测斜孔置安费用)地下水位(不含水位井置安费用)土压力m2组个点. ·次条条m2块件每一个构件组组孔. ·次点. ·次72040050070007000250165012001650120025401605504006801000500160160554 555 556 557 558 559 低应变检测≤1000高应变检测单桩极限承载力(kN)3000500010000>10000 ,每增加5000根试坑开挖、桩头处理、重锤吊装及运输费另计。
工程检测项目收费标准1检测中心开户行:工行XX支行账号:XXX收款单位:XX有限公司工程检测项目收费标准序号检测项目取样数量收费标准优惠价1 混凝土抗压试验一组3块20元/组16元/组2 水泥试验20kg 214元/组171元/组3 砂子试验20kg 110元/组88元/组4 石子试验30kg 150元/组120元/组5 钢筋原材试验一组7根(25以下)130元/组(25以下)104元/组一组7根(含25以上)140元/组(含25以上)112元/组一组7根(含32以上)160元/组(含32以上)128元/组6 钢筋焊接试验一组3根(闪光对焊、气压焊6根)(不含25)50元/组(不含25)40元/组一组3根(闪光对焊、气压焊6根)(25以上)60元/组(25以上)48元/组7 机械连接试验一组3根(配3根原材)(25以下)70元/组(25以上)80元/组(25以下)56元/组(25以上)64元/组8 钢材型材焊接试验一组6根80元/组64元/组9 钢材型材原材试验一组3根70元/组56元/组10 普通混凝土配合比设计200元/组160元/组11 特种混凝土配合比设计300~500元/组240~400元/组高强和有特殊要求的混凝土配合比设计≥800元/组≥640元/组12 混凝土抗渗试验一组6块(圆柱形)500元/组400元/组13 混凝土/砂浆抗冻试验1次4000元20元/循环次16元/循环次14 砂浆抗压强度试验20元/组16元/组15 砂浆配合比设计200元/组160元/组16 烧结普通砖试验一组25块强度300元/组强度240元/组泛霜160元/组石灰爆裂240元/组泛霜200元/组石灰爆裂300元/组序号检测项目取样数量收费标准优惠价17 烧结多孔砖试验一组25块强度300元/组泛霜200元/组石灰爆裂300元/组强度240元/组泛霜160元/组石灰爆裂240元/组18混凝土小型空心砌块试验(砼路制品、砼路面砖、砼路缘石)一组12块400元/组320元/组19 加气混凝土砌块试验一组18块(100×100)㎜300元/组240元/组20 空心砖试验一组25块强度300元/组泛霜200元/组石灰爆裂300元/组强度240元/组泛霜160元/组石灰爆裂240元/组21 粉煤灰试验2-4kg 300元/组240元/组22 防水卷材试验 1.6㎡300元/组240元/组23 砂夹石击实试验300元/次240元/次24 砂夹石现场试验75元/点60元/点25 素土击实试验180元/次144元/次26 素土现场试验40元/点32元/点27 早强剂试验1500元/组1200元/组28 普通减水剂试验3-5kg 1500元/组1200元/组29 高效减水剂试验3-5kg 2000元/组1600元/组30 缓凝剂试验3-5kg 2000元/组1600元/组31 防冻剂试验3-5kg 2000元/组1600元/组32 泵送剂试验3-5kg 1500元/组1200元/组33 膨胀剂试验3-5kg 1500元/组1200元/组34 混凝土防水剂试验3-5kg 3000元/组2400元/组35 砂浆防水剂试验3-5kg 1500元/组1200元/组36 防水涂料试验600元/组480元/组37 粉刷石膏680元/组544元/组序号检测项目取样数量收费标准优惠价38 混凝土钻芯L≤200mm 600元/芯样L≤200mm 600元/芯样L>200mm 800元/芯样L>200mm 800元/芯样39 超声回弹综合法检测砼强度4500元/组3600元/组40 超声波测砼缺陷4000元/组3200元/组41 外墙面砖粘接强度1000㎡抽检一组800元/组640元/组42 砂浆强度检测(贯入法) 600元/构件480元/构件43 回弹法检测混凝土强度200元/构件160元/构件44 高强螺栓轴力、扭矩系数一组8套试件640元/组512元/组45 钢结构抗滑移试件一组3套试件1500元/组1200元/组46 房屋鉴定检测15元/平米12元/平米47 钢筋保护层厚度120元/构件96元/构件48 钢结构探伤检测H型钢梁、钢柱(箱式钢柱)200元/构件160元/构件49 外加焊缝探伤5元/m24元/m250 钢结构涂装工程检测200元/构件160元/构件51 钢结构构件厚度检测200元/构件160元/构件52 钢结构型材复检100元/道80元/道53 钢结构I级焊缝400元/道320元/道54 钢结构II级焊缝100元/道80元/道55 节能构造钻芯一组3个800元/组640元/组56 锚栓拉拔检测800元/组640元/组57 外保温粘接、抹面砂浆400元/组320元/组58 玻璃纤维网格布密度、耐碱断裂强度、耐碱断裂强力保留值400元/组320元/组59 外墙保温板400元/规格320元/规格60 外墙保温板燃烧性能1000/规格800/规格序号检测项目取样数量收费标准优惠价61 安全玻璃500元400元62 中空玻璃露点检测1200元/组960元/组63 门窗三性试验800元/樘640元/樘64 门窗保温性能实验3000元/项2400元/项65 外围护结构传热系数现场检测3500元/项2800元/项66 现场门窗气密试验六层抽取3樘多层抽取6樘800元/樘640元/樘67 外墙外保温粘接强度现场检测一组5块800元/组640元/组68 橡塑海绵800元/组640元/组69 PVC-U排水管材每种规格1m×4根取样700元/组560元/组70 PVC-U排水管件700元/组560元/组71 PVC-U给水管材700-1000元/组560-800元/组72 PVC-U给水管材700元/组560元/组73 聚丙烯PP-R管材热水1000元/组热水800元/组冷水600元/组冷水480元/组74 聚丙烯PP-R管件600元/组480元/组75 铝塑复合压力管热水1000元/组热水800元/组冷水800元/组冷水480元/组76 给水用PE管材2000-3000元/组1600-2400元/组77 冷热水用交联聚乙烯(PE-X)管材1000元/组800元/组78 冷热水用交联聚乙烯(PE-RT)管材3000元/组2400元/组79 建筑用电工套管800元/组640元/组80 电线600元/组480元/组81 电缆800元/组640元/组82 照明功率密度及照度检测3500元2800元83 室内温度检测150元/点120元/点84 硅酮结构胶污染性2支3000元/组2400元/组序号检测项目取样数量收费标准优惠价85 硅酮结构胶相容性2支3000元/组2400元/组86 硅酮结构胶拉伸粘接性2支3000元/组2400元/组87 硅酮结构胶压剪强度2支1500元/组1200元/组88 结构加固胶2支2000元/组1600元/组89 碳纤维网格布600元/组480元/组90 绝热用岩棉800元/组640元/组91 铝合金型材2m×2根500元/组400元/组92 室内环境检测(甲醛、苯、氨、TVOC、氡)每百个自然间抽取5个自然间1500元/点1200元/点93 施工用水分析800元/组640元/组94 沙子、石子坚固性2500元/项2000元/项95 抗硫酸盐水泥化学分析(烧失量、氯离子)3500元/组2800元/组96 砂子、石子氯离子700元/项560元/项97 沙子、石子碱活性3500元/项2800元/项98 土壤中氡浓度500元/点400元/点99 花岗岩1000元800元100 止水带600元480元101 止水条500元400元102 陶瓷砖内墙砖500元/组内墙砖400元/组外墙砖1100元/组外墙砖880元/组103 岩棉管壳800元/组640元/组104 空心隔墙板500元/组400元/组105 建筑用轻钢龙骨600元/组480元/组序号检测项目取样数量收费标准优惠价106 普通铝塑复合管300元/组240元/组107 普通石膏板500元/组400元/组108 橡塑管800元/组640元/组109 水泥保温板600元/组480元/组110 聚氨酯泡沫板600元/组480元/组111 采暖散热器112 散热量4000元3200元113 金属热强度114 耐压600元480元115 漆膜200元160元116 外形尺寸117 水溶性聚乙烯醇胶粘剂瓷砖粘接剂600元480元118 方钢200元160元建设工程质量检测合同科杰检测合同[2012 ]第号工程项目名称:工程地址:委托单位:(甲方)检测单位:宁夏XX检测中心(乙方)单位地址:业务电话:传真:依据《中华人民共和国合同法》和《宁夏回族自治区建设工程质量管理实施细则》的规定,甲方委托乙方就工程项目的施工过程,提供质量检测技术服务,双方经协调一致签订本合同。
建筑工程质量检测收费项目及标准表建筑工程质量检测收费项目及标准砼试件抗压强度检测项目分为10×10×10cm、15×15×15cm、20×20×20cm、10×10×40cm、15×15×55cm,单位为组,收费标准分别为24元、30元、36元、100元、210元。
每增加一个等级,加收费用100元。
初凝、终凝全测收费为400元/个。
除砼试件抗压强度检测外,还包括砼试件抗折、砼劈裂抗拉、砼抗渗透试验、砼凝结时间、砂浆试件抗压、钢材物理性能、钢材化学分析、预应力高强钢绞线、高强螺栓等检测项目。
钢筋焊接性能检测分为工艺性能、力学性能检验两项,收费标准为250元/个。
钢材化学分析检测包括C、P、S、Si、Mn等元素,收费标准为200元/每元素。
水泥安定性检测包括雷氏法和凝结时间两项,收费标准分别为500元和30元。
水泥强度快速测定收费标准为80元/条,不溶物、烧失量、氧化镁、三氧化硫、碱含量等检测项目收费标准为20元/项。
砂、粉煤灰、拌和水、石等材料的检测项目及收费标准也在此表中列出。
其中,砂的细度(比表面积法)检测收费标准为80元/项,粉煤灰的烧失量、三氧化硫检测收费标准为100元/项,拌和水的PH值、不溶物、可溶物、氯化物、硫化物、硫酸盐检测收费标准为100元/项,石的颗粒级配检测收费标准为60元/项。
岩石立方体强度测试需要另行计费,而PH值、不溶物、可溶物、氯化物、硫化物、硫酸盐等检测项目的收费标准分别为350元/项和50元/项。
16-5:删除明显有问题的段落,剔除格式错误17-1:砌块的含水率和密度是影响其抗压强度的重要因素。
需水量比也是制作砌块时需要考虑的因素之一。
17-2:砌块的体积和密度也是需要检测的指标之一。
吸水率也是砌块质量的重要指标之一。
17-3:每项检测都是为了保证砌块的质量。
组合检测可以更全面地了解砌块的性能。
工程质量检测和建筑材料试验收费标准一、建筑工程质量检测收费项目及标准表(建筑材料及半成品)建筑材料是建筑工程中必不可少的组成部分,为了确保建筑质量,需要进行严格的检测。
下面是建筑工程质量检测收费项目及标准表,包括建筑材料和半成品的检测项目、参数、收费标准和完成期限。
二、建筑材料检测项目1.水泥水泥是建筑材料中使用最广泛的一种。
常规检测项目包括用水量、凝结时间、安定性、强度、细度/比表面积、流动度、烧失量/硫酸盐-三氧化硫。
每个样品为20kg水泥试样,必须在同一次进场、同一编号的20包以上等量采集,每处采集约1kg,总量不少于20kg。
2.建筑用砂建筑用砂是建筑材料中的重要组成部分。
常规检测项目包括表观密度、堆积密度、紧密密度、含泥量、颗粒级配、泥块含量、氯离子、碱活性。
每组样品为15kg。
3.建筑用石建筑用石是建筑材料中的重要组成部分。
常规检测项目包括针片状、泥块含量、碱活性、公称粒径。
每组样品为8kg、24kg、40kg、80kg。
4.钢材钢材是建筑材料中应用最广泛的一种。
常规检测项目包括焊接、力学性能、化学性能。
每组样品为600mm、400mm、300mm各2根或3根。
以上是建筑材料的常规检测项目,每个项目都有相应的收费标准和完成期限。
建筑工程质量检测是确保工程质量的重要手段,建筑材料的检测也是其中不可或缺的一部分。
组,每组取样数量为3kg,混合均匀后作为检测样品。
二、取样方法1、需水量比、含水量、细度、三氧化硫、烧失量的取样方法为:每组取3个点样,每个点样重量为1kg,混合均匀后作为检测样品。
2、安定性、均匀性、活性指数的取样方法为:每组取3个点样,每个点样重量为500g,混合均匀后作为检测样品。
收费标准单位:元/组完成期限工作日)常规项目:400可选项目:100071900二、建筑工程质量检测收费项目及标准表(混凝土)检测项目检测项目参数(元)类别常规:抗压强度、减水率、坍落度、含气量、泌水率、收缩率、氯离子含量、硫酸盐含量、碱度、含水率可选:早强、缓凝、渗透性、碱活性、氯离子渗透性取样送检数量一、取样方法1、混凝土的取样方法为:每组取3个点样,每个点样重量为5kg,混合均匀后作为检测样品。
工程检测收费标准
一、收费依据
1、《中华人民共和国政府采购法》、《中华人民共和国政府采购条例》及其他有关法律、法规;
2、《政府采购技术服务收费管理办法》(国家发展改革委令第[2009]215号);
3、《政府采购技术服务收费标准》(国家发展改革委令第[2009]216号);
4、本收费标准;
5、其他有关收费标准。
二、收费对象
1、工程检测收费对象为政府采购的工程检测服务。
三、收费项目
1、工程检测费:
(1)工程检测项目费用:
a.建设工程检测费:
按照检测项目不同,收取检测费用,具体收费标准以政府采购技术服务收费标准(国家发展改革委令第[2009]216号)为准。
b.工程检测报告费:
按照检测报告的类型和数量,收取报告费用,具体收费标准以政府采购技术服务收费标准(国家发展改革委令第[2009]216号)为准。
(2)工程检测管理费:
按照检测项目的规模和复杂程度,收取管理费用,具体收费标准以政府采购技术服务收
费标准(国家发展改革委令第[2009]216号)为准。
四、收费标准
1、工程检测收费标准以政府采购技术服务收费标准(国家发展改革委令第[2009]216号)为准,不得低于4000元/项。
五、收费方式
1、工程检测收费方式以政府采购技术服务收费管理办法(国家发展改革委令第[2009]215号)为准。
六、其他
1、收费标准如有变动,以政府采购技术服务收费标准(国家发展改革委令第[2009]216号)为准。
2、本收费标准自发布之日起施行。
建设工程检测一收费标准常规建筑材料检测收费标准
防水材料及市政土工检测收费标准
现场结构检测收费标准
水电设备安装检测收费
环境检测收费
保温节能材料检测收费
基坑、基桩检测收费
3砂浆
4建筑用石5建筑用砂
混凝土外
加剂
保温节能材料检测收费
基坑、基桩检测收费
1
2、基桩检测收费
基桩检测包括:静载、动测(高应变、低应变)、声波透射,其检测收费为静载荷试验费
65元/吨;低(小)应变动力检测费 65元/根。
最后以实际工作量结算,可根据市场浮动进行 协商。
耐冻融 热阻 抹面层不透水性 保护层水蒸气渗透阻
2000 3500 500 2000
测 40000。
工程质量检测费收费标准工程质量检测是保障工程质量和安全的重要环节,而工程质量检测费的收费标准直接影响着工程质量检测服务的质量和效益。
为了规范工程质量检测费的收费标准,保障工程质量检测服务的公平性和合理性,制定了以下收费标准:一、基本收费标准。
1. 建筑工程质量检测费。
(1)建筑结构工程质量检测费,按照建筑工程总投资的0.3%-0.5%收取。
(2)建筑装饰工程质量检测费,按照建筑装饰工程造价的1%-2%收取。
(3)建筑给排水工程质量检测费,按照给排水工程造价的0.5%-1%收取。
2. 土木工程质量检测费。
(1)桥梁工程质量检测费,按照桥梁工程造价的0.5%-1%收取。
(2)隧道工程质量检测费,按照隧道工程造价的0.8%-1.2%收取。
(3)道路工程质量检测费,按照道路工程造价的0.3%-0.5%收取。
3. 设备安装工程质量检测费。
设备安装工程质量检测费,按照设备安装工程造价的1%-2%收取。
二、收费依据。
1. 工程质量检测费的收费依据应当是工程实际造价,不得以其他标准作为收费依据。
2. 工程质量检测费的收费依据应当经过工程造价的审核确认,确保收费依据的准确性和合理性。
三、收费方式。
1. 工程质量检测费的收费方式可以采取一次性收取或分期收取的方式,具体收费方式由双方协商确定。
2. 分期收取的工程质量检测费,应当在工程不同阶段进行相应比例的收费,确保工程质量检测服务的连续性和有效性。
四、收费标准调整。
1. 工程质量检测费的收费标准应当根据国家相关政策和市场变化进行调整,确保收费标准的合理性和时效性。
2. 收费标准调整应当提前向委托方和相关部门进行通知,并经过相关程序的审批确认后执行。
五、收费透明。
1. 工程质量检测费的收费应当向委托方提供详细的收费明细和依据,确保收费的透明和合理性。
2. 工程质量检测费的收费明细应当包括工程名称、工程造价、收费标准、收费依据等内容,确保收费的合理性和合法性。
六、违规处理。
完整版)建筑工程质量检测收费项目及标准表建筑工程质量检测收费项目及标准砼试件抗压强度检测项目包括10×10×10cm,15×15×15cm,20×20×20cm,10×10×40cm和15×15×55cm等不同等级的试件,每组收费标准分别为24元,30元,36元,100元和210元。
每增加一个等级,收费标准增加100元。
___和终凝全测收费标准为400元/个。
除了砼试件抗压强度检测项目外,还有砼试件抗折、砼劈裂抗拉、砼抗渗透试验、砼凝结时间、砂浆试件抗压、钢材物理性能、钢材化学分析、预应力高强钢绞线和高强螺栓等检测项目。
每个项目的收费标准和单位不同,具体标准详见表格。
另外,还有水泥安定性(雷氏法)、凝结时间、强度标号、水泥强度快速测定、不溶物、烧失量、氧化镁、三氧化硫、碱含量、表观密度、堆积密度、紧密密度、孔隙率、含泥量、泥块含量、吸水率、含水率、颗粒级配、有机物含量、氯离子含量、硫酸盐含量、硫化物含量、云母含量、轻物质含量、坚固性、颗粒级配(筛分)、粘土含量、针片状颗粒含量、硫化盐含量、压碎指标、岩石立方体强度测试(试件取样、加工另计)、PH值、可溶物、氯化物等检测项目,每个项目的收费标准和单位也不同,详见表格。
细度(筛余法)和细度(比表面积法)是多个检测项目中都涉及的指标,收费标准分别为500元和200元。
另外,砼抗压强度比的收费标准为90元/项,水泥化学成分分析和粉煤灰、拌和水、石等项目的收费标准也在表格中详细列出。
总之,建筑工程质量检测收费项目和标准是多种多样的,具体收费标准和单位需要根据不同的检测项目进行查看。
建筑中使用的PVC塑料管材需要进行外观和尺寸测量,以及弯曲度测试。
同样,镀锌钢管也需要进行相关测试。
在施工中使用安全网时,需要进行扁平试验、纵向回缩率、烘箱试验、坠落试验、加热后状态、层间粘合强度、二氯甲烷浸渍和酸浸损失等方面的测试。
建设工程质量检测收费项目和标准建设工程质量是保障民众生命财产安全和提升城市形象的重要基础,而建设工程质量检测则是保证工程质量的关键。
建设工程质量检测是根据国家相关标准进行的全过程监督和核查,通过对工程建设全过程进行检测,发现施工中的质量问题,及时纠正,确保工程的优良质量。
为满足建设工程质量检测的需要,同样需要建设工程质量检测收费项目和标准。
建设工程质量检测收费项目主要包括:方案编制费、检测费、技术咨询费、实验室测试费、试验验证费、现场检查费、产品认证费等。
方案编制费是指建设工程质量检测机构在收到建设单位委托需要检测的工程后所进行的方案编制和报价过程,并收取一定费用;检测费是指建设工程质量检测机构对具体工程项目所进行的检测过程所收取的费用;技术咨询费是指在建设工程质量检测过程中为建设单位提供专业、科学的技术咨询服务所收取的费用;实验室测试费是指建设工程质量检测机构为进行工程品质检测所开展的实验室测试工作所收取的费用;试验验证费是指建设工程质量检测样品的现场试验和核对过程中所收取的费用;现场检查费是指在建设工程质量检测过程中检测机构派人员对现场施工过程进行检查监督所收取的费用;产品认证费是指对建设工程所使用的各种产品,如水泥、钢材等进行质量认证所收取的费用。
建设工程质量检测收费标准是以国家相关标准为参照依据的,也是要考虑到建设工程的复杂与特殊性的。
建设工程质量检测收费标准是指在对建设工程进行全面质量检测过程中所收取的费用。
根据国家相关标准,建设工程质量检测收费标准应该立足于实现建设工程的质量监督和控制,维护消费者利益,促进建设工程发展。
建设工程质量检测收费项目和标准的制定应该从消费者的利益出发,制定合理的收费标准。
一方面,合理的收费标准能够给建设工程质量监督机构带来相应的经济效益,让其能够良性运营,从而提高工作效率。
另一方面,合理的收费标准则能够促进建设工程的优化与升级,提高城市形象与居民生活质量。
重庆市物价局关于核定重庆市建设工程检验测试暂行收费标准的通知渝价[2004]36号各区县(自治县、市)物价局、重庆市建设工程质量协会、各建设工程质量检测单位:为了促进我市建设工程检验测试工作的顺利进行,确保建设工程质量,规范检测结构收费行为,根据国务院《建设工程质量管理条例》和国家计委、国家经贸委、财政部等六部委印发的《中介服务收费管理办法》等有关规定,并结合我市实际,现就建设工程检验测试暂行收费标准的有关问题通知如下:一、凡依法取得建设工程检验测试资质证书,并经计量认证的建设工程质量检测机构,依据现行国家标准、行业标准及有关产品质量标准和规定,对进入施工现场的建筑材料、建筑构配件设备和商品混凝土等进行检验测试,可按附表所列的项目和收费标准向委托方收取检验测试费。
二、建设工程质量检测机构的检验测试费属经营性专业技术服务收费,实行政府指导价,依法纳税。
各检测机构可按本通知规定的收费标准上下浮动10%收费。
三、本通知适用于主城九区。
主城九区是指:渝中区、江北区、九龙坡区、沙坪坝区、大渡口区、巴南区、渝北区、南岸区、北碚区,包括经济技术开发区、高新技术开发区和北部新区。
其余各区县(自治县、市)的检测收费,可在本通知规定的收费标准幅度内,由当地政府价格主管部门根据当地实际确定收费标准,并报市物价局备案。
四、任何单位和个人不得强制或变相强制指定检测机构接受委托服务。
五、建设工程质量检测机构接本通知后,于2004年4月15日前到同级价格主管部门办理《收费许可证》,实行亮证收费。
并按照国家有关规定在收费场所实行明码标价,在其醒目位置公布收费依据、收费项目、收费标准。
六、各级政府价格主管部门,要随时加强对建设工程检验测试收费的监督检查,如有违反上述规定的,由政府价格主管部门依据《中华人民共和国价格法》、《价格违法行为行政处罚规定》等规定予以查处。
七、本通知自2004年1月18日起施行。
建筑工程材料检测收费项目及标准表
收费项目及标准表是对建筑工程材料检测所应收取的费用进行规定和说明的文件。
本标准表将列举一些常见的建筑工程材料检测项目和相应的收费标准,以供参考。
1. 水泥材料检测
- 凝结时间检测:10元/次
- 抗压强度检测:20元/个
- 抗折强度检测:15元/个
2. 砂浆材料检测
- 浆体流动性检测:10元/次
- 抗压强度检测:15元/个
- 凝结时间检测:10元/次
3. 钢筋材料检测
- 化学成分检测:30元/次
- 抗拉强度检测:25元/个
- 弯曲性能检测:20元/个
4. 沥青材料检测
- 针入度测试:15元/次
- 黏度测试:20元/次
- 密度测试:10元/次
以上只是部分常见的建筑工程材料检测项目及收费标准,具体的检测项目和费用可以根据实际需要进行调整。
建议在进行建筑工程材料检测前,与检测机构协商确认检测项目和收费标准,以确保双方达成一致。
注意:本文档仅供参考,具体收费标准以检测机构提供的信息为准,未经确认的内容请勿引用。