灭火器配置场所及等级划分
- 格式:doc
- 大小:20.50 KB
- 文档页数:2
工业建筑灭火器配置场所的危险等级工业建筑包括厂房及露天、半露天生产装置区和库房及露天、半露天堆场,国标《建筑灭火器配置设计规范》(GB50140-2005)将工业建筑灭火器配置场所的危险等级,按照其生产、使用、储存物品的火灾危险性,可燃物数量,火灾蔓延速度,扑救难易程度等因素,划分为三级:严重危险级、中危险级、轻危险级。
1 严重危险级:火灾危险性大,可燃物多,起火后蔓延迅速,扑救困难,容易造成重大财产损失的场所;2 中危险级:火灾危险性较大,可燃物较多,起火后蔓延较迅速,扑救较难的场所;3 轻危险级:火灾危险性较小,可燃物较少,起火后蔓延较缓慢,扑救较易的场所。
一、划分其危险等级主要考虑以下几个因素1.工业建筑场所内生产、使用和储存可燃物的火灾危险性是划分危险等级的主要因素。
按照现行国家标准《建筑设计防火规范》对厂房和库房中的可燃物的火灾危险性分类来划分工业建筑场所的危险等级。
原则上将甲、乙类生产场所和甲、乙类储存场所列入严重危险级;将丙类生产场所和丙类储存场所列入中危险级;将丁、戊类生产场所和丁、戊类储存场所列入轻危险级。
其对应关系如表1所示:表1 配置场所与危险等级对应关系2.工业建筑场所内可燃物的数量越多,火灾荷载增大,使起火后的火灾强度与火灾破坏程度提高,因此应将可燃物数量多的场所划为严重危险级,可燃物数量少的场所定为轻危险级,而居于两者之间的可燃物数量较多的场所则可定为中危险级。
3.对于蔓延迅速的火灾,有可能在短时间内殃成大火,使灭火器失去作用,出现灭火器灭不了火的情况。
因此,在灭火器配置场所中,火灾蔓延速度越迅速,相应的危险等级就高。
可燃物的火灾蔓延速度,除了同可燃物本身的燃烧特性有关之外,还与场所内的环境条件等情况有关。
例如,若采取良好的防火分隔措施和生产工艺密闭操作等安全设施,则可将火灾危险性局限在一定的部位内,减缓火灾蔓延速度;又如将可燃物堆积储存得较高,或松散包装,敞开贮存,则起火后就会增加火灾蔓延速度。
一、严重危险级Ⅰ级净空高度不超过8m、物品摆放高度超过3.5m的自选商场
1、摄影棚
2、舞台葡萄架下部
1、建筑高度为24m及以下的旅馆
2、建筑高度为24m及以下的办公楼
3、仅在走道设置闭式系统的建筑
1、书库
2、舞台(葡萄架除外)
3、汽车停车场
4、总建筑面积5000m²及以上的商场
5、总建筑面积1000m²及以上的地下商场
6、净空高度不超过8m、物品摆放高度不超过3.5m的自选商场
1、高层民用建筑:旅馆、办公楼、综合楼、邮政楼、金融电信楼、指挥度调
度,广播电视楼(塔)等。
2、公共建筑(含单、多、高层):医院、疗养院;图书馆(书库除外)档案
馆、展览馆(厅);影剧院、音乐厅和礼堂(舞台除外)及其他娱乐场所;
火车站和飞机场及码头的建筑;总建筑面积小于5000m²的商场、总建筑面积
小于1000m²的地下商场等。
3、文化遗产建筑:木结构古建筑、国家文物保护单位等。
二、严重危险级Ⅱ级三、轻危险级四、中危险级Ⅱ级五、中危险级Ⅰ级总结:对规范举例的场所按上述顺序梳理之后,我们可以对民用建筑设置自动喷水灭火系统火灾危险等级做如下归纳。
划分为严重危险级Ⅰ级的只有1类;
划分为严重危险级Ⅱ级的只有2类;
划分为轻危险级的只有3类;
划分为中危险级Ⅱ级虽然有6类,但是大部分比较独特(书库、汽车库、葡萄架等);
记住上述少量的,剩下的全部是中危险级Ⅰ级。
灭火器配置标准1、灭火器配置场所: 存在可燃的气体、液体、固体等物质,需要配置灭火器的场所。
2、保护距离:灭火器配置场所内,灭火器设置点到最不利点的直线行走距离。
3、灭火等级:表示灭火器能够扑灭不同种类火灾的效能。
由表示灭火效能的数字和灭火种类的字母组成。
4、火灾种类:灭火器配置场所的火灾种类可划分为以下五类A类火灾:固体物质火灾B类火灾:液体火灾或可溶化固体物质火灾C类火灾:气体火灾D类火灾:金属火灾E类火灾:物体带电燃烧的火灾。
5、灭火器的类型选择A类火灾场所应选择水型灭火器、磷酸铵盐干粉灭火器、泡沫灭火器、卤代烷灭火器。
B类火灾场所应选择泡沫灭火器、碳酸氢钠干粉灭火器、磷酸铵盐灭火器、二氧化碳灭火器、灭B类火灾的水型灭火器或卤代烷灭火器。
C类火灾场所应选择磷酸铵盐干粉灭火器、碳酸氢钠干粉灭火器、二氧化碳灭火器或卤代烷灭火器。
D类火灾场所应该选择扑灭金属火灾的专用灭火器E类火灾场所应选择磷酸铵盐干粉灭火器、碳酸氢钠干粉灭火器或卤代烷灭火器,但不得选用装有金属喇叭喷筒的二氧化碳灭火器。
6、灭火器的设置1)、灭火器应设置在位置明显和便于取用的地点,且不得影响安全疏散。
2)、对有视线障碍的灭火器设置点,应设置指示其位置的发光标志。
3)、灭火器的摆放应稳固,其铭牌应朝外。
手提式灭火器宜设置在灭火器箱内或挂钩、托架上,其顶部离地面高度不应大于1.50m;底部离地面高度不应小于0.08m。
灭火器箱不得上锁。
4)、灭火器不宜设置在潮湿或强腐蚀性的地点,当必须设置时,应有保护措施。
5)、灭火器不得设置在超出其使用温度范围的地点。
7、灭火器的配置1)、一个计算单元内配置的灭火器数量不得少于2具。
2)、每个设置点的灭火器数量不宜多余5具。
3)、当住宅楼每层的公共部位建筑面积超过100㎡时,应配置1具1A的手提式灭火器;每增加100㎡时,增配1具1A 的手提式灭火器。
8、灭火器配置的设计与计算应按计算单元进行。
灭火器最小需配灭火级别和最少需配数量的计算值应进位取整。
民用建筑灭火器配置场所的危险等级含义民用建筑灭火器配置场所的危险等级含义民用建筑灭火器配置场所是为了防止火灾事故而采取的一项主动性措施。
按照危险等级的划分,可分为1-4级,不同级别的危险等级对灭火器的配置和使用都有不同的要求。
本文将详细介绍各级别的含义及其对灭火器的配置要求。
一、一级危险等级指容易发生火灾的场所,如:医院、宾馆、学校、大楼、娱乐场所等。
要求配置按照剩余面积的0.08%配备1枚灭火器,并且至少1枚应该是干粉灭火器。
一级危险等级的场所要求定期进行消防安全演练,加强员工的消防安全意识,确保灭火器能够在火灾发生时快速有效地使用。
二、二级危险等级指可能发生火灾的场所,如:酒店、咖啡馆、超市、商店、办公楼等。
要求配置按照剩余面积的0.05%配备1枚灭火器,并且至少1枚应该是干粉灭火器。
二级危险等级的场所要求员工能够熟练掌握灭火器的使用方法,并定期进行消防安全培训,提高员工的消防安全意识。
三、三级危险等级指一般不易发生火灾的场所,如:别墅、工作坊、一般仓库等。
要求配置按照剩余面积的0.03%配备1枚灭火器,并且至少1枚应该是干粉灭火器。
三级危险等级的场所要求员工能够掌握基础的消防安全知识和技能,并能够在火灾发生时迅速有效地使用灭火器进行初期灭火。
四、四级危险等级指不易发生火灾的场所,如:公共区域、办公室、住宅等。
要求配置按照剩余面积的0.025%配备1枚灭火器,并且至少1枚应该是干粉灭火器。
四级危险等级的场所要求员工定期进行消防安全宣传,提高员工的消防安全意识,并能够迅速有效地使用灭火器进行初期灭火。
民用建筑灭火器的配置应该根据火灾危险等级及场所的特殊情况来进行配置。
不同级别的场所对灭火器的配置和使用都有不同的标准和要求。
同时,要加强员工的消防安全意识,提高员工的消防安全技能和知识,定期进行消防安全演练和培训,确保能够及时有效地制止火灾的发生。
建筑灭火器配置标准根据国家标准,《建筑灭火器配置设计规范》(GBJ—90)规定,对于新建、扩建、改建的生产、使用和储存可燃物的工业与民用建筑灭火器配置标准必须符合规范要求,其目的是有效地扑灭工业与民用建筑初起火灾,减少火灾损失,保护人身和财产安全。
规范不适用于生产、储存火药、炸药、弹药、火工品、花炮厂(库)房,以及九层及九层以下的普通住宅。
第一节灭火器配置场所的危险等级工业建筑灭火器配置场所的危险等级工业建筑灭火器配置场所的危险等级,根据生产、使用、储存可燃物的数量、火灾危险性,火灾蔓延速度及灭火难易程度因素应划分为严重危险级、中危险级和轻危险级等三级。
严重危险级:可燃物数量多,火灾危险性大,起火后蔓延迅速,灭火难度大,可能造成重大火灾损失的灭火器配置场所。
中危险级:可燃物数量较多,火灾危险性较大,起火后蔓延速度较快,灭火难度较大,可能造成中等火灾损失的灭火器配置场所。
轻危险级:可燃物数量较少,火灾危险性较小,起火后蔓延较慢,灭火难度小,可能造成轻度火灾损失的灭火器配置场所。
民用建筑灭火器配置场所的危险等级民用建筑灭火器配置场所的危险等级,根据其使用性质,可燃物数量、火灾危险性,火灾蔓延程度及灭火难易程度等因素来划分为严重危险级,重危险级和轻危险级等三级。
严重危险级:功能较复杂、用电、用火多,设备贵重、火灾危险性大,可燃物数量多,起火后蔓延迅速,灭火难度大,可能造成重大火灾损失的灭火器配置场所。
中危险级:功能较复杂、用电、用火较多、设备较贵重,火灾危险性较大,可燃物数量较多,起火后蔓延较迅速,灭火难度较大,可能造成中等火灾损失的灭火器配置场所。
轻危险级:功能一般,用电、用火较少,设备较普通,火灾危险性较小,可燃物数量少,起火后蔓延缓慢,灭火难度小,可能造成轻度火灾损失的灭火器配置场所。
第二节灭火器类型的选择灭火器配置场所预期火灾种类灭火器配置场所可能发生的火灾种类可根据其生产、使用、储存可燃物种类及其燃烧特性来进行预鉴别。
灭火器配置一、火灾种类灭火器配置场所的火灾种类可划分为以下五类:1、 A 类火灾:固体物质火灾。
2、 B 类火灾:液体火灾或可熔化固体物质火灾。
3、 C 类火灾:气体火灾。
4 、D 类火灾:金属火灾。
5 、E 类火灾(带电火灾):物体带电燃烧的火灾。
二、灭火器的最大保护距离1、设置在 A 类火灾场所的灭火器,其最大保护距离应符合表1的规定。
表 1 A 类火灾场所的灭火器最大保护距离(m)2、设置在 B、C 类火灾场所的灭火器,其最大保护距离应符合表2的规定。
表2 B、C 类火灾场所的灭火器最大保护距离(m)三、灭火器的最低配置基准A 类火灾场所灭火器的最低配置基准应符合表3的规定。
表3 A 类火灾场所灭火器的最低配置基准B、C 类火灾场所灭火器的最低配置基准应符合表4的规定。
表4 B、C 类火灾场所灭火器的最低配置基准D 类火灾场所的灭火器最低配置基准应根据金属的种类、物态及其特性等研究确定。
E 类火灾场所的灭火器最低配置基准不应低于该场所内 A 类(或 B 类)火灾的规定。
四、灭火器配置设计计算1、灭火器配置的设计与计算应按计算单元进行。
灭火器最小需配灭火级别和最少需配数量的计算值应进位取整。
2、每个灭火器设置点实配灭火器的灭火级别和数量不得小于最小需配灭火级别和数量的计算值。
3、灭火器设置点的位置和数量应根据灭火器的最大保护距离确定,并应保证最不利点至少在1具灭火器的保护范围内。
最小需配灭火级别应按下式计算:SQ = K ——U式中Q ——计算单元的最小需配灭火级别(A 或 B);S ——计算单元的保护面积(m2);U ——A 类或 B 类火灾场所单位灭火级别最大保护面积(m2 /A 或m2 /B);K ——修正系数。
修正系数应按表5的规定取值。
表5 修正系数。
灭火器的配置由于灭火器配置场所火灾危险性不尽相同,配置灭火器的标准也不相同,为了使配置灭火器更趋合理、科学,将灭火器配置场所划分为严重危险级、中危险级和轻危险级三类。
一、工业建筑灭火器配置场所危险等级划分原则严重危险级:火灾危险性大、可燃物多、起火后蔓延迅速或容易造成重大火灾损失的场所;中危险级:火灾危险性较大、可燃物较多、起火后蔓延较迅速的场所;轻危险级:火灾危险性较小、可燃物较少、起火后蔓延较缓慢的场所。
二、民用建筑灭火器配置场所危险等级划分原则严重危险级:功能复杂、用电用火多、设备贵重、火灾危险性大、可燃物多、起火后蔓延迅速或容易造成重大火灾损失的场所;中危险级:用电用火较多、火灾危险性较大、可燃物较多、起火后蔓延较迅速的场所;轻危险级:用电用火较少、火灾危险性较小、可燃物较少、起火后蔓延较缓慢的场所。
三、灭火器的放置要求1、灭火器应设置在明显和便于取用的地方,且不影响安全疏散。
设置位置明显,就使得在平时和发生火情的情况下都能让人们一目了然地知道何处可取灭火器,减少因寻找灭火器而花费的时间,从而及时有效地将火扑灭在初起阶段。
便于取用灭火器,就是保证人们发现火情后,在没有任何危及人身安全或阻挡碰撞的情况下,就能够跑到灭火器设置处,方便地取得灭火器进行灭火。
这是由于要扑灭初起火灾是有一定时间限度的,而能否方便、安全、及时地取到灭火器,在某种程度上决定了灭火的成败。
如果取用不便,那么就是离火点再近,也有可能因时间的拖延而使火势蔓延成大火,从而使灭火器失去作用。
为此,应尽量将灭火器放置在走廊、门厅及各种出入口等处便于取用的地点。
如果受环境条件所限,难以做到显而易见,则应设有明显的标志,标明灭火器的实际位置,使人能迅速及时地取到灭火器。
灭火器的设置不能影响安全疏散,这样做不仅关系到人们在火警发生时能否及时安全疏散,而且涉及到人们去取用灭火器时能否保证通道通畅的问题。
2、灭火器设置应稳固,其铭牌必须朝外为了确保灭火器正常使用,防止灭火器跌落损坏及对人身造成伤害,灭火器应牢固设置;另外,为了保证人们能够了解灭火器的主要性能指标和操作使用方法,灭火器的铭牌应朝外,让人们可以直接看到,以便充分发挥灭火器作用。
灭火器配置场所及等级划分The latest revision on November 22, 2020灭火器配置场所危险等级划分及灭火器的选择建筑灭火器的配置与管理是建筑设施管理的重要组成部分,建筑物发生初期火灾时,常用、最有效的是灭火器。
灭火器以其轻便、灵活、可移动、操作简单、运用范围广、灭火见效快等优点,得到人们的广泛使用,是初期火灾扑救的好帮手。
一灭火器的配置场所危险等级的划分(一)、工业建筑工业建筑灭火器配置场所的危险等级可划分为一下三级:1、严重危险级:火灾危险性大、可燃物多、起火后蔓延迅速或容易造成重大火灾损失的场所。
2、中危险级:火灾危险性较大、可燃物较多、起火后蔓延较迅速的场所。
3、轻危险级:火灾危险性较小、可燃物较少、起火后蔓延较缓慢的场所。
灾时要求扑救的块,否则火势蔓延可能增加扑救的难度,甚至灭不了火。
对情况复杂的油类流淌火,身液位的油槽火灾和可燃物的隐蔽部位、深部位或高部位的火灾,其扑救难度较大,需相应的提高其危险等级。
(二)、民用建筑民用建筑灭火器配置场所的危险等级划分为以下三级:1、严重危险等级:功能复杂、用电用火多、设备贵重、火灾危险性大、可燃物多、起火后蔓延迅速或容易造成重大损失的场所。
2、中危险级:用电用火较多、火灾危险性较大、可燃物较多、起火后蔓延较迅速的场所。
3、轻危险级:用电用火较少、火灾危险性较小、可燃物较少、起火后蔓延教缓慢的场所。
正确合理的选择灭火器室成功扑救初期火灾的关键之一,应该根据不同种类的火灾选择不同类型的灭火器:1、扑救A类(固体可燃物,如木材、棉、麻等)火灾应选用水型、泡沫、磷酸铵盐干粉、卤代烷型灭火器。
2、扑救B类(可燃液体,如汽油、柴油、甲醇、乙醇等)火灾应选用干粉、泡沫、卤代烷、二氧化碳型灭火器。
这里值得注意的是化学泡沫灭火器不能灭B类极性溶剂火灾,因为化学泡沫与有机溶剂,泡沫的水分会迅速被吸收,使泡沫很快消失,这样不能起到灭火的作用。
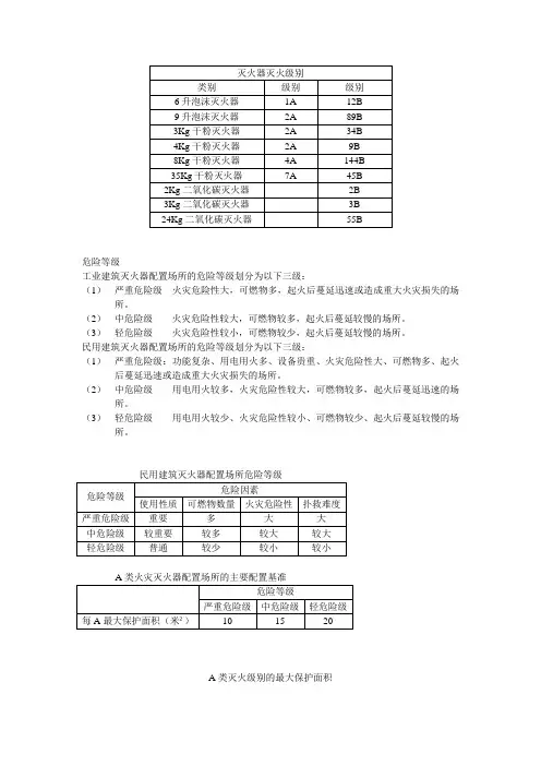
民用建筑灭火器配置场所的危险等级民用建筑大体上可分为公共建筑和居住建筑两大类,在划分危险等级的问题上要比工业建筑复杂,国标《建筑灭火器配置设计规范》(GB50140-2005)将民用建筑灭火器配置场所的危险等级,按照该场所的使用性质、人员密集程度、用火用电多少、可燃物数量、火灾蔓延速度、扑救难易程度等因素划分为三级:严重危险级、中危险级、轻危险级。
1 严重危险级:使用性质重要,人员密集,用电用火多,可燃物多,起火后蔓延迅速,扑救困难,容易造成重大财产损失或人员群死群伤的场所;2 中危险级:使用性质较重要,人员较密集,用电用火较多,可燃物较多,起火后蔓延较迅速,扑救较难的场所;3 轻危险级:使用性质一般,人员不密集,用电用火较少,可燃物较少,起火后蔓延较缓慢,扑救较易的场所。
一、划分其危险等级主要考虑以下几个因素各种因素与危险等级的具体对应关系如下表所示。
1.从使用性质来看:凡使用性质重要,设备与物资贵重的场所,一旦失火社会影响重大,损失严重者系消防重点保护对象,应列入严重危险级;同时将消防安全重点单位的相关场所纳入严重危险级。
2.从人员密集程度来看:凡人群密集、来往客流众多,且人群有可能聚集、停留一段较长时间的建筑场所,诸如大型商场、超市、网吧、寺庙大殿,以及影剧院、体育馆等歌舞娱乐放映游艺场所,一旦发生火灾,就有可能造成群死群伤的场所,其危险性很大,则应列入严重危险级;3.从可燃物数量和用火用电多少来看:凡可燃物数量多、可燃装修多、功能复杂、用火用电多等火险隐患大的场所也应列入严重危险级。
4.从火灾蔓延速度来看:起火后会迅速蔓延的民用建筑场所,一方面容易引起大火;另一方面,由于火灾蔓延迅速,也会加剧现场人员的恐慌,影响逃生和救援,将会增加人员的伤亡和财产损失,因此应列入严重危险级。
5.从扑救难度来看:建筑结构和功能复杂的场所,其竖向管井多、隐蔽空间多、火灾蔓延途径也多,起火后扑救难度大;有大量的有毒烟气产生的场所或人群密集的场所,尤其是在地下建筑场所起火时,由于火场混乱,外援困难,也往往会增大扑救火灾的难度;因此应将上述场所划为严重危险级。
危险等级
工业建筑灭火器配置场所的危险等级划分为以下三级:
(1)严重危险级火灾危险性大,可燃物多,起火后蔓延迅速或造成重大火灾损失的场所。
(2)中危险级火灾危险性较大,可燃物较多,起火后蔓延较慢的场所。
(3)轻危险级火灾危险性较小,可燃物较少,起火后蔓延较慢的场所。
民用建筑灭火器配置场所的危险等级划分为以下三级:
(1)严重危险级:功能复杂、用电用火多、设备贵重、火灾危险性大、可燃物多、起火后蔓延迅速或造成重大火灾损失的场所。
(2)中危险级用电用火较多,火灾危险性较大,可燃物较多,起火后蔓延迅速的场所。
(3)轻危险级用电用火较少、火灾危险性较小、可燃物较少、起火后蔓延较慢的场所。
民用建筑灭火器配置场所危险等级
A类灭火级别的最大保护面积
灭火器的配置数量基准
1.每单元最少配置数量
一个灭火器配置场所计算单元内的灭火器配置数量应不少于2具。
2.每点最多配置数量
一个灭火器配置场所计算单元内的灭火器配置数量应不宜多于5具。
(1)对设有消火栓的场所,可减配30%的灭火器。
(2)对设有灭火系统的场所,可减配50%的灭火器。
(3)对设有消火栓和灭火系统的场所,可减配70%的灭火器。
灭火器的配置场所和灭火级别一、灭火器的配置场所灭火器配置场所系指存在可燃的气体、液体和固体物质,可能发生火灾,需要配置灭火器的所有场所。
灭火器配置场所,可以是建筑物内的一个房间,如办公室、会议室、实验室、资料室、阅览室、油漆间、配电室、厨房、餐厅、客房、歌舞厅、更衣室、厂房、库房、观众厅、舞台以及计算机房和网吧等;也可以是构筑物所占用的一个区域,如可燃物露天堆场、油罐区等。
汽车、火车、轮船、飞机等交通工具或军用装备中灭火器配置,可参照建筑灭火器配置的有关规定。
本文中所述灭火器系指各种类型、规格的手提式灭火器和推车式灭火器。
二、灭火器配置场所的火灾种类(一)火灾分类为了便于建筑灭火器配置设计人员能正确判定灭火器配置场所的火灾种类,合理选择与配置灭火器,根据现行国际标准和国家标准《火灾分类》,火灾分为以下五种:A类火灾:指固体物质火灾。
B类火灾:指液体火灾或可熔化固体物质火灾。
C类火灾:指气体火灾。
D类火灾:指金属火灾。
E类(带电)火灾:指燃烧时物体带电燃烧的火灾。
(二)灭火器配置场所根据上述火灾分类标准,火灾场所也分为以下五种:A类火灾场所:指固体物质如木材、棉、毛、麻、纸张及其制品等燃烧的火灾场所。
B类火灾场所:指液体或可熔化固体物质如汽油、煤油、柴油、原油、甲醇、乙醇、沥青、石蜡等燃烧的火灾场所。
C类火灾场所:指气体如煤气、天然气、甲烷、乙烷、丙烷、氢气等燃烧的场所火灾。
D类火灾场所:指金属如钾、钠、镁、钛、锆、锂、铝镁合金等燃烧的场所火灾。
E类(带电)火灾场所:指燃烧时仍带电的物体如发电机、变压器、配电盘、开关箱、仪器仪表、电子计算机等带电物体燃烧的场所火灾。
对于那些仅有常规照明线路和普通照明灯具,而且也没有上述电气设备的普通建筑场所,可不按E类火灾场所的规定配置灭火器。
三、灭火器配置场所的危险等级(一)工业建筑工业建筑灭火器配置场所的危险等级,应根据其生产、使用、储存物品的火灾危险性,可燃物数量,火灾蔓延速度,扑救难易程度等因素,划分为以下三级:①严重危险级:火灾危险性大,可燃物多,起火后蔓延迅速,扑救困难,容易造成重大财产损失的场所。
建筑灭火器配置标准根据国家标准,《建筑灭火器配置设计规范》(GBJ—90)规定,对于新建、扩建、改建的生产、使用和储存可燃物的工业与民用建筑灭火器配置标准必须符合规范要求,其目的是有效地扑灭工业与民用建筑初起火灾,减少火灾损失,保护人身和财产安全。
规范不适用于生产、储存火药、炸药、弹药、火工品、花炮厂(库)房,以及九层及九层以下的普通住宅。
第一节灭火器配置场所的危险等级一、工业建筑灭火器配置场所的危险等级工业建筑灭火器配置场所的危险等级,根据生产、使用、储存可燃物的数量、火灾危险性,火灾蔓延速度及灭火难易程度因素应划分为严重危险级、中危险级和轻危险级等三级。
1.严重危险级:可燃物数量多,火灾危险性大,起火后蔓延迅速,灭火难度大,可能造成重大火灾损失的灭火器配置场所。
2.中危险级:可燃物数量较多,火灾危险性较大,起火后蔓延速度较快,灭火难度较大,可能造成中等火灾损失的灭火器配置场所。
3.轻危险级:可燃物数量较少,火灾危险性较小,起火后蔓延较慢,灭火难度小,可能造成轻度火灾损失的灭火器配置场所.二、民用建筑灭火器配置场所的危险等级民用建筑灭火器配置场所的危险等级,根据其使用性质,可燃物数量、火灾危险性,火灾蔓延程度及灭火难易程度等因素来划分为严重危险级,重危险级和轻危险级等三级。
1.严重危险级:功能较复杂、用电、用火多,设备贵重、火灾危险性大,可燃物数量多,起火后蔓延迅速,灭火难度大,可能造成重大火灾损失的灭火器配置场所。
2.中危险级:功能较复杂、用电、用火较多、设备较贵重,火灾危险性较大,可燃物数量较多,起火后蔓延较迅速,灭火难度较大,可能造成中等火灾损失的灭火器配置场所。
3.轻危险级:功能一般,用电、用火较少,设备较普通,火灾危险性较小,可燃物数量少,起火后蔓延缓慢,灭火难度小,可能造成轻度火灾损失的灭火器配置场所。
第二节灭火器类型的选择一、灭火器配置场所预期火灾种类灭火器配置场所可能发生的火灾种类可根据其生产、使用、储存可燃物种类及其燃烧特性来进行预鉴别。
灭火器配置场所及等级划分集团公司文件内部编码:(TTT-UUTT-MMYB-URTTY-ITTLTY-灭火器配置场所危险等级划分及灭火器的选择建筑灭火器的配置与管理是建筑设施管理的重要组成部分,建筑物发生初期火灾时,常用、最有效的是灭火器。
灭火器以其轻便、灵活、可移动、操作简单、运用范围广、灭火见效快等优点,得到人们的广泛使用,是初期火灾扑救的好帮手。
一灭火器的配置场所危险等级的划分(一)、工业建筑工业建筑灭火器配置场所的危险等级可划分为一下三级:1、严重危险级:火灾危险性大、可燃物多、起火后蔓延迅速或容易造成重大火灾损失的场所。
2、中危险级:火灾危险性较大、可燃物较多、起火后蔓延较迅速的场所。
3、轻危险级:火灾危险性较小、可燃物较少、起火后蔓延较缓慢的场所。
工业建筑灭火器配置场所的危险等级表:一般来说,可燃物的火灾蔓延速度块,则其扑灭难度就越大,尤其是用灭火器来扑救初期火灾时要求扑救的块,否则火势蔓延可能增加扑救的难度,甚至灭不了火。
对情况复杂的油类流淌火,身液位的油槽火灾和可燃物的隐蔽部位、深部位或高部位的火灾,其扑救难度较大,需相应的提高其危险等级。
(二)、民用建筑民用建筑灭火器配置场所的危险等级划分为以下三级:1、严重危险等级:功能复杂、用电用火多、设备贵重、火灾危险性大、可燃物多、起火后蔓延迅速或容易造成重大损失的场所。
2、中危险级:用电用火较多、火灾危险性较大、可燃物较多、起火后蔓延较迅速的场所。
3、轻危险级:用电用火较少、火灾危险性较小、可燃物较少、起火后蔓延教缓慢的场所。
民用建筑灭火器配置场所的危险等级表:二、灭火器的选择正确合理的选择灭火器室成功扑救初期火灾的关键之一,应该根据不同种类的火灾选择不同类型的灭火器:1、扑救A类(固体可燃物,如木材、棉、麻等)火灾应选用水型、泡沫、磷酸铵盐干粉、卤代烷型灭火器。
2、扑救B类(可燃液体,如汽油、柴油、甲醇、乙醇等)火灾应选用干粉、泡沫、卤代烷、二氧化碳型灭火器。
民用建筑灭火器配置场所的危险等级划分民用建筑灭火器的配置场所的危险等级是由建筑物的火灾风险等级决定的。
建筑物火灾的风险等级包括以下几个方面:1. 建筑物的结构和材料建筑物的结构和材料是决定火灾风险等级的主要因素之一。
建筑物的结构和材料决定了建筑物的耐火性能和火灾发生后的承载能力。
如果建筑物的结构和材料较为坚固,那么火灾爆发时,建筑物的耐火性能较强,可以有效地减少火灾造成的损失。
2. 建筑物的用途建筑物的用途也是决定火灾风险等级的重要因素之一。
不同用途的建筑物,其火灾风险等级也不同。
如商业建筑物、住宅建筑物、工业建筑物和娱乐场所等,其火灾风险等级也各有不同。
商业建筑物和娱乐场所一般人员密集,火灾风险较高,而住宅建筑物的火灾风险则相对较低。
3. 建筑物的面积建筑物的面积也是决定火灾风险等级的因素之一。
建筑物面积越大,火灾风险也就越高。
这是因为大型建筑物内的人员数量更多,疏散难度也会相应增加,从而增加火灾的难度和危险程度。
4. 建筑物的密闭性建筑物的密闭性也是决定火灾风险等级的因素之一。
密闭性高的建筑物内氧气含量较低,燃烧时火势更容易蔓延,从而增加火灾的危险程度。
根据以上因素,民用建筑灭火器的配置场所的危险等级可以划分为以下几类:1. 低风险等级低风险等级建筑物的火灾风险较低,一般为建筑物内无明火、易燃物质、高温设备的场所,如普通办公室、图书馆、会议室、博物馆等。
这类场所需要配置ABC类干粉灭火器,以应对机器设备、电气火灾等。
2. 中风险等级中风险等级建筑物的火灾风险较高,一般为常有火源、易燃物质、高温设备的建筑物,如超市、餐厅、医院、学校和宾馆等。
这类场所建议配置ABC类干粉灭火器和BC类二氧化碳灭火器,并设有灭火器专用柜。
3. 高风险等级高风险等级建筑物的火灾风险较高,一般为有明火、易燃物质、高温设备的场所,如涉及化学品、电力、石油、气体等工业场所和商业厨房等。
这类场所建议配置ABC类干粉灭火器、BC类二氧化碳灭火器和AEF类泡沫灭火器等多种类型的灭火器,并可根据特殊需要配置CO2、Halon灭火器等。
建筑灭火器配置设计规范民用建筑灭火器配置场所的危险等级,应根据其使用性质、火灾危险性、可燃物数量、火灾蔓延速度以及扑救难易程度等因素,划分为以下三级:一、严重危险级:功能复杂、用电用火多、设备贵重、火灾危险性大、可燃物多、起火后蔓延迅速或容易造成重大火灾损失的场所;二、中危险级:用电用火较多、火灾危险性较大、可燃物较多、起火后蔓延较迅速的场所;三、轻危险级:用电用火较少、火灾危险性较小、可燃物较少、起火后蔓延较缓慢的场所。
火灾种类应根据物质及其燃烧特性划分为以下几类:一、 A 类火灾:指含碳固体可燃物,如木材、棉、毛、麻、纸张等燃烧的火灾;二、 B 类火灾:指甲、乙、丙类液体,如汽油、煤油、甲醇、乙醚、丙酮等燃烧的火灾;三、 C 类火灾:指可燃气体,如煤气、天然气、甲烷、乙炔、氢气等燃烧的火灾;四、 D 类火灾:指可燃金属,如钾、钠、镁、钛、锆、锂、铝镁合金等燃烧的火灾;五、带电火灾:指带电物体燃烧的火灾。
灭火器类型的选择应符合下列规定:一、扑救 A 类火灾应选用水型、泡沫、磷酸铵盐干粉、卤代烷型灭火器;二、扑救 B 类火灾应选用干粉、泡沫、卤代烷、二氧化碳型灭火器,扑救极性溶剂 B 类火灾不得选用化学泡沫灭火器;三、扑救 C 类火灾应用干粉、卤代烷、二氧化碳型灭火器;四、扑救带电火灾应选用卤代烷、二氧化碳、干粉型灭火器;五、扑救 A 、 B 、 C 类火灾和带电火灾应选用磷酸铵盐干粉、卤代烷型灭火器;六、扑救 D 类火灾的灭火器材应由设计单位和当地公安消防监督部门商解决。
危险等级严重危险级中危险级轻危险级每具灭火器最小5A 5A 3A配置灭火级别 2最大保护面积( m/A ) 10 15 20B 类火灾配置场所灭火器的配置基准,应符合表 10.4.0.2 的规定。
危险等级严重危险级中危险级轻危险级每具灭火器最小8B 4B 1B配置灭火级别最大保护面积5 7.5 10 2(m/B)C 类火灾配置场所灭火器的配置基准,应按 B 类火灾配置场所的规定执行。
精心整理灭火器配置场所危险等级划分及灭火器的选择
建筑灭火器的配置与管理是建筑设施管理的重要组成部分,建筑物发生初期火灾时,常用、最有效的是灭火器。
灭火器以其轻便、灵活、可移动、操作简单、运用范围广、灭火见效快等优点,得到人们的广泛使用,是初期火灾扑救的好帮手。
一灭火器的配置场所危险等级的划分
(一)、工业建筑
工业建筑灭火器配置场所的危险等级可划分为一下三级:
1、严重危险级:火灾危险性大、可燃物多、起火后蔓延迅速或容易造成重大火灾损失的场所。
正确合理的选择灭火器室成功扑救初期火灾的关键之一,应该根据不同种类的火灾选择不同类型的灭火器:
1、扑救A类(固体可燃物,如木材、棉、麻等)火灾应选用水型、泡沫、磷酸铵盐干粉、卤代烷型灭火器。
2、扑救B类(可燃液体,如汽油、柴油、甲醇、乙醇等)火灾应选用干粉、泡沫、卤代烷、二氧化碳型灭火器。
这里值得注意的是化学泡沫灭火器不能灭B类极性溶剂火灾,因为化学泡沫与有机溶剂,泡沫的水分会迅速被吸收,使泡沫很快消失,这样不能起到灭火的作用。
3、扑救C类(可燃气体,如煤气、天然气、乙炔、甲烷、丙烷)火灾应选用干粉、卤代烷、二氧化碳型灭火器。
4、扑救带电火灾应选用卤代烷、二氧化碳、干粉型灭火器。
精心整理
精心整理
5、扑救A、B、C类火灾和带点火灾应选用磷酸铵盐干粉、卤代烷灭火器。
从灭火的机理上讲磷酸铵盐干粉和卤代烷灭火器都适用于A、B、C类火灾,所以这几类并存的混合火灾,应优先选用这两种多功能的灭火器,也可解决在同一配置场所不宜设置多种类型的灭火器的问题。
6、扑救D类(可燃金属,如钾、钠、镁、钛、铝合金等)火灾的灭火器应由设计部门和当地公安消防机构协商解决。
就我国目前状况来说,对D类火灾即金属燃烧的火灾,还没有定型的灭火产品目前国外灭D类火灾的灭火器主要有粉状石墨灭火器和灭金属火灾专用的干粉灭火器。
在国内尚未定型生产这类灭火器和灭火剂的情况下,可采用干沙或铸铁末来代替。
在选用灭火器时,应考虑不同灭火剂之间可能产生的相互反映、污染及对灭火的影响。
干粉和干粉、干粉和泡沫之间连用都存在一个相容性的问题。
不相容的灭火剂之间可能发生相互作用,产生泡沫小时等不利因素,致使灭火效力明显降低。
磷酸铵盐干粉同碳酸氢钠干粉、碳酸氢钾干粉不能同时联用。
碳酸氢钠干粉、碳酸氢钾干粉不能同蛋白泡沫、化学泡沫联用。
精心整理。