理正钢支撑-混凝土支撑-锚索支锚刚度,材料抗力计算表格
- 格式:xls
- 大小:659.50 KB
- 文档页数:3
外径:D=609mm 矩形高h:壁厚:t=16mm 矩形宽b 计算长度l=17900mm 计算长度钢材抗压强度设计值fy 210N/mm2混凝土抗压强度设计值内径d=577mm 截面面积截面面积A=29807.4mm 2截面抵抗矩截面抵抗矩W=4305987mm 3截面惯性矩钢材弹性模量E=206000N/mm 2长细比截面惯性矩I=1311173005mm 4轴心受压构件稳定系数长细比λ=l/√(I/A)85.35与工程有关的调整系数与工程有关的调整系数ξ 1.00轴心受压构件稳定系数φ=0.74内撑材料抗力T=ФξAfy4632.074793kN内撑材料抗力外径:D=609mm 矩形高h 壁厚:t=14mm 矩形宽b 计算长度l=17900mm计算长度松弛系数α=0.8松弛系数内径d=581mm 截面面积A=26169.5mm 2截面面积弹性模量E=206000N/mm 2弹性模量支锚刚度kt=2αEA/l 481.8690647MN/m 支锚刚度钢支撑混凝钢支撑混凝h=800mm b=800mm l=17900mm 材料fc 14.3N/mm2钢材抗压强度设计值A=640000.0mm 2直径W=21333333mm 3截面面积I=34133333333mm 4l=l/b 22.38φ=0.7405ξ1.00与工程有关的调整系数T=ФξAfc6777.056kN锚杆(锚索)材料抗力h=800mm 锚固体直径b=800mm 锚固体面积L=17900mm杆体面积α=0.8杆体直径杆体模量A=640000.0mm 2注浆体模量组合模量E=30000N/mm 2锚杆倾角自由长度锚固长度kt=2αEA/l 1716.201117MN/m 支锚刚度材料抗力混凝土支撑支锚刚度混凝土支撑钢绞线预应力螺纹钢筋fy1110N/mm2钢绞线d=22mm普通钢筋A=380.1mm2ξ 1.00T=ξAfy421.9473093kND=150mmAc=17671.45868mm2A=706.8583471mm2D=30mmEs=200000N/mm2Em=30000N/mm2Ec=36800N/mm2θ=15度0.261666667转化弧度Lf=5000mmLa=15000mmkt=3AEsEcAc/(3lfEcAc+EsAla)cos2θ21.67108343MN/m锚杆(锚索)锚杆(锚索)。
取值1-1剖面设锚处每孔锚索或锚杆承担的滑坡推力设计值F n (kN)83.6滑动面内摩擦角φ(°)15锚索或锚杆与滑动面相交处,滑动面与水平面夹角α(°)20锚索或锚杆与水平面的夹角β(°)2098.26522锚索或锚杆轴向拉力设计值Nt(kN)109.2锚筋抗拉强度设计值fy(KPa)330000结构重要性系数γ0 1.1锚索或锚杆抗拉工作系数ξ2,0.69计算每孔锚索钢绞线或锚杆总面积As(mm²)527.5计算每孔锚索钢绞线或锚杆根数n2.91单根钢绞线或钢筋公称面积A (mm ²)181.5单根钢绞线或钢筋公称直径d (mm )15.2选用钢绞线或锚杆根数1锚固体直径d h (mm)90锚索与水泥砂浆粘结强度设计值f b (KPa )2400钢筋与砂浆粘结工作条件系数ξ30.6锚固段长度L SA (m)0.15锚索锚固段为枣核状时,Lsa(m)1.75锚固体与锚孔孔壁粘结强度特征值f rb (kPa)200锚固体与地层粘结工作条件系数ξ11锚固段长度Lm (m ) 1.93锚 索 或 锚 杆 计 算 表锚索或锚杆轴向拉力设计值Nt(kN)锚索或锚杆与水泥砂浆粘结强度,确定锚固段长度L sa (m)按锚固体与锚孔孔壁的粘结强度,确定锚固段长度L m (m)数据名称竖向间距l a 排数取值取值362-2剖面3-3剖面74073615150.26179920200.34906620200.349066788.6784.6126000012600001.1 1.10.690.69997.7992.789.67.27.189.6139.0139.015.215.288170170295029500.60.61.12 1.121.28 1.28200200117.387.35表度L sa (m)度Lm (m)cos tan )sin(φβα++=n ak F N a t p N n 20ζγ=b s t o sa f d N r L πξ3≥r b b t m f d N L πξ1≥)cos(tan )βαφβα+++n F。
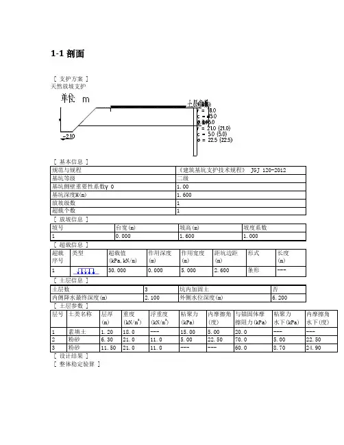
1-1剖面[ 支护方案 ]天然放坡支护[ 整体稳定验算 ]天然放坡计算条件:计算方法:瑞典条分法应力状态:总应力法基坑底面以下的截止计算深度: 0.00m 基坑底面以下滑裂面搜索步长: 5.00m 条分法中的土条宽度: 1.00m2-2剖面验算项目:[ 验算简图 ][ 验算条件 ][ 基本参数 ]所依据的规程或方法:《建筑基坑支护技术规程》JGJ 120-2012基坑深度: 2.700(m)基坑内地下水深度: 3.200(m)基坑外地下水深度: 6.120(m)基坑侧壁重要性系数: 1.000土钉荷载分项系数: 1.250土钉抗拔安全系数: 1.600整体滑动分项系数: 1.300[ 坡线参数 ]坡线段数 1序号水平投影(m) 竖向投影(m) 倾角(°)1 1.376 2.700 63.0[ 土层参数 ]土层层数 2层号土类名称层厚重度浮重度粘聚力内摩擦角与锚固体摩阻力与土钉摩阻力水土(m) (kN/m^3) (kN/m^3) (kPa) (度) (kPa) (kPa)1 粘性土 3.600 19.1 9.1 20.9 18.4 90.0 90.0 合算2 粉砂 5.800 21.0 11.0 8.7 24.9 60.0 60.0 分算[ 超载参数 ]超载数 1序号超载类型超载值(kN/m) 作用深度(m) 作用宽度(m) 距坑边线距离(m) 形式长度(m)1 局部均布 30.000 0.000 5.000 0.924 条形[ 土钉参数 ]土钉道数 2序号水平间距(m) 垂直间距(m) 入射角度(度) 钻孔直径(mm) 长度(m) 配筋1 1.500 1.000 15.0 70 6.000 1E182 1.500 1.000 15.0 70 6.000 1E18[ 花管参数 ]基坑内侧花管排数 0基坑内侧花管排数 0[ 锚杆参数 ]锚杆道数 0[ 坑内土不加固 ][ 验算结果 ][ 局部抗拉验算结果 ]工况开挖深度破裂角支锚号支锚长度受拉荷载标准值抗拔承载力标准值抗拉承载力标准值安全系数(m) (度) (m) Nkj(kN) Rkj(kN) Rkj(kN) 抗拔抗拉1 1.200 40.7 02 2.200 40.7 1 6.000 0.0 106.5 101.8 999.000 999.0003 2.700 40.7 1 6.000 0.0 101.4 101.8 999.000 999.0002 6.000 0.7 111.6 101.8 155.870 142.152[ 内部稳定验算结果 ]工况号安全系数圆心坐标x(m) 圆心坐标y(m) 半径(m)1 2.627 1.522 3.957 2.5712 2.482 0.327 5.105 4.6053 2.779 -0.797 5.494 5.5523-3剖面验算项目:[ 验算简图 ]----------------------------------------------------------------------[ 验算条件 ][ 基本参数 ]所依据的规程或方法:《建筑基坑支护技术规程》JGJ 120-2012基坑深度: 6.200(m)基坑内地下水深度: 6.700(m)基坑外地下水深度: 7.110(m)基坑侧壁重要性系数: 1.000土钉荷载分项系数: 1.250土钉抗拔安全系数: 1.600整体滑动分项系数: 1.300[ 坡线参数 ]坡线段数 1序号水平投影(m) 竖向投影(m) 倾角(°)1 5.021 6.200 51.0[ 土层参数 ]土层层数 3层号土类名称层厚重度浮重度粘聚力内摩擦角与锚固体摩阻力与土钉摩阻力水土(m) (kN/m^3) (kN/m^3) (kPa) (度) (kPa) (kPa)1 粘性土 2.000 19.7 --- 22.4 19.3 85.0 85.0 ---2 粘性土 1.000 19.1 --- 20.9 18.4 90.0 90.0 ---3 粉砂 6.300 21.0 11.0 5.0 22.5 70.0 70.0 分算[ 超载参数 ]超载数 1序号超载类型超载值(kN/m) 作用深度(m) 作用宽度(m) 距坑边线距离(m) 形式长度(m)1 局部均布 30.000 0.000 10.000 0.979 条形[ 土钉参数 ]土钉道数 4序号水平间距(m) 垂直间距(m) 入射角度(度) 钻孔直径(mm) 长度(m) 配筋1 1.500 1.200 15.0 70 9.000 1E182 1.500 1.500 15.0 70 9.000 1E183 1.500 1.500 15.0 70 6.000 1E184 1.500 1.500 15.0 70 6.000 1E18[ 花管参数 ]基坑内侧花管排数 0基坑内侧花管排数 0[ 锚杆参数 ]锚杆道数 0[ 坑内土不加固 ][ 验算结果 ][ 局部抗拉验算结果 ]工况开挖深度破裂角支锚号支锚长度受拉荷载标准值抗拔承载力标准值抗拉承载力标准值安全系数(m) (度) (m) Nkj(kN) Rkj(kN) Rkj(kN) 抗拔抗拉1 1.500 35.2 02 3.000 35.0 1 9.000 0.0 150.2 101.8 999.000 999.0003 4.500 35.6 1 9.000 0.0 138.4 101.8 999.000 999.0002 9.000 16.5 127.9 101.8 7.735 6.1574 6.000 35.9 1 9.000 0.0 126.9 101.8 999.000 999.0002 9.000 3.6 116.6 101.8 32.017 27.9603 6.000 35.4 80.4 101.8 2.271 2.8775 6.200 35.9 1 9.000 0.0 125.4 101.8 999.000 999.0002 9.000 3.6 115.3 101.8 31.740 28.0263 6.000 16.9 79.1 101.84.682 6.0284 6.000 19.4 89.0 101.8 4.579 5.234[ 内部稳定验算结果 ]工况号安全系数圆心坐标x(m) 圆心坐标y(m) 半径(m)1 2.713 4.753 8.259 3.6832 1.949 4.250 7.383 4.5003 1.631 1.632 8.997 7.3024 1.375 -0.638 9.600 9.4345 1.524 -0.901 9.423 9.4664-4剖面[ 支护方案 ]天然放坡支护[ 整体稳定验算 ]天然放坡计算条件: 计算方法:瑞典条分法应力状态:总应力法基坑底面以下的截止计算深度: 0.00m基坑底面以下滑裂面搜索步长: 5.00m条分法中的土条宽度: 1.00m5-5剖面验算项目:[ 验算简图 ][ 验算条件 ][ 基本参数 ]所依据的规程或方法:《建筑基坑支护技术规程》JGJ 120-2012 基坑深度: 4.400(m) 基坑内地下水深度: 4.900(m) 基坑外地下水深度: 6.230(m) 基坑侧壁重要性系数: 1.000土钉荷载分项系数: 1.250土钉抗拔安全系数: 1.600整体滑动分项系数: 1.300 [ 坡线参数 ]坡线段数 1序号水平投影(m) 竖向投影(m) 倾角(°)1 2.242 4.400 63.0[ 土层参数 ]土层层数 2层号土类名称层厚重度浮重度粘聚力内摩擦角与锚固体摩阻力与土钉摩阻力水土(m) (kN/m^3) (kN/m^3) (kPa) (度) (kPa) (kPa)1 粘性土 2.900 19.1 --- 20.9 18.4 90.0 90.0---2 粉砂 6.000 21.0 11.0 8.7 24.9 60.0 60.0分算[ 超载参数 ]超载数 1序号超载类型超载值(kN/m) 作用深度(m) 作用宽度(m) 距坑边线距离(m) 形式长度(m)1 局部均布 30.000 0.000 10.000 0.958 条形[ 土钉参数 ]土钉道数 2序号水平间距(m) 垂直间距(m) 入射角度(度) 钻孔直径(mm) 长度(m) 配筋1 1.500 1.500 15.0 70 6.000 1E182 1.500 1.500 15.0 70 6.000 1E18[ 花管参数 ]基坑内侧花管排数 0基坑内侧花管排数 0[ 锚杆参数 ]锚杆道数 0[ 坑内土不加固 ][ 验算结果 ][ 局部抗拉验算结果 ]工况开挖深度破裂角支锚号支锚长度受拉荷载标准值抗拔承载力标准值抗拉承载力标准值安全系数(m) (度) (m) Nkj(kN) Rkj(kN) Rkj(kN) 抗拔抗拉1 1.800 40.7 02 3.300 41.1 1 6.000 14.1 96.9 101.8 6.874 7.2223 4.400 41.8 1 6.000 0.5 87.0 101.8 161.934 189.3992 6.000 31.3 70.2 101.8 2.244 3.253[ 内部稳定验算结果 ]工况号安全系数圆心坐标x(m) 圆心坐标y(m) 半径(m)1 2.142 1.281 6.072 3.4732 1.767 0.015 5.835 4.7673 1.555 -2.124 7.455 7.7526-6剖面验算项目:[ 验算简图 ][ 验算条件 ][ 基本参数 ]所依据的规程或方法:《建筑基坑支护技术规程》JGJ 120-2012基坑深度: 5.200(m)基坑内地下水深度: 5.700(m)基坑外地下水深度: 6.230(m)基坑侧壁重要性系数: 1.000土钉荷载分项系数: 1.250土钉抗拔安全系数: 1.600整体滑动分项系数: 1.300[ 坡线参数 ]坡线段数 1序号水平投影(m) 竖向投影(m) 倾角(°)1 3.124 5.200 59.0[ 土层参数 ]土层层数 2层号土类名称层厚重度浮重度粘聚力内摩擦角与锚固体摩阻力与土钉摩阻力水土(m) (kN/m^3) (kN/m^3) (kPa) (度) (kPa) (kPa)1 粘性土 1.500 19.1 --- 20.9 18.4 90.0 90.0 ---2 细砂 8.500 21.5 11.5 3.0 25.3 70.0 70.0分算[ 超载参数 ]超载数 1序号超载类型超载值(kN/m) 作用深度(m) 作用宽度(m) 距坑边线距离(m) 形式长度(m)1 局部均布 30.000 0.000 10.000 0.976 条形[ 土钉参数 ]土钉道数 3序号水平间距(m) 垂直间距(m) 入射角度(度) 钻孔直径(mm) 长度(m) 配筋1 1.500 1.200 15.0 70 9.000 1E182 1.500 1.500 15.0 70 6.000 1E183 1.500 1.500 15.0 70 6.000 1E18[ 花管参数 ]基坑内侧花管排数 0基坑内侧花管排数 0[ 锚杆参数 ]锚杆道数 0[ 坑内土不加固 ][ 验算结果 ][ 局部抗拉验算结果 ]工况开挖深度破裂角支锚号支锚长度受拉荷载标准值抗拔承载力标准值抗拉承载力标准值安全系数(m) (度) (m) Nkj(kN) Rkj(kN) Rkj(kN) 抗拔抗拉1 1.500 38.7 02 3.000 40.4 1 9.000 28.8 127.6 101.8 4.422 3.5283 4.500 41.0 1 9.000 4.7 116.5 101.8 24.999 21.8512 6.000 59.3 80.3 101.8 1.354 1.7164 5.200 41.2 1 9.000 4.6 112.0 101.8 24.267 22.0472 6.000 28.1 75.8 101.82.6973.6223 6.000 37.5 85.7 101.8 2.285 2.713[ 内部稳定验算结果 ]工况号安全系数圆心坐标x(m) 圆心坐标y(m) 半径(m)1 1.951 3.276 5.344 1.9532 1.645 0.922 6.900 4.7173 1.383 -1.762 8.153 7.7664 1.503 -2.546 7.452 7.8757-7剖面验算项目:[ 验算简图 ][ 验算条件 ][ 基本参数 ]所依据的规程或方法:《建筑基坑支护技术规程》JGJ 120-2012基坑深度: 4.200(m)基坑内地下水深度: 4.700(m)基坑外地下水深度: 6.960(m)基坑侧壁重要性系数: 1.000土钉荷载分项系数: 1.250土钉抗拔安全系数: 1.600整体滑动分项系数: 1.300[ 坡线参数 ]坡线段数 1序号水平投影(m) 竖向投影(m) 倾角(°)1 2.140 4.200 63.0[ 土层参数 ]土层层数 2层号土类名称层厚重度浮重度粘聚力内摩擦角与锚固体摩阻力与土钉摩阻力水土(m) (kN/m^3) (kN/m^3) (kPa) (度) (kPa) (kPa)1 粘性土 5.100 19.1 9.1 20.9 18.4 90.0 90.0合算2 中砂 4.900 22.0 12.0 2.0 23.7 75.0 75.0分算[ 超载参数 ]超载数 1序号超载类型超载值(kN/m) 作用深度(m) 作用宽度(m) 距坑边线距离(m) 形式长度(m)1 局部均布 30.000 0.000 10.000 0.960 条形[ 土钉参数 ]土钉道数 2序号水平间距(m) 垂直间距(m) 入射角度(度) 钻孔直径(mm) 长度(m) 配筋1 1.500 1.500 15.0 70 6.000 1E182 1.500 1.500 15.0 70 6.000 1E18[ 花管参数 ]基坑内侧花管排数 0基坑内侧花管排数 0[ 锚杆参数 ]锚杆道数 0[ 坑内土不加固 ][ 验算结果 ][ 局部抗拉验算结果 ]工况开挖深度破裂角支锚号支锚长度受拉荷载标准值抗拔承载力标准值抗拉承载力标准值安全系数(m) (度) (m) Nkj(kN) Rkj(kN) Rkj(kN) 抗拔抗拉1 2.000 40.7 02 3.500 40.7 1 6.000 12.3 98.3 101.8 7.980 8.2603 4.200 40.7 1 6.000 0.5 91.2 101.8 169.095 188.7182 6.000 17.5 106.5 101.8 6.100 5.830[ 内部稳定验算结果 ]工况号安全系数圆心坐标x(m) 圆心坐标y(m) 半径(m)1 2.002 0.957 5.696 3.5002 1.771 -0.584 7.365 6.7313 1.879 -1.359 6.694 6.831。
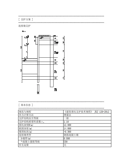
---------------------------------------------------------------------- [ 支护方案 ]---------------------------------------------------------------------- 连续墙支护---------------------------------------------------------------------- [ 基本信息 ]---------------------------------------------------------------------- [ 超载信息 ]---------------------------------------------------------------------- [ 附加水平力信息 ]---------------------------------------------------------------------- [ 土层信息 ]---------------------------------------------------------------------- [ 土层参数 ]---------------------------------------------------------------------- [ 加固土参数 ]---------------------------------------------------------------------- [ 支锚信息 ]---------------------------------------------------------------------- [ 土压力模型及系数调整 ]---------------------------------------------------------------------- 弹性法土压力模型: 经典法土压力模型:---------------------------------------------------------------------- [ 工况信息 ]--------------------------------------------------------------------------------------------------------------------------------------------[ 设计结果 ]--------------------------------------------------------------------------------------------------------------------------------------------[ 结构计算 ]---------------------------------------------------------------------- 各工况:内力位移包络图:地表沉降图:---------------------------------------------------------------------- [ 截面计算 ]---------------------------------------------------------------------- 钢筋类型对应关系:d-HPB300,D-HRB335,E-HRB400,F-RRB400,G-HRB500,P-HRBF335,Q-HRBF400,R-HRBF5 00---------------------------------------------------------------------- [ 整体稳定验算 ]----------------------------------------------------------------------计算方法:瑞典条分法应力状态:有效应力法条分法中的土条宽度: 0.40m滑裂面数据= 3.983整体稳定安全系数 Ks圆弧半径(m) R = 29.624圆心坐标X(m) X = -2.708圆心坐标Y(m) Y = 15.415---------------------------------------------------------------------- [ 抗倾覆稳定性验算 ]----------------------------------------------------------------------抗倾覆安全系数:, 对于内支撑支点力由内支撑p抗压力决定;对于锚杆或锚索,支点力为锚杆或锚索的锚固力和抗拉力的较小值。
取值1-1剖面设锚处每孔锚索或锚杆承担的滑坡推力设计值F n (kN)83.6滑动面内摩擦角φ(°)15锚索或锚杆与滑动面相交处,滑动面与水平面夹角α(°)20锚索或锚杆与水平面的夹角β(°)2098.26522锚索或锚杆轴向拉力设计值Nt(kN)109.2锚筋抗拉强度设计值fy(KPa)330000结构重要性系数γ0 1.1锚索或锚杆抗拉工作系数ξ2,0.69计算每孔锚索钢绞线或锚杆总面积As(mm²)527.5计算每孔锚索钢绞线或锚杆根数n2.91单根钢绞线或钢筋公称面积A (mm ²)181.5单根钢绞线或钢筋公称直径d (mm )15.2选用钢绞线或锚杆根数1锚固体直径d h (mm)90锚索与水泥砂浆粘结强度设计值f b (KPa )2400钢筋与砂浆粘结工作条件系数ξ30.6锚固段长度L SA (m)0.15锚索锚固段为枣核状时,Lsa(m)1.75锚固体与锚孔孔壁粘结强度特征值f rb (kPa)200锚固体与地层粘结工作条件系数ξ11锚固段长度Lm (m ) 1.93锚 索 或 锚 杆 计 算 表锚索或锚杆轴向拉力设计值Nt(kN)锚索或锚杆与水泥砂浆粘结强度,确定锚固段长度L sa (m)按锚固体与锚孔孔壁的粘结强度,确定锚固段长度L m (m)数据名称竖向间距l a 排数取值取值362-2剖面3-3剖面74073615150.26179920200.34906620200.349066788.6784.6126000012600001.1 1.10.690.69997.7992.789.67.27.189.6139.0139.015.215.288170170295029500.60.61.12 1.121.28 1.28200200117.387.35表度L sa (m)度Lm (m)cos tan )sin(φβα++=n ak F N a t p N n 20ζγ=b s t o sa f d N r L πξ3≥rb b t m f d N L πξ1≥)cos(tan )βαφβα+++n F。
⽀撑体系⽀锚刚度及材料抗⼒计算钢管⽀撑⽀锚刚度计算
钢管内撑材料抗⼒计算
矩形混凝⼟⽀撑⽀锚刚度计算
矩形混凝⼟内撑材料抗⼒计算
钢管截
矩形混凝⼟
钢管截⾯特性
混凝⼟截⾯特性
Kt=[(2×α×E×A)/L]×(Sa/S)
Kt:⽀撑结构⽔平刚度系数
α:与⽀撑松弛有关的系数,取0.8~1.0
E:⽀撑构件材料的弹性模量
A:⽀撑构件断⾯⾯积
L:⽀撑构件的受压计算长度
S:⽀撑⽔平间距
Sa:规程第4.2.1条确定的计算宽度(排桩⽔平荷载可取其中⼼距)
在不考虑塑性设计前提下,柱的λ限值为150,如考虑塑性设计,柱的λ限值为130*sqrt(235/fy)T=φ×ζ×A×fy
T:⽀撑结构材料抗⼒
φ:轴⼼受压构件稳定系数
ξ:与⼯程有关的调整系数,取1.0
fy:钢材抗压强度设计值
λ=L/√(I/A)=l/i
hd+2r(b-d)+0.8584(r2-r12)L*7.85*1/1000
t1(H-2t2)+2Bt2+0.858r
圆形断⾯:A=Πd2/4(1-α)2
b2(3h-b)/6
Ix=ab3/12⽅管钢材Ix=(BH3-bh3)/12
圆管钢材Ix=[π(D4-d4)]/64
qrt(235/fy)。
钢管支撑支锚刚度计算
钢管内撑材料抗力计算
矩形混凝土支撑支锚刚度计算
矩形混凝土内撑材料抗力计算
钢管截
矩形混凝土
钢管截面特性
混凝土截面特性
Kt=[(2×α×E×A)/L]×(Sa/S)
Kt:支撑结构水平刚度系数
α:与支撑松弛有关的系数,取0.8~1.0
E:支撑构件材料的弹性模量
A:支撑构件断面面积
L:支撑构件的受压计算长度
S:支撑水平间距
Sa:规程第4.2.1条确定的计算宽度(排桩水平荷载可取其中心距)
在不考虑塑性设计前提下,柱的λ限值为150,如考虑塑性设计,柱的λ限值为130*sqrt(235/fy)
T=φ×ζ×A×fy
T:支撑结构材料抗力
φ:轴心受压构件稳定系数
ξ:与工程有关的调整系数,取1.0
fy:钢材抗压强度设计值
λ=L/√(I/A)=l/i
hd+2r(b-d)+0.8584(r2-r12)L*7.85*1/1000
t1(H-2t2)+2Bt2+0.858r
圆形断面:A=Πd2/4(1-α)2
b2(3h-b)/6
Ix=ab3/12方管钢材Ix=(BH3-bh3)/12
圆管钢材Ix=[π(D4-d4)]/64
qrt(235/fy)。
理正深基坑第一部分单元计算操作说明1操作流程图1-1 单元计算操作流程图1.1进入单元计算点击“”按钮,进入单元计算模块。
1.2增加计算项目⑴第一次进入单元模块时,计算项目为空,如图1.2-1所示。
图1.2-1 单元计算输出界面⑵必须点“增”按钮,弹出图1.2-2所示模板,并从中选取计算项目。
确认后进入设计数据录入界面。
图1.2-2 项目选用模板注意:1. 已经进行过单元计算的项目,进入单元计算后,既可以点“增”按钮,从模板中增加新项目,也可从项目列表中选择已有项目(如图1.2-3所示),再点“算”直接进入数据录入界面;图1.2-3 项目选用列表2. 点“删”按钮,可删除列表中的计算项目,存放于工作路径中的该项目的工程数据将全部被删除,且无法恢复;3. “工程操作”菜单(如图1.2-4)功能同“增”、“删”和“算”按钮。
图1.2-4 工程操作菜单1.3数据录入1.3.1 数据录入界面数据录入界面如图1.3-1所示,包括图形显示窗口和数据录入窗口。
图1.3-1 数据录入界面图形显示窗口:显示支护结构、土层、支锚及工况等信息。
数据录入窗口:分为基本信息、土层信息和支锚信息。
不同支护类型的录入数据有较大区别,具体参见第一部分的第2.1.2.1、2.2.2.1、2.3.2.1、2.4.2.1及2.5.2.1节。
注意:对新增的项目,需要录入设计数据,也可读入旧数据并可修改数据。
1.3.2 菜单1. 辅助功能图1.3-2 辅助功能注意:系统为用户提供了新旧版本的数据文件接口。
通过“读入深基坑4.3版数据”可打开4.3版以前建立的*.dyd工程文件。
2. 选项图1.3-3 选项菜单“图形显示选项”:系统默认显示如图1.3-4。
不选择“显示土层填充”可以提高图形显示速度。
图1.3-4 显示选项“安全系数配置”:参见第一部分的1.4.3节。
“土压力调整”:参见第一部分的1.4.3节。
“关闭(打开)计算信息窗口”:当系统不能自动关闭窗口时,选择此菜单。
外径:D=609mm 矩形高h:壁厚:t=16mm 矩形宽b 计算长度l=17900mm 计算长度钢材抗压强度设计值fy 210N/mm2混凝土抗压强度设计值内径d=577mm 截面面积截面面积A=29807.4mm 2截面抵抗矩截面抵抗矩W=4305987mm 3截面惯性矩钢材弹性模量E=206000N/mm 2长细比截面惯性矩I=1311173005mm 4轴心受压构件稳定系数长细比λ=l/√(I/A)85.35与工程有关的调整系数与工程有关的调整系数ξ 1.00轴心受压构件稳定系数φ=0.74内撑材料抗力T=ФξAfy4632.074793kN内撑材料抗力外径:D=609mm 矩形高h 壁厚:t=14mm 矩形宽b 计算长度l=17900mm计算长度松弛系数α=0.8松弛系数内径d=581mm 截面面积A=26169.5mm 2截面面积弹性模量E=206000N/mm 2弹性模量支锚刚度kt=2αEA/l 481.8690647MN/m 支锚刚度内支撑对于理正软件,只需前段公式混凝钢支撑钢支撑混凝h=800mm b=800mm l=17900mm 材料fc 14.3N/mm2钢材抗压强度设计值fy A=640000.0mm 2直径d=W=21333333mm 3截面面积A=I=34133333333mm 4l=l/b 22.38φ=0.7405ξ1.00与工程有关的调整系数ξT=ФξAfc6777.056kN锚杆(锚索)材料抗力T=ξAfyh=800mm 锚固体直径D=b=800mm 锚固体面积Ac=L=17900mm杆体面积A=α=0.8杆体直径D=杆体模量Es=A=640000.0mm 2注浆体模量Em=组合模量Ec=E=30000N/mm 2锚杆倾角θ=自由长度Lf=锚固长度La=kt=2αEA/l 1716.201117MN/m 支锚刚度kt=3AEsEcAc/(3lfEcAc+EsAla)cos2θ材料抗力支锚刚度混凝土支撑混凝土支撑锚杆锚杆(锚索)锚杆(锚索)钢绞线预应力螺纹钢筋1110N/mm2钢绞线22mm普通钢筋380.1mm21.00421.9473093kN150mm17671.45868mm2706.8583471mm230mm200000N/mm230000N/mm236800N/mm215度0.261666667转化弧度5000mm15000mm21.67108343MN/m。
理正深基坑中支锚刚度和材料抗力下载提示:该文档是本店铺精心编制而成的,希望大家下载后,能够帮助大家解决实际问题。
文档下载后可定制修改,请根据实际需要进行调整和使用,谢谢!本店铺为大家提供各种类型的实用资料,如教育随笔、日记赏析、句子摘抄、古诗大全、经典美文、话题作文、工作总结、词语解析、文案摘录、其他资料等等,想了解不同资料格式和写法,敬请关注!Download tips: This document is carefully compiled by this editor. I hope that after you download it, it can help you solve practical problems. The document can be customized and modified after downloading, please adjust and use it according to actual needs, thank you! In addition, this shop provides you with various types of practical materials, such as educational essays, diary appreciation, sentence excerpts, ancient poems, classic articles, topic composition, work summary, word parsing, copy excerpts, other materials and so on, want to know different data formats and writing methods, please pay attention!理正深基坑中支锚刚度和材料抗力1. 引言随着城市建设的不断发展,深基坑工程作为城市建设的重要组成部分,其施工过程中的支锚体系的稳定性显得尤为重要。
理正材料抗力计算表格篇一: 材料抗力刚度和材料抗力与支护形式和边界条件都有关系,在单元计算中,需要用户根据结构形式自己确定钢管所提供的抗力(材料抗力)的大小。
T=©E AfcT=©E AfyT—内撑的材料抗力A—内撑的截面积Fc—混凝土抗压强度设计值Fy—钢材抗压强度设计值①一与内撑长细比有关的调整系数实际上倾覆计算是由支撑内力与崁固深度两个条件决定的。
篇二: 钢筋混凝土抗力计算钢筋混凝土抗力计算、配筋和构造要求等需要协调统一的几个问题作者: 李进霞、, 、-前言1钢筋混凝土扩展基础的设计方法具体对包括扩展基础在内的各类基础设计作出了具体的规定。
钢筋混凝土扩展基础的设计应包括下列内容,即:1)按单向受剪承载力或(和)受冲切承载力计算,确定无腹筋扩展基础的验算截面有效高度h。
; 根据环境类别选用与混凝土强度等级相应的混凝土保护层厚度。
由此确定截面高度h;2)按正截面受弯承载力计算,确定独立基础底部、丫轴两个方向的纵向受力钢筋的截面面积A。
、A? 或条形基础的配筋;3)对扩展基础提出几何尺寸、材料和配筋等的构造要求。
上述两本规范对扩展基础设计内容的异同点大致是:1)受冲切承载力计算。
无论是基底反力(作用效应)设计值和受冲切承载力(抗力)设计值的取值,两本规范协调一88 Industrial Construction Vo1(35 ,No(2,2005致;在底板反力由柱根的弯矩设计值| 】If 和轴压力设计值(?产生的条件下,均将受冲切计算简化为类似于单向受剪承载力的计算方法。
2)单向受剪承载力计算。
“规范GB 50010”对无腹筋的一般(均布荷载为主)板类受弯构件的受剪承载力抗力设计值公式是新增的内容,“规范GB 50007”同样采纳; 但在剪力(作用效应)设计值的取值上,前者取板跨内的最大剪力设计值或支2座边缘处的剪力设计值,后者取离支座(或柱)边缘h 处的剪力设计值。
3)构造配筋要求。