济南市关键岗位人员配备数量最低标准(2011)
- 格式:doc
- 大小:83.00 KB
- 文档页数:6
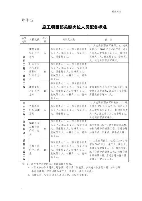
附件1:
施工项目部关键岗位人员配备标准
1.此标准为关键岗位人员最低配备标准。
2.对于复杂的体育场所、综合性工程以及工期较紧、多班施工作业的工程,在以上配备标准基础上应适当增加施工员、质量员、安全员人数。
3.当施工员、安全员为2人及以上时,应按专业配备。
附件2:
现场监理部关键岗位人员配备标准
1.此标准为关键岗位人员最低配备标准。
2.标准中总监指项目总监理工程师或总监代表,专监仅包括项目主导专业监理工程师,不包括非主导专业监理工程师。
3.建筑面积超过15万平方米,每增加5万平方米,各阶段专业监理工程师、监理员应各增加1人。
4.对于复杂的体育场所、综合性工程以及工期较紧、多班施工作业的工程,在以上配备标准基础上应适当增加主导专业监理工程师和监理员。
施工项目部关键岗位人员配备标准参考施工项目部关键岗位人员任职条件及主要职责一、项目负责人1.任职条件:(1)取得相应的建造师注册证书;点击☞工程资料免费下载(2)取得省级住房和城乡建设主管部门颁发的安全生产考核合格证B证。
2.主要职责:(1)主持项目经理部工作,代表企业实施施工项目管理,贯彻执行国家法律、法规、方针、政策和强制性标准,执行企业的管理制度,维护企业的合法权益;(2)执行企业对项目下达的各项管理目标和规定任务;(3)组织编制项目管理实施规划和各项管理制度;(4)对进入现场的施工人员、施工机具、建筑材料等生产要素进行优化配置和动态管理,突出抓好对项目关键岗位人员和特种作业人员到岗履职管理;(5)建立质量管理体系和安全体系,按照《施工企业安全生产评价标准》(JCJ/T77-2003)、《建筑施工安全检查标准》(JCJ/T59-99)、《工程建设施工企业质量管理规范》(GB/T50430-2007)等组织实施标准化工作,进行现场文明施工管理,发现和处理突发事件;(6)在授权范围内负责与企业管理层、劳务作业层、各协作单位、发包人、分包人和监理工程师、业主等的协调和过程控制,解决项目施工过程中出现的问题;(7)参与工程竣工验收,准备结算资料和分析总结,接受审计;(8)处理项目部的善后工作;(9)协助企业进行项目的检查、鉴定和评奖申报。
二、项目技术负责人1.任职条件:一级工程(按《工程监理企业资质管理规定》附表2标准划分,下同)的项目技术负责人应具有本科及以上学历、与工程项目相适应专业的高级职称,从事相关专业技术管理工作8年以上。
二级工程的项目技术负责人应具有大专及以上学历、与工程项目相适应专业的中级职称,从事相关专业技术管理工作5年以上。
三级工程的项目技术负责人应具有中专及以上学历、与工程项目相适应专业的助理工程师职称,从事相关专业技术管理工作5年以上。
建筑施工企业根据项目规模大小、复杂程度以及专业要求确定的其他条件。
专职安全管理C证继教判断题:1. 在《建筑施工企业主要负责人、项目负责人和专职安全生产管理人员安全生产管理规定实施意见》实施前已经取得专职安全生产管理人员安全生产考核合格证书的,经所在企业向考核机关提出换发申请,可以选择换发土建类专职安全生产管理人员安全生产考核合格证书或者机械类专职安全生产管理人员安全生产考核合格证书.(√)2. 根据《建设工程安全生产管理条例》规定,施工单位应当对管理人员和作业人员每年至少进行一次安全生产教育培训,其教育培训情况记入个人工作档案。
(√)3. 根据《安全生产法》规定,为了加强安全生产工作,防止和减少生产安全事故,保障人民群众生命和财产安全,促进经济社会持续健康发展,制定本法。
(√)4. 根据《建筑施工碗扣式钢管脚手架安全技术规范》规定,脚手架立杆垫板.底座应准确放置在定位线上,垫板应平整.无翘曲,不得采用已开裂的垫板,底座的轴心线应与地面垂直。
(√)5. 根据《上海市建设工程质量和安全管理条例》规定,上海市行政区域内的建设工程,建筑施工活动中出现异常天气,施工单位应当限制或者禁止室外作业,以保护从业人员的人身安全。
(√)6.根据《现场施工安全生产管理规范》规定,项目部对检查中发现的安全隐患,应责令相关单位整改,并统一记录,作为安全隐患排查治理的依据;对检查中发现的不合格情况,还应要求采取纠正措施。
(×)7.根据《高大模板支撑系统施工现场专项应急方案》规定,高大模板支撑系统施工现场高处坠落的事故原因为:施工作业人员未经过专业技术培训及考试和合格,未取得建筑施工脚手架特种作业操作资格证书;施工作业人员未定期体检,患有高血压.恐高症等不宜从事高处作业的疾病。
(×)8. 根据《建设工程安全生产管理条例》规定,专职安全生产管理人员对安全生产的现场监督检查主要是两项工作:发现安全事故隐患及时报告和制止违章指挥违章操作。
(×)9. 根据《危险性较大的分部分项工程安全管理办法》规定,危险性较大的分部分项工程包括,开挖深度超过3m的基坑(槽)的土方开挖工程。
关于济南市建筑市场拟派现场管理人员证件代管流程的通知各有关单位:为进一步规范建筑市场有关责任主体行为,确保配置与建设工程规模相适应的工作人员,根据济建建字【2011】12号文件《济南市建筑市场有关责任主体关键岗位人员配备数量最低标准》的要求,现将拟派现场管理人员证件代管流程做以下调整,请认真遵照执行。
一、制作并发放配备表:招标代理机构根据本项目工程概况及济建建字【2011】12号文件所列最低标准制作的《投标人拟派现场管理人员配备表》(以下简称《配备表》,样表见附件)随同招标文件一起发放给投标人。
投标人填写后与唱标单一起单独密封。
二、开标验证:工程项目开标时,由招标代理机构派专人与招标人一起根据投标人所填写的《配备表》与资格证件进行核验,验证完毕后将由招标人、招标代理机构验证人、投标人代表一起签字确认。
《配备表》由招标代理机构收存。
三、评标:工程项目评标时,由招标代理机构将填写完毕的《配备表》提供给评标专家,进行相应的评标工作。
对不符合济建建字【2011】12号文规定的最低人员配备标准的“项目管理机构”一项不得分。
四、中标人证件的代管:评标结果确定后,由招标代理机构跟中标单位一起将《配备表》及所有证件连同办理证件代管的其他相关资料到行政主管处室办理证件代管及中标公示手续。
本通知自2011年8月1日起执行。
二〇一一年七月二十五日附件:配备表.doc附件:投标人拟派现场管理人员配备表投标单位(公章):项目编号标段招标人项目名称面积/规模投标工期中标价格一中标价格二序号岗位名称姓名性别资格证书编号依此类推...招标人签字日期招标代理签字日期投标人代表签字日期投标人退证接收日期。
附件1:
施工项目部关键岗位人员配备标准
注:1.此标准为关键岗位人员最低配备标准。
2.对于复杂的体育场所、综合性工程以及工期较紧、多班施工作业的工程,在以上配备标准基础上应适当增加施工员、质量员、安全员人数。
3.当施工员、安全员为2人及以上时,应按专业配备。
附件2:
注:1.此标准为关键岗位人员最低配备标准。
2.标准中总监指项目总监理工程师或总监代表,专监仅包括项目主导专业监理工程师,不包括非主导专业监理工程师。
3.建筑面积超过15万平方米,每增加5万平方米,各阶段专业监理工程师、监理员应各增加1人。
4.对于复杂的体育场所、综合性工程以及工期较紧、多班施工作业的工程,在以上配备标准基础上应适当增加主导专业监理工程师和监理员。
附件
济南市建筑市场有关责任主体
关键岗位人员配备数量最低标准
注:1、此标准为关键岗位人员最低配备标准。
2、当施工员、安全员、质量员、造价员为2人及以上时,应按专业施工配备。
2、表中总监须由取得国家注册监理工程师资格的人员担任,专业监理工程师由国
家注册监理工程师或获取得济南市地方监理工程师资格的人员担任,监理员由取得山东省工程监理专业人员从业能力证书的人员担任。
3、表中加*处,括号外数字适用于公共建筑,括号内数字适用于厂房。
三、济南市建设工程项目招标代理机构人员配备数量最低标准
注:1、表中项目负责人须由取得国家注册造价工程师资格的人员担任,并具有招标代理人员上岗证书。
代理员须具有招标代理人员上岗证书。
2、其他招标项目最低人员配备参照上表执行。
注:1.此
标准为关
键岗位人
员最低配
备标准。
附件1:
施工工程部关键岗位人员配备标准
2.对于复杂的体育场所、综合性工程以及工期较紧、多班施工作业的工程,在以上配备标准根底上应适当增加施工员、质
量员、平安员人数。
3.当施工员、平安员为2人及以上时,应按专业配备。
附件2:
现场监理部关键岗位人员配备标准
注:1.此标准为关键岗位人员最低配备标准。
2.标准中总监指工程总监理工程师或总监代表,专监仅包括工程主导专业监理工程师,不包括非主导专业监理工程师。
3.建筑面积超过15万平方米,每增加5万平方米,各阶段专业监理工程师、监理员应各增加1人。
4.对于复杂的体育场所、综合性工程以及工期较紧、多班施工作业的工程,在以上配备标准根底上应适当增加主导专业监理工程师与监理员。
关于印发《济南市建筑市场有关责任主体关键岗位人员配备数量最低标准》的通知济建建字〔2011〕12号各县(市)、区建委(建设局),高新区建设局,各有关单位:为进一步规范建筑市场有关责任主体行为,确保配置与建设工程规模相适应的工作人员,保障工程质量安全,提升中介咨询机构服务水平,根据国家、省相关法律法规要求,结合我市实际,市城乡建设委制定了《济南市建筑市场有关责任主体关键岗位人员配备数量最低标准》,现印发给你们,并提出如下贯彻意见,请认真遵照执行。
一、自2011年5月1日起,建筑市场有关责任主体对拟投标的工程项目须按照有关法律法规要求,根据建设工程具体情况配备专业配套、满足工作需要的相应人员。
岗位人员配置不得低于《济南市建筑市场有关责任主体关键岗位人员配备数量最低标准》的要求。
二、对已开工的工程,建筑市场有关责任主体应按照本通知要求进行自查,人员数量及从业资格不符合要求的,要立即进行整改,并在2011年8月31日前完成。
三、各县(市)区城乡建设行政主管部门、市城乡建设委有关处室及直属单位要加大对建筑市场有关责任主体人员配备、持证上岗情况的监督检查力度,对不符合要求的,予以全市通报批评、限期整改并记入不良行为记录,情节严重且逾期未能改正的,将对其投标或相关业务承接、创优评先等资格予以限制。
附件:济南市建筑市场有关责任主体关键岗位人员配备数量最低标准一、济南市建设工程监理项目部关键岗位人员配备数量最低标准2、表中总监须由取得国家注册监理工程师资格的人员担任,专业监理工程师由国家注册监理工程师或获取得济南市地方监理工程师资格的人员担任,监理员由取得山东省工程监理专业人员从业能力证书的人员担任。
3、表中加*处,括号外数字适用于公共建筑,括号内数字适用于厂房。
二、济南市建设工程施工项目部关键岗位人员配备数量最低标准。
安全生产管理机构及人员配备标准1.公司、项目部应当依法设置安全生产管理机构,在单位主要负责人的领导下开展本企业的安全生产管理工作。
2. 施工项目部关键岗位配备标准参照湖南省住建厅【2010(109号)】文件执行,安全生产管理机构专职安全生产管理人员的配备应满足下列要求,并应根据企业经营规模、设备管理和生产需要予以增加:2.1.总承包资质序列企业:特级资质不少于6人;一级资质不少于4人;二级和二级以下资质企业不少于3人。
2.2.专业承包资质序列企业:一级资质不少于3人;二级和二级以下资质企业不少于2人。
2.3.劳务分包资质序列企业:不少于2人。
2.4.公司工程量较大的项目部应依据实际生产情况配备不少于2人的专职安全生产管理人员。
3.承建产值规模在五千万元以上的大项目,在成立项目部时要设立一名安全总监进项目班子,专职负责安全生产工作。
4. 项目部应当组建安全生产领导小组。
安全生产领导小组由总承包企业、专业承包企业和劳务分包企业项目经理、技术负责人和专职安全生产管理人员组成。
5.总承包单位施工项目部关键岗位人员配备标准应当满足附表1要求,其任职条件应当满足附表2要求。
6.分包单位配备项目专职安全生产管理人员应当满足下列要求:6.1.专业承包单位应当配置至少1人,并根据所承担的分部分项工程的工程量和施工危险程度增加。
6.2.劳务分包单位施工人员在50人以下的,应当配备1名专职安全生产管理人员;50人~200人的,应当配备2名专职安全生产管理人员;200人及以上的,应当配备3名及以上专职安全生产管理人员,并根据所承担的分部分项工程施工危险实际情况增加,不得少于工程施工人员总人数的5‰。
7. 采用新技术、新工艺、新材料或致害因素多、施工作业难度大的工程项目,项目专职安全生产管理人员的数量应当根据施工实际情况,在第5、6条规定的配备标准上增加。
8. 施工作业班组可以设置兼职安全巡查员,对本班组的作业场所进行安全监督检查。
济南市人民政府办公厅关于印发济南市人力资源和社会保障局主要职责内设机构和人员编制规定的通知文章属性•【制定机关】济南市人民政府•【公布日期】2010.04.16•【字号】济政办发[2010]57号•【施行日期】2010.04.16•【效力等级】地方规范性文件•【时效性】现行有效•【主题分类】行政机构设置和编制管理正文济南市人民政府办公厅关于印发济南市人力资源和社会保障局主要职责内设机构和人员编制规定的通知(济政办发〔2010〕57号)各县(市)、区人民政府,市政府各部门:《济南市人力资源和社会保障局主要职责内设机构和人员编制规定》已经市政府批准,现予印发。
济南市人民政府办公厅二O一O年四月十六日济南市人力资源和社会保障局主要职责内设机构和人员编制规定根据省委办公厅、省政府办公厅《关于印发〈济南市人民政府机构改革方案〉的通知》(鲁厅字〔2009〕50号)和市委、市政府《关于济南市人民政府机构改革的实施意见》(济发〔2009〕17号),设立济南市人力资源和社会保障局,为市政府工作部门。
一、职责调整(一)划入的职责将原市人事局、原市劳动和社会保障局除境外就业机构和对外劳务管理以外的职责划入市人力资源和社会保障局。
(二)取消的职责1.已由国务院、省政府和市政府公布取消的行政审批事项。
2.制定企业惩处职工的基本准则。
(三)划出的职责将境外就业机构和对外劳务管理职责划给市商务局。
(四)加强的职责1.加强统筹城乡就业职责,健全公共就业服务体系,建立城乡劳动者平等就业制度。
2.加强统筹社会保障政策职责,建立健全从就业到养老的服务和保障体系。
3.加强统筹人才市场与劳动力市场整合职责,加快建立统一规范的人力资源市场,促进人力资源合理流动、有效配置。
4.加强组织协调农民工工作职责,切实维护劳动者合法权益。
二、主要职责(一)贯彻执行国家和省有关人力资源和社会保障工作的方针、政策和法律、法规、规章;起草人力资源和社会保障地方性法规、规章草案;拟订全市人力资源和社会保障事业发展规划和政策,并组织实施和监督检查。
提交资料:(验原件)1、中标通知书;(施工和监理)2、建设工程意外伤害保险单;3、安全文明施工措施费拨付凭证(进账单和发票);4、专职安全管理人员安全资格证书(C证)暂存。
注:请带好建设工程规划许可证、图纸审查合格书及备案书,并将规划放线定位图(x,y坐标图)电子版发至邮箱:jdzzgb@相关文件:《关于做好建筑施工特种作业人员培训考核工作的通知》(济建质安站字[2010] 1、16 号)/newsxx.asp?nuwid=364&classoneid=1&classtwoid=4 &bigclass=&smallclass=2、关于印发《关于规范建筑意外伤害保险工作的指导意见》的通知(济建质安监字[2008]17号)/newsxx.asp?nuwid=245&classoneid=&classtwoid=&bigclass =&smallclass=3、《关于调整建筑工程安全防护文明施工措施费用计提办法的通知》(济建标字[2009]7号)/home/pages/ShowArticle.aspx?SortID=24&ArticleID=12494、《关于实行建筑工程专职安全生产管理人员安全生产考核合格证书暂存制度的通知》(济建质安字[2010] 13 号)/newsxx.asp?nuwid=368&classoneid=1&classtwoid=4&bigclass=&smallclass=5、关于印发《济南市建筑市场有关责任主体关键岗位人员配备数量最低标准》的通知/CreditSuperviseClient/WebSite/Article/Article.aspx?FID=fda87984-269 a-4cec-bb12-03e368ee5c8d参与本市建筑意外伤害保险业务单位名单中国人寿保险股份有限公司济南市分公司;中国人民健康保险股份有限公司山东分公司;中国太平洋人寿保险股份有限公司济南中心支公司;中国太平洋财产保险股份有限公司济南中心支公司;都邦财产保险股份有限公司山东分公司济南营业部;国华人寿保险股份有限公司山东分公司;华夏人寿保险股份有限公司山东分公司;嘉禾人寿保险股份有限公司山东分公司;中国人民人寿保险股份有限公司济南中心支公司;平安养老保险股份有限公司山东分公司;英大泰和财产保险股份有限公司山东分公司;幸福人寿保险股份有限公司山东分公司;泰康人寿保险股份有限公司山东分公司;中华联合财产保险股份有限公司济南中心支公司。
济南市人民政府关于贯彻落实鲁政发[2011]25号文件有关问题的通知文章属性•【制定机关】济南市人民政府•【公布日期】2012.10.28•【字号】济政发[2012]22号•【施行日期】2012.10.28•【效力等级】地方规范性文件•【时效性】现行有效•【主题分类】机关工作正文济南市人民政府关于贯彻落实鲁政发[2011]25号文件有关问题的通知(济政发[2012]22号)各县(市)、区人民政府,市政府各部门:为认真贯彻落实《山东省人民政府关于印发山东省贯彻〈工伤保险条例〉实施办法的通知》(鲁政发〔2011〕25号)精神,切实维护工伤职工合法权益,结合我市实际,现就有关问题通知如下:一、我市工伤保险基金实行市级统筹。
工伤保险基金按照以支定收、收支平衡的原则筹集,存入社会保障基金财政专户,专款专用。
二、市人力资源社会保障行政部门负责全市工伤保险工作。
各县(市)区人力资源社会保障行政部门负责本辖区工伤保险工作。
市及县(市)区社会保险经办机构(以下称经办机构)负责具体承办工伤保险事务。
财政、民政、卫生、公安、交通运输、城乡建设、工商、安全生产监督管理等部门和工会组织按照各自职责,协助做好工伤保险相关工作。
三、用人单位的初次缴费费率,按行业基准费率确定。
其中经营范围属于跨行业经营的,按照经营的主要行业费率确定;属派遣用工形式的,劳务派遣单位须持派遣合同、工商营业执照等相关材料到经办机构申办缴费,缴费费率按实际用工单位的行业费率确定。
经办机构依法对用人单位的缴费费率进行调整。
四、人力资源社会保障行政部门对下列情形工伤认定申请不予受理:超过工伤认定申请时效的,不属于工伤认定管辖范围的,劳动者已达到退休年龄且开始依法享受基本养老保险待遇后因工作受到事故伤害的,非法用人单位或非法使用童工用人单位雇用的人员因工作遭受事故伤害或者患职业病的,大中专院校(包括技工学校、职业高中)在校学生到有关单位实习受到事故伤害的,以及不符合受理条件的其它情形。
带的证件:
提交法定代表人身份证明文件或法定代表人授权委托书,出示本人身份证,
10.13.1
1、各投标单位必须携带下列证件的原件参加开标会并交验,否则视为自动放弃投标资格:
(1)法定代表人证明文件或授权委托书及其身份证;
(2)拟派项目经理须具备市政公用工程贰级及以上注册建造师证书及安全生产考核合格证书(B证)或绿化贰级及以上项目经理证书,且未担任其他在施建设工程项目的项目经理。
3、开标时由招标人按照济建建字(2011)12号文(关于印发《济南市建筑市场有关责任主体关键岗位人员配备数量最低标准》的通知)中的人员配备要求,核验投标人所报《投标人拟派现场管理人员配备表》中所有人员的有效相关证书的原件。
营业执照、资质证书、安全生产许可证一致。
一、济南市建设工程施工项目部关键岗位人员配备数量最低标准工程规模(M——对于公共建筑和厂房,为单位工程建筑总工程面积;对于住宅人类别小区,为小区总数建筑面积;单位㎡;N——工程造价;单位:万元)岗位及人数备注1、其中:造价员、资料员、机管员、劳管员可项目负责人1人、项目技术负责人1人、兼职。
2、建筑面积小于4000平方米的工程,岗施工员1人、安全员1人、质量员1人、M≤2000010位人员总人数可减少至5人,即项目负责人1材料员1人、机管员1人、造价员1人、人、施工员1人、安全员1人、质量员1人、技劳管员1人、资料员1人。
建术员1人,其他岗位职责可兼职。
筑工项目负责人1人、项目技术负责人1人、程20000<M施工员2人、安全员2人、质量员2人、、14装≤60000造价员2人、机管员1人、材料员1人、修工资料员1人、劳管员1人。
程项目负责人1人、项目技术负责人1人、施工员3人、安全员3人、质量员2人、建筑面积在6万平方米以上时,每增加5万平方M>6000017造价员2人、机管员2人、材料员1人、米,施工员、安全员、质量员应各增加1人。
资料员1人、劳管员1人。
1、其中:材料员、机管员、资料员、劳管员可项目负责人1人、项目技术负责人1人、兼职。
2、造价低于100万元的工程,岗位人员施工员1人、安全员1人、质量员1人、土N≤500010总人数可减少至5人,即项目负责人1人、施工木造价员1人、材料员1人、机管员1人、员1人、安全员1人、质量员1人、技术员1工资料员1人、劳管员1人。
程人,其他岗位职责可兼职。
、线项目负责人1人、项目技术负责人1人、路5000<N施工员2人、安全员2人、质量员2人、管13道≤10000造价员1人、机管员1人、材料员1人、、资料员1人、劳管员1人。
设备1、工程合同价在1亿元以上时,每增加5000安项目负责人1人、项目技术负责人1人、万元,施工员、安全员、质量员各增加1人。
2、装施工员3人、安全员3人、质量员2人、工17N>10000城市桥梁、地下交通中的隧道工程、轻轨交通中程造价员2人、机管员2人、材料员1人、的桥涵工程,应适当增加施工员、质量员、安全资料员1人、劳管员1人。
安全领导机构与安全管理机构根据上级有关要求,结合公司实际情况,公司建立安全领导机构与安全生产管理机构,安全生产管理机构是本单位设置的负责安全生产管理工作的独立职能部门。
一、公司成立以董事长为主任的安全生产委员会,总经理为副主任,成员由副总经理、总工程师、总会计师、总经济师以及安全文明处、施工技术处、质量管理处等处室负责人组成。
研究、统筹、协调、指导公司重大的安全生产问题,组织重要安全生产活动。
在安全生产委员会的领导下,成立安全文明检查考核领导小组,以总经理为组长,副总经理为副组长,组员由机关支部、安全文明处、施工技术处以及综合办公室负责人组成,定期对公司下属各工地进行安全生产指导、检查,落实安全法律法规及相关制度。
二、安全生产管理机构在公司主要负责人的领导下开展安全生产管理工作,其主要职责是落实国家有关安全生产法律、法规和标准,编制并适时更新安全生产管理制度,组织开展全员安全教育培训及安全检查等活动。
公司设安全文明处,任命处长一名,配备专职安全管理人员8-10名,分别负责建筑起重机械、脚手架、模板支设、施工用电、文明施工、安全生产费用使用及安全施工资料管理。
三、公司下属各单位成立以经理为首的安全生产分会,分析、预测本单位的安全生产形势,综合管理安全生产工作,指导、协调和监督环境及职业健康安全管理体系的运行。
各项目部成立项目经理为首的安全生产领导小组,对本项目的安全生产实施监督,组织安全生产检查,落实安全技术措施,消除事故隐患。
公司下属各单位书记分管安全文明施工管理工作,兼任安全科科长,配备专职安全员1-3名。
根据《济南市建筑市场有关责任主体关键岗位人员配备数量最低标准》(济建建字〔2011〕12号)要求,项目部配置专职安全员人数为:建筑面积在2万㎡及以下工程至少1人;建筑面积在2万㎡-6万㎡工程至少2人;建筑面积在6万㎡以上工程至少3人;建筑面积在6万平方米以上时,每增加5万平方米,安全员应增加1人。
附件
济南市建筑市场有关责任主体
关键岗位人员配备数量最低标准
注:1、此标准为关键岗位人员最低配备标准。
2、当施工员、安全员、质量员、造价员为2人及以上时,应按专业施工配备。
注:1、工业建筑工程在满足国家、省有关要求的情况下,可参照上述标准执行。
2、表中总监须由取得国家注册监理工程师资格的人员担任,专业监理工程师由国
家注册监理工程师或获取得济南市地方监理工程师资格的人员担任,监理员由
取得山东省工程监理专业人员从业能力证书的人员担任。
3、表中加*处,括号外数字适用于公共建筑,括号内数字适用于厂房。
理人员上岗证书。
代理员须具有招标代理人员上岗证书。
2、其他招标项目最低人员配备参照上表执行。
四、济南市建设工程项目造价咨询机构人员配备数量最低标准
注:1、项目负责人须由取得国家注册造价工程师资格的人员担任。
2、造价专业人员须由取得国家注册造价工程师资格或者取得山东省建设厅颁
发的工程造价专业水平等级证书的人员担任。
3、各工程项目应按专业需要配齐造价专业负责人。
4、项目负责人可兼任一个专业的工程造价专业人员。