成本会计期末考试题A卷
- 格式:doc
- 大小:42.00 KB
- 文档页数:14
读书破万卷 下笔如有神秘密★启用前 经管系会计电算化专业(高职高专)20XX 级《 成本会计》期末考试试卷A2014 —2015 学年 第一学期闭卷120分钟得 分 一、判断题(每小题 1.5 分,共15分)1、任何一个会计主体只要发生经济行为,就要发生耗费,在会计上就要核算其成本。
( )2、资本性支出与收益性支出的区别是收益性支出直接抵减当期收益,而资本性支出是在一定会计期内分期抵减各期的收益。
( )3、一致性原则是要求成本核算方法及其会计处理方法在企业经营期内必须一致。
( )4、直接生产费用和间接生产费用在特定情况下都可以是直接计入成本。
( )5、多种产品共同耗用的原材料费用,按“材料定额耗用量比例”分配与按材料定额费用比例分配,由于分配率不一样,分配结果也不同。
( )6、生产企业发放给职工的工资应分别计入产品成本和期间费用。
( )7、企业生产管理过程中发生的机器设备折旧费,由于不单设成本项目,因而核算上先按使用单位归集,然后再与其他间接费用一起分配。
( )8、制造费用账户是集合分配账户,所以,企业对制造费用无论采用什么方法分配,该账户期未均无余额。
( )9、在产品盘亏时,应调整账面记录,冲减在产品账面价值。
( ) 10、某工序的在产品完工率为该工序累计的工时定额占完工产品工时定额的比率。
( )得 分二、单项选择题(每小题 1.5 分,共15分)1、产品成本从耗费角度看是指商品生产中所消耗的物化劳动和活劳动中必要劳动的价值,根据这个定义,下列不属于产品成本的是( ) A 、生产设备的折旧 B 、生产工人的工资C 、劳动对象的耗费D 、购买劳动对象而发生的利息支出 2、根据有关的历史数据,运用一定的方法对未来的成本水平及其发展趋势所作出的科学估计是( )题号 一 二 三 四 总分 得分评卷人核分人 复核人(可拆分区)(不可拆分区)读书破万卷下笔如有神A成本分析B、成本计划C、成本预测D、成本决策3、关于费用界限划分,下列说法不正确的是()。
一、单选(每小题1分,共20分)1-5 BCBDD 6-10 DBBCC 11-15 ADDDD 16-20 CDDAD二、多项选择题(每小题2分,共10题,计20分,多选,少选均不得分)1.ABC2.ABC3.ABD4.AC5.ABD6.BD7.AB8.CD9.BC 10.AC三、判断(每小题1分,共10分)1—5 √×××√ 6—10 ×√ ××√四、简答(每小题10分,共20分,意思对可酌情给分)1.顺序分配法的定义及特点:顺序分配法,又称梯形分配法,是指各辅助生产车间按收益多少的顺序排列,收益少的排在前面,先将费用分配出去,收益多的排在后面,后将费用分配出去的一种方法。
其特点是,前者的费用将分配给后者,后者将其自身待分配的费用加上从前者分配来的费用作为总的分配额继续往后分配,而不再分配给前者。
2.分步法的特点:①成本核算对象为各种产品的生产步骤和产品品种。
②产品成本计算定期按月进行。
③月末生产费用需要在完工产品和在产品之间进行分配。
④上一步骤半成品是下步骤的加工对象。
五、实务题(第一题20分,第二题10分,共30分,步骤可酌情给分)第一题(20分)2.根据上述有关资料,编制对外分配辅助生产费用的会计分录。
(4分)借:基本生产成本——丙产品2575制造费用3435管理费用860销售费用321贷:辅助生产成本——供水2191——供电50001.根据上述有关资料,采用直接分配法,编制辅助生产费用分配表(将计算结果直接填入表中)。
(16分)第二题(10分)采用约当产量比例法计算完工产品和在产品成本(将计算结果直接填入表4中)。
表4 皖巢公司甲产品生产费用分配表(约当产量比例法)2013年5月项目直接材料直接人工制造费用合计月初在产品成本 3 000 1 000 500 4 500本月发生生产成9 000 4 000 2 500 15 500 辅助生产车间名称供水车间供电车间金额合计待分配费用(元)2191 5000 7191对外提供劳务数量31300 20000 ——费用分配率0.07 0.25 ——基本生产-丙产品数量10300 ——金额2575 2575基本生产车间数量20500 8000 ——金额1435 2000 3435行政管理部门数量8000 1200金额560 300 860专设销售机构数量2800 500 ——金额196 125 321分配费用小计2191 5000 7191辅助生产车间名称供水车间供电车间金额合计待分配费用(元)2191 5000 7191对外提供劳务数量31300 20000 ——费用分配率0.07 0.25 ——基本生产-丙产品数量10300 ——金额2575 2575基本生产车间数量20500 8000 ——金额1435 2000 3435行政管理部门数量8000 1200金额560 300 860专设销售机构数量2800 500 ——金额196 125 321分配费用小计2191 5000 7191。
成本会计A卷一、单选题(共10题,20分)1、在成本会计的各种职能中,()是基础。
(2.0)A、成本预测B、成本控制C、成本核算D、成本考核正确答案:C解析:2、由于成本与()结合密切,因而,成本的内容往往要服从于管理的需要。
(2.0)A、生产B、管理C、核算D、经济正确答案:B解析:3、生产性成本和服务性成本是成本按()的分类。
(2.0)A、成本与特定对象关系B、成本与业务量关系C、经营目标不同D、成本在经济工作中的作用正确答案:C解析:4、在采用分摊法分配间接成本时,所选择的分配标准应满足()原则。
(2.0)A、合法性原则B、权责发生制原则C、一贯性原则D、受益原则正确答案:D解析:5、几种产品共同耗用的原材料费用,属于间接计入费用,应采用的分配方法是()。
(2.0)A、计划成本分配法B、材料定额费用比例分配法C、工时比例分配法D、代数分配法正确答案:B解析:6、由于车间管理不善造成的在产品的盘亏和毁损,应从“待处理财产损溢”转入的科目是()。
(2.0)A、管理费用B、制造费用C、其他应收款D、营业外支出正确答案:B解析:7、下列关于“基本生产成本”科目的描述,正确的是()。
(2.0)A、完工入库的产品成本记入该科目的借方B、该科目的余额代表在产品成本C、生产所发生的各项费用直接记入该科目的借方D、该科目应按产品分设明细账正确答案:B解析:8、在产品不计算成本法体现了成本核算的()。
(2.0)A、重要性原则B、实际成本原则C、一致性原则D、可靠性原则正确答案:A解析:9、工业企业的生产组织类型和管理要求对产品成本计算的影响,主要表现在()。
(2.0)A、完工产品与在产品之间分配费用的方法B、成本计算期的确定C、间接费用分配方法的确定D、成本计算对象的确定正确答案:D解析:10、决定成本计算对象的因素是生产特点和()。
(2.0)A、成本计算实体B、成本计算时期C、成本管理要求D、成本计算方法正确答案:C解析:二、多选题(共10题,20分)1、现代成本会计的主要职能包括()。
河北水利电力学院成本会计学期末(A)试卷学校___________ 班级_________ 姓名_________ 分数_________一、单项选择题(每小题1分共20分)1、分步法适用于()。
A、大量生产B、大批生产C、多步骤生产D、成批生产2、下列项目中,属于增值税征收范围的是()A、房地产公司销售商品房B、企业转让无形资产C、自来水公司销售自来水D、歌舞厅销售烟、酒、饮料3、成本会计的基础是:( )A 成本预测B 成本计划C 成本核算D 成本考核4、发出材料应负担的材料成本节约差异,应以字从“材料成本差异”科目的方转出。
()A.红……借……B.红……贷……C.蓝……借……D.蓝……贷……5、采用分批法计算产品成本,如果月末某批产品完工数量较多,下列各种方法中,正确计算该批完工产品成本的方法是()。
A、按计划单位成本计算B、按定额单位成本计算C、按近期同种产品实际单位成本计算D、按约当产量比例法分配计算6、月末在产品可以按固定成本计算的条件是()A.原材料费用在产品成本中比重较大B.各月末在产品数量较大,但数量变化不大C.各月末在产品数量很小D.各月末在产品数量很大7、甲企业只生产A产品一种产品,所耗原材料在生产开始时一次投足。
产品成本中原材料费用所占比重较大,月末在产品按所耗原材料成本计价。
5月末在产品成本为13000元。
6月份发生原材料费用147000元,燃料和动力费用15000元,工资和福利费10000元,制造费用18200元,本月完工产品600件,月末在产品200件。
则完工产品成本为()元。
A.163200 B.147000 C.120000 D.40000 8、用连环替代分析法对企业某种产品消耗某种材料的成本进行分析时,其替代的顺序依次为()。
A. 材料单价、材料单耗、产品产量B. 材料单耗、产品产量、材料单价C. 产品产量、材料单价、材料单耗D. 产品产量、材料单耗、材料单价9、基本生产车间的制造费用应分配转入()账户。
《成本会计》A卷一、单项选择题(本大题共20小题,每小题1.5分,共计30分)1、在企业已设置了“基本生产成本”总账科目的情况下,不能再设置的总账科目是()。
A.辅助生产成本B.生产成本C.制造费用D.废品损失2、为正确计算产品的生产成本,对于本期生产经营管理费用,应划清()之间的界限。
A.生产费用和制造费用B.财务费用和管理费用C.生产费用和期间费用D.待摊费用和预提费用3、某工人本月加工完成的甲产品数量为100件,其中合格品为95件,料废产品为2件,由本人过失造成的工废产品为3件。
计件单价为10元/件。
据此计算的该工人本月计件工资为()元。
A.950 B.970 C.980 D.10004、为了简化外购动力费用的核算工作,在支付外购动力费款项时,通常借记()科目,贷记“银行存款”科目。
A.生产成本 B.制造费用 C.管理费用 D.应付账款5、企业行政管理人员工资应计入的会计科目是()。
A.营业外支出B.应交税费C.其他业务支出D.管理费用6、按产品材料定额成本比例分配法分配材料费用时,其适用的条件是()。
A.产品的产量与所耗用的材料有密切的联系 B.产品的重量与所耗用的材料有密切的联系C.几种产品共同耗用几种材料D.各项材料消耗定额比较准确稳定7、某种产品发生不可修复废品时,如果废料不予回收,将会使该种产品的()。
A.总成本不变,单位成本增加B.总成本降低,单位成本增加C.总成本增加,单位成本增加D.总成本与单位成本均不变8、在某种产品各月末在产品数量较大、但各月之间变化很小的情况下,为了简化成本计算工作,其生产费用在该种产品的完工产品与在产品之间进行分配时,适宜采用的方法是()。
A.在产品按固定成本计价法B.不计算在产品成本法C.在产品按完工产品计算法D.在产品按定额成本计价法9、甲产品在生产过程中,需经过二道工序,第一道工序定额工时2小时,第二道工序定额工时3小时。
期末,甲产品在第一道工序的在产品40件,在第二道工序的在产品20件。
肇庆市农业学校2013-2014学年第二学期13级会计专业13会计01班《成本会计》期末考试题(A卷)班级:姓名:学号:成绩:一、单项选择题(每小题2分,共20分)1、记入产品成本的费用是()。
A、制造费用B、营业费用C、财务费用D、管理费用2、下列各项中,属于工业企业费用要素的是()。
A、直接材料B、制造费用C、直接人工D、外购燃料3、在企业已设置了“基本生产成本”总账的情况下,不能再设置的总账是 ( )。
A、“生产成本”B、“辅助生产成本”C、“制造费用”D、“废品损失”4、月末进行工资费用分配时,生活福利部门人员的工资应借记的账户是().A、“应付职工薪酬-工资”B、“应付职工薪酬-职工福利”C、“管理费用”D、“营业外支出”5、某工业企业采用平均年限法计提折旧。
某类固定资产的月折旧率为1%,该类固定资产的月初原值为6000万元,当月增加固定资的原值为600万元,当月减少固定资产的原值为200万元,则当月该类固定资产应计提的折旧费为()。
A、58B、60C、64D、666、某工人本月加工完成的A产品数量为200件,其中合格品为190件,料废产品为4件,由本人过失造成的工废为6件。
计件单价为10元/件。
据此计算的该工人本月计件工资为()元。
A、1900B、1940C、1960D、20007、某生产车间采用五五摊销法进行低值易耗品摊销的核算。
该生产车间4月份领用低值易耗品的实际成本为6000元;报废低值易耗品的实际成本为4000元,残料计价100元。
4月份应记入制造费用的低值易耗品摊销价值为()元。
A、1900B、3900C、2900D、49008、进行预提费用的核算,是为了正确划分()。
A、生产经营管理费用与非生产经营管理费用的界限B、生产费用与经营管理费用的界限C、各个月份费用的界限D、各种产品费用的界限9、辅助生产费用直接分配法的特点是辅助生产费用()。
A、直接记入“辅助生产成本”账户B、直接分配给所有受益的车间和部门C、直接分配给辅助生产以外的各受益单位D、直接记入辅助生产提供的劳务成本10、下列方法中,属于辅助生产费用分配方法的是()。
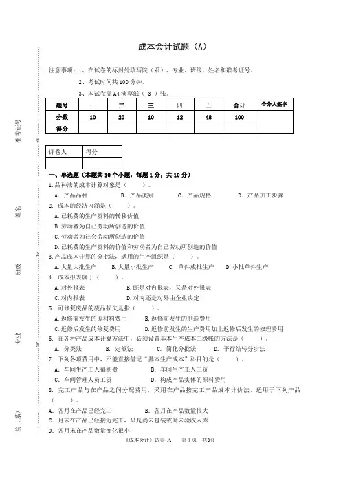
注意事项:1、在试卷的标封处填写院(系)、专业、班级、姓名和准考证号。
2、考试时间共100分钟。
3、本试卷需A4演草纸( 3 )张。
一、单选题(本题共10个小题,每题1分,共10分)1.品种法的成本计算对象是()。
A.产品品种 B.产品类别 C.产品规格 D.产品加工步骤2. 成本的经济内涵是()。
A.已耗费的生产资料的转移价值B.劳动者为自已劳动所创造的价值C.劳动者为社会劳动所创造的价值D.已耗费的生产资料的价值和劳动者为自已劳动所创造的价值3.产品成本计算的分批法,适用的生产组织是()。
A.大量大批生产B.大量小批生产C. 单件成批生产D.小批单件生产4. 成本报表属于()。
A.对外报表B.既是对内报表,又是对外报表C.对内报表D.对内还是对外由企业决定5. 可修复废品的废品损失是指()。
A.返修前发生的原材料费用B.返修前发生的制造费用C.返修后发生的修复费用D.返修前发生的生产费用加上返修后发生的修理费用6. 在各种产品成本计算方法中,必须设置基本生产成本二级帐的方法是()。
A. 分类法B. 定额法C. 简化分批法D. 平行结转分步法7. 下列各项费用中,不能直接借记“基本生产成本”科目的是()。
A.车间生产工人福利费 B.车间生产工人工资C.车间管理人员工资 D.构成产品实体的原料费用8. 完工产品与在产品之间分配费用,采用在产品按完工产品成本计价法,适用于下列产品()。
A.各月在产品已经完工 B.各月在产品数量很大C.月末在产品已经接近完工,只是尚未包装或尚未验收入库D.各月末在产品数量变化很小9.在生产主要产品的过程中,会附带生产出一些非主要产品,这些非主业产品可称为()。
A.联产品 B.副产品 C.等级品 D.合格品10.联产品在分离前计算出来的总成本称为()。
A.直接成本 B.间接成本 C.联合成本 D.分项成本二、多选题(本题共10个小题,每题2分,共20分)1.分配辅助生产费用的方法有:( )。
华中师范大学成人专科学年第二学期《成本会计》试卷(A卷)考试时间:90分钟闭卷任课老师:班级:学号:姓名:成绩:单项选择题:(每小题1分,共10分)、下列各项中属于产品成本项目的是( )A、废品损失B、工资费用C、管理费用D、销售费用、下列各项中属于直接生产费用的是( )A、产品生产工人的工资及福利费B、车间辅助人员的工资及福利费C、车间管理人员的工资及福利费D、生产车间的办公费用、企业为筹集资金而发生的手续费等,应借记( )A、制造费用B、财务费用C、管理费用D、销售费用、属于辅助生产费用的分配方法是( )A、计划成本分配法B、年度计划分配法C、约当产量比例法D、定额比例法、区分各种成本计算基本方法的主要标志是( )A、成本计算对象B、成本计算日期C、间接费用的分配方法D、完工产品与在产品之间分配费用的方法、采用简化的分批法,在产品完工之前,产品成本明细帐()A、不登记任何费用B、只登记直接计入费用和生产工时C、只登记原材料费用D、登记间接计入费用,不登记直接计入费用、品种法是产品成本计算的()A、主要方法B、重要方法C、最基本方法D、最一般方法、下列方法中,需要进行成本还原的是()A、平行结转法B、逐步结转法C、综合结转法D、分项结转法、完工产品与在产品之间分配费用,采用不计算在产品成本法,适用与下列产品()A、各月在产品数量很小B、各月在产品数量很大C、没有在产品D、各月末在产品数量变化很小、下列方法中,属于不计算半成品成本的分步法是()A、逐步结转法B、综合结转法C、分项结转法D、平行结转法(每小题2分,共20分)1、下列各项中属于产品成本项目的有()A、废品损失B、制造费用C、直接人工D、工资2、下列各项中属于费用要素中的税金的有( )A、印花税B、营业税C、消费税D、房产税3、计入产品成本的各种材料费用,按照其用途分配,应计入下列科目的借方( )A、待摊费用B、预提费用C、制造费用D、基本生产成本4、辅助生产车间对各受益单位分配费用的方法有( )A、生产工资比例法B、直接分配法C、交互分配法D、按年度分配率分配法5、不可修复废品的成本,可以按( )A、废品所耗实际费用计算B、废品所耗定额费用计算C、废品售价计算D、废品残值计算6、采用在产品按所耗原材料费用计价法,分配完工产品和月末在产品费用,应具备下列条件( )A、原材料费用在产品成本中比重较大B、各月在产品数量比较稳定C、各月末在产品熟练较大D、各月末在产品熟练变化较大7、品种法适用于()A、大量大批的单步骤生产B、大量大批的多步骤生产C、管理上不要求分步计算成片的多步骤生产D、小批、单件,管理上不要求分步骤计算成本的多步骤生产8、采用间化的分批法,在产品完工以前,产品成本明细帐()A、登记直接计入费用B、只登记间接计入费用,不登记直接计入费用C、登记生产工时D、不登记任何费用9、下列各项中属于费用要素中的税金的有()A、增值税B、所得税C、车船使用税D、土地使用税10、成本会计的任务包括()A、成本预测和决策B、成本计划和控制C、成本核算D、成本考核和分析三、填空题(10分)1、成本会计的对象是指成本会计()和()的内容。
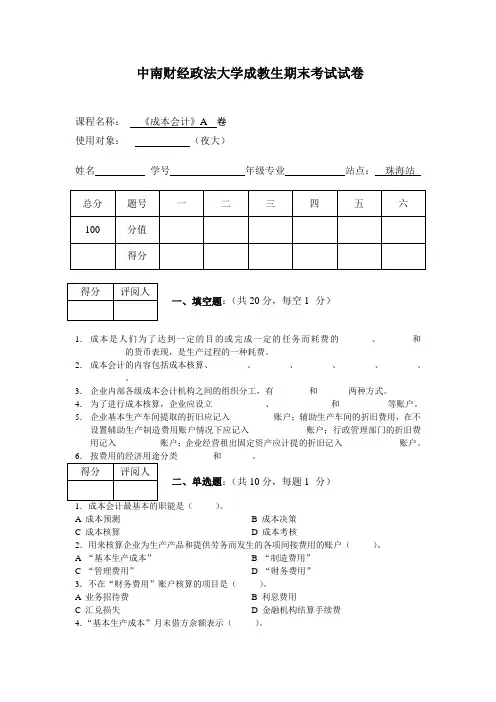
中南财经政法大学成教生期末考试试卷课程名称:《成本会计》A 卷使用对象:(夜大)姓名学号年级专业站点:珠海站一、填空题:(共20分,每空1分)1.成本是人们为了达到一定的目的或完成一定的任务而耗费的_______、_______和________的货币表现,是生产过程的一种耗费。
2.成本会计的内容包括成本核算、________、________、________、________、________、________。
3.企业内部各级成本会计机构之间的组织分工,有________和_______两种方式。
4.为了进行成本核算,企业应设立____________、_____________和___________等账户。
5.企业基本生产车间提取的折旧应记入__________账户;辅助生产车间的折旧费用,在不设置辅助生产制造费用账户情况下应记入_____________账户;行政管理部门的折旧费用记入__________账户;企业经营租出固定资产应计提的折旧记入_____________账户。
________和_______。
二、单选题:(共10分,每题1分)1.成本会计最基本的职能是()。
A 成本预测B 成本决策C 成本核算D 成本考核2.用来核算企业为生产产品和提供劳务而发生的各项间接费用的账户()。
A “基本生产成本”B “制造费用”C “管理费用”D “财务费用”3.不在“财务费用”账户核算的项目是()。
A 业务招待费B 利息费用C 汇兑损失D 金融机构结算手续费4.“基本生产成本”月末借方余额表示()。
A 本期发生的生产费用B 完工产品成本C 月末在产品成本D 累计发生的生产费用5.生产车间管理人员工资应记入()账户。
A “基本生产成本”B “制造费用”C “管理费用”D “销售费用”6.将辅助生产车间发生的各项费用直接分配给辅助生产车间以外的受益单位,这种分配方法为()。
A 计划成本分配法B 直接分配法C 顺序分配法D 代数分配法7.辅助生产费用分配,首先在辅助生产车间之间进行交互分配,然后再对辅助生产车间以外的受益单位进行直接分配,这是辅助生产费用分配的()。
此文档下载后即可编辑 池州职业技术学院国际经济贸易系2011——2012学年第一学期期末考试 《成本会计》试卷A ( 满分:100 分 考试时间: 100 分钟)一、 单选题:(每空1.5分,共15分) 1. 成本的经济内涵是( ) A. 已耗费的生产资料的转移价值 B. 劳动者为自己劳动所创造的价值 C. 劳动者为社会所创造的的价值 D. 已耗费的生产资料的价值和劳动者为自己劳动所创造的价值 2.区分各种成本计算基本方法的主要标志是( ) A .成本计算对象 B .成本计算日期 C .间接费用的分配方法 D .完工产品与在产品之间分配费用的方法 3.按照有关规定,成本报表是( ) A .对外报表 B .对内报表 C .既是对外报表,又是对内报表 D .对内还是对外,由企业自行决定 4.应计入产品成本,但不能分清应由何种产品负担的费用,应( )A .直接计入当期损益B .作为管理费用处理C .作为制造费用处理,期末再通过产品分配计入产品成本D .直接计入生产成本科目专业:班级:姓名:学号:————————————————————————密封线内不 要答题————————————————————————5.月末结转停工损失时,应将停工损失主要计入()A.生产成本-基本生产成本B.营业外支出C.主营业务成本D.其他业务成本6.下列品种成本计算方法,适用于大量大批多步骤生产,且需要计算半成品成本的是()A.品种法B.分批法C.逐步结转分步法D.平行结转分步法7.某厂生产的甲产品顺序经过第一、二两道工序加工,原材料在第一工序生产开始时投入90%,第二工序生产开始时投入10%,则第二道工序月末在产品的投料率为()A.10%B.90%C.5%D.100%8.采用品种法,生产成本明细账应当按照()分别开设A.生产单位B.产品品种C.生产步骤D.产品类别9.不可修复废品应负担的材料费用400元,加工费用700元,残料200元,应收赔款300元,其报废损失为()A.110元B.900元C.500元D.600元10.成本还原的对象是()B.各步骤所耗上一步骤半成品的综合成本C.最后步骤的产成品成本D.各步骤半成品成本二、判断题:(每题1.5分,共15分)1.采用年度计划分配率分配法分配制造费用,“制造费用”科目及所属明细账都应没有月末余额。
2011 至 2012 学年第 1 学期成本会计 试卷 A 卷适用:会计2010级考试方式:闭卷 本试卷考试分数占学生总评成绩的 70 %复查总分 总复查人(把答案写在题前对应的题号内。
每题1分,共10题,共10分。
) 1.某工人加工产品100件,验收时合格品90件,废品10件,其中料废6件,工废4件,计件单价为5元,则应付计件工资为( ) 。
A .500元B .480元C .470元D .450元2.可能需要进行成本还原的成本计算方法是( )。
A .逐步结转分步法 B .综合结转分步法 C .分项结转分步法 D .平行结转分步法3.由于修订消耗定额而产生的新旧定额之间的差异是( )。
A .脱离定额差异 B .材料成本差异 C .定额变动差异 D .计划调整差异4.在产品按定额成本计价法,每月生产费用与定额成本的差异( )。
A .全部计入管理费用 B .全部计入完工产品成本C .全部计入在产品成本D .在完工产品与月末在产品之间分配 5.既是成本计算方法,又是成本控制、管理方法的是( )。
A .品种法 B .定额法 C .分步法 D .分类法6.必须设立基本生产成本二级账的成本计算方法是( )。
A .分批法 B .简化分批法 C .品种法 D .简化品种法7.辅助生产费用分配结果最准确,但分配计算过程较复杂的分配方法是( )。
A .计划成本分配法B .顺序分配法C .代数分配法D .交互分配法 8.成本项目不包括( )。
A .直接材料B .直接人工C .管理费用D .制造费用9.各种成本计算方法区别的标志是( )。
A .生产组织不同B .成本计算期不同C .生产工艺不同D .成本计算对象不同 10.制造费用的分配方法中,月末可能有余额的是( )。
A .生产工时比例法B .生产工人工资比例法C .机器工时比例法D .按年度计划分配率分配法二、多选题。
(把答案写在题前对应的题号内。
每题2分,共10题,共20分)1.在产品按定额成本计价法适用于( )。
考试试题纸(A卷、闭卷)课程名称成本会计专业班级专科一、单选题(每题2分, 共20分)1.成本会计有狭义成本会计和广义成本会计之分, 所谓狭义成本会计就是指()。
A.成本核算B.成本预测C.成本控制D.成本考核和分析2.采用()分派辅助生产费用, 分派成果最精确。
A.直接分派法B.顺序分派法C.代数分派法D.交互分派法3.对辅助生产车间旳制造费用()。
A. 单设“制造费用”科目核算B. 不设“制造费用”科目核算C. 通过“管理费用”科目核算D. A.B均可4.材料费作为直接生产费用, 不管在任何状况下均应直接计入产品成本, 这种成本计算措施是()。
A.品种法B.分批法C.分步法D.分类法5.在大量大批多环节生产旳状况下, 如果管理上不规定分环节计算产品成本, 其所采用旳成本计算措施应是()。
A. 品种法B. 分类法C. 分步法D. 分批法6.基本生产成本按...。
A.产品品种分设明细帐B.产品成本项目分设明细帐C.明细分类科目分设明细帐D.会计要素具体内容分设明细帐7.成本还原旳对象是( )。
A.产成品成本B.各环节所耗上一环节半成品旳综合成本C.最后环节旳产成品成本D.各环节半成品成本8.可修复废品返修前发生旳生产费用...。
A.应借记废品损失科目B.与修复费用一起转入基本生产成本科目借方1. C. 平行结转分步法..D. 分项结转法2.10.下列成本计算措施中, 必须设立基本生产成本二级账旳措施是()。
3.A.平行结转分步法 B.品种法 C.分类法 D.简化分批法4.二、多选题(每题4分, 共20分)5.低值易耗品摊销旳措施有()A. 一次摊销法B. 分次摊销法C. 定期摊销法6. D. 五五摊销法 E. 报废摊销法7.广义旳在产品是指()A. 正在车间加工旳在制品B. 半成品C. 待返修旳废品8. D. 对外销售旳自制半成品 E. 已竣工尚未入库旳产成品9.产品成本计算旳基本措施有()A. 品种法B4.为了对旳计算产品成本, 在费用界线划分过程应贯彻旳原则是()。
中南财经政法大学成教生期末考试试卷课程名称:《成本会计》A 卷使用对象:(夜大)姓名学号年级专业站点:珠海站总分题号一二三四五六100 分值得分得分评阅人一、填空题:(共20分,每空1分)1.成本是人们为了达到一定的目的或完成一定的任务而耗费的_______、_______和________的货币表现,是生产过程的一种耗费。
2.成本会计的内容包括成本核算、________、________、________、________、________、________。
3.企业内部各级成本会计机构之间的组织分工,有________和_______两种方式。
4.为了进行成本核算,企业应设立____________、_____________和___________等账户。
5.企业基本生产车间提取的折旧应记入__________账户;辅助生产车间的折旧费用,在不设置辅助生产制造费用账户情况下应记入_____________账户;行政管理部门的折旧费用记入__________账户;企业经营租出固定资产应计提的折旧记入_____________账户。
6.按费用的经济用途分类________和_______。
得分评阅人二、单选题:(共10分,每题1分)1.成本会计最基本的职能是()。
A 成本预测B 成本决策C 成本核算D 成本考核2.用来核算企业为生产产品和提供劳务而发生的各项间接费用的账户()。
A “基本生产成本”B “制造费用”C “管理费用”D “财务费用”3.不在“财务费用”账户核算的项目是()。
A 业务招待费B 利息费用C 汇兑损失D 金融机构结算手续费4.“基本生产成本”月末借方余额表示()。
A 本期发生的生产费用B 完工产品成本C 月末在产品成本D 累计发生的生产费用5.生产车间管理人员工资应记入()账户。
A “基本生产成本”B “制造费用”C “管理费用”D “销售费用”6.将辅助生产车间发生的各项费用直接分配给辅助生产车间以外的受益单位,这种分配方法为()。
成本会计试卷A卷班级学号姓名分数一、填空题(共20分,每空1分)1、产品成本是生的补偿尺度。
2、产品成本是反映的综合指标。
3、产品成本是制定重要依据。
4、产品成本是企业制定重要依据。
5、现代成本会计的对象和职能主要包括、、、、、。
6、支出按性质划分,可以分为、、。
7、期间费用按照经济用途可分为、和。
8、低值易耗品的摊销方法通常有:、、。
二、单项选择题(在四个备选答案中,只有一个正确,请选择一项符合1、成本会计是会计的一个分支,是一种专业会计,其对象是()。
A.企业B.成本C.资金D.会计主体2、成本会计最基本的职能是()。
A.成本预测B.成本决策C.成本核算D.成本考核3、成本会计的环节,是指成本会计应做的几个方面的工作,其基础是()。
A.成本控制B.成本核算C.成本分析D.成本考核4、成本会计的一般对象可以概括为()。
A.各行业企业生产经营业务的成本B.各行业企业有关的经营管理费用C.各行业企业生产经营业务的成本和有关的经营管理费用D.各行业企业生产经营业务的成本、有关的经营管理费用和各项专项成本5、实际工作中的产品成本是指()。
A.产品的生产成本B.产品生产的变动成本C.产品所耗费的全部成本D.生产中耗费的用货币额表现的生产资料价值6、产品成本是指()。
A.企业为生产一定种类、一定数量的产品所支出的各种生产费用的总和B.企业在一定时期内发生的,用货币额表现的生产耗费C.企业在生产过程已经耗费的、用货币额表现的生产资料的价值D.企业为生产某种、类、批产品所支出的一种特有的费用7、按产品的理论成本,不应计入产品成本的是()。
A.生产管理人员工资B.废品损失C.生产用动力D.设备维修费用8、所谓理论成本,就是按照马克思的价值学说计算的成本,它主要包括()。
A.已耗费的生产资料转移的价值B.劳动者为自己劳动所创造的价值C.劳动者为社会劳动所创造的价值D.已耗费的生产资料转移的价值和劳动者为自己劳动所创造的价值9、正确计算产品成本,应该做好的基础工作是()。
成本会计期末试卷A线订○装○___○__________○____:名姓○__________○__________○:号学____○__________○______:别○班_______○__________○__:室试○《成本会计》试题(A卷)本卷全部填在答题纸上,否则无效。
交卷时只交答题纸,试卷自己带走。
一、单选题(每题1分,共20分)1.基本生产车间一般耗用的材料费用,应借记“()”账户,贷记“原材料”账户。
A.基本生产成本B.辅助生产成本C.制造费用D.销售费用2.“假退料”是指()。
A.材料不动,只办理本月退料手续B.材料退回,但不办理退料手续C.材料不动,办理本月退料和下月领料手续D.材料不动,办理本月退料和本月领料手续3.待摊费用的摊销期限()。
A.没有统一规定B.最长为半年C.最长为一年D.最长为两年4.根据生活福利部门人员工资的14%计提的职工福利费,应借记“()”账户。
A.应付职工薪酬——职工福利B.应付职工薪酬——工资薪酬C.制造费用D.管理费用5.辅助生产车间完工入库的修理用备件,应借记“()”账户,贷记“辅助生产成本”账户。
A.周转材料——低值易耗品B.原材料C.库存商品D.自制半成品6.制造费用是企业为生产产品和提供劳务而发生的各项()。
A.直接费用 B.间接费用C.直接计入费用D.间接计入费用7.下列项目中,属于废品报废损失的是()。
A.不可修复废品的生产成本B.可修复废品的修复费用C.可修复废品的修复费用扣除残料后的损失D.不可修复废品的实际成本减去回收残料和废料价值后的净损失8.不应计入“废品损失”账户借方的费用是()。
A.不可修复废品的生产成本B.可修复废品返修以前发生的生产费用C.修复废品时发生的工资费用D.可修复废品的全部修复费用9.下列各项中,不应列入在产品的是()。
A.已验收入库的对外销售的自制半成品B.正在车间加工中的合格产品C.已验收入库的仍需加工的自制半成品D.正在车间加工中的合格产品10.约当产量比例法适用于()的产品。
成本会计A卷第一篇:成本会计A卷成本会计A卷一、单项选择题(每小题1分,共20分)1.()构成商品的理论成本。
A.已耗费的生产资料转移的价值B.劳动者为自己劳动所创造的价值C.劳动者为社会劳动所创造的价值D.已耗费的生产资料转移的价值和劳动者为自己劳动所创造的价值 2.成本会计的监督()。
A.包括事前、事中和事后监督B.包括事前和事后的监督C.是事后的监督D.是事前的监督 3.下列各项中应计入制造费用的是()。
A.构成产品实体的原材料费用B.产品生产工人工资C.车间管理人员工资D.工艺用燃料费用4.用于产品生产构成产品实体的原材料费用,应记入()科目。
A.基本生产成本B.制造费用C.废品损失D.销售费用 5.购入需要安装固定资产的费用,应记入()科目。
A.固定资产B.无形资产C.在建工程D.管理费用6.基本生产车间计提的固定资产折旧费,应借记()科目。
A.基本生产成本B.管理费用C.制造费用D.待摊费用7..企业行政管理部门计提的固定资产折旧费,应借记()科目。
A.预提费用B.财务费用C.管理费用D.销售费用8.待摊费用的摊销期限应该是()。
A.1年以内B.1年以上C.2年以内D.视情况而定9.某企业预提的利息支出,实际支付利息时,应记入()。
A.“预提费用”科目借方B.“预提利息”科目贷方C.“管理费用”科目借方D.“财务费用”科目贷方10.基本生产车间预提固定资产修理费时,应记入()。
A.“基本生产成本”科目借方B.“制造费用”科目贷方C.“财务费用”科目借方D.“预提费用”科目贷方11.下列方法中,属于辅助生产费用的分配方法是()。
A.计划成本分配法B.年度计划分配率分配法C.约当产量法比例法D.定额比例法12.辅助生产费用的直接分配法,是将辅助生产费用()。
A.直接计入基本生产成本的方法B.直接计入辅助生产成本的方法C.直接分配给辅助生产车间以外各受益单位的方法D.直接分配给所有受益单位的方法13.基本生产车间应付管理人员工资,记入下列科目的借方()。
成本会计A卷习题一、单选题,本题共20小题,满分20分。
1、成本是商品价值中的()部分。
(1分)A.C+V+MB.C+VC.C+MD.V+M2、构成产品的各项耗费,是指企业的()。
(1分)A.生产经营费用B.生产费用C.生产费用和期间费用D.期间费用3、产品成本是相对于一定的()而言的。
(1分)A.数量和种类的产品B.会计期间C.会计主体D.生产类型4、集中工作方式和分散工作方式是指企业内部()的分工方式。
(1分)A.各级成本会计机构B.成本会计职能C.成本会计对象D.成本会计任务5、下列支出中不应计入产品成本的是()。
(1分)A.产品生产用材料B.生产单位管理人员的薪酬C.从事自制设备工程人员的薪酬D.车间生产设备的折旧费6、本期支付的应由以后期间负担的费用,应当作为是()进行分期摊销,不得直接计入本期成本、费用。
(1分)A.制造费用B.预提费用C.生产费用D.长期待摊费用7、生产费用按其经济内容分类,可以分为若干个()(1分)A.要素费用B.成本项目C.基本费用D.以上都不对8、直接计入费用是指()。
(1分)A.直接列作当期损益的费用B.产品生产过程中的直接费用C.可以直接计入某种产品(成本核算对象)成本的费用D.由于产品生产工艺本身发生的费用9、应当按照受益原则分配计入各种产品(成本核算对象)成本的是()。
(1分)A.制造费用中的固定费用部分B.生产费用中的间接计入费用C.财务费用和管理费用D.销售费用中的固定费用部分10、确定消耗材料的数量,一般应采用()。
(1分)A.连续记录法B.加权平均法C.盘存计算法D.移动平均法11、下列分配方法中,不宜作为原材料费用分配方法的是()。
(1分)A.重量分配法B.生产工人工时分配法C.系数分配法D.定额耗用量比例分配法12、下列各项中,不计入“直接人工”成本项目的是()。
(1分)A.产品生产工人工资B.车间管理人员工资C.按产品生产工人工资提取的福利费等其他薪酬D.产品生产工人的奖金13、下列辅助生产成本明细账中,可能有期末余额的是( )。
全国2010年10月高等教育自学考试A卷成本会计试题课程代码:00156一.单项选择题(本大题共20小题,每小题1分,共20分)在每小题列出的四个备选项中只有一个选项是符合题目要求的,请将其代码填写在题后的括号内。
错选.多选或未选均无分。
1.成本的经济实质是(D)A.生产经营过程中所耗费生产资料转移价值的货币表现B.劳动者为自己劳动所创造价值的货币表现C.劳动者为社会劳动所创造价值的货币表现D.企业在生产经营过程中所耗费的资金的总和2.成本会计的任务和中心环节是(C)A.进行成本预测,编制成本计划B.审核和控制各项费用的支出C.进行成本核算,提供实际成本的核算资料D..参与企业的生产经营决策3.下列属于费用要素的是(C)A.直接材料B.直接人工C.外购材料D.废品损失4.下列各项属于产品成本项目的是(A)A.废品损失B.利息支出C.工资费用D.营业费用5.下列各项中应计入管理费用的是(C)A.企业专设销售机构人员的工资B.产品的广告费用C.车间生产用设备的折旧费用D.车间辅助人员的工资6.为了既正确又简便地分配外购动力费用,在支付动力费用时,应借记(C)科目;贷记“银行存款”等科目。
A成本.费用等B“待摊费用”C“应付帐款”D“其他应付款”7.区分各种成本计算基本方法的主要标志是(A)A.成本计算对象B.成本计算日期C.间接费用的分配方法D.完工产品与在场品之间非配费用的方法8.辅助生产车间完工入库的修理用备件.应借记(B)科目,贷记“辅助生产成本”科目。
A“低值易耗品”B“原材料”C“修理用备件”D“自制半成品”9.分类法是在产品品种.规格繁多,但可按一定标准对产品进行分类的情况下,为了(B)而采用的。
A.计算各类产品成本B.简化成本计算工作C.加强各类产品成本管理D.提高计算的准确性10.品种法适用的生产组织是(B)A.大量成批生产B.大量大批生产C.小批单件生产D.大量小批生11.顺序分配法是将辅助生产费用按照(C)进行分配的方法。
A先辅助生产后基本生产B先辅助生产内部后对外C辅助生产车间受益多少D辅助生产车间提供劳务多少12.下列方法中,需要进行成本还原的是(C)A.平行结转法B.逐步结转法C综合结转法D.分项结转法13.下列情况中,不宜采用简化分批法的是(A)A.各月间接计入费用水平相差较大B.月末未完工产品批数较多C.同一月份投产的批数较多D.各月间接计入费用水平相差不多14.原材料脱离定额差异是(A)A.数量差异B.价格差异C.一种定额变动差异D.原材料成本差异15.制造费用(D)。
A是直接生产费用B是间接生产费用C是间接计入费用D既包括间接生产费用,又包括直接生产费用16.定额法的主要缺点(B )A.只适用于大批大量生产的机械制造企业B.较其他成本计算方法核算工作量大C.不能合理.简便地解决完工产品和月末在产品之间的费用分配问题D.不便于成本分析工作17.如果产品成本中的原料费用所占比重很大,原料随生产进度逐渐投入生产,为了简化成本计算工作,在分配完工产品与月末在产品费用时,应该采用的方法是( D )A.约当产量比例法B.在产品按所耗原料费用计价,原料费用按约当产量比例分配C.在产品按所耗原料费用计价D.原料费用按约当产量比例分配18.下列各项固定资产中,应在本月计算折旧费用的固定资产是( B )A.未使用的房屋和建筑物B.已提前报废的固定资产C.已经提足折旧超龄使用的固定资产D.月份内增加的固定资产19.下列各种方法中,属于制造费用分配方法的是(C)。
A约当产量比例法B系数分配法C按年度计划分配率分配法D车间成本比例法20.下列各项损失中,属于废品损失的是(A)A入库以后发现的生产中的废品的损失B可以降价出售的不合格品降价的损失C产成品入库以后由于保管不善发生的损失D产品出售以后发现的废品由于包退.包换和包修形成的损失二.多项选择题(本大题共10小题,每小题1分,共10分)在每小题列出的五个备选项中至少有两个是符合题目要求的,请将其代码填写在题后的括号内。
错选.多选.少选或未选均无分。
21.完工产品与在产品之间分配费用的方法有(ACD)A.约当产量比例法B.交互分配法C.在产品按固定成本计价法D.定额比例法E.五五摊销法22.应计入营业费用(产品销售费用)的支出有(ABCE)。
A.销售产品的运输费B.广告费C.销售机构办公费D.产品“三包”损失E.委托代销手续费23.成本会计的职能包括(ABCDE)。
A.成本预测、决策 B.成本核算、分析C.成本计划D.成本控制E.成本考核24.为了正确计算产品成本,必须正确划分以下几个方面的费用界限:(CDE)。
A.盈利产品和亏损产品B.可比产品和不可比产品C.生产费用与期间费用B.各个会计期间E.完工产品与在产品25.以下不属于包装物的有(BCDE)。
A.生产过程中领用的盛装物品B.用于加工包装物的加工材料C.包装材料D.生产车间周转使用的盛装物品E.仓库周转使用的盛装物品26.企业按权责发生制原则预提费用时,可能借记的账户有(ABCDE)。
A.制造费用B.管理费用C.财务费用D.其他业务支出E.营业费用(产品销售费用)27.在分配辅助生产费用的方法中,属于交互分配的方法有(BCD)。
A.顺序分配法B.交互分配法C.计划成本分配法D.代数分配法E.直接分配法28.以下停工应单独核算的有(ABCD)。
A.原材料不足造成的停工B.计划减产造成的停工C.季节性生产造成的停工D.固定资产修理造成的停工E.火灾造成的停工29.月末,划分完工产品与在产品费用,应选择适当的方法,选择方法时应考虑的因素有(ABCD)。
A.在产品数量的多少B.在产品数量变化的大小C.各项费用比重的大小D.定额管理基础工作的好坏E.会计人员工作水平的高低30.成本计算的辅助方法有(DE)。
A.品种法B.分批法C.分步法D.分类法E.定额法三、判断说明题(本大题共5小题,每小题2分,共10分)判断下列各题正误,正者在括号内打“√”,误者在括号内打“×”并说明理由。
31.在进行成本预测、成本决策和编制成本计划的过程中,也应进行成本控制,这种成本控制也称成本的事后控制。
(×)32.应付工资应全部计入管理费用。
(×)33.辅助生产车间提供的产品劳务,都是为基本生产车间服务的。
(×)34.定额法不仅是一种成本计算方法,也是一种成本管理方法。
(√)35.同类产品的类内各种产品之间分配费用时,所有的成本项目要选择相同的分配标准。
(×)四、简答题(本大题共2小题,每小题5分,共10分)1.简述成本会计的职能及包括的具体内容。
2.什么是分步法?它有哪些特点?五、计算题(本大题共4小题,第38小题13分,第39小题10分,第40小题12分,第4l小题15分,共50分)1、某企业生产甲、乙两种产品,耗用原材料费用共计62400元。
本月投产甲产品220件,乙产品256件。
单件原材料费用定额:甲产品120元,乙产品100元。
要求:采用原材料定额费用比例分配甲、乙产品实际耗用原材料费用。
解:(1)领用时:借:长期待摊费用36000贷:低值易耗品36000(2)月末调整所领专用工具的成本节约差异1080×[36000×(-3%)]时:借:长期待摊费用1080(红字)贷:材料成本差异——低值易耗品成本差异1080(红字)(3)本月摊销低值易耗品价值时:借:制造费用1940[(36000-1080)÷18]贷:长期待摊费用19402、某企业某些低值易耗品采用分次摊销法。
某生产车间领用专用工具一批,计划成本36000元,本月低值易耗品成本差异率为节约3%,该批专用工具在一年半内分月平均摊销。
要求:编制领用、调整成本差异和摊销的会计分录。
解:(1)领用时:借:长期待摊费用36000贷:低值易耗品36000(2)月末调整所领专用工具的成本节约差异1080×[36000×(-3%)]时:借:长期待摊费用1080(红字)贷:材料成本差异——低值易耗品成本差异1080(红字)(3)本月摊销低值易耗品价值时:借:制造费用1940[(36000-1080)÷18]贷:长期待摊费用19403、某工业企业有一车间、二车间两个基本生产车间。
一车间生产甲、乙两种产品,二车间生产丙产品,还设有机修和供电两个辅助生产车间。
该企业辅助生产车间的制造费用不通过“制造费用”帐户核算。
200×年8月份各辅助生产车间发生的生产费用和劳务供应量资料如下:各受益单位耗用劳务情况如下:计算时,分配率小数保留四位,分配的小数尾差计入管理费用。
要求:根据上列有关资料,采用直接分配法,计算分配机修、供电费用,编制相应的会计分录。
解:对外供应劳务数量:机修车间:7020-79=6941(小时)供电车间:150000-15940=134060(度)单位成本:机修车间:供电车间:甲产品应负担电力费用=49000×0.4=19600(元)乙产品应负担电力费用=48500×0.4=19400(元)丙产品应负担电力费用=30000×0.4=12000(元)第一基本车间:应分配修理费用:3100×3=9300(元)应分配电力费用:2000×0.4=800(元)第二基本车间:应分配修理费用:3700×3=11100(元)应分配电力费用:2500×0.4=1000(元)行政管理部门:应分配修理费用:141×3=423(元)应分配电力费用:2060×0.4=824(元)应编制的会计分录:借:基本生产成本——甲产品19600——乙产品19400——丙产品12000制造费用——一车间10100——二车间12100管理费用1247贷:辅助生产成本——机修20823——供电536244、某企业生产的丁产品分三道工序制成,各工序的原材料消耗定额为:第一道工序100千克,第二道工序60千克,第三道工序40千克。
在产品数量:第一道工序150件,第二道工序200件,第三道工序250件。
要求:(1)假设该产品原材料在每道工序开始时一次投入,要求计算各工序完工率和约当产量:(2)假设该产品原材料随着生产进度陆续投入,要求计算各工序完工率及约当产量。
解:(1)原材料在每道工序开始时一次投料,则各工序的完工料为:第一道工序:第二道工序:第三道工序:各工序约当产量是:第一道工序:150×50%=75第二道工序:200×80%=160第三道工序:250×100%=250(2)原材料陆续投料完工率为:第一道工序:第二道工序:第三道工序:各工序约当产量是:第一道工序:150×25%=37.5第二道工序:200×65%=130第三道工序:250×90%=225。