地脚螺栓型号及尺寸规格表
- 格式:docx
- 大小:36.48 KB
- 文档页数:4
m80地脚螺栓参数M80地脚螺栓参数地脚螺栓是一种常用的连接元件,常见于建筑结构和桥梁工程中。
M80地脚螺栓是一种规格较大的地脚螺栓,下面我们来详细介绍一下M80地脚螺栓的参数。
1. 尺寸参数:M80地脚螺栓的尺寸参数是指螺栓的直径、长度和螺纹规格等。
M80地脚螺栓的直径为80毫米,螺纹规格为M80×6。
根据具体应用场景的要求,螺栓的长度可以根据需要定制。
2. 材质参数:M80地脚螺栓的材质参数是指螺栓所采用的材料。
常见的地脚螺栓材质有碳钢、合金钢和不锈钢等。
M80地脚螺栓通常采用高强度合金钢制造,以确保其在使用过程中的强度和耐腐蚀性能。
3. 强度参数:M80地脚螺栓的强度参数是指螺栓在受力时所能承受的最大载荷。
地脚螺栓通常需要承受较大的拉力和剪力,因此其强度参数非常重要。
M80地脚螺栓的强度等级一般为10.9级或12.9级,代表了螺栓的抗拉强度和抗剪强度。
4. 表面处理参数:M80地脚螺栓的表面处理参数是指螺栓表面所进行的防腐处理或装饰处理。
地脚螺栓常用的表面处理方法有镀锌、镀铜、喷塑等。
这些表面处理能够提高螺栓的耐腐蚀性能和装饰效果,延长其使用寿命。
5. 安装参数:M80地脚螺栓的安装参数是指螺栓在安装过程中所需要的孔径和紧固力矩。
地脚螺栓的安装孔径一般为螺栓直径的1.5倍,以确保螺栓的安装牢固。
紧固力矩是指螺栓在紧固过程中所需要的力矩大小,以确保螺栓连接的紧固程度。
M80地脚螺栓是一种常用的连接元件,其参数的选择与应用场景密切相关。
在使用M80地脚螺栓时,需要根据具体情况选择合适的尺寸、材质、强度、表面处理和安装参数,以确保螺栓的安全可靠性和使用寿命。
通过合理选择地脚螺栓参数,可以有效提高建筑结构和桥梁工程的稳定性和安全性。
m33地脚螺栓尺寸M33 地脚螺栓是一种常见的机械连接部件,它需要在建筑工程和机械设备中使用。
M33 地脚螺栓尺寸包括直径、长度和螺纹等参数,这些参数需要根据具体的应用需求来确定。
在本文中,我们将从以下五个方面阐述 M33 地脚螺栓尺寸的相关内容。
1. 直径M33 地脚螺栓的直径通常为 33mm,这是其命名的来源。
直径越大,地脚螺栓的承载力也就越大。
在选择适当的 M33 地脚螺栓时,需要根据实际的载荷条件和工程设计来确定直径。
2. 长度M33 地脚螺栓的长度也是根据实际需求来确定的。
一般而言,地脚螺栓的长度应该超过基础深度的 3 倍。
例如,如果基础深度为1000mm,则应选用长度为 3000mm 的 M33 地脚螺栓。
3. 螺纹M33 地脚螺栓的螺纹通常采用高强度的螺纹。
这些螺纹可以在连接时提供更好的摩擦力和更牢固的连接。
在选择 M33 地脚螺栓螺纹时,需根据连接件的材料和工作环境来确定。
4. 牙距和牙型M33 地脚螺栓的牙距和牙型也是重要的尺寸参数。
牙距是指螺纹上两个相邻牙之间的距离,而牙型则是指螺纹的形状。
选择适当的牙距和牙型可确保地脚螺栓与连接件之间的稳定连接。
5. 适用范围M33 地脚螺栓适用于各种类型的工程项目,如建筑工程、机械设备等。
在选择 M33 地脚螺栓时,需根据具体的工程要求和环境条件来确定其尺寸参数。
总之,M33 地脚螺栓尺寸是一个复杂的问题,需要根据各种因素来确定。
在选择合适的 M33 地脚螺栓时,应考虑到其直径、长度、螺纹、牙距和牙型等参数,进而选择适用范围广泛的地脚螺栓。
以上这些参数都需要在实际使用中不断验证和优化,以确保螺栓的稳定性和可靠性。
常用螺栓标准、规格、用途汇总,螺丝孔径对照表以下是常用螺栓标准、规格、用途的汇总,以及螺丝孔径对照表的相关信息:一、常用螺栓标准、规格、用途汇总:1.方头螺栓:C级标准规定了螺纹规格为M10~M48的C级方头螺栓。
这种螺栓通常用于需要较大拧紧力矩的场合,如机械设备、桥梁等建筑结构的连接。
2.沉头方颈螺栓:标准规定了螺纹规格为M6~M20的C级沉头方颈螺栓。
这种螺栓适用于要求连接后表面光滑、美观的场合,如家具、电器等产品的连接。
3.六角头螺栓:标准规定了螺纹规格为M1.6~M64,性能等级为5.6、8.8、9.8、10.9、A2-70、A4-70、A2-50、A4-50、CU2、CU3和AL4级、产品等级为A和B级的六角头螺栓。
A级用于d=1.6~24mm和l≤10d或l≤150mm (按较小值);B级用于d>24mm或l>10d或l>150mm(按较小值)的螺栓。
这种螺栓广泛应用于各种机械设备的连接,具有较强的通用性和互换性。
二、螺丝孔径对照表:螺丝的孔径是指螺丝杆直径的大小,通常以毫米(mm)为单位表示。
不同规格的螺丝对应不同的孔径大小,选择合适的孔径对于保证连接强度和密封性至关重要。
以下是一些常见螺丝规格与对应孔径的对照表(仅供参考,实际孔径可能因制造公差而略有差异):M1.6:孔径约1.4mmM2:孔径约1.7mmM2.5:孔径约2.2mmM3:孔径约2.7mmM4:孔径约3.6mmM5:孔径约4.6mmM6:孔径约5.3mm...以此类推请注意,这里提供的对照表仅供参考,实际选择时应根据具体需求和标准规范进行确定。
同时,还需要考虑螺丝的材质、强度等级以及连接件的材料和厚度等因素对孔径选择的影响。
地脚螺栓规格为M6~M48、C级的地脚螺栓地脚螺栓规格尺寸(附图)地脚螺栓螺纹规格表图标记方法按GB1237规定标记示例:螺纹规格d=M20,公称长度L=400mm,性能等级为3.6级,不经表观处理的地脚螺栓的标记:螺栓GB799 M20×400地脚螺栓埋设的好坏,直接影响设备安装的质量。
有些设备对标高、位置的准确性要求很严,特别是自动化程度高的联动设备,要求更严。
因此,在地脚螺栓埋设之后和设备安装之前,必须对其进行检查和矫正。
当发生偏差时,应根据设备的实际情况进行处理,采用不同的处理方法,一般常见的处理方法有如下几种方法:(一)地脚螺栓中心偏差的处理地脚螺栓直径在30mm以下,中心线偏移30mm以内时,可先用氧乙炔将螺栓烤红,再用大锤将螺栓敲弯(或用千斤顶顶弯),矫正后要用钢板焊牢加固,防止拧紧螺栓时复原。
如果螺栓间距不对,则可将用氧乙炔火焰烤红之后用大锤敲弯,在中间焊上钢板加固,在以后的灌浆时把它灌死。
对于大螺栓(直径在30mm以上)发生较大偏移时,应先将螺栓切断,用一块钢板焊在螺栓中间,如螺栓强度不够,可在螺栓两侧焊上两块加固钢板,其长度不得小于螺栓直径3~4倍。
(二)地脚螺栓标高偏差的处理1.螺栓过高时,须将高出部分割去再套螺纹。
在套螺纹时,要防止油类物质滴到混凝土基础上腐蚀和影响基础的质量。
2.螺栓偏低且偏差数值不大时(在15mm以内),可用氧乙炔把螺栓烤红,然后把它拉长。
拉长的方法是用两叠垫板作支座,再在其上边架一块中间有孔的钢板套在地脚螺栓上,上面用螺母拧紧,借助拧紧螺母的力量而将螺栓烤红处拉长。
螺栓直径拉细处必须加焊2~3块钢板加固。
如设备已放在基础上搬动不便,在机座凸缘强度足够的情况下,就可以直接在底座上拧紧螺母,把螺栓拉长。
当拧到适当长度后,必须将螺母松开,以免螺栓冷却后拉力过大,甚至压裂底座凸缘。
如螺栓过低(低于其要求高度15mm),不能用加热法拉长时,可在螺栓周边挖一深坑,在距坑底约100mm处将螺栓切断,另焊一新制作的螺栓,标高要符合要求,然后再用圆钢加固。
锚固螺栓锚栓用于上部钢结构与下部基础的连接,承受柱弯矩在柱脚底板与基础间产生的拉力,剪力由柱底板与基础面之间的摩擦力抵抗,若摩擦力不足以抵抗剪力,则需在柱底板上焊接抗剪键以增大抗剪能力。
锚栓一头埋入混凝土中,埋入的长度要以混凝土对其的握裹力不小于其自身强度为原则,所以对于不同的混凝土标号和锚栓强度,所需最小埋入长度也不一样。
为了增加握裹力,对于Φ39以下锚栓,需将其下端弯成L型,弯钩的长度为4D;对于Φ39以上锚栓,因其直径过大不便于折弯,则在其下端焊接锚固板。
锚栓的锚固及构造详见表7-5与表7-6。
259表7-5-1Q235 钢锚栓选用表锚栓直径d (mm) 锚栓截面有效面积A0(cm)连接尺寸锚固长度及细部尺寸每个螺栓的受拉承载力设计值taN(KN)Ⅰ型Ⅱ型Ⅲ型单螺母双螺母锚固长度 l (mm)锚板尺寸a(mm)b(mm)a(mm)b(mm)当基础混凝土的强度等级为 C(mm)t(mm)C15 C20 C15 C20 C15 C2020 22 24 27 3033 36 39 42 45 2.4483.0343.5254.5945.6066.9368.1679.75811.2113.06454550505555606570757575808085909510010511060657075808590951001059095100105110120125130135140500550600675750825900100040044048054060066072078010501125840900630675505540140140202034.342.549.464.378.597.1114.3136.6156.9182.8260表7-5-2Q235 钢锚栓选用表锚栓直径d (mm) 锚栓截面有效面积A0(cm)连接尺寸锚固长度及细部尺寸每个螺栓的受拉承载力设计值taN(KN)Ⅰ型Ⅱ型Ⅲ型单螺母双螺母锚固长度 l (mm)锚板尺寸a(mm)b(mm)a(mm)b(mm)当基础混凝土的强度等级为 C(mm)t(mm)C15 C20 C15 C20 C15 C2048 52 56 6064 68 72 76 80 14.7317.5820.3023.6226.7630.5534.6038.8943.4480859095100105110115120120125130135145150155160165110120130140150160170180190150160170180195205215225235120013001400150016001700180019002000960104011201200128013601440152016007207808409009601020108011401200575625670720770815865910960200200200240240280280320350202020252530303040206.2246.1284.2330.7374.6427.7484.4544.5608.2261表7-5-3 Q235 钢锚栓选用表锚栓直径d (mm) 锚栓截面有效面积A0(cm)连接尺寸锚固长度及细部尺寸每个螺栓的受拉承载力设计值taN(KN)Ⅰ型Ⅱ型Ⅲ型单螺母双螺母锚固长度 l (mm)锚板尺寸a(mm)b(mm)a(mm)b(mm)当基础混凝土的强度等级为 C(mm)t(mm)C15 C20 C15 C20 C15 C2085 90 95 100 49.4855.9162.7369.95130140150160180190200210200210220230250260270280212522502375250017001800190020001275135014251500102010801140120035040045050040404545692.7782.7878.2979.3262表7-6-1Q345 钢锚栓选用表锚栓直径d (mm) 锚栓截面有效面积A0(cm)连接尺寸锚固长度及细部尺寸每个螺栓的受拉承载力设计值taN(KN)Ⅰ型Ⅱ型Ⅲ型单螺母双螺母锚固长度 l (mm)锚板尺寸a(mm)b(mm)a(mm)b(mm)当基础混凝土的强度等级为 C(mm)t(mm)C15 C20 C15 C20 C15 C2020 22 24 27 3033 36 39 42 45 2.4483.0343.5254.5945.6066.9368.1679.75811.2113.064545505055556065707575758080859095100105110606570758085909510010590951001051101201251301351406006607208109009901080117050055060067575062590010001260135010501125755810630675140140202044.154.663.582.7100.9124.8147.0175.6201.8235.1263表7-6-2 Q345 钢锚栓选用表锚栓直径d (mm) 锚栓截面有效面积A0(cm)连接尺寸锚固长度及细部尺寸每个螺栓的受拉承载力设计值taN(KN)Ⅰ型Ⅱ型Ⅲ型单螺母双螺母锚固长度 l (mm)锚板尺寸a(mm)b(mm)a(mm)b(mm)当基础混凝土的强度等级为 C(mm)t(mm)C15 C20 C15 C20 C15 C2048 52 56 6064 68 72 76 80 14.7317.5820.3023.6226.7630.5534.6038.8943.448085909510010511011512012012513013514515015516016511012013014015016017018019015016017018019520521522523514401560168018001920204021602280240012001300140015001600170018001900200086593510101080115012251300137014407207808409009601020108011401200200200200240240280280320350202020252530303040265.1316.4365.4425.2481.7549.9622.8700.0781.9264表7-6-3 Q345 钢锚栓选用表锚栓直径d (mm) 锚栓截面有效面积A0(cm)连接尺寸锚固长度及细部尺寸每个螺栓的受拉承载力设计值taN(KN)Ⅰ型Ⅱ型Ⅲ型单螺母双螺母锚固长度 l (mm)锚板尺寸a(mm)b(mm)a(mm)b(mm)当基础混凝土的强度等级为 C(mm)t(mm)C15 C20 C15 C20 C15 C2085 90 95 100 49.4855.9162.7369.95130140150160180190200210200210220230250260270280255027002850300021252250237525001530162017101800127513501425150035040045050040404545890.6100611291259265。
地脚螺栓尺寸规格表标准地脚螺栓是一种用于固定建筑物基础的螺栓,通常由钢材制成。
地脚螺栓的尺寸规格表标准是指地脚螺栓的尺寸、材质、强度等方面的标准规定。
本文将详细介绍地脚螺栓尺寸规格表标准。
一、地脚螺栓的尺寸规格地脚螺栓的尺寸规格包括螺纹直径、螺纹长度、螺纹间距、螺栓长度等。
根据不同的使用场合和要求,地脚螺栓的尺寸规格也有所不同。
下面是一些常见的地脚螺栓尺寸规格:1. M12×100mm:螺纹直径为12mm,螺纹长度为100mm,螺纹间距为1.75mm,螺栓长度为100mm。
2. M16×150mm:螺纹直径为16mm,螺纹长度为150mm,螺纹间距为2.0mm,螺栓长度为150mm。
3. M20×200mm:螺纹直径为20mm,螺纹长度为200mm,螺纹间距为2.5mm,螺栓长度为200mm。
4. M24×250mm:螺纹直径为24mm,螺纹长度为250mm,螺纹间距为3.0mm,螺栓长度为250mm。
5. M30×300mm:螺纹直径为30mm,螺纹长度为300mm,螺纹间距为3.5mm,螺栓长度为300mm。
二、地脚螺栓的材质地脚螺栓的材质通常为碳素钢或合金钢。
碳素钢地脚螺栓的强度等级为4.8级、8.8级、10.9级和12.9级,其中12.9级的强度最高。
合金钢地脚螺栓的强度等级为10.9级和12.9级,强度比碳素钢地脚螺栓更高。
三、地脚螺栓的强度等级地脚螺栓的强度等级是指地脚螺栓的承载能力。
强度等级越高,承载能力越大。
地脚螺栓的强度等级通常为4.8级、8.8级、10.9级和12.9级。
其中12.9级的强度最高,适用于承载要求较高的建筑物。
四、地脚螺栓的使用注意事项1. 地脚螺栓的安装应符合相关标准和规范要求,安装前应检查地脚螺栓的尺寸、材质、强度等是否符合要求。
2. 地脚螺栓的安装应采用专用工具,保证螺栓的正确安装和紧固。
3. 地脚螺栓的紧固力应符合相关标准和规范要求,过紧或过松都会影响地脚螺栓的承载能力。
m20地脚螺栓规格尺寸-回复M20地脚螺栓规格尺寸地脚螺栓是一种常用的连接元件,广泛应用于建筑、机械、桥梁等领域。
其规格尺寸的选择对于工程的设计和施工至关重要。
本文将以M20地脚螺栓规格尺寸为主题,分步解答相关问题。
第一步:了解M20地脚螺栓的基本概念和用途M20地脚螺栓是指直径为20mm的地脚螺栓。
它主要用于固定和连接混凝土基础和钢结构之间的连接,起到增强结构强度和稳定性的作用。
第二步:确定M20地脚螺栓的强度等级M20地脚螺栓的强度等级是指其承载能力的标准。
一般根据设计要求和使用环境选择不同的强度等级。
常见的强度等级有4.8、8.8、10.9和12.9级。
数字越高,表示螺栓的强度越高。
第三步:确定M20地脚螺栓的标准M20地脚螺栓的规格尺寸标准有国家标准、行业标准和企业标准等。
常见的国家标准为GB/T 799标准。
根据不同标准的要求,螺栓的尺寸、材质、力学性能等也有所区别。
第四步:确定M20地脚螺栓的长度M20地脚螺栓的长度是根据具体工程需求和连接物的厚度进行选择的。
一般来说,螺栓的长度应超出被连接物的高度至少2-3个螺栓直径。
第五步:按照标准要求选择螺栓的其他尺寸除了长度外,M20地脚螺栓还有其他重要尺寸需要考虑,包括螺纹长度、螺纹间距、螺纹直径和六角头尺寸等。
这些尺寸的选择应符合相应的标准,并根据实际需求进行合理的选择。
第六步:购买合适的M20地脚螺栓一旦确定了M20地脚螺栓的规格尺寸,接下来就是购买合适的螺栓。
在选择供应商时,应注意其信誉和产品质量,确保螺栓符合相关标准,并能满足工程的要求。
第七步:安装M20地脚螺栓在进行螺栓安装时,应注意以下几点:首先,确保螺栓与被连接物之间的间隙合适,并使用合适的垫圈和螺母进行固定;其次,严格按照安装要求进行操作,包括扭矩控制和螺栓的预紧力要求等;最后,定期检查和维护螺栓连接的可靠性。
结论:M20地脚螺栓的规格尺寸选择是一项重要的工程决策,需要根据具体要求和标准进行合理选择。
m42地脚螺栓标准尺寸M42地脚螺栓标准尺寸。
M42地脚螺栓是一种常用于建筑工程中的紧固件,其标准尺寸对于工程的安全性和稳定性至关重要。
在选择M42地脚螺栓时,需要了解其标准尺寸及相关参数,以确保其能够满足工程的需求。
本文将对M42地脚螺栓的标准尺寸进行详细介绍,帮助读者更好地了解和选择M42地脚螺栓。
M42地脚螺栓的标准尺寸通常包括直径、长度、螺纹规格等参数。
首先,我们来看M42地脚螺栓的直径。
M42地脚螺栓的直径为42mm,这是其最基本的尺寸参数。
在实际工程中,选择M42地脚螺栓时,需要根据工程的具体要求和承载能力来确定直径尺寸,以确保其能够承受工程所需的荷载。
其次,我们来关注M42地脚螺栓的长度。
M42地脚螺栓的长度通常根据实际需要进行选择,常见的长度包括100mm、120mm、150mm等。
在选择M42地脚螺栓的长度时,需要考虑到螺栓的插入深度、固定件的厚度以及工程的承载要求等因素,以确保螺栓能够有效地固定和支撑工程结构。
此外,螺纹规格也是选择M42地脚螺栓时需要考虑的重要参数之一。
M42地脚螺栓的螺纹规格通常包括粗牙和细牙两种,常见的螺纹规格包括 4.8级、8.8级、10.9级等。
在选择螺纹规格时,需要根据工程的使用环境、荷载要求以及对螺栓强度的要求来进行选择,以确保螺栓能够在工程中发挥良好的固定作用。
除了上述基本的尺寸参数外,M42地脚螺栓的表面处理、材质等也是选择时需要考虑的因素。
常见的表面处理包括镀锌、热镀锌等,而常见的材质包括碳钢、合金钢等。
在选择M42地脚螺栓时,需要根据工程的使用环境、防腐要求以及对螺栓强度的要求来进行选择,以确保螺栓能够在工程中具有良好的耐腐蚀性和强度。
综上所述,M42地脚螺栓的标准尺寸是选择时需要重点考虑的因素,包括直径、长度、螺纹规格、表面处理和材质等。
在选择M42地脚螺栓时,需要根据工程的具体要求和环境来进行综合考虑,以确保其能够满足工程的需求,并发挥良好的固定作用。
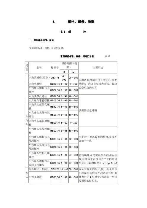
5. 螺栓、螺母、垫圈5.1 螺栓一、常用螺栓标准、用途常用螺栓标准、规格、用途见表42。
常用螺栓标准、规格、用途汇总表表42注:1.冷镦工艺生产的小六角头螺栓具有材料利用率高、生产效率高、机械性能高等优点,但由于头部尺寸较小, 不宜用于多次装拆、被联接件强度较低和易锈蚀等场合。
2.当机械性能(强度级别)的分级的规定不能满足使用要求时,可按需要选用材料。
对T型、活节等螺栓的材料在相应标准中有规定。
二、六角头螺栓(粗制)(GB5-76)六角头螺栓规格见图20、表43。
六角头螺栓(粗制)规格(GB5-76)(毫米)表43①为优选系列。
注:1.L0不包括螺尾,当L≤125时:L0=2d+6;当L>125~200时:L0=2d+12;当L>200时:L0=2d+25。
2.标记示例:螺栓M10×100GB5一76表示为直径10毫米,长度100毫米、粗牙普通螺纹,机械性能按5.9级,不经表面处理的六角头螺栓。
三、六角头螺栓精制(GB29、30-76)六角头螺栓(精制)规格见图21、表44。
六角头螺栓(精制)规格(GB29、30-76)(毫米)表44①为优选系列,其中GB29一76的范围是:d =12以下,L=100以下:GB30一76的范围是d =10以上,L=16以上。
注:1.L0不包括螺尾,当L〈125时:L0=2d+6;当L>125~200时:L0=2d+12,当L>200时:L0=2d+25。
2标记示例:螺栓M10×100GB30一76。
表示为直径10毫米,长100毫米,机械性能按5.9级,不经表面处理的六角头螺栓。
如螺杆上全部制出螺纹时,应加标记Q, 即:螺栓M10×100-Q GB30一76。
四、沉头螺栓沉头螺栓(粗制)(GB10-76)、沉头带楔螺栓(粗制)(GB11-76)见图22~23、表45。
沉头方颈螺栓(粗制)(GB10-76)、沉头带楔螺栓(粗制)(GB11-76)规格(毫米)表45①只有带楔螺栓。
地脚螺栓规格为M6~M48、C级的地脚螺栓地脚螺栓规格尺寸(附图)地脚螺栓螺纹规格表图表2标记方法按GB1237规定标记示例:螺纹规格d=M20,公称长度L=400mm,性能等级为3.6级,不经表观处理的地脚螺栓的标记:螺栓GB799 M20×400地脚螺栓埋设的好坏,直接影响设备安装的质量。
有些设备对标高、位置的准确性要求很严,特别是自动化程度高的联动设备,要求更严。
因此,在地脚螺栓埋设之后和设备安装之前,必须对其进行检查和矫正。
当发生偏差时,应根据设备的实际情况进行处理,采用不同的处理方法,一般常见的处理方法有如下几种方法:(一)地脚螺栓中心偏差的处理地脚螺栓直径在30mm以下,中心线偏移30mm以内时,可先用氧乙炔将螺栓烤红,再用大锤将螺栓敲弯(或用千斤顶顶弯),矫正后要用钢板焊牢加固,防止拧紧螺栓时复原。
如果螺栓间距不对,则可将用氧乙炔火焰烤红之后用大锤敲弯,在中间焊上钢板加固,在以后的灌浆时把它灌死。
对于大螺栓(直径在30mm以上)发生较大偏移时,应先将螺栓切断,用一块钢板焊在螺栓中间,如螺栓强度不够,可在螺栓两侧焊上两块加固钢板,其长度不得小于螺栓直径3~4倍。
(二)地脚螺栓标高偏差的处理1.螺栓过高时,须将高出部分割去再套螺纹。
在套螺纹时,要防止油类物质滴到混凝土基础上腐蚀和影响基础的质量。
2.螺栓偏低且偏差数值不大时(在15mm以内),可用氧乙炔把螺栓烤红,然后把它拉长。
拉长的方法是用两叠垫板作支座,再在其上边架一块中间有孔的钢板套在地脚螺栓上,上面用螺母拧紧,借助拧紧螺母的力量而将螺栓烤红处拉长。
螺栓直径拉细处必须加焊2~3块钢板加固。
如设备已放在基础上搬动不便,在机座凸缘强度足够的情况下,就可以直接在底座上拧紧螺母,把螺栓拉长。
当拧到适当长度后,必须将螺母松开,以免螺栓冷却后拉力过大,甚至压裂底座凸缘。
如螺栓过低(低于其要求高度15mm),不能用加热法拉长时,可在螺栓周边挖一深坑,在距坑底约100mm处将螺栓切断,另焊一新制作的螺栓,标高要符合要求,然后再用圆钢加固。
42地脚螺栓标准尺寸:
42地脚螺栓标准尺寸,根据国家标准GB/T 799-1988,是一种长为42毫米,直径为16毫米的螺栓。
这种螺栓通常用于固定机械设备在混凝土基础上,为设备提供稳定的地脚支撑。
这种螺栓的优点在于其标准化的尺寸和形状,使得在设计和制造过程中可以方便地使用。
此外,其长度的设计可以使其更容易被拧紧和安装,从而确保设备的稳定性和安全性。
在选择使用42地脚螺栓时,需要根据设备的要求和基础条件进行选择。
例如,需要考虑设备的重量、负载分布、振动情况等因素,以及基础的强度和稳定性等条件。
在使用42地脚螺栓时,还需要注意以下几点:
1. 确保基础的强度和稳定性,以避免因基础不牢固而引起的设备晃动和倾斜等问题。
2. 在安装前,需要对螺栓进行清洁和润滑,以确保安装顺利并减少对螺栓的磨损。
3. 在拧紧螺栓时,需要使用合适的工具和力矩,以确保螺栓的紧固程度和防止过度拧紧导致螺栓损坏。
4. 在使用过程中,需要定期检查螺栓的紧固程度和磨损情况,并及时进行维护和更换。
总之,42地脚螺栓是一种常用的机械紧固件,具有标准化的尺寸和形状,适用于各种机械设备的基础固定。
在使用过程中需要注意选择合适的螺栓、正确的安装方法以及定期的检查和维护。
地脚螺栓型号及尺寸规格表
地脚螺栓是一种基础建设的重要构件,它的型号及尺寸规格在工程施工中起着重要的作用。
1、圆锥形脚手架螺栓(SCA)
- M12*160;
- M12*180;
- M12*200;
- M14*200;
- M14*230;
- M16*220;
- M16*250。
2、圆锥形平顶手爪螺栓
- M12*160;
- M12*180;
- M12*200;
- M14*200;
- M14*230;
- M16*220;
- M16*250。
3、圆柱形脚手架螺栓(CCA) - M12*160;
- M12*180;
- M12*200;
- M14*200;
- M14*230;
- M16*220;
- M16*250。
4、鱼尾形脚手架螺栓(FSA) - M12*160;
- M12*180;
- M12*200;
- M14*200;
- M14*230;
- M16*220;
- M16*250。
5、圆锥形外板手爪螺栓
- M12*160;
- M12*180;
- M12*200;
- M14*200;
- M14*230;
- M16*220;
- M16*250。
6、紧固件套筒螺栓
- M12*160;
- M12*180;
- M12*200;
- M14*200;
- M14*230;
- M16*220;
- M16*250。
7、压力桩螺栓
- M12*160;
- M12*180;
- M12*200;
- M14*200;
- M14*230;
- M16*220;
- M16*250。
以上是关于常见地脚螺栓型号及尺寸规格表,圆锥形脚手架螺栓(SCA)、圆锥形平顶手爪螺栓、圆柱形脚手架螺栓(CCA)、鱼尾形脚手架螺栓(FSA)、圆锥形外板手爪螺栓、紧固件套筒螺栓和压力桩螺栓的型号及
尺寸规格在M12*160到M16*250范围内有七个。
基础建设中,地脚螺栓是重要组成部分,主要用来固定地脚手架、墙架、窗架等,可以有效防止结构材料安装中的因移动而变形,以确保结构牢固、安全、可靠。
在规范施工中,必须根据不同需求,正确选择各种型号地脚螺栓,以确保其尺寸精度,以确保施工质量。