练习——钢筋下料长度计算
- 格式:doc
- 大小:114.00 KB
- 文档页数:13
1、计算多跨楼层框架梁KL1的钢筋量,如图所示。
柱的截面尺寸为700×700,轴线与柱中线重合
计算条件见表1和表2
表1
表2
钢筋单根长度值按实际计算值取定,总长值保留两位小数,总重量值保留三位小数。
2、已知某教学楼钢筋混凝土框架梁KL1的截面尺寸与配筋见图1,共计5根。
混凝土强度等级为C25。
求各种钢筋下料长度。
图1 钢筋混凝土框架梁KLl平法施工图
3、某6m长钢筋混凝土简支梁(见下图),试计算各型号钢筋下料长度。
4、某抗震框架梁跨中截面尺寸b×h=250mm×500mm,梁内配筋箍筋φ6@150,纵向钢筋的保护层厚度c=25mm,求一根箍筋的下料长度。
5、某框架建筑结构,抗震等级为4级,共有10根框架梁,其配筋如图5.23所示,混凝土等级为C30,钢筋锚固长度LαE为30d。
柱截面尺寸为500mm x 500mm。
试计算该梁钢筋下料长度并编制配料单(参见混凝土结构平面整体表示方法03G10l-l构造详图)。
6、试编制下图所示5根梁的钢筋配料单。
各种钢筋的线重量如下:10(0.617kg/m);12(0.888kg/m);25(3.853kg/m)。
7、某建筑物第一层楼共有5根L1梁,梁的钢筋如图所示,要求按图计算各钢筋下料长度并编制钢筋配料单。
【本文档内容可以自由复制内容或自由编辑修改内容期待
你的好评和关注,我们将会做得更好】。
钢筋下料,长度计算方法柱钢筋1.柱纵筋单根长度=柱基础内插筋+柱净高+锚固长度+搭接长度*搭接个数搭接长度(Lle):如为机械连接或焊接连接时,搭接长度为0a.柱基础内插筋长度=基础高-基础保护层+弯折长度搭接长度(Lle):如果考试时候题中说明为不考虑,不用计算弯折长度:当基础高>LaE时,弯折长度为max(6d,150)当基础高≤LaE时,弯折长度为15db.柱净高长度:基础顶面——顶层梁地面之间的垂直高度c.顶层锚固长度:①中柱锚固长度=梁高-保护层+12d②边、角柱锚固长度:⑴内侧钢筋锚固长度同中柱⑵外侧钢筋锚固长度:1.5LaE(考试用)2.柱箍筋:单根长度=(b-2c+h-2c)*2+2* max(10d,75)b.柱宽;h.柱高;c.柱保护层根数=(加密区长度/加密区间距+1)+(非加密区长度/非加密区间距-1)加密区长度:①嵌固部分以上长度为:hn/3(hn本层柱净高)②非嵌固部分以上长度为:max(hc,hn/6,500)(考试用)③柱梁节点加密区长度为:梁高+max(hc,hn/6,500)(考试用)④当有刚性地面时,除柱端钢筋加密区外尚应在刚性地面上、下各500mm的高度范围内加密箍筋。
梁钢筋1.梁上部纵筋长度=总净跨长+左锚固+右锚固+搭接长度*搭接个数搭接长度:如为机械连接或焊接连接时,搭接长度为0左(右)锚固长度:当hc-保护层<LaE时,弯锚,锚固长度=支座宽-保护层+15d当hc-保护层≥LaE时,直锚,锚固长度= max(LaE,0.5hc+5d)保护层:是柱保护层2.下部通长筋长度=净跨长+左锚固+右锚固+搭接长度*搭接个数左(右)锚固长度:同梁上部钢筋(下部钢筋在中支座中的锚固能直锚的时候直锚) 3.上部端支座负筋:第一排=1/3净跨长+左(右)锚固长度第二排=1/4净跨长+左(右)锚固长度左(右)锚固长度:同梁上部钢筋4.上部中间支座负筋:第一排=1/3净跨长*2(净跨长取相邻两跨最大值)+支座宽第二排=1/4净跨长+*2(净跨长取相邻两跨最大值)+支座宽5.架立筋单长=净跨长-净跨长/3*2+150*26.箍筋单长(2肢箍)=(长-2保+宽-2保)*2+2* max(10d,75)根数加密区根数=[(加密区长度-50)/加密区间距+1]*2非加密区根数=(净跨长-2*加密区长度)/非加密区间距-1加密区长度:一级抗震:max(2Hb,500)二级——四级抗震:max(1.5Hb,500)7.侧面纵向钢筋(腰筋)构造筋长度(G打头的钢筋)=净跨长+2*15d抗扭筋长度(N打头的钢筋)=净跨长+2*锚固长度锚固长度同框架梁下部钢筋8.拉筋:当梁宽≤350时,拉筋直径为¢6(计算工程量时用¢6.5来计算)当梁宽>350时,拉筋直径为¢8拉筋单长=梁宽-2*保+2* max(10d,75)拉筋根数=[(净跨长-50*2)/(非加密区间距*2)+1]*(腰筋根数/2)9.附加吊筋:吊筋单根长度=次梁宽+2*50+2*(梁高-2保)/sin45°(sin60°)+2*20d当主梁高≤800时,吊筋角度为45度;当主梁高>800时,吊筋角度为60度.备注:主次梁相交处,注意附件的箍筋10.屋面框架梁屋面梁上部通长筋=总净跨长+左锚固+右锚固+搭接长度*搭接个数搭接长度:如为机械连接或焊接连接时,搭接长度为0左(右)锚固长度=支座宽-保护层+梁高-保护层(保:为柱的保护层)板钢筋1.板底受力筋单根长度=净跨长+左伸长度+右伸长度+弯钩长度*2板面受力筋单根长度=净跨长+锚固长度*2板底受力筋根数=板面受力筋根数=分布范围/板筋间距+1伸出长度:端支座为梁、圈梁、剪力墙时,伸出长度= max(1/2支座宽,5d)端支座为砌体墙时,伸出长度=max(1/2墙厚,120,板厚)180°弯钩长度=6.25d(当钢筋为一级钢时,末端需加180°弯钩)锚固长度:支座宽-保护层≥la时,直锚,直锚长度=la支座宽-保护层<la时,弯锚,弯锚长度=支座宽-保护层+15d分布范围=净跨长-1/2板筋间距*22.端支座板负筋长度=锚入长度+板内净尺寸+弯折长度中间支座板负筋长度=左标注长度+右标注长度+弯折长度*2(注意标注的长度是否含支座宽)负筋根数=布筋范围/板负筋间距+1锚入长度:支座宽-保护层≥la时,直锚,直锚长度=la支座宽-保护层<la时,弯锚,弯锚长度=支座宽-保护层+15d弯折长度:板厚-保护层*2(保护层为板的保护层)布筋范围:净跨长-1/2板筋间距*23.分布筋单根长度=净跨(轴线)长度-负筋标注长度*2+搭接长度*2搭接长度:分布筋与负筋的搭接长度为150mm端支座分布筋根数=(负筋板内净长-1/2板分布筋间距)/分布筋间距+1中间支座分布筋根数=(左侧板内净长-1/2板分布筋间距)/分布筋间距+1+(右侧板内净长-1/2板分布筋间距)/分布筋间距+1独立基础钢筋1.独立基础底板长度<2500时X方向底板钢筋单根长度=X方向的基础边长-2*保护层X方向底板钢筋根数=(Y方向的基础边长—min(75,S/2)*2)/S+1S为X方向独立基础钢筋的分布间距Y方向底板钢筋单根长度=Y方向的基础边长-2*保护层Y方向底板钢筋根数=(X方向的基础边长—min(75,S/2)*2)/S+1S为X方向独立基础钢筋的分布间距2.独立基础底板长度≥2500时X方向底板钢筋单根长度:①外侧钢筋单根长度=X方向的基础边长-2*保护层外侧钢筋根数:2根②其余钢筋单根长度= X方向的基础边长-保护层**.1* X方向的基础边长其余钢筋根数=(Y方向的基础边长—min(75,S/2)*2)/S-1Y方向底板钢筋单根长度:①外侧钢筋单根长度=Y方向的基础边长-2*保护层外侧钢筋根数:2根②其余钢筋单根长度= Y方向的基础边长-保护层**.1* Y方向的基础边长其余钢筋根数=(X方向的基础边长—min(75,S/2)*2)/S-1。
钢筋下料长度计算例题钢筋下料长度应根据构件尺寸、混凝土保护层厚度,钢筋几何形状和钢筋弯钩增加长度等条件进行计算。
1、提到钢筋下料计算,一般都会涉及“量度差值”或“弯曲调整值”这两个概念。
一般特殊角度的“量度差值”或“弯曲调整值”或教科书上都有,但是非特殊角度,譬如70°、80°的“量度差值”或“弯曲调整值”在现成的文献内查不到。
2、各相关文献上的“弯曲调整值”或“量度差值”取弯曲直径=2.5d演绎得到的。
现如今的纵向钢筋弯曲成型的弯曲直径也不仅仅限于2.5d,已经有12d,16d等各种不同弯曲直径的要求,现有文献上很少考虑这种变化了的要求。
3、钢筋在弯曲成型时,外侧表面纤维受拉伸长,内侧表面纤维受压缩短,钢筋中心线的长度保持不变。
4、电脑的应用和AutoCAD业已在业界普及,专业计算器的编程计算功能也日益强大。
鉴于上述几点因素,我们认为依据工程施工图设计文件,用AutoCAD或徒手绘制一些简单的计算辅助图形,直接进行基于中心线长度的钢筋下料长度计算,可以有效指导钢筋下料。
180°弯钩增加6.25d的推导现行规范规定,Ⅰ级钢的弯心直径是2.5d钢筋中心线半圆的半径就是2.5d/2+d/2=1.75半圆周长为1.75dπ=5.498d取5.5d 平直段为3d所以180度弯钩增加的展开长度8.5d-2.25d=6.25d90°直弯钩增加11.21d的推导(d≤25mm,弯心曲直径≥12d)现行规范规定,抗震框架纵向钢筋锚固需要≥0.4laE+15d,同时规定,当纵向钢筋直径≤25mm时,弯心内半经≥6d;当纵向钢筋直径>25mm时,弯心内半经≥8d,首先我们推导纵向钢筋直径≤25mm时需要的展开长度。
弯心半径6d,弯心直径是12d,钢筋中心线1/4圆的直径是13d, 90°圆心角对应的圆周长度=13dπ×90°/360°=10.21d。
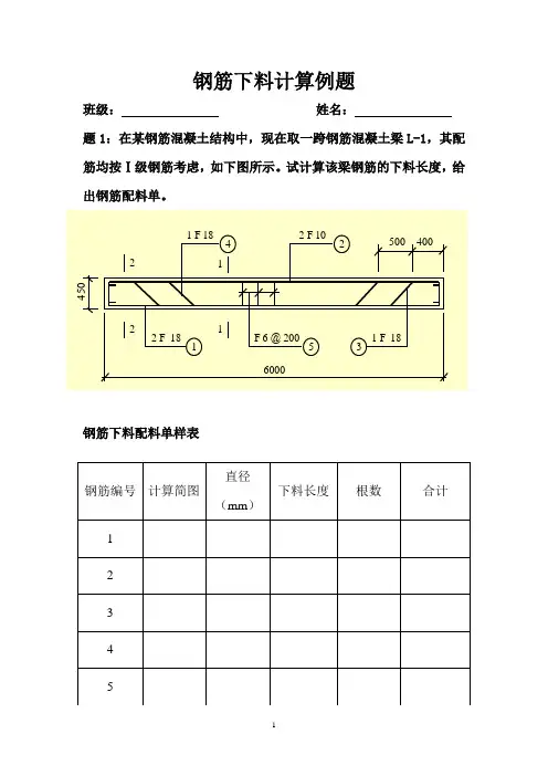
某建筑物简支梁配筋如图所示,试计算钢筋下料长度。
钢筋保护层取25mm。
(梁编号为L1共10根)解:计算钢筋的下料长度时,一般应按设计图的配筋图样累计钢筋的外形尺寸,减去钢筋因弯曲后引起的量度差值,再加上钢筋端部的弯钩长度,最后得出下料长度。
①号钢筋:外形尺寸:6240+2×200—2×25=6590mm弯折量度差值:2×2×25=100mm端钩增长值:2×6.25×25=312.5mm所以下料长度为:6590-100+312.5=6802.5mm②号钢筋:外形尺寸:6240mm弯折量度差值:2×25=50mm端钩增长值:2×6.25×12=150mm所以下料长度为:6240-50+150=6340mm③号钢筋:【(240+50+500-25)+(500-2×25×1.414】×2+【6240-(240+50+500+500-2外形尺寸:×25)×2】=6562.6mm弯折量度差值:4×0.5×25=50mm端钩增长值:2×6.25×25=312.5mm所以下料长度为:6562.6-50+312.5=6825.1mm④号钢筋与③号钢筋只是弯的位置不一样,长度是一样的,故下料长度也为:6825.1mm⑤号钢筋:外形尺寸:【(200-2×25+2×6)+(500-2×25+2×6)】×2=1248mm弯折量度差值:3×2d=3×2×6=36mm端钩增长值:(4+4+5)d=13d=13×6=78mm所以下料长度为:1248-36+78=1290mm。
钢筋下料长度计算钢筋因弯曲或弯钩会使其长度变化,在配料中不能直接根据图纸中尺寸下料;必须了解对混凝土保护层、钢筋弯曲、弯钩等规定,再根据图中尺寸计算其下料长度。
各种钢筋下料长度计算如下:直钢筋下料长度=构件长度-保护层厚度+弯钩增加长度弯起钢筋下料长度=直段长度+斜段长度-弯曲调整值+弯钩增加长度箍筋下料长度=箍筋周长+箍筋调整值上述钢筋需要搭接的话,还应增加钢筋搭接长度。
1.弯曲调整值钢筋弯曲后的特点:一是在弯曲处内皮收缩、外皮延伸、轴线长度不变;二是在弯曲处形成圆弧。
钢筋的量度方法是沿直线量外包尺寸(图9-46);因此,弯起钢筋的量度尺寸大于下料尺寸,两者之间的差值称为弯曲调整值。
弯曲调整值,根据理论推算并结合实践经验,列于表9-23。
图9-46 钢筋弯曲时的量度方法钢筋弯曲调整值表9-23钢筋弯曲角度30°45°60°90°135°钢筋弯曲调整值0.35d 0.5d 0.85d 2d 2.5d注:d为钢筋直径。
2.弯钩增加长度钢筋的弯钩形式有三种:半圆弯钩、直弯钩及斜弯钩(图9-47)。
半圆弯钩是最常用的一种弯钩。
直弯钩只用在柱钢筋的下部、箍筋和附加钢筋中。
斜弯钩只用在直径较小的钢筋中。
图9-47 钢筋弯钩计算简图(a)半圆弯钩;(b)直弯钩;(c)斜弯钩光圆钢筋的弯钩增加长度,按图9-47所示的简图(弯心直径为2.5d、平直部分为3d)计算:对半圆弯钩为6.25d,对直弯钩为3.5d,对斜弯钩为4.9d。
在生产实践中,由于实际弯心直径与理论弯心直径有时不一致,钢筋粗细和机具条件不同等而影响平直部分的长短(手工弯钩时平直部分可适当加长,机械弯钩时可适当缩短),因此在实际配料计算时,对弯钩增加长度常根据具体条件,采用经验数据,见表9-24。
半圆弯钩增加长度参考表(用机械弯)表9-24钢筋直径(mm)≤6 8~10 12~18 20~28 32~36一个弯钩长度(mm)40 6d 5.5d 5d 4.5d3.弯起钢筋斜长弯起钢筋斜长计算简图,见图9-48。
1、计算多跨楼层框架梁KL1的钢筋量,如图所示。
柱的截面尺寸为700×700,轴线与柱中线重合
计算条件见表1和表2
表1
表2
钢筋单根长度值按实际计算值取定,总长值保留两位小数,总重量值保留三位小数。
2、已知某教学楼钢筋混凝土框架梁KL1的截面尺寸与配筋见图1,共计5根。
混凝土强度等级为C25。
求各种钢筋下料长度。
图1 钢筋混凝土框架梁KLl平法施工图
3、某6m长钢筋混凝土简支梁(见下图),试计算各型号钢筋下料长度。
4、某抗震框架梁跨中截面尺寸b×h=250mm×500mm,梁内配筋箍筋φ6@150,纵向钢筋的保护层厚度c=25mm,求一根箍筋的下料长度。
5、某框架建筑结构,抗震等级为4级,共有10根框架梁,其配筋如图5.23所示,混凝土等级为C30,钢筋锚固长度LαE为30d。
柱截面尺寸为500mm x 500mm。
试计算该梁钢筋下料长度并编制配料单(参见混凝土结构平面整体表示方法03G10l-l构造详图)。
6、试编制下图所示5根梁的钢筋配料单。
25(3.853kg/m)。
7、某建筑物第一层楼共有5根L1梁,梁的钢筋如图所示,要求按图计算各钢筋下料长度并编制钢筋配料单。
Welcome To Download !!!
欢迎您的下载,资料仅供参考!。
钢筋下料长度计算
1、直钢筋下料长度=构件长度+锚固长度(搭接长度)+弯钩增加长度—保护层厚度—弯曲调整长度
2、弯起钢筋下料长度=直段长度+斜段长度—弯曲调整长度+弯钩增加长度
3、箍筋下料长度=箍筋周长+弯曲调整长度+弯钩增加长度
钢筋弯曲调整值
4、钢筋弯钩增加长度:半圆弯钩增加长度6.25d,直弯钩3.5d,斜弯钩4.9d。
5、HPB300级钢筋末端应作180°弯钩,其弯弧内径不小于钢筋直径的2.5倍,弯钩的弯后平直部分长度不应小于钢筋的3倍;HRB335、HRB400级弯弧内径不小于钢筋直径的4倍,弯钩平直长度符合设计要求;钢筋作不大于90°弯折时,弯折处的弯弧内径不小于钢筋直径的5倍。
箍筋末端作135°弯钩,弯钩平直部分长度不小于10d和75mm中的最大值。
对于主次梁及井字梁交叉处,要采用变数箍筋。
下料时,严格按照实际情况翻样,次梁箍筋高度要扣掉主梁钢筋直径,并逐渐加大到次梁实际的箍筋尺寸。
1、计算多跨楼层框架梁KL1的钢筋量,如图所示。
柱的截面尺寸为700×700,轴线与柱中线重合
计算条件见表1和表2
表1
表2
钢筋单根长度值按实际计算值取定,总长值保留两位小数,总重量值
保留三位小数。
2、已知某教学楼钢筋混凝土框架梁KL1的截面尺寸与配筋见图1,共计5根.混凝土强度等级为C25。
求各种钢筋下料长度.
图1 钢筋混凝土框架梁KLl平法施工图
3、某6m长钢筋混凝土简支梁(见下图),试计算各型号钢筋下料长度。
4、某抗震框架梁跨中截面尺寸b×h=250mm×500mm,梁内配筋箍筋φ6@150,纵向钢筋的保护层厚度c=25mm,求一根箍筋的下料长度。
5、某框架建筑结构,抗震等级为4级,共有10根框架梁,其配筋如图5.23所示,混凝土等级为C30,钢筋锚固长度LαE为30d.柱截面尺寸为500mm x 500mm。
试计算该梁钢筋下料长度并编制配料单(参见混凝土结构平面整体表示方法03G10l—l构造详图).
6、试编制下图所示5根梁的钢筋配料单。
各种钢筋的线重量如下:10(0.617kg/m);12(0.888kg/m);25(3。
853kg/m).
7、某建筑物第一层楼共有5根L1梁,梁的钢筋如图所示,要求按图计算各钢筋下料长度并编制钢筋配料单。
【例题】某建筑物第一层楼共有L1简支梁10根,其配筋图如下,(1)计算L1梁中各钢筋的下料长度(钢筋保护层取25mm);(2)编制“钢筋配料单”。
1.计算钢筋下料长度①号钢筋下料长度(6240-2×25+2×200)-2×2×25+2×6.25×25= 6802(mm)②号钢筋下料长度6240-2×25+2×6.25×12= 6340(mm)③号弯起钢筋下料长度上直段钢筋长度240+50+500-25= 765(mm)斜段钢筋长度(500-2×25)×1.414= 636(mm)中间直段长度6240-2×(240+50+500+450)= 3760(mm)下料长度(765+636)×2+3760-4×0.5×25+2×6.25×25= 6824(mm)④号钢筋下料长度计算为6824mm 。
⑤号箍筋下料长度宽度200-2×25+2×6= 162(mm) 高度500-2×25+2×6= 462(mm)下料长度为(162+462)×2+11×6-3×2×6= 1278(mm) 箍筋数量的计算:n =+1=32(个)2、钢筋配料单 (要求:绘出各钢筋的简图及外包尺寸)构件名称钢筋编号简 图 钢号直径 (mm)下料 长度 (mm) 单根 根数合计 根数质量 (kg )L1梁 共10根①Φ 25 68022 20 523.75②Φ 12 6340 2 20 112.60③Φ 25 6824 1 10 262.72④Φ 25 6824 1 10 262.72⑤Φ 6 1278 32 320 91.78合计 Φ 6:91.78㎏; Φ12:112.60㎏; Φ 25:1049.19㎏。
例题:某混凝土框架结构,抗震等级为2级,设防烈度为8度。
框架柱如下图。
框架梁截面300*600,主筋直径25mm保护层厚度25mm梁居柱中心,轴线居梁中心;框架柱混凝土强度等级C30,纵向受力钢筋等级HRB400 箍筋等级HPB300,保护层厚度25mm现浇板厚110mm 基础底板钢筋直径16mm双向布置,保护层厚度40mm柱主筋采用直螺纹链接;箍筋采用闪光对焊封闭箍筋, 箍筋90°弯心直径4d。
计算角柱KZ1的下料长度。
抗震锚固长度laE -1.1 1.15 40 20 =1012 mm 基础高度hj =4200 -3200 =1000 mmh j 1aE柱侧保护层厚度>5mn,选择基础插筋构造二。
基础插筋(1)=基础高度-底板保护层厚度-基础底板钢筋直径*2-90 °弯钩量度差值+15d+ (负1层净咼)/3h=1000 -40 -16 2 -2.29 20 15 20 26003= 2049 mm(备注:90°弯钩弯心直径5d)基础插筋(2)=基础高度-底板保护层厚度-基础底板钢筋直径*2-90 °弯钩量度差值+15d+35d+ (负1 层净高)/3(2 )负1层钢筋负1层钢筋 1 =负1层层高-(负1层净高)/3+1层非搭接区长度非搭接区长度=max{1层净高/6 ; h c;500}3)16① 20(1 )基础插筋=1000 -40 -16 2 -2.29 20 15 20 35 20 二2749mml3 = 3200 -2600/3 3900/6 =2983 mm(3) 其他非顶层钢筋6^ =本层层高-本层非搭接区长度+上1层非搭接区长度4)16①2014二4500 - 3900 / 6 500 = 4350 mm(4 )顶层钢筋(柱外侧钢筋配筋率不大于 1.2%) p59页节点QB , p60页节点@⑤二本层净高-本层搭接区长+1.51 ab◎ 4 ① 201^2600 -500 1.5 40 20 = 3300 mm◎=本层层高-本层搭接区长度-梁保护层厚度-梁上部主筋直径+12d-90 °弯钩量度差值 (弯心直径6d)⑥4①201^3200 -500 12 20 -25 -25 -2.51 20 = 2840 mm⑦二本层净高-本层搭接区长-35d+1.51 ab⑦5①20' = 2600 -500 1.5 40 20 -35 20 = 2600 mm◎=本层层高-本层搭接区长度-35d-梁保护层厚度-梁上部主筋直径+12d-90 °弯钩量度差值◎ 3 ① 20l^3200 -500 12 20 -25 -25 -2.51 20 -35 20 =2140 mm.、…(5)箍筋箍筋单根下料长度计算 箍筋根数计算③大箍筋的计算① 10@100/200,皮数=12+7+19+12+19+6+10+3=88 (皮)单根长 1^ 500500 2 -8 25 -1.16 10 =1788 mm辿小箍筋的计算① 10@100/200,皮数=12+7+19+12+19+6+10=85 (皮);根数 85*2=170 根箍筋内净高=500-25*2=450 ( mr)i箍筋内净宽=(500-25*2-20 ) /4*2+20=235 (mr )单根 110 (450 235) 2 -1.16 10 =1358 mm(-C.GQO-3.20C7 EDC-4-KZi作业:某混凝土框架结构,抗震等级为2级,设防烈度为8度。
钢筋下料长度的计算主要包括以下步骤:
1. 直线钢筋下料长度计算:构件长度 - 保护层厚度 + 弯钩增加长度。
2. 弯起钢筋下料长度计算:直段长度 + 斜段长度 - 量度差值(弯曲调整值)+ 弯钩增加长度。
其中,量度差值是钢筋的外包尺长度减去钢筋的中轴线的长度,在弯曲时,外侧会变长,而内侧会变短,但轴线尺寸不变。
3. 箍筋下料长度计算:箍筋周长 + 箍筋调整值(分抗震和非抗震,带弯钩和不带弯钩)。
箍筋的周长可以通过梁的周长减去8倍的保护层厚度得到。
总的来说,钢筋下料长度的计算是基于钢筋弯折后中心线长度不变的假设进行的。
因此,钢筋的下料长度就是指相应钢筋的中心线长。
钢筋下料长度计算钢筋因弯曲或弯钩会使其长度变化,在配料中不能直接根据图纸中尺寸下料;必须了解对混凝土保护层、钢筋弯曲、弯钩等规定,再根据图中尺寸计算其下料长度。
各种钢筋下料长度计算如下:直钢筋下料长度=构件长度-保护层厚度+弯钩增加长度弯起钢筋下料长度=直段长度+斜段长度-弯曲调整值+弯钩增加长度箍筋下料长度=箍筋周长+箍筋调整值上述钢筋需要搭接的话,还应增加钢筋搭接长度。
1.弯曲调整值钢筋弯曲后的特点:一是在弯曲处内皮收缩、外皮延伸、轴线长度不变;二是在弯曲处形成圆弧。
钢筋的量度方法是沿直线量外包尺寸(图9-46);因此,弯起钢筋的量度尺寸大于下料尺寸,两者之间的差值称为弯曲调整值。
弯曲调整值,根据理论推算并结合实践经验,列于表9-23。
图9-46 钢筋弯曲时的量度方法钢筋弯曲调整值表9-23钢筋弯曲角度 30° 45° 60° 90° 135°钢筋弯曲调整值 0.35d 0.5d 0.85d 2d 2.5d 注:d为钢筋直径。
2.弯钩增加长度钢筋的弯钩形式有三种:半圆弯钩、直弯钩及斜弯钩(图9-47)。
半圆弯钩是最常用的一种弯钩。
直弯钩只用在柱钢筋的下部、箍筋和附加钢筋中。
斜弯钩只用在直径较小的钢筋中。
图9-47 钢筋弯钩计算简图(a)半圆弯钩;(b)直弯钩;(c)斜弯钩光圆钢筋的弯钩增加长度,按图9-47所示的简图(弯心直径为2.5d、平直部分为3d)计算:对半圆弯钩为6.25d,对直弯钩为3.5d,对斜弯钩为4.9d。
在生产实践中,由于实际弯心直径与理论弯心直径有时不一致,钢筋粗细和机具条件不同等而影响平直部分的长短(手工弯钩时平直部分可适当加长,机械弯钩时可适当缩短),因此在实际配料计算时,对弯钩增加长度常根据具体条件,采用经验数据,见表9-24。
半圆弯钩增加长度参考表(用机械弯)表9-24钢筋直径(mm)≤6 8~10 12~18 20~28 32~36 一个弯钩长度(mm) 40 6d 5.5d 5d 4.5d 3.弯起钢筋斜长弯起钢筋斜长计算简图,见图9-48。
钢筋下料长度计算公式
下料长度计算公式主要取决于混凝土结构的尺寸、布置方式以及钢筋的叠放方式。
下面将介绍一些常见情况下的下料长度计算公式:
1.单筋直线段下料长度计算公式:
下料长度=直线段长度+弯钩长度+钢筋叠放长度-弯曲余量
直线段长度是指两个弯折点之间的距离,弯钩长度是根据钢筋直径和规范要求确定的,在一般情况下为6倍直径。
钢筋叠放长度是根据构造形式和规范要求确定的,通常为叠放钢筋长度的一半。
弯曲余量是为了方便施工留出的长度,通常为40倍钢筋直径。
2.多筋直线段下料长度计算公式:
下料长度=直线段长度+弯钩长度+钢筋叠放长度-弯曲余量
多筋直线段的计算方式与单筋直线段相同,只是直线段长度需要分别计算。
3.钢筋弯曲段下料长度计算公式:
下料长度=弯曲段长度+弯钩长度+钢筋叠放长度-弯曲余量
钢筋弯曲段长度是指钢筋在构造中弯曲的长度,一般通过施工图纸中的标示来确定。
4.钢筋搭接段下料长度计算公式:
下料长度=搭接段长度+弯钩长度+钢筋叠放长度-弯曲余量
钢筋搭接段长度是指钢筋在构造中的搭接长度,根据构造形式和规范要求来确定。
需要注意的是,以上公式只是一般情况下的计算方法,具体的计算应遵循相应的规范和施工图纸中的要求。
在实际工程中,还应考虑钢筋的浪费和延伸长度等因素,以确保钢筋的安装质量和施工进度的要求。
此外,还需要注意的是,钢筋下料长度计算是一个经验性的过程,需要结合实际情况进行合理估算。
在进行计算时,应充分考虑材料的损耗和施工的可操作性,并遵循相应的规范和标准,以保证结构的安全性和施工的质量。
钢筋下料长度计算钢筋下料长度=外包尺寸+端头弯钩长度-量度差箍筋下料长度=箍筋周长+箍筋调整值钢筋弯曲量度差值钢筋弯曲角度 3045 60 90135量度差值 d2d箍筋调正值箍筋直径4-5 6 810-12量外包尺寸40 5060 70量内包尺寸 80 100120 150-1701.钢筋配料单的编制(1)编制钢筋配料单之前必须熟悉图纸,把结构施工图中钢筋的品种、规格列成钢筋明细表,并读出钢筋设计尺寸。
(2)计算钢筋的下料长度。
(3)根据钢筋下料长度填写和编写钢筋配料单,汇总编制钢筋配料单。
在配料单中,要反映出工程名称,钢筋编号,钢筋简图和尺寸,钢筋直径、数量、下料长度、质量等。
(4)填写钢筋料牌根据钢筋配料单,将每一编号的钢筋制作一块料牌,作为钢筋加工的依据,见图5-24所示。
钢筋的下料长度计算一、直线钢筋下料长度=构件长度-保护层厚度+弯钩增加长度二、弯起钢筋下料长度=直段长度+斜段长度-量度差值(弯曲调整值)+弯钩增加长度。
注意:度量差值=钢筋的外包尺长度减去钢筋的中轴线的长度钢筋在弯曲时:外侧会变长,而内侧会变短,但轴线尺寸不变。
(所以最外侧的尺寸和中轴线的尺寸就会有一个差值,这个差值就是度量差值,或者叫做弯曲调整值)可能我的表达有点不清楚,懂了没要是不明白就给我信息咯。
钢筋弯曲角度:30°45°60°90°135°钢筋弯曲调整值:2d 若钢筋需要搭接时,还需加上钢筋的搭接长度。
弯钩分为:1。
半圆弯钩2。
直弯钩3。
斜弯钩弯钩弯曲度数:180°90°45°弯钩增加长度:(注意:要区分开弯曲和弯钩,不然你要晕的。
)弯曲:是不带弯钩的,只是钢筋变曲折而已,例如:弯曲45°90°弯钩:。
就是带弯钩啦。
(我怎么觉得这个解释有点怪呢哈哈哈。
)三、箍筋下料长度=箍筋周长+箍筋调整值(分抗震和非抗震,带弯钩和不带弯钩。
详见下表)箍筋的周长=(a-2c+2d)*2+(b-2c+2d)*2 (这个公式你也可以自己合并下下。
)合并后的公式为:(a+b-4c+4d)*2 也就是:梁的周长-8c+8d=箍筋的周长这个图能看懂吧嘻嘻嘻。
解释如下:(以梁为例)则其中:a为梁宽b为梁高c为保护层厚度d为箍筋的直径钢筋保护层厚度是指,受力主筋外边缘到混凝土表面距离。
箍筋调整值(抗震和非抗震的不同、外包尺寸减去轴线尺寸的差值就是箍筋调整值)是不是有点晕晕的啊。
哈哈哈哈。
好多名词解释咯。
只要不是一头雾水就好。
不过等你做完下面的例题,我保证你什么都会了咯。
^_^见上图:(计算时一定要注意单位哈。
单位是MM,但是在换算成重量的时候,单位要先换算成为M后,才能计算重量不然要错哦)○1 中的钢筋下料长度为:200*2+6190+2**25-2*2*25=6802MM 看这个晕不那我再说详细点咯:200*2+6190(这个是直线段的长度)*25(这个就是。
也就是那两个半圆弯钩的长度)2*2*25(这个是弯曲了两个90°角所产生的度量差值,弯曲一个90°度量差值是2d。
弯曲2个的话自然就2*2d,d=25mm ),度量差值是要减去的。
够详细了吧。
(这可是我吃饭的饭碗啊。
555555.。
被你偷学了咯。
)以此类推你算第二个吧。
相信你没问题咯。
○3中的钢筋下料长度为:2*+(765+636)*2+3760-4*=6824MM为什么减去4*呢。
我猜你也会这么问。
因为钢筋弯曲了4次,每次弯曲的角度是45°,而每弯曲一个45°的度量差值是。
所以4次就是4* 明白了吧。
嘻嘻嘻嘻。
也不是想的那么难哈。
(主要是老师教的好对吧。
哈哈哈哈哈哈。
自恋中。
)好啦。
你自己做第四个吧。
○5:。
这个就不要我讲了吧。
太简单咯。
你自己算哈!嘿嘿偷懒成功!最后给你举个算箍筋的例子吧:例:某抗震框架梁截面尺寸为b*h=250mm*500mm, 梁内箍筋配筋为A6@150,梁保护层厚度为25mm ,求一根箍筋的下料长度。
解:根据公式:D=2*(b-2c+2d)+2*(h-2c+2d)+调整值或者根据公式:D=2*(b+h)-8c+8d+调整值即:D=2*(250+500)-8*25+8*6+110=1458mm 式中110是调整值,查表即可(是抗震的哦)2.钢筋下料长度的计算原则及规定(1)钢筋长度结构施工图中所指钢筋长度是钢筋外缘之间的长度,即外包尺寸,这是施工中量度钢筋长度的基本依据。
(2)混凝土保护层厚度1)混凝土结构的耐久性,应根据表5-11的环境类别和设计使用年限进行设计。
混凝土保护层是指受力钢筋外缘至混凝土构件表面的距离,其作用是保护钢筋在混凝土结构中不受锈蚀。
无设计要求时应符合表1规定。
表1 混凝土结构的环境类别环境类别条件一室内正常环境二a室内潮湿环境;非严寒和非寒冷地区的露天环境、与无侵蚀性的水或土壤直接接触的环境b严寒和寒冷地区的露天环境、与无侵蚀性的水或土2)混凝土的保护层厚度,一般用水泥砂浆垫块或塑料卡垫在钢筋与模板之间来控制。
塑料卡的形状有塑料垫块和塑料环圈两种。
塑料垫块用于水平构件,塑料环圈用于垂直构件。
表2 纵向受力钢筋的混凝土保护层最小厚度(mm)注:基础中纵向受力钢筋的混凝土保护层厚度不应小于40mm;当无垫层时不应小于70mm。
(3)弯曲量度差值钢筋长度的度量方法系指外包尺寸,因此钢筋弯曲以后,存在一个量度差值,在计算下料长度时必须加以扣除。
根据理论推理和实践经验,列于表3。
表3 钢筋弯曲量度差值(4)钢筋弯钩增加值弯钩形式最常用的是半圆弯钩,即180°弯钩。
受力钢筋的弯钩和弯折应符合下列要求:1)HPB235钢筋末端应作180°弯钩,其弯弧内直径不应小于钢筋直径的倍,弯钩的弯后平直部分长度不应小于钢筋直径的3倍.2)当设计要求钢筋末端需作135°弯钩时,HRB335、HRB400钢筋的弯弧内直径不应小于钢筋直径的4倍,弯钩的弯后平直部分长度应符合设计要求。
3)钢筋作不大于90°的弯折时,弯折处的弯弧内直径不应小于钢筋直径的5倍。
除焊接封闭环式箍筋外,箍筋的末端应作弯钩,弯钩形式应符合设计要求,当无具体要求时,应符合下列要求:① 箍筋弯钩的弯弧内直径除应满足上述要求外,尚应不小于受力钢筋直径。
② 箍筋弯钩的弯折角度:对一般结构不应小于90°;对于有抗震等要求的结构应为135°。
③ 箍筋弯后平直部分长度:对一般结构不宜小于箍筋直径的5倍;对于有抗震要求的结构,不应小于箍筋直径的10倍。
(5)箍筋调整值为了箍筋计算方便,一般将箍筋弯钩增长值和量度差值两项合并成一项为箍筋调整值,见表4。
计算时,将箍筋外包尺寸或内皮尺寸加上箍筋调整值即为箍筋下料长度。
表4 箍筋调整值(6)钢筋下料长度计算直钢筋下料长度=直构件长度-保护层厚度+弯钩增加长度弯起钢筋下料长度=直段长度+斜段长度-弯折量度差值+弯钩增加长度箍筋下料长度=直段长度+弯钩增加长度-弯折量度差值或箍筋下料长度=箍筋周长+箍筋调整值3.钢筋下料计算注意事项(1)在设计图纸中,钢筋配置的细节问题没有注明时,一般按构造要求处理。
(2)配料计算时,要考虑钢筋的形状和尺寸,在满足设计要求的前提下,要有利于加工。
(3)配料时,还要考虑施工需要的附加钢筋。
三、钢筋配料4.钢筋配料计算实例【例】某建筑物简支梁配筋如图5-25所示,试计算钢筋下料长度。
钢筋保护层取25mm。
(梁编号为L1共10根)图5-25 某建筑物简支梁配筋图【解】1.绘出各种钢筋简图(见表5-15)。
表5-15 钢筋配料单构件名称钢筋编号简图钢号直径(mm)下料长度(mm)单根根数合计根数质量(㎏)L1梁(共10根)① 256802220② 126340220③ 256824110④ 256824110⑤ 6129832320合计6:㎏;12:㎏;25:㎏2.计算钢筋下料长度①号钢筋下料长度(6240+2×200-2×25)-2×2×25+2××25=6802(mm)②号钢筋下料长度6240-2×25+2××12=6340(mm)③号弯起钢筋下料长度上直段钢筋长度240+50+500-25=765(mm)斜段钢筋长度(500-2×25)×=636(mm)中间直段长度6240-2×(240+50+500+450)=3760(mm)下料长度(765+636)×2+3760-4××25+2××25=6824(mm)④号钢筋下料长度计算为6824mm。
⑤号箍筋下料长度宽度200-2×25+2×6=162(mm)高度500-2×25+2×6=462(mm)下料长度为(162+462)×2+50=1298(mm)。