工程图纸的基本规格
- 格式:doc
- 大小:970.50 KB
- 文档页数:12
工程制图基础作业指导书第1章工程制图基本知识 (3)1.1 图纸的规格与类型 (4)1.1.1 图纸规格 (4)1.1.2 图纸类型 (4)1.2 制图工具及其使用方法 (4)1.2.1 制图板 (4)1.2.2 丁字尺 (4)1.2.3 三角板 (4)1.2.4 圆规 (4)1.2.5 绘图笔和铅笔 (5)1.3 制图的基本规定 (5)1.3.1 图线 (5)1.3.2 字体 (5)1.3.3 标注 (5)1.3.4 比例 (5)1.3.5 投影 (5)第2章投影原理 (5)2.1 投影的概念与分类 (5)2.2 三视图的形成及其特性 (6)2.3 点、线、面的投影 (6)2.3.1 点的投影 (6)2.3.2 线的投影 (6)2.3.3 面的投影 (7)第3章基本几何体的绘制 (7)3.1 平面几何体的绘制 (7)3.1.1 矩形和正方形的绘制 (7)3.1.2 圆形的绘制 (7)3.1.3 三角形的绘制 (8)3.2 曲面几何体的绘制 (8)3.2.1 圆柱的绘制 (8)3.2.2 圆锥的绘制 (8)3.2.3 球体的绘制 (8)3.3 基本几何体的切割与相贯 (8)3.3.1 切割 (9)3.3.2 相贯 (9)第4章组合体的绘制 (9)4.1 组合体的概念与分类 (9)4.1.1 概念 (9)4.1.2 分类 (9)4.2 组合体的视图表达 (9)4.2.1 投影法 (9)4.2.3 视图绘制 (10)4.3 组合体的尺寸标注 (10)4.3.1 尺寸标注原则 (10)4.3.2 尺寸标注方法 (10)4.3.3 尺寸标注注意事项 (10)第5章轴测图与透视图 (11)5.1 轴测图的基本知识 (11)5.1.1 轴测图的概念 (11)5.1.2 轴测图的分类 (11)5.1.3 轴测图的特点 (11)5.2 正等轴测图的绘制 (11)5.2.1 绘制步骤 (11)5.2.2 绘制技巧 (11)5.3 斜二轴测图的绘制 (12)5.3.1 绘制步骤 (12)5.3.2 绘制技巧 (12)5.4 透视图的基本原理 (12)5.4.1 透视原理 (12)5.4.2 透视分类 (12)5.4.3 绘制透视图的方法 (12)5.4.4 透视图绘制技巧 (12)第6章剖面图与断面图 (13)6.1 剖面图的概念与种类 (13)6.2 剖面图的绘制方法 (13)6.3 断面图的绘制方法 (13)第7章零件图的绘制 (14)7.1 零件图的基本知识 (14)7.1.1 零件图的概念 (14)7.1.2 零件图的内容 (14)7.1.3 零件图的种类 (14)7.2 零件的视图表达 (14)7.2.1 视图的选择 (14)7.2.2 视图的绘制 (14)7.2.3 视图的标注 (14)7.3 零件的尺寸标注 (15)7.3.1 尺寸标注的基本原则 (15)7.3.2 尺寸标注的方法 (15)7.4 零件图的技术要求 (15)7.4.1 加工要求 (15)7.4.2 检验要求 (15)7.4.3 装配要求 (15)7.4.4 其他要求 (15)第8章装配图的绘制 (15)8.1.1 装配图的定义与作用 (15)8.1.2 装配图的组成 (16)8.2 装配图的视图表达 (16)8.2.1 装配图的视图选择 (16)8.2.2 装配图的剖视图与局部放大图 (16)8.3 装配图的尺寸标注与零件编号 (16)8.3.1 尺寸标注 (16)8.3.2 零件编号 (16)8.4 装配图的技术要求 (16)8.4.1 装配精度要求 (16)8.4.2 装配工艺要求 (16)8.4.3 检验方法 (16)第9章建筑施工图 (17)9.1 建筑施工图的基本知识 (17)9.2 建筑平面图的绘制 (17)9.3 建筑立面图的绘制 (17)9.4 建筑剖面图的绘制 (17)第10章电气工程图 (18)10.1 电气工程图的基本知识 (18)10.1.1 电气工程图的定义与分类 (18)10.1.2 电气工程图的基本表示方法 (18)10.1.3 电气工程图的符号及其意义 (18)10.2 电气元件的绘制 (18)10.2.1 电阻器的绘制方法 (18)10.2.2 电容器的绘制方法 (18)10.2.3 电感器的绘制方法 (18)10.2.4 二极管、晶体管等半导体器件的绘制方法 (18)10.2.5 电气开关、保护器件的绘制方法 (18)10.2.6 电动机、发电机等动力设备的绘制方法 (18)10.3 电气原理图的绘制 (18)10.3.1 电气原理图的基本要求 (18)10.3.2 电气原理图的绘制步骤 (18)10.3.3 常用电气原理图符号及其应用 (18)10.3.4 电气原理图的布局设计 (18)10.4 电气安装图的绘制 (18)10.4.1 电气安装图的基本内容 (18)10.4.2 电气安装图的绘制方法 (18)10.4.3 电气安装图的标注及说明 (18)10.4.4 电气安装图的审查与验收 (18)第1章工程制图基本知识1.1 图纸的规格与类型图纸是工程制图中表达设计思想和技术要求的重要载体。
制图标准规定图纸幅面和格式国家制图标准规定图纸幅面和格式(GB/T 14689-1993)有:A0、A1、A2、A3、A4等五种规格。
它们的尺寸分别是:841×1189;594×841;420×594;297×420;210×297。
这五种图纸也分别叫做:0号图纸、1号图纸、2号图纸、3号图纸、4号图纸。
绘制技术图样时,应优先采用这五种规定的基本幅面。
必要时允许加长幅面,也允许以基本幅面的短边的整数倍加长幅面。
CAD字体大小和标注要求2.3 字体在图样中书写汉字、字母、数字时,字体的高度(用h表示)的公称尺寸系列为:1.8mm,2.5mm,3.5mm,5mm,7ram,10mm,14mm,20mm (GB/T 14691―93),如需要书写更大的字,其字体高度应按的比率递增,字体的高度代表字体的号数。
图样上的汉字应写成长仿宋体字,并采用国家正式公布推行的简化字,汉字的高度h不应小于3.5mm,其字宽一般为h/~r2。
字母和数字A型和B型两种。
A型字体的笔画宽度为字高的1/14;B型字体的笔画宽度为字高的1/10,但在同一图样上,只允许选用一种型式的字体。
字母和数字可写成斜体和直体。
斜体字的字头向右倾斜,与水平基准线成75。
图样上一般采用斜体字。
GB/T 18229在“CAD工程图的字体高度与图纸幅面之间的关系”及“CAD 工程制图的字体选用范围”两项内容与现行标准不同。
GB/T 18229规定,不论图幅大小,图样中字母和数字一律采用3.5号字,汉字一律采用5号字。
GB/T 18229与GB/T 14665的对比见表4。
表4 GB/T 18229与GB/T 14665的对比GB/T 18229关于CAD工程制图中字体选用范围的规定(见表5)是新增加的。
现行技术制图和机械制图国家标准中均未有相应的内容。
表5 字体选用范围在AutoCAD 2000中,可通过Text Style(字型设置)对话框完成不同字体的设置。
工程图纸的基本规格工程图是工程设计的重要技术资料,是施工建造的依据。
为了使工程制图基本统一,国家计划委员会颁布了重新修定的国家标准《房屋建筑制图统一标准》GBJ1-86.,本章介绍标准中关于图纸幅面、图线、比例、字体、尺寸标注等基本规格。
一、图纸幅面绘制图样时,图纸的幅面和图框尺寸必须符合表1-l的规定。
必要时幅面长边可以加长,但非特殊需要,短边不得加长,长边加长后的尺寸见表1-2。
在特殊情况下,可采用841 x892、1189xl261的幅面。
图纸一般都用横式幅面(长边横向),图框格式如图1-1(a)所示,当A4竖式需要在左边装订时,其格式如图1-1(b)所示。
需要缩微摄影及重新放大复制的图纸,应在幅面的一个边上画上一段准确的米制尺度,其总长为1OOmm,分格为1mm ;图框的四个边上均应画上对中标志,它应画在图框线的中点处,其线宽应为0.35mm ,伸入图框内5mm,如图1-1 所示。
工程图纸应有工程名称、图名、图号以及设计人、绘图人、审核人的签名和日期等,把这些会签栏是为各工种负责人签字用的表格(见表1-4),放在图纸装订边的上端或右端,如图1-1 所示。
图纸标题栏及会签栏的格式与内容都有规定,有的单位也有根据需要自行确定的。
制图作业的图纸标题栏格式与内容另见有关的《作业指示书》。
制图作业不用会签栏。
二、字体工程图样上常用的文字有汉字、阿拉伯数字、拉丁字母,有时也用罗马数字、希腊字母。
书写时必须做到:字体端正、笔划清晰、排列整齐、间隔均匀。
字体大小的高度系列,统一规定为2.5,3.5,5,7,10,14,20mm。
字体的号数就是字体的高度。
图样中的汉字应写长仿宋体,应使用国家公布的简化字。
字宽即为小一号字的高度,例如5号字的字宽为3.5mm。
拉丁字母、阿拉伯数字可按需要写成斜体或直体。
斜体的倾斜度应是对底线逆时针转75°角。
图样上的汉字的字高应不小于3.5mm,阿拉伯数字和拉丁字母的高度应不小于2.5mm。
工程制图知识点工程制图是一门运用绘图方法和符号语言,将设计、工艺和技术信息以图形形式表达出来的技术手段。
通过工程制图,可以准确地传达设计意图,协调工程项目的各个专业,提高工程安全性和效率。
以下是一些常见的工程制图的知识点:一、图纸规格与折叠1. 图纸规格在工程制图中,一般会采用国际标准ISO或国家标准GB/T规定的图纸规格。
常见的图纸规格有A0、A1、A2、A3和A4等。
其中A0最大,A4最小。
在绘制图纸时,需要根据具体要求选择合适的图纸规格。
2. 图纸折叠为了方便携带和存储,大幅面图纸常常需要进行折叠。
一般采用Z字形或M字形折叠方式。
折叠时需要注意保持图纸的整洁,避免折痕和损坏。
二、常用绘图工具和辅助工具1. 绘图工具常用的绘图工具包括铅笔、直尺、三角板、曲线板、圆规、量角器、钢笔等。
绘图时需要根据具体需求选择合适的工具,并保持工具的清洁和良好状态。
2. 辅助工具辅助工具主要包括橡皮擦、修正液、剪刀、图钉、胶带等。
这些工具在绘图时起到辅助作用,同时也可以提高绘图的准确性和美观度。
三、投影方法与图形投影1. 投影方法在工程制图中,常用的投影方法有正投影和斜投影两种。
正投影是指物体在平行于投影面的方向上投影的方法,常用于平面图的绘制。
斜投影则是指物体从一个斜面上投影到平面上,常用于立体图的绘制。
2. 图形投影图形投影是指将三维物体投影到二维图纸上的过程。
根据投影方法的不同,图形投影可以分为平行投影和透视投影两种。
平行投影是指物体的投影线平行于投影面,透视投影则是指物体的投影线不平行于投影面。
绘图时需要根据实际情况选择合适的投影方法和图形投影。
四、常用的图形符号和标注1. 线型与标注在工程制图中,常用的线型有实线、虚线、点线等。
不同的线型用于表示不同的含义,例如实线表示实物,虚线表示隐藏线等。
此外,还需要标注尺寸和比例,以确保绘制的图纸具有准确的尺寸信息。
2. 图形符号不同行业和专业在工程制图中会使用各自特定的图形符号,例如电气符号、液压符号、管道符号等。
工程图纸的基本规格工程图是工程设计的重要技术资料,是施工建造的依据。
为了使工程制图基本统一,国家计划委员会颁布了重新修定的国家标准《房屋建筑制图统一标准》GBJ1-86.,本章介绍标准中关于图纸幅面、图线、比例、字体、尺寸标注等基本规格。
一、图纸幅面绘制图样时,图纸的幅面和图框尺寸必须符合表1-l的规定。
必要时幅面长边可以加长,但非特殊需要,短边不得加长,长边加长后的尺寸见表1-2。
在特殊情况下,可采用841 x892、1189xl261的幅面。
图纸一般都用横式幅面(长边横向),图框格式如图1-1(a)所示,当A4竖式需要在左边装订时,其格式如图1-1(b)所示。
需要缩微摄影及重新放大复制的图纸,应在幅面的一个边上画上一段准确的米制尺度,其总长为1OOmm,分格为1mm ;图框的四个边上均应画上对中标志,它应画在图框线的中点处,其线宽应为0.35mm ,伸入图框内5mm,如图1-1 所示。
工程图纸应有工程名称、图名、图号以及设计人、绘图人、审核人的签名和日期等,把这些会签栏是为各工种负责人签字用的表格(见表1-4),放在图纸装订边的上端或右端,如图1-1 所示。
图纸标题栏及会签栏的格式与内容都有规定,有的单位也有根据需要自行确定的。
制图作业的图纸标题栏格式与内容另见有关的《作业指示书》。
制图作业不用会签栏。
二、字体工程图样上常用的文字有汉字、阿拉伯数字、拉丁字母,有时也用罗马数字、希腊字母。
书写时必须做到:字体端正、笔划清晰、排列整齐、间隔均匀。
字体大小的高度系列,统一规定为2.5,3.5,5,7,10,14,20mm。
字体的号数就是字体的高度。
图样中的汉字应写长仿宋体,应使用国家公布的简化字。
字宽即为小一号字的高度,例如5号字的字宽为3.5mm。
拉丁字母、阿拉伯数字可按需要写成斜体或直体。
斜体的倾斜度应是对底线逆时针转75°角。
图样上的汉字的字高应不小于3.5mm,阿拉伯数字和拉丁字母的高度应不小于2.5mm。
工程图纸的基本规格工程图是工程设计的重要技术资料,是施工建造的依据。
为了使工程制图基本统一,国家计划委员会颁布了重新修定的国家标准《房屋建筑制图统一标准》GBJ1-86.,本章介绍标准中关于图纸幅面、图线、比例、字体、尺寸标注等基本规格。
一、图纸幅面绘制图样时,图纸的幅面和图框尺寸必须符合表1-l的规定。
必要时幅面长边可以加长,但非特殊需要,短边不得加长,长边加长后的尺寸见表1-2。
在特殊情况下,可采用841 x892、1189xl261的幅面。
图纸一般都用横式幅面(长边横向),图框格式如图1-1(a)所示,当A4竖式需要在左边装订时,其格式如图1-1(b)所示。
需要缩微摄影及重新放大复制的图纸,应在幅面的一个边上画上一段准确的米制尺度,其总长为1OOmm,分格为1mm ;图框的四个边上均应画上对中标志,它应画在图框线的中点处,其线宽应为0.35mm ,伸入图框内5mm,如图1-1 所示。
工程图纸应有工程名称、图名、图号以及设计人、绘图人、审核人的签名和日期等,把这些会签栏是为各工种负责人签字用的表格(见表1-4),放在图纸装订边的上端或右端,如图1-1 所示。
图纸标题栏及会签栏的格式与内容都有规定,有的单位也有根据需要自行确定的。
制图作业的图纸标题栏格式与内容另见有关的《作业指示书》。
制图作业不用会签栏。
二、字体工程图样上常用的文字有汉字、阿拉伯数字、拉丁字母,有时也用罗马数字、希腊字母。
书写时必须做到:字体端正、笔划清晰、排列整齐、间隔均匀。
字体大小的高度系列,统一规定为2.5,3.5,5,7,10,14,20mm。
字体的号数就是字体的高度。
图样中的汉字应写长仿宋体,应使用国家公布的简化字。
字宽即为小一号字的高度,例如5号字的字宽为3.5mm。
拉丁字母、阿拉伯数字可按需要写成斜体或直体。
斜体的倾斜度应是对底线逆时针转75°角。
图样上的汉字的字高应不小于3.5mm,阿拉伯数字和拉丁字母的高度应不小于2.5mm。
建筑工程制图规范建筑工程制图规范是指在建筑设计和施工中,规范化制作和使用专业图纸的一套准则和要求。
以下是一套基本的建筑工程制图规范:一、图纸的纸张规格和图幅封面标准1. 图纸纸张规格一般采用A系列纸张,如A0、A1、A2等。
图纸应采用白纸编制,清晰明亮,纸张应平整,无皱、波纹等缺陷。
2. 图框封面标准应包括项目名称、编制部门、图号、图名、图纸比例、日期、审核和签字等信息。
二、图纸比例1. 建筑平面图一般采用1:100至1:500的比例;立面图一般采用1:50至1:200的比例;剖面图一般采用1:100至1:200的比例。
2. 比例尺应标注在图纸上,并经常检查比例标注是否正确。
三、图例和符号1. 图例应一致、简洁明了,图例中的图符和文字应有一定的大小和粗细要求。
2. 符号应按照国家和地区的标准规定使用,如建筑行业标准、国家标准等。
3. 符号应绘制规范,线条清晰,不得有重影、断线、缺角等情况。
四、线条和字体1. 线条的粗细应适度,避免过粗或过细,保持线条的清晰度。
常用线条的线型应按照标准规定使用,如实线、虚线、点线等。
2. 字体应统一,大小适中,清晰易读。
字体一般采用宋体或等线字体,不得使用艺术字体。
五、图纸格式1. 建筑平面图的编制应按照建筑设计规范要求,包括项目的布局、功能分区、空间尺寸、建筑结构等信息。
2. 立面图应清晰明了,包括建筑物的外立面形象、建筑材料和窗户等装饰元素。
3. 剖面图应能准确表示建筑物的内部结构,包括墙体、柱子、楼梯、管道等。
六、图纸质量要求1. 图纸应经过审核和审查,确保图纸的准确性和合理性。
2. 图纸应规范的保存和归档,并按照施工进度和需要及时更新和补充。
3. 图纸应按照标准的图纸抄写要求进行制作,确保图纸的清晰度和可读性。
七、图纸的编号和归档1. 图纸应按照一定的编号规则进行编制,确保图纸的唯一性和顺序性。
2. 图纸应严格按照项目的建设顺序进行归档,方便查找和使用。
对于已完成的图纸,应按照规定进行归档保存。
工程图纸的基本规格工程图是工程设计的重要技术资料,是施工建造的依据。
为了使工程制图基本统一,国家计划委员会颁布了重新修定的国家标准《房屋建筑制图统一标准》GBJ1-86.,本章介绍标准中关于图纸幅面、图线、比例、字体、尺寸标注等基本规格。
一、图纸幅面绘制图样时,图纸的幅面和图框尺寸必须符合表1-l的规定。
必要时幅面长边可以加长,但非特殊需要,短边不得加长,长边加长后的尺寸见表1-2。
在特殊情况下,可采用841 x892、1189xl261的幅面。
图纸一般都用横式幅面(长边横向),图框格式如图1-1(a)所示,当A4竖式需要在左边装订时,其格式如图1-1(b)所示。
需要缩微摄影及重新放大复制的图纸,应在幅面的一个边上画上一段准确的米制尺度,其总长为1OOmm,分格为1mm ;图框的四个边上均应画上对中标志,它应画在图框线的中点处,其线宽应为0.35mm ,伸入图框内5mm,如图1-1 所示。
工程图纸应有工程名称、图名、图号以及设计人、绘图人、审核人的签名和日期等,把这些会签栏是为各工种负责人签字用的表格(见表1-4),放在图纸装订边的上端或右端,如图1-1 所示。
图纸标题栏及会签栏的格式与内容都有规定,有的单位也有根据需要自行确定的。
制图作业的图纸标题栏格式与内容另见有关的《作业指示书》。
制图作业不用会签栏。
二、字体工程图样上常用的文字有汉字、阿拉伯数字、拉丁字母,有时也用罗马数字、希腊字母。
书写时必须做到:字体端正、笔划清晰、排列整齐、间隔均匀。
字体大小的高度系列,统一规定为2.5,3.5,5,7,10,14,20mm。
字体的号数就是字体的高度。
图样中的汉字应写长仿宋体,应使用国家公布的简化字。
字宽即为小一号字的高度,例如5号字的字宽为3.5mm。
拉丁字母、阿拉伯数字可按需要写成斜体或直体。
斜体的倾斜度应是对底线逆时针转75°角。
图样上的汉字的字高应不小于3.5mm,阿拉伯数字和拉丁字母的高度应不小于2.5mm。
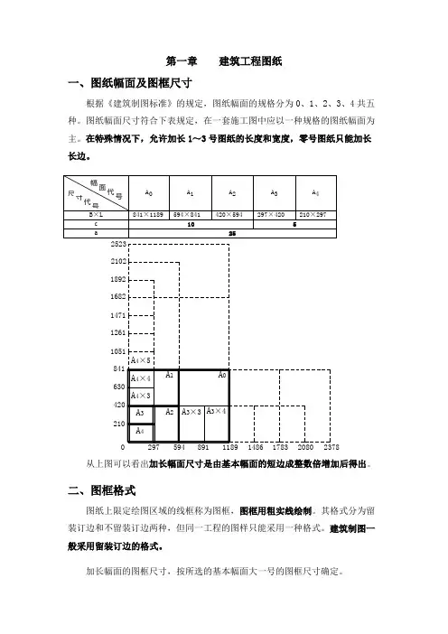
第一章 建筑工程图纸
一、图纸幅面及图框尺寸
根据《建筑制图标准》的规定,图纸幅面的规格分为0、1、2、3、4共五种。
图纸幅面尺寸符合下表规定,在一套施工图中应以一种规格的图纸幅面为主。
在特殊情况下,允许加长1~3号图纸的长度和宽度,零号图纸只能加长长边。
从上图可以看出加长幅面尺寸是由基本幅面的短边成整数倍增加后得出。
二、图框格式
图纸上限定绘图区域的线框称为图框,图框用粗实线绘制。
其格式分为留装订边和不留装订边两种,但同一工程的图样只能采用一种格式。
建筑制图一般采用留装订边的格式。
加长幅面的图框尺寸,按所选的基本幅面大一号的图框尺寸确定。
210420630841
图纸幅面分为横式和立式两种,其中以短边作为垂直边的称为横式(即X 型幅面),以短边作为水平边的称为立式(即Y型幅面)。
一般A0~A3图纸宜使用横式;必要时,也可使用立式。
其幅面装订格式见下图。
A0~A3横式幅面图
(注:标虚线的会签栏和角标用于道路工程制图)
A4立式幅面图
A0~A3立式幅面图
A4横式幅面图三、标题栏与会签栏
标题栏(mm)
会签栏(mm)
角标(mm)
四、图纸比例①建筑制图常用比例。
图纸尺寸对照在工程设计、建筑施工、机械制造等众多领域,图纸是至关重要的沟通工具。
而图纸尺寸的准确对照和理解,对于确保项目的顺利进行、产品的精准制造以及设计意图的准确传达,都具有不可忽视的重要性。
图纸尺寸通常以特定的标准和规格来表示,常见的有国际标准(ISO)和国家标准(GB)等。
不同的标准可能会在尺寸的标注方式、单位以及具体的数值上存在一定的差异。
但无论遵循哪种标准,其目的都是为了实现图纸的规范化和通用性,以便在全球范围内进行有效的交流和合作。
首先,我们来了解一下常见的图纸幅面尺寸。
国际标准规定的基本幅面有 A0、A1、A2、A3、A4 等。
A0 幅面尺寸最大,其面积约为 1平方米,尺寸为 841mm×1189mm。
A1 幅面是将 A0 幅面对折而成,尺寸为 594mm×841mm。
A2 幅面则是 A1 的对折,尺寸为420mm×594mm,以此类推,A3 幅面为 297mm×420mm,A4 幅面为210mm×297mm。
在实际应用中,根据项目的复杂程度和需要表达的内容多少,选择合适的图纸幅面至关重要。
一般来说,简单的小型零件或组件可能使用 A3 或 A4 图纸就能清晰表达;而对于大型的建筑结构、复杂的机械装配体等,则可能需要使用 A0 或 A1 这样较大的幅面,以确保能够在一张图纸上展示足够的信息,避免图纸数量过多造成的不便和混乱。
除了基本幅面,还有加长幅面。
加长幅面的尺寸是由基本幅面的短边成整数倍增加后得出。
例如,将 A0 幅面的短边(841mm)按 2 倍增加,就得到了 1189mm×1682mm 的加长幅面。
加长幅面的使用通常是在基本幅面无法满足绘图需求时才采用,但需要注意的是,加长幅面的使用应尽量遵循标准规范,以保持图纸的规范性和通用性。
在图纸上,尺寸的标注也有严格的规定。
尺寸线一般用细实线绘制,其两端应带有箭头,箭头的尖端应指向尺寸的起止点。
工程制图基本规则一、概述工程制图是指使用特定的符号和规范,将工程设计的内容制成图形形式,以便于理解和交流的过程。
在工程制图中,遵循一定的基本规则非常重要。
本文将介绍工程制图的基本规则,以确保制图的清晰、准确和规范。
二、图面规格在开始制图之前,必须确定图面的规格。
图面规格应根据制图需要确定,一般情况下为A0、A1、A2等标准尺寸。
在确定图面规格时,应注意留出足够的边距,以确保图纸内容清晰,并方便装订、存储和检索。
三、图幅和尺寸图幅是指图纸上实际图形的大小,尺寸是图框的大小。
在制图过程中,必须准确控制图幅和尺寸。
图幅应符合国家标准,如GB4457-2013《机械产品图样和零部件》和GB/T50741-2011《建筑工程图样》等。
图幅和尺寸的选择应考虑到图纸的内容和使用情况,如在绘制大型机械设备的总图时,应选用较大的图幅。
而绘制零部件和装配图时,则应根据需要选用不同大小的图幅。
同时,图幅和尺寸的选择也应考虑到生产和复制的方便,以节约成本。
四、图框图框是图纸的外边框,用于容纳图形和注释框,也是工程制图的重要组成部分。
图框应包括作图单位、图号、编制日期、制图人签名等必要信息。
在制作图框时,应保证其形状规则、尺寸准确,并保持整洁,以方便后续的排版和修改。
五、标注和符号在工程制图中,标注和符号是构成图形和表达设计意图的基本元素。
标注和符号应按照国家标准确定,如GB4457-2013《机械产品图样和零部件》和GB/T50741-2011《建筑工程图样》等。
标注和符号应选用规范、简洁、易懂的语言,并应根据实际需要选择适当的字体和字号。
在标注和符号中,应避免使用简化、变异和自创的符号,以保证图纸的规范性和通用性。
六、排版和布局在制图时,排版和布局是关键环节,它直接影响到图纸的清晰度和美观度。
在排版和布局中,应统一字体、字号、字距、线宽等参数,以确保整个图纸的视觉效果一致。
在确定图形和注释框的位置时,应遵循以下原则:1.重点放在中央:关键部分的图形和注释框应放在图纸中央,以便于阅读和理解。
大一工程制图知识点归纳总结工程制图是工程技术中重要的一门基础课程,它是将工程设计和实施计划通过图纸和图表的形式准确传达给相关人员的重要手段。
大一阶段,我们学习了许多工程制图的基础知识和技能,下面对这些知识点进行归纳总结。
一、工程制图基础知识1.工程图纸规格工程图纸使用不同的规格,常见的包括A0、A1、A2、A3和A4等。
不同的规格适用于不同的绘图要求,要根据实际需要选择适当的规格。
2.图纸的折叠方法长尺寸的图纸一般需要按照一定的折叠方法进行折叠,以便于存放和携带。
常见的折叠方法有Z折法、L折法和U折法等。
3.图纸的命名为了方便管理和查找,图纸需要进行命名,一般采用序号命名法或者分区命名法。
序号命名法指定每张图纸的编号,而分区命名法则是根据图纸内容和用途进行分类命名。
4.图纸的比例工程图纸通常采用比例绘制,常见的比例包括1:1、1:2、1:5等。
选择合适的比例可以更好地表达设计和实施计划的细节。
5.图纸的符号和标注图纸上的符号和标注是工程制图中非常重要的一部分,它们用于表达各种要素和信息。
例如,线型符号、尺寸标注、文字标注等都是常见的图纸符号和标注。
二、工程制图的基本内容1.平面图平面图是工程制图中最基础的一种图纸,它用于表示建筑、机械和电气等实体物体在水平面上的布置和位置关系。
平面图通常包括平面布置图、平面布置剖面图、地基平面图等。
2.立面图立面图用来表示实体物体在垂直方向上的布置和形状特征。
立面图通常包括正立面图和侧立面图,可以清晰地展示建筑物或设备的外观特征。
3.剖面图剖面图是通过在平面图上切割实体物体,将其内部结构和细节展示出来。
剖面图通常用于表示建筑物的内部结构、机械设备的工作原理等。
4.细节图细节图用来表示实体物体的具体细节和特征,以便更准确地了解其构造和功能。
细节图通常包括构造细节图、装配图等。
5.示意图示意图是用来表达想法、概念或设计意图的图纸,它通常不需要精确的尺寸和比例。
示意图可以是手绘的草图,也可以是通过电脑软件绘制的图形。
工程图纸的基本规格工程图是工程设计的重要技术资料,是施工建造的依据。
为了使工程制图基本统一,计划委员会颁布了重新修定的标准《房屋建筑制图统一标准》GBJ1-86.,本章介绍标准中关于图纸幅面、图线、比例、字体、尺寸标注等基本规格。
一、图纸幅面绘制图样时,图纸的幅面和图框尺寸必须符合表1-l的规定。
必要时幅面长边可以加长,但非特殊需要,短边不得加长,长边加长后的尺寸见表1-2。
在特殊情况下,可采用841 x892、1189xl261的幅面。
图纸一般都用横式幅面(长边横向),图框格式如图1-1(a)所示,当A4竖式需要在左边装订时,其格式如图1-1(b)所示。
需要缩微摄影及重新放大复制的图纸,应在幅面的一个边上画上一段准确的米制尺度,其总长为1OOmm,分格为1mm ;图框的四个边上均应画上对中标志,它应画在图框线的中点处,其线宽应为0.35mm ,伸入图框5mm,如图1-1 所示。
工程图纸应有工程名称、图名、图号以及设计人、绘图人、审核人的签名和日期等,把这些会签栏是为各工种负责人签字用的表格(见表1-4),放在图纸装订边的上端或右端,如图1-1 所示。
图纸标题栏及会签栏的格式与容都有规定,有的单位也有根据需要自行确定的。
制图作业的图纸标题栏格式与容另见有关的《作业指示书》。
制图作业不用会签栏。
二、字体工程图样上常用的文字有汉字、阿拉伯数字、拉丁字母,有时也用罗马数字、希腊字母。
书写时必须做到:字体端正、笔划清晰、排列整齐、间隔均匀。
字体大小的高度系列,统一规定为2.5,3.5,5,7,10,14,20mm。
字体的号数就是字体的高度。
图样中的汉字应写长仿宋体,应使用公布的简化字。
字宽即为小一号字的高度,例如5号字的字宽为3.5mm。
拉丁字母、阿拉伯数字可按需要写成斜体或直体。
斜体的倾斜度应是对底线逆时针转75°角。
图样上的汉字的字高应不小于3.5mm,阿拉伯数字和拉丁字母的高度应不小于2.5mm。
当数字或字母与汉字并列书写时,其高度应比汉字的字高小一号或两号。
书写长仿宋体的要领是:横平竖直、起收见峰、排列匀称、填满格,如图1-2所示。
但注意的是:对于外框笔划与稿线格框平行的汉字如“图”,应适当缩格。
书写数字和字母也必须符合图1-2所示的规定。
长仿宋体由八种基本笔划组成,写法见图l-3。
书写时注意笔划的起笔、收笔及转角处,都要顿一下笔形成小三角。
书写长仿宋体汉字,应先画好框格稿线(有时也可以使用衬格),写好后,把稿线擦去。
数字或字母都以矩形为主体,转角处置以必需的小圆角等。
当书写斜体时,框格应是平行四边形,圆角应是椭圆角。
书写时,必须注意掌握并体现这种字体的特点。
三、图线绘制工程图时,为了表示图中的不同容,并能分清主次,必须使用不同线型和不同粗细的图线。
建筑工程图的图线线型有实线、虚线、点划线、折断线、波浪线等,随用途的不同而反映在图线的粗细关系上,见表1-5。
图线的宽度,应根据图的复杂程度及比例大小,从下列规定的线宽系列中选取:0.18,0.25,0.35,0.5,0.7,1.0,1.4,2.0mm。
建筑工程图一般使用三种线宽,且互成一定的比例,即粗线、中粗线、细线的比例为b:0.5b:0.35b。
当选定了粗实线的宽度b,则中粗线及细线的宽度也就随之确定而成为线宽组,见表1-6。
绘制较简单的或比例较小的图,可只用二种线宽,即不用中粗线。
同一图纸中,采用相同比例绘制的各图,应选用相同的线宽组。
图纸的图框线和标题栏线宽.将随图纸幅面的大小而不同,参照表l-7选定。
图1-4是几种常用图线的应用举例。
不同的线型,画法的要求不同,现举例说明如下:(1)实线的接头应准确,不可偏离或超出,(2)两虚线相交或相接时,应以两虚线的短划相交或相接。
(3)虚线与实线相接或相交时,虚线的短划应与实线相接或相交;如虚线是实线的延长线时,相接处应留空隙,见图1-5。
(4)点划线与点划线或与其它图线相交或相接,应与点划线的线段相交或相接。
(5)画圆的中心线时,圆心是点划线段的交点,两端应超出圆弧2-3mm,末端不应是点。
图形较小画点划线有困难,可以用细实线代替,见图1-6。
(6)在同一图中,性质相同的虚线或点划线,其线段长度及其间隔应大致相等.线段的长度和间隔的大小,将视所画虚线或点划线的总长和粗细而定.(7)折断线应通冠被折断的全部并超出:2-3mm。
折断线间的符号和波浪线都应徒手画出,如图1-4 所示。
四、比例和图名工程制图中,某些园林工程物体,必须要缩小绘制在图纸上;而对于一个很小的零件,又往往要放大绘制在图纸上。
图样中图形与实物相应的线性尺寸之比,称为比例。
比例用阿拉伯数字表示,例如2:1,1:1,1:2,1:5,1:100,l:200,1:1000等。
比例书写在图名的右,字号应比图名字小一号或二号。
图名下画一条横线,其粗度应不粗于本图纸图形中的粗实线,同一图纸上的这种横线粗度应一致。
图名下横线与图名文字的间隔一般不宜大于lmm,其长度应以所写文字所占的长短为准,不要任意画长,例如:平面图1:100当一图纸中的各图只用一种比例时,也可以把比例单独书写在图纸标题栏。
绘图时,应根据图样的用途和被绘物体的复杂程度,优先从下列常用比例中选用:1:1,1:1×10n;1:2,1:2×10n;1:5,1:5×10n,n为正整数。
也可以按需要选用中间的比例,如:1:1.5,1:1.5×10n;l:2.5,l:2.5×10n;l:3,1.3×10n ;1:4,1:4×10n;l:6,1:6×10n, n为正整数。
习惯上所称比例的大小,是指比值的大小,例如1:50的比例比1:100的大。
五、尺寸注法工程图上应标注物体完整的实际尺寸,以作为施工的依据。
(一)尺寸的组成图样中标注的尺寸由尺寸界线、尺寸线、尺寸起止符号和尺寸数字组成,如图1-7所示。
1.尺寸线(1)尺寸线用细实线单独画出,不能用其它图线代替,也不能画在其它图线的延长线上,如图l-8 所示。
(2)线性尺寸的尺寸线应与所标注的线段平行,与轮廓线的间距不宜小于10mm,互相平行的两尺寸线间距一般为7-10mm。
同一图纸或同一图形上的这种间距大小应当一致。
(3)尺寸线一般画在轮廓线之外,小尺寸在,大尺寸在外。
(4)尺寸线不宜超出尺寸界线.2.尺寸界线(1)尺寸界线用细实线从图形轮廓线、中心线或轴线引出,不宜与轮廓线相接,应留出不小于2mm的间距.当连续标注尺寸时,中间的尺寸界线可以画得较短。
(2)一般情况下,线性尺寸界线应垂直于尺寸线,并超出约2mm。
(3)允用轮廓线、中心线作尺寸界线。
3.尺寸起止符号(1)尺寸起止点应画出尺寸起止符号.一般用45°倾斜的细短线(或中粗短线),其向为尺寸线逆时针转45°角,长度为粗实线宽度(b)的5倍,宜为2-3mm,如图1-9(a)所示。
(2)标注半径、直径、角度、弧长等,起止符号用箭头,箭头画法,如图1-9(b)所示。
(3)当相邻尺寸界线间隔都很小时,尺寸起止符号可用涂黑的小圆点,如图1-9(c)所示。
4.尺寸数字(1)工程图上标注的尺寸数字是物体的实际大小,与绘图所用的比例无关。
(2)工程图中的尺寸单位,除总平面图以米为单位外,其它图样的尺寸单位,一般以毫米为单位,并不注单位名称。
(3)注写尺寸数字的读数向应如图1-10所示。
对于图中所示30°角围的倾斜尺寸,应从左读数的向来注写尺寸数字,必要时也按图1-10(b)的形式来注写。
(4)任图线不得穿交尺寸数字,当不可避免时,图线必须断开,如图1-12- 所示。
(5)尺寸数字应尽量往写在尺寸线的上中部.当尺寸界线间距较小,则可把最外边的尺寸数字注写在尺寸界线的外侧;对于中间的这种尺寸数字,可把相邻的尺寸数字错开注写,必要时也可以引出标注,如图l-13所示。
(二)常见的尺寸注法1.半径、直径的尺寸注法圆标注直径,直径数字前加写直径符号“¢”。
尺寸线通过圆心或对准圆心.沿直径尺寸线注写尺寸数字,当图形较小时,也可以引出注写。
大于半圆的圆弧标直径,小于或等于半圆的圆弧标半径,半径数字前加写半径符号“R”, 尺寸线必须从圆心画起或对准圆心。
沿半径尺寸线注写尺寸数字,当图形较小时,也可引出注写。
对于较大的圆弧,应对准圆心画断开的或折线状的尺寸线。
注写球的直径或半径时,在直径或半径符号前加注拉丁字母“S”,如图1-14所示。
2.角度、弧长、弦长的注法标注角度时,角度的两边作尺寸界线,尺寸线画成圆弧,圆心是角顶,角度数字应水平注写。
标注弧长时,尺寸线是同心圆弧,尺寸界线垂直于该圆弧的弦,弧长数字的上应加画圆弧符号“⌒”标注圆弧的弦长时,其尺寸线应是平行于该弦的直线,尺寸界线则垂直于该弦,如图1-14所示。
3.非圆曲线和连续等间距的尺寸注法对于非圆曲线,可以采取坐标的形式来标注曲线某些点的有关尺寸.当标注曲线上点的坐标时,可将尺寸线的延长线作为尺寸界线,若45°倾斜短线不清晰,可画箭头为尺寸起止符号。
复杂的曲线图形,也可用网格形式标注尺寸,如图1-15(a)(b)所示。
对于连续等间距尺寸,可以注成乘积形式,但第一个间距必须标出,如图1-16所示。
4.标高的注法标高是标注建筑物高度的一种尺寸形式。
以标准海平面为零点计算的标高称为绝对标高。
把建筑物底层地面定为零点所计算的标高称为相对标高,相对标高的零点记为士0.000,并在工程总说明中说明相对标高和绝对标高的关系。
标高的单位为米,一般注写到小数点后二位或三位。
负数标高前必须加注“-”号,正数标高前不写“+”号。
标高数字注写在标高符号的横线之上或之下,标高符号为细实线画出的等腰直角三角形,高3mm。
平面图中的标高符号无短横线,室外整坪标高符号“??”,数字写在右上或右面。
同一图纸上,标高符号应大小相同,对正画出,如图l-17所示。
5.坡度的标注法坡度=两点间的高差/两点间的水平距离标注坡度时,应沿坡度画出指向下坡的箭头,坡度宜用单面箭头表示,在箭头的一侧或箭头一端的附近写坡度数字(百分数、小数或比例),如图1-18所示。
6.多层结构的标法多层结构用指引线引出标注各层的名称和厚度。
指引线是细实线应通过并垂直于被引的各层,文字说明的顺序应与构造层次一致,如图1 -19所示。
如层次为横向排列,则由上至下的说明顺序应与由左至右的层次相互一致。
7.正形、薄板厚度和相同要素尺寸标注标注正形的尺寸除可用“边长×边长”外,也可在边长数字前加正形符号“口”。
在薄板板面标注板厚尺寸时,应在厚度数字前加厚度符号“δ”。
图样的构造要素(如、槽等)如相同,可仅标注其中一个要素的尺寸.如图1-20中6ד¢”40。