卫生器具排水的流量、当量和排水管的管径
- 格式:docx
- 大小:14.49 KB
- 文档页数:1
建筑给排水管道管径的确定前言:本文根据《建筑给水排水设计规范》(GB50015-2003)(以下简称“规范”)的规定,通过计算,采用表格的形式列出了不同建筑给排水管道管径与卫生器具当量值之间的关系,及不同给水管材相互替换的规律,为设计工作提供了便利。
1.给水管道的管径:(1)计算原则:1. 本表以建筑给排水设计中常见的用水分散型公共建筑(如幼儿园、托儿所、养老院、门诊部、诊疗所、办公楼、商场、学校、医院、疗养院、休养所、集体宿舍2. 、旅馆、招待所、宾馆、客运站、会展中心、公共厕所等)为计算对象:3. 给水管道设计秒流量根据“规范”的规定,4. 按下式计算:q g=0.2αNg0.5式中的α值:建筑物名称α值幼儿园、托儿所、养老院 1.2门诊部、诊疗所 1.4办公楼、商场 1.5学校 1.8医院、疗养院、休养所 2.0集体宿舍、旅馆、招待所、宾馆 2.5客运站、会展中心、公共厕所 3.05. 管道流速按下表选定。
公称直径(mm)15~20 25~40 50~70 ≥80水流速度(m/s)≤1.0 ≤1.2 ≤1.5 ≤1.86. 关于管径:(1) 钢管、铸铁管已考虑锈蚀和沉垢的影响。
(2) 塑料管管径、管材系列根据《热塑性塑料管材通用壁厚表》(GB/T10798-2001)并已考虑到刚性与连接的要求。
(3) 不同(4) 管材的管径对照表:钢管公称DN15 DN20 DN25 DN32 DN40 DN50 DN70 DN80 DN100 DN125 DN150 直径铸铁管公称直径-----DN50 DN70 DN80 DN100 DN125 DN150公称外径d20 d25 d32 d40 d50 d63 d75 ----热塑性塑料管壁厚 2.0 2.3 2.9 3.7 4.6 5.8 6.8 ----铝塑复合管公称外径d20 d25 d32 d40 d50 d63 d75 ----钢塑给水复合管公称直径DN15 DN20 DN25 DN32 DN40 DN50 DN65 DN80 DN100 DN125 DN150 说明:上表中“热塑性塑料管”为S5系列的规格;“铝塑复合管”为铝管搭接焊式铝塑复合管的规格。
国内外建筑排水管道排水能力比较通过排水问题综述后,采取了计算方法分别采用中国标准GB50015-2003《建筑给水排水设计规范》简称中国方法;欧洲标准EN12056《建筑物内部重力排水系统》简称欧洲方法;和日本空气调和·卫生工学会规格《给排水设备规程·同解说》简称日本方法。
1、为了能详细比较三者间的差异,分别按室内污废合流排水管、分流污水管和分流废水管三种不同的设计工况进行计算比对。
1.1 中国方法中国方法的计算公式采用《建筑给水排水设计规范》GB50015-2003的4.4.5式QP=0.12其中:QP------计算管段排水设计秒流量,L/s;NP-----计算管段卫生器具排水当量总数;a ------根据建筑物用途而定的系数;qmax-计算管段上最大一个卫生器具的排水流量,L/s;中国方法卫生器具排水的流量和当量 m axq Np1.2 欧洲方法欧洲方法的计算公式采用《建筑物内部重力排水系统》第二部分中的6.3.1式: QU=其中:QU ------排水设计秒流量,L/S;K--------使用频率因数;DU ------排水当量(卫生器具的平均排水流量);欧洲方法卫生器具排水的流量和当量1.3 日本方法日本方法的计算中排水器具负荷计算标准按《给排水设备规程·同解说》表3.5取值:日本方法卫生器具排水的流量和当量 DU2、中国、欧洲与日本方法的立管排水能力比较不同国家,地区因为气候的差异,习惯的不同对排水设计秒流量有一定的差异。
但相同的管径排水立管能力基本相同,排水立管接纳晚上器具的数量有不同的出入。
2.1 排水立管最大容许排水能力的比较:我国、欧洲和日本的排水立管最大容许排水能力均不相同,以设置伸顶通气方式DN100的排水立管为例,我国容许的排水能力是4.5L/S;欧洲标准容许的排水能力是4L/S;日本容许的排水立管负荷流量(当qd=1.5L/S)约为3.8L/S;国内规范排水立管最大排水能力比欧洲大12.5%,比日本大18.4%。
1、内排水系统的埋地管敷设于室内地下的横管,其最小管径不得小于()。
C、200mm2、以下不属于室外给水系统组成部分的是( )。
C、水源3、多层建筑的室外给水管为提高供水可靠性,在一层地坪下连接成()。
B、环状管网4、空调房间中最常用的一种气流组织方式是( )送风。
D、侧向5、在消火栓消防系统的每根立管的起端,应设置一个(),便于后面立管或消火栓维修时关闭水流。
B、阀门6、喷水室喷出水的温度低于被处理空气的露点温度时,被处理空气被()。
C、冷却除湿7、无论在集中式空调系统和局部空调机组中,最常用的是( )系统。
A、混合式8、对于家用电器回路,采用()的数值作为剩余电流保护装置的动作电流。
D、30mA及以下9、供电网络的一般规定,每一单相回路不宜超过(),所接灯具数量不超过25个。
A、15A10、室外给水管网布置,属于树状管网特点的是()。
C、铺管费用经济11、公式q u=0.12a+q max适用于()。
B、旅馆12、普通集中式空调系统属于哪种类型的空调系统?( )C、全空气系统13、在进行初步设计时,住宅的生活给水系统所需最小水压值根据建筑物的层数估计。
从接入引入管的地面算起,一般一层建筑物取( ) 。
C、100kPa14、地下水源特点正确的是()。
C、硬度大15、有两个以上淋浴龙头的浴室应设置一个直径为( )mm的地漏。
D、10016、铜芯聚氯乙烯绝缘线的表示符号是()。
A、BV17、一下不属于用电设备的有()。
D、自动空气开关18、引入管的埋设深度主要根据城市给水管网、地面的荷载而定,埋深应在冰冻线以下( )m,且不小于0.7~1.0m深度。
B、0.219、公共食堂厨房排水中含有大量油脂和泥砂,为防止堵塞,实际选用管径应比计算管径大一号,且支管管径不小于( )mm。
B、7520、制冷系统只在夏季运行,冬季用电加热器供热的局部空调机组是()空调机组。
B、普通式21、国际电工委员会规定在潮湿环境长期保持接触的安全电压的最大值为()。
3排水3.1排水系统划分3.1.1生活排水分为:生活污水、生活废水。
3.1.2建筑物内生活排水系统划分:1 按排水水质分为:污废合流、污废分流。
2 按通气方式分为:1)不通气的排水系统。
2)设有通气管系的排水系统――仅设伸顶通气排水系统、专用通气立管排水系统、环形通气排水系统和器具通气排水系统。
3)特殊单立管排水系统――特殊配件的单立管排水系统、螺旋管排水系统。
3.1.3建筑物内雨水管道应与生活排水管道分别设置,单独排出。
3.1.4建筑物外小区排水分为:分流制、合流制。
1 分流制:用不同管渠分别收纳小区内生活排水和雨水的排水方式。
2 合流制:用同一管渠收纳小区内生活排水和雨水的排水方式。
3.2排水系统选择3.2.1建筑物内生活排水系统的选择,应根据排水性质及污染程度,结合室外排水体制和有利于综合利用与处理要求确定。
1 当建筑物采用中水系统时,所选用的原水系统的排水宜按排水水质分流排出。
2 当有污水处理厂时,生活废水与生活污水宜合流排出。
当生活污水需经化粪池处理时,其生活污水宜与生活废水分流。
3.2.2下列情况下的建筑排水应单独排水至水处理或回收构筑物1 公共餐饮业厨房排水及含有大量油脂的生活废水。
2 洗车台、汽车修理间含有泥沙、机油的废水。
3 燃油锅炉房、柴油发电机房的油箱间的地面排水。
4 超过排放标准、含有大量病菌、放射性元素的医院污水。
5 排水温度超过40℃的锅炉、水加热器等设备的排污水。
6 可重复利用的冷却水。
7 中水系统需要回用的生活废水。
3.2.3生活污水不宜与公共餐饮业厨房废水合用室内排水管道。
如需合用时,厨房废水必须先经过隔油处理。
3.2.4建筑物内生活排水一般采用重力排水。
当无条件重力排出时,可利用水泵提升压力排水。
3.3 排水管道计算3.3.1 卫生器具排水的流量、当量和排水管的管径应按规范中“卫生器具排水流量、当量和排水管的管径”一表确定。
3.3.2 住宅、集体宿舍、旅馆、医院、疗养院、幼儿园、老人院、办公楼、商场、会展中心、中小学教学楼等建筑生活排水设计秒流量,应按下式计算:q p =+N ρp 12.0q max式中 q p ——计算管段排水设计秒流量(L/s );N p ——计算管段的卫生器具排水当量总数;α——住宅、旅馆、医院、疗养院、幼儿园、老人院的卫生间α=1.5,集体宿舍、旅馆和其他公共建筑的公共盥洗室和厕所间α=2.0~2.5q max ——计算管段上最大的一个卫生器具的排水流量(L/s )。
・城市给排水・国内外建筑排水立管的排水能力计算比较冯旭东(华东建筑设计研究院有限公司,上海 200002) 摘要 分别应用我国、欧洲和日本三种水力计算方法,对住宅卫生间排水立管的最大允许排水能力和可接纳的卫生器具数量进行计算。
对于相同管径的最大允许排水能力,我国比欧洲大12.5%,比日本大18.4%;接纳卫生器具数量我国也比欧洲、日本要大得多。
通过对建筑排水系统的卫生器具排水流量和当量、设计秒流量计算公式、排水立管的排水能力等分析和比较,提出了影响我国建筑排水管道水力计算急需解决的几个问题。
关键词 建筑排水系统 排水设计秒流量 卫生器具 立管排水能力 排水立管是建筑排水系统的重要组成部分,准确把握排水立管的排水能力是保证建筑排水系统设计可靠的前提。
应用我国、欧洲和日本的三种水力计算方法对相同住宅卫生间的排水立管进行计算和比较,发现不仅卫生器具的排水流量和当量、设计秒流量计算公式、排水立管的排水能力等均不相同,而且相同管径排水立管可接纳的卫生器具数量也存在较大的差异。
1 计算实例与计算方法简介计算实例以一个住宅的卫生间为计算单元,配备坐式大便器、洗脸盆和浴盆各一件,并设有一台洗衣机;排水立管上每层接入一个计算单元的排水横支管,排水管系统设伸顶通气方式。
计算方法分别采用中国标准G B50015—2003《建筑给水排水设计规范》(简称“中国方法”)、欧洲标准EN12056《建筑物内部重力排水系统》(简称“欧洲方法”)和日本空气调和・卫生工学会规格《给排水设备规准・同解说》(简称“日本方法”)。
为了能详细比较三者间的差异,分别按室内污废合流排水管、分流污水管和分流废水管三种不同的设计工况进行计算。
111 中国方法中国方法的计算公式采用《建筑给水排水设计规范》(G B50015—2003,简称“规范”)4.4.5式:q p=0112αN p+q max(1)式中q p———计算管段排水设计秒流量,L/s;N p———计算管段的卫生器具排水当量总数;α———根据建筑物用途而定的系数,住宅α=1.5;q max———计算管段上最大一个卫生器具的排水流量,L/s。
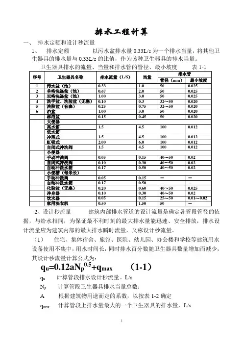
排水工程计算一、排水定额和设计秒流量1、排水定额以污水盆排水量0.33L/s为一个排水当量,将其他卫生器具的排水量与0.33L/s的比值,作为该种卫生器具的排水当量。
2、设计秒流量建筑内部排水管道的设计流量是确定各管段管径的依据,与给水相同,为保证最不利时刻的最大排水量能迅速、安全排放,排水设计流量应为建筑内部的最大排水瞬时流量,又称设计秒流量。
(1)住宅、集体宿舍、旅馆、医院、幼儿园、办公楼和学校等建筑用水设备使用不集中,用水时间长,同时排水百分数随卫生器具数量增加而减少,其设计秒流量计算公式为:q u=0.12aN p0.5+q max(1-1)q u计算管段排水设计秒流量。
L/sN p计算管段卫生器具排水当量总数;A 根据建筑物用途而定的系数,以按表1-2确定q max计算管段上排水量最大的一个卫生器具的排水量,L/s1用1-1式计算排水管网起端的管段,因连接的卫生器具较少,计算结果有时会大于该管段上所有卫生器具排水流量的总和,这时应按该管段所有卫生器具排水流量的累加值作为设计秒流量(2)工业企业生活间、公共浴室、洗衣房、公共食堂、实验室、影剧院、体育场等建筑的卫生设备使用集中,排水时间集中,同时排水时间集中,同时排水百分数高,其排水设计秒流量计算公式为:q u=Σq p·n0·b (1-2)式中q u 计算管段排水设计秒流量,L/sq p 同类型的一个卫生器具排水流量,L/sn0 同类型卫生器具数b 卫生器具同时排水百分数,冲洗水箱大便器按12%计算,其他卫生器具同给水。
例题:某6层集体宿舍男厕排水系统轴测图,管材为排水铸铁管。
每层横支管设污水盆1个,自闭式冲洗阀小便器2个,自闭式冲洗阀大便器3个,试计算确定管径。
解:1、横支管计算按公式(1-1)计算排水设计秒流量,其a去取1.5,卫生器具当量和排水流量2、立管计算1根立管接纳的排水当量总数为:N P=15.10×6=90.6最下部管段排水设计秒流量q u=0.12aN p0.5+q max=0.12×1.5×90.61/2+1.5=3.2L/s查表1-4,选用立管管径DN=100mm,因设计秒流量3.2L/s小于最大允2许排水流量4.5L/s,所以不需要设专用通气管。
正邦集团猪场建设给、排水设计标准随着正邦集团猪场建设的规模化,猪舍建设的要求越来越高,由于猪舍建设行业标准的缺少,以及正邦集团猪舍建设的迫切需要,因此根据近年来正邦的猪场建设经验及行业规范,特制订以下标准。
该标准包含四个部分,分别是场区给水外管网及附属设施、猪舍给水和生活区各单体给水、各单体室内排污和室外排污。
1场区给水外管网及附属设施1.1.场区应根据生产状况在场内合理规划水井、蓄水池(水箱、水塔)、变频加压水泵(为水塔时可不设变频水泵房)及给水外管网。
1.2水井应满足下列要求:(1)猪场应根据猪场规模大小、水井的出水流量及深水泵的可靠性来决定水井是否采用两口井,即一用一备;(2)水井单口井出水流量能满足场区的用水流量;(3)水井水泵需选用合理扬程和流量,以此实现节能。
水泵控制能实现自动启泵、停泵,即实现蓄水池水位的自动控制;(4)井内水泵连接管宜采用PE管,方便水泵的维修和安装;(5)水井水质必须符合现行的生活饮用水卫生标准的要求,如不能符合要求,需增加水质净化设备装置。
(6)水井水泵至蓄水池段应设置止回阀,止回阀应选用速闭消声止回阀或有阻尼装置的缓闭止回阀。
1.3蓄水池或水箱应满足以下要求:(1)蓄水容量应能满足两天场区内的用水;(2)选址应接近用水中心点和地质较好,地势较高和平坦的场所。
1.4变频加压水泵1.4.1变频加压水泵应能实现场区内供水管网压力的恒定和供水的持续稳定,当水源地与供水区域有地形高差可以利用时,应对重力输配水与变频加压输配水系统进行技术经济比较,择优选用。
1.4.2变频加压水泵应满足以下条件(1)水泵的Q~H特性曲线,应是随流量的增大,扬程逐渐下降的曲线;注:对Q~H特性曲线存在有上升段的水泵,应分析在运行工况中不会出现不稳定工作时方可采用。
(2 )应根据管网水力计算进行选泵。
水泵应在其高效区内运行;(3)生活加压给水系统的水泵机组应设备用泵,备用泵的供水能力不应小于最大一台运行水泵的供水能力。
第五章建筑内部排水系统的计算1.以每人每日为标准2.以卫生器具为标准2.以卫生器具为标准)(3)最小管径厨房的排水立管最小管径为75mm,公共食堂干管管径不小于100mm,支管管径不小于75mm;凡连接大便器的支管其最小管径为100mm;小便槽和连接3个及3个以上小便器的排水管支管管径不小于75mm。
一、横管的水力计算2.水力计算方法附录5.2生活污水铸铁排水管水力计算表 附录5.1排水塑料管水力计算表排水设计秒流量通气方式查表排水立管管材双立管排水系统排三立管排水系统三、通气管管径的确定2.伸顶通气立管 可与污水管同径; 在最冷月平均气温低于-13℃ 的地区,在室内平顶或吊顶以下 0.3m处将管径放大一级。
3.汇合通气立管D2 de ≥ d max + 0.25∑ d i2A 1B 2C 3第三节建筑排水系统设计计算步骤一、系统的选择污废水的性质排水体制污废水污染程度污废水综合利用的 可能性和处理要求第三节建筑排水系统设计计算步骤一、系统的选择不通气 伸顶通气 专用通气立管通气 特制配件通气通气方式第三节建筑排水系统设计计算步骤二、管道系统的布置水力条件好 占地面积小安全可靠 施工安装 维护管理方便工程造价低 美观第三节建筑排水系统设计计算步骤二、管道系统的布置第三节建筑排水系统设计计算步骤三、绘制计算用图排水计算用图第三节建筑排水系统设计计算步骤三、绘制计算用图排水系统计算用图第三节建筑排水系统设计计算步骤四、计算排水流量1.平均时排水量和最大时的排水量 2.排水设计秒流量q p = 0.12α N P + qmaxq p = ∑ q0 i n0 i bii =1m第三节建筑排水系统设计计算步骤11 10五、确定各管道的管径912 1534 8 13横支(干)管 立管 通气管系7 612145第三节建筑排水系统设计计算步骤横管水力计算表五、确定各管道的管径管路 编号 卫生器具名称数量 排水当量总 数Np 设计秒流 量 (L/s) 管径 (mm) 坡度 备注立管水力计算表管路 编号 卫生器具名称数量 排水当量总数 Np 设计秒流量 (L/s) 管径 (mm) 备注流量扬程生活污水单独排放时化粪池最大使用人数(附录4.2)生活污水单独排放时化粪池最大使用人数(附录4.2)各层横支管配管计算表卫生器具数及当量数大便器 小便器 污水盆管段 编号 n N n N n N 当量总数 ∑Np 流量 q u (L/s) 管径DN (mm)坡度0~1 1~2 2~3 3~4 4~5 5~61 2 34.5 4.5 4.51 2 2 2 20.3 0.3 0.3 0.3 0.31 1 1 1 1 11 1 1 1 1 11 0.3 1.60 6.10 10.6015.102.03 2.28 2.4350 75 75 110 110 1100.026(1)横支管。
目录第一章设计任务说明 (1)1.1设计资料 (1)1.2设计任务及要求 (1)1.2.2要求 (1)1.3课程设计图纸及说明要求 (2)1.3.1图纸 (2)1.3.2设计计算说明书 (2)第2章方案设计说明 (3)2.1 建筑排水工程设计 (3)2.1.1 系统的选择 (3)2.1.2 系统的组成 (3)2.2 排水管道安装要求 (3)2.2.1排水管道布置的基本原则 (3)2.2.2排水管道的连接 (4)2.2.3排水管道以及设施的安装 (4)第3章建筑排水工程设计计算 (5)3.1 排水工程设计计算 (5)3.1.1排水设计秒流量 (5)3.2 排水系统水力计算 (5)3.2.1 排水管水力计算 (6)3.2.2.污水泵的计算 (15)致谢 (16)参考文献 (17)第一章设计任务说明1.1设计资料(1)给水水源该建筑以城市给水管网为水源,室外给水管网来自主体建筑距西面墙8m,接管点埋深1.5m,管径为200毫m,另一条市政给水管道距主体建筑北面15m,接管点埋深1.4m,管径为DN200,管材为铸铁管,常年提供的资用水头为0.3MPa。
(2)排水条件建筑粪便污水需经化粪池处理后方可排入城市下水道,室外排水管道位于主体建筑东面,埋深2.0m。
管径350mm,管材为混凝土管。
1.2设计任务及要求根据建筑的性质、用途和建设单位的要求,该住宅楼设有较为完善的给水排水卫生设备和集中热水供应系统;其中热水供应系统全天满足住宅楼用户要求。
1.2.1内容课程设计题目为某大厦排水工程设计,主要内容为:(1)方案设计:根据所给出的设计条件,以及有关设计规范的要求,合理确定建筑内部给水系统、排水系统的设计方案。
(2)管道系统布置:根据所选择的排水方式,综合考虑技术、经济、安全、可靠等方面的因素,合理地选择和布置卫生器具,合理地布置管道系统。
(3)设计计算:根据设计规范,确定排水的设计指标,进行建筑内部排水的设计计算,编制设计计算书。
建筑给排水管道管径的确定前言:本文根据《建筑给水排水设计规范》(GB50015-2003)(以下简称“规范”)的规定,通过计算,采用表格的形式列出了不同建筑给排水管道管径与卫生器具当量值之间的关系,及不同给水管材相互替换的规律,为设计工作提供了便利。
1.给水管道的管径:(1)计算原则:1. 本表以建筑给排水设计中常见的用水分散型公共建筑(如幼儿园、托儿所、养老院、门诊部、诊疗所、办公楼、商场、学校、医院、疗养院、休养所、集体宿舍2. 、旅馆、招待所、宾馆、客运站、会展中心、公共厕所等)为计算对象:3. 给水管道设计秒流量根据“规范”的规定,4. 按下式计算:q g=0.2αNg0.5式中的α值:建筑物名称α值幼儿园、托儿所、养老院 1.2门诊部、诊疗所 1.4办公楼、商场 1.5学校 1.8医院、疗养院、休养所 2.0集体宿舍、旅馆、招待所、宾馆 2.5客运站、会展中心、公共厕所 3.05. 管道流速按下表选定。
公称直径(mm)15~20 25~40 50~70 ≥80水流速度(m/s)≤1.0 ≤1.2 ≤1.5 ≤1.86. 关于管径:(1) 钢管、铸铁管已考虑锈蚀和沉垢的影响。
(2) 塑料管管径、管材系列根据《热塑性塑料管材通用壁厚表》(GB/T10798-2001)并已考虑到刚性与连接的要求。
(3) 不同(4) 管材的管径对照表:钢管公称DN15 DN20 DN25 DN32 DN40 DN50 DN70 DN80 DN100 DN125 DN150 直径铸铁管公称直径-----DN50 DN70 DN80 DN100 DN125 DN150公称外径d20 d25 d32 d40 d50 d63 d75 ----热塑性塑料管壁厚 2.0 2.3 2.9 3.7 4.6 5.8 6.8 ----铝塑复合管公称外径d20 d25 d32 d40 d50 d63 d75 ----钢塑给水复合管公称直径DN15 DN20 DN25 DN32 DN40 DN50 DN65 DN80 DN100 DN125 DN150 说明:上表中“热塑性塑料管”为S5系列的规格;“铝塑复合管”为铝管搭接焊式铝塑复合管的规格。
全国民⽤建筑⼯程设计技术措施排⽔4 排⽔4.1 排⽔系统划分4.1.1⽣活排⽔通常分为⽣活污⽔和⽣活废⽔两部分。
1 ⽣活污⽔:建筑物内⽇常⽣活种排泄的粪便污⽔。
2 ⽣活废⽔:建筑物内⽇常⽣活中排放的洗涤⽔。
4.1.2建筑物内⽣活排⽔系统按排⽔⽔质可划分为污废合流和污废分流两种。
1 污废合流:建筑物内⽣活污⽔与⽣活废⽔合流后排⾄建筑物内处理构筑物或建筑物外。
2 污废分流:建筑物内⽣活污⽔与⽣活废⽔分别排⾄建筑物内处理构筑物或建筑物外。
4.1.3建筑物内⽣活排⽔系统按通⽓⽅式可划分为不通⽓的排⽔系统、设有通⽓管系的排⽔系统、特殊单⽴管排⽔系统等。
其中,设有通⽓管系的排⽔系统有:仅设伸顶通⽓排⽔系统、专⽤通⽓⽴管排⽔系统、环形通⽓排⽔系统、器具通⽓排⽔系统及⾃循环通⽓排⽔系统等。
特殊单⽴管排⽔系统有特殊配件的单⽴管排⽔系统和螺旋管排⽔系统。
1 设有通⽓管系的排⽔系统:1)仅设伸顶通⽓排⽔系统:排⽔管道采⽤普通排⽔管材及其配件,仅设伸顶通⽓管。
2)专⽤通⽓⽴管排⽔系统:排⽔管道设有伸顶通⽓管和专⽤通⽓⽴管。
3)环形通⽓排⽔系统:排⽔管道设有伸顶通⽓管和环形通⽓管、主通⽓⽴管或副通⽓⽴管。
4)器具通⽓排⽔系统:排⽔通道设有伸顶通⽓管和器具通⽓管、主通⽓⽴管。
5)⾃循环通⽓排⽔系统:排⽔通道不设伸顶通⽓管,但设有专⽤通⽓⽴管或主通⽓⽴管和环形通⽓管。
通⽓⾥关在顶端、层间与排⽔⽴管相连,在底端与排出管相连,通过相连的通⽓管道迂回补⽓平衡排⽔时管道内产⽣的正负压。
典型的设有通⽓管系的排⽔系统接管模式见图4.1.3图4.1.3 典型的设有通⽓管的排⽔系统接管模式2 特殊单⽴管排⽔系统:排⽔管道采⽤特殊排⽔管材或特殊配件,并仅设伸顶通⽓管。
1)特殊配件的单⽴管排⽔系统:排⽔管道在横⽀管接⼊排⽔⽴管时采⽤特殊的配件,排⽔⽴管下部采⽤下部特质配件,并仅设有伸顶通⽓管。
2)螺旋管排⽔系统:排⽔⽴管采⽤螺旋管,横⽀管接⼊⽴管采⽤侧向进⽔型配件,并仅设伸顶通⽓管。
水力计算说明书设计者:班级:同组人:水力计算说明书一.给排水系统:1.计算各管段卫生器具给水当量:给水当量取值:洗脸盆 0.5 蹲便器0.5 小便器 0.5 污水盆0.75 据公式g g N q α2.0= v q d g π/4= 取v=1.0m/s α=1.5 给水1(JL1): Ng 1=0.5×4+0.75×1+0.5×2=3.75 设计秒流量 g g N q α2.0=+1.1=1.68 L/s d 3=0.0462m给水2(JL2):N g2=0.5×6+0.5+0.5=4 q g =0.6L/s d 2=0.0276m 给水3(JL3):N g3=0.5×5=2.5 g g N q α2.0=+1.1=1.57L/s管径d 1=0.0447m给水4(JL4):Ng 4=0.5×3+0.75+0. 5×2=3.25 q g =1.64L/s d4=0.0457m故取d 1=DN50 , d 2=DN32, d 3=DN50, d 4=DN502.计算各卫生器具排水当量:排水当量取值:洗脸盆 0.75 蹲便器4.5 小便器 0.3 污水盆1 排水流量取值:洗脸盆 0.25 蹲便器1.5 小便器 0.1 污水盆0.33 (L/s ) 据公式max 12.0q N q P p +=α α=2.0 i=0.026排水支管1:N p1=4.5×4+1+0.75×2=20.5 q p1=2.5866L/s 查附表8得排水管1管径:d 1=de75排水管(WL1):Np=20.5×4=82 q p=3.673 L/s 查表4.411-3得排水管WL1管径:d=de100 据规范取d=de110排水支管2(WL2):N p2=0.3×6+0.75+4.5=7.05 q p =0.9672L/s 查附表8得排水管2管径:d 2=de50排水管(WL2):Np=7.05×4=28.2 q p =2.774L/s 查表4.411-3得排水管WL1管径:d=de75排水支管3(WL3):N p3=4.5×5=22.5 q p =2.6384L/s 查附表8得排水管管径3:d 3=de75排水管(WL3):Np=22.5×4=90 q p=3.777 L/s 查表4.411-3得排水管WL1管径:d=de100 据规范取d=de110排水支管4(WL4):N p4=4.5×3+1+0.75×2=16 q p =2.4607L/s 查附表8得排水管管径4:d 4=de75排水管(WL1):Np=16×4=64 q p=3.42 L/s 查表4.411-3得排水管WL1管径:d=de100 据规范取d=de110二、室内消火栓系统1消防系统的设置该建筑为高度不超过50米的办公楼,室内消火栓系统采用临时高压制不分区给水系统,屋顶设高位水箱,供火灾初期给水。
卫生器具的给水额定流量、当量、连接管公称管径和最低工作压力
注:1 表中括弧内的数值系在有热水供应时,单独计算冷水或热水时使用;
2 当浴盆上附设淋浴器时,或混合水嘴有淋浴器转换开关时,其额定流量和当量只计水
嘴,不计淋浴器。
但水压应按淋浴器计;
3 家用燃气热水器,所需水压按产品要求和热水供应系统最不利配水点所需工作压力确
定;
4 绿地的自动喷灌应按产品要求设计;
5 当卫生器具给水配件所需额定流量和最低工作压力有特殊要求时,其值应按产品要求确定。
[规范]建筑给水排水设计规范(一)作者:本站搜集文章来源:本站搜集点击数:6467 更新时间:2004-11-29 8:39:49前言工程建设国家标准局部修订公告第6号国家标准《建筑给水排水设计规范》GBJ15-88由上海建筑设计研究院会同有关单位进行了局部修订,已经有关部门会审,现批准局部修订的条文,自1998年1月1日起施行,该规范中相应的条文规定同时废止。
现予公告。
中华人民共和国建设部1997年9月1日关于发布国家标准《建筑给水排水设计规范》的通知(88)建标字第196号根据原国家建委(81)建发设字第546号文的要求,由上海市建设委员会会同有关部门共同修订的《室内给水排水和热水供应设计规范》已经修订完毕。
经有关部门会审,现批准修订后的《建筑给水排水设计规范》GBJ15-88为国家标准,自1989年4月1日起施行。
原《室内给水排水和热水供应设计规范》TJ15-74同时废止。
本规范由上海市建设委员会管理,具体解释等工作由上海市民用建筑设计院负责。
出版发行由中国计划出版社负责。
中华人民共和国建设部1988年8月24日修订说明本规范是根据原国家建委(81)建发设字第546号文件的通知,由上海市民用建筑设计院会同有关单位,共同对原《室内给水排水和热水供应设计规范》TJ15-74进行修订而成。
在修订过程中,进行了比较广泛的调查研究,认真总结了原规范执行以来的经验,吸取了部分科研成果,征求了有关单位的意见,经我委组织审查,完成了报批稿。
本规范共分四章。
修改的主要内容有:用水定额、住宅与公共建筑生活给水管道设计秒流量计算公式、生活污水排水设计秒流量计算方法和雨水道设计方法等。
本规范还补充了高层建筑给水排水、排水管道通气系统和医院污水消毒处理的内容,增设了游泳池和喷泉两节。
其他如防止水质污染、节水节能、安全供水、新型管材等方面也作了较多的修改和补充。
在执行本规范过程中,如发现需要修改或补充之处,请将意见和有关资料寄交上海市民用建筑设计院并抄送我委,以便再次修订时参考。
排水管道计算技术规范4.4.1 卫生器具排水的流量、当量和排水管的管径应按表4.4.1确定。
表4.4.1 卫生器具排水流量、当量和排水管的管径序号卫生器具名称排水流量当量排水管管径(mm)12345678910111213141516注:家用洗衣机排水软管,直径为30mm ,有上排水的家用洗衣机排水软管内径为19mm 。
4.4.2 住宅、集体宿舍、旅馆、医院、疗养院、幼儿园、老人院、办公楼、商场、会展中心、中小学教学楼等建筑生活排水设计秒流量,应按下式计算:max 12.0q N q p p +=α(4.4.2)式中 q p ——计·算管段排水设计秒流量(L /s); N p ——计算管段的卫生器具排水当量总数;α——根据建筑物用途而定的系数,宜按表4.4.2确定; q max ——计算管段上最大的一个卫生器具的排水流量(ids),可按表4.4.1取值。
4.4.3 工业企业生活间、公共浴室、洗衣房、公共餐饮业的厨房、实验室、影剧院、体订场、候车(机、船)室等建筑的生活排水设计秒流量,应按下式计算:∑=b n q q p 00(4.4.3)式中 q b ——计算管段排水设计秒流量(1/s); q 0——同类型的一个卫生器具排水流量(L /s); n o ——同类型卫生器具数;b ——卫生器具的同时排水百分数,按本《措施》第2.4.10条的表2.4.10—1—表2.4.10—3采用。
冲洗水箱大便器的同时排水百分数应按12%计算。
表4.4.2 根据建筑物用途而定的系数α值建筑物名称住宅、旅馆、医院、疗养院、 幼儿园、老人院的卫生间集体宿舍、旅馆和其他公共建筑的公共漱洗室和厕所间α值1.52.0~2.5注:当计算排水流量小于一个大便器排水流量时,应按—个大便器的排水流量计算。
4.4.4 排水横管的水力计算,应按下式计算:21321I r nv (4.4.4)式中 v ——流速(m /s); R ——水力半径(m);I ——水力坡度,采用排水管的坡度;n ——粗糙系数,铸铁管为0.013;钢管为0.012;塑料管为0.009。