ZYX30隔绝式压缩氧自救器佩戴详解图
- 格式:doc
- 大小:5.90 MB
- 文档页数:10
自救器的使用方法,自救器使用方法
以ZYX45隔绝式压缩氧气自救器为例: 自救器使用方法佩戴图解
1、将专用腰带穿入自救器皮带环,固定在
背部右侧腰间。
2、使用时先将自救器转到腹前,一手托底,
另一手拉开锁口带,并弃之。
3、随后扳开带有红色标记的开启扳手,拉
开封口带,丢掉上盖。
4、展开气囊,取下口具塞。
5、将口具放在唇齿之间,牙齿咬住牙垫,
紧闭嘴唇。
6、逆时针打开气瓶开关旋钮。
7、用拇指按动补气压板。
8、气囊鼓起时迅速把鼻夹掰开,用鼻夹垫
夹住鼻翼。
9、调整呼吸,迅速撤离现场。
煤矿自救器使用过程中注意事项
1、仪器佩戴使用前,须由专业人员进行试用培训,并认真阅读
本说明书,以便在使用过程中准确无误地操作。
2、携带自救器下井前和在佩戴过程中,要经常观察压力表10的示值不得低于18MPa。
3、严禁无故开启、磕碰和坐压仪器。
4、使用时保持沉着,在呼气和吸气时保持慢速深呼吸。
口与自救器距离应保证气囊尽量拉展,以免气囊内的呼气软管打折,使呼气阻力增加。
在使用的中后期,清净罐的温度略有上升是正常的,不必紧张。
5、仪器使用过程中应避免气囊被利器划伤或挤压气囊。
6、使用者在未脱离灾区或在高温环境中使用时,切勿摘下仪器。
7、当气囊内有气时,不可挤压气囊及补气压板。
8、严禁在井下随意拆解仪器。
斯达集团编辑。
ZYX30隔间式紧缩氧自救器利用说明书陕西斯达煤矿平安装备ZYX30隔间式紧缩氧自救器利用说明书一、概述1、用途及适用范围ZYX30隔间式紧缩氧自救器(以下简称自救器)是一种利用医用紧缩氧气为气源,隔间闭路循环式个人呼吸爱惜器。
要紧用于煤矿或环境空气发生有毒有害气体污染及缺氧窒息性灾害时,现场人员迅速佩带,爱惜正常呼吸逃离灾区。
二、特点1)采纳了双回路循环的呼吸方式,即呼、吸各为单向通道,与往复呼吸方式(指呼、吸气流皆通过吸收剂)相较,其优势是阻力小、无粉尘吸入,不呛人,吸气温度低,舒适,平安靠得住。
2)具有三种供氧方式:定量供氧、自动补给供氧和手动补给供氧。
大大提高了呼吸爱惜的平安靠得住性。
3)充填氧气、改换吸收剂、爱惜修理简便。
4)防护时刻长,便于自救。
5)体积小、重量轻,便于携带。
6)可反复利用,利用本钱低。
7)压力指标观看直观、便于利用。
3、型号的组成及其代表意义额定防护时间:循环式压缩氧自救器4、利用环境条件自救器在以下环境中利用能靠得住的起到爱惜作用:——气体及含量:CO (0~10)% ;SO2(0~2)% ;H2S (0~1)% ;NO2(0~1)% ;CO2(0~100)%;CH4(0 ~100)% ;N2(0~100)%;浮尘在10g /m3以下。
——大气压力:(70~125)kPa;——相对湿度:(0~98)% (25℃);——温度:-10℃~+40℃。
5、产品执行标准:AQ1054-2020隔间式紧缩氧气自救器。
二、结构特点及工作原理1、结构(见图1)1 上壳组2 气囊组3 呼吸管组4清净罐组5药剂 6 背带组7 背带环8 氧气瓶9 减压阀组10氧气压力表11 氧气瓶支架12支架螺母13 底盖14底盖密封圈15左封口带组16 右封口带组17 锁扣带组图1 ZYX30隔间式紧缩氧自救器结构图二、工作原理自救器使历时,逆时针转动气瓶开关2,高压氧气从氧气瓶1通过减压阀3减压,以≥min的流量进入气囊8。
1.佩戴隔绝式化学氧自救器的操作步骤?使用步骤是:1、自救器随身携带系在腰带上;2、使用时去掉保护罩;3、用拇指扳起红色扳手,拉断封印条;4、揭开上外壳,扔掉;5、取出呼吸器,丢掉下外壳;6、按顺时针方向推动启动阀片转动150度左右即可生氧;7、拔掉口具塞;8、口含呼吸口具咬口,夹好鼻夹用口呼吸;9、戴好头带;10、佩带完毕戴好安全帽,匀速撤离灾区。
2煤矿安全规程第368条:用架空乘人装置运送人员时应遵守哪些规定?(一)巷道倾角不得超过设计规定的数值。
(二)蹬座中心至巷道一侧的距离不得小于0.7m,运行速度不得超过1.2m/s,乘坐间距不得小于5m。
(三)驱动装置必须有制动器。
(四)吊杆和牵引钢丝绳之间的连接不得自动脱扣。
(五)在下人地点的前方,必须设有能自动停车的安全装置。
(六)在运行中人员要坐稳,不得引起吊杆摆动,不得手扶牵引钢丝绳,不得触及邻近的任何物体。
(七)严禁同时运送携带爆炸物品的人员。
(八)每日必须对整个装置检查1次,发现问题,及时处理3、什么叫失爆?常见的失爆现象有哪些?答:指已在井下安装、使用的电气设备失去了耐爆性和隔爆性的现象。
常见现象有:(1)外壳变形,有裂纹、开焊;(2)螺栓不全、松动,缺少弹簧垫圈;(3)外壳内外有锈皮脱落;(4)接合面上有机械伤痕、凹坑、间隙超过规定值;(5)接线时未使用密封圈或使用不合格密封圈;(6)不用的接线孔未封堵;(7)由于接线柱绝缘套管烧坏,而使两隔爆空腔连通;(8)联锁装置不全、变型。
4、煤矿安全规程第329条:炮眼深度和炮眼的封泥长度应符合哪些要求?炮眼深度和炮眼的封泥长度应符合下列要求:(1)炮眼深度小于0.6m时,不得装药、爆破(二)炮眼深度为0.6~1m 时,封泥长度不得小于炮眼深度的1/2。
(2)炮眼深度超过1m 时,封泥长度不得小于0.5m。
(3)炮眼深度超过2.5m时,封泥长度不得小于1m。
(4)光面爆破时,周边光爆炮眼应用炮泥封实,且封泥长度不得小于0.3m。
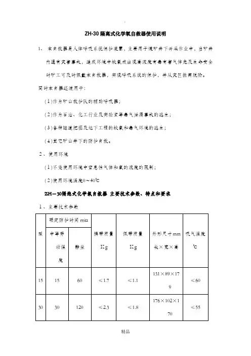
ZH-30隔离式化学氧自救器使用说明1、本自救器是人体呼吸系统保护装置,主要用于煤矿井下开采作业中,当矿井内遇有灾害事故,造成环境中缺氧或出现高浓度有毒有害气体危及生命安全时矿工可及时佩戴本自救器,实现呼吸系统的保护,并从灾区撤离脱险。
同时本自器还适用于:(1)作为矿山救护队的辅助呼吸器;(2)作为石油、化工行业及实验室等毒气泄漏事故的逃生;(3)各种隧道挖掘及地下工程的缺氧和毒气环境的逃生;(4)其它矿山井下的防护自救。
2、使用环境(1)不受使用环境中窒息性气体和氧的浓度的限制;(2)使用环境温度0~40℃ZH-30隔绝式化学氧自救器主要技术参数、特点和要求1、主要技术参数2特点和要求(1)初期生氧起动装置采用氯酸盐氧烛,生氧快,安全可靠。
(2)采用KO 2片状生氧剂,生氧均匀充足,粉尘少,性能稳定,吸气温度低,呼吸阻力小。
(3)采用玻璃纤维复合阻尘垫,阻尘效果好,佩戴舒适。
ZH-30隔绝式化学氧自救器结构和工作原理征本自救器呼吸保护器的呼吸气路为往复式,采用KO2片状生氧剂,氧烛起动装置。
呼气经口具进入生氧药罐产生氧气吸收二氧化碳,含富氧气体进入气囊。
吸气时,气囊中气体经药罐再次净化进入口具,吸入口腔,因为生氧剂的生氧速度生氧量大于人体消耗氧气,当呼吸保护器内气体大于排气阀开启压力时,排气阀自动开启排气,低于排气压力时,排气阀自动关闭,保障呼吸与外界大气隔绝。
生氧过程主要反应方程式为:2KO2+H2O→2KOH+1.5 O2+热量2KOH+CO2→K2CO3+H2O+热量ZH-30隔绝式化学氧自救器佩戴方法1、仪器携带:本自救器是携带在矿工皮带上,皮带穿在下壳的皮带环里,平时携带放在矿工腰部右侧或左侧。
2、佩戴步骤⑴、打开自救器:用拇指和食指拉红色搬手直至封印条断开,整个封口带脱落,把上壳掰开扔掉。
⑵、拉出自救器主题:抓住头带及包装纸把自救器主体从下壳中拉出,拔掉氧烛起动销,氧烛起动生氧,整理气囊使其展开。
ZH30隔绝式化学氧自救器使用方法矿山救护装备ZH30隔绝式化学氧自救器使用方法一、用途及适用范围化学氧自救器是利用超氧化钾生氧原理的个人呼吸保护装置,它主要适用于煤矿井下采掘作业中,当矿井内发生瓦斯爆炸、煤尘爆炸、火灾和瓦斯突出等灾害造成环境中缺氧或出现有害、有毒气体危机矿工生命安全时,可及时佩戴、迅速撤离灾区,实现逃生的目的。
其使用范围:主要用于煤矿井下或其它地下工程、化工过程和有可能出现有毒气体的环境,作业人员使用达到遇险自救的目的。
二、产品的型号及主要技术参数1型号:Z:自救器 H:化学氧 30:防护时间30分钟2防护使用时间: 功率74W 额定防护时间30min3尺寸、重量: 外形尺寸 173(长) 102(宽) 154(高)携带重量小于等于1.9kg4防护功能a:吸气温度小于等于55度b:规定防护时间内气囊中氧气浓度不小于21%,二氧化碳平均浓度不大于1.5%最大不大于3.0%,且气囊不得出现吸空现象。
c:启动装置生氧量:10s大于2L,20s大于4Ld:呼气阻力和吸气阻力:未经滚动冲击的,防护性能试验后通气阻力不大于196Pa,经滚动冲击的,防护性能试验后通气阻力不大于245Pa。
三、自救器结构与工作原理A自救器外部结构:1上外壳组2后封带组3保护带4下外壳组5前封带组6铭牌B自救器呼吸保护器结构:1呼吸软管2氧气瓶3出气接口4护套5生氧罐组6护套7大卡箍8小卡箍9呼吸气囊组10脖带组11降温网12支架13鼻夹绳14鼻夹弹簧15鼻夹垫16口具塞C工作原理:本产品是利用化学药品超氧化钾(符合MT427【超氧化钾片状生氧剂技术条件】)生氧原理的个人呼吸保护装置,呼吸保护器与外界空气隔绝,呼吸方式为往复式,佩戴初期,人体所需氧气由氧气瓶生氧启动装置(符合AQ|1057-2008【化学氧自救器初期生氧器】)提供初期供氧。
使用时不受周围环境有害气体限制。
佩戴者呼气时,呼气经口具、降温网、上孔板和上网板组件与药罐体内的生氧药剂发生下列化学反应。
ZH-30型隔绝式化学氧自救器佩戴步骤
1.自救器随身携带系在腰带上
2.使用时揭开扳手粘扣
3.用拇指板起红色扳手拉断,拉断封印条拉开封口带
4.揭开上外壳扔掉
5.取出自救器扔掉下外壳
6.用拇指扳开初期生氧器的启动扳手,顺时针转动150度左右
7.拔掉口具塞
8.口含呼吸口具咬口,此时若气囊袋已鼓起,可夹好鼻夹用口呼吸,若气囊未鼓起,
应向自救器内呼气,将气囊吹鼓,然后夹好鼻夹用口呼吸
9.挂上脖带
10.系上腰带
11.佩戴完毕后戴好安全帽,匀速撤离灾区
ZH-30型隔绝式化学氧自救器佩戴步骤
1.自救器随身携带系在腰带上
2.使用时揭开扳手粘扣
3.用拇指板起红色扳手拉断,拉断封印条拉开封口带
4.揭开上外壳扔掉
5.取出自救器扔掉下外壳
6.用拇指扳开初期生氧器的启动扳手,顺时针转动150度左右
7.拔掉口具塞
8.口含呼吸口具咬口,此时若气囊袋已鼓起,可夹好鼻夹用口呼吸,若气囊未鼓起,应向自救器内呼气,将气囊吹鼓,然后夹好鼻夹用口呼吸
9.挂上脖带
10.系上腰带
11.佩戴完毕后戴好安全帽,匀速撤离灾区。
隔绝式压缩氧自救器产品使用说明书执行标准: MT 711-1997版本号: VER1.0出版日期: 2007年1月感谢您选购本产品!为了保证安全并获得最佳效能,安装、使用产品前,请详细阅读本使用说明书并妥善保管,以备今后参考。
警告1、使用本产品前请详细阅读产品使用说明书,并严格按照使用说明书之要求对产品各项指标进行检验、使用、操作维护、保养。
2、产品使用、贮存、运输应远离火源。
3、各零部件严禁油污。
4、禁止替代、更改添加或遗漏零部件,只允许使用本公司提供的零件。
5、要清楚压缩氧的危险性。
在有明火或火花的场合严禁打开氧气瓶阀。
6、开启气瓶开关应缓慢进行,否则突然释放的高压氧气会起火或爆炸。
7、严禁未经过专业训练的人员拆卸、装配、操作、使用本产品。
8、在更换氢氧化钙和充填氧气时应按规定执行。
目录一、概述 (1)二、结构特征与工作原理 (1)三、技术性能 (4)四、使用与操作 (4)五、使用注意事项 (6)六、日常维护与保养 (6)七、故障分析与排除 (7)八、运输与贮存 (7)九、开箱及检查 (7)十、售后服务 (7)十一、成套性 (8)一、概述1、产品主要用途及适用范围 186史娟6076中煤1557压缩氧自救器主要用于煤矿井下或环境空气发生有毒气体污染及缺氧窒息性灾害时,现场人员迅速佩戴,保护佩戴人员正常呼吸讯速逃离灾区实现自救。
本自救器主要适用于下述场合:1)可供煤矿井下作业人员在发生瓦斯突出、爆炸、井下环境空气被有害气体污染等灾害性事故时,以及救护人员在呼吸器发生故障时迅速撤离灾区使用。
2)可供化工部门在对设备进行简单维护以及有毒有害气体逸出时使用。
3)可供石油开采作业时,天然气及其它有毒气体大量突出时使用。
4)可装备在现代化高层建筑中,当发生灾害性火灾、二氧化碳严重污染环境时,供遇难人员佩戴逃生和待救时使用。
5)也可供其它部门在有毒有害气体或缺氧环境中使用。
2、产品特点1)本系列压缩氧自救器采用了人体呼吸系统与外界环境完全隔绝,可以有效防止各种有毒有害气体侵入人体呼吸系统,能满足遇险人员快速逃生时使用。
(一)化学氧自救器
1.自救器随身携带系在腰带上,在顺手侧(右侧)。
2.使用时去掉保护套。
3.用手指扳起红色扳手,拉断封印条,拉开封口带。
4.揭开并丢掉上壳体。
5.取出自救器,扔掉下壳体。
6.用拇指扳开初期生氧器的启动扳手,顺时针转动150度左右。
7.拔掉口具塞
8.口含呼吸口具咬口,此时若气囊袋未鼓起,应向自救器呼气将气囊吹鼓,然后夹好鼻夹用口呼吸,取下安全帽。
9.带好头带。
10.佩戴完毕戴好安全帽,并举手示意操作完毕。
(二)过滤式自救器
1.自救器系在腰带上,在顺手侧随身携带(右侧)。
2.掀开保护罩。
3.用拇指掀起红色开启扳手,拉断封印条,扔掉封口带。
4.去掉上外壳。
5.抓住头带,取出滤毒罐,丢掉下外壳。
6.拉起鼻夹,将口具塞拔掉,把口具放入口腔内,牙齿咬住牙垫。
7.使口具片完全含在嘴唇与牙齿之间,使口部密封。
8.两手拉开橡胶鼻夹,夹在鼻子的两侧。
9.取下安全帽,戴好自救器头带。
10.戴上安全帽,举手示意,操作完毕。
注:如果下壳体变形,无法取出滤毒罐,仍可佩用。
但在佩用过程中呼吸阻力会增大。
煤矿压缩氧自救器的使用方法一、压缩氧自救器(AZY-40隔绝式)1、压缩氧自救器使用方法:(1)将自救器从佩戴时的腰部侧面移到人体正前面。
(2)用左手水平用力拉着力环,使上壳上的塑料挂钩从下壳脱出;用右手解开上下外壳的金属连接扣鼻,再用手沿竖直方向将上壳提起,使它上下壳脱离。
这样就完成了自救器的启封。
(3)取下口具,将口具放在唇齿之间,牙齿紧紧咬住口具牙垫,并紧闭嘴唇,使人体口腔与口具之间有可靠的气密。
(4)逆时针转动气瓶把手,然后马上沿水平轴向按动手动供气阀,气囊鼓起后松开手指,迅速掰开鼻夹夹住鼻翼两侧,使鼻腔与外界隔绝,用嘴通过口具呼吸。
(5)使用过程中应每隔3-4分钟按动手动供气阀,向气囊及时手动供气.气囊鼓起后,停止手动供气.2、压缩氧自救器使用注意事项:(1)入井前要注意观察压力表指示值,若示值低于是18Mpa,则需对其充氧后方可保证有效使用时间。
(2)在使用过程中,最好用右手抚住氧气瓶开关体,以便能及时按动手动补气阀向气囊内供氧气。
(3)用手动补氧时,切不可将气囊充得太满,以刚好充满而口内又无压迫感为宜。
否则,人会感到呼气困难和造成口具脱落。
(4)要随时观察压力表,以掌握耗氧情况及撤离灾区时间.(5)使用过程中,要保持沉着,呼吸要慢而深,以便二氧化碳的充分吸收。
在使用10分钟左右后,温度会略有上升,不必惊慌。
二、使用其它注意事项;1、使用该仪器的人员,应预先进行实践培训,以便能在最短的时间内完成佩戴动作.2、由于口具,软管,气囊均属于橡胶制品,有个别人咬上口具后会出现呕吐的感觉,此时调整好心态,坚持住。
3、鼻夹要夹准,不能怕痛,要使鼻孔完全闭合与外界隔绝。
鼻夹夹的位置过高过低均易造成脱落。
若鼻孔上有油脂,可涂上一些干灰,以增大摩擦,防止鼻夹滑落,吸入有害气体.如果发生鼻夹脱落,应立即闭气,并以最快的速度将鼻夹复位后,再撤离灾区。
4、严禁通过或摘掉口具讲话,以免口具脱落吸入有害气体。
5、不要无故开启自救器,严禁将其当坐垫使用,严禁用重物及其它工具砸自救器。
压缩氧自救器使用方法和步骤
1)将佩戴在人体身上的自救器移至身体的正前方。
2)双手分别捏住上盖锁扣迅速取下上盖。
3)取下上盖丢弃。
4)展开气囊。
注意气囊不能扭折。
5)拔掉扣具塞,把口具放入口中,口具片应放在唇和下齿之间。
牙齿紧紧咬住嚼块,紧闭嘴唇,使之具有可靠的气密性。
6)逆时针旋动氧气瓶开关旋扭,打开氧气瓶开关(必须完全打开),然后用手指按补气压板,使气囊迅速鼓起。
7)把鼻夹弹簧扳开,将鼻夹准确的夹住鼻孔,用嘴呼吸。
使用中如果看见气囊在呼完气后仍不太鼓或吸气有憋气感时,应及时用手动补气压板向气囊补气,直至气囊鼓起(注意:手动补气不要频繁使用,以免浪费氧气,缩短使用时间);也可用力吸气,气囊吸瘪后,补气压板压迫补气杆,也会自动补气。
8)自救器佩戴完毕后选择最短逃生路线,迅速逃离灾区。
煤矿压缩氧自救器佩戴方法1、把压缩氧自救器背带调至合适位置,挎到脖子上,保证撤退过程中脖子能够承受自救器的重量。
(戴跨带)2、拉开保护扳手的保护套。
(去护套)3、用拇指竖直向上掀起开启扳手撑开封印条,打开封口带。
(开扳手)4、去掉上壳并抛掉。
(扔外壳)5、展开气囊,保证气囊不能扭折。
(展气囊)6、拔掉口具塞并同时将口具放入口中,口具置于唇齿之间,牙齿紧紧咬住牙垫,紧闭嘴唇。
(咬口具)7、逆时针转动氧气瓶开关手轮,完全打开氧气瓶开关。
(开气瓶)8、用手指按动补气压板,使气囊迅速鼓起。
(压气板)9、把鼻夹弹簧板开,将鼻垫准确的夹住鼻孔,用嘴呼吸。
使用如果看见气囊在呼完气后仍不太鼓,或吸气有憋气感时,应及时手动补气,直到气囊鼓起。
(夹鼻夹)10、安全撤离注意事项:1、携带自救器前,观察压力表的指示值不得低于18MPA,使用过程中要养成经常观察压力表的习惯,以掌握耗氧情况及撤离灾区的时间。
2、不要无故开启,磕碰及坐压自救器。
3、在未达到安全地点时不要摘下自救器。
4、逃生过程中,严禁拿出口具说话,只能用手势进行联络5、使用前应进行试用培训。
6、使用时保持沉着,在呼气和吸气时都要慢而深(即深呼吸)。
口与自救器的距离不能过近,以免气囊打折,呼气阻力增加。
使自救器处在最佳状态。
在使用过程的中后期,清净罐的温度略有上升是正常的,不必紧张。
7、使用中特别注意防止利器刺伤、划伤气囊。
8、高温下使用自救器应遵守有关规定。
ZH30型隔绝式化学氧自救器的使用方法初次使用前,需要检查自救器的外观是否完好。
检查是否有损坏、变形、破损或其他不正常情况。
如果发现任何问题,不要使用该自救器。
1.取出自救器:将自救器从包装中取出,并确保它在逃生时容易拿取的位置,如背包、钢琴表等。
2.戴上自救器:取下自救器的稳定带,垂直将其戴在头部。
确保自救器紧贴面部,鼻子和口袋被完全包裹住。
3.调整自救器:根据需要调整自救器的稳定带,使其贴合头部。
通过佩戴感觉来判断自救器是否正确调整。
4.检查自救器:触摸自救器的截流阀,确保其密封。
5.启动自救器:将截流阀旋转至启动位置,将自救器中的化学物质和氧气释放。
这个过程可能会伴随着噪音和轻微震动,属于正常现象。
6.呼吸氧气:通过自救器的口袋呼吸,每次吸气和呼气需要间隔一秒钟。
如果发现呼吸有困难,应配合呼吸节奏来使用自救器。
7.疏散逃生:在化学氧自救器的作用下,尽快疏散和逃生。
遵循疏散路线和紧急逃生计划。
遇到不适时,应通过呼叫求救和寻找安全的地方来寻求帮助。
8.结束使用:在安全地点停止使用自救器,轻轻放下自救器,以免损坏。
9.保养和存储:每次使用后,应检查和清洁自救器。
确保自救器处于良好的工作状态。
存放在干燥,通风和温度适宜的地方,避免阳光直射。
值得注意的是,使用自救器时,必须按照使用指南和安全规定来操作。
必要时,可以接受相关的自救器使用培训。
在使用自救器之前,应该了解自救器的有效使用时间和适用条件,并确保自救器在使用期限之内。
此外,自救器只适用于短时间的紧急疏散和呼吸。
在有其他逃生装备和安全设备的情况下,应优先使用其他装备。
压缩氧自救器使用方法
(1)自救器应系在腰带上随身携带,下井前检查外壳是否完好、氧气压力是否在20MPa以上。
(2)使用时将自救器旋到腹部正前方。
(3)取掉保护罩。
(4)用拇指搬起搬手拉断封印条,扔掉前、后封口带。
(5)打开上外壳并扔掉。
(6)将头带、气囊和鼻夹摆顺,摘掉矿帽,戴好头带。
(7)戴好矿帽,系好帽带。
(8)逆时针旋转开关,开启氧气瓶。
(9)拔掉口具塞,咬紧口具,将口具橡胶片置于牙齿与嘴唇之间。
(10)夹紧鼻夹,用口呼吸。
(11)氧气不足时,用手按补压气板快速供氧。
(12)佩带完毕,用手托住下外壳,保持镇定,中速行走撤离事故现场。
自救器日常佩戴和使用注意事项
①严禁无故开启,磕碰及坐压自救器。
②使用时保持沉着,在呼气和吸气时都要慢而深(深呼吸)。
口与自救器的距离不能过近,以免气囊内的呼气软管打折,呼气阻力增加,要确保自救器处在最佳状态。
在使用后期,清洁罐的温度略有上升是正常的,不必紧张。
③使用中应特别注意防止利器刺伤,划伤气囊。
④在未到达安全地点时,严禁拿出口具说话,以免吸入有
害气体,造成安全事故。
⑤在未到达安全地点时不要摘下自救器。
⑥携带压缩氧气自救器下井前,观察氧气瓶压力表的指示
值,不得低于20Mpa。
隔绝式压缩氧自救器使用方法
隔绝式压缩氧自救器是一种紧急救援装备,通常用于高海拔地区、矿井、水下作业等环境中,以供应氧气给遇险人员使用。
正确的使用方法可以帮助人们在危险环境中保持清醒和生存。
下面将介绍隔绝式压缩氧自救器的使用方法。
首先,使用者在使用隔绝式压缩氧自救器前,需要仔细阅读并熟悉使用说明书。
了解自救器的结构和功能,掌握如何正确佩戴和使用自救器是非常重要的。
其次,使用者需要检查自救器的状态。
检查自救器的氧气瓶是否安装牢固,氧气管路是否畅通,面罩是否完好无损。
确保自救器处于正常工作状态,没有任何损坏和泄漏。
接着,使用者需要正确佩戴自救器。
将自救器的面罩放置在头部,拉紧面罩带,确保面罩与面部完全贴合,没有漏气现象。
调整面罩的位置,使得视线畅通,呼吸顺畅。
然后,使用者需要打开自救器的氧气开关。
在确保自身安全的情况下,打开氧气开关,让自救器开始供应氧气。
在使用过程中,
要时刻留意自救器的氧气储备情况,确保有足够的氧气供应。
最后,使用者需要保持镇定和冷静。
在遇到危险情况时,保持镇定是非常重要的。
正确使用隔绝式压缩氧自救器,可以帮助使用者保持清醒和冷静,有效地应对突发情况。
总之,隔绝式压缩氧自救器是一种重要的紧急救援装备,正确的使用方法可以帮助人们在危险环境中保持生存。
使用者需要充分了解自救器的结构和功能,熟悉使用方法,并在使用前进行检查和调试。
正确佩戴和使用自救器,保持镇定和冷静,是保障自身安全的关键。
希望大家能够牢记这些使用方法,以备不时之需。
ZYX30隔绝式压缩氧自救器佩戴详细图:
1.上壳组
2. 口具
3. 补气压板
4.气囊
5.封口带组
6.背带环
7.下壳组
8.底盖
9.背带组 10支架螺母11. 氧气瓶支架 12. 氧气瓶 13. 减压阀 14. 氧气瓶开关 15.氧气压力表
ZYX30 隔绝式压缩氧自救器结构图
自救器正确佩戴图正确佩戴图
将自救器挂在腰间皮带上。
图一、
将自救器移至身体前方。
图二、
一手握紧自救器,另一只用力打开,开起挂扣,取下上盖,将背带挂于脖间。
图三
两手展开气囊,气囊不要扭折。
图四、
咬住器具口具片置于唇齿间,牙齿紧咬牙垫并紧闭嘴唇,
确保气密。
图五、
逆时针转动氧气瓶开关(14),然后用手指按动补气压板,使气囊(4)迅速鼓起。
图六:
待气囊鼓起后,用手掰开鼻夹上的弹簧后,将鼻夹垫准确夹住鼻翼不得漏气,用嘴呼吸。
图七、
双手托起仪器,并保持匀速前进,迅速撤离灾害现场。