满堂红脚手架搭设要求
- 格式:doc
- 大小:29.00 KB
- 文档页数:6
满堂红脚手架搭设规范满堂红脚手架搭设规范一、安全规定1. 脚手架的搭设必须严格按照安全规范进行,任何违反安全规定的行为都是不允许的。
2. 在搭设脚手架时,必须保证脚手架能够承受工作人员和材料的重量,同时还要考虑天气等因素对脚手架的影响。
3. 搭设脚手架前,必须对工作人员进行脚手架的安全培训,让他们能够正确使用和维护脚手架。
4. 在搭设脚手架期间,必须设置警示标志,以提醒周围人员注意脚手架的存在,并尽量避免人员靠近脚手架。
二、搭设程序1. 搭设脚手架前,必须进行现场勘测,确定脚手架的搭设位置和高度。
2. 根据勘测结果,制定脚手架搭设方案,包括脚手架的尺寸、高度和支撑材料等。
3. 根据搭设方案,搭设脚手架。
在搭设过程中,要注意脚手架的稳固性和平整度,确保搭设完成后的脚手架能够稳定支撑工作人员和材料。
4. 搭设完成后,进行脚手架的验收,确保脚手架符合搭设方案的要求,并且能够满足工作的需要。
三、脚手架使用1. 在使用脚手架时,必须按照规定的通道上下,严禁从脚手架外部攀爬上下。
2. 工作人员必须正确佩戴安全帽和防滑鞋等个人防护装备,以确保自身的安全。
3. 在脚手架上工作时,必须保持平稳和站稳,严禁异动、晃动或者做不稳定的动作。
4. 在脚手架上工作时,必须尽量减少杂物和垃圾的堆放,以免影响脚手架的稳定性。
四、脚手架维护1. 在使用脚手架期间,必须定期对脚手架进行检查,确保脚手架的稳定性和安全性,如有损坏或者问题,要及时修复或更换。
2. 脚手架搭设完毕后,要做好防腐、防锈等保养工作,延长脚手架的使用寿命。
3. 脚手架使用完毕后,要及时拆除,并且保证拆除过程的安全。
拆除后的脚手架要进行分类存放,不得堆放杂物或占用通道。
五、危险提示1. 脚手架上禁止吊挂重物或倾斜物,以免造成脚手架的破坏或倾覆。
2. 不得在脚手架上焊接或进行其他可能引发火灾的操作。
3. 禁止在脚手架上进行比赛、打闹等危险行为,以免发生意外事故。
本规范适用于满堂红脚手架的搭设,旨在确保搭设的脚手架能够安全使用,并且保障工作人员的生命安全。
全技术交底记录
施工单位: 2002年月日安管表
XXX城乡建设安全监察站监印
安全生产十项注意事项
一、工作前穿戴好规定的劳动防护品,检查设备及作业场地,做到安全可靠。
二、不违章作业,并监督制止他人违章作业。
三、不准擅自开动别人操作的机械,电器开关设备。
登高作业应戴好安全带、安全帽、并有专人监护、防止坠落,严禁向下乱抛工具和设备零件。
四、不准随便拆除各种安全防护装置、信号标志、仪表及专指示器等。
保持设备齐全有效灵敏可靠。
五、不准随意启动设备。
机器设备停机检查或修理时,应切断电源并悬挂警示牌,取牌人应是挂牌人。
开机时发出信号,听到回音确定安全后才能开机。
六、不准吊装物及下行人。
多人操作起重搬运要统一指挥,密切配合。
不准超负荷使用机器。
七、不准在易燃物品附近吸烟动火,不乱扔垃圾。
八、不准在厂内无证驾驶机动车辆,机动车进出车间转弯必须鸣号减速。
车辆行驶中严禁爬上跳下。
九、工作时精力集中,不准打闹、赤脚、赤膊、穿拖鞋和高跟鞋。
十、上班时间不准怠工、滋事、脱岗或擅离职守。
有事请假经领导批准后方可离开岗位。
满堂红脚手架搭设规范满堂红脚手架搭设规范为了确保施工安全,规范脚手架搭设是十分重要的。
满堂红脚手架搭设规范如下:一、安全教育培训1.施工前,搭设人员必须接受相关安全教育培训,了解脚手架搭设规范和施工安全注意事项。
2.参与搭设脚手架的人员必须持有有效的上岗证书,并具备相关经验。
二、材料和设备准备1.脚手架材料必须符合国家标准,具备足够的强度和稳定性。
2.使用的脚手架设备必须经过检查,保证完好无损。
3.搭设现场必须配备适当的工具和装备,如扣件、锤子、钳子等。
三、搭设过程1.搭设前必须进行土壤的勘察,确保地基承载力符合要求。
2.脚手架的设置位置必须考虑到工程的要求、地形地貌和周边环境,避免影响安全。
3.搭设前必须询问专业人士的意见,并制定详细的搭设方案。
4.在搭设过程中,工人必须穿着符合要求的安全防护装备,严禁裸露上身或穿着拖鞋等不安全的服装。
5.搭设脚手架时,必须按照搭设方案进行,逐步搭设,严禁乱搭乱拆或超过设计承载力。
四、检查和维护1.搭设完成后,必须进行全面的检查,确保脚手架的稳定性和承载能力。
2.检查时要注意扣件是否牢固,杆件是否有裂纹或变形等,若发现问题要及时修理或更换。
3.脚手架的使用寿命一般不得超过5年,超过限定年限必须进行强度验收和维修。
五、使用注意事项1.使用脚手架时,必须按照规定的通道登高、登低,严禁跳跃、外移或携带重物。
2.严禁在脚手架上施工或存放杂物,以免影响稳定性。
3.使用过程中必须随时注意保持脚手架的平衡稳定,并避免晃动。
4.当发现脚手架有问题或存在不安全隐患时,必须立即停止使用,并及时通知项目负责人或相关部门。
六、拆除和存放1.拆除脚手架前必须重新检查脚手架的稳定性和承载能力。
2.拆除过程中必须从上往下逐层拆除,严禁乱拆乱扔或一次拆除多层。
3.拆除后脚手架材料必须妥善存放,避免受潮、变形等损坏。
总之,满堂红脚手架搭设规范的目的是确保施工安全,保护工人的生命财产安全,提高施工效率。
满堂红脚手架搭设作业要点
1安装满堂脚手架前,应在架体放出纵横方向位置线并进行抄平。
2、 水平架或脚手板应每步设置。
顶步作业层应满铺脚手板,并应采用 可靠连接方式与门架横梁固定,大于 200mm 的缝隙应挂安全平网。
3、 水平加固杆应在满堂脚手架的周边顶层、底层及中间每
5列、5排 通长连续设置,并应采用扣件与立杆扣牢。
4、 剪刀撑应在满堂脚架外侧周边和内部每隔间间隔距设置,剪刀撑斜 杆与地面倾角宜为45°七0°。
5、 满堂脚手架距墙或其他结构物边缘距离应小于 0.5m ,周围应设置栏 杆。
6、 满堂脚手架中间设置通道时,通道上部应每步设置水平加固杆。
通 道两侧门架应设置斜撑杆。
7、 满堂脚手架的搭设可采用逐列逐排和逐层搭设的方法,并应随搭随 设剪刀撑、水平纵横加固杆、和通道板等安全防护构件。
8搭设、拆除满堂脚手架时,施工操作层应铺设脚手板,工人应系安 全带。
9、满堂脚手架组装完毕后应进行下列各项内容的验收检查:
1) 门架设置情况;
2) 交叉支撑、水平架及水平加固杆、剪刀撑及脚手板配置情况;
3) 门架横杆荷载状况;
4) 底座、顶托螺旋杆伸出长度;
5) 扣件紧固扭力矩;
6) 垫木情况;
7) 安全网设置情况。
安
全 注
意
事 项。
2024年满堂架搭设方法以及要求1.满堂架下面所用的竹胶板垫块,应使用下脚料制作,制作规格为xx00mm严禁使用大块模板制作。
2.满堂架立杆间距L800mm,48mm钢管搭设,水平杆不得少于3道,扫地干一道,中间杆一道,梁底杆一道。
以及加设剪刀撑。
3.架体的整体性与稳定性构造:1).立杆:架体设纵横向扫地杆,扫地杆设在基础上平面200mm处的立杆上,用十字扣件固定在立杆上,立杆之间必须按步距满设双向水平杆,确保两方向足够的设计刚度。
立杆接头要错开不设在同一层面上,立杆下端与垫木间增加木楔,用来调整立杆沉降不匀。
2)水平杆:纵横向水平杆用直角扣件固定在立杆上,扣件的拧紧力矩控制在45-60Nm,水平杆在转角处必须交圈(形成井字形结构);水平杆接长时,相邻两接头不在同步同跨内。
不同步、不同跨,两个接头在高度方向错开的距离不宜小于500㎜。
3)连墙杆:架体与混凝土框柱进行有效的附墙连接,以提高支模架在施工荷载作用下的变形能力。
4)、剪刀撑设置:竖向剪刀撑:沿支模架外排立杆的四周满设剪刀撑;中间部每隔7.5~9.0m设置竖向剪刀撑;纵、横向剪刀撑按三步六跨通高设置。
水平剪刀撑:当支撑架高度20m时,在架体顶部和中部每隔6.0~7.5m设水平剪刀撑,以提高架体抵抗水平施工荷载冲击时的稳定性;任何情况下,高支撑架的顶部和底部必须设水平剪刀撑。
5)、中厅四周各层3-4排支撑架在各层施工完后不拆除,作为水箱屋面花架梁支模架的辅助架,以利于花架梁支模架的整体稳定。
中厅一层卸荷架与以上各层支模架立杆竖直对应,立杆下垫50mm厚、250mm宽的木板2梁模支设及细部做法要求:1)梁底模板,首先算出梁底高度,起拱高度,在按梁底标高操平,通梁将两端水平固定,然后拉通线将中间水平杆固定,固定间距不不大于800mm,根据梁宽度放置预先加工好。
将梁底板放置在固定好的架子上,线绳拉直,在立绑板,绑板立在10cm的方木上,在粱榜上钉上方木,用钢管与水平杆将绑板锁死,上口在平板的水平钢管连接顶死,如果大于750mm的梁必须使用对拉杆,粱绑校正加固完后再铺设顶板。
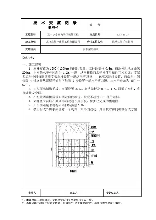
A-1#办公楼及商业裙房等11项B-1#办公楼及商业裙房等11项大堂装修工程满堂红脚手架搭设方案编制人:审核人:批准人:东宁丽致建筑装饰工程有限公司ABC项目部(A区、B北区)2013.05.2890平米大堂满堂红脚手架搭设技术要求1该工程为每栋楼首层大堂,平面尺寸为13.5m×6.75m,呈矩形。
大厅天花标高高度为6米。
考虑到屋面天棚施工,从首层地面开始搭设碗扣式满堂红脚手架。
一、架子工施工安全要求:1.登高作业人员(架子工)必须经过安全技术培训并通过考核,持证上岗。
架子工学徒工必须办理学习证,在技工带领、指导下操作,高处作业人员,不得患有高血压、心脏病、贫血、癫痫病、恐高症、眩晕等禁忌证。
非架子工不得单独进行作业。
2.脚手架搭设前应清除障碍物、平整场地、夯实基土、作好排水,应符合脚手架专项施工组织设计(施工方案)和技术措施交底的要求,基础验收合格后,放线定位。
支搭脚手架作业前应对杆、扣件及其配件进行检查,包括杆件及其配件是否存在焊口开裂、严重锈蚀、扭曲变形情况,配件是否齐全,符合要求后方可使用。
3.作业中严格执行施工方案和技术交底,分工明确,听从指挥,协调配合。
4.严禁赤脚、穿拖鞋、穿硬底鞋作业。
严禁在架子上打闹、休息,严禁酒后作业。
正确使用安全防护用品,必须系安全带,着装灵便,穿防滑鞋。
作业时精力集中,团结合作,互相呼应,统一指挥,不得走“过档”和跳跃架子。
5.架子组装、拆除作业必须3人以上配合操作,必须按照程序支搭、组装和拆除脚手架。
严禁擅自拆卸任何固定扣件、杆件及连墙件。
6.班组接受任务后,必须组织全体人员认真领会脚手架专项施工组织设计和技术措施交底,研讨搭设方法,明确分工,由一名技术好、有经验的人员负责搭设技术指导和监护。
7.脚手架要结合进度搭设,搭设未完的脚手架,在离开作业岗位时,不得留有未固定的构件和不安全隐患,确保架子稳定。
8.作业场地应平整、坚实,无杂物。
夜间作业时,作业场所必须有足够的照明。
满堂红脚手架技术要求脚手架是建筑施工过程中常用的工具,它为工人提供了安全、稳定的工作平台。
而满堂红脚手架是一种常见的脚手架,它具有一定的技术要求,以确保施工过程的安全和质量。
本文将详细介绍满堂红脚手架的技术要求。
1. 材料要求满堂红脚手架所使用的材料必须符合国家相关标准,并且具有足够的强度和稳定性。
常见的材料包括钢管、钢板、铁丝、脚轮等。
在选择材料时,应确保其具有耐久性、抗腐蚀性和承重能力,并且能够适应各种施工环境。
2. 设计要求满堂红脚手架的设计要满足建筑施工的需求,并且能够适应各种场地条件。
设计应考虑到脚手架的布置、支撑、连接等方面,以确保脚手架的稳定性和安全性。
此外,设计还应考虑到脚手架的可拆卸性和可调节性,以便根据施工的需要进行调整和拆卸。
3. 搭设要求满堂红脚手架的搭设应按照设计要求进行,且搭设过程中应注意以下几点。
首先,搭设过程中必须使用专业人员进行操作,并严格按照搭设方案进行。
其次,在搭设脚手架之前,必须进行场地勘测,了解地基的承重能力和地势等情况,并进行相应的加固措施。
最后,在搭设过程中,应严格按照脚手架的稳固要求进行加固,确保脚手架的稳定性。
4. 使用要求满堂红脚手架的使用应遵循以下要求。
首先,使用前应进行全面检查,确保所有部件完好无损,连接紧固可靠。
其次,使用过程中,应设置安全警示标识,提醒工人注意安全。
同时,应定期对脚手架进行检查和维护,确保其安全可靠。
最后,在脚手架上工作时,应穿戴符合安全要求的个人防护装备,并注意施工现场的安全措施。
5. 拆除要求满堂红脚手架的拆除应按照安全规范进行。
在拆除过程中,应先解除脚手架上的所有负载,并确保负载无风险地卸下。
然后,按照逆序拆除脚手架的各个部分,并及时清理拆除产生的杂物和垃圾。
总结:满堂红脚手架在建筑施工中扮演着重要的角色,但其安全性和稳定性是施工过程中无法忽视的重点。
因此,在使用满堂红脚手架时,必须严格按照相关技术要求进行选择、设计、搭设、使用和拆除。
满堂红脚手架的搭设要求二、外脚手架施工要点1、根据本工程的设计特点和现场条件,外脚手架采用ф48钢管双排脚手架,立杆纵距1.5m,横距1.05m,内立杆距离建筑物外立面0.30m,立杆步距为1.8m ;四层屋面上立杆间距为1.5m×1.5m,在距屋面200mm处及以上每隔1.8m将所有的钢管用ф48钢管联成一整体,并采用剪刀撑加固,并利用6m斜杆将该处架子与原外架及原建筑的连墙件相连,按满堂架形式保证其整体性。
2、大横杆位于立杆内侧,其长度不小于3跨,外架内侧的大横杆的竖向间距为1.8m,外侧的大横杆的竖向间距为0.9m,即在外立杆内侧每步的中间高度处另加一根大横杆,以作防护栏杆。
3、小横杆间距1.5m,紧靠在大横杆之下,靠墙一侧外伸长度不应大于500。
4、立杆与大横杆的连接:立杆除顶层顶步可采用搭接,且搭接长度不小于1米、采用不少于2个旋转扣件、扣件端部距连接杆端不小于100外,其余均应采用对接扣件连接,接头应错开不在同步内,错开的距离不小于500,各接头中心至主节点的距离不宜大于600。
5、大横杆的连接宜对接扣件连接,也可采用搭接,接头应错开在不同步、不同跨内,错开的距离不小于500,各接头中心至主节点的距离不宜大于500,搭接长度不小于1米,应等间距采用3个旋转扣件予以固定,扣件端部距连接杆端不小于100。
6、落地式脚手架底部设槽钢。
立杆底部应设纵横向扫地杆,纵向扫地杆离地不大于200,纵向扫地杆紧贴在横向扫地杆之下。
7、剪刀撑设置:纵向剪刀撑应在外立面连续设置,每道剪刀撑宽度不小于4跨、不大于6跨,且与地面成45°~60°角,每个交叉点均应用旋转扣件将剪刀撑斜杆与立杆或小横杆伸出端固定,接头中心至主节点的距离不宜大于150,剪刀撑斜杆的接长宜采用搭接连接,接头要求与立杆搭接接头要求相同,转角处和中间每6跨设一道横向剪刀撑,由底至顶在同一件间呈“之”字型连续布置,斜杆采用不少于2个旋转扣件固定在与之相交的小横杆的伸出端,各接头中心至主节点的距离不宜大于150。
满堂红脚手架技术要求引言:在建筑行业中,脚手架是不可或缺的工具,它为施工人员提供了必要的支撑和安全保障。
满堂红脚手架作为一种常用的脚手架类型,在市场上具有广泛的应用。
为了确保施工安全和质量,满堂红脚手架的技术要求显得尤为重要。
本文将详细介绍满堂红脚手架技术要求的相关内容。
一、材料选择要求满堂红脚手架的质量和使用寿命直接关系到施工的安全性和工程的质量。
因此,在材料的选择上必须严格把关。
一般来说,满堂红脚手架的主要材料包括钢管、钢板、钢丝绳等。
这些材料必须符合国家标准,具有合格的材质和适当的强度。
在选用钢管时,必须确保钢管表面光滑且无明显的凹陷、磕碰等损伤。
钢板的选用要求是表面光滑平整、无裂纹或明显锈蚀迹象。
钢丝绳则要求无明显的断丝、损伤或变形现象,且必须经过充分的拉力测试。
二、搭建要求搭建满堂红脚手架时,必须按照规范进行操作,并且遵循以下技术要求:1. 基础处理:在搭建脚手架之前,必须对基础进行处理,确保其稳定和承重能力。
常见的处理方式包括均整、压实、加固等。
2. 立杆设置:立杆的设置必须牢固可靠,不得有倾斜和晃动现象。
立杆之间的间距应保持合理,一般为1.2米。
3. 横杆安装:横杆的安装应严格按照规范进行,确保横杆与立杆之间的连接牢固,不得存在脱落或松动的情况。
4. 竖杆间距:满堂红脚手架的竖杆间距应根据实际需求进行设置,一般为1.5-2.0米。
竖杆之间必须相互平行,保证整个脚手架的稳定性。
5. 防倾措施:为防止满堂红脚手架因外力作用而发生倾斜,必须设置足够的水平和斜向支撑,以增加脚手架的稳定性。
三、使用要求满堂红脚手架在使用过程中,为了保证施工安全和工作效率,必须遵循以下使用要求:1. 负荷限制:满堂红脚手架的安全负荷是指脚手架能够承受的最大荷载。
用户在使用时必须清楚了解脚手架的安全负荷,并合理安排工作任务,不得超过其承载能力。
2. 安全操作:施工人员在脚手架上必须佩戴安全帽、安全带等个人防护装备,并严格按照操作规程进行施工。
满堂红脚手架施工及设计方案一、工程概述本次施工项目为_____,建筑总面积为_____平方米,建筑高度为_____米。
为满足施工需求,确保施工过程中的安全与稳定,需搭建满堂红脚手架进行作业。
二、满堂红脚手架设计方案(一)脚手架材料选择1、钢管:选用外径为 48mm,壁厚为 35mm 的焊接钢管,其质量应符合国家标准《碳素结构钢》(GB/T 700)中 Q235-A 级钢的规定。
钢管表面应平直光滑,不应有裂缝、结疤、分层、错位、硬弯、毛刺、压痕和深的划道。
2、扣件:采用可锻铸铁制作的扣件,其材质应符合国家标准《钢管脚手架扣件》(GB 15831)的规定。
扣件在螺栓拧紧扭力矩达65N·m 时,不得发生破坏。
3、脚手板:选用厚度不小于 50mm,宽度不小于 200mm 的木脚手板,其材质应符合国家标准《木结构设计规范》(GB 50005)中Ⅱ级材质的规定。
脚手板两端应各设直径为 4mm 的镀锌钢丝箍两道。
4、安全网:选用密目式安全立网,其网目密度不应低于 2000 目/100cm²,耐贯穿性试验不应有贯穿现象,其断裂强力、断裂伸长、接缝抗拉强力、撕裂强力等性能应符合国家标准《安全网》(GB 5725)的规定。
(二)脚手架搭设参数1、立杆间距:纵向间距为 15m,横向间距为 10m,步距为 18m。
2、剪刀撑:在架体外侧周边及内部纵、横向每隔 5m~8m,由底至顶设置连续竖向剪刀撑,剪刀撑宽度为 5m~8m;在竖向剪刀撑顶部交点平面设置连续水平剪刀撑,剪刀撑宽度为 6m~8m。
3、连墙件:采用刚性连墙件,按两步三跨设置,连墙件的垂直间距不应大于建筑物的层高,并不应大于 4m;水平间距不应大于 6m。
(三)基础处理满堂红脚手架基础应平整、坚实,具有良好的排水措施。
对于地基承载力不足的部位,应采取加固措施,如铺设垫板、浇筑混凝土基础等。
三、满堂红脚手架施工方案(一)施工准备1、技术准备:施工前,应熟悉施工图纸,编制施工方案,并对施工人员进行技术交底。
满堂脚手架搭设要求
1.立杆纵横向间距均按1.0X1.0m搭设。
2.横杆步距均按1.7~1.8m搭设。
3.纵横向扫地杆均按从地面上算,不高于200 mm全跨搭设,横向扫地杆位于纵向扫地杆的下方。
4、《JGJ130-2011建筑施工扣件式钢管脚手架安全技术规范》第6.9.6条:满堂支撑架的可调底座、可调托撑螺杆伸出长度不宜超过300mm,插入立杆内的长度不得小于150mm。
第6.9.1条:立杆伸出顶层水平杆中心线至支撑点的长度不应超过0.5m。
4.剪刀撑:○1架体四周均布满,全跨搭设剪刀撑固定。
○2纵、横方向每隔5~8m全跨贯通剪刀撑。
5.每根立杆的梁、板底支撑,均增加固定防滑扣件。
6.转换层的满堂脚手架支撑方案,由项目部出完方案后再另外补充技术交底施工。
7.以上没提到或提到的内容不太完善的,均按现行扣件式脚手架最新规范要求进行施工。
注:架子工均按以上规范要求搭设完毕后,由项目部相关人员检查合格后方能进行下一道工序施工,如不按规范要求搭设的;要求劳务队全部翻工整改直到合格为此。
满堂红脚手架搭设要求随着建筑行业的发展,脚手架成为了建筑施工中不可或缺的工具。
脚手架在建筑施工过程中起到支撑和临时工作平台的作用,为施工人员提供了安全可靠的工作环境。
而满堂红脚手架作为市面上一款颇具口碑的脚手架产品,其搭设要求也非常重要。
本文将从满堂红脚手架的搭设要求着重介绍,以供施工人员参考。
一、承重能力满堂红脚手架在施工过程中需满足一定的承重能力要求。
根据施工实际需要,应确定满堂红脚手架的承重规格和要求。
在搭设脚手架时,要对满堂红脚手架的材料、连接件和接缝进行检验,确保其承重性能符合国家标准和相关要求。
二、搭设平整度在搭设满堂红脚手架时,平整度是一个非常重要的要求。
要求搭设的脚手架平整度应符合国家相关标准,以保证施工人员的安全。
在搭设过程中,要注意调整和修正,确保脚手架支撑在平稳、坚固的基础上。
三、搭设高度满堂红脚手架在搭设时需要根据实际工程需要确定搭设高度。
在确定搭设高度时要考虑施工实际需求以及搭设脚手架的稳定性。
在搭设过程中,要合理安排脚手架的层数和高度,严禁将满堂红脚手架超过其允许的搭设高度。
四、材料及连接要求满堂红脚手架的材料和连接件也是搭设要求中非常重要的一部分。
在搭设过程中,要使用满堂红脚手架的标准材料和连接件,确保其质量达到国家标准。
同时,在连接脚手架时要注意连接件的紧固和稳固,以确保整个脚手架的结构牢固、安全可靠。
五、安全措施搭设满堂红脚手架时,安全措施是至关重要的一部分。
在搭设过程中,要严格按照安全规范进行操作,确保施工人员的安全。
在搭设时,要设置稳定的上下水平杆和扶手,以保证施工人员能够有一个平稳可靠的操作平台。
同时,要注意脚手架围护网的搭设,防止人员和物体从脚手架上坠落。
六、定期检查和维护搭设满堂红脚手架后,应定期进行检查和维护,确保其在使用过程中的安全性和稳定性。
在使用过程中,要及时处理发现的损坏和松动问题,并定期检查脚手架的安装和连接件的状态,确保其正常运行。
如有异常情况,要及时停用并进行修复。
满堂红架子搭设安全技术要求
满堂红架子搭设安全技术要求
一、承重的满堂红架子,立杆纵向、横向间距不得大于l.5m。
顺水杆每步闻隔不得大于1.4m,檩杆间距不得大于75cm。
脚手板应铺严、铺齐。
立杆底部必须夯实、垫板。
二、装修用满堂红架子,立杆纵向、横向间距不得超过2m。
靠墙的立杆应距墙面50--60cm,顺水杆每步间隔不得大于l.7m。
檩杆间距不得大于lm。
搭设高度在6m以内的,可以花铺脚手板,两块脚手板之间间距应小于20cm,板头必须用12--13号双股铁丝绑牢。
搭设高度超过6m时,必须满铺脚手板。
三、满堂红架子的四角必须绑抱角戗,戗杆与地面夹角应为45°--60°。
中间每四排立杆应设一个剪刀撑,一直到顶。
每隔两步,横向相隔四根立杆必须绑一道拉杆。
四、封顶架子立杆应绑双扣。
立杆不得露出杆头,封顶处一根接杆应大头向上,运料应预留井口。
井口四周应设护身栏或加盖板,下方支搭防护层。
上人孔洞处应设爬梯。
爬梯步距不得大于30cm。
满堂红脚手架搭设要求随着建筑工地的不断增多和建筑行业的发展,脚手架成为了建筑施工过程中必不可少的工具。
其中,满堂红脚手架作为一种常见的脚手架类型,其搭设要求日益受到关注。
本文将介绍满堂红脚手架的搭设要求,以及在使用过程中需要注意的事项。
一、满堂红脚手架的搭设要求1. 安全稳固:满堂红脚手架在搭设过程中,首先需要保证整个脚手架的安全稳固。
搭设人员应根据工程具体情况选择适当的脚手架型号和规格,确保脚手架能够承受工作人员、工具和材料的重量。
2. 基础处理:在搭设满堂红脚手架的之前,必须对施工现场的基础进行处理。
清理基础表面的杂物和障碍物,确保基础平整牢固。
如果需要在土质较软的地方搭设脚手架,还需进行基础处理,例如加固地基或者设置垫板。
3. 系统组装:满堂红脚手架是由多个组件构成的,搭设过程需要严格按照安装图纸和操作手册的要求进行。
搭设人员应熟悉满堂红脚手架的组装方式和步骤,并正确连接每个组件,确保整个脚手架的稳定性和可靠性。
4. 固定连接:搭设满堂红脚手架时,必须确保每个连接点的固定牢固。
使用专用的连接件将脚手架各个部分连接起来,并适时进行检查和紧固,以防连接件松动或脱落。
5. 安全设施:为了保证施工人员的安全,搭设满堂红脚手架时必须设置相应的安全设施。
例如,安装安全扶手、踏板和防护网等设备,确保工作人员在高处能够稳固站立和行走,避免发生意外事故。
二、使用满堂红脚手架时需要注意的事项1. 日常检查:在使用满堂红脚手架之前,需要进行日常检查。
包括检查脚手架的连接点是否牢固,脚手架梁和支撑杆是否存在断裂、变形等情况。
如发现问题应及时进行维修或更换。
2. 严禁超载:满堂红脚手架有一定的承载能力,不能超过其规定的负荷限制。
在使用过程中,不得超过脚手架的承载能力,以免发生塌方或事故。
3. 防滑防护:在满堂红脚手架搭建过程中,应注意施工现场的防滑防护措施。
在潮湿或雨天施工时,应加强安全设施,例如铺设防滑垫或使用防滑鞋。
满堂红脚手架技术交底满堂红脚手架技术交底一、概述满堂红脚手架是一种常用的建筑施工辅助工具,用于搭建和支撑工人进行高空作业。
本文将对满堂红脚手架的技术要求、安全操作规程以及维护保养等进行详细交底。
二、技术要求1. 设备要求(1)满堂红脚手架的材质应符合国家相关标准,具有足够的强度和稳定性。
(2)满堂红脚手架的立杆、横杆和斜拉杆应严格按照设计要求选取,并应经过检测合格。
2. 搭建要求(1)在搭建满堂红脚手架之前,应先进行场地平整和固定工作,确保施工地点稳定可靠。
(2)搭建时应根据设计图纸和要求进行正确的组装和连接,严禁随意拆卸和调整。
(3)搭建过程中应注意安全,避免高处坠物和人员滑倒等意外事故。
三、安全操作规程1. 搭建操作时,严禁高处作业人员穿拖鞋、高跟鞋等不符合安全要求的鞋子。
2. 搭建过程中要固定好各种连接件,确保脚手架的稳定和牢固。
3. 安装脚手架时要按照预设的斜度和角度进行调整,确保整个脚手架的平衡和稳定。
4. 搭建高度超过2米的满堂红脚手架时,框架内部需加设水平支撑,增加整体的承重能力和稳定性。
5. 在搭建、拆除和移动满堂红脚手架时,应有专人指挥和监督,严禁明火作业,及时清理工地杂物和临时障碍物。
6. 满堂红脚手架上不得堆放过多材料,以免超过承重限制。
四、维护保养1. 定期检查满堂红脚手架的连接螺纹、螺丝和焊接点是否松动,发现问题及时进行修复。
2. 满堂红脚手架搭建完成后,应进行稳固性试验和负荷试验,确保达到安全要求。
3. 使用满堂红脚手架期间,应每日进行检查,特别是雨雪天气后应检查脚手架是否滑倒或变形,如有问题应及时清理和维修。
4. 在封闭环境中使用满堂红脚手架时,应先通风透气,避免因氧气不足引起危险。
五、应急处理1. 在满堂红脚手架使用过程中,如发生突发情况,应迅速报警,并根据相应应急预案进行应急处理。
2. 出现满堂红脚手架变形、倾斜或裂缝等异常情况时,应立即停止使用,并通知相关负责人进行检查和修复。
满堂红脚手架搭设要求一、工程概况1、根据本工程的设计特点和现场条件,外脚手架采用ф48钢管双排脚手架,立杆纵距1.5m,横距1.05m,内立杆距离建筑物外立面0.30m,立杆步距为1.8m ;四层屋面上立杆间距为1.5m×1.5m,在距屋面200mm处及以上每隔1.8m将所有的钢管用ф48钢管联成一整体,并采用剪刀撑加固,并利用6m斜杆将该处架子与原外架及原建筑的连墙件相连,按满堂架形式保证其整体性。
2、大横杆位于立杆内侧,其长度不小于3跨,外架内侧的大横杆的竖向间距为1.8m,外侧的大横杆的竖向间距为0.9m,即在外立杆内侧每步的中间高度处另加一根大横杆,以作防护栏杆。
3、小横杆间距1.5m,紧靠在大横杆之下,靠墙一侧外伸长度不应大于500。
4、立杆与大横杆的连接:立杆除顶层顶步可采用搭接,且搭接长度不小于1米、采用不少于2个旋转扣件、扣件端部距连接杆端不小于100外,其余均应采用对接扣件连接,接头应错开不在同步内,错开的距离不小于500,各接头中心至主节点的距离不宜大于600。
5、大横杆的连接宜对接扣件连接,也可采用搭接,接头应错开在不同步、不同跨内,错开的距离不小于500,各接头中心至主节点的距离不宜大于500,搭接长度不小于1米,应等间距采用3个旋转扣件予以固定,扣件端部距连接杆端不小于100。
6、落地式脚手架底部设槽钢。
立杆底部应设纵横向扫地杆,纵向扫地杆离地不大于200,纵向扫地杆紧贴在横向扫地杆之下。
7、剪刀撑设置:纵向剪刀撑应在外立面连续设置,每道剪刀撑宽度不小于4跨、不大于6跨,且与地面成45°~60°角,每个交叉点均应用旋转扣件将剪刀撑斜杆与立杆或小横杆伸出端固定,接头中心至主节点的距离不宜大于150,剪刀撑斜杆的接长宜采用搭接连接,接头要求与立杆搭接接头要求相同,转角处和中间每6跨设一道横向剪刀撑,由底至顶在同一件间呈“之”字型连续布置,斜杆采用不少于2个旋转扣件固定在与之相交的小横杆的伸出端,各接头中心至主节点的距离不宜大于150。
8、连墙点设置:从底层第一步大横杆处开始,脚手架的每步架均与原外架相连,并在原外架二步三跨设置建筑拉接点处进行直接连接。
9、此外脚手架为附属满堂架,严禁承载施工荷载。
八、外脚手架施工安全技术要求1、所用脚手架钢管与扣件由外租借,应出厂合格证和质检报告,并经过严格筛选,确保材料上满足质量要求。
凡是有严重锈蚀、严重弯曲、变形、裂缝、钢管薄壁、扣件螺纹(螺丝)已损坏等外观缺陷的,均不得采用。
严禁将外径48的与其它不同直径的钢管混用。
2、安全防护:在工作面及每隔二步架满铺钢筋网片一层作为隔离层,不得留有掉杂物的空档。
隔离层上在2根大横杆之间增设一根大横杆,架外侧围护采用密目安全网完全封闭。
3、各杆的间距、接头位置、垂直度、水平偏差等均应符合规范要求。
搭设时有适时校正立杆的垂直度与横杆的水平,立杆的垂直偏差应不大于1/400,且全高偏斜不大于100mm,同一排横杆的水平偏差应不大于1/3000,且不大于50mm,立杆与大小横杆的接头要注意错开1.5米以上,且接头不得在同一步架内。
4、扣件的紧固力距应达到40~60N.M,不得超过65N.M,并应定期检查紧固程度。
5、高空作业人员及搭设高空作业安全设施的有关人员,必须经过技术培训及考试合格后持证上岗,并定期进行身体检查。
6、高空作业必须有安全技术措施及交底,落实所用安全技术措施和人身防护用品。
7、遇到雨天、雾天、六级以上大风时应停止高空作业,雨天后进行高空作业时,必须采取可靠的防滑措施,凡水、雾均应及时清除,遇到暴雨,过后对高空作业设施进行全面检查、修复和完善。
8、高处操作人员使用的工具、零配件等,应放在随身佩带的工具袋内,不可随意向下丢掷。
传递物件时禁止抛掷。
9、对收工前未搭设完的脚手架及所准备用的材料,均应放置平稳,不得妨碍通行和其它作业,且收工时以及支架与模板安装后,均应认真检查连接与固定质量,确保其处于安全状态,只有确定安全可靠后,才能进行下道工序。
10、按工程进展实际情况及时做好划分和调整安全区域的工作,区域的安全性质用安全标志牌说明,施工安全区分三类:A、人行安全区域:除环境本身较安全外,应设有足够的防护设施,一般人员的正常活动不会发生危险。
B、作业区域:有正常的防护设施,作业人员应各自带好安全防护用品,作业时可以保证安全。
C、警戒区域:监护区域存在较多不安全因素,作业人员在监护下工作,非工作人员不得进入该区域。
在脚手架的吊运、安装及拆除时,应设置警戒区,悬挂明显的警示标志,地面操作人员,应尽量避免在高空作业面的正下方停留或通过,也不得在塔吊的起重臂或正在安装的构件下停留或通过。
同时派专人监护,严禁同时上下施工。
11、外架按后安先拆的顺序进行,拆前应将隔离层和安全网上的杂物清理干净,拆一步清一步。
材料用人力传送到地面并分类别堆放整齐,传递时双方要互相配合,协调一致,互为关照,确保脚手架拆除的顺利和安全。
拆除的模板、木方、脚手架等材料,临时堆放处距离楼层边缘不小于1米,堆放高度不得超过1米,楼梯边口、通道口、脚手架边缘等处,严禁堆放各种拆除物件。
12、木方、脚手架钢管等材料的垂直运输,必须按类别、长度成捆吊运,一般吊索成三角式,两点起吊。
对零星物件及小物件必须装箱或装袋吊运,防止散落。
13、钢管脚手架均安装防雷、避雷接地设施。
竖向接地钢管,接地电阻值在6Ω以内。
在塔吊拆除前,将塔身与主体结构的避雷系统用金属进行连接,用以防雷。
14、各种电线不得直接在钢管上缠绕,必须接触时,应增加绝缘措施。
15、脚手架分层设置数量足够的消防器材。
17、架子须与运输机械脱开。
18、坚持执行安全技术交底制度、架子的管理与验收程序,脚手架搭设完并经验收合格后,方允许使用。
19、钢管脚手架在使用过程中仍需定期检查,尤其是在砼浇注期间,更应派足够的专人看护脚手架,一旦发现脚手架出现松动、响声等异常情况,应立即停止脚手架的使用、砼浇注,待查明原因、并经妥善处理后,方可继续施工。
九、外脚手架使用过程中的安全监控及修整措施1、外脚手架在使用过程中应化分好安全监控责任区,并派专职人员对外架进行监控,发现安全隐患,应及时上报。
2、项目部指定应急预案,指导外架发生的安全事故时的应急处理。
3、项目部成立的安全文明施工检查小组,定期对外架进行安全大检查,如发现安全隐患,及时进行处理解决。
4、外脚手架监控责任人应同时承担对外架的维修责任,发现外架的横立杆及钢丝绳等出现问题,应及时进行修整,并将修整结果上报项目部。
5、外架监控责任人,应担任外架上安全施工的责任,对不按要求在外架上野蛮作业的行为,要严格制止,同时还要制止在施工班组在外架上乱堆乱放,及倒运材料的不安全行为。
十、计算书:普通型钢悬挑脚手架计算书一、参数信息:1.脚手架参数双排脚手架搭设高度为27m;双排脚手架搭设起始高程为20m;纵距为1.5m;横距为0.85 m;步距为1.8m;内排架距离墙长度为0.3m;钢管Φ48X3.5mm;钢管I:11.36cm4钢管W:4.73cm3连墙件布置取二步三跨;连墙件连接方式为双扣件连接,扣件抗滑承载力系数为0.8;;2.荷载参数施工均布活荷载标准值:3kN/m2;本工程地处江西景德镇市,基本风压为0.35kN/m2;风荷载高度变化系数μz为1.82;风荷载体型系数μs为0.58;每米立杆承受的结构自重标准值:0.1248kN/m2;脚手板自重标准值:0.3kN/m2;栏杆挡脚板自重标准值:0.15kN/m2安全设施与安全网:0.005kN/m2;每米脚手架钢管自重标准值:0.038kN/m2;同时施工层数:2 层;3.水平悬挑支撑梁悬挑水平钢梁采用16号工字钢,悬挑段长度:1.5m内锚固段长度:1.0m支座卡环直径:22mm支座卡环抗拉强度:50N/mm24.拉绳参数钢丝绳安全系数取:8;钢丝绳的抗拉强度:1400N/mm2层高:3m;拉绳拉环直径:16.5mm拉绳拉环抗拉强度:50N/mm2二、纵向杆的计算:1.均布荷载值计算纵向杆的自重标准值:P1=0.038 kN/m;脚手板的自重标准值:P2=0.3×0.85/3=0.09kN/m;活荷载标准值: Q=3×0.85/3=0.85kN/m;静荷载的设计值: q1=1.2×0.038+1.2×0.09=0.15 kN/m;活荷载的设计值: q2=1.4×0.85=1.19kN/m;设计值:q=q1+q2=0.15+1.19=1.34 kN/m;纵向杆计算简图2.强度验算Mmax=0.1×q×l2Mmax=0.1×1.34×1.52=0.30kN.m;σ=Mmax/W=0.30×106/(4.73×103)=63.42N/mm2 ;[f]=205 N/mm2 ;"满足要求"3.挠度验算:计算公式如下:v=0.677q1l4/100EI < [v]静荷载标准值: q1=0.038+0.09=0.12kN/m;活荷载标准值: q2=0.85kN/m;标准值:q=q1+q2=0.12+0.85=0.97kN/m;最大挠度计算值为:V = 0.677×0.97×1500.004/(100×210000.000×113600.00)=1.39mm;[v]=1500.00/150=10.00mm"满足要求!"三、横向杆的计算:1.荷载值计算纵向杆跨中的自重标准值: p1=0.038×1.5=0.06kN;横向杆跨中的自重标准值: p2=0.038×0.85/3=0.01kN;脚手板跨中的自重标准值:p3=0.3×0.85×1.5/3=0.13kN;跨中活荷载标准值: p4=3×0.85×1.5/3=1.27kN;跨中集中荷载的设计值: P1=1.2×(0.06+0.13+0.01)+1.4×1.27 = 2.02kN;横向杆悬臂的自重标准值: p5=0.038×0.3/2=0.01kN;脚手板悬臂的自重标准值:p6=0.3×0.3×1.5/2=0.07kN;悬臂活荷载标准值: p7 = 3×0.3×1.5/2=0.68kN;悬臂集中荷载的设计值: P2=1.2×(0.01+0.07)+1.4×0.68=1.05kN;2.强度验算跨中最大弯矩计算: M1=P1B/3-P2a/3M=2.02×0.85/3-1.05×0.3/3=0.47kN.m;支座最大弯矩计算:M2=P2a/2=1.05×0.3/2=0.16kN.m;最大应力计算值σ=0.47×106/(4.73×103)=99.37N/mm2 ;[f]=205 N/mm2 ;"满足要求"3.挠度验算横向杆跨中荷载标准值:P1=0.06+0.13+1.27=1.46kN支座最大弯矩计算:M2=0.16kN.m跨中最大挠度计算:V=23P1B3/648EI-M2B2/16EI=23×1460.00×850.003/(648×210000×113600.00)-160000.00×850.002/(16×210000×113600.00) =1.03mm[v]=850.00/150=5.67mm"满足要求!"四、扣件抗滑力的计算:纵向或横向水平杆与立杆连接时,扣件的抗滑承载力按照下式计算(规范5.2.5):R ≤Rc其中:Rc-- 扣件抗滑承载力设计值,取8.00kN;R -- 纵向或横向水平杆传给立杆的竖向作用力设计值;纵向杆的自重标准值: P1 = 0.038×1.5×4/2= 0.11 kN;横向杆的自重标准值: P2 = 0.038×(0.85/2+0.3)=0.03 kN;脚手板的自重标准值: P3 = 0.3×1.5×(0.85/2+0.3) = 0.33 kN;活荷载标准值: Q = 3×1.5×(0.85/2+0.3)= 3.26 kN;荷载的设计值: R = 1.2×(0.11+0.03+0.33)+1.4×3.26 = 5.13kN;"双扣件抗滑承载力的设计计算满足要求"五、脚手架立杆荷载的计算:1.静荷载计算(1)每米立杆承受的结构自重标准值(kN)NG1=0.1248×27=3.37kN;(2)脚手板的自重标准值(kN/m2);NG2=0.3×2×1.5×(0.85+0.3)/2=0.52kN;(3)栏杆与挡脚手板自重标准值(kN/m);NG3=0.15×2×1.5/2=0.22kN;(4)吊挂的安全设施荷载,包括安全网(kN/m2);NG4=0.005×1.5×27=0.20kN;经计算得到,静荷载标准值NG=3.37+0.52+0.22+0.20=4.31kN;2. 活荷载计算活荷载为施工荷载标准值产生的轴向力总和,内、外立杆按一纵距内施工荷载总和的1/2取值。