雅乐思电磁炉维修手册(1)
- 格式:doc
- 大小:586.18 KB
- 文档页数:19
电磁炉维修手册一、简介1.1 a电磁炉原理1.2 458系列简介二、原理分析2.1 特殊零件简介LM339集成电路2.1.2 IGBT2.2 电路方框图2.3 主回路原理分析2.4 振荡电路2.5 IGBT鼓励电路2.6 PWM脉宽调控电路2.7 同步电路2.8 加热开关控制2.9 VAC检测电路2.10 电流检测电路2.11 VCE检测电路2.12 浪涌电压监测电路2.13 过零检测2.14 锅底温度监测电路2.15 IGBT温度监测电路2.16 散热系统2.17 主电源2.18辅助电源2.19 报警电路三、故障维修3.1 故障代码表3.2 主板检测标准3.2.1主板检测表3.2.2主板测试不合格对策3.3 故障案例简介1.1 电磁加热原理电磁灶是一种利用电磁感应原理将电能转换为热能的厨房电器。
在电磁灶内部,由整流电路将50/60Hz的交流电压变成直流电压,再经过控制电路将直流电压转换成频率为20-40KHz的高频电压,高速变化的电流流过线圈会产生高速变化的磁场,当磁场内的磁力线通过金属器皿(导磁又导电材料)底部金属体内产生无数的小涡流,使器皿本身自行高速发热,然后再加热器皿内的东西。
1.2 458系列筒介458系列是由建安电子技术开发制造厂设计开发的新一代电磁炉,介面有LED发光二极管显示模式、LED数码显示模式、LCD液晶显示模式、VFD莹光显示模式机种。
操作功能有加热火力调节、自动恒温设定、定时关机、预约开/关机、预置操作模式、自动泡茶、自动煮饭、自动煲粥、自动煲汤及煎、炸、烤、火锅等料理功能机种。
额定加热功率有700~3000W的不同机种,功率调节范围为额定功率的85%,并且在全电压范围内功率自动恒定。
200~240V机种电压使用范围为160~260V, 100~120V机种电压使用范围为90~135V。
全系列机种均适用于50、60Hz的电压频率。
使用环境温度为-23℃~45℃。
电控功能有锅具超温保护、锅具干烧保护、锅具传感器开/短路保护、2小时不按键(忘记关机) 保护、IGBT 温度限制、IGBT温度过高保护、低温环境工作模式、IGBT测温传感器开/短路保护、上下电压保护、浪涌电压保护、VCE抑制、VCE过高保护、过零检测、小物检测、锅具材质检测。
电磁炉过热保护故障维修手册一、故障现象在使用电磁炉时,可能出现过热保护故障。
具体故障现象如下:1. 电磁炉提示过热保护,无法正常工作;2. 电磁炉自动断电,无法启动;3. 电磁炉表面温度异常高。
二、故障原因出现电磁炉过热保护故障的原因可能有:1. 外部环境温度过高,导致电磁炉无法散热;2. 电磁炉底部散热器进风口堵塞,导致无法正常散热;3. 电磁炉内部散热风扇异常或堵塞,无法进行散热;4. 电磁炉散热片上积满了灰尘或油渍,导致散热不良。
三、故障解决方法针对电磁炉过热保护故障,可以采取以下解决方法:1. 检查外部环境温度,确保电磁炉周围没有热源或过高的温度;2. 检查电磁炉底部的散热器进风口是否存在堵塞物,清理或疏通堵塞物;3. 检查电磁炉内部散热风扇是否正常运转,如异常则需更换散热风扇;4. 清理电磁炉散热片上的灰尘或油渍,保持散热片清洁。
四、维修注意事项在进行电磁炉过热保护故障的维修时,需要注意以下几点:1. 断电保护:在进行故障维修时,务必将电磁炉与电源断开,避免触电事故的发生;2. 安全保护:操作时要注意自身安全,避免手部或其他部位接触电磁炉的高温表面;3. 维修工具:使用正确的维修工具,确保维修过程中的准确性和安全性;4. 维修技巧:根据故障原因进行细致排查,采取正确的维修方法和步骤。
五、故障维修流程示例下面以电磁炉过热保护故障为例,简要介绍一种故障维修流程:1. 断电:将电磁炉与电源断开,确保安全;2. 清理周围环境:确保电磁炉周围没有热源或过高的温度;3. 检查散热器进风口:清理或疏通进风口上的堵塞物;4. 检查散热风扇:启动电磁炉,观察散热风扇是否正常运转,如异常,则需要更换;5. 清理散热片:拆下电磁炉顶部,清理散热片上的灰尘或油渍;6. 组装电磁炉:将清理后的散热片正确安装,确保连接牢固;7. 连接电源:将电磁炉再次连接电源,进行测试。
六、维修后的预防措施在维修过热保护故障后,为避免再次发生类似故障,可以采取以下预防措施:1. 定期清理散热片:每隔一段时间,对电磁炉的散热片进行清理,避免灰尘或油渍堆积;2. 维护散热风扇:定期检查散热风扇的运转情况,如异常及时更换或维修;3. 保持通风良好:确保电磁炉周围有足够的通风空间,避免过热保护故障的发生。
通用维修电磁炉的方法电磁炉带来了厨房的绿色革命,其无烟无明火深受广大消费者青睐。
然而由于各种原因电磁炉的故障还是时有发生,给人们的生活带来不便。
电磁炉的品牌很多,型号不一、功率不同,但究其原理大同小异,故障损坏现象和部位基本相同。
本文通过对电磁炉的故障损坏原因,元器件的工作原理及检测和代换方法的讲述,意在起一个抛砖引玉的作用。
一、电磁炉的工作原理电磁炉的原理框图如图1电磁炉的热量产生是利用振荡器产生的20KHZ-50KHZ的PWM脉宽调制波形,经驱动块(TA8316)激励后,驱动IGBT功率管的导通和截止,使电磁线圈中产生高频电流,此电流作用在铁质锅内部产生涡流损耗发热,从而加热食品。
由于电磁炉的功率在1500W以上,所以电磁炉应有较完善的保护措施。
通常有以下保护电路:1。
当电源不正常时输入电压的过压欠压保护可以及时切断供给功率管的脉冲电压保护IGBT管。
2。
通过温敏二极管进行炉温保护防止当炉面温度过高时烧毁电磁线圈、炉面和IGBT管。
3。
IGBT管还有自身的过温、过压、过流保护。
此外还有无锅保护和风扇散热等保护措施。
电磁炉的功率调节是通过键盘操作,LED或屏幕数码管显示,控制PWM的脉宽和频率的调整。
整流电源一般提供+5V和十几伏的直流电压供给CPU和各保护电路、驱动电路和风扇。
二、电磁炉的损坏原因电磁炉的损坏原因通常是:①用户使用了不符合要求的锅而导致保护失效,烧坏功率管,②风扇缺油、供电不足导致不转或转速变慢,风力不足散热不良而损坏电磁炉。
③使用时间较长的电磁炉由于元件老化接触不良而导致电磁炉损坏。
④长期工作在临界过压或欠压情况下,造成IGBT管过压、过流损坏。
⑤用户操作不当,液体渗入电磁炉内发生短路而损坏。
⑥维修人员维修时不按正确的操作方法维修而导致故障面扩大。
电磁炉出故障时常常是先损坏IGBT管,其损坏规律是:由于上述某种原因导致IGBT 管过压或过流先击穿G-C和G-E之间的PN结和沟道电阻,接着击穿驱动块TA8316,余压可能再击穿LM339,所以对故障机应重点检查上述三个元件。
09年电磁炉维修手册第一节 09年美的电磁炉使用主板概述09年,美的电磁炉国内单炉主要使用TM-S1-01A-A(TM-S1-01A升级版),TM-S1-01D两块主板。
两块主板使用不同的集成芯片,前者使用S007芯片,后者使用三洋芯片。
集成芯片内置单片机处理单元,比较器,放大器等电路。
从而大大简化了电磁炉外围电路。
下面分别讲述此两块主板线路主要原理,维修方法。
由于此两块主板芯片原理,外围线路基本相似,读者可按类比方法理解或维修。
第二节产品命名方式09年国内单炉产品命名方式如下:第三节电磁炉产品爆炸图一、电磁炉的结构分析电磁炉的立体结构分析图电磁炉的结构相对来说较简单,主要由:塑料外壳、陶瓷面板、电控系统、散热系统等构成。
如下图:⑴、塑料面盖和塑料底座构成了电磁炉的塑料外壳。
⑵、陶瓷面板就是电磁炉上的微晶玻璃板。
⑶、电控系统主要由主电路板、显示板、线圈盘等组件构成。
⑷、散热系统由散热风机、温度传感器、电路板散热片等组成。
电磁炉的整体结构图微晶面板塑料底座主电路板显 示 板线 圈 盘塑料面盖风 机第四节电磁炉工作原理一、电磁炉工作原理1、电磁炉的加热原理电磁炉主要是利用电磁感应原理将电能转换为热能的厨房电器。
当电磁炉在正常工作时,由整流电路将50Hz的交流电压变成直流电压,再经过控制电路将直流电压转换成频率为20-40KHz的高频电压。
电磁炉线圈盘上就会产生交变磁场,磁力线就会在锅具底部反复切割变化,使锅具底部产生环状电流(涡流),并利用无数的小涡流高速振荡铁分子,致使器皿本身自行高速发热,然后通过热量传递原理,使器皿加热盛装在其内的东西。
这种振荡生热的加热方式,能减少热量传递的中间环节,大大提高制热效率。
电磁炉是应用高频感应涡流生热的原理设计制造的,它保持并大大优于一般热源炉的烹饪功能,有“烹饪之神”的美誉。
2、电磁炉电控部分工作原理3、电磁炉工作流程:4、美的电磁炉电气性能参数5、电磁炉各种功能控制原理目前,电磁炉行业里各大品牌厂家的产品,一般就产品功能设计来说都各有特色,自成一家。
电磁炉电磁感应器维修手册一、前言电磁炉是一种常见的厨房家电,其核心部件之一就是电磁感应器。
本手册旨在为用户提供关于电磁炉电磁感应器维修的详细指南。
请按照以下步骤进行操作,确保维修过程顺利、安全。
二、说明1. 电磁感应器是电磁炉产生磁场的关键部件,它通过电磁感应原理将电能转化为热能,加热锅底。
2. 维修电磁感应器需要小心操作,确保事先断开电源并且使用绝缘手套,以免发生触电事故。
三、故障排除1. 电磁感应器无法正常启动:检查电源是否正常连接,确保插头和插座之间没有松动。
同时检查电源线是否存在损坏,如有问题需要更换。
2. 电磁感应器无法加热:检查感应线圈是否损坏,可以通过使用万用表测试线圈的电阻来确认。
如果电阻无穷大或异常小,说明感应线圈需要更换。
3. 电磁感应器加热不均匀:检查感应线圈周围是否有杂质,如油渍或食物残渣等,需要清理。
此外,还需要检查感应线圈是否放置平整,如有移动或翘曲造成的接触不良,需要调整。
4. 电磁感应器发出异常响声:检查感应线圈和电路板是否有松动或短路,需要重新固定或维修。
四、维修步骤1. 准备工作:- 断开电源并等待电磁炉冷却。
- 穿戴绝缘手套和安全眼镜,确保操作安全。
- 准备螺丝刀和万用表等维修工具。
2. 拆卸电磁感应器:- 仔细查看电磁感应器的外部构造,找到焊接点和固定点。
- 使用螺丝刀拆卸感应器的外壳,小心不要损坏内部零件。
- 将感应器单独取出,并将其放置在干净的工作台上。
3. 检查感应线圈:- 使用万用表测量感应线圈两端的电阻值,记录下测量结果。
- 如果电阻值正常,可以排除感应线圈的故障;如不正常,需要更换感应线圈。
4. 更换感应线圈:- 解焊感应线圈的电源线并将其取下。
- 使用焊锡吸取器或烙铁将焊在感应线圈上的锡焊吸净,然后使用辊筒或锥子将感应线圈取下。
- 拿出新的感应线圈,确保与原件相匹配,并使用焊锡重新连接电源线。
5. 安装电磁感应器:- 将更换好的感应线圈放回原位,并确保固定牢固。
电磁炉维修手册电磁炉故障维修电磁炉维修手册电磁炉故障维修上篇2008年03月03日星期一下午 03:22458系列须然机种较多,且功能复杂,但不同的机种其主控电路原理一样,区别只是零件参数的差异及CPU程序不同而己。
电路的各项测控主要由一块8位4K内存的单片机组成,外围线路简单且零件极少,并设有故障报警功能,故电路可靠性高,维修容易,维修时根据故障报警指示,对应检修相关单元电路,大部分均可轻易解决。
3.2 主板检测标准由于电磁炉工作时,主回路工作在高压、大电流状态中,所以对电路检查时必须将线盘(L1)断开不接,否则极容易在测试时因仪器接入而改变了电路参数造成烧机。
接上线盘试机前,应根据3.2.1<<主板检测表>>对主板各点作测试后,一切符合才进行。
3.2.1主板检测表3.2.2主板测试不合格对策(1) 上电不发出“B”一声----如果按开/关键指示灯亮,则应为蜂鸣器BZ不良, 如果按开/关键仍没任何反应,再测CUP第16脚+5V是否正常,如不正常,按下面第(4)项方法查之,如正常,则测晶振X1频率应为4MHz左右(没测试仪器可换入另一个晶振试),如频率正常,则为IC3 CPU不良。
(2) CN3电压低于305V----如果确认输入电源电压高于AC220V时,CN3测得电压偏低,应为C2开路或容量下降,如果该点无电压,则检查整流桥DB交流输入两端有否AC220V,如有,则检查L2、DB,如没有,则检查互感器CT初级是否开路、电源入端至整流桥入端连线是否有断裂开路现象。
(3) +22V故障----没有+22V时,应先测变压器次级有否电压输出,如没有,测初级有否AC220V输入,如有则为变压器故障, 如果变压器次级有电压输出,再测C34有否电压,如没有,则检查C34是否短路、D7~D10是否不良、Q4和ZD1这两零件是否都击穿, 如果C34有电压,而Q4很热,则为+22V负载短路,应查C36、IC2及IGBT 推动电路,如果Q4不是很热,则应为Q4或R7开路、ZD1或C35短路。
电磁炉电源电压故障维修手册电磁炉作为现代厨房的一种新型烹饪设备,功能强大,操作简便。
然而,有时候我们可能会遇到电磁炉电源电压故障,导致炉子无法正常运行。
本手册将为您介绍电磁炉电源电压故障的常见原因及解决方案,以帮助您完成维修。
一、故障原因分析电磁炉电源电压故障可能由以下几个方面引起:1. 电源输入电压异常:包括输入电压过高或过低,电源电压波动等。
2. 电源线路接触不良:电源线松动、插头接触不良等。
3. 电磁炉内部元件故障:如电磁线圈损坏、电路板烧坏等。
二、故障排查与解决方案1. 排查电源输入电压异常首先,我们需要检查电源输入电压是否正常。
可以使用电压表或者调整你监测仪等工具进行测量。
一般来说,标准电磁炉的输入电压为220V,电压波动范围在±10%之间。
如果电源输入电压异常,可联系专业电工进行调试或更换合适的电源。
2. 检查电源线路接触不良当电源输入电压正常时,我们需要检查电源线路是否接触良好。
可以按照以下步骤进行排查:(1)检查电源线是否插入电源插座,并确保插座有电。
(2)检查电源线是否与电磁炉连接牢固,没有松动或接触不良的情况。
(3)如果发现电源线松动或接触不良,可以使用螺丝刀拧紧插头或更换插头。
3. 检查电磁炉内部元件故障若以上排查步骤都没有发现问题,电磁炉电源电压故障可能是由电磁炉内部元件故障引起的。
这时候,我们需要寻求专业维修人员的帮助。
不建议用户自行拆解、检修电磁炉内部元件,以免造成更大的损坏或安全隐患。
三、故障维修注意事项1. 安全第一:在排查和维修电磁炉电源电压故障时,务必确保电源已切断,并严格遵守安全操作规范,以免发生触电或其他意外事故。
2. 寻求专业帮助:如果您没有相应的电气维修知识和技能,请务必请专业人士来维修。
3. 防止二次故障:一旦电磁炉电源电压故障得到解决,为防止类似问题再次发生,建议经常进行电器设备的定期检查与维护,以确保设备的运行安全和性能。
四、结束语通过本手册的介绍,希望能帮助您了解电磁炉电源电压故障的原因及解决方案。
电磁炉维修相关资料(附图纸一张)本图片用右键另存到你的电脑打开或者复制图片链接新窗口打开电磁炉维修相关资料在修理中常见的电磁炉大致分为两类:由LM339(四电压比较器)输出脉冲信号。
1:触发部分由正负两组电源,管子用PNPNPN组成,类似这种电路,后级大多是用大功率管多个复合而成,组成高压开关部分,在代换中,前一个用带阻尼的行管替代即可。
后几个则很难找到特性一致的管子,解决的办法是在散热器安装孔允许的情况下改用大电流的管子以减少数量,金属封装得如:BUS13A等,塑封的如:BU2525/BU2527/BU2532/D3998一类,用两个就可以。
2:功控管用IGBT绝缘栅开关器件;这些机器特征是不用双电源触发,只有+5V和+12V,LM339通过触发集成块TA8316带动IGBT这种情况下只能用此一类的管子代替,损坏程度大致为,只有管子坏,换上即可。
其次是整流桥同时损坏,(一般是烧半壁),在其次是触发集成块TA8316坏,连带LM339N一起损坏的很少见。
对于高压模块,由于这方面的参数手册很少,希望大家搜集转贴,以便代换时参考。
不能贸然更换,最好有示波器先测其G极波形及幅值(没有的话用万用表测此点直流电压应在1-2.5伏之间变化).接上线盘前要确定其它几路小电源供电正常.2.1.2 IGBT绝缘栅双极晶体管(Iusulated Gate Bipolar Transistor)简称IGBT,是一种集BJT的大电流密度和MOSFET等电压激励场控型器件优点于一体的高压、高速大功率器件。
目前有用不同材料及工艺制作的IGBT, 但它们均可被看作是一个MOSFET输入跟随一个双极型晶体管放大的复合结构。
IGBT有三个电极(见上图), 分别称为栅极G(也叫控制极或门极) 、集电极C(亦称漏极) 及发射极E(也称源极) 。
从IGBT的下述特点中可看出, 它克服了功率MOSFET的一个致命缺陷, 就是于高压大电流工作时, 导通电阻大, 器件发热严重, 输出效率下降。
电磁炉常见故障维修手册电磁炉在家庭生活中扮演着重要的角色,为我们提供了便捷、快速、高效的烹饪方式。
然而,有时候电磁炉也会出现一些故障,影响我们的使用体验。
在这篇文章中,将介绍一些电磁炉常见故障及相应的维修方法,帮助大家解决问题。
一. 电磁炉无法启动1. 检查是否接通电源:首先确保电磁炉已经连接到稳定的电源插座,插头是否插紧,插座是否有电。
2. 检查显示屏:如果电磁炉的显示屏没有任何反应,可能是显示屏出现问题。
尝试重新插拔电源线连接,并确保插头插紧。
3. 重置电磁炉:有些电磁炉配备了重置按钮,试着按下重置按钮来解决问题。
4. 联系售后服务:如果以上方法都没有解决问题,建议联系厂家的售后服务部门,寻求专业维修帮助。
二. 电磁炉加热不均匀1. 放置规范:使用电磁炉时,确保锅底与加热区域完全接触,并且底部平整,以确保加热均匀。
2. 检查锅具:使用电磁炉时,应选择平底、磁性好的锅具,确保锅底与电磁炉加热区域完全贴合。
3. 清洁电磁炉:电磁炉底部的灰尘和杂质会影响加热效果,定期清洁电磁炉,保持其表面干净。
4. 排除其他原因:如果以上方法都不能解决问题,可能是电磁炉内部的传感器出现故障,建议联系专业维修人员进行检查和修复。
三. 电磁炉出现报警提示1. 安全警报:电磁炉在某些情况下会自动触发安全报警,例如超过设定的温度范围、连续工作时间过长等。
此时,应先关闭电磁炉,等待其冷却后重新启动。
2. 故障报警:有些电磁炉配备了故障报警功能,在电路出现问题时会发出警报声音或显示相应的故障代码。
此种情况下,建议查阅电磁炉的说明书,根据报警代码找到相应的故障原因,或者联系售后服务。
四. 电磁炉无法调节烹饪时间或温度1. 操作正确:确保在调节烹饪时间或温度时按照电磁炉的使用说明进行操作,遵循正确的步骤。
2. 检查按键:如果烹饪时间或温度的按键无法正常操作,可能是按键出现故障。
试着按下其他按键,检查是否有其他按键也无法使用。
3. 重启电磁炉:有时候电磁炉可能会出现操作故障,尝试关闭电磁炉,断开电源,等待几分钟后重新启动电磁炉,看是否能够解决问题。
电磁炉常见故障及维修方法1电磁炉作为一种新型的炊具,因为其高效、节能的特点,受到了越来越多人的喜爱。
然而,长期使用电磁炉,难免会遇到一些故障,比如:不加热、加热不均匀、出现报错等问题。
下面是一些常见的电磁炉故障及相应的维修方法。
首先,如果电磁炉不加热,首先要检查电源插头是否接触良好,是否有断电的情况。
可以尝试换一个插座或者使用其他电器测试插座是否正常工作。
如果电源插座正常,那么需要检查电磁炉的线路是否损坏,例如电源线是否破损、连接是否松动等。
另外,还需要检查电磁炉的控制面板是否正常,如果显示屏显示不正常,可能是控制面板损坏,需要更换或维修。
其次,如果电磁炉加热不均匀,可能是由于磁场不均匀引起的。
这种情况下,可以尝试更换使用不同材质的锅具进行试验,有些锅具可能与电磁炉不相配,导致加热不均匀。
另外,也可以调整电磁炉的功率设置,提高或降低功率来调整加热的温度。
再次,如果电磁炉出现报错,一般会有相应的错误代码。
根据错误代码可以判断出具体的故障原因。
例如,E1代表超温保护,这时需要等待电磁炉自行冷却一段时间;E2代表电磁炉有水滴进入,需要断电并将电磁炉晾干。
如果不清楚错误代码的含义,可以查阅电磁炉的说明书,上面一般会有相应的说明和解决方法。
维修电磁炉时需要注意安全,首先要断电,并等待电磁炉完全冷却后再进行维修。
对于一些简单的故障,可以自己处理,例如检查电源插头、拔插电源线,清洁电磁炉的加热区域等。
但是对于一些复杂的故障,最好找专业的维修人员进行检修,避免因操作不当而导致更大的问题。
雅乐思电磁炉常见故障有哪些?其他答案插上电源插头就发出“滴,滴的警报声,电磁炉检没有检测到有铁锅。
不电磁炉检锅的检修。
常见的不检锅故障导致该故障的部位有;1、线盘锅底检测电阻和IGBT温度检测电阻损坏;2,主板底部某焊点虚焊,3、400V/5uf高压滤波电容容量减小或损坏4、电阻损坏(那几个大电阻,电磁炉的型号不同,电阻值不一定是一样的)5、电压比较器LM339损坏6、微处理器MCU损坏(MCU损坏的机率很小的)造成此故障的原因有很多,包括同步电路,浪涌保护电路,检锅电路,驱动电路,IGBT高压保护电路以及PWM信号电路,1 、电流互感器检锅:经检锅变压器次级感应出随初级电流大小而同步变化的电压。
经全桥整流,滤波。
电阻分压,再滤波后送到CPU相应功能脚上检测。
在无锅具时,线盘和谐振电容震荡时间长,能量衰减慢,流过检锅变压器初级电流较少,检锅变压器次级电压就低,CPU判断无锅。
有锅具时,由于有合适材质的锅具的加入,线盘和谐振电容之间的震荡阻尼加大,能量衰减快,在检锅变压器初级变化的电流大,在次级感应出的电压大,CPU判断有锅。
2 、脉冲检锅电路: IBGT的C极高压脉冲经电阻分压后送到LM339内部的一放大器的反向输入脚。
而同向输入脚由电源经过电阻分压,输入一固定的电压。
这样就构成了一个比较器。
在1脚输出与6脚相位相反的同步脉冲送到CPU相应的检测功能脚上。
无锅具时,线盘和谐振电容的自由震荡时间长,能量衰减长。
在单位时间内,脉冲个数少,在有锅具时,由于锅具的阻尼加入,能量衰减很快,单位时间内脉冲的个数就比无锅具时要多很多。
这样在比较器的1脚也就输出了同步的脉冲。
CPU根据脉冲数量的多少来判断是否有合适材质的锅具。
3、PWM 脉冲信号失常而不检锅。
(检查PWM脉冲的方法简单,就是找一小型的变压器,在初级上接一只发光二极管,放在电磁炉的发热盘上后开机,发光二极管有闪光说明PWM脉冲正常,无反应则不正常)。
电磁炉维修工具手册前言本手册旨在为电磁炉的维修工作提供必要的工具和操作指导。
在维修电磁炉时,请务必确保自身安全,并严格按照所提供的指引操作。
以下是一些常用的电磁炉维修工具和使用方法,以供参考。
1. 多用途螺丝刀多用途螺丝刀可用于拆卸电磁炉的外壳和固定螺丝。
它可以根据需要更换不同规格的螺丝刀头,以适应各种螺丝类型。
使用时,握紧螺丝刀的手柄,使其与螺丝刀头完全匹配,然后顺时针或逆时针旋转来拆卸或安装螺丝。
2. 隔热手套在维修电磁炉时,由于高温的存在,容易烫伤手部。
因此,隔热手套是必备工具之一。
使用时,将隔热手套套在双手上,确保手部充分保护。
在接触电磁炉内部零件时,可以放心操作,避免受伤。
3. 电压表电压表是检测电磁炉电源是否正常的工具。
在维修电磁炉时,首先要确保电源的稳定和安全。
使用电压表时,根据操作说明将测试引线正确连接到电源端口,然后打开电磁炉的电源开关,观察电压表上的读数。
正常情况下,电压应在规定范围内。
4. 温度计温度计是测量电磁炉加热温度的工具。
在维修电磁炉时,了解电磁炉的温度情况对故障排除非常重要。
使用温度计时,将温度探头插入电磁炉加热区域,并按照仪器说明操作。
根据温度计读数,可以判断电磁炉是否达到预期温度。
5. 隔热垫隔热垫是用于维修电磁炉时放置热部件的保护垫。
维修电磁炉时,有些零件可能非常热。
为了避免热量对周围环境和人体造成伤害,可以将热部件放置在隔热垫上。
隔热垫通常由耐高温材料制成,具有非常好的隔热性能。
6. 螺丝刀套装螺丝刀套装包含了各种规格的螺丝刀,用于拆卸电磁炉的各种螺丝。
在维修过程中,可能会遇到不同类型和尺寸的螺丝。
使用正确的螺丝刀能够有效地拆卸或安装螺丝,避免损坏螺丝或其他零部件。
7. 隔热夹具隔热夹具是用于维修电磁炉时固定小型零件的工具。
有些电磁炉内部的零件非常小,手持操作可能不方便,甚至容易丢失。
使用隔热夹具,可以稳定地夹住这些小零件,避免丢失或滑动。
结语以上是电磁炉维修过程中常用的工具介绍,希望可以对您的工作有所帮助。
电磁炉维修手册一、简介1.1 a电磁炉原理1.2458系列简介二、原理分析2.1特殊零件简介2.1.1LM339集成电路2.1.2IGBT2.2电路方框图2.3主回路原理分析2.4振荡电路2.5IGBT激励电路2.6PWM脉宽调控电路2.7同步电路2.8加热开关控制2.9VAC检测电路2.10电流检测电路2.11VCE检测电路2.12浪涌电压监测电路2.13过零检测2.14锅底温度监测电路2.15IGBT温度监测电路2.16散热系统2.17主电源2.18辅助电源2.19报警电路三、故障维修3.1故障代码表3.2主板检测标准3.3故障案例一、简介1.1电磁加热原理电磁灶是一种利用电磁感应原理将电能转换为热能的厨房电器..在电磁灶内部;由整流电路将50/60Hz的交流电压变成直流电压;再经过控制电路将直流电压转换成频率为20-40KHz的高频电压;高速变化的电流流过线圈会产生高速变化的磁场;当磁场内的磁力线通过金属器皿导磁又导电材料底部金属体内产生无数的小涡流;使器皿本身自行高速发热;然后再加热器皿内的东西..1.2458系列筒介458系列是由建安电子技术开发制造厂设计开发的新一代电磁炉;介面有LED发光二极管显示模式、LED数码显示模式、LCD液晶显示模式、VFD莹光显示模式机种..操作功能有加热火力调节、自动恒温设定、定时关机、预约开/关机、预置操作模式、自动泡茶、自动煮饭、自动煲粥、自动煲汤及煎、炸、烤、火锅等料理功能机种..额定加热功率有700~3000W的不同机种;功率调节范围为额定功率的85%;并且在全电压范围内功率自动恒定..200~240V机种电压使用范围为160~260V;100~120V 机种电压使用范围为90~135V..全系列机种均适用于50、60Hz的电压频率..使用环境温度为-23℃~45℃..电控功能有锅具超温保护、锅具干烧保护、锅具传感器开/短路保护、2小时不按键忘记关机保护、IGBT温度限制、IGBT温度过高保护、低温环境工作模式、IGBT测温传感器开/短路保护、高低电压保护、浪涌电压保护、VCE 抑制、VCE过高保护、过零检测、小物检测、锅具材质检测..458系列须然机种较多;且功能复杂;但不同的机种其主控电路原理一样;区别只是零件参数的差异及CPU程序不同而己..电路的各项测控主要由一块8位4K内存的单片机组成;外围线路简单且零件极少;并设有故障报警功能;故电路可靠性高;维修容易;维修时根据故障报警指示;对应检修相关单元电路;大部分均可轻易解决..二、原理分析2.1特殊零件简介2.1.1LM339集成电路LM339内置四个翻转电压为6mV的电压比较器;当电压比较器输入端电压正向时+输入端电压高于-入输端电压;置于LM339内部控制输出端的三极管截止;此时输出端相当于开路;当电压比较器输入端电压反向时-输入端电压高于+输入端电压;置于LM339内部控制输出端的三极管导通;将比较器外部接入输出端的电压拉低;此时输出端为0V..2.1.2IGBT绝缘栅双极晶体管IusulatedGateBipolarTransistor简称IGBT;是一种集BJT的大电流密度和MOSFET等电压激励场控型器件优点于一体的高压、高速大功率器件..目前有用不同材料及工艺制作的IGBT;但它们均可被看作是一个MOSFET输入跟随一个双极型晶体管放大的复合结构..IGBT有三个电极见上图;分别称为栅极G也叫控制极或门极、集电极C亦称漏极及发射极E也称源极..从IGBT的下述特点中可看出;它克服了功率MOSFET的一个致命缺陷;就是于高压大电流工作时;导通电阻大;器件发热严重;输出效率下降..IGBT的特点:1.电流密度大;是MOSFET的数十倍..2.输入阻抗高;栅驱动功率极小;驱动电路简单..3.低导通电阻..在给定芯片尺寸和BVceo下;其导通电阻Rceon不大于MOSFET的Rdson的10%..4.击穿电压高;安全工作区大;在瞬态功率较高时不会受损坏..5.开关速度快;关断时间短;耐压1kV~1.8kV的约1.2us、600V级的约0.2us;约为GTR的10%;接近于功率MOSFET;开关频率直达100KHz;开关损耗仅为GTR的30%..IGBT将场控型器件的优点与GTR的大电流低导通电阻特性集于一体;是极佳的高速高压半导体功率器件..目前458系列因应不同机种采了不同规格的IGBT;它们的参数如下:1SGW25N120----西门子公司出品;耐压1200V;电流容量25℃时46A;100℃时25A;内部不带阻尼二极管;所以应用时须配套6A/1200V以上的快速恢复二极管D11使用;该IGBT配套6A/1200V以上的快速恢复二极管D11后可代用SKW25N120..2SKW25N120----西门子公司出品;耐压1200V;电流容量25℃时46A;100℃时25A;内部带阻尼二极管;该IGBT可代用SGW25N120;代用时将原配套SGW25N120的D11快速恢复二极管拆除不装..3GT40Q321----东芝公司出品;耐压1200V;电流容量25℃时42A;100℃时23A;内部带阻尼二极管;该IGBT可代用SGW25N120、SKW25N120;代用SGW25N120时请将原配套该IGBT的D11快速恢复二极管拆除不装..4GT40T101----东芝公司出品;耐压1500V;电流容量25℃时80A;100℃时40A;内部不带阻尼二极管;所以应用时须配套15A/1500V以上的快速恢复二极管D11使用;该IGBT配套6A/1200V以上的快速恢复二极管D11后可代用SGW25N120、SKW25N120、GT40Q321;配套15A/1500V以上的快速恢复二极管D11后可代用GT40T301..5GT40T301----东芝公司出品;耐压1500V;电流容量25℃时80A;100℃时40A;内部带阻尼二极管;该IGBT可代用SGW25N120、SKW25N120、GT40Q321、GT40T101;代用SGW25N120和GT40T101时请将原配套该IGBT的D11快速恢复二极管拆除不装.. 6GT60M303----东芝公司出品;耐压900V;电流容量25℃时120A;100℃时60A;内部带阻尼二极管..2.2电路方框图2.3主回路原理分析时间t1~t2时当开关脉冲加至Q1的G极时;Q1饱和导通;电流i1从电源流过L1;由于线圈感抗不允许电流突变.所以在t1~t2时间i1随线性上升;在t2时脉冲结束;Q1截止;同样由于感抗作用;i1不能立即变0;于是向C3充电;产生充电电流i2;在t3时间;C3电荷充满;电流变0;这时L1的磁场能量全部转为C3的电场能量;在电容两端出现左负右正;幅度达到峰值电压;在Q1的CE极间出现的电压实际为逆程脉冲峰压+电源电压;在t3~t4时间;C3通过L1放电完毕;i3达到最大值;电容两端电压消失;这时电容中的电能又全部转为L1中的磁能;因感抗作用;i3不能立即变0;于是L1两端电动势反向;即L1两端电位左正右负;由于阻尼管D11的存在;C3不能继续反向充电;而是经过C2、D11回流;形成电流i4;在t4时间;第二个脉冲开始到来;但这时Q1的UE为正;UC为负;处于反偏状态;所以Q1不能导通;待i4减小到0;L1中的磁能放完;即到t5时Q1才开始第二次导通;产生i5以后又重复i1~i4过程;因此在L1上就产生了和开关脉冲f20KHz~30KHz相同的交流电流..t4~t5的i4是阻尼管D11的导通电流;在高频电流一个电流周期里;t2~t3的i2是线盘磁能对电容C3的充电电流;t3~t4的i3是逆程脉冲峰压通过L1放电的电流;t4~t5的i4是L1两端电动势反向时;因D11的存在令C3不能继续反向充电;而经过C2、D11回流所形成的阻尼电流;Q1的导通电流实际上是i1..Q1的VCE电压变化:在静态时;UC为输入电源经过整流后的直流电源;t1~t2;Q1饱和导通;UC接近地电位;t4~t5;阻尼管D11导通;UC为负压电压为阻尼二极管的顺向压降;t2~t4;也就是LC自由振荡的半个周期;UC上出现峰值电压;在t3时UC达到最大值..以上分析证实两个问题:一是在高频电流的一个周期里;只有i1是电源供给L的能量;所以i1的大小就决定加热功率的大小;同时脉冲宽度越大;t1~t2的时间就越长;i1就越大;反之亦然;所以要调节加热功率;只需要调节脉冲的宽度;二是LC自由振荡的半周期时间是出现峰值电压的时间;亦是Q1的截止时间;也是开关脉冲没有到达的时间;这个时间关系是不能错位的;如峰值脉冲还没有消失;而开关脉冲己提前到来;就会出现很大的导通电流使Q1烧坏;因此必须使开关脉冲的前沿与峰值脉冲后沿相同步..2.4振荡电路1当G点有Vi输入时、V7OFF时V7=0V;V5等于D12与D13的顺向压降;而当V6<V5之后;V7由OFF转态为ON;V5亦上升至Vi;而V6则由R56、R54向C5充电..2当V6>V5时;V7转态为OFF;V5亦降至D12与D13的顺向压降;而V6则由C5经R54、D29放电..3V6放电至小于V5时;又重复1形成振荡..“G点输入的电压越高;V7处于ON的时间越长;电磁炉的加热功率越大;反之越小”..2.5+IGBT激励电路振荡电路输出幅度约4.1V的脉冲信号;此电压不能直接控制IGBTQ1的饱和导通及截止;所以必须通过激励电路将信号放大才行;该电路工作过程如下:1V8OFF时V8=0V;V8<V9;V10为高;Q8和Q3 导通、Q9和Q10截止;Q1的G极为0V;Q1截止..2V8ON时V8=4.1V;V8>V9;V10为低;Q8和Q3截止、Q9和Q10导通;+22V通过R71、Q10加至Q1的G极;Q1导通..2.6PWM脉宽调控电路CPU输出PWM脉冲到由R6、C33、R16组成的积分电路;PWM脉冲宽度越宽;C33的电压越高;C20的电压也跟着升高;送到振荡电路G点的控制电压随着C20的升高而升高;而G点输入的电压越高;V7处于ON的时间越长;电磁炉的加热功率越大;反之越小..“CPU通过控制PWM脉冲的宽与窄;控制送至振荡电路G的加热功率控制电压;控制了IGBT导通时间的长短;结果控制了加热功率的大小”..2.7同步电路R78、R51分压产生V3;R74+R75、R52分压产生V4;在高频电流的一个周期里;在t2~t4时间图1;由于C3两端电压为左负右正;所以V3<V4;V5OFFV5=0V振荡电路V6>V5;V7OFFV7=0V;振荡没有输出;也就没有开关脉冲加至Q1的G极;保证了Q1在t2~t4时间不会导通;在t4~t6时间;C3电容两端电压消失;V3>V4;V5上升;振荡有输出;有开关脉冲加至Q1的G极..以上动作过程;保证了加到Q1 G极上的开关脉冲前沿与Q1上产生的VCE脉冲后沿相同步..2.8加热开关控制1 当不加热时;CPU19脚输出低电平同时13脚也停止PWM输出;D18导通;将V8拉低;另V9>V8;使IGBT激励电路停止输出;IGBT截止;则加热停止..2开始加热时;CPU19脚输出高电平;D18截止;同时13脚开始间隔输出PWM试探信号;同时CPU通过分析电流检测电路和VAC检测电路反馈2 的电压信息、VCE检测电路反馈的电压波形变化情况;判断是否己放入适合的锅具;如果判断己放入适合的锅具;CPU13脚转为输出正常的PWM信号;电磁炉进入正常加热状态;如果电流检测电路、VAC及VCE电路反馈的信息;不符合条件;CPU会判定为所放入的锅具不符或无锅;则继续输出PWM试探信号;同时发出指示无锅的报知信息祥见故障代码表;如1分钟内仍不符合条件;则关机..2.9VAC检测电路AC220V由D1、D2整流的脉动直流电压通过R79、R55分压、C32平滑后的直流电压送入CPU;根据监测该电压的变化;CPU会自动作出各种动作指令:1判别输入的电源电压是否在充许范围内;否则停止加热;并报知信息祥见故障代码表..2配合电流检测电路、VCE电路反馈的信息;判别是否己放入适合的锅具;作出相应的动作指令祥见加热开关控制及试探过程一节..3配合电流检测电路反馈的信息及方波电路监测的电源频率信息;调控PWM的脉宽;令输出功率保持稳定..“电源输入标准220V±1V电压;不接线盘L1测试CPU第7脚电压;标准为1.95V±0.06V”..2.10电流检测电路电流互感器CT二次测得的AC电压;经D20~D23组成的桥式整流电路整流、C31平滑;所获得的直流电压送至CPU;该电压越高;表示电源输入的电流越大;CPU根据监测该电压的变化;自动作出各种动作指令:1配合VAC检测电路、VCE电路反馈的信息;判别是否己放入适合的锅具;作出相应的动作指令祥见加热开关控制及试探过程一节..2配合VAC检测电路反馈的信息及方波电路监测的电源频率信息;调控PWM的脉宽;令输出功率保持稳定2.11VCE检测电路将IGBTQ1集电极上的脉冲电压通过R76+R77、R53分压送至Q6基极;在发射极上获得其取样电压;此反映了Q1VCE电压变化的信息送入CPU;CPU根据监测该电压的变化;自动作出各种动作指令:1配合VAC检测电路、电流检测电路反馈的信息;判别是否己放入适合的锅具;作出相应的动作指令祥见加热开关控制及试探过程一节..2根据VCE取样电压值;自动调整PWM脉宽;抑制VCE脉冲幅度不高于1100V此值适用于耐压1200V的IGBT;耐压1500V的IGBT抑制值为1300V..3当测得其它原因导至VCE脉冲高于1150V时此值适用于耐压1200V的IGBT;耐压1500V的IGBT此值为1400V;CPU立即发出停止加热指令祥见故障代码表..2.12浪涌电压监测电路电源电压正常时;V14>V15;V16ONV16约4.7V;D17截止;振荡电路可以输出振荡脉冲信号;当电源突然有浪涌电压输入时;此电压通过C4耦合;再经过R72、R57分压取样;该取样电压通过D28另V15升高;结果V15>V14另IC2C比较器翻转;V16OFFV16=0V;D17瞬间导通;将振荡电路输出的振荡脉冲电压V7拉低;电磁炉暂停加热;同时;CPU监测到V16OFF信息;立即发出暂止加热指令;待浪涌电压过后、V16由OFF转为ON时;CPU再重新发出加热指令..2.13过零检测当正弦波电源电压处于上下半周时;由D1、D2和整流桥DB内部交流两输入端对地的两个二极管组成的桥式整流电路产生的脉动直流电压通过R73、R14分压的电压维持Q11导通;Q11集电极电压变0;当正弦波电源电压处于过零点时;Q11因基极电压消失而截止;集电极电压随即升高;在集电极则形成了与电源过零点相同步的方波信号;CPU通过监测该信号的变化;作出相应的动作指令..2.14锅底温度监测电路加热锅具底部的温度透过微晶玻璃板传至紧贴玻璃板底的负温度系数热敏电阻;该电阻阻值的变化间接反映了加热锅具的温度变化温度/阻值祥见热敏电阻温度分度表;热敏电阻与R58分压点的电压变化其实反映了热敏电阻阻值的变化;即加热锅具的温度变化;CPU通过监测该电压的变化;作出相应的动作指令:1定温功能时;控制加热指令;另被加热物体温度恒定在指定范围内..2当锅具温度高于220℃时;加热立即停止;并报知信息祥见故障代码表..3当锅具空烧时;加热立即停止;并报知信息祥见故障代码表..4当热敏电阻开路或短路时;发出不启动指令;并报知相关的信息祥见故障代码表..2.15IGBT温度监测电路IGBT产生的温度透过散热片传至紧贴其上的负温度系数热敏电阻TH;该电阻阻值的变化间接反映了IGBT的温度变化温度/阻值祥见热敏电阻温度分度表;热敏电阻与R59分压点的电压变化其实反映了热敏电阻阻值的变化;即IGBT的温度变化;CPU通过监测该电压的变化;作出相应的动作指令:1IGBT结温高于85℃时;调整PWM的输出;令IGBT结温≤85℃..2当IGBT结温由于某原因例如散热系统故障而高于95℃时;加热立即停止;并报知信息祥见故障代码表..3当热敏电阻TH开路或短路时;发出不启动指令;并报知相关的信息祥见故障代码表..4关机时如IGBT温度>50℃;CPU发出风扇继续运转指令;直至温度<50℃继续运转超过4分钟如温度仍>50℃;风扇停转;风扇延时运转期间;按1次关机键;可关闭风扇..5电磁炉刚启动时;当测得环境温度<0℃;CPU调用低温监测模式加热1分钟;1分钟后再转用正常监测模式;防止电路零件因低温偏离标准值造成电路参数改变而损坏电磁炉..2.16散热系统将IGBT及整流器DB紧贴于散热片上;利用风扇运转通过电磁炉进、出风口形成的气流将散热片上的热及线盘L1等零件工作时产生的热、加热锅具辐射进电磁炉内的热排出电磁炉外..CPU发出风扇运转指令时;15脚输出高电平;电压通过R5送至Q5基极;Q5饱和导通;VCC电流流过风扇、Q5至地;风扇运转;CPU发出风扇停转指令时;15脚输出低电平;Q5截止;风扇因没有电流流过而停转..2.17主电源AC220V50/60Hz电源经保险丝FUSE;再通过由CY1、CY2、C1、共模线圈L1组成的滤波电路针对EMC传导问题而设置;祥见注解;再通过电流互感器至桥式整流器DB;产生的脉动直流电压通过扼流线圈提供给主回路使用;AC1、AC2两端电压除送至辅助电源使用外;另外还通过印于PCB板上的保险线P.F.送至D1、D2整流得到脉动直流电压作检测用途..注解:由于中国大陆目前并未提出电磁炉须作强制性电磁兼容EMC认证;基于成本原因;内销产品大部分没有将CY1、CY2装上;L1用跳线取代;但基本上不影响电磁炉使用性能..2.18辅助电源AC220V50/60Hz电压接入变压器初级线圈;次级两绕组分别产生13.5V和23V交流电压..13.5V交流电压由D3~D6组成的桥式整流电路整流、C37滤波;在C37上获得的直流电压VCC除供给散热风扇使用外;还经由IC1三端稳压IC稳压、C38滤波;产生+5V 电压供控制电路使用..23V交流电压由D7~D10组成的桥式整流电路整流、C34滤波后;再通过由Q4、R7、ZD1、C35、C36组成的串联型稳压滤波电路;产生+22V电压供IC2和IGBT激励电路使用..2.19报警电路电磁炉发出报知响声时;CPU14脚输出幅度为5V、频率3.8KHz的脉冲信号电压至蜂鸣器ZD;令ZD发出报知响声..三;故障维修458系列须然机种较多;且功能复杂;但不同的机种其主控电路原理一样;区别只是零件参数的差异及CPU程序不同而己..电路的各项测控主要由一块8位4K内存的单片机组成;外围线路简单且零件极少;并设有故障报警功能;故电路可靠性高;维修容易;维修时根据故障报警指示;对应检修相关单元电路;大部分均可轻易解决..3.2主板检测标准由于电磁炉工作时;主回路工作在高压、大电流状态中;所以对电路检查时必须将线盘L1断开不接;否则极容易在测试时因仪器接入而改变了电路参数造成烧机..接上线盘试机前;应根据3.2.1<<主板检测表>>对主板各点作测试后;一切符合才进行..1上电不发出“B”一声----如果按开/关键指示灯亮;则应为蜂鸣器BZ不良;如果按开/关键仍没任何反应;再测CUP第16脚+5V是否正常;如不正常;按下面第4项方法查之;如正常;则测晶振X1频率应为4MHz左右没测试仪器可换入另一个晶振试;如频率正常;则为IC3CPU不良..2CN3电压低于305V----如果确认输入电源电压高于AC220V时;CN3测得电压偏低;应为C2开路或容量下降;如果该点无电压;则检查整流桥DB交流输入两端有否AC220V;如有;则检查L2、DB;如没有;则检查互感器CT初级是否开路、电源入端至整流桥入端连线是否有断裂开路现象..3+22V故障----没有+22V时;应先测变压器次级有否电压输出;如没有;测初级有否AC220V输入;如有则为变压器故障;如果变压器次级有电压输出;再测C34有否电压;如没有;则检查C34是否短路、D7~D10是否不良、Q4和ZD1这两零件是否都击穿;如果C34有电压;而Q4很热;则为+22V负载短路;应查C36、IC2及IGBT推动电路;如果Q4不是很热;则应为Q4或R7开路、ZD1或C35短路..+22V偏高时;应检查Q4、ZD1..+22V偏低时;应检查ZD1、C38、R7;另外;+22V负载过流也会令+22V偏低;但此时Q4会很热..4+5V故障----没有+5V时;应先测变压器次级有否电压输出;如没有;测初级有否AC220V输入;如有则为变压器故障;如果变压器次级有电压输出;再测C37有否电压;如没有;则检查C37、IC1是否短路、D3~D6是否不良;如果C37有电压;而IC4很热;则为+5V负载短路;应查C38及+5V负载电路..+5V偏高时;应为IC1不良..+5V偏低时;应为IC1或+5V负载过流;而负载过流IC1会很热..5待机时V.G点电压高于0.5V----待机时测V9电压应高于2.9V小于2.9V查R11、+22V;V8电压应小于0.6VCPU19脚待机时输出低电平将V8拉低;此时V10电压应为Q8基极与发射极的顺向压降约为0.6V;如果V10电压为0V;则查R18、Q8、IC2D;如果此时V10电压正常;则查Q3、Q8、Q9、Q10、D19..6V16电压0V----测IC2C比较器输入电压是否正向V14>V15为正向;如果是正向;断开CPU第11脚再测V16;如果V16恢复为4.7V以上;则为CPU故障;断开CPU第11脚V16仍为0V;则检查R19、IC2C..如果测IC2C比较器输入电压为反向;再测V14应为3V低于3V查R60、C19;再测D28正极电压高于负极时;应检查D27、C4;如果D28正极电压低于负极;应检查R20、IC2C..7VAC电压过高或过低----过高检查R55;过低查C32、R79..8V3电压过高或过低----过高检查R51、D16;过低查R78、C13..9V4电压过高或过低----过高检查R52、D15;过低查R74、R75..10Q6基极电压过高或过低----过高检查R53、D25;过低查R76、R77、C6..11D24正极电压过高或过低----过高检查D24及接入的30K电阻;过低查R59、C16.. 12D26正极电压过高或过低----过高检查D26及接入的30K电阻;过低查R58、C18.. 13动检时Q1 G极没有试探电压----首先确认电路符合<<主板测试表>>中第1~12测试步骤标准要求;如果不符则对应上述方法检查;如确认无误;测V8点如有间隔试探信号电压;则检查IGBT推动电路;如V8点没有间隔试探信号电压出现;再测Q7发射极有否间隔试探信号电压;如有;则检查振荡电路、同步电路;如果Q7发射极没有间隔试探信号电压;再测CPU第13脚有否间隔试探信号电压;如有;则检查C33、C20、Q7、R6;如果CPU第13脚没有间隔试探信号电压出现;则为CPU故障..14动检时Q1 G极试探电压过高----检查R56、R54、C5、D29..15动检时Q1 G极试探电压过低----检查C33、C20、Q7..16动检时风扇不转----测CN6两端电压高于11V应为风扇不良;如CN6两端没有电压;测CPU第15脚如没有电压则为CPU不良;如有请检查Q5、R5..17通过主板1~14步骤测试合格仍不启动加热----故障现象为每隔3秒发出“嘟”一声短音数显型机种显示E1;检查互感器CT次级是否开路、C15、C31是否漏电、D20~D23有否不良;如这些零件没问题;请再小心测试Q1 G极试探电压是否低于1.5V..3.3故障案例3.3.1故障现象1:放入锅具电磁炉检测不到锅具而不启动;指示灯闪亮;每隔3秒发出“嘟”一声短音数显型机种显示E1;连续1分钟后转入待机..分析:根椐报警信息;此为CPU判定为加热锅具过小直经小于8cm或无锅放入或锅具材质不符而不加热;并作出相应报知..根据电路原理;电磁炉启动时;CPU 先从第13脚输出试探PWM信号电压;该信号经过PWM脉宽调控电路转换为控制振荡脉宽输出的电压加至G点;振荡电路输出的试探信号电压再加至IGBT推动电路;通过该电路将试探信号电压转换为足己另IGBT工作的试探信号电压;另主回路产生试探工作电流;当主回路有试探工作电流流过互感器CT初级时;CT次级随即产生反映试探工作电流大小的电压;该电压通过整流滤波后送至CPU第6脚;CPU通过监测该电压;再与VAC电压、VCE电压比较;判别是否己放入适合的锅具..从上述过程来看;要产生足够的反馈信号电压另CPU判定己放入适合的锅具而进入正常加热状态;关键条件有三个:一是加入Q1 G极的试探信号必须足够;通过测试Q1 G极的试探电压可判断试探信号是否足够正常为间隔出现1~2.5V;而影响该信号电压的电路有PWM 脉宽调控电路、振荡电路、IGBT推动电路..二是互感器CT须流过足够的试探工作电流;一般可通测试Q1是否正常可简单判定主回路是否正常;在主回路正常及加至Q1 G极的试探信号正常前提下;影响流过互感器CT试探工作电流的因素有工作电压和锅具..三是到达CPU第6脚的电压必须足够;影响该电压的因素是流过互感器CT 的试探工作电流及电流检测电路..以下是有关这种故障的案例:1测+22V电压高于24V;按3.2.2<<主板测试不合格对策>>第3项方法检查;结果发现Q4击穿..结论:由于Q4击穿;造成+22V电压升高;另IC2D正输入端V9电压升高;导至加到IC2D负输入端的试探电压无法另IC2D比较器翻转;结果Q1 G极无试探信号电压;CPU也就检测不到反馈电压而不发出正常加热指令..2测Q1 G极没有试探电压;再测V8点也没有试探电压;再测G点试探电压正常;证明PWM脉宽调控电路正常;再测D18正极电压为0V启动时CPU应为高电平;结果发现CPU第19脚对地短路;更换CPU后恢复正常..结论:由于CPU第19脚对地短路;造成加至IC2C负输入端的试探电压通过D18被拉低;结果Q1 G极无试探信号电压;CPU 也就检测不到反馈电压而不发出正常加热指令..3更换CPU后恢复正常..结论:由于CPU第11脚击穿;造成振荡电路输出的试探信号电压通过D17被拉低;结果Q1 G极无试探信号电压;CPU也就检测不到反馈电压而不发出正常加热指令..4测Q1 G极没有试探电压;再测V8点也没有试探电压;再测G点也没有试探电压;再测Q7基极试探电压正常;再测Q7发射极没有试探电压;结果发现Q7开路..结论:由于Q7开路导至没有试探电压加至振荡电路;结果Q1 G极无试探信号电压;CPU也就检测不到反馈电压而不发出正常加热指令..5测Q1 G极没有试探电压;再测V8点也没有试探电压;再测G点也没有试探电压;再测Q7基极也没有试探电压;再测CPU第13脚有试探电压输出;结果发现C33漏电..结论:由于C33漏电另通过R6向C33充电的PWM脉宽电压被拉低;导至没有试探电压加至振荡电路;结果Q1 G极无试探信号电压;CPU也就检测不到反馈电压而不发出正常加热指令..6测Q1 G极试探电压偏低推动电路正常时间隔输出1~2.5V;:由于C33漏电;造成加至振荡电路的控制电压偏低;结果Q1 G极上的平均电压偏低;CPU因检测到的反馈电压不足而不发出正常加热指令..。
电磁炉控制按钮故障维修手册维修手册简介:本维修手册旨在介绍电磁炉控制按钮可能出现的故障原因及其解决方案。
通过本手册,用户可以了解常见的电磁炉控制按钮问题,并采取相应的维修措施以恢复电磁炉的正常使用。
第一部分:前期准备工作在开始维修电磁炉之前,首先需要做一些前期准备工作,以确保操作安全和结果有效。
1. 关断电源:在进行任何维修工作之前必须确保电磁炉的电源已经关闭,以避免发生电击。
2. 清洁工作区域:将维修区域保持清洁整洁,避免维修过程中发生触摸中毒或其他意外事故。
第二部分:常见故障及解决方案以下是一些常见的电磁炉控制按钮故障和对应的解决方案,用户可以参照实际情况进行操作。
1. 按钮无响应或无法正常启动问题原因:可能是电磁炉的电源供应出现问题,或者按钮本身损坏。
解决方案:首先确认电源供应是否正常,确保插座和电源线连接稳固。
如果电源供应正常,可以尝试清洁按钮表面的灰尘或污渍,或者更换按钮。
2. 按钮报错或显示异常问题原因:可能是电磁炉的控制器出现故障,或者按钮与控制器之间的连接断开。
解决方案:检查按钮与控制器之间的连接是否松动,如果有松动则重新连接。
如果连接正常,可以尝试重启电磁炉或者进行控制器的系统更新。
3. 按钮失灵或难以操作问题原因:可能是按钮表面受损或进水,造成内部电路短路。
解决方案:先清洁按钮表面的污渍或水迹,并仔细检查按钮是否有明显损坏。
若有损坏,则需要更换按钮。
4. 按钮过热或冒烟问题原因:可能是按钮内部电路短路或负载过大导致发热,甚至引发冒烟。
解决方案:立刻关闭电磁炉电源,并联系专业技术人员进行检修或更换。
5. 按钮松动或摇晃问题原因:可能是按钮固定螺丝松动或者损坏。
解决方案:需要拧紧按钮固定螺丝或者更换螺丝,确保按钮的稳定性。
第三部分:注意事项维修电磁炉期间,请注意以下事项,以确保操作安全和修复效果。
1. 专业人员:对于一些涉及高电压或其他危险因素的故障,建议联系专业技术人员进行维修,以避免不必要的风险。
售后服务手册(2008-2009版本)电磁炉简介一、电磁炉的用途和种类1、电磁炉的用途通过相应铁质锅具加热食物的电磁炉,可用于人们吃火锅、烧水、煮饭、煲汤、炒菜等用途。
它具有无明火,不产生有害气体,高效节能、安全省时等优点。
2、电磁炉的种类按加热单元数量分类,分为单头炉、双头炉、多头炉及商用电磁炉四种类型。
二、电磁炉的工作原理首先,交流220V市电经过滤波电容滤波,整流桥整流这几个环节,得到约220V的直流电,220V的直流电再经过电容平波后,得到波形较为平稳的直流电。
开机后,IGBT由控制电路发出的信号控制。
IGBT导通时,通过发热盘的电流迅速增加,这时线圈存储能量。
当IGBT截止时,发热盘产生一个很高的反向电压,向谐振电容充电,谐振电容两端的电压不断升高,电压检测模块检测到电压接近1200V时,CPU即控制IGBT导通,使谐振电容放电,防止IGBT因为高压击穿而损坏。
这样,通过由CPU及其它元器件组成的控制和测量电路,不断地使IGBT导通和截止,在线圈内就产生了振荡的高频电流,电流通过发热盘时产生变化的磁场。
放上锅具后,变化的磁场在锅具的底部产生很强的涡流,使锅具迅速的发热,再加热锅内的食物。
三、电磁炉的的执行标准及主要指标1、电磁炉的执行标准电磁炉相关的安全标准为:GB 4706.1《家用和类似用途电器的安全标准》。
电磁炉的产品标准为:GB 4706.29《电磁炉的特殊要求》。
2、电磁炉的型号表示方法例: C21Y1D中“C”为代号;“21”表示最高输入功率为2100W;“Y1D”表示电磁炉的货号。
3、电磁炉的主要安全指标3.1输入功率:不大于额定输入功率的1.05倍。
3.2电气强度:施加3750V~50Hz的交流正弦波电压,历时1min,不击穿,无闪烁现象。
3.3泄漏电流:不大于0.25mA。
4、电磁炉的主要性能指标4.1热效率:不小于80%。
4.2噪声:不大于50dB(A)。
4.3小物件不加热:对电磁炉面板上直径小于80mm的小件物品加热温度小于50℃。
雅乐思电磁炉
维修手册
雅乐思电器有限公司
二00五年三月
目录
一、原理简介
二、爆炸图
三、方块图、原理图
四、电路原理说明
五、维修内容
六、使用说明书
七、电路源理图
原理简介
电磁炉是应用电磁感应加热原理,利用电流通过线圈产生磁场,该磁场的磁力线通过铁质锅底部时会产生无数小涡流,使锅体本身迅速发热,然后加热锅中的食物。
爆炸图
电磁炉工作原理说明
1、主回路(逆变电路)
图中桥整B1将工频(50Hz)电流变换成直流电流,L1为扼流圈(CHOKE),L2是加热线圈,C4是平滑电容,IGBT由控制电路发出的矩形脉冲驱动,IGBT 导通时,流过L2的电流迅速增加。
IGBT截止时,L2、C5发生串联谐振,IGBT C极对地产生高压脉冲。
当该脉冲降至零时,驱动脉冲再次加到IGBT上使之导通。
上述过程周而复始,最终产生25KHZ左右的高频电磁波,使陶瓷板上放置的铁质锅底感应出涡流并使锅发热。
串联谐振的频率取决于L2、C5的参数.。
C1为电源滤波电容,RZ为压敏电阻(突波吸收器),当AC电源电压因故突然升大时,即瞬间短路,使保险丝迅速熔断,以保护电路。
2电源电路
变压器式
变压器式主板共有+5V,+12V,+20V三种稳压回路,其中桥式整流后的+20V 供IGBT驱动回路和供主控ICLM339使用,稳压、滤波后的+12V供风扇驱动回路使用,由三端稳压电路稳压后的+5V供主控MCU使用。
开关电源式
开关电源式主板共有+5V,+20V两种稳压回路,其中桥式整流后的+20V供IGBT驱动回路和供主控ICLM339和供风扇驱动回路使用,由三端稳压电路稳压后的+5V供主控MCU使用。
3冷却风扇
当电源接通时,主控IC发出风扇驱动信号(FAN),使风扇持续转动,吸入冷空气至机体内,再从机体后侧排出热空气,以达至机内散热目的,避免零件因高温工作环境造成损坏而故障。
机内超温风扇会自动启动,当风扇停转或散热不良,热敏电阻将信号传送到CPU,停止加热。
4定温控制及过热保护电路
该电路主要功能为依据置于陶瓷板下方的热敏电阻(NTC)和IGBT
上的热敏电阻(负温度系数),感测温度而改变电阻值得一随温度变化
的电压单位传送至主控IC(CPU),CPU经A/D转换后对照温度设定
值比较而作出加热或信止加热信号。
5 主控IC(CPU)主要功能
28脚主控IC主要功能如下:
(1)电源ON/OFF切换控制
(2)加热火力/定温温度控制
(3)各种自动功能的控制
(4)无负载检知及自动关机
(5)按键功能输入检知
(6)机内温升过高保护
(7)锅具检知
(8)炉面过热告知
(9)散热风扇控制
6负载电流检知电路
该电路中T2(比流器)串接在BG1(桥式整流器)前的线路上,因此,T2二次侧上的AC电压可得到输入电流的变化,此AC电压再经D10~D13全波整流为DC电压,该电压经分压后直接送至CPU的AD转换后,CPU根据转换后的AD值判断电流大小并控制PWM输出大小来控制功率及检知负载。
7驱动回路
该电路将来自脉宽调整电路输出的脉冲信号,放大到足以驱动IGBT ON/OFF的信号,输入的信号脉冲信号的高电平宽度愈大,则表示火力愈强。
8同步及自振电路
由R5,R6,R43,R7,R8,R9和339(1组)组成同步电路,电磁炉工作时,339输出一串同步脉中,干扰振流器(锯齿波了生器),振流器由D16,D17,D18,D19,C18,R24,R25,R26,R27,R28组成,自振频率()在PWM 输出电压和同步信号脉中的绸制下,经339输出,驱动信号。
9峰值控制电路
由R10,R11,R12,R14,R15,C3组成谐振脉冲峰质检测电路,将峰质过高时Q3关断,CPU、IO检测为低电平,CPU将控制PWM输出减少功率,职连续出现低电平脉冲串,CPU将关闭输,停止电磁炉加热。
10动态电压检测电路
由R1,R2,R3,C13,和BG的两端组成电压检测电路,由CPU直接将整流后正弦波AD转换后,检测电源电压是否在160V-260V范围内。
11瞬间高压控制电路
由R4,R31,R47,R50,R49,R16,R17,C22,C23,C28,D6和339组成正常电压该电路不起作用,当电压有瞬间高压超过290V时,339输出低电位,锁死输出,停止加热,保护IGBT,不会过压击穿。
故障1 不通电和按键无反应
故障2 不起动(起动一会关机,蜂鸣声隔几秒响一次)
故障 3 自动关机(开几分钟关机,或不定期关机)
故障 4 加热慢:加热断断续续或火力过低
故障 5 噪音大
故障 6 面板烂:面板采用耐温微晶板玻璃,冷热冲击可耐400℃温差,但抗强度冲击只有普通玻璃水平,不是钢化玻璃。
故障7 白板烧黑:将烧黑的白板,先用清洁剂涂于烧黑的地方再用抹布用力
擦干。
主要故障及排除方法
一、风扇不转
检查风扇电源部分(DC12V)开关电源型18V是否正常; 检查风扇(FAN)接插件连接是否正常、可靠;
检查风扇电机是否正常,风扇扇叶是否卡死。
二、风扇自转、长鸣
检查晶振焊接位置是否正确、牢靠;
LED板接插件是否插好、是否断线;
LED排线是否架在线盘上(有干扰现象);
热敏电阻接插件是否脱落、接触不良;
检查风扇是否卡死;
检查三极管是否击穿。
三、风扇异音
更换无异音风扇;
风扇内是否有异物进入。
四、电流不可调
检查主基板上比流器CT是否正常(开路、电阻小、接触不良); 检查主控IC工作是否正常,(测量相关引脚的电压);
检查主基板上调节电流的可变电位器(VR)是否正常。
五、电流调不低
检查线盘与陶瓷板距离是否太近,引起加热功率太大,减去垫片,调节到适当距离;
检查主基板上比流器CT是否正常(开路、电阻小、接触不良)。
六、电流调不高(火力小)
检查线盘与锅底距离是否太远,加上垫片,调节到适当距离; 检查主基板上可调电位器VR(20K)是否损坏。
七、电流不稳定
检查锅具是否平坦,和锅体材质。
八、蜂鸣器长鸣;
检查电源变压器输出电压是否正常;
检查主控IC是否正常。
九、不开机
检查FUSE是否熔断;
检查电源变压器接插件是否良好,变压器电压是否正常;
检查开机按键是否良好;
检查主控IC工作是否正常。
十、不加热;
检查三极管Q3是否损坏;
检查感温器热敏电阻是否开路;
检查电感L1是否虚焊。
十一、爆机(机器插电后FUSE熔断、IGBT、阻尼二极体、桥整击穿等)
用万用电表测量IGBT、FUSE、桥整、阻尼二极体、比较器LM339、驱动回路三极管、T2等关键元器件的损坏情况; 检查压敏电阻是否击穿;
检查主回路是否有短路现象。
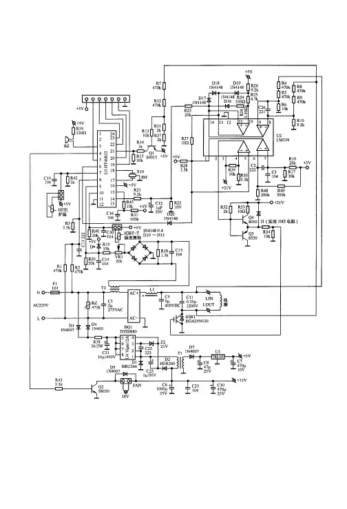
雅乐思电磁炉维修手册电磁炉主基板原理图
1
电磁炉技术规格书
一、电气规格
1、额定电压:220V/50Hz;
2、电压适应范围:160V~260V;
3、额定功率:1600~2000W
4、功率调节范围:300~2000 W;
5、保温档:300W
7、风扇电机:12VDC,≤200mA 或20VDC≤170mA。
8、待机功耗:≤8W。
二、环境适应能力
1、温度:25±10℃
2、湿度:45%~75%。