螺丝扭力对照表
- 格式:xlsx
- 大小:12.39 KB
- 文档页数:1
扭力值螺絲直徑0.5T(kgf.cm)T(kgf.cm) 1.5T(kgf.cm) 2.4T(kgf.cm)M33610.815(M3.5)5101824M48162837(M4.5)11213849M515305472M6255090118(M7)4385160205M861122220295M10122245440590M122154307701040M1435069012401660M16550110020002650M18760150027003600M201080215039005200M221500295053007000M241850370061008800M2727005400970013000M30360072001300017300M335000100001800024000M366500130002340031200M4210000200003600048000最新的 JIS 規範, 己經將螺絲扭力區分為:0.5T 系列: 電子零件用.標準 T 系列. 過去常用的螺絲系列. 1.5T 系列: 車輛及引擎用. 2.4T 系列: 建築及下水道工程用.適用螺絲材質C-B 銅(黃銅)SS SCr 鉻鋼鋼材SCr 鉻鋼鋼材C-R 銅(紅銅)S-C 機械構造用碳鋼材SCM 鉻鉬鋼鋼材SCM 鉻鉬鋼鋼材A-B 鋁SNCM 鎳鉻鉬鋼鋼材單位換算1 in = 25.4 cm l kgf = 9.807N 1 ft = 30.4cm 1kgf = 2.205lbf 1 lb = 0.454kg 1N = 0.101972kgf1N = 0.224809lbf注意螺絲緊度的扭力螺絲扭力表(公制)1 ft-lbs = 13.83kgf-cm 1 kgf-cm = 0.8673in-lbs 1 in- lbf= 1.153kgf-cm螺帽、螺栓的鬆緊度長久以來都被忽略了,量度的單位是扭力值:Kgf-cm。
螺丝、螺栓扭力对照表(非常全面),收藏备用众所周知,制造行业的装配过程离不开螺丝连接,有螺丝连接的地方就涉及到连接方式、螺丝拧紧控制方法、拧紧扭矩大小和位置的控制等问题,我们的电子制造行业的装配也不例外,大部分的装配都离不开螺丝的固定,可见螺丝连接的重要性。
固定螺丝过程中的失效分析和措施在生产制造过程中,螺丝拧紧是很常见的装配工艺;在手工操作或是设备自动操作中,都会有一些原因导致拧紧失效,造成失效的原因主要有以下方面:•产品本身的设计缺陷,结构不合理等。
•材料选择(材料选择不符合性能要求,如抗拉和抗压强度不够等)。
•装配过程失控(如扭力过大或过小,操作方法错误等)。
•温度影响(如对于一些热收缩率不同的材料,在高温或低温下会有产生不一致的收缩时从而使得夹持力下降)。
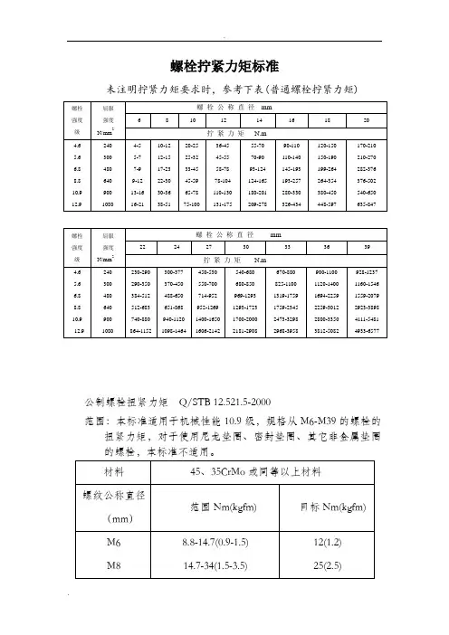
一、M16~M24螺钉或螺母的拧紧力矩二、未注明拧紧力矩要求时,参考下表(普通螺栓拧紧力矩)三、公制螺栓扭紧力矩(Q/STB 12.521.5-2000)范围:本标准适用于机械性能10.9 级,规格从M6-M39 的螺栓的扭紧力矩,对于使用尼龙垫圈、密封垫圈、其它非金属垫圈的螺栓,本标准不适用。
对于设计图纸有明确力矩要求的,应按图纸要求执行。
1、套管螺母紧固力矩 *(Q/STB B07833-1998)材料 HPb63-3Y22、直通式压注油杯Q/STB B07020-1998(螺纹M6、M8*1、M10*1)紧固力矩:0.3-0.5Kg.m安全阀 Q/STB B07029-1998(螺纹R1/8)紧固力矩:2.9-4.9Nm通气塞 Q/STB B07030-1998(螺纹R1/4)紧固力矩:2.94-5.88Nm。
螺塞Q/STB B07040-1998(公称直径08-10螺距1.25,12-36 螺距 1.5)3、螺栓(排气) Q/STB B07060-1998(M12*1.5)紧固力矩:58.8-78.4N.m4、软管(锥形密封) Q/STB B07123-1998(接头部螺母拧紧力矩)5、螺母(球头式管接头用) Q/STB B07201-1998拧紧力矩:N.m 材料:(Q235)6、管接头螺母Q/STB B07202-1998拧紧力矩(Q235/HPb59-1)7、铰接螺栓Q/STB B07206-1998拧紧力矩(Q235)8、球头式端直通接头Q/STB B07211-1998拧紧力矩(Q235 HPb 60-1)表中拧紧力矩适用于钢制接头9、管接头Q/STB B07212-1998紧固力矩(区分代号为5、7 的件材料Q235)10、套管螺母Q/STB B07221-1998拧紧力矩(材料Q235)11、管接头 Q/STB B07230-1998拧入紧固力矩(Q235)12、弯头(带座) Q/STB B07235-1998 、B07236-1998拧紧力矩13、喉箍Q/STB B07281-1998拧紧力矩14、U形管夹及座Q/STB B07283-1998螺母的紧固力矩(区分代号2、3 使用)15、管夹Q/STB B07289-1998(有效紧固直径φ25-φ232)紧固力矩:8.8±05Nm套管接头 Q/STB B07290-199816、套管螺母Q/STB B07833-199817、软管(空调器用)Q/STB B09488-1998四、各种材质螺丝组装扭力规范1、NYLON(尼龙)材质2、BRASS(黄铜)材质3、AUMINUM(铝)材质4、STEEL(铁)材质5、PHOSPHOR BRONZE(磷青铜)材质6、PHOSPHOR BRONZE(磷青铜)材质。
螺栓拧紧力矩标准M6~M24螺钉或螺母的拧紧力矩(操作者参考)未注明拧紧力矩要求时,参考下表(普通螺栓拧紧力矩)未注明拧紧力矩要求时,参考下表(普通螺栓拧紧力矩)公制螺栓扭紧力矩Q/STB 12.521.5-2000范围:本标准适用于机械性能10.9级,规格从M6-M39的螺栓的扭紧力矩,对于使用尼龙垫圈、密封垫圈、其它非金属垫圈的螺栓,本标准不适用。
★对于设计图纸有明确力矩要求的,应按图纸要求执行。
套管螺母紧固力矩Q/STB B07833-1998材料HPb63-3Y2直通式压注油杯Q/STB B07020-1998(螺纹M6、M8*1、M10*1)紧固力矩:0.3-0.5Kg.m。
安全阀Q/STB B07029-1998(螺纹R1/8)紧固力矩:2.9-4.9Nm。
通气塞Q/STB B07030-1998 (螺纹R1/4)紧固力矩:2.94-5.88Nm。
螺塞Q/STB B07040-1998(公称直径08-10螺距1.25,12-36螺距1.5)螺栓(排气)Q/STB B07060-1998(M12*1.5)紧固力矩:58.8-78.4N.m。
软管(锥形密封)Q/STB B07100-1998软管(锥形密封)Q/STB B07123-1998(接头部螺母拧紧力矩)螺母(球头式管接头用)Q/STB B07201-1998 拧紧力矩:N.m 材料:(Q235)管接头螺母Q/STB B07202-1998拧紧力矩(Q235 / HPb 59-1)铰接螺栓Q/STB B07206-1998拧紧力矩(Q235)球头式端直通接头Q/STB B07211-1998 拧紧力矩(Q235 HPb 60-1 )表中拧紧力矩适用于钢制接头管接头 Q/STB B07212-1998紧固力矩(区分代号为5、7的件 材料Q235)套管螺母 Q/STBB07221-1998 拧紧力矩 (材料Q235)管接头Q/STB B07230-1998拧入紧固力矩(Q235)弯头(带座)Q/STB B07235-1998 、B07236-1998 拧紧力矩喉箍Q/STB B07281-1998拧紧力矩U 形管夹及座 Q/STB B07283-1998 螺母的紧固力矩(区分代号 2、3使用)管夹 Q/STBB07289-1998(有效紧固直径φ25-φ232) 紧固力矩:8.8±05Nm套管接头 Q/STB B07290-1998套管螺母 Q/STB B07833-1998软管(空调器用)Q/STB B09488-19981、尊老爱幼是每一个人都应该去做的,让我们大家要从现在做起,从自己做起,从身边的每一件小事做起,做一个尊老爱幼的模范;积极、勇敢地接过先辈们尊老爱幼的接力棒,把祖祖辈辈这一光荣传统,一代一代传下去……在这天高云淡、秋风飒爽的季节,让我们共同祝愿天下所有的老人都能幸福、安康,让我们共同祝愿天下所有的少年儿童都能健康、快乐!谢谢大家______________________________________________________________________________________________________________Welcome To Download !!!欢迎您的下载,资料仅供参考!精品资料。
螺栓尺寸与最大扭矩对照表
1. 介绍
螺栓是机械连接中常用的紧固件,而扭矩是在拧紧螺栓时产生的力矩。
正确的扭矩是确保螺栓连接牢固的关键。
螺栓尺寸和最大扭矩之间的对照表是工程师和技术人员在进行装配和维护时的重要参考。
2. 螺栓尺寸与最大扭矩对照表
下表列出了常见螺栓尺寸及其对应的最大扭矩:
螺栓尺寸(直径)最大扭矩(N·m)
M6 10
M8 25
M10 50
M12 80
M16 150
M20 250
3. 使用说明
•在拧紧螺栓时,根据螺栓的尺寸选择合适的扭矩。
过低的扭矩可能导致螺栓松动,而过高的扭矩则可能导致螺栓拉伸或断裂。
•扭矩的选择应考虑螺栓的材质、润滑情况、工作环境等因素,确保安全可靠地进行螺栓连接。
•在进行螺栓连接时,建议使用扭矩扳手等工具来控制扭矩,以确保达到精确的紧固效果。
4. 结论
螺栓尺寸和最大扭矩之间的对照表是在机械装配和维护过程中非常重要的参考依据。
正确选择扭矩可以确保螺栓连接的牢固性和安全性,有效防止螺栓的松动或断裂。
在实际操作中,技术人员应遵循对照表中的建议,合理选择扭矩值,做好螺栓连接工作。
通过对螺栓尺寸与最大扭矩的对照表的了解与应用,能够提高机械装配的效率和质量,确保机械设备的安全运行和可靠性。
螺栓拧紧力矩标准M6~M24螺钉或螺母的拧紧力矩(操作者参考)未注明拧紧力矩要求时,参考下表(普通螺栓拧紧力矩)未注明拧紧力矩要求时,参考下表(普通螺栓拧紧力矩)公制螺栓扭紧力矩Q/STB 12.521.5-2000范围:本标准适用于机械性能10.9级,规格从M6-M39的螺栓的扭紧力矩,对于使用尼龙垫圈、密封垫圈、其它非金属垫圈的螺栓,本标准不适用。
★对于设计图纸有明确力矩要求的,应按图纸要求执行。
套管螺母紧固力矩Q/STB B07833-1998材料HPb63-3Y2直通式压注油杯Q/STB B07020-1998(螺纹M6、M8*1、M10*1)紧固力矩:0.3-0.5Kg.m。
安全阀Q/STB B07029-1998(螺纹R1/8)紧固力矩:2.9-4.9Nm。
通气塞Q/STB B07030-1998 (螺纹R1/4)紧固力矩:2.94-5.88Nm。
螺塞Q/STB B07040-1998(公称直径08-10螺距1.25,12-36螺距1.5)螺栓(排气)Q/STB B07060-1998(M12*1.5)紧固力矩:58.8-78.4N.m。
软管(锥形密封)Q/STB B07100-1998软管(锥形密封)Q/STB B07123-1998(接头部螺母拧紧力矩)螺母(球头式管接头用)Q/STB B07201-1998 拧紧力矩:N.m 材料:(Q235)管接头螺母Q/STB B07202-1998拧紧力矩(Q235 / HPb 59-1)铰接螺栓Q/STB B07206-1998拧紧力矩(Q235)球头式端直通接头Q/STB B07211-1998 拧紧力矩(Q235 HPb 60-1 )表中拧紧力矩适用于钢制接头管接头Q/STB B07212-1998紧固力矩(区分代号为5、7的件材料Q235)套管螺母Q/STB B07221-1998拧紧力矩(材料Q235)管接头Q/STB B07230-1998拧入紧固力矩(Q235)弯头(带座)Q/STB B07235-1998 、B07236-1998 拧紧力矩喉箍Q/STB B07281-1998拧紧力矩U形管夹及座Q/STB B07283-1998螺母的紧固力矩(区分代号2、3使用)管夹Q/STB B07289-1998(有效紧固直径φ25-φ232) 紧固力矩:8.8±05Nm套管接头Q/STB B07290-1998套管螺母Q/STB B07833-1998软管(空调器用)Q/STB B09488-1998。
罕见螺丝扭力尺度如下表:
宇文皓月
A类、铁螺丝与铁螺帽(螺孔)之固定,如:箱体各组件之组合。
接地螺丝、螺帽之固定。
PCB固定于箱体。
B类、铁螺丝、铜螺帽(螺孔及铝合金资料螺孔之螺定,如:电晶体或线材端子固定于铝散热片上。
铝散热片固定于PCB上。
大电容或电晶体端子(TERMINAL)之固定螺丝。
RS-232六角铜柱之固定。
C类、铁螺丝(自攻)锁于塑胶孔。
如:塑胶面板固定于箱体。
PCB固定于塑胶面板上。
D类、铁螺丝(自攻)锁于板厚1.0之抽牙孔。
M3抽牙也为ф2.8(+0,-0.05) M4抽牙孔为ф3.65(+0.05,-0)
E类、铁螺丝(自攻锁于板厚1.2之抽牙孔,抽牙孔尺寸同D 项。
扭力标准参照表
以下是一份常见的扭力标准参照表:
1.公制螺丝/螺栓:依照ISO898/1标准,螺纹M1.6、M2、M
2.2、M2.5、
M3、M3.5、M4、M5、M6、M8、M10、M12、M14、M16、M18、M20、M22、M24、M27、M30、M36、M42、M45、M48的扭紧扭矩N*M分别为0.050kgf-cm、0.10kgf-cm、0.13kgf-cm、0.20kgf-cm、
0.35kgf-cm、0.55kgf-cm、0.81kgf-cm、0.60kgf-cm、2.80kgf-cm、
4.6kgf-cm、0.065kgf-cm、0.13kgf-cm、0.17kgf-cm、0.26kgf-cm、
0.46kgf-cm、0.73kgf-cm。
2.汽车螺丝扭力标准:通常根据螺丝规格和设计图纸的要求进行设定。
例如,A类和铁螺丝与铁螺帽(螺孔)的固定,如箱体各组件的组合,通常要求扭力适中,不能过大也不能过小。
3.普通螺栓拧紧力矩范围:适用于机械性能为10.9级的螺栓,规格从
M6到M39。
对于使用尼龙垫圈或密封垫圈或其它非金属垫圈的螺栓,本标准不适用。
对于设计图纸有明确力矩要求的,应按图纸要求执行。
以上信息仅供参考,具体扭力标准可能因螺丝规格和材料的不同而有所差异,如有疑问,建议咨询相关行业专家或查阅具体产品的使用说明。
螺栓拧紧力矩标准未注明拧紧力矩要求时,参考下表(普通螺栓拧紧力矩)公制螺栓扭紧力矩Q/STB 12.521.5-2000范围:本标准适用于机械性能10.9级,规格从M6-M39的螺栓的扭紧力矩,对于使用尼龙垫圈、密封垫圈、其它非金属垫圈的螺栓,本标准不适用。
★对于设计图纸有明确力矩要求的,应按图纸要求执行。
套管螺母紧固力矩Q/STB B07833-1998HPb63-3Y2材料直通式压注油杯Q/STB B07020-1998(螺纹M6、M8*1、M10*1)紧固力矩:0.3-0.5Kg.m。
安全阀Q/STB B07029-1998(螺纹R1/8)紧固力矩:2.9-4.9Nm。
通气塞Q/STB B07030-1998 (螺纹R1/4)紧固力矩:2.94-5.88Nm。
螺塞Q/STB B07040-1998(公称直径08-10螺距1.25,12-36螺距1.5)螺栓(排气)Q/STB B07060-1998(M12*1.5)紧固力矩:58.8-78.4N.m。
软管(锥形密封)Q/STB B07100-1998软管(锥形密封)Q/STB B07123-1998(接头部螺母拧紧力矩)螺母(球头式管接头用)Q/STB B07201-1998 拧紧力矩:N.m 材料:(Q235)管接头螺母Q/STB B07202-1998拧紧力矩(Q235 / HPb 59-1)铰接螺栓Q/STB B07206-1998拧紧力矩(Q235)球头式端直通接头Q/STB B07211-1998 拧紧力矩(Q235 HPb 60-1 )表中拧紧力矩适用于钢制接头管接头Q/STB B07212-1998紧固力矩(区分代号为5、7的件材料Q235)套管螺母Q/STB B07221-1998拧紧力矩(材料Q235)管接头Q/STB B07230-1998拧入紧固力矩(Q235)弯头(带座) Q/STB B07235-1998 、 B07236-1998 拧紧力矩喉箍 Q/STB B07281-1998 拧紧力矩U 形管夹及座Q/STB B07283-1998 螺母的紧固力矩(区分代号 2、3使用)管夹 Q/STB B07289-1998(有效紧固直径φ25-φ232)紧固力矩:8.8±05Nm套管接头Q/STB B07290-1998套管螺母Q/STB B07833-1998软管(空调器用)Q/STB B09488-1998。
M6~M24螺钉或螺母的拧紧力矩(操作者参考)未注明拧紧力矩要求时,参考下表(普通螺栓拧紧力矩)未注明拧紧力矩要求时,参考下表(普通螺栓拧紧力矩)公制螺栓扭紧力矩Q/STB 12.521.5-2000范围:本标准适用于机械性能10.9级,规格从M6-M39的螺栓的扭紧力矩,对于使用尼龙垫圈、密封垫圈、其它非金属垫圈的螺栓,本标准不适用。
★对于设计图纸有明确力矩要求的,应按图纸要求执行。
套管螺母紧固力矩Q/STB B07833-1998材料HPb63-3Y2直通式压注油杯Q/STB B07020-1998(螺纹M6、M8*1、M10*1)紧固力矩:0.3-0.5Kg.m。
安全阀Q/STB B07029-1998(螺纹R1/8)紧固力矩:2.9-4.9Nm。
通气塞Q/STB B07030-1998 (螺纹R1/4)紧固力矩:2.94-5.88Nm。
螺塞Q/STB B07040-1998(公称直径08-10螺距1.25,12-36螺距1.5)螺栓(排气)Q/STB B07060-1998(M12*1.5)紧固力矩:58.8-78.4N.m。
软管(锥形密封)Q/STB B07100-1998软管(锥形密封)Q/STB B07123-1998(接头部螺母拧紧力矩)螺母(球头式管接头用)Q/STB B07201-1998 拧紧力矩:N.m 材料:(Q235)管接头螺母Q/STB B07202-1998拧紧力矩(Q235 / HPb 59-1)铰接螺栓Q/STB B07206-1998拧紧力矩(Q235)球头式端直通接头Q/STB B07211-1998拧紧力矩(Q235 HPb 60-1 )表中拧紧力矩适用于钢制接头管接头Q/STB B07212-1998紧固力矩(区分代号为5、7的件材料Q235)套管螺母Q/STB B07221-1998 拧紧力矩(材料Q235)管接头Q/STB B07230-1998 拧入紧固力矩(Q235)弯头(带座) Q/STB B07235-1998 、 B07236-1998 拧紧力矩喉箍 Q/STB B07281-1998 拧紧力矩U 形管夹及座Q/STB B07283-1998 螺母的紧固力矩(区分代号 2、3使用)管夹 Q/STB B07289-1998(有效紧固直径φ25-φ232) 紧固力矩:8.8±05Nm套管接头Q/STB B07290-1998套管螺母Q/STB B07833-1998软管(空调器用)Q/STB B09488-1998。