石方路基检查项目及检验标准表
- 格式:docx
- 大小:16.02 KB
- 文档页数:1
工程验收时,应提交下列技术文件和记录1、竣工图2、图纸会审纪要3、施工组织设计或施工方案4、设计变更文件5、所有原材料、半成品和成品质量证明文件6、材料配合比、拌和加工控制检验和试验数据7、施工记录8、地基处理、隐蔽工程施工记录和检验资料9、工程质量验收记录(SY4210-2017)工程名称分项工程名称验收部位施工单位专业负责人项目经理施工执行标准名称及编号检验批编号施工质量验收规范规定施工单位检查评定记录监理(建设)单位验收记录项目序号检查内容规定值或允许偏差主控项目1 路基用土符合设计要求和JTG F10的规定2压实度(%)填挖类型路床顶面以下深度(mm)主干道、次干道支道=零填及挖方0~0.3 ≥95 ≥94填方0~0.8 ≥95 ≥940.8~1.5 ≥94 ≥93>1.5 ≥92 ≥903 弯沉(0.01mm)不大于设计规定值一般项目1 纵断高程(mm)+10,-202 中线偏位(mm)≤1003 宽度(mm)不小于设计值4 平整度(mm)≤205 横坡(%)±0.5%6 边坡(%)不陡于设计值7 路堑段上边坡应平整稳定8路基表面应平整,边线直顺,曲线圆滑;路基边坡坡面应平顺、稳定9 取土坑、弃土堆、护坡值、碎落台的位置应适当,外形应整齐施工单位检查评定结果项目专业质量检查员:年月日监理(建设)单位验收结论监理工程师(建设单位项目代表):年月日(SY4210-2017)软土地基处治:砂砾垫层检验批质量验收记录表(SY4210-2017)软土地基处治:袋装砂井、塑料排水板检验批质量验收记录表(SY4210-2017)软土地基处治:碎石桩(砂桩)检验批质量验收记录表(SY4210-2017)软土地基处治:土工合成材料处治层检验批质量验收记录表(SY4210-2017)(SY4210-2017)(SY4210-2017)砌体挡土墙工程检验批质量验收记录表(SY4210-2017)悬臂式和扶壁式挡土墙工程检验批质量验收记录表(SY4210-2017)注:平整度取值按每20m取1点最大值填写加筋土挡土墙工程检验批质量验收记录表(SY4210-2017)挡土墙墙背填土工程检验批质量验收记录表(SY4210-2017)工程名称分项工程名称验收部位施工单位专业负责人项目经理施工执行标准名称及编号检验批编号施工质量验收规范规定施工单位检查评定记录监理(建设)单位验收记录项目序号检查内容规定值或允许偏差主控项目1 压实度不小于设计值=一般项目1 填土表面应平整,边线应直顺2 边坡坡面应平顺稳定,不应亏坡,曲线应圆滑施工单位检查评定结果项目专业质量检查员:年月日监理(建设)单位验收结论监理工程师(建设单位项目代表):年月日土沟(排水沟)工程检验批质量验收记录表(SY4210-2017)(SY4210-2017)(SY4210-2017)拦水带、急流槽工程检验批质量验收记录表(SY4210-2017)管道基础及钢筋砼排水管安装工程检验批质量验收记录表(SY4210-2017)聚乙烯缠绕结构壁排水管安装工程检验批质量验收记录表(SY4210-2017)检查井(雨水口)砌筑工程检验批质量验收记录表(SY4210-2017)(SY4210-2017)(SY4210-2017)工程名称分项工程名称验收部位施工单位专业负责人项目经理施工执行标准名称及编号检验批编号施工质量验收规范规定施工单位检查评定记录监理(建设)单位验收记录项目序号检查内容规定值或允许偏差主控项目1管道顶上铺设路面沟槽回填土压实度(%)主干道、次干道≥95=支道≥93=一般项目1 管道顶上回复自然地面时,沟槽回填土应符合设计要求2 填土表面应平整、无杂物施工单位检查评定结果项目专业质量检查员:年月日监理(建设)单位验收结论监理工程师(建设单位项目代表):年月日水泥混凝土面层工程检验批质量验收记录表(SY4210-2017)沥青混凝土面层和沥青碎石面层工程检验批质量验收记录表(SY4210-2017)工程名称分项工程名称验收部位施工单位专业负责人项目经理施工执行标准名称及编号检验批编号施工质量验收规范规定施工单位检查评定记录监理(建设)单位验收记录项目序号检查内容规定值或允许偏差主控项目1沥青混合料的矿料质量、矿料级配、配合比设计符合设计要求和JTG/T F40的规定2 压实度试验室标准密度的96%=3 厚度(mm)大于或等于85%设计厚度4 弯沉值(0.01mm)符合设计要求一般项目1平整度(mm)标准差σ(mm)≤2.0最大间隙h(mm)≤52 纵断高程(mm)±203 宽度有侧石(mm)±30无侧石(mm)不小于设计值4 横坡(%)±0.55 面层与路缘石及其他构筑物应密贴接顺,不应有积水现象6面层应平整、坚实,不应有松散、泛油脱落、裂缝、堆挤、烂边和粗细料集中现象7施工缝应密实平整,纵向接缝、横向接缝应紧密、平顺,烫缝不应枯焦施工单位检查评定结果项目专业质量检查员:年月日监理(建设)单位验收结论监理工程师(建设单位项目代表):年月日注:弯沉值填写代表值,平整度取值均按每处2点最大值填写沥青贯入式面层工程检验批质量验收记录表(SY4210-2017)注:弯沉值填写代表值,平整度取值均按每处2点最大值填写沥青表面处置面层工程检验批质量验收记录表(SY4210-2017)注:弯沉值填写代表值,平整度取值均按每处2点最大值填写砂石路面工程检验批质量验收记录表(SY4210-2017)工程名称分项工程名称验收部位施工单位专业负责人项目经理施工执行标准名称及编号检验批编号施工质量验收规范规定施工单位检查评定记录监理(建设)单位验收记录项目序号检查内容规定值或允许偏差主控项目1 级配碎石、天然砂砾质量符合设计要求和SY/T 7038的规定2 压实度(%)≥94= 3 厚度(mm)-10一般项目1 平整度(mm)≤152 纵断高程(mm)+5,-153 宽度(mm)不小于设计值4 横坡(%)±0.55 表面应平整密实,边线整齐施工单位检查评定结果项目专业质量检查员:年月日监理(建设)单位验收结论监理工程师(建设单位项目代表):年月日注:平整度取值均按每处2点最大值填写泥(灰)结碎(砾)石面层、基层工程检验批质量验收记录表(SY4210-2017)注:平整度取值均按每处2点最大值填写水泥稳定土基层和底基层工程检验批质量验收记录表(SY4210-2017)工程名称分项工程名称验收部位施工单位专业负责人项目经理施工执行标准名称及编号检验批编号施工质量验收规范规定施工单位检查评定记录监理(建设)单位验收记录项目序号检查内容规定值或允许偏差基层底基层主控项目1 水泥、土质量符合设计要求和JTG/T F20的规定2 水泥用量符合设计要求和JTG/T F20的规定3 压实度(%)≥95 ≥93=4 强度(MPa)在合格标准内5 厚度(mm)±10一般项目1 平整度(mm)≤152 纵断高程(mm)+5,-15 +5,-203 宽度(mm)不小于设计值4 横坡(%)±0.55 碾压后不应有明显轮迹,表面应平整密实,不应有坑洼和明显离析6 施工接茬应平整、稳定施工单位检查评定结果项目专业质量检查员:年月日监理(建设)单位验收结论监理工程师(建设单位项目代表):年月日注:平整度取值均按每处2点最大值填写水泥稳定粒料(级配碎石、级配砾石、砂砾、矿渣)基层和底基层工程检验批质量验收记录表(SY4210-2017)工程名称分项工程名称验收部位施工单位专业负责人项目经理施工执行标准名称及编号检验批编号施工质量验收规范规定施工单位检查评定记录监理(建设)单位验收记录项目序号检查内容规定值或允许偏差基层底基层主控项目1水泥、粒料(级配碎石、级配砾石、砂砾、矿渣)质量符合设计要求和JTG/T F20的规定2 水泥用量符合设计要求和JTG/T F20的规定3 压实度(%)≥97 ≥95=4 强度(MPa)符合设计要求5 厚度(mm)±10一般项目1 平整度(mm)≤152 纵断高程(mm)+5,-15 +5,-203 宽度(mm)不小于设计值4 横坡(%)±0.55 碾压后不应有明显轮迹,表面平整密实,无坑洼、无明显离析6 施工接茬应平整、稳定施工单位检查评定结果项目专业质量检查员:年月日监理(建设)单位验收结论监理工程师(建设单位项目代表):年月日注:平整度取值均按每处2点最大值填写石灰稳定粒料土基层和底基层工程检验批质量验收记录表(SY4210-2017)工程名称分项工程名称验收部位施工单位专业负责人项目经理施工执行标准名称及编号检验批编号施工质量验收规范规定施工单位检查评定记录监理(建设)单位验收记录项目序号检查内容规定值或允许偏差基层底基层主控项目1 石灰、土的质量符合设计要求和JTG/T F20的规定2 石灰用量符合设计要求和JTG/T F20的规定3 压实度(%)≥95 ≥93=4 强度(MPa)符合设计要求5 厚度(mm)-10一般项目1 平整度(mm)≤152 纵断高程(mm)+5,-15 +5,-203 宽度(mm)不小于设计值4 横坡(%)±0.55 表面应平整密实,无坑洼6 施工接茬应平整、稳定施工单位检查评定结果项目专业质量检查员:年月日监理(建设)单位验收结论监理工程师(建设单位项目代表):年月日注:平整度取值均按每处2点最大值填写石灰稳定粒料(级配碎石、级配砾石、砂砾、矿渣)基层和底基层工程检验批质量验收记录表(SY4210-2017)工程名称分项工程名称验收部位施工单位专业负责人项目经理施工执行标准名称及编号检验批编号施工质量验收规范规定施工单位检查评定记录监理(建设)单位验收记录项目序号检查内容规定值或允许偏差基层底基层主控项目1石灰、粒料(级配碎石、级配砾石、砂砾、矿渣)质量符合设计要求和JTG/T F20的规定2 石灰用量符合设计要求和JTG/T F20的规定3 压实度(%)≥97 ≥95=4 强度(MPa)符合设计要求5 厚度(mm)±10一般项目1 平整度(mm)≤152 纵断高程(mm)+5,-15 +5,-203 宽度(mm)不小于设计值4 横坡(%)±0.55 表面应平整密实,无坑洼6 施工接茬应平整、稳定施工单位检查评定结果项目专业质量检查员:年月日监理(建设)单位验收结论监理工程师(建设单位项目代表):年月日注:平整度取值均按每处2点最大值填写水泥粉煤灰土基层和底基层工程检验批质量验收记录表(SY4210-2017)工程名称分项工程名称验收部位施工单位专业负责人项目经理施工执行标准名称及编号检验批编号施工质量验收规范规定施工单位检查评定记录监理(建设)单位验收记录项目序号检查内容规定值或允许偏差基层底基层主控项目1 水泥、粉煤灰、土质量符合设计要求和JTG/T F20的规定2 水泥用量符合设计要求和JTG/T F20的规定3 压实度(%)≥95 ≥93=4 强度(MPa)符合设计要求5 厚度(mm)±10一般项目1 平整度(mm)≤152 纵断高程(mm)+5,-15 +5,-203 宽度(mm)不小于设计值4 横坡(%)±0.55 碾压后不应有明显轮迹,表面平整密实,不应有坑洼和明显离析6 施工接茬应平整、稳定施工单位检查评定结果项目专业质量检查员:年月日监理(建设)单位验收结论监理工程师(建设单位项目代表):年月日注:平整度取值均按每处2点最大值填写水泥粉煤灰稳定粒料(级配碎石、级配砾石、砂砾、矿渣)基层和底基层工程检验批质量验收记录表(SY4210-2017)工程名称分项工程名称验收部位施工单位专业负责人项目经理施工执行标准名称及编号检验批编号施工质量验收规范规定施工单位检查评定记录监理(建设)单位验收记录项目序号检查内容规定值或允许偏差基层底基层主控项目1水泥、粉煤灰、粒料(级配碎石、级配砾石、砂砾、矿渣)质量符合设计要求和JTG/T F20的规定2 水泥用量符合设计要求和JTG/T F20的规定3 压实度(%)≥97 ≥95=4 强度(MPa)符合设计要求5 厚度(mm)±10一般项目1 平整度(mm)≤152 纵断高程(mm)+5,-15 +5,-203 宽度(mm)不小于设计值4 横坡(%)±0.55 碾压后不应有明显轮迹,表面应平整密实,不应有坑洼和明显离析6 施工接茬应平整、稳定施工单位检查评定结果项目专业质量检查员:年月日监理(建设)单位验收结论监理工程师(建设单位项目代表):年月日注:平整度取值均按每处2点最大值填写石灰粉煤灰土基层和底基层工程检验批质量验收记录表(SY4210-2017)工程名称分项工程名称验收部位施工单位专业负责人项目经理施工执行标准名称及编号检验批编号施工质量验收规范规定施工单位检查评定记录监理(建设)单位验收记录项目序号检查内容规定值或允许偏差基层底基层主控项目1 石灰、粉煤灰、土的质量符合设计要求和JTG/T F20的规定2 石灰用量符合设计要求和JTG/T F20的规定3 压实度(%)≥95 ≥93=4 强度(MPa)符合设计要求5 厚度(mm)±10一般项目1 平整度(mm)≤152 纵断高程(mm)+5,-15 +5,-203 宽度(mm)不小于设计值4 横坡(%)±0.55 表面应平整密实,不应有坑洼、浮土、脱皮6 施工接茬应平整、稳定施工单位检查评定结果项目专业质量检查员:年月日监理(建设)单位验收结论监理工程师(建设单位项目代表):年月日注:平整度取值均按每处2点最大值填写石灰粉煤灰稳定粒料(级配碎石、级配砾石、砂砾、矿渣)基层和底基层工程检验批质量验收记录表(SY4210-2017)工程名称分项工程名称验收部位施工单位专业负责人项目经理施工执行标准名称及编号检验批编号施工质量验收规范规定施工单位检查评定记录监理(建设)单位验收记录项目序号检查内容规定值或允许偏差基层底基层主控项目1石灰、粉煤灰、粒料(级配碎石、级配砾石、砂砾、矿渣)质量符合设计要求和JTG/T F20的规定2 石灰用量符合设计要求和JTG/T F20的规定3 压实度(%)≥97 ≥95=4 强度(MPa)符合设计要求5 厚度(mm)±10一般项目1 平整度(mm)≤152 纵断高程(mm)+5,-15 +5,-203 宽度(mm)不小于设计值4 横坡(%)±0.55 表面应平整密实,不应有坑洼、浮土、脱皮6 施工接茬应平整、稳定施工单位检查评定结果项目专业质量检查员:年月日监理(建设)单位验收结论监理工程师(建设单位项目代表):年月日注:平整度取值均按每处2点最大值填写级配碎(砾)石基层和底基层工程检验批质量验收记录表(SY4210-2017)工程名称分项工程名称验收部位施工单位专业负责人项目经理施工执行标准名称及编号检验批编号施工质量验收规范规定施工单位检查评定记录监理(建设)单位验收记录项目序号检查内容规定值或允许偏差基层底基层主控项目1 级配碎(砾)石质量符合设计要求和JTG/T F20的规定2 压实度(%)≥98 ≥96= 3 厚度(mm)±10一般项目1 平整度(mm)≤152 纵断高程(mm)+5,-15 +5,-203 宽度(mm)不小于设计值4 横坡(%)±0.55 表面应平整密实,边线应整齐,无松散现象施工单位检查评定结果项目专业质量检查员:年月日监理(建设)单位验收结论监理工程师(建设单位项目代表):年月日注:平整度取值均按每处2点最大值填写填隙碎石基层和底基层工程检验批质量验收记录表(SY4210-2017)工程名称分项工程名称验收部位施工单位专业负责人项目经理施工执行标准名称及编号检验批编号施工质量验收规范规定施工单位检查评定记录监理(建设)单位验收记录项目序号检查内容规定值或允许偏差基层底基层主控项目1 填隙碎石质量符合设计要求和JTG/T F20的规定2 压实度(固体体积率)(%)≥98 ≥96= 3 厚度(mm)±10一般项目1 平整度(mm)≤152 纵断高程(mm)+5,-15 +5,-203 宽度(mm)不小于设计值4 表面应平整密实,边线应整齐,无松散现象施工单位检查评定结果项目专业质量检查员:年月日监理(建设)单位验收结论监理工程师(建设单位项目代表):年月日注:平整度取值均按每处2点最大值填写沥青路面就地冷再生基层(底基层)工程检验批质量验收记录表(SY4210-2017)工程名称分项工程名称验收部位施工单位专业负责人项目经理施工执行标准名称及编号检验批编号施工质量验收规范规定施工单位检查评定记录监理(建设)单位验收记录项目序号检查内容规定值或允许偏差基层底基层主控项目1 水泥(或石灰)质量符合设计要求2 水泥(或石灰)用量符合设计要求和JTG/T F20的规定3 压实度(%)≥95 ≥93=4 强度(MPa)符合设计要求5 厚度(mm)±10一般项目1 平整度(mm)≤152 纵断高程(mm)+5,-15 +5,-203 宽度(mm)不小于设计值4 横坡(%)±0.55 拌和应均匀,不应有明显轮迹,表面应平整密实,无坑洼6 施工接茬应平整、稳定施工单位检查评定结果项目专业质量检查员:年月日监理(建设)单位验收结论监理工程师(建设单位项目代表):年月日注:平整度取值均按每处2点最大值填写路缘石铺设工程检验批质量验收记录表(SY4210-2017)混凝土路面砖人行道工程检验批质量验收记录表(SY4210-2017)混凝土路面砖、石材地面砖广场或停车场工程检验批质量验收记录表(SY4210-2017)路肩工程检验批质量验收记录表(SY4210-2017)工程名称分项工程名称验收部位施工单位专业负责人项目经理施工执行标准名称及编号检验批编号施工质量验收规范规定施工单位检查评定记录监理(建设)单位验收记录项目序号检查内容规定值或允许偏差基层底基层主控项目1 压实度(%)不小于设计值,无设计要求时≥85%=一般项目1 宽度(mm)不小于设计值2 平整度(mm)≤20 ≤103 横坡(%)±1.04 路肩应直顺,曲线应圆滑,不应有堆积物5 路肩表面应密实平整,横坡应平顺,不应有积水施工单位检查评定结果项目专业质量检查员:年月日监理(建设)单位验收结论监理工程师(建设单位项目代表):年月日注:平整度取值均按每处2点最大值填写。
市政道路工程试验检测项目及频率一览表一、材料检测1. 水泥、砂、石子、钢筋等原材料进场时,需进行抽检,合格后方可投入使用。
2. 配合比设计:在施工前,根据设计规定对水泥混凝土配合比和沥青混凝土配合比进行试验,并经过试拌验证后,方可进行生产配合比设计。
二、水泥混凝土路面工程试验检测1. 强度检测:对水泥混凝土抗压、抗折强度进行检测,确保其符合设计要求。
2. 路面平整度检测:采用平整度仪对路面平整度进行检测,确保其平整度符合要求。
3. 弯沉值检测:对路面回弹弯沉值进行检测,确保路基、垫层和路面结构层厚度和回弹模量符合设计要求。
三、沥青混凝土路面工程试验检测1. 厚度检测:采用水准仪对路面厚度进行检测,确保其符合设计要求。
2. 压实度检测:采用核子密度仪对路面压实度进行检测。
3. 渗水性检测:对沥青混凝土路面的渗水系数进行检测,确保其防水性能良好。
4. 配合比检测:对沥青混凝土混合料矿料级配、沥青用量进行检测,验证生产配合比。
5. 密实度检测:采用核子密度湿度仪对路面密度进行检测。
四、路基土石方试验检测1. 土的含水量、液塑限试验。
2. 地基承载力检测。
3. 地基沉降观测:对地基沉降情况进行监测,确保其符合设计要求。
五、路基下卧层试验对下卧层变形和承载力进行检测,确保其符合设计要求。
六、市政道路工程外观质量检查对市政道路工程外观质量进行抽检,发现质量问题及时处理。
七、市政道路工程其他试验检测项目1. 管道密实度检测:采用无损检测技术对管道密实度进行检测,确保其符合设计要求。
2. 管道基础处理检测:对管道基础进行处理效果进行检测,确保其符合设计要求。
3. 管道回填土质量检测:对回填土的压实度、含水量等指标进行检测,确保其符合设计要求。
4. 管道渗漏试验:对管道系统进行渗漏试验,发现渗漏及时处理。
5. 道路几何尺寸检测:对道路宽度、平整度、标高等几何尺寸进行检测,确保其符合设计要求。
6. 道路抗滑性能检测:对路面抗滑性能进行检测,确保行车安全。
石方路基填筑压实度检测方法l 填料的物理性能(1)在开山处取代表性大块石料12块加工成50× 50×50mm正方体,测定浸水48h后的饱和抗压强度,实测值为48.2MPa,符合土石很填石料强度大于15MPa的要求。
另外在二次倒运料场取已解小后的代表性土样200kg风干,用四分法缩分至l00kg,因粒径较大先人工筛除大于60mm的粒料并计算占总质量的百分比,是否在25%-70%的范围内,实测值为32%属于土石混填。
余下的试样缩分至5000g 烘干至恒量,剔除大于60mm的32%(1600g)剩余3400g,按照JTJ05l—93中(JTJ115—93)筛分法进行试验并计算通过量,该土属于含细粒土砾(GF)l。
如小于0.074mm的试样大于15%需做土的界限含水量试验。
(2)标准击实。
在《公路路基施工技术规范》的7.8.2节规定,其标准干密度应根据每一种填料的不同含石量的最大干密度作出标准干密度曲线。
但是根据JTJ051—93(T0131—93)中大试筒适用于粒径不大于38mm的土。
另外,当试样中有大于38mm颗粒时,应先取出大于38mm颗粒,并求出百分率。
再对小于38mm部分进行击实试验,对试验所得最大干密度和最佳含水量进行校正。
当大于38mm 颗粒含量大于30%时就不宜用击实方法,也无法进行校正。
(3)根据以上分析,决定采用JTJ058—2000中T0308—2000(粗集料密度及吸水率试验)(广口瓶法)测大于5mm以上试样的毛体积密度。
首先按四分法取5000g大于5mm的试样,把大于广口瓶直径的试样破碎至易于进出广口瓶。
将破碎后的试样放人容器中冲洗干净,浸水24h。
同时用5000ml细口瓶在室温储存l瓶饮用水备用。
如浸水24h后,试样仍不干净,再继续把试样洗干净,直到水清澈为止。
再用5000m1细口瓶中的水浸泡试样2h以上。
将试样装入广口瓶中。
装试样时,广口瓶应倾斜放置缓缓注入饮用水,用玻璃片覆盖瓶口以上下左右摇晃的方法排出气泡。
公路工程质量检验评定表格E表公路分项工程质量检验评定表格(评定表E1~E114)目录一、路基土石方1、路基土石方1)土方路基┉┉┉┉┉┉┉┉┉┉┉┉┉┉┉┉┉┉┉┉┉┉┉┉┉E-1 2)石方路基┉┉┉┉┉┉┉┉┉┉┉┉┉┉┉┉┉┉┉┉┉┉┉┉┉E-2 3)砂垫层┉┉┉┉┉┉┉┉┉┉┉┉┉┉┉┉┉┉┉┉┉┉┉┉┉E-3 4)袋装砂井、塑料排水板┉┉┉┉┉┉┉┉┉┉┉┉┉┉┉┉┉┉E-4 5)碎石桩(砂桩)┉┉┉┉┉┉┉┉┉┉┉┉┉┉┉┉┉┉┉┉┉E-5 6)粉喷桩┉┉┉┉┉┉┉┉┉┉┉┉┉┉┉┉┉┉┉┉┉┉┉┉┉E-6 7)CFG桩┉┉┉┉┉┉┉┉┉┉┉┉┉┉┉┉┉┉┉┉┉┉┉┉E-6-1 8)加筋工程土工合成材料┉┉┉┉┉┉┉┉┉┉┉┉┉┉┉┉┉┉E-7 9)隔离工程土工合成材料┉┉┉┉┉┉┉┉┉┉┉┉┉┉┉┉┉E-8 10)过滤排水工程土工合成材料┉┉┉┉┉┉┉┉┉┉┉┉┉┉┉┉E-9 11)防裂工程土工合成材料┉┉┉┉┉┉┉┉┉┉┉┉┉┉┉┉E-10 2、排水工程1)管节预制┉┉┉┉┉┉┉┉┉┉┉┉┉┉┉┉┉┉┉┉┉┉┉┉E-11 2)管道基础及管节安装┉┉┉┉┉┉┉┉┉┉┉┉┉┉┉┉┉┉┉E-12 3)检查(雨水)井砌筑┉┉┉┉┉┉┉┉┉┉┉┉┉┉┉┉┉┉┉E-13 4)土沟┉┉┉┉┉┉┉┉┉┉┉┉┉┉┉┉┉┉┉┉┉┉┉┉┉E-14 5)浆砌排水沟┉┉┉┉┉┉┉┉┉┉┉┉┉┉┉┉┉┉┉┉┉┉┉E-15 6)盲沟┉┉┉┉┉┉┉┉┉┉┉┉┉┉┉┉┉┉┉┉┉┉┉┉┉E-16 7)排水泵站(沉井)┉┉┉┉┉┉┉┉┉┉┉┉┉┉┉┉┉┉┉┉E-17 3、挡土墙、防护及其他砌筑工程1)砌体挡土墙┉┉┉┉┉┉┉┉┉┉┉┉┉┉┉┉┉┉┉┉┉┉┉E-18 2)干砌挡土墙┉┉┉┉┉┉┉┉┉┉┉┉┉┉┉┉┉┉┉┉┉┉┉E-19 3)悬臂式和扶臂式挡土墙┉┉┉┉┉┉┉┉┉┉┉┉┉┉┉┉┉┉E-20 4)筋带┉┉┉┉┉┉┉┉┉┉┉┉┉┉┉┉┉┉┉┉┉┉┉┉┉E-215、锚杆、拉杆┉┉┉┉┉┉┉┉┉┉┉┉┉┉┉┉┉┉┉┉┉┉┉E-226)面板预制┉┉┉┉┉┉┉┉┉┉┉┉┉┉┉┉┉┉┉┉┉┉┉E-23 7)面板安装┉┉┉┉┉┉┉┉┉┉┉┉┉┉┉┉┉┉┉┉┉┉┉E-24 8)锚杆、锚碇板和加筋土挡土墙总体┉┉┉┉┉┉┉┉┉┉┉┉E-25 9)锚杆、锚碇板和加筋土挡土墙墙背回填┉┉┉┉┉┉┉┉┉┉┉E-2611)锚喷防护┉┉┉┉┉┉┉┉┉┉┉┉┉┉┉┉┉┉┉┉┉┉┉E-28 12)锥坡┉┉┉┉┉┉┉┉┉┉┉┉┉┉┉┉┉┉┉┉┉┉┉┉┉E-29 13)骨架防护┉┉┉┉┉┉┉┉┉┉┉┉┉┉┉┉┉┉┉┉┉┉┉E-30 14)护坡┉┉┉┉┉┉┉┉┉┉┉┉┉┉┉┉┉┉┉┉┉┉┉┉┉E-31 15)浆砌砌体┉┉┉┉┉┉┉┉┉┉┉┉┉┉┉┉┉┉┉┉┉┉┉E-32 16)干砌片石┉┉┉┉┉┉┉┉┉┉┉┉┉┉┉┉┉┉┉┉┉┉┉E-33 17)导流工程┉┉┉┉┉┉┉┉┉┉┉┉┉┉┉┉┉┉┉┉┉┉┉E-34 18)石笼防护┉┉┉┉┉┉┉┉┉┉┉┉┉┉┉┉┉┉┉┉┉┉┉E-35 4、涵洞工程1)涵洞总体┉┉┉┉┉┉┉┉┉┉┉┉┉┉┉┉┉┉┉┉┉┉┉E-36 2)涵台┉┉┉┉┉┉┉┉┉┉┉┉┉┉┉┉┉┉┉┉┉┉┉┉┉E-37 3)管座及管节安装┉┉┉┉┉┉┉┉┉┉┉┉┉┉┉┉┉┉┉┉┉E-38 4)盖板制作┉┉┉┉┉┉┉┉┉┉┉┉┉┉┉┉┉┉┉┉┉┉┉┉E-39 5)盖板安装┉┉┉┉┉┉┉┉┉┉┉┉┉┉┉┉┉┉┉┉┉┉┉E-40 6)箱涵浇筑┉┉┉┉┉┉┉┉┉┉┉┉┉┉┉┉┉┉┉┉┉┉┉E-41 7)拱涵浇(砌)筑┉┉┉┉┉┉┉┉┉┉┉┉┉┉┉┉┉┉┉┉┉E-42 8)倒虹吸竖井砌筑┉┉┉┉┉┉┉┉┉┉┉┉┉┉┉┉┉┉┉┉┉E-43 9)一字墙和八字墙┉┉┉┉┉┉┉┉┉┉┉┉┉┉┉┉┉┉┉┉┉E-44 10)顶入法施工的桥、涵┉┉┉┉┉┉┉┉┉┉┉┉┉┉┉┉┉┉┉E-45 11)台背回填┉┉┉┉┉┉┉┉┉┉┉┉┉┉┉┉┉┉┉┉┉┉┉E-46二、路面工程1)水泥土底基层┉┉┉┉┉┉┉┉┉┉┉┉┉┉┉┉┉┉┉┉┉┉E-47 2)水泥稳定粒料底基层┉┉┉┉┉┉┉┉┉┉┉┉┉┉┉┉┉┉┉E-48 3)水泥稳定粒料基层┉┉┉┉┉┉┉┉┉┉┉┉┉┉┉┉┉┉┉┉E-49 4)石灰土底基层┉┉┉┉┉┉┉┉┉┉┉┉┉┉┉┉┉┉┉┉┉┉E-50 5)石灰稳定粒料底基层┉┉┉┉┉┉┉┉┉┉┉┉┉┉┉┉┉┉┉E-51 6)石灰、粉煤灰土底基层┉┉┉┉┉┉┉┉┉┉┉┉┉┉┉┉┉┉E-52 7)石灰、粉煤灰稳定粒料底基层┉┉┉┉┉┉┉┉┉┉┉┉┉┉┉E-53 8)石灰、粉煤灰稳定粒料基层┉┉┉┉┉┉┉┉┉┉┉┉┉┉┉┉E-54 9)级配碎(砾)石底基层┉┉┉┉┉┉┉┉┉┉┉┉┉┉┉┉┉┉┉E-55 10)级配碎(砾)石基层┉┉┉┉┉┉┉┉┉┉┉┉┉┉┉┉┉┉┉┉E-56 11)填隙碎石(矿渣)底基层┉┉┉┉┉┉┉┉┉┉┉┉┉┉┉┉┉┉E-57 12)水泥混凝土面层┉┉┉┉┉┉┉┉┉┉┉┉┉┉┉┉┉┉┉┉E-58 13)沥青混凝土和沥青碎(砾)石面层┉┉┉┉┉┉┉┉┉┉┉┉┉┉E-59 14)沥青贯入式面层┉┉┉┉┉┉┉┉┉┉┉┉┉┉┉┉┉┉┉┉┉E-60 15)联结层┉┉┉┉┉┉┉┉┉┉┉┉┉┉┉┉┉┉┉┉┉┉┉┉┉E-6117)路肩┉┉┉┉┉┉┉┉┉┉┉┉┉┉┉┉┉┉┉┉┉┉┉┉┉E-63 18)横向排水管┉┉┉┉┉┉┉┉┉┉┉┉┉┉┉┉┉┉┉┉┉┉E-64 19)中央分隔带盲沟┉┉┉┉┉┉┉┉┉┉┉┉┉┉┉┉┉┉┉┉E-65三、桥梁工程1、基础及下部构造1)明挖基础┉┉┉┉┉┉┉┉┉┉┉┉┉┉┉┉┉┉┉┉┉┉┉┉E-66 2)钻孔桩┉┉┉┉┉┉┉┉┉┉┉┉┉┉┉┉┉┉┉┉┉┉┉┉┉E-67 3)挖孔桩┉┉┉┉┉┉┉┉┉┉┉┉┉┉┉┉┉┉┉┉┉┉┉┉┉E-68 4)承台┉┉┉┉┉┉┉┉┉┉┉┉┉┉┉┉┉┉┉┉┉┉┉┉┉E-69 5)立柱或双壁墩┉┉┉┉┉┉┉┉┉┉┉┉┉┉┉┉┉┉┉┉┉┉E-70 6)墩、台身┉┉┉┉┉┉┉┉┉┉┉┉┉┉┉┉┉┉┉┉┉┉┉┉E-71 7)墩、台帽┉┉┉┉┉┉┉┉┉┉┉┉┉┉┉┉┉┉┉┉┉┉┉┉E-72 8)组合桥台(拱桥)┉┉┉┉┉┉┉┉┉┉┉┉┉┉┉┉┉┉┉┉E-73 9)支座垫石┉┉┉┉┉┉┉┉┉┉┉┉┉┉┉┉┉┉┉┉┉┉┉E-74 10)挡块┉┉┉┉┉┉┉┉┉┉┉┉┉┉┉┉┉┉┉┉┉┉┉┉┉E-75 11)沉井┉┉┉┉┉┉┉┉┉┉┉┉┉┉┉┉┉┉┉┉┉┉┉┉┉E-76 2、上部构造预制和安装1)梁(板)预制┉┉┉┉┉┉┉┉┉┉┉┉┉┉┉┉┉┉┉┉┉┉┉E-77 2)梁(板)安装┉┉┉┉┉┉┉┉┉┉┉┉┉┉┉┉┉┉┉┉┉┉┉E-78 3)顶推施工梁┉┉┉┉┉┉┉┉┉┉┉┉┉┉┉┉┉┉┉┉┉┉┉E-79 4)吊杆的制作与安装┉┉┉┉┉┉┉┉┉┉┉┉┉┉┉┉┉┉┉┉┉E-80 3、上部构造现场浇筑1)就地浇筑梁(板)┉┉┉┉┉┉┉┉┉┉┉┉┉┉┉┉┉┉┉┉┉E-81 2)现浇连续段┉┉┉┉┉┉┉┉┉┉┉┉┉┉┉┉┉┉┉┉┉┉┉E-82 3)筑悬臂浇筑梁┉┉┉┉┉┉┉┉┉┉┉┉┉┉┉┉┉┉┉┉┉┉┉E-83 4)就地浇筑拱圈┉┉┉┉┉┉┉┉┉┉┉┉┉┉┉┉┉┉┉┉┉┉┉E-84 5)后张法预应力张拉┉┉┉┉┉┉┉┉┉┉┉┉┉┉┉┉┉┉┉┉┉E-85 4、总体、桥面系和附属工程1)桥梁总体┉┉┉┉┉┉┉┉┉┉┉┉┉┉┉┉┉┉┉┉┉┉┉┉┉E-86 2)防水层┉┉┉┉┉┉┉┉┉┉┉┉┉┉┉┉┉┉┉┉┉┉┉┉┉E-87 3)桥面铺装┉┉┉┉┉┉┉┉┉┉┉┉┉┉┉┉┉┉┉┉┉┉┉┉┉E-88 4)伸缩缝安装┉┉┉┉┉┉┉┉┉┉┉┉┉┉┉┉┉┉┉┉┉┉┉E-89 5)支座安装┉┉┉┉┉┉┉┉┉┉┉┉┉┉┉┉┉┉┉┉┉┉┉┉┉E-90 6)桥头搭板┉┉┉┉┉┉┉┉┉┉┉┉┉┉┉┉┉┉┉┉┉┉┉┉┉E-91 7)混凝土防撞护栏┉┉┉┉┉┉┉┉┉┉┉┉┉┉┉┉┉┉┉┉┉┉E-92 8)钢筋安装┉┉┉┉┉┉┉┉┉┉┉┉┉┉┉┉┉┉┉┉┉┉┉┉┉E-939)钢筋网┉┉┉┉┉┉┉┉┉┉┉┉┉┉┉┉┉┉┉┉┉┉┉┉┉E-94 5、防护工程1)锥、护坡┉┉┉┉┉┉┉┉┉┉┉┉┉┉┉┉┉┉┉┉┉┉┉┉┉E-95 2)导流工程┉┉┉┉┉┉┉┉┉┉┉┉┉┉┉┉┉┉┉┉┉┉┉┉┉E-96 3)浆砌砌体┉┉┉┉┉┉┉┉┉┉┉┉┉┉┉┉┉┉┉┉┉┉┉┉┉E-97 4)干砌片石┉┉┉┉┉┉┉┉┉┉┉┉┉┉┉┉┉┉┉┉┉┉┉┉┉E-98四、环保工程1、声屏障1)砌块体声屏障┉┉┉┉┉┉┉┉┉┉┉┉┉┉┉┉┉┉┉┉┉┉┉E-99 2)声屏障金属结构声屏障┉┉┉┉┉┉┉┉┉┉┉┉┉┉┉┉┉┉E-100 2、绿化工程1)中央分隔带绿化┉┉┉┉┉┉┉┉┉┉┉┉┉┉┉┉┉┉┉┉┉E-101 2)路侧绿化┉┉┉┉┉┉┉┉┉┉┉┉┉┉┉┉┉┉┉┉┉┉┉┉E-102 3)互通立交区绿化┉┉┉┉┉┉┉┉┉┉┉┉┉┉┉┉┉┉┉┉┉E-103 4)养护管理区、服务区绿化┉┉┉┉┉┉┉┉┉┉┉┉┉┉┉┉┉E-104 5)取、弃土场绿化┉┉┉┉┉┉┉┉┉┉┉┉┉┉┉┉┉┉┉┉┉E-105五、交安工程1、标志1)交通标志┉┉┉┉┉┉┉┉┉┉┉┉┉┉┉┉┉┉┉┉┉┉┉E-106 2、标线、突起路标1)路面标线┉┉┉┉┉┉┉┉┉┉┉┉┉┉┉┉┉┉┉┉┉┉E-107 2)突起路标┉┉┉┉┉┉┉┉┉┉┉┉┉┉┉┉┉┉┉┉┉┉E-108 3、护栏、轮廓标1)波形梁护栏┉┉┉┉┉┉┉┉┉┉┉┉┉┉┉┉┉┉┉┉E-109 2)混凝土护栏┉┉┉┉┉┉┉┉┉┉┉┉┉┉┉┉┉┉┉E-110 3)轮廓标┉┉┉┉┉┉┉┉┉┉┉┉┉┉┉┉┉┉┉┉┉┉E-1114、防眩设施1)防眩板┉┉┉┉┉┉┉┉┉┉┉┉┉┉┉┉┉┉┉┉┉┉E-1125、隔离栅、防落网1)隔离栅┉┉┉┉┉┉┉┉┉┉┉┉┉┉┉┉┉┉┉┉┉┉E-113 2)防落网┉┉┉┉┉┉┉┉┉┉┉┉┉┉┉┉┉┉┉┉┉┉┉┉┉E-114分项工程质量检验评定表分项工程名称:土方路基所属分部工程名称:路基土石方所属建设项目:工程部位:(桩号)施工单位:监理单位:编号:E-1□□□-□□-□□□-□□□检测负责人:检测:记录:复核:年月日分项工程质量检验评定表分项工程名称:石方路基所属分部工程名称:路基土石方所属建设项目:工程部位:(桩号)施工单位:监理单位:编号:E-2□□□-□□-□□□-□□□检测负责人:检测:记录:复核:年月日分项工程质量检验评定表分项工程名称:砂垫层所属分部工程名称:路基土石方所属建设项目:工程部位:(桩号)施工单位:监理单位:编号:E-3□□□-□□-□□□-□□□检测负责人:检测:记录:复核:年月日分项工程质量检验评定表分项工程名称:袋装砂井、塑料排水板所属分部工程名称:路基土石方所属建设项目:工程部位:(桩号)施工单位:监理单位:编号:E-4□□□-□□-□□□-□□□检测负责人:检测:记录:复核:年月日分项工程质量检验评定表分项工程名称:碎石桩(砂桩)所属分部工程名称:路基土石方所属建设项目:工程部位:(桩号)施工单位:监理单位:编号:E-5□□□-□□-□□□-□□□检测负责人:检测:记录:复核:年月日分项工程质量检验评定表分项工程名称:粉喷桩所属分部工程名称:路基土石方所属建设项目:工程部位:(桩号)施工单位:监理单位:编号:E-6□□□-□□-□□□-□□□检测负责人:检测:记录:复核:年月日分项工程质量检验评定表分项工程名称:CFG桩所属分部工程名称:路基土石方所属建设项目:工程部位:(桩号)施工单位:监理单位:编号:E-6-1 □□□-□□-□□□-□□□检测负责人:检测:记录:复核:年月日分项工程质量检验评定表分项工程名称:加筋工程土工合成材料所属分部工程名称:路基土石方所属建设项目:工程部位:(桩号)施工单位:监理单位:编号:E-7□□□-□□-□□□-□□□检测负责人:检测:记录:复核:年月日分项工程质量检验评定表分项工程名称:隔离工程土工合成材料所属分部工程名称:路基土石方所属建设项目:工程部位:(桩号)施工单位:监理单位:编号:E-8□□□-□□-□□□-□□□检测负责人:检测:记录:复核:年月日分项工程质量检验评定表分项工程名称:过滤排水工程土工合成材料所属分部工程名称:路基土石方所属建设项目:工程部位:(桩号、墩台号、孔号)施工单位:监理单位:编号:E-9□□□-□□-□□□-□□□检测负责人:检测:记录:复核:年月日分项工程质量检验评定表分项工程名称:防裂工程土工合成材料所属分部工程名称:路基土石方所属建设项目:工程部位:(桩号)施工单位:监理单位:编号:E-10□□□-□□-□□□-□□□检测负责人:检测:记录:复核:年月日分项工程质量检验评定表分项工程名称:管节预制所属分部工程名称:排水工程所属建设项目:工程部位:(桩号)施工单位:监理单位:编号:E-11□□□-□□-□□□-□□□检测负责人:检测:记录:复核:年月日分项工程质量检验评定表分项工程名称:管道基础及管节安装所属分部工程名称:排水工程所属建设项目:工程部位:(桩号)施工单位:监理单位:编号:E-12□□□-□□-□□□-□□□检测负责人:检测:记录:复核:年月日分项工程质量检验评定表分项工程名称:检查(雨水)井砌筑所属分部工程名称:排水工程所属建设项目:工程部位:(桩号、墩台号、孔号)施工单位:监理单位:编号:E-13□□□-□□-□□□-□□□检测负责人:检测:记录:复核:年月日分项工程质量检验评定表分项工程名称:土沟所属分部工程名称:排水工程所属建设项目:工程部位:(桩号、墩台号、孔号)施工单位:监理单位:编号:E-14□□□-□□-□□□-□□□检测负责人:检测:记录:复核:年月日分项工程质量检验评定表分项工程名称:浆砌排水沟所属分部工程名称:排水工程所属建设项目:工程部位:(桩号、墩台号、孔号)施工单位:监理单位:编号:E-15□□□-□□-□□□-□□□检测负责人:检测:记录:复核:年月日分项工程质量检验评定表分项工程名称:盲沟所属分部工程名称:排水工程所属建设项目:工程部位:(桩号、墩台号、孔号)施工单位:监理单位:编号:E-16□□□-□□-□□□-□□□检测负责人:检测:记录:复核:年月日分项工程质量检验评定表分项工程名称:排水泵站(沉井)所属分部工程名称:排水工程所属建设项目:工程部位:(桩号、墩台号、孔号)施工单位:监理单位:编号:E-17□□□-□□-□□□-□□□检测负责人:检测:记录:复核:年月日分项工程质量检验评定表分项工程名称:砌体挡土墙所属分部工程名称:挡土墙、防护及其他砌筑工程所属建设项目:工程部位:(桩号、墩台号、孔号)施工单位:监理单位:编号:E-18□□□-□□-□□□-□□□检测负责人:检测:记录:复核:年月日分项工程质量检验评定表分项工程名称:干砌挡土墙所属分部工程名称:挡土墙、防护及其他砌筑工程所属建设项目:检测负责人:检测:记录:复核:年月日分项工程质量检验评定表分项工程名称:悬臂式和扶臂式挡土墙所属分部工程名称:挡土墙、防护及其他砌筑工程所属建设项目:工程部位:(桩号、墩台号、孔号)施工单位:监理单位:编号:E-20□□□-□□-□□□-□□□检测负责人:检测:记录:复核:年月日分项工程质量检验评定表分项工程名称:筋带所属分部工程名称:挡土墙、防护及其他砌筑工程所属建设项目:工程部位:(桩号、墩台号、孔号)施工单位:监理单位:编号:E-21□□□-□□-□□□-□□□检测负责人:检测:记录:复核:年月日分项工程质量检验评定表分项工程名称:锚杆、拉杆所属分部工程名称:挡土墙、防护及其他砌筑工程所属建设项目:工程部位:(桩号、墩台号、孔号)施工单位:监理单位:编号:E-22□□□-□□-□□□-□□□检测负责人:检测:记录:复核:年月日分项工程质量检验评定表分项工程名称:面板预制所属分部工程名称:挡土墙、防护及其他砌筑工程所属建设项目:工程部位:(桩号、墩台号、孔号)施工单位:监理单位:编号:E-23□□□-□□-□□□-□□□分项工程质量检验评定表分项工程名称:面板安装所属分部工程名称:挡土墙、防护及其他砌筑工程所属建设项目:工程部位:(桩号、墩台号、孔号)施工单位:监理单位:编号:E-24□□□-□□-□□□-□□□检测负责人:检测:记录:复核:年月日分项工程质量检验评定表分项工程名称:锚杆、锚碇板和加筋土挡土墙总体所属分部工程名称:挡土墙、防护及其他砌筑工程所属建设项目:工程部位:(桩号、墩台号、孔号)施工单位:监理单位:编号:E-25□□□-□□-□□□-□□□分项工程质量检验评定表分项工程名称:锚杆、锚碇板和加筋土挡土墙墙背回填所属分部工程名称:挡土墙、防护及其他砌筑工程所属建设项目:工程部位:(桩号、墩台号、孔检测负责人:检测:记录:复核:年月日分项工程质量检验评定表分项工程名称:抗滑桩所属分部工程名称:挡土墙、防护及其他砌筑工程所属建设项目:工程部位:(桩号、墩台号、孔号)施工单位:监理单位:编号:E-27□□□-□□-□□□-□□□分项工程质量检验评定表分项工程名称:锚喷防护所属分部工程名称:挡土墙、防护及其他砌筑工程所属建设项目:工程部位:(桩号、墩台号、孔号)施工单位:监理单位:编号:E-28□□□-□□-□□□-□□□检测负责人:检测:记录:复核:年月日分项工程质量检验评定表分项工程名称:锥坡所属分部工程名称:挡土墙、防护及其他砌筑工程所属建设项目:检测负责人:检测:记录:复核:年月日分项工程质量检验评定表分项工程名称:骨架防护所属分部工程名称:挡土墙、防护及其他砌筑工程所属建设项目:检测负责人:检测:记录:复核:年月日分项工程质量检验评定表分项工程名称:护坡所属分部工程名称:挡土墙、防护及其他砌筑工程所属建设项目:检测负责人:检测:记录:复核:年月日分项工程质量检验评定表分项工程名称:浆砌砌体所属分部工程名称:挡土墙、防护及其他砌筑工程所属建设项目:工程部位:(桩号、墩台号、孔号)施工单位:监理单位:编号:E-32□□□-□□-□□□-□□□检测负责人:检测:记录:复核:年月日分项工程质量检验评定表分项工程名称:干砌片石所属分部工程名称:挡土墙、防护及其他砌筑工程所属建设项目:工程部位:(桩号、墩台号、孔号)施工单位:监理单位:编号:E-33□□□-□□-□□□-□□□检测负责人:检测:记录:复核:年月日分项工程质量检验评定表分项工程名称:导流工程所属分部工程名称:挡土墙、防护及其他砌筑工程所属建设项目:工程部位:(桩号、墩台号、孔号)施工单位:监理单位:编号:E-34□□□-□□-□□□-□□□检测负责人:检测:记录:复核:年月日分项工程质量检验评定表分项工程名称:石笼防护所属分部工程名称:挡土墙、防护及其他砌筑工程所属建设项目:工程部位:(桩号、墩台号、孔号)施工单位:监理单位:编号:E-35□□□-□□-□□□-□□□检测负责人:检测:记录:复核:年月日分项工程质量检验评定表分项工程名称:涵洞总体所属分部工程名称:涵洞工程所属建设项目:工程部位:(桩号、墩台号、孔号)施工单位:监理单位:编号:E-36□□□-□□-□□□-□□□检测负责人:检测:记录:复核:年月日分项工程质量检验评定表分项工程名称:涵台所属分部工程名称:涵洞工程所属建设项目:工程部位:(桩号、墩台号、孔号)施工单位:监理单位:编号:E-37□□□-□□-□□□-□□□检测负责人:检测:记录:复核:年月日分项工程质量检验评定表分项工程名称:管座及管节安装所属分部工程名称:涵洞工程所属建设项目:工程部位:(桩号、墩台号、孔号)施工单位:监理单位:编号:E-38□□□-□□-□□□-□□□检测负责人:检测:记录:复核:年月日分项工程质量检验评定表分项工程名称:盖板制作所属分部工程名称:涵洞工程所属建设项目:工程部位:(桩号、墩台号、孔号)施工单位:监理单位:编号:E-39□□□-□□-□□□-□□□检测负责人:检测:记录:复核:年月日分项工程质量检验评定表分项工程名称:盖板安装所属分部工程名称:涵洞工程所属建设项目:工程部位:(桩号、墩台号、孔号)施工单位:监理单位:编号:E-40□□□-□□-□□□-□□□检测负责人:检测:记录:复核:年月日分项工程质量检验评定表分项工程名称:箱涵浇筑所属分部工程名称:涵洞工程所属建设项目:工程部位:(桩号、墩台号、孔号)施工单位:监理单位:编号:E-41□□□-□□-□□□-□□□检测负责人:检测:记录:复核:年月日分项工程质量检验评定表分项工程名称:拱涵浇(砌)筑所属分部工程名称:涵洞工程所属建设项目:工程部位:(桩号、墩台号、孔号)施工单位:监理单位:编号:E-42□□□-□□-□□□-□□□检测负责人:检测:记录:复核:年月日分项工程质量检验评定表分项工程名称:倒虹吸竖井砌筑所属分部工程名称:涵洞工程所属建设项目:工程部位:(桩号、墩台号、孔号)施工单位:监理单位:编号:E-43□□□-□□-□□□-□□□检测负责人:检测:记录:复核:年月日分项工程质量检验评定表分项工程名称:一字墙和八字墙所属分部工程名称:涵洞工程所属建设项目:工程部位:(桩号、墩台号、孔号)施工单位:监理单位:编号:E-44□□□-□□-□□□-□□□检测负责人:检测:记录:复核:年月日。
石方路基(填方)质量检验标准
(CJJ1—2008)
6.8.2 石方路基质量检验应符合下列规定:
2填石路堤质量应符合下列要求:
主控项目
1)压实密度应符合试验路段确定的施工工艺,沉降差不应大于试验路段确定的下沉降差。
检查数量:每1000m2,抽检3点。
检验方法:水准仪测量。
一般项目
2)路床顶面应嵌缝牢固,表面均匀、平整、稳定、无推移、浮石。
检验数量:全数检查。
检验方法:观察。
3)边坡应稳定、平顺、无松石。
检查数量:全数检查。
检验方法:观察。
4)填石方路基允许偏差应符合表6.8.2—2的规定。
表6.8.2—2 填石方路基允许偏差
注:B为施工时必要的附加宽度。
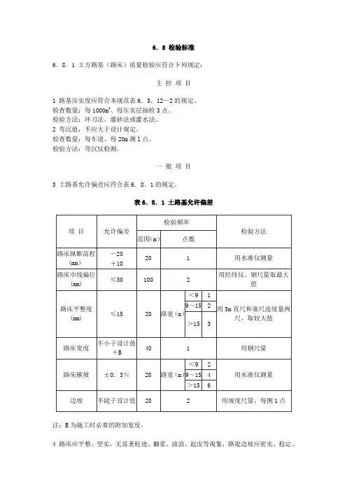
6.8 检验标准6.8.1 土方路基(路床)质量检验应符合下列规定:主控项目1 路基压实度应符合本规范表6.3.12—2的规定。
检查数量:每1000m2、每压实层抽检3点。
检验方法:环刀法、灌砂法或灌水法。
2 弯沉值,不应大于设计规定。
检查数量:每车道、每20m测l点。
检验方法:弯沉仪检测。
一般项目3 土路基允许偏差应符合表6.8.1的规定。
表6.8.1 土路基允许偏差注:B为施工时必要的附加宽度。
4 路床应平整、坚实,无显著轮迹、翻浆、波浪、起皮等现象,路堤边坡应密实、稳定、平顺等。
检查数量:全数检查。
检验方法:观察。
6.8.2 石方路基质量检验应符合下列规定:1 挖石方路基(路堑)质量应符合下列要求:主控项目1)上边坡必须稳定,严禁有松石、险石。
检查数量:全数检查。
检验方法:观察。
一般项目2)挖石方路基允许偏差应符合表6.8.2—1的规定。
表6.8.2—1挖石方路基允许偏差注:B为施工时必要的附加宽度。
2 填石路堤质量应符合下列要求:主控项目1)压实密度应符合试验路段确定的施工工艺,沉降差不应大于试验路段确定的沉降差。
检查数量:每1000m2,抽检3点。
检验方法:水准仪测量。
一般项目2)路床顶面应嵌缝牢固,表面均匀、平整、稳定,无推移、浮石。
检查数量:全数检查。
检验方法:观察。
3)边坡应稳定、平顺,无松石。
检查数量:全数检查。
检验方法:观察。
4)填石方路基允许偏差应符合表6.8.2—2的规定。
表6.8.2—2 埴石方路基允许偏差注:B为施工必要附加宽度。
6.8.3 路肩质量检验应符合下列规定:一般项目1 肩线应顺畅、表面平整,不积水、不阻水。
检查数量:全数检查。
柱验方法:观察。
2 路肩,压实度应大于或等于90%。
检查数量:每l00m,每侧各抽检l点。
检验方法:环刀法、灌砂法或灌水法。
3 路肩允许偏差应符合表6.8.3的规定。
表6.8.3 路肩允许偏差注:硬质路肩应结合所用材料,按本规范第7~11章的有关规定,补充相应的检查项目。
:道路分市政和公路目前主要参考规范有 JTGF801-2004 公路工程质量检验评定标准、 JTG F10-2006 公路路基施工技术规范、 JTG F40-2004 公路沥青路面施工技术规范以及城镇道路工程施工验收规范 CJJ1-2008。
路基施工试验项目有:压实度、弯沉检测、纵断高程、中线偏位、宽度、平整度、横坡、边坡。
1、路基检测重点项目为压实度和弯沉检测。
压实度检测:路基碾压之前需取路基回填料委托第三方试验室做标准击实试验,得出最大干密度和最佳含水率。
现场检测压实度时得出的干密度除以最大干密度就是压实度。
回填料的含水率应控制在最佳含水率±2%。
2、弯沉试验:待路基压实并经检测压实度合格后委托第三方实验室现场弯沉检测。
3、路基施工时,应进行试验段施工确定机械组合、压实机械规格、松铺厚度、碾压遍数、碾压速度、碾压时含水率偏差等。
特别是石方回填路基必须进行试验段施工。
试验项目有:配合比(含击实试验)、压实度、 7 天无侧限抗压强度、取芯检测摊铺厚度、平整度、宽度、横坡。
1、配合比(含击实试验)应在摊铺 7 天前委托第三方实验室检测。
2、压实度检测:应在摊铺碾压时跟随压路机及时检测,直到压实合格。
3、7 天无侧限抗压强度:应在摊铺时现场取样水泥终凝前委托第三方实验室进行检测。
4、待 7 天后水稳碎石强度有一定强度后使用取芯机进行取芯,检测取芯厚度。
5、平整度、宽度、横坡摊铺后检测。
6、水泥稳定碎石摊铺后,应在次日铺薄膜以及土工布养生。
试验项目有:配合比、流值、油石比、弯沉、压实度、中线偏位、厚度、平整度、纵断高程、横坡、宽度等1、配合比应在摊铺前 1 个月委托第三方实验室检测。
2、流值、油石比、标准密度应在沥青摊铺时取现场沥青混合料委托实验室检测。
3、弯沉、中线偏位、平整度、纵断高程、横坡、宽度应在沥青摊铺后检测。
4、压实度和厚度应在沥青摊铺后使用取芯机取芯检测,取芯后现场检测厚度,压实度需带回实验室由实验室通过先前摊铺的沥青混合料送检标准密度比较得出现场压实度结果。
公路工程质量鉴定外观检查内容及扣分标准导读:单位工程分部工程类别检查内容及扣分标预备注路基工程路基土石方1、路基边坡坡面平顺、稳定,曲线圆滑,不得亏坡,不符合要求时,单向累计长度每50米扣1-2分;2、路基沉陷,每处扣1-2分。
按每公里累计扣分的平均值扣分排水工程1、排水沟内侧及沟底应单位工程分部工程类别检查内容及扣分标准备注路基工程路基土石方 1 、路基边坡坡面平顺、稳定,曲线圆滑,不得亏坡,不符合要求时,单向累计长度每 50 米扣 1-2 分;2 、路基沉陷,每处扣 1-2 分。
按每公里累计扣分的平均值扣分排水工程 1 、排水沟内侧及沟底应平顺,无阻水现象,外侧无脱空,不符合要求时,每处扣 1 分;2 、砌体坚实、勾缝坚固,不符合要求时,每 5 米扣 1 分按每公里累计扣分的平均值扣分小桥 1 、砼表面粗糙;模板接缝处不平顺,有漏浆现象,扣 2-5 分;2 、混凝土表面蜂窝麻面面积不得超过该部位面积的 0.5% ,不符合要求时,扣 3-5 分;3 、桥梁的内外轮廓线条应顺滑清楚,栏杆、护栏应坚固、直顺、美观,不符合要求时,扣 1-3 分。
4 、桥头有跳车现象,每处扣 2 分;5 、桥下施工弃料应清理洁净,未清理洁净时扣 1-3 分。
按每座累计扣分的平均值扣分涵洞 1 、涵洞进出口不顺适,洞身不直顺,帽石、八字墙、一字墙不平直,存在翘曲现象,洞内有杂物、淤泥、阻水现象时,每种病害扣 1-3 分;2 、台身、涵底铺砌、拱圈、盖板有裂缝时,每道裂缝扣 2-3 分;3 、涵洞处路面有跳车现象时,每处扣 1-3 分。
按每道累计扣分的平均值扣分支挡工程 1 、砌体坚实坚固,勾缝平顺,无脱落现象,不符合要求时,每 10m 扣 1 分;2 、沉降缝垂直、整齐,上下贯穿,不符合要求时,扣 1-3 分;3 、泄水孔坡度向外,无堵塞现象,不符合要求时,扣 1-3 分;4 、墙身裂缝,局部破损,每处扣 3 分;5 、混凝土表面的蜂窝麻面不得超过该部位面积的 0.5% ,深度不得超过 10mm ,不符合要求时,扣 2-5 分。
厂区道路工程路基质量标准及检验方法
路基:
1检查数量:
1)压实度:每IOOOm2、每压实层抽检3点。
2)路基宽度:每40m抽检1点;边坡每20m抽检2点;高程每20m抽检1点。
3)平整度:每20m,路宽小于9m检查1点;路宽9m〜15m检查2点;路宽大于15m检查3点。
4)横坡:每20m,路宽小于9m检查2点;路宽9m〜15m检查4点;路宽大于15m检查6点。
5)中线偏位:每IOOm抽检2点
6)弯沉值:每车道、每20m测1点。
2质量标准和检验方法:
路基质量标准和检验方法(土方)
注:B为施工时必要的附加宽度。
路基质量标准和检验方法(挖石)
注:6为施工时必要的附加宽度。
路基质量标准和检验方法(填石)
注:B为施工时必要的附加宽度。
C-1道路工程质量检验单一、检验项目及要求序号检验项目检验要求1 施工平整度1. 道路表面平整度要求:平整度不得大于2mm/3m。
2. 施工平整度检验应在道路竣工前进行。
2 刚度 1. 道路刚度要求:刚度不得大于3000MPa。
2. 刚度检验应在道路竣工前进行。
3 路面厚度1. 路面厚度要求:厚度不得小于120mm。
2. 路面厚度检验应在道路竣工前进行。
4 路面坡度1. 路面坡度要求:坡度不得大于3%。
2. 路面坡度检验应在道路竣工前进行。
5 路基承载力1. 路基承载力要求:承载力不得小于80kN/㎡。
2. 路基承载力检验应在道路竣工前进行。
6 路边石砌筑1. 路边石需按设计要求砌筑。
2. 路边石砌筑检验应在道路竣工前进行。
二、检验方法及步骤1.施工平整度检验方法:使用专业测量工具对道路表面进行平整度测量,并记录测量结果。
将测量结果与要求进行比对,判断是否符合要求。
2.刚度检验方法:使用刚度测量仪器对道路进行刚度测量,并记录测量结果。
将测量结果与要求进行比对,判断是否符合要求。
3.路面厚度检验方法:使用钢尺或测量工具对道路的厚度进行测量,并记录测量结果。
将测量结果与要求进行比对,判断是否符合要求。
4.路面坡度检验方法:使用水平仪或专用坡度测量工具对道路的坡度进行测量,并记录测量结果。
将测量结果与要求进行比对,判断是否符合要求。
5.路基承载力检验方法:使用静压板法等合适的测量方法对路基的承载力进行测量,并记录测量结果。
将测量结果与要求进行比对,判断是否符合要求。
6.路边石砌筑检验方法:对道路边缘石进行目视检查,检查其是否按照设计要求进行正确砌筑。
如发现砌筑不符合要求的情况,应及时整改。
三、检验结果记录检验项目检验结果是否合格备注施工平整 1.8mm/3m 合格度刚度2800MPa 合格路面厚度130mm 合格路面坡度 2.5% 合格路基承载力85kN/㎡合格路边石砌筑合格合格路边石按设计要求进行了正确砌筑。
路基土石方工程2.1 一般规定2.1.1 土方路基和石方路基的实测项目技术指标的规定值或允许偏差按高速公路、一级公路和其他公路(指二级及以下公路)两档设定。
2.1.2 土方路基和石方路基实测项目规定的检查频率为双车道公路每一检查段内的最低检查频率,多车道公路必须按车道数与双车道之比,相应增加检查数量。
2.1.3 路基压实度指标须分层检测,确保符合附录日规定要求。
路基其他检查项目均在路基完成后对上路床顶面进行检查测定。
对于压实度指标,可只按上路床的检查数据计分。
2.1.4 路肩工程应作为路面工程的一项分项工程进行检查评定。
2.2 土方路基2.2.1 基本要求2.2.1.1 在路基用地和取土坑范围内,认真清除地表植被、杂物、积水、淤泥和表土,处理坑塘,并对基底进行认真压实和处理,满足规范和设计要求。
2.2.1.2 不得采用设计或规范规定的不适用士料作为路基填料。
路基填料强度(CBR)应符合规范和设计规定。
2.2.1.3 路基必须分层填筑压实,每层表面平整,路拱合适,排水良好。
2.2.1.4 施工临时排水系统应与设计排水系统结合,勿使路基附近积水,避免冲刷边坡。
2.2.2 实测项目注;①压实度检查深度从路床顶面算起。
桥台、涵洞、锥坡、挡土墙等背后填土及其他关键部位应增加压实度的检查频率。
②采用核子仪检验压实度时应进行标定试验,确认其可靠性。
③表列压实度以重型击实试验法为准,评定路段内的压实度下置信界限不得小于规定标准,单个测定值不得小于极值(表列规定值减5个百分点)。
小于表列规定值2~5个百分点的测点,按其数量占总检查点的百分率计算扣分值。
④特殊干旱、特殊潮湿地区或过湿土,以及铺筑中、低级路面的三、四级公路路基,可按交通部颁发的路基设计、施工规范所规定的压实度标准进行评定。
表 2.2.2 土方路基检测表2.2.3 外观鉴定2.2.3.1 路基表面平整,边线直顺。
不符合要求时,单向累计长度每50m减1~2分。