多功能数字钟电路的设计与制作
- 格式:doc
- 大小:174.00 KB
- 文档页数:8
多功能数字钟电路的设计与制作一、设计任务与要求设计和制作一个多功能数字钟,要求能准确计时并以数字形式显示时、分、秒的时间,能校正时间,准点报时。
方案设计与论证1.数字钟设计原理数字电子钟一般由振荡器、译码器、显示器等几部分电路组成,这些电路都是数字电路中应用最广的基本电路。
振荡器产生的1Hz 的方波,作为秒信号。
秒信号送入计数器进行计数,并把累计的结果以“时”、“分”、“秒”的数字显示出来。
“秒”的计数、显示由两级计数器和译码器组成的六十进制计数电路实现;“分”的计数、显示电路与“秒”的相同;“时”的计数、显示由两级计数器和译码器组成的二十四进制计数电路实现。
所有计时结果由七段数码管显示器显示。
用4个与非门构成调时电路,通过改变方波的频率,进行调时。
最后用与非门和发光二极管构成整点显示部分。
2.总体结构框图如下:图14 总体框图单元电路设计与参数计算3.脉冲产生电路图15 晶振振荡器原理图 图16 555定时器脉冲产生电路原理图振荡器可由晶振组成(如图15),也可以由555定时器组成。
图16是由555定时器构成的1HZ 的自激振荡器,其原理是:第一暂态2、6端电位为Vcc 31,则输出为高电平,三极管不导通,电容C 充电,此时2、6端电位上升。
当上升至大于Vcc 32时,输出为低电平,三极管导通,电容C 放电,此时2、6端电位下降,下降至Vcc 31时,输出高电平,以此循环。
根据公式C R R f )2(43.121+≈得,此时频率为0.991。
图17 555定时器波形关系 图18 555定时器产生1Hz 方波原理图4.时间计数电路图19 74LS161引脚图74LS161功能表O来自脉冲产生电路的信号先后经过一个十进制计数器和六进制计数器,分别得到“秒”个位、十位后,用六进制计数器得信号再经过一个十进制计数器和六进制计数器得到“分”个位、十位以及“时”个位、十位的计时。
用第二个六进制计数器得信号得到“时”个位、十位。
电子技术课程设计报告书课题名称 多功能数字钟电路的设计与制作姓 名 *************** 学 号 **************** 院、系、部 **************** 专 业 **************** 指导教师*****************2011年 **月**日※※※※※※※※※ ※※ ※※ ※※ ※※※※※※※※※****级学生电子技术 课程设计多功能数字钟电路的设计与制作1 设计目的(1)掌握数字钟的设计、组装和调试方法。
(2)掌握集成电路的使用方法。
2 设计思路(1)设计脉冲发生电路。
(2)设计时钟逻辑电路。
(3)设计时、分校准电路。
3 设计过程3.1总体框图数字钟电路总体方框图如图1所示。
系统总体框图图11.晶体振荡器电路:晶体振荡器电路给数字钟提供一个频率稳定准确的32768Hz的方波信号,可保证数字钟的走时准确及稳定。
不管是指针式的电子钟还是数字显示的电子钟都使用了晶体振荡器电路。
2.分频器电路:分频器电路将32768HZ的高频方波信号经32768次分频后得到1Hz的方波信号供秒计数器进行计数。
分频器实际上也就是计数器。
3.时间计数器电路:时间计数电路由秒个位和秒十位计数器、分个位和分十位计数器及时个位和时十位计数器电路构成,其中秒个位和秒十位计数器、分个位和分十位计数器为60进制计数器,根据设计要求,时个位和时十位计数器为24进制计数器。
4.译码驱动电路:译码驱动电路将计数器输出的8421BCD码转换为数码管需要的逻辑状态,并且为保证数码管正常工作提供足够的工作电流。
5.整点报时电路:在时间出现整点前数秒内,数字钟会自动报时,以示提醒.其作用方式是发出连续的或有节奏的音频声波,较复杂的也可以是实时语音提示。
3.2方案设计与论证3.2.1脉冲产生电路方案一:由集成电路定时器555与RC组成的多谐振荡器作为时间标准信号源。
图1 555与RC组成的多谐振荡器图用555组成的脉冲产生电路: R1=15*103Ω,R2=68*103Ω,C=10μF ,则555所产生的脉冲的为:f=1.43/[(R1+2*R2)*103*10*106=0.947Hz,而设计要求为1Hz,因此其误差为5.3%,在精度要求不是很高的时候可以使用。
邢台职业技术学院多功能数字钟的设计与制作学校邢台职业技术学院系别电气工程系班级电气077班姓名指导教师师宁2010 年 6 月摘要多功能数字钟是在具有基本钟表功能的基础上又增加了定时控制、仿广播电台报时功能、自动报整点时数、触摸报整点时数。
这样的数字钟以其超越的功能越来越被更多的人们所接受。
在设计数字钟时可以采用中小规模集成电路组成电子钟;也可以利用专用的电子钟芯片配以显示电路及其所需要的外围电路组成电子钟;还可以利用单片机来实现电子钟等,经过多方面比较后采用多单元电路组成。
这样虽然操作时有很大困难但设计相对清晰易懂,一目了然。
PCB制作还必须在所有设计和制作结束后,首先经过检测没有问题才能焊接器件。
并进行进一步的检测。
保证电路不能在焊接地方出现短接、漏接现象。
错综复杂的接线来回穿梭在电路板上,需要制作者用有超强的细心耐性,和更灵活的办法。
确保质量!在遇到困难时有一个平静的心理,和良好的素质。
在保证了数字钟在正长运行下,其次一个美观的外表更能让更多人喜欢。
本这个原则开始我们的探索之路。
关键词:PCB板译码器计数器校时电路目录1 绪论 (3)1.1概述 (3)1.2设计任务 (4)1.3功能要求 (4)2 电路设计 (6)2.1设计方案 (6)2.2单元电路的设计 (6)2.2.1 主体电路部分 (7)2.2.1.1 振荡电路 (7)2.2.1.2 计数电路 (10)2.2.1.3 校时电路 (14)2.2.1.4 译码与显示电路 (15)2.2.2 扩展功能电路的设计 (17)2.2.2.1 定时控制电路 (17)2.2.2.2 仿广播电台正点报时电路 (19)2.2.2.3 自动报整点时数电路 (19)2.2.2.4 触摸报整点时数电路 (21)3 调试 (22)3.1主体电路部分 (24)4 结论 (27)谢辞 (28)参考文献 (29)附录 (30)第一章绪论1.1 概述中国是世界上最早发明计时仪器的国家。
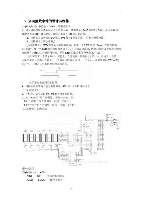
一、多功能数字钟的设计与制作(一)相关知识:多位数(DlGIT)的驱动方式1.如采用直接驱动法驱动4个七段显示器,共需要4×8=32条的I/O线:而采用解码器驱动也要4X4=16条的I/O线,形成了I/O端口的浪费。
2.扫描显示法所需的I/O数为8+n条(n个显示器),可节省硬件电路。
3.扫描显示法要注意两点:(1)点亮时要让LED得到最大的顺向电流,通常一个LED需要10mA。
在做四位数的扫描时,每一个LED的平均电流值只有1/4的最高电流值,因此扫描时要得到适当的亮度最好有30mA以上的瞬间电流,即将LED的限流电阻降低到20~100Ω。
(2)在切至下一个显示器时,应把上一个先关闭一段时问(约50μs),再将下一个显示器扫描信号送出,以避免上一个的显示数据显示到下一个显示,即避免鬼影(TBLANK) 的产生.下图为显示器切换时间差示意图。
显示器切换时间差示意图。
4.扫描频率必须高于视觉暂留频率16Hz以卜(即62毫秒以上(二)功能说明1.开机时,显示12:00:00的时间开始计时。
2.P0.0控制“秒”的调整.每按一次加1秒,P0.1控制“分”的调整.每按一次加1分P0.2控制“时”的调整,每按一次加1个小时;(三)硬件:如图所示时钟电路图(四)程序:shiz.ASMORG 00H ;主程序起始地址AJMP START ;跳至主程序ORG 0BH ;TIMER0中断起始地址AJMP TIM0 ;跳至TIMER0中断子程序TIM0START:MOV SP,#70H ;设置堆栈在70HMOV 28H,#00 ;显示寄存器初值为0 0MOV 2AH,#12H ;“时”寄存器l忉值为12HMOV 2BH,#00 ;“分”寄存器初值为0 0HMOV 2CH,#00 :“秒”寄存器初值为00HMOV TMOD,#00000001B :设TIMER0为MODElMOV TH0,#HIGH(65536—4000) ;计时中断为4000微秒MOV TL0,#LOW(6553 6—4000)MOV IE,#10000010B ;TIMER0中断使能MOV R4,#250 ;中断250次SETB TR0 j启动TIMER0LOOP:JB P0.0,N2 ;PO.O (秒)按了?不是则跳至N2检查PO.1 ACALL DELAY ;消除抖动MOV A,2CH ;将秒寄存器的值载入AADD A,#01 ;A的内容加1DA A ;做十进位调整MOV 2CH,A ;将A的值存入秒寄存器CJNE A,#60H,N1 ;是否等于60秒?不是则跳至N1MOV 2CH,#00 ;是则清除秒寄存器的值为00N1:JNB P0.0,$ ;P0.0(秒)放开了?ACALL DELAY ;消除抖动N2:JB P0.1,N4 ;p0.1 (分)按下了吗?不是则跳至N4检查P0.2 ACALL DELAY ;消除抖动MOV A,2BH ;将分寄存器的值载入AADD A,#01 ;A的内容加1DA A ;做十进位调整MOV 2BH.A ;将A的值存入分寄存器CJNE A,#60H,N3 ;是否等于60分?不是则跳至N1MOV 2BH.#00 ;是则清除分寄存器的值为00N3:JNB P0.1,$ ;p0.1 (秒)放开了?CALL DELAY ;消除抖动N4:JB P0.2,LOOP ;P0.2 1秒)按下了吗?不足则跳至LOOP CALL DELAY ;消除抖动MOV A,2AH ;将时寄存器的值载入AADD A.#01 :A的内容加1DA A ;做十进位调整MOv 2AH,A ;将A的值存入时寄存器CJNE A,#24H,N5 ;是否等于24时?不是则跳至N5MOV 2AH,#00 ;是则清除时寄存器的值为00N5:JNB P0.2,$ ;P0.2(秒)放开了?CALL DELAY :消除抖动JMP LOOPTIM0:MOV TH0,#HIGH(6 553 6—4000) ;重设计时4 000微秒NOV TL0,#LOW(6553 6—4 000)PUSH ACC :将A的值暂存于堆栈PUSH PSW ;将PSW的值暂存于堆栈DJNZ R4 X2 :计时1秒MOV R4,#250CALL CLOCK ;调用计时子程序CLOCKCALL DISP :调用显示子程序X2:CALL SCAN ;调用扫描子程序POP PSW ;至堆栈取叫PSW的值POP ACC :至堆栈取回ACC的值SCAN:MOV R0,#28H ;(28H)为扫描指针INC @R0 ;扫描指针加lCJHE @R0.#6,X3 ;扫描完6个显示器?不是跳至X3MOV @R0,#0 ;是则扫描指针为0x3: MOV A,@R0 ;扫描指针载入AADD A,#20H ;A加常数20H(显示寄存器地址)=各时间;显示区地址;存入R1=各时间显示地址MOV R1,A ;扫描指针存入AMOV A,@R0 ;将A高低4位交换(P1高4位为扫描值,SW AP A ;低4位为显示数据值)ORL A,@R1 ;扫描值+显示值MOV P1,A ;输出至P1RETCLOCK:MOV A,2CH ;(2CH)为秒寄存器ADD A,#l ;加1秒DA A ;做十进制调整MOV 2CH,A ;存入秒寄存器CJNE A,#60H,X4 ;是否超过60秒?不是则跳至X4MOV 2CH,#00 ;是则清除为00MOV A,2BH ;(2BH)为分寄存器ADD A,#l ;加1分DA A ;做十进制调整MOV 2BH,A ;存入分寄存器CJNE A,#60H.X4 ;是否超过60分?不是则跳至X4MOV 2BH,#00 ;是则清除为0 0MOV A,2AH 7(2AH)为时寄存器ADD A,#l ;加l时DA A ;做十进制调整MOV 2AH,A ;存入时寄存器CJNE A,#24H,X4 ;是否超过24时?不是则跳至x4MOV 2AH.#00 ;是则清除为00X4:RETDISP:MOV R1,#20H ;(20H)为显示寄存器.R1=20HMOV A,2CH ;将秒寄存器的内容存入AMOV B,#10H ;设B累加器的值为10HDIV AB ;A÷B,商(十位数)存入A.余数(个位数) ;存入BNOV @R1,B :将B的内容仔入(20H)INC R1 ;RI=21HMOV @R1,A ;将A的内容存入(21H)INC R1 ;R1=22HNOV A,2BH ;将分寄存器的内容仃入ANOV B,#10H ;设B累加器的值为10DIV AB ;A÷B,商(十位数)存入A,余数(个位数);存入BMOV @R1,B ;将B的内容存入(22H)INC Rl ;R1= 23HNOV @R1,A ;将A的内容存入(23H)INC R1 ;R1=24HMOV A,2AH ;将时寄存器的内容存入AMOV B,#10H ;设B累加器的值为10HDIV AB ;A÷B,商(十位数)存入A.余数(个位数) ;存入BM0v @R1,B ;将B的内容存入(24H)INC R1 ;R1=25HMOV @R1,A ;将A的内容存入(25H)RETDELAY:MOV R6,#60 ;5毫秒D1:MOV R7,#248DJNZ R7,$DJNZ R6,D1RETEND。
目录摘要 (1)引言 (2)一、方案选择 (4)(一)何谓单片机 (4)(二)单片机的选择 (4)(三)设计方案论证 (6)(四)具有整点报时和定时闹钟功能的设计 (7)二、硬件设计 (12)(一)最小系统设计 (12)(二)数字钟的外围电路设计 (13)(三)数字时钟设计方案 (18)图2-10 电路原理图 (18)(四)单元电路设计及分析 (18)三、软件设计 (22)(一)系统流程图: (22)(二)设备与仪器 (23)(三)系统调试与分析 (24)(四)分析结果 (25)总结 (27)致谢 (27)参考文献 (29)本系统的设计电路以凌阳单片机SPCE061A作为控制器。
主要由显示电路, 功能控制电路、传感器电路、电压转换电路、遥控电路五部分。
吸收了硬件软件化的思想,大部分功能通过软件来实现,使电路简单明了,系统稳定性大大提高。
本系统不仅成功的实现了要求的基本功能,发挥部分也得到完全的实现,而且有一定的创新功能。
通过多功能数字钟的设计思路,详细叙述了系统硬件、软件的具体实现过程。
论文重点阐述了数字钟硬件中MCU模块、语音模块、时钟模块和相关控制模块等的模块化设计与制作;软件同样采用模块化的设计,包括中断模块、闹钟模块、语音模块、时间调整模块设计,并采用简单流通性强的C语言编写实现。
本设计实现了时间与闹钟的修改功能、语音播报功能、年、月、日和星期的显示功能。
并且通过对比实际的时钟,查找出了误差的来源,确定了调整误差的方法,尽可能的减少误差,使得系统可以达到实际数字钟的允许误差范围内。
关键字:凌阳单片机光耦液晶数字钟单片机自1976年由Intel公司推出MCS-48开始,迄今已有二十多年了。
由于单片机集成度高、功能强、可靠性高、体积小、功耗地、使用方便、价格低廉等一系列优点,目前已经渗入到人们工作和生活的方方面面,几乎“无处不在,无所不为”。
单片机的应用领域已从面向工业控制、通讯、交通、智能仪表等迅速发展到家用消费产品、办公自动化、汽车电子、PC机外围以及网络通讯等广大领域。
多功能数字钟电路设计一功能要求1 基本功能:⑴准确计时,以数字形式显示时、分、秒的时间;⑵小时的计时要求为24进位,分和秒的计时要求为60进位;⑶校正时间,时、分快校(1HZ)。
2 扩展功能:⑴定时报,时间自定,闹1分钟(1KHZ);⑵仿广播电台正点报时;⑶报整点时数;二主体电路设计数字钟电路系统由主体电路和扩展电路两大部分组成。
其中,主体电路完成数字钟的基本功能,扩展电路完成数字钟的扩展功能。
其组成框图如下:显示器及译码器部分为板载,因此只需要设计计数器,校时电路和扩展电路。
1.小时计数器时计数器是一个24进制计数器,其计数规律为00—01—…—22—23—00…即当数字钟运行到23时59分59秒时,秒的个位计数器再输入一个秒脉冲时,数字钟应自动显示为00时00分00秒。
原理图如下:使用了两片74LS161(4位二进制同步加法计数器)来实现小时计数,即模24的计数器。
HOUR[0]~HOUR[3]为小时个位,HOUR[4]~HOUR[7]为小时十位。
2. 分秒计数器分和秒计数器都是模60的计数器。
其计数规律为00—01—…—58—59—00…其原理图如下:秒计数器与上图相同,图略。
分别使用了两片74LS161来实现分和秒的计数,均为。
其中MIN[0]~MIN[3]为分个位,MIN[4]~MIN[7]为分时位,SEC[0]~SEC[3]为秒个位,SEC[4]~SEC[7]为秒时位。
3. 校时电路当数字钟接通电源或者计数出现误差时,需要校正时间(或称校时)。
校时是数字中应具备的基本功能。
为使电路简单,这里只进行分和小时的校时。
对校时电路的要求是,在小时校正时不影响分和秒的正常计数;再分校正时不影响秒和小时的正常计数。
校时方式有“快校时”和“慢校时”两种,“快校时”是,通过开关控制,使计数器对1Hz的校时脉冲计数。
“慢校时”使用手动产生单脉冲作校时脉冲。
本实验只要求实现“快校时”。
其原理图如下:4. 定时控制电路数字钟在指定的时刻发出信号,或驱动音响电路“闹时”。
多功能数字钟的设计及制作1.设计分析本次设计的数字钟具有校时功能。
我们需要在先设计一个基本的数字钟,然后在此基础上增加校时电路。
一个基本的数字钟由三个部分组成:秒脉冲产生电路,计数电路,译码显示电路,然后就是加上校时电路,一个四部分构成了本次设计的多功能数字钟,其总体方框图如图1-1图1-1 总体方框图2.设计内容2.1秒脉冲产生部分本设计使用由555定时器构成的多谐振荡器来产生1HZ的信号。
虽然此振荡器没有石英晶体稳定度和精确度高,由于设计简单而成为了设计时的首选。
只要在555定时器电路外部配上两个电阻及两个电容元件,并将某些引脚相连,就可以方便地构成多谐振荡器。
555定时器是数字脉冲产生的核心芯片,所以在了解其原理之前,我们需了解555定时器。
555定时器逻辑符号如图2-1所示:图2-1 555定时器逻辑符号管脚功能如表2-1所示:图2-2 秒脉冲电路根据原理和元件图,结合一阶电路暂态过程的三要素法,可以计算出充放电的时间,两者相加即为脉冲周期,脉冲周期的倒数即为脉冲频率。
充电过程的方程式: 2/3Vcc=Vcc+(1/3Vcc-Vcc)e(t1/RC)t1=(R1+R2)C*㏑2=0.7(R1+R2)C放电过程的方程式: 1/3Vcc=0+(2/3Vcc-0)e(t1/RC)t2=R2*C㏑2=0.7R2*C脉冲周期为: t=t1+t2=0.7(R1+2R2)C脉冲频率为: f=1/t=1.43/(R1+2R2)C令R1=15k,R2=68k,C=0. 01F,(其中0.01F的电容的作用是防干扰的)代入数据,计算得,f=0.94HZ≈1HZ基本满足实验要求。
2.2计数部分计数部分的核心芯片是74LS9074LS90是二---五---十进制异步计数器。
它有两个时钟输入CKA和CKB,其中,CPA和Q0组成一位二进制计数器,CKB和Q1Q2Q3组成五进制计数器,若将Q0与CKB相连接,时钟脉冲从CKA输入,则构成了84212BCD码十进制计数器。
《多功能数字时钟电路设计与制作》课程设计报告班级:电子信息科学与技术2班学号:姓名:刘洪岩指导教师:杨磊2014 年 11月 5日目录一、内容摘要 ................................................................................................- 3 -二、实验目的 ................................................................................................- 3 -三、设计内容及要求 .....................................................................................- 3 -1、基本功能.............................................................................................................. - 3 -2、扩展功能.............................................................................................................. - 3 -四、总设计原理 ............................................................................................- 4 -1、数字电子时钟组成原理........................................................................................ - 4 -2、主要电路设计....................................................................................................... - 5 -1)、振荡电路..................................................................................................... - 5 - 2)、时间计数器电路.......................................................................................... - 5 -A、秒钟、分钟计数器 ................................................................................ - 5 -B、小时计数器 ........................................................................................... - 5 -3)、校时系统..................................................................................................... - 6 -A、秒钟清零............................................................................................... - 6 -B、分钟、小时校时 .................................................................................... - 7 -4)、整点报时系统 ............................................................................................. - 7 - 5)、星期系统..................................................................................................... - 7 - 6)、闹钟系统..................................................................................................... - 8 - 7)、LED灯系统.................................................................................................. - 8 -五、总电路设计图.........................................................................................- 9 -六、仿真软件 ................................................................................................- 9 -七、心得体会 .............................................................................................. - 10 -八、附录...................................................................................................... - 10 -1、所用芯片............................................................................................................ - 10 -2、参考文献............................................................................................................ - 11 -多功能数字钟的电路设计与制作一、内容摘要数字钟是一种用数字电路技术实现时、分、秒计时的装置,与机械式时钟相比具有更高的准确性与直观性,且无机械装置具有更高的使用寿命,因此得到了更广泛的使用。
《多功能数字钟电路设计与制作》课程设计报告班级:建筑设施智能技术二班姓名:*****学号:********指导教师:*****2010年11月19日目录一、内容摘要 (3)二、设计内容及要求 (3)三、总设计原理 (3)四、单元电路的设计 (6)1、基于NE555的秒方波发生器的设计 (5)2、基于74LS160的12\60进制计数器的设计 (7)3、校时电路的设计 (9)五、设计总电路图 (10)六、主要仪器及其使用方法 (10)七、设计过程中的问题及解决方案 (10)八、心得体会 (12)九、附录 (13)多功能数字钟的电路设计与制作一、内容摘要:数字钟是一种用数字电路技术实现时、分、秒计时的装置,与机械式时钟相比具有更高的准确性和直观性,且无机械装置,具有更更长的使用寿命,因此得到了广泛的使用。
数字钟从原理上讲是一种典型的数字电路,其中包括了组合逻辑电路和时序电路。
它可以实现数字电子时钟功能、仿电台整点报时功能、定时功能这三项基本功能。
二、设计内容及要求:①基本功能:以数字形式显示时、分、秒的时间,小时计数器的计时要求为“12翻1”,并要求能手动快校时、快校分或慢校时、慢校分。
②扩展功能:定时控制,其时间自定;仿广播电台正点报时—自动报正点时数。
三、总设计原理:(1)数字电子计时器组成原理图1数字电子计时器的结构框图(2)用74LS160实现12进制计数器(3)校时电路当刚接通电源或时钟走时出现误差时,都需要进行时间的校准。
校时是数字钟应具有的基本功能,一般电子钟都有时、分、秒校时功能。
为使电路简单,这里只进行分和小时的校准。
校时可采用快校时和慢校时两种方式。
校时脉冲采用秒脉冲,则为快校时;如果校时脉冲由单次脉冲产生器提供则为慢校时。
图3中C 1、 C 2用于消除抖动。
图3 校时电路CLK图2 用整体置零法构成的12进制计数器进位3.3K3.3K1C 1=C 2=0.01校4、时基电路图4 由555定时器构成的多谐振荡器5、定时控制电路数字钟在指定的时刻发出信号,或驱动音响电路“闹时”,或对某装置进行控制,都要求时间准确,即信号的开始时刻与持续时间必须满足规定的要求。
课题一数字电子钟逻辑电路设计一、简述数字电子钟就是一种用数字显示秒、分、时、日得计时装置,与传统得机械钟相比,它具有走时准确,显示直观、无机械传动装置等优点,因而得到了广泛得应用。
小到人们日常生活中得电子手表,大到车站、码头、机场等公共场所得大型数显电子钟。
数字电子钟得电路组成方框图如图1、1所示.图1、1数字电子钟框图由图1、1可见,数字电子钟由以下几部分组成:石英晶体振荡器与分频器组成得秒脉冲发生器;校时电路;六十进制秒、分计数器,二十四进制(或十二进制)计时计数器;秒、分、时得译码显示部分等。
二、设计任务与要求用中、小规模集成电路设计一台能显示日、时、分、秒得数字电子钟,要求如下:1.由晶振电路产生1Hz标准秒信号。
2.秒、分为00~59六十进制计数器。
3、时为00~23二十四进制计数器。
4、周显示从1~日为七进制计数器。
5、可手动校时:能分别进行秒、分、时、日得校时。
只要将开关置于手动位置,可分别对秒、分、时、日进行手动脉冲输入调整或连续脉冲输入得校正.6、 整点报时。
整点报时电路要求在每个整点前呜叫五次低音(500Hz ),整点时再呜叫一次高音(1000Hz)。
三、可选用器材1、 通用实验底板2、 直流稳压电源3、 集成电路:C D4060、74LS74、74LS 161、74L S248及门电路4、 晶振:32768 Hz5、 电容:100μF/16V 、22pF 、3~22pF 之间6、 电阻:200Ω、10K Ω、22MΩ7、 电位器:2、2K Ω或4、7K Ω8、 数显:共阴显示器L C5011—119、 开关:单次按键 10、 三极管:8050 11、 喇叭:1 W /4,8Ω四、设计方案提示根据设计任务与要求,对照数字电子钟得框图,可以分以下几部分进行模块化设计。
1. 秒脉冲发生器脉冲发生器就是数字钟得核心部分,它得精度与稳定度决定了数字钟得质量,通常用晶体振荡器发出得脉冲经过整形、分频获得1Hz 得秒脉冲.如晶振为32768 Hz ,通过15次二分频后可获得1H z得脉冲输出,电路图如图1、2所示。
多功能数字钟的设计与实现项目设计方案1 数字钟设计功能及方案论证基本功能:1)设计一个数字钟。
要求用六位数码管显示时间,格式为00:00:00。
2)具有60进制和24进制(或12进制)计数功能,秒、分为60进制计数,时为24进制(或12进制)计数。
3)有译码、七段数码显示功能,能显示时、分、秒计时的结果。
扩展功能:1)设计提供连续触发脉冲的脉冲信号发生器,2)具有校时单元、闹钟单元和整点报时单元。
方案论证:方案一:用逻辑门电路直接搭接数字钟电路,此方案所需元件众多,频率稳定性差,电路复杂,所以不采用此方案。
方案二:用计数器74LS90以及译码器74LS48等芯片组成电路,用555振荡器及分频器产生1Hz信号供计数器技术,较之第一种方案容易实现。
方案三:用单片机实现计数及显示等,这种方案简单明了,电路简单只需要写好程序就可以,容易达到任务要求。
但单片机对个人能力要求较高,鉴于还没有学习单片机方面知识,所以不使用第三种方案。
综上,决定采用第二种方案。
2 设计原理及框图1)计数器电路:计数器电路由秒计数器、分计数器及时计数器构成。
根据设计要求,其中,时计数器为24进制,分计数器及秒计数器为60进制计数器。
2)译码显示电路:由74LS48芯片组成的译码电路将计数器输出的8421BCD码转化为数码管所需的逻辑状态,并为保证数码管正常工作提供足够工作电流。
3)整点报时电路:在数字钟电路出现整点时,数字钟会自动报时,其工作方式是发出连续的音频声波,复杂一些的可以是实时语音或音乐提示。
4)定时闹钟电路:要求可以设定一个指定的时间,是数字钟在指定时刻发出信号,使蜂鸣器“闹时”。
5)555振荡器电路:石英晶体振荡器电路给数字钟提供一个频率稳定的32768Hz的方波信号,可保证数字钟的走时准确及稳定。
6)分频器电路:分频器电路将32768HZ的高频方波信号经分频后得到1Hz的方波信号供秒计数器进行计数。
数字钟原理框图如下:图1.1 数字钟原理框图3 电路模块分析3.1计数器电路计数器电路我选择的是74LS90芯片。
目录1 绪论 (2)1.1概述 (2)1.2设计任务 (2)1.3功能要求 (2)2 电路设计 (2)2.1设计方案 (2)2.2单元电路的设计 (3)2.2.1 主体电路部分 (3)2.2.1.1 振荡电路 (3)2.2.1.2 计数电路 (7)2.2.1.3 校时电路 (10)2.2.1.4 译码与显示电路 (11)2.2.2 扩展功能电路的设计 (11)2.2.2.1 定时控制电路 (11)2.2.2.2 仿广播电台正点报时电路 (12)2.2.2.3 自动报整点时数电路 (13)2.2.2.4 触摸报整点时数电路 (14)3 调试 (15)3.1主体电路部分 (15)3.2扩展电路部分 (16)4 总结 (22)谢辞............................................................................ 错误!未定义书签。
参考文献 .. (23)附录 (24)1 绪论1.1 概述1.2 设计任务设计一种多功能数字钟,该数字钟具有基本功能和扩展功能两部分。
其中,基本功能部分的有准确计时,以数字形式显示时、分、秒的时间和校时功能。
扩展功能部分则具有:定时控制、仿广播电台正点报时、自动报整点时数和触摸报正点的功能。
数字钟的电路也是由主体电路和扩展电路两部分构成,在电路中,基本功能部分由主体电路实现,而扩展功能部分则由扩展电路实现。
这两部分都有一个共同特点就是它们都要用到振荡电路提供的1Hz脉冲信号。
在计时出现误差时电路还可以进行校时和校分,为了使电路简单所设计的电路不具备校秒的功能。
并且要用数码管显示时、分、秒,各位均为两为显示,扩展部分要有相应的响应电路。
1.3 功能要求基本功能(1)时的计时要求为“12翻1”,分和秒的计时要求为60进制(2)准确计时,以数字形式显示时,分,秒的时间(3)校正时间扩展功能(1)定时控制;(2)仿广播电台报时功能;(3)自动报整点时数;(4)触摸报整点时数;2 电路设计2.1设计方案根据设计要求首先建立了一个多功能数字钟电路系统的组成框图,框图如图1所示。
多功能数字钟的电路设计目录:一、设计题目二、设计任务和要求三、电路原理分析与程序设计四、元器件五、仿真图六、心得体会七、参考文献资料八、实物图一、题目:多功能数字钟的电路设计二、设计任务与要求1)时钟显示功能,能够以十进制显示“时”、“分”、“秒”。
2)具有校准时、分的功能。
3)整点自动报时,在整点时,便自动发出鸣叫声,时长1s。
选做:1)闹钟功能,可按设定的时间闹时。
2)日历显示功能。
将时间的显示增加“年”、“月”、“日”。
三,电路原理分析与程序设计1.数字钟的构成数字钟实际上是一个对标准频率(1HZ)进行计数的计数电路。
由于计数的起始时间不可能与标准时间(如北京时间)一致,故需要在电路上加一个校时电路,同时标准的1HZ时间信号必须做到准确稳定。
通常使用石英晶体振荡器电路构成数字钟。
一个具有计时、校时、报时、显示等基本功能的数字钟主要由振荡器、分频器、计数器、译码器、显示器、校时电路、报时电路等七部分组成。
石英晶体振荡器产生的信号经过分频器得到秒脉冲,秒脉冲送入计数器计数,计数结果通过“时”、“分”、“秒”译码器译码,并通过显示器显示时间。
数字钟的整机逻辑框图如下:1)555秒脉冲发生电路与晶振秒脉冲发生电路的比较555与RC组成的多谐振荡器,产生频率 f=1kHz的方波信号,则可设计出相应的电路,其中RP可微调振荡器的输出频率f。
555由电阻分压器、电压比较器、基本R-S触发器、放电三极管和输出缓冲器5部分组成。
要产生秒脉冲既可以采用555脉冲发生电路也可以采用晶振脉冲发生电路。
但是相比二者的稳定性,晶振电路比555电路能够产生更加稳定的脉冲,所以最后决定采用晶振脉冲发生电路。
石英晶体振荡器的特点是振荡频率准确、电路结构简单、频率易调整,它是电子钟的核心,用它产生标准频率信号,再由分频器分成秒时间脉冲。
晶体振荡器电路给数字钟提供一个频率稳定准确的32768Hz的方波信号,可保证数字钟的走时准确及稳定。