工程告示牌
- 格式:doc
- 大小:49.50 KB
- 文档页数:4
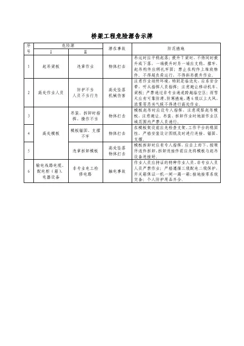
桥梁工程危险源告示牌危险源序号 Ⅰ Ⅱ潜在事故 防范措施1 起吊梁板 违章作业 物体打击 吊运时应平稳起落;提升T梁时,不得同时提升或下落,一端提升时另一端应支稳、撑牢,起吊构件应绑扎牢固;禁止在构件上堆放物件。
不得超负荷运行,不得斜吊提升作业。
2 高处作业人员防护不当人员不当行为高处坠落机械伤害注意作业场所环境,特别是临边处,应系安全带,听从指挥人员指挥;注意避让移动机车、梁板;严禁通过非专业通道跨越临空区;雨雪天应有可靠防滑、防寒措施,遇6级以上大风,浓雾等恶劣气候不得进行高处作业。
3 吊装、拆卸时指挥、操作不当物体打击模板起吊时应设专人指挥,注意观察起吊模板,注意避让。
吊装、拆卸作业时地面作业区域范围内严禁人员通行。
4 模板锚固、支撑不牢物体打击在模板架设前应先检查支架、工作平台的稳固性,严格安装设计图纸及时进行连接、锚固、支撑。
5 高处模板违章拆卸模板高处坠落物体打击模板拆卸时应有专人指挥,应自上而下、按顺序逐件拆卸,拆卸连接件前应先将模板与起吊设备连接好。
6 输电线路电缆、配电柜(箱)、电器设备非专业电工检修电路触电事故作业人员应持证的特种作业人员,非专业人员人员严禁作业;严格遵循三级配电二级保护,开关箱保证一机一闸一漏一箱;接地接零系统完备;个人防护用品齐全。
涵洞通道危险源告示牌危险源序号 Ⅰ Ⅱ潜在事故 防范措施1 高处作业人员防护不当人员不当行为高处坠落机械伤害注意作业场所环境,特别是临边处,应系安全带,听从指挥人员指挥;注意避让移动机车、梁板;严禁通过非专业通道跨越临空区;雨雪天应有可靠防滑、防寒措施,遇6级以上大风,浓雾等恶劣气候不得进行高处作业。
2 吊装、拆卸时指挥、操作不当物体打击模板起吊时应设专人指挥,注意观察起吊模板,注意避让。
吊装、拆卸作业时地面作业区域范围内严禁人员通行。
3 模板锚固、支撑不牢物体打击在模板架设前应先检查支架、工作平台的稳固性,严格安装设计图纸及时进行连接、锚固、支撑。
安全生产告示牌
页脚内容1
文明施工告示牌
为了加强建设工地文明施工管理,维护市容及工地场所环境整洁,确保市民行走方便,把施工队群众的影响
降到最低程度,我项经部特作如下告示承诺:
一、工程概况:南京至高淳城际快速轨道南京南站至禄口机场段工程沿将军大道设置。
本标段为TA01标(1
号盾构井),位于南京禄口国际机场规划区域地块内,现状主要为农田及荒地。
共设两个活塞风亭、一个新风亭、一个排风亭及两个紧急疏散口。
1号风井设计起、终点里程YDK2+670.000~YDK2+780.000,风井主体结构外包全长为111.4米,标准段基坑深度为17.604~17.249m,东端盾构井段基坑深度为19.034m,西端盾构井段基坑深度为
18.604m。
风井主体结构外包标准段宽22.2m,风井主体结构外包盾构扩大段宽28.7m,为地下二层结构。
二、交通组织:本工程施工便道及文明施工均有专业施工单位按有关部门交通组织方案和要求实施。
三、施工现场:施工区域内将实行封闭隔离,工程结构将实行全封闭施工并控制施工噪音、扬尘、排水和光等对周边
环境的影响。
四、环境保护:本工程全面运行ISO14000环境保护体系标准,将采用和实施“三要、六不、四少“管理,即内部通过
各种努力,以达到社会各界满意的效果。
本工程因施工工艺特需,将进行临时性夜间施工,敬请周边市民谅解、协助。
五、作业时间:作业时段:
六、投诉受理:如有异疑,请与联系
受理地址: 联系电话:
上海城建隧道股份。
工程施工公示牌模板打印工程地点:XXX市XXX区XXX街XXX号工程单位:XXX施工集团施工许可证号:XXXXXXXXX施工单位联系电话:XXXXXXXXXXX同行质量监督电话:XXXXXXXXXXX工程性质:新建/改建/扩建工程内容:本工程为XXX工程,总建筑面积XXX平方米,主要包括XXX。
一、施工单位信息1. XXX施工集团是一家经XXX部门注册的XX级施工企业,具备XXX资质。
公司成立于XXX年,拥有专业的施工团队和先进的施工设备,具备承接各类工程项目的能力。
2. 为保证工程质量,我公司将严格按照国家相关法规和标准进行施工,并委托专业技术人员全程监督,确保工程质量符合标准要求。
3. 若在施工过程中对周边环境造成影响,请及时与我们联系,我们将积极采取措施加以改善。
4. 如有任何建议或意见,欢迎随时与我们联系,我们将虚心接受,并努力改进。
二、安全管理措施1. 施工单位将严格遵守国家安全生产法规,切实保障工地安全;2. 全体施工人员必须佩戴安全帽、安全鞋、安全带等安全防护用品;3. 建立施工现场警示标志和安全警示牌,提醒施工人员注意安全;4. 每日进行安全检查,发现隐患立即整改;5. 紧急事故发生时,施工单位将及时启动应急预案,确保事故处理及时有效。
三、环保管理措施1. 施工单位将严格执行国家环保法规,合理利用资源,减少废弃物排放;2. 污水处理设施必须符合国家相关标准,确保环境不受污染;3. 减少噪音污染,施工作业时间限制在正常工作时间内;4. 对周边环境影响较大的施工行为,将提前征得相关部门和居民意见,做好环保和社会稳定工作。
四、质量管理措施1. 施工单位将按照国家相关标准要求进行施工,并严格进行质量检测;2. 设立质量监督员岗位,全程跟踪施工过程,确保施工质量;3. 施工单位将建立质量管理台账,对施工过程中的质量问题及时整改;4. 对于工程质量问题,我公司将承担相应责任,并积极解决。
五、施工公告1. 本次施工计划从XX年XX月XX日开始,预计施工周期为XX个月;2. 工程期间可能会产生一定噪音、尘土等影响,敬请周边居民谅解和支持;3. 如有关部门或居民对施工过程中出现的问题有异议,请及时与我们联系,我们将积极沟通解决。
危险性较大的施工工程公示牌(范本)
前言
本文档是危险性较大的施工工程公示牌的范本,旨在提醒相关工地工作人员和路过行人注意安全,防止事故发生。
公示牌内容
1. 工程名称和施工单位
请在公示牌上清晰标注施工工程的名称以及承担工程的施工单位名称,以让人们知晓施工工程的身份和责任方。
2. 危险性提示
在公示牌上描绘工程的主要危险点,并提供明确的警示语句,以引起人们的警觉。
例如:高空坠落风险、电击风险、机械伤害风险等。
3. 安全措施说明
在公示牌上列出施工工程采取的主要安全措施,以提醒施工工作人员和行人采取相应的预防措施。
例如:佩戴安全帽、穿戴防护服等。
4. 施工期限和时间
公示牌上应明确标注施工工程的起止时间,以及施工工程可能影响周边区域的时间段,以便人们能够提前规划行动。
5. 联系方式
在公示牌上提供施工工程负责人的联系方式,以便相关人员可以及时联系并咨询相关问题。
公示牌设计要求
1. 可读性
公示牌上的文字和图标应清晰易读,字体大小适中,颜色明显。
确保人们能够在距离较远处也能够看清公示牌上的内容。
2. 可靠性
公示牌应选用耐候性较好的材料制作,确保长期使用不褪色、
不易损坏。
3. 安全性
公示牌应采取防水、防火等措施,确保公示牌不会给周围环境
带来安全隐患。
4. 易更换性
如果施工工程发生变化,公示牌上的内容需要进行更新以保持
准确性。
因此,公示牌的设计应考虑便于更换和更新。
结束语。
文明施工告示牌
崧泽大道(诸光路~涞港路)道路改建工程是《中国博览会会展综合体综合交通规划》确定的10个重点配套路网建设项目之一,位于上海虹桥商务区。
实施范围为崧泽大道南半幅,西起诸光路交叉口(不含该交叉口),东至涞港路交叉口(不含该交叉口),中间与诸陆东路相交(含该交叉口),起点桩号K0+099.28,终点桩号K0+723.68,全长约624.4m,沿线相交道路有诸光路、诸陆东路和涞港路。
根据道路功能定位、通行能力及服务水平分析,本工程采用以下建设规模:北侧半幅保持三车道规模不变,南侧半幅按崧泽大道三车道+会展中心环路两车道规模建设,并按规划敷设雨污水管道,改建老桥1座—洋泾港桥。
本工程由上海西部市政工程有限公司中标承建,建设单位为上海虹桥商务开发有限公司,监理单位为上海同建工程建设监理咨询有限责任公司,设计单位为同济大学建筑设计研究院(集团)有限公司。
在工程建设过程中,严格执行“二通、三无、五必须“标准,控制泥浆外溢、尘土飞扬和噪音,确保施工对工地周边单位、居民的影响降到最低。
因在这里施工,给周边单位、居民带来的不便,在此,我们谨表歉意,同时我们也希望社会各界和周边单位、居民对我们的施工管理工作提出宝贵意见和建议。
谢谢!
联系、投诉电话:59855341-18
上海西部市政工程有限公司
青浦区崧泽大道(诸光路~涞港路)道路改建工程
2014年2月。
【标题】:XX工程施工告示牌【一、工程概况】1. 工程名称:XX工程项目2. 工程地点:XX市XX区XX街道XX号3. 工程业主:XX房地产开发有限公司4. 施工单位:XX建筑工程有限公司5. 设计单位:XX建筑设计研究院6. 监理单位:XX工程监理有限公司【二、工程进度】1. 项目总投资:人民币XX万元2. 预计工期:XX个月3. 预计竣工时间:XX年XX月XX日【三、施工许可证】本工程已取得XX市XX区住房和城乡建设局颁发的施工许可证,编号:XX-XX-XX。
【四、安全文明施工】1. 施工现场严格执行国家和地方有关安全生产的法律法规,确保施工安全。
2. 施工现场实行文明施工,保持环境整洁,确保施工质量。
3. 施工单位对施工现场进行封闭管理,设置安全警示标志,提醒过往行人注意安全。
【五、施工要求】1. 施工单位必须严格按照工程设计图纸和施工方案进行施工。
2. 施工单位应合理组织施工,确保工程质量和进度。
3. 施工单位应加强对施工现场的管理,确保施工安全和环境保护。
【六、联系方式】1. 施工单位负责人:张XX联系电话:138XXXX12342. 监理单位负责人:李XX联系电话:139XXXX56783. 工程业主负责人:王XX联系电话:137XXXX9012【七、注意事项】1. 施工期间,请过往行人和车辆遵守施工现场交通规则,注意安全。
2. 施工现场禁止无关人员进入,请予以配合。
3. 施工期间,如有施工噪音、粉尘等影响周边居民,敬请谅解。
4. 施工单位将严格按照国家环保法规,做好施工现场的环保工作。
【八、友情提示】1. 请广大居民在施工期间保持良好的心态,理解和支持施工单位的正常施工。
2. 如有施工问题,请及时与施工单位或监理单位联系,我们将竭诚为您服务。
【九、告示牌设置位置】本工程施工告示牌设置在施工现场入口处,醒目位置。
【十、有效期】本工程施工告示牌自发布之日起,有效期至XX年XX月XX日。
建筑工程维权告示牌近年来,建筑行业发展迅猛,但是不可避免地也伴随着一些建筑工程项目中的维权问题。
为了维护建筑工人权益,落实法律保护,更好地解决纠纷,建筑工程维权告示牌的设置显得尤为重要。
本文将就建筑工程维权告示牌的重要性、设计要素以及应当注意的问题进行探讨。
一、建筑工程维权告示牌的重要性建筑工程维权告示牌是建筑工人维护自身合法权益的一种重要手段,对于构建和谐的建筑工程环境具有积极的作用。
首先,告示牌的设置可以提醒建筑工人关注自身权益,加强他们对于维权意识的培养;其次,告示牌可以明确维权的途径和权限,规范维权的程序,加强建筑工人的法律意识与法律素养;最后,告示牌的存在可以增强建筑工人的凝聚力,促进协作与合作,提高建筑工程的质量与效率。
二、建筑工程维权告示牌的设计要素在设计建筑工程维权告示牌时,应该注重以下要素的考虑。
1. 信息明确:告示牌上所呈现的信息应该明确简洁,包括维权的方式、维权的权益对象、维权的程序以及相关法律法规等内容。
2. 图文并茂:为了提高告示牌的可读性和吸引力,可以使用一些简单明了的图示,辅助文字信息的传达。
3. 大字体:告示牌上的文字应该采用大字体,以确保工人能够清晰地看到并理解告示牌的内容。
4. 醒目颜色:告示牌的背景颜色宜选择醒目的颜色,如红色或黄色,以便更容易引起人们的注意。
5. 多语言:考虑到建筑工人有着不同的文化背景和语言习惯,告示牌上的信息可以使用多种语言进行呈现,确保信息传达的全面性和准确性。
三、建筑工程维权告示牌存在的问题及解决措施尽管建筑工程维权告示牌具有重要性和必要性,但是在实际应用中,也存在一些问题。
1. 缺乏统一标准:当前缺乏统一的标准来规范建筑工程维权告示牌的设置,导致各地告示牌的设计和内容存在差异。
解决方案:相关部门应出台相应的标准和规范,明确告示牌的设计要求和内容要素,统一建筑工程维权告示牌的配置标准。
2. 信息更新不及时:由于建筑工程项目的变动较为频繁,导致告示牌上的信息与实际情况脱节。
WORD格式
安全文明施工告示牌
一、文明施工
1、接受地方主管部门、建设单位、监理单位有关文明施工的管理和监督。
2、采取可靠的措施保证原有交通正常通行和维持沿线居民的生产、生活用电、用水
及通讯管线等正常使用,保证居民房屋、树木、农作物不受损害。
3、施工现场临时设施。
包括生产、办公、生活用房、仓库、料场、临时上下水管道及照明、
动力线路,严格按施工组织设计确定的施工平面布置图。
4、施工现场场地平整,道路坚实畅通,有排水设施,时刻保持环境整洁。
各种机械
设备摆放整齐。
5、施工现场按规定悬挂各种标示牌,图牌安放位置醒目、整齐美观。
施工围栏、警示标语、
标牌等牢固、统一、有效,与施工环境相适应。
6、生活区与施工区分隔明显规划整齐,食堂卫生清洁,防灭蚊蝇措施完善,炊事员有健康
证。
7、现场人员挂牌、持证上岗,遵纪守法,遵守安全操作规程,不违章指挥,违章作业。
团
结协作,禁止各种不文明行为,杜绝打架斗殴等违法乱纪事件。
二、环境保护
1、执行国家环境保护政策和当地环保部门对本工程环保、水保等方面的要求和规定,接受
相关部门的管理措施。
2、合理布置施工、生活区域,最大限度的保护农田、植被,不损坏用
地范围的耕地、树木、
果林、水塘、水渠及其他设施。
3、采取有效措施,控制施工现场噪音、生活烟尘、生活污水、固体废弃物排放符合环保要
求。
4、对破坏的环境及时整治,防止水土流失和适时进行植被恢复。
专业资料整理。
建筑工程维权告示牌【建筑工程维权告示牌】一、背景建筑工程维权告示牌是为了维护建筑工程参与者的合法权益,确保工程顺利进行而设立的。
本文档详细介绍了建筑工程维权告示牌的内容和使用方法,以便参与者能够准确了解并依法行事。
二、目的建筑工程维权告示牌的目的是通过告示明确表达建筑工程参与者的权益,提醒相关人员遵守相关法规和规定,以维护各方的合法权益。
三、维权告示牌的内容及使用方法1.维权告示牌的尺寸与规格:- 高度:____cm- 宽度:____cm2.维权告示牌的制作材料:维权告示牌的制作材料应选用——(填写建筑材料的名称),确保质量。
3.维权告示牌的布置位置:维权告示牌应摆放在——(填写具体位置),以确保参与者能够清晰看到。
4.维权告示牌的内容:- 建筑工程的施工方应在告示牌上明确标注自己的名称、和施工许可证编号。
- 参与者应在告示牌上明确表达自己的权益要求和维权路径。
5.维权告示牌的语言要求:维权告示牌上的文字应使用当地通用语言书写,以确保所有人都能够理解。
四、维权告示牌的附件本文档涉及的附件如下:- 附件1:建筑工程维权告示牌示例图片五、法律名词及注释1.施工许可证:建筑工程施工前必须取得的行政许可,在法定的范围内允许申请人进行建筑的施工活动。
2.参与者:指建筑工程各方中的业主、设计单位、施工单位、监理单位等相关主体。
3.维权路径:指在发生纠纷或违法行为时,参与者可以采取的合法途径来维护自己的合法权益,如申请仲裁、提起诉讼等。
六、全文结束本文档内容详尽、准确,旨在为参与建筑工程的各方提供有效的法律保护。
对于建筑工程维权告示牌的使用和解释,应依据相关法律法规执行。
附件:附件1:建筑工程维权告示牌示例图片法律名词及注释:1.施工许可证:授权行政机关签发的,用于建筑工程施工准许、监督和管理的行政执照,必须具备施工条件和合格的技术人员、技术装备等。
2.参与者:指建筑工程项目中的所有相关主体,包括业主、设计单位、施工单位、监理单位等。
施工告示牌内容1. 引言施工告示牌是在施工工地周围设置的标识,用于向路过行人和车辆告知施工的时间、地点和注意事项等信息。
施工告示牌的内容应当明确、简洁,并能够有效地传达给行人和车辆驾驶员。
本文将介绍施工告示牌的常用内容要点,以便在编写告示牌时提供参考。
2. 告示牌标题告示牌的标题应当醒目并简洁地概括施工内容,从而吸引路人和车辆的注意。
例如,可以使用类似于“施工告示”、“施工工地注意”等字样作为标题,用以明确告示牌的主题。
3. 施工时间和地点告示牌的内容应当包括施工的具体时间和地点。
施工时间包括开始时间和结束时间,以便行人和车辆在施工期间有所准备。
施工地点应当精准地标示出来,例如可以提供具体的街道名称和施工地点附近的交通要点。
4. 交通管制和改道指示如果施工工地需要对交通进行管制或需要设立临时的改道,告示牌的内容应当明确地告知行人和车辆这些信息。
可以使用类似于“交通管制中”,“请改道至X路”等字样作为提示,以确保交通的顺畅和安全。
5. 行人和车辆注意事项施工告示牌还应当包括行人和车辆在施工工地周围需要注意的事项。
例如,可以提醒行人尽量避免经过施工工地、在经过时注意行走、遵守交通规则等。
对于车辆驾驶员,可以提示减速慢行、保持车距、遵守临时交通标志等。
6. 施工单位联系方式告示牌的内容还应当包括施工单位的联系方式,以方便行人和车辆驾驶员在需要时与施工单位进行联系。
联系方式可以包括电话号码、电子邮箱或者是施工单位的办公地址等。
7. 结论编写施工告示牌的内容需要考虑到信息的准确性、传达效果和易读性。
告示牌的内容应当包括施工时间和地点、交通管制和改道指示、行人和车辆注意事项以及施工单位的联系方式等要点。
通过合理编写告示牌的内容,可以有效地提醒路人和车辆驾驶员注意施工工地,保障交通安全。
危险性较大分项工程告示牌序号重大危险源目标技术和管理措施责任部门相关部门1 大型机械装、拆(搭设塔吊、人货电梯)确保无伤亡事故、无设备事故1、分包给具有专业资质的单位进行安装、拆除、加节;2、制安装、拆除、加节、位移等专项技术措施、并经分包、总包公司审批3、装、拆前必须对操作工进行安装教育及安全技术交底:4、装、拆过程派经过培训的人员进行监控;5、装、拆人员须持有效证件上岗、并须体检合格;6、装拆期间须设置警戒区域7、按要求设置卸料平台防护门通讯装置等8、搭设完毕后在自检法定检测机构检测合格后方能支付使用,并做好维修、保养工作机管部门安全部门2 爬架、脚手架搭设和使用确保无伤亡坍塌事故1、编制搭、拆专项施工方案、提高脚手架的使用、必须进行计算和公司审批2、搭、拆前必须对架子工进行安全教育及做好安全技术交底并签字3、搭、拆人员必须经过培训合格后持证上岗4、按要求对架体使用的材料做好复试工作5、搭、拆期间设置警戒线的安全区域6、搭、拆过程中由厂方指派一名技术人员进行统一指挥并做好记录7、搭设完毕后必须进行验收合格、备案后方可使用、并定期保养、维修8、在升降时必须有专职安全员在现场统一指挥、升降完成后进行对架体的检查和验收合格后方能使用施工部门技术安全部门3 模板支撑和拆除确保无伤害事故、无坍塌事故1、编制搭、拆专项方案,并经公司审批;2、搭、拆过程指培训人员进行监控并做好记录3、做好对砼运输设备验收、合格后方准使用4、搭、拆前必须对作业人员进行安全技术交底5、搭、拆人员必须穿戴好劳动防护用品(如安全带、工具袋、工作鞋)6、搭设完后必须进行验收、确认后方准使用安全部门施工部门4 高处作业确保无伤亡事故、设备事故1、编制吊装方案并经公司总工审批有效2、吊装前必须对作业人员进行安全教育及安全技术交底3、吊装期间必须设置吊装警戒区域4、作业人员必须持证上岗5、吊装期间指派经培训合格的监控人员进行监控5 起重吊装确保无触点伤亡事故编制吊装方案并经公司总工审批有效吊装前必须对作业人员进行安全教育安全技术交底吊装期间必须设置吊装警戒区域作业人员必须持证上岗吊装期间指派经培训合格的监控人员进行监控机管部门安全部门6 施工用电(带电作业)确保无触电伤亡事故1、求穿戴好安全防护用品(绝缘手套、绝缘鞋等)2、业前对施工人员进行必要的安全教育和交底3、业人员必须持证上岗4、期间必须指派经培训合格的监控人员进行监控机管部门安全部门7 土方开挖确保无伤亡事故、无坍塌事故1、项施工方案并经公司相关部门审批有效2、业前对施工人员进行安全教育和交底3、设基坑临边防护措施、护栏高度不小于 1.2m4、期间每天对基坑支护位移情况进行检测、并做好记录5、业人员必须佩戴好安全防护用品施工部门技术安全部。
建筑工程维权告示牌尊敬的业主:________根据我方的准确信息和合同约定,我方已与您签订了建筑工程保修合同,然而,由于某些原因,我方的权益受到了侵害。
为了维护我们的合法权益,我们决定在施工现场安装维权告示牌,向广大业主和相关人员展示我们的诉求和要求,希望您能予以理解和支持。
第一章背景和摘要在本章节中,我们将简要介绍本次维权告示牌的设置背景和目的,以及此次权益受到侵害的情况和事件摘要。
我们将详细说明发生的问题和违反合同的行为,以及我们争取的权益和要求。
第二章维权告示牌的设置目的在本章节中,我们将详细说明维权告示牌的设置目的和意义。
我们将解释告示牌的作用,包括引起业主和相关人员的关注,提高合理诉求的知晓度,以及加大维权力量和压力等。
第三章维权告示牌的设计和布置在本章节中,我们将详细说明维权告示牌的设计和布置方案。
我们将提供告示牌的尺寸和样式,以及安装位置的选择和理由。
同时,我们还将提供告示牌上要呈现的内容和图片,以确保信息的准确传达和引起注意。
第四章维权告示牌的信息和要求在本章节中,我们将详细列出维权告示牌上要呈现的信息和要求。
我们将提供要点清晰、简明易懂的文字表达,以确保广大观看者能准确和全面了解我们的诉求和要求。
第五章维权告示牌的安装和维护在本章节中,我们将详细说明维权告示牌的安装和维护事宜。
我们将提供安装所需的步骤和流程,以及维护期间应注意的事项,以确保告示牌的正常展示和延续对外界的影响力。
附件:________在关于本文档后,我们附上有关维权告示牌的相关照片和图纸。
法律名词及注释:________在本文档中,涉及到以下法律名词及其注释:________1.维权:________指为维护和捍卫合法权益而采取的各种行动和措施的总称。
2.建筑工程保修合同:________指建筑工程施工完成后,承包商承诺在一定期限内负责修复和维护工程存在的问题的合同。
3.侵害:________指违反合同约定或法律法规,损害他人合法权益的行为。
建筑工程维权告示牌近年来,城市建设快速发展,建筑工程项目如雨后春笋般涌现。
然而,由于一系列原因,建筑工程领域也存在着一些问题,如工程质量不达标、未按时完工等。
为了保护建筑工程参与者的合法权益,提高建筑工程质量,建立维权机制显得尤为重要。
本文将探讨建筑工程维权告示牌的作用及其应用。
一、建筑工程维权告示牌的定义建筑工程维权告示牌是指在建筑工程施工现场或者建筑工程相关部门内,设置的一种标识或告示牌,用来宣传建筑工程维权的法律法规、维权渠道以及维权相关信息。
通过建筑工程维权告示牌的设置,可以提醒建筑工程参与者关注自身权益,同时也起到规范建筑工程行为的作用。
二、建筑工程维权告示牌的作用1. 提醒参与者注意权益保护:建筑工程维权告示牌的设置可以提醒建筑工程参与者关注自身的合法权益,增强他们的法律意识。
告示牌上可以标注维权电话、维权部门等相关信息,使维权变得更加简单明了。
2. 规范建筑工程行为:建筑工程维权告示牌的存在可以起到警示作用,使建筑工程参与者在施工过程中更加注重工程质量、完工时间等方面。
在告示牌上可以明确规定一些常见问题的处理方式,如拖欠工资、工程质量问题等。
3. 增强维权效果:维权告示牌的存在能够提高维权效果,因为它在一定程度上打破了信息不对称的问题,使建筑工程参与者更容易获得维权的渠道和方式。
三、建筑工程维权告示牌的设置原则1. 公开透明:建筑工程维权告示牌应当在施工现场或相关部门内公开设置,确保信息易于获取。
告示牌的文字内容应当清晰明了,建筑工程参与者能够一目了然。
2. 及时更新:建筑工程维权法律法规、维权渠道等信息是不断更新的,因此建筑工程维权告示牌的内容也应定期更新。
及时更新告示牌的内容有助于建筑工程参与者及时了解最新的维权政策。
3. 强调合作共赢:告示牌上的内容应强调建筑工程参与者的合作共赢,倡导通过合法手段解决问题。
同时,也可以在告示牌上提醒参与者遵守相关法律法规,不得采取暴力或其他不当手段维权。
工程施工告示牌内容尊敬的业主和施工人员:为了顺利开展该工程的施工工作,保障工程安全和质量,确保施工过程中不发生意外事故,我们特制作本施工告示牌,提醒大家注意以下事项:一、工程基本情况:1. 工程名称:xxxxx工程2. 工程地点:xxxxx3. 施工单位:xxxxx公司4. 监理单位:xxxxx公司5. 联系方式:xxxxx二、施工前准备:1. 施工单位应按照相关法律法规和标准的要求,制定合理的施工方案,参照相关设计图纸和规范,确保施工质量;2. 施工单位应组织施工人员参加安全培训,掌握相关安全操作规程,严格执行安全生产制度;3. 施工单位应做好施工现场的环境整治工作,合理布置施工区域,确保施工过程中不影响周边环境和交通秩序;4. 施工单位应保证施工现场的安全设施齐全完善,如围挡、安全警示标识等,提供必要的安全防护装备和应急救援设备。
三、施工过程中的注意事项:1. 严格遵守施工安全规范,做好安全检查和监督,禁止违章施工行为;2. 施工现场严禁吸烟、酗酒、施放烟花爆竹,确保施工现场的安全和环境卫生;3. 施工现场应保持整洁有序,定期清理施工材料和垃圾,避免堆放材料影响施工进度和安全;4. 施工人员应穿戴好安全防护装备,遵守安全操作规程,严格执行相关标准和程序;5. 施工单位和施工人员应密切合作,保持施工进度的协调,确保工程按时完工。
四、施工期间的应急措施:1. 施工单位应设立应急预案,配备必要的应急救援人员和设备,做好突发事件的应急处理准备;2. 施工单位应定期进行安全检查和演练,提高应急处理能力,确保施工现场的安全和稳定;3. 如遇突发事件或事故,应及时报警并做好现场防护,协助相关部门进行应急处理和救援工作。
五、施工结束后的清理和交接:1. 施工结束后,施工单位应对施工现场进行清理和复检工作,确保工程质量达到设计要求;2. 施工单位应按照规定程序和标准,办理相关验收手续,确保工程顺利交付使用;3. 施工单位应做好施工资料和档案的整理和归档工作,确保后续的维护和管理工作顺利进行。
建筑工程维权告示牌建筑工程维权告示牌【正文】一、背景和目的建筑工程维权告示牌是在建筑工地或工程工地中设置的一种公告牌,用于向相关人员传达建筑工程的维权信息。
其目的是保护建筑工程施工方与施工人员的合法权益,维护建筑工程的正常进行。
二、设置位置和要求1. 设置位置:建筑工程维权告示牌应该设置在易于被相关人员注意到的显眼位置,如工地入口、工地办公室、施工现场等。
告示牌应该摆放平稳牢固,确保不会对工程施工造成任何影响。
2. 告示牌要求:(1)尺寸:告示牌应具有足够的大小,确保人们可以清晰地看到信息内容。
建议使用1.5米×0.9米的标准尺寸。
(2)材质:告示牌材质应具有防水、耐久、环保的特点,常见的有金属复合板、塑料板等。
(3)字体:告示牌上的文字应选用鲜明的颜色,容易辨认,字体大小适宜。
(4)布局:告示牌应该具有清晰的布局,包括标题、正文内容、连系方士等。
(5)语言:告示牌上的文字内容应使用准确、明确的语言,确保相关人员能够理解其中的维权信息。
三、告示牌内容及细化1. 标题:“建筑工程维权告示牌”2. 正文内容:(1)告示牌的作用和目的的简要说明,向相关人员解释建筑工程维权的重要性。
(2)具体说明建筑工程维权的诉求,包括但不限于工资支付、工作条件改善、安全保障等。
(3)告示牌上应近期或正在发生的维权事件,包括时间、地点、相关责任方等,以便相关人员了解具体情况。
(4)告示牌上应提供维权咨询及投诉举报电.化,确保受到不公正待遇的人员能够及时求助。
(5)告示牌上应明确指出相关法律和法规支持下的维权权益,并鼓励相关人员依法行使自己的权利。
四、附件:本所涉及的附件如下:1. 建筑工程维权案例分析报告。
2. 建筑工程维权相关法律法规摘要。
3. 建筑工程维权宣传手册。
五、法律名词及注释:1. 维权:指维护个人或团体权益的行为,包括通过法律手段解决纠纷、维护合法权益等。
2. 工资支付:指建筑工地或工程工地的劳动者应得报酬,包括基本工资、加班费、福利补贴等。
工程告示牌
一、工程概况
广骆路改造工程起于马广路“丁”字交叉口(K0+000),向南延伸终于骆峪乡政府西侧水泥路接茬处(K3+670)路线全长3.67Km。
该工程为旧路改建,路基宽度加宽至6.5m,路面加宽至6.0m,统一全宽度加铺4cmAC-16中粒式沥青混凝土面层+20cm水泥稳定碎石基层。
二、参建单位
三,施工工期
2016年3月25日至2016年7月25日,计划工期120天。
一、工程概况
哑翠二路北段改造工程起于裕盛村北(K0+000),向南延伸终于310国道哑柏街道平交口(K4+134)全长4.134Km。
该工程为旧路改建,K0+000—K3+720段路基宽度加宽至6.5m,路面加宽至6.0m,统一全宽度加铺4cmAC-16中粒式沥青混凝土面层+20cm水泥稳定碎石基层。
二、参建单位
三,施工工期
2016年3月25日至2016年7月25日,计划工期120天。
一、工程概况
司肖路改造工程起于108国道“T”型交叉口(K0+000),终于108省道“T”型交叉口(K9+458),路线全长9.458公里。
K0+055—K2+420水泥路段,旧水泥路面处理病害后加铺20cm水泥面层,两侧采用水泥路面加宽,
K2+420—K5+250沥青路段,旧路铺筑15cm天然砂砾调平层,整平后加铺补强层;k5+266—k9+458沥青路段,旧沥青路面处理病害后加铺24cm水泥混凝土面层,两侧采用水泥路面加宽。
二、参建单位
三,施工工期
2016年3月25日至2016年7月25日,计划工期120天。
一、工程概况
创业东路位于集贤产业园区内,起点位于振兴南路,终于集财路,路线全长1.714公里。
本工程采用城市次干道标准设计,设计时速40公里/小时,道路红线宽20米。
二、参建单位
三,施工工期
2016年2月25日至2016年6月25日,计划工期120天。