100t、130t、200t吊车性能表
- 格式:xls
- 大小:42.00 KB
- 文档页数:1
8—500吨汽车吊性能参数表8吨汽车起重机性能表 (2)20吨汽车吊机额定性能表 (3)25吨汽车起重机起重性能表(主臂) (4)30吨汽车起重机性能表(一) (6)50吨汽车起重机性能表(主表) (8)80吨汽车起重机起重性能表(一) (10)100t汽车吊性能表 (12)120吨汽车起重机起重性能表 (13)150吨汽车起重机性能表(一) (14)150吨汽车起重机性能表(二) (15)160t汽车吊性能表 (16)200吨汽车吊车 (17)260吨吊车性能表 (18)LTM1300/l-300t全液压汽车吊机19LTM1500-500t全液压汽车吊机 (21)LTM1500-500t全液压汽车吊机 (22)8吨汽车起重机性能表0.520吨汽车吊机额定性能表以下工况仅供参考,实际请与木公司业务员联系!主臂长度(m )回转半径(m ) 主臂+付臂3.0 3.54.0 4.55.0 5.56.07.08.09.0 10.0 12.0 14.0 16.018.0 20.022.0 24.010.2 12. 5814. 9717.3519. 7322. 1224.524. 5+7. 520 17.2 15.9 14.6 14.6 12.6 12. 75 11.6 10. 45 9. 3 7.24 5.9912.7 11. 3 107.3 6.1 5. 13 4.3511. 7 11. 3 107.41 6. 17 5.21 4. 43 3.2610.5 9. 7 9.1 8. 5 7.2 6. 22 5.25 4.48 3. 32 2.498. 1 7.6 6. 7 5.9 5. 3 4. 52 3. 36 2. 53 1.96.9 6.1 5.4 4.8 4.4 3. 39 2. 56 1.941.45 5.54.52.1 3.41 2. 58 1.96 1.47 1.7 1.4 1.21.080. 760.880.75 0.630.525吨汽车起重机起重性能表(主臂)以下工况仅供参考,实际请与本公司业务员联系!(注:本表内红字及红字以上栏目的数字为吊臂强度所决定,其下面栏目数字为倾翻力矩决定)25吨汽车起重机起重性能表(副臂)30吨汽车起重机性能表(一)以下工况仅供参考,实际请与木公司业务员联系!(注:本表内红字及红字以上栏目的数字为吊臂强度所决定,其下面栏目数字为倾翻力矩决定)30吨汽车起重机性能表(二)吊臂角度工作半径使用8. 45m副臂倾角5 °吊臂角度工作半径使用13. 5m副臂倾角5°80°7.9 4. 00 80°9. 3 2. 5078.5 °9. 5 4. 00 77°12.0 2. 5078°10.2 3. 80 76°12. 7 2. 35 76°11. 2 3. 30 74°14. 1 2. 10 74°12.2 2.90 72。
100T汽车吊性能表100T主要性能与参数项目数值最大额定总起重量 100000 kg基本臂最大起重力矩 3238kN.m最长主臂+副臂最大起重力矩 1127kN.m主臂最大起升高度 48m主臂+副臂最大起升高度 62.1m外形尺寸(长×宽×高) 14550×2750×3750mm主臂长 12.8-48m 副臂长 18.1m起重特性表PATED LIFTING CAPACITY TABLE 单位(UNIT):Kg说明(NOTE):●以上作业工况均为支腿全伸,不允许在不打支腿的情况下吊重。
(Above working condition is all withoutrigger fully extended,never lift a load on the wheels.)●表中粗线以上数值是由起重机的结构强度所决定的,粗线以下数值是由起重机整机稳定性所决定的。
(Capacities above the thick line in the table are based on the boom strength,the others,on stablitiy of the complete machine.)●打好第五支腿时,表中数值适用于圆周360°作业。
(With the 5th outrigger fully extended,full360rotation is available according to the values listed in the above table.)●表中所列额定起重量为最大允许值,并包括吊钩重量(100吨吊钩重815Kg,60吨吊钩重560Kg,6吨吊钩重180Kg)和其他吊具的重量。
(The rated lifting capacity listed in the table is max.allowed value,including weight of the hookblock (the hookblock weight is 815kg for 100t,560kg for 60t,180kg for 6t)and other slings.)●表中所给幅度值,是指吊载后吊钩中心到回转中心的水平距离。
200吨汽车吊车是动火施工、检修等都必须事先申请,经动火审批取得动火许可证后方可动火。
在动火中必须严格遵守以下安全措施要求:1.将动火设备(塔、容器、油罐、换热器、管线等)内的油品、溶剂、油气等可燃性物质彻底清理干净,并用足够时间进行蒸汽吹扫和水洗,达到动火条件。
2.切断与动火设备相连通的设备管线,加盲板彻底隔离。
3.给动火设备通以蒸汽(或氮气)进行置换。
4.塔、容器、油罐动火,应做爆炸分析和含氧量测定,合格者方可动火。
动火前,人在外面进行设备内打火试验。
工作时,外面应有专人监护。
5.动火附近的下水井、地漏、地沟、电缆沟等,应清除易燃物,并予封闭。
6.塔内动火,可用石棉布或毛毡用水浸湿,铺在相邻两层塔盘上,进行隔离。
7.电爆回路线应接在焊件上,不得穿过下水井或与其他设备搭火。
8.高空动火不准许火花四处飞溅,以海草席或石棉布进行围接。
乙炔发生器和氧气瓶严禁放在管道和电线下方,两者之间以及与动火地点应保持一定安全距离。
9.动火过程中,遇有跑、冒、滴、漏油、易燃气、液体,应立即停止动火.10.室内动火应将门窗打开,遮盖周围设备,封闭下水道口,清除油污,附近不得用汽油等易燃液体清洗设备零件。
11.罐区动火,油罐不得脱水,清除易燃物时注意方向.12.电缆沟动火,应检查有无易燃气体和积油,必要时将沟两端隔绝.13.下水井动火,应将易燃物吹扫干净,封闭进、出口。
如向井内接管线,而不在井内动火,则将井内管子一端封闭予以隔离。
14.动火现场,要备有灭火工具(如蒸汽管、灭火器、砂子、铁锨等)。
15.上班开始工作前和下班后,均应认真检查条件是否有变化,不得留有余火,动火部位或部件应予冷却.16.电、气焊工必须遵守有关安全操作规程。
三、安全防火措施。
3。
1做好施工现场内的安全防火工作,建立防火责任区、责任人等制度。
严禁随地吸烟及易燃易爆物品附近吸烟生火。
3.2施工现场应设置防火用具,配置足够的灭火器材.现场成立消防小组,并由项目部一名成员负责消防工作。
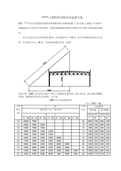
*****工程构件吊装吊车选择方案
根据*****设计变更通知单构件需要调整安装,因钢结构施工已经完成,土建施工全面展开,现场路面已不具备吊车作业条件,只能从现场围墙外选用大吨位汽车吊进行风机基础吊装作业。
吊车支点距吊点水平距离约30米,吊车幅度不小于30米,综合车间墙体高度及吊点位置,吊车臂长不小于40米,风机基座荷载2.2吨,如图:
查表可知,100T汽车吊符合条件,即当工作幅度为30米时,臂长45米,起吊重量2.9T(含吊钩),能够满足作业及安全条件。
见下表
100T汽车吊起重特性表
单位(UNIT):Kg
说明:
●以上作业工况均为支腿全伸,不允许在不打支腿的情况下吊重。
表中粗线以上数值是由起重机的结构
强度所决定的,粗线以下数值是由起重机整机稳定性所决定的。
●打好第五支腿时,表中数值适用于圆周360°作业。
●表中所列额定起重量为最大允许值,并包括吊钩重量(100吨吊钩重815Kg,60吨吊钩重560Kg,6
吨吊钩重180Kg)和其他吊具的重量。
表中所给幅度值,是指吊载后吊钩中心到回转中心的水平距离。
当实际臂长和工作幅度在两数值之间时,应按最大臂长和幅度值确定起重量。
●在副臂伸出的情况下使用主臂作业时,额定起重量不仅要扣除吊具的重量,还要扣除2250Kg。
100t汽车吊车性能参数表起重特性表PATED LIFTING CAPACITY TABLE单位(UNIT):Kg⼯作幅度WORKING RADIUS(m)主臂BOOM主臂仰⾓BOOMANGLE(°)主臂+副臂BOOM+JIB ⽀腿全伸、后⽅、侧⽅作业REAR&SIDE WORKING AREA WITH OUTRIGGER FULLYEXTENDED45+9.5m 45+16.0m臂长BOOM LENGTH副臂安装⾓JIB OFFSET副臂安装⾓JIB OFFSET 12.0m 16.2m 20.4m 27.0m 33.0m 39.0m 45.0m 5°30°5°30°3.0 100000 70000 80 6000 2500 4000 13003.5 92000 70000 58000 78 5500 2400 3600 12004.0 85000 70000 54000 76 5000 2300 3200 11504.5 76000 64000 51000 35000 74 4500 2200 3000 11005.0 70000 58000 49000 35000 72 4000 2100 2700 10505.5 63000 51000 45000 35000 26000 70 3700 2050 2500 10006.0 57000 46000 43000 34000 26000 68 3400 1950 2400 9506.5 48000 43000 41000 33000 26000 20000 66 3200 1900 2200 9007.0 44000 40000 39000 32000 26000 20000 64 2900 1850 2100 8507.5 37000 37000 35000 30500 25000 20000 15000 62 2400 1800 1800 8008.0 34000 34000 32000 29000 4000 19000 15000 60 2000 1750 1500 7509.0 27000 27000 27000 25000 22500 17500 15000 58 1600 1500 1200 70010.0 21900 219000 22000 20500 16500 15000 56 1400 135011.0 18400 19000 19500 18000 15500 1400012.0 15700 16000 16500 16000 14500 1360014.0 116000 12800 13500 13000 1200016.0 8400 9800 10500 11000 1050018.0 6300 7800 8200 8500 900020.0 6000 6600 7200 750022.0 5000 5200 5800 620024.0 4200 4800 520026.0 3800 430028.0 3100 360030.0 2900说明(NOTE):●以上作业⼯况均为⽀腿全伸,不允许在不打⽀腿的情况下吊重。
20吨汽车吊机额定性能■以下工况仅供参考,实际请与本公司业务员联系!主臂长度(m)主臂付臂回转半径(m)10.212.58 14.97 17.35 19.73 22.12 24.5 24.57.5 3.0 20 ——------------------------------ 3.5 17.2 15.9 ---------------------------------------------- 4.0 14.6 14.6 12.6 ----------- 4.512.75 12.7 11.7 10.5 ------- 5.0 11.6 11.311.39.7 ------------------- 5.5 10.45 10 10 9.1 8.1 ——-------- 6.0 9.3 9 9 8.5 7.6 6.9 -------- 7.0 7.24 7.3 7.41 7.26.7 6.1 5.5 ——8.0 5.99 6.1 6.17 6.22 5.9 5.4 5 ——9.0 ——5.13 5.21 5.25 5.3 4.8 4.5 ——10.0 ——4.35 4.43 4.48 4.52 4.4 4 2.1 12.03.26 3.32 3.36 3.39 3.41 1.7 14.0-------------- 2.49 2.53 2.56 2.58 1.4 16.0 -------- ——1.9 1.94 1.96 1.2 18.0 --------------------------------- 1.451.47 1 20.0 ----------------------------- 1.08 0.88 22.0------------------------- 0.76 0.75 24.0 ---- 0.63 27.0 -------------------- --- 0.5 25吨汽车起重机起重性能■(主臂)以下工况仅供参考,实际请与本公司业务员联系!吊臂长度m工作半径m 10.2 13.75 17.3 20.85 24.4 27.95 31.5 3 25 17.5 3.5 20.6 17.5 12.2 9.5 4 18 17.5 12.2 9.5 4.5 16.3 15.3 12.2 9.5 7.55 14.5 14.4 12.2 9.5 7.5 5.5 13.5 13.2 12.2 9.5 7.5 76 12.3 12.2 11.39.2 7.57 5.1 6.5 11.2 11 10.5 8.8 7.5 7 5.1 7 10.2 10 9.88.57.2 7 5.1 7.5 9.4 9.2 9.1 8.1 6.8 6.7 5.1 8 8.6 8.4 8.4 7.8 6.6 6.45.1 8.5 8 7.9 7.8 7.4 6.3 7.2 5 9 7.2 7 6.8 6 6.1 4.8 10 6 5.8 5.65.6 5.3 4.4 12 4 4.1 4.1 4.2 3.9 3.7 14 2.9 3 3.1 2.9 3 16 2.2 2.32.2 2.3 18 1.6 1.8 1.7 1.7 20 1.3 1.3 1.3 22 1 0.9 1 24 0.7 0.8 26 0.5 0.5 28 0.4 29 0.3 30注:本表内红字及红字以上栏目的数字为吊臂强度所决定其下面栏目数字为倾翻力矩决定25吨汽车起重机起重性能表(副臂)7.5副臂主臂主角副臂倾角5度副臂倾角30度80度2.5 1.25 75度2.5 1.2570 度2.05 1.15 65 度1.75 1.1 60 度1.55 1.05 55 度1.31.0 50度1.05 0.8 30吨汽车起重机性能表(一)以下工况仅供参考,实际请与本公司业务员联系!主臂起重性能主要技术参数支腿全伸不用支腿工作半径(m)名称参数10.00m 17.00m 24.00m 31.00m 10.00m 全车总重32.2t 3.00 30.00 20.00 8.00 最大爬坡能力31 3.35 30.00 20.00 7.00 最大提升高度34.00m 3.50 28.10 20.00 6.40吊臂全伸时长度31.00m 4.00 24.20 20.00 5.10 吊臂全缩时长度10.00m 4.50 21.40 20.00 13.00 4.20 最小转弯半径11.50m 4.8 20.00 20.00 13.00 3.70 最大仰角80° 5.0 19.20 19.20 13.00 3.40 30t 吊钩重0.35t 5.5 17.50 17.50 13.00 2.80 12t 吊钩重0.20t 6.0 16.00 16.00 13.00 2.30 4t 吊钩重0.10t 6.5 14.60 14.60 13.00 9.00 1.9010m 吊臂时钢丝绳8 根7.0 13.50 13.50 12.00 9.00 1.60 数10- 17m 时钢丝绳5 根7.5 12.00 12.00 11.20 9.001.30 数24m 时钢丝绳数4 根8.0 10.50 10.50 10.50 9.001.00 31m 时钢丝绳数 3 根8.5 9.40 9.40 9.00 9.8 7.20 7.20 7.70 10.0 6.95 6.95 7.50 11.0 5.80 5.80 6.40 12.0 4.90 4.90 5.55 14.03.45 3.454.20 16.0 2.50 3.20 18.0 1.80 2.45 20.0 1.30 1.90 22.0 0.85 1.50 24.0 1.10 26.0 0.75 27.0 0.65 注:本表内红字及红字以上栏目的数字为吊臂强度所决定其下面栏目数字为倾翻力矩决定30吨汽车起重机性能表(二)使用8.45m 副臂倾角使用13.5m 副臂倾角吊臂角度工作半径吊臂角度工作半径5° 5 °80 °.9 4.00 80 9.3 2.50 78.5 9.°4.00 77° 12.0 2.50 7810.2 3.807612.7 2.35 76 11.2 3.30 74 °14.1 2.10 74 12.2 2.90 72 15.6 1.95 72 13.4 2.70 70 17.1 1.80 70 14.6 2.50 68 18.5 1.65 68 16.0 2.35 66 19.9 1.50 66。
目录一、汽车吊 (1)1.1 300 t 汽车吊‘主杆’(TG2000型) (3)1.2 300 t 汽车吊‘辅杆’(TG2000型) (4)2 200汽车吊(QAY200) (7)3 80t汽车吊(NK8000) (8)4 45t汽车吊(TG-451型) (9)5 45t汽车吊(TG-452型) (10)6 30t汽车吊(NK-300型) (11)二、履带吊 (12)1 250t履带吊机(CKE2500) (12)1 200t履带吊(CCH2000型) (14)2 150t履带吊(CCH1500型) (16)3 100t履带吊(1495-3A型) (17)4 80t履带吊(石川岛) (21)5 50t履带吊(CH500型) (22)一、汽车吊1 / 732 /733 / 73上表中分线以上的起重量是根据结构强度规定的,在分线以下的起重量是根据稳定性规定的。
4 / 73起落起重臂采用稳定支撑时,在整个回转范围内(360°)的起重能力5 / 736 / 73起落起重臂采用稳定支撑时,在整个回转范围内(360°)的起重能力作业半径m33.544.5567891011121416182022242628303234363840424446485052545613.3m 2001381311201131008980726114.0 13.0 120112104928273655917.6m 118 11611010592827365595449.54221.9m 11411110492827365595548.5413530.526.2m 9593918981726558534840.5363228.325.130.5m 78 7559646464595449.542.536.531.527.924.722.119.834.8m 606957575654514843363127.524.121.419.117.11613.339.1m 49 48454340.5383631.528.325.823.521.820.419.217.71614.613.211.343.4m3938.536.53533.532.528.92623.42119.217.616.315.11413.212.411.711.210.247.7m 32 31.530.529.828.52623.621.519.817.916.415.113.912.811.811.210.6109.48.98.552m 25.525.424.924.52321.419.618.116.715.414.313.212.211.310.59.89.18.78.37.87.57.156.3m 20.5 20.219.919.318.417.616.415.414.413.412.511.710.910.29.898.47.57.46.96.56.15.760m1716.816.215.514.914.813.713.312.311.510.810.19.48.58.37.77.26.76.35.85.65.24.94.6作业半径m33.544.55678910111214161820222426283032343638404244464850525456注:1、这些能力(起重量)是当吊车停放于平坦而坚实的地上时的情况,黑粗线以上是吊车强度, 黑粗线以下是吊车稳定性。
100T汽车吊规格表
摘要
本文档提供了一份100T汽车吊的规格表,包含了该汽车吊的基本参数、性能指标等详细信息。
基本参数
- 最大起重量:100吨
- 工作半径:3米-30米
- 最大起升高度:40米
- 配置发动机:柴油发动机
- 发动机功率:500马力
- 操作方式:手动/遥控
结构特点
- 车辆整体采用框架结构,具有较高的稳定性和承载能力
- 采用液压系统控制起重动作,操作简便灵活
- 装载桥架采用折叠式结构,便于运输和存放
- 配备防倾翻装置,增加安全性能
性能指标
- 吊臂最大起升力矩:3200吨米
- 重量:25吨
- 起升速度:10米/分钟
- 起升倍率:4
- 平台旋转速度:0.6转/分钟
安全保护
- 超载保护装置:自动监测货物重量,超载时自动停机报警- 防坠器:保护吊钩在操作中不会疏忽坠落
- 防碰撞装置:防止吊臂在吊运过程中和障碍物碰撞
应用领域
100T汽车吊广泛应用于各类工地、港口、仓库等场所,可用于装卸重货物、搭建构筑物、维修设备等。
结论
本文档为100T汽车吊提供了详细的规格表,涵盖了其基本参数、结构特点、性能指标以及安全保护等方面的信息。
通过阅读本文档,用户可以全面了解该汽车吊的功能和适用领域,为相关工程项目选择合适的设备提供参考。