JZQ减速器技术参数
- 格式:doc
- 大小:265.00 KB
- 文档页数:5
产品名称:ZQ(JZQ)型减速器
产品编号:
产品介绍:
一、ZQ(JZQ)型减速器:
1、型式:
ZQ型减速器共有九种装配型式见图1,输入轴为圆锥型式有圆柱型轴伸(Z型)、齿轮型轴伸(CA型)以及欧式(十字滑块)联轴器型轴伸
(F型)。
2、主要技术参数:
表一ZQ型减速器中心距:
表二ZQ型减速器传动比:
二、ZQH型减速器:
1、ZQH型减速器是在ZQ型减速器的基础上把渐开线圆柱齿轮换成单圆弧圆柱齿轮,除齿轮参数有所变外,其余与ZQ型减速器相同。
2、主要技术参数:
1)中心距ZQH型减速器中心距同ZQ型减速器相同。
2)传动比ZQH型减速器的传动比见下图。
三、ZQA型减速器:
1、ZQA型减速器是在ZQ型减速器的基础上改进设计的,为提高齿轮承载能力,又便于替代ZQ型减速器,在外形、轴端和安装尺寸不变的
情况下,改变齿轮齿轴材质,齿轴为42CrMo,大齿轮为35CrMo。
调质硬度齿轮轴为291~323HB,大齿轮为255~286HB。
2、传动比:
ZQA型减速器的实际传动比is=25.02与ZQ型减速器is=23.34不同之外其余相同。
3、外形、轴端和安装尺寸:
ZQA型减速器的外形、轴端和安装尺寸与ZQ型减速器相同。
JZQ圆柱齿轮减速机参数一、中心距、模数及齿轮宽度:二、九种传动比:单筒冷却机主要技术参数:JZQ技术参数表JZQ减速机传动比齿数JZQ装配型式G--高速轴D---低速轴JZQ装配型式G--高速轴D---低速轴JZQ型减速机JZQ250 JZQ350 JZQ400 JZQ500ZD型减速机ZD300ZD400ZD技术参数表ZD减速机传动比及齿数回转圆筒干燥器........................................................................................................................概述ZT型回转圆筒干燥器是一种处理大量物料干燥的干燥设备,用于烘干一定湿度和粒度范围的物料。
该设备具有盍可靠、操作弹性大、适应性强、处理量大等优点,因而被广泛应用于建材、化工、煤矿、环保、食品、药材等方面水分大的物料的烘干,如煤、砂子、石灰石、食盐、谷粒、砂糖、磷精矿、硫化铁、有机肥、精矿、矿渣等物料。
进入转筒干燥机的物料以不粘筒壁及抄板为宜,进入烘干机的热气体温度一般在700℃以下,烘干后物料含水量可低于1%。
1、进料密封装置2、筒体3、滚圈4、托轮装置5、液力联轴器6、传动装置7、大齿轮8、挡轮装置9、出料密封装置技术规格型号筒体产量ton/hr电动机减速机传动齿轮滚力联轴器型号设备重量kg直径m长度m容积m3转速r.p.m斜度%型号转速r.p.m功率kw型号速比模数齿数比速比YZT1280 1.2 8 9.1 5.9 5 0.8~1.3 Y132M2-6 960 5.5 ZQ500 31.5 18 100/20 5 OAY360 10500 YZT12100 1.2 10 11.3 5.9 5 1.1~1.7 Y132M2-6 960 5.5 ZQ500 31.5 18 100/20 5 OAY360 11670 YZT15120 1.5 12 21.2 4.8 5 4~6 Y180L-6 970 15 ZQ650 31.5 18 122/20 6.1 OAY420 17760 YZT15150 1.5 15 26.5 4.8 5 3.3~4.9 Y180L-6 970 15 ZQ650 31.5 18 122/20 6.1 OAY420 18700 YZT15180 1.5 18 31.8 4.8 5 3.3~4.9 Y180L-6 970 15 ZQ650 31.5 18 122/20 6.1 OAY420 23355 YZT18120 1.8 12 30.5 4.4 5 4~6 Y180L1-6 970 18.5 ZQ650 31.5 20 128/23 5.56 OAY480 19389 YZT18140 1.8 14 35.7 4.4 5 4~6 Y180L1-6 970 18.5 ZQ650 31.5 20 128/23 5.56 OAY480 20846 YZT18200 1.8 20 50.9 4.4 5 4~6 Y200L2-6 970 22 ZQ650 31.5 20 128/23 5.56 OAY480 40257 YZT18220 1.8 22 60.0 4.4 5 4~6 Y200L2-6 970 22 ZQ650 31.5 20 128/23 5.56 OAY480 42058 YZT22120 2.2 12 45.6 4.2 5 4~8 Y200L2-6 970 22 ZQ750 31.5 24 130/19 6.84 OAY480 30313 YZT22140 2.2 14 53.2 4.2 5 12 Y200L2-6 970 22 ZQ750 31.5 24 130/19 6.84 OAY480 32233 YZT24180 2.4 18 81.5 4.2 4 12 Y225M-6 970 30 ZQ850 31.5 24 136/17 8 OAY480 41215 YZT28140 2.8 14 86.0 3.7 4 10~12 Y225M-6 970 45 ZQ1000 31.5 28 144/19 7.6 OAY480 55300 YZT28180 2.8 18 111.0 3.7 4 10~12 Y280S-6 970 45 ZQ1000 31.5 28 144/19 7.6 OAY480 56350 YZT30200 3.0 20 141.5 3.4 3 20~22 Y280M-6 980 55 ZQ1000 40.0 28 154/19 8.1 OAY560 88566 YZT30250 3.0 25 176.6 3.4 3 20~30 Y280M-6 980 55 ZQ1000 40.0 28 154/19 8.1 OAY560 115220 YZT35200 3.5 20 188.0 3.4 3 20~30 Y315M2-6 980 75 ZLH130 35.5 32 162/19 8.52 OAY560 135000 YZT35250 3.5 25 240.0 3.4 3 20~30 Y315M2-6 980 75 ZLH130 35.5 32 162/19 8.52 OAY560 163500。
JZQ齿轮减速器参数
JZQ齿轮减速器概述
JZQ、系列减速产品系国家定型产品,对于机械传动减速起到了理想的效果,广泛应用于冶金、矿山、起重、运输、水泥、建筑、化工、纺织、轻工等行业。
本系列减速器具有承载力大、强度高、磨耗小、噪音低、使用寿命长等优点,其适用条件如下:减速器齿轮传动圆周速度不大于12m/s,高速轴转速不大于1500r/min,减速器工作环境温度为-40℃—+40℃,减速器用于正反两向运转。
本系列减速器有九种速比,九种配置型式和三种低速轴轴端形式。
JZQ系列齿轮减速机标记示范
JZQ ——减速器型号
500 ——总中心距为500
Ⅲ ——传动比代号为Ⅲ
2 ——第2种装配形式
z ——圆柱形轴端形式
装配形式
低速轴轴头形式
齿轮分配与传动比
JZQ-500型减速器技术参数
JZQ-500型减速器承载能力表。
jzq减速机标准参数jzq减速机是一种常见的传动设备,广泛应用于各种工业领域。
了解jzq减速机的标准参数对于正确选择和使用该设备至关重要。
本文将详细介绍jzq减速机的标准参数,帮助用户更好地了解和应用这一设备。
1. 额定输入转速,jzq减速机的额定输入转速是指在额定工况下,减速机输入轴上的转速。
通常以每分钟转数(rpm)为单位。
额定输入转速的确定对于减速机的选型和使用具有重要意义,用户应根据实际需求选择合适的额定输入转速。
2. 减速比,减速比是指减速机输出轴转速与输入轴转速的比值。
通过调整减速比,可以实现不同的输出转速,满足不同的工艺要求。
在选择减速机时,需要根据实际工况确定合适的减速比,以确保设备的正常运行。
3. 额定输出扭矩,额定输出扭矩是指在额定工况下,减速机输出轴所能输出的最大扭矩。
扭矩是减速机传递动力的重要参数,用户在选择减速机时需要根据所需的输出扭矩确定合适的型号和规格。
4. 额定功率,额定功率是指减速机在额定工况下所能输出的最大功率。
功率是衡量减速机性能的重要指标,用户在选择减速机时需要根据所需的输出功率确定合适的型号和规格。
5. 输入轴转矩,输入轴转矩是指减速机输入轴所能承受的最大转矩。
在实际使用中,输入轴承受的转矩会受到各种因素的影响,用户需要根据实际工况选择合适的减速机型号和规格,以确保输入轴的安全运行。
6. 输出轴转矩,输出轴转矩是指减速机输出轴所能承受的最大转矩。
用户在选择减速机时需要考虑输出轴的承载能力,根据实际工况确定合适的型号和规格。
7. 效率,减速机的效率是指输入功率与输出功率之比,通常以百分比表示。
高效率的减速机可以减少能源消耗,提高传动效率,降低运行成本。
用户在选择减速机时需要考虑其效率,以实现经济、可靠的传动。
8. 重量,减速机的重量对于安装和使用具有重要影响。
较大的减速机重量会增加安装和维护的难度,用户在选择减速机时需要考虑其重量,并根据实际情况进行合理安排。
JZQ减速机的技术指标
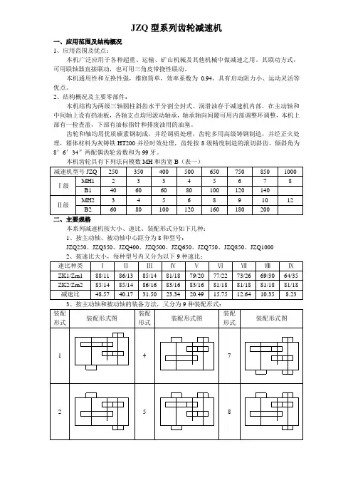
JZQ型系列齿轮减速机
一、应用范围及结构概况
1、应用范围及优点:
本机广泛应用于各种超重、运输、矿山机械及其他机械中做减速之用。
其联动方式,可用联轴器直接联动,也可用三角皮带挠性联动。
本机通用性和互换性强,维修简单,效率系数为0.94,具有启动阻力小、运动灵活等优点。
2、结构概况及主要零部件:
本机结构为两级三轴圆柱斜齿水平分割全封式。
润滑油存于减速机内部,在主动轴和中间轴上设有挡油板,各轴支点均用滚动轴承,轴承轴向间隙可用内部调整环调整,本机上部有一检查盖,下部有油标指针和排废油用的油塞。
齿轮和轴均用优质碳素钢制成,并经调质处理,齿轮多用高级铸钢制造,并经正火处理,箱体材料为灰铸铁HT200并经时效处理,齿轮按8级精度制造的滚切斜齿、倾斜角为8°6’34”两配偶齿轮齿数和为99牙。
本系列减速机按大小、速比、装配形式分如下几种:
1、按主动轴、被动轴中心距分为8种型号:
JZQ250、JZQ350、JZQ400、JZQ500、JZQ650、JZQ750、JZQ850、JZQ1000
功率表。
JZQ型系列齿轮减速机
一、应用范围及结构概况
1、应用范围及优点:
本机广泛应用于各种超重、运输、矿山机械及其他机械中做减速之用。
其联动方式,可用联轴器直接联动,也可用三角皮带挠性联动。
本机通用性和互换性强,维修简单,效率系数为0.94,具有启动阻力小、运动灵活等优点。
2、结构概况及主要零部件:
本机结构为两级三轴圆柱斜齿水平分割全封式。
润滑油存于减速机内部,在主动轴和中间轴上设有挡油板,各轴支点均用滚动轴承,轴承轴向间隙可用内部调整环调整,本机上部有一检查盖,下部有油标指针和排废油用的油塞。
齿轮和轴均用优质碳素钢制成,并经调质处理,齿轮多用高级铸钢制造,并经正火处理,箱体材料为灰铸铁HT200并经时效处理,齿轮按8级精度制造的滚切斜齿、倾斜角为8°6’34”两配偶齿轮齿数和为99牙。
本系列减速机按大小、速比、装配形式分如下几种:
1、按主动轴、被动轴中心距分为8种型号:
JZQ250、JZQ350、JZQ400、JZQ500、JZQ650、JZQ750、JZQ850、JZQ1000
功率表。
JZQ型系列齿轮减速机
一、应用范围及结构概况
1、应用范围及优点:
本机广泛应用于各种超重、运输、矿山机械及其他机械中做减速之用。
其联动方式,可用联轴器直接联动,也可用三角皮带挠性联动。
本机通用性和互换性强,维修简单,效率系数为0.94,具有启动阻力小、运动灵活等优点。
2、结构概况及主要零部件:
本机结构为两级三轴圆柱斜齿水平分割全封式。
润滑油存于减速机内部,在主动轴和中间轴上设有挡油板,各轴支点均用滚动轴承,轴承轴向间隙可用内部调整环调整,本机上部有一检查盖,下部有油标指针和排废油用的油塞。
齿轮和轴均用优质碳素钢制成,并经调质处理,齿轮多用高级铸钢制造,并经正火处理,箱体材料为灰铸铁HT200并经时效处理,齿轮按8级精度制造的滚切斜齿、倾斜角为8°6’34”两配偶齿轮齿数和为99牙。
本系列减速机按大小、速比、装配形式分如下几种:
1、按主动轴、被动轴中心距分为8种型号:
JZQ250、JZQ350、JZQ400、JZQ500、JZQ650、JZQ750、JZQ850、JZQ1000
功率表。