2014年江苏科技大学考研试题 材料力学
- 格式:pdf
- 大小:633.46 KB
- 文档页数:3
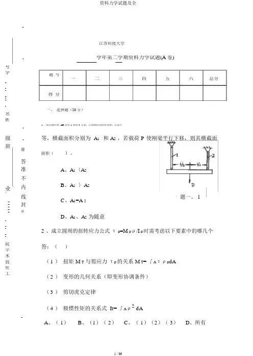
精心整理江苏科技大学学年第二学期材料力学试题(A 卷)1、图示刚性梁 AB 由杆 1 和杆 2 支承,已知两杆的材料相同,长度不等,横截面积分别为 A 2,若载荷 P 使刚梁平行下移,则其横截面面积()题号一二三四五六总分得分、 选择题 ( 20A 1 和A 、 A 1〈A 2 题答准不内线封密------------------------------B 、C 、 A 1〉A 2A 1=A 2D 、A 1、A 2 为任意2、建立圆周的扭转应力公式τ ρ=M ρρ/I ρ时需考虑下列题因素一中、的1哪几个?答: 扭矩 M T 与剪应力τ ρ的关系 M T =∫A τρρdA ρρ 1) 2) 3) 4) 变形的几何关系(即变形协调条件) 剪切虎克定律极惯性矩的关系式 I T =∫A ρ2dAA 、(1)B 、(1)(2)C 、(1)(2)(3)D 、 全部 3、 A 、 B 、 C 、 D 、 二向应力状态如图所示,其最大主应力σ 1=() 2σ 3σ 4σ题一、3图4、高度等于宽度两倍 (h=2b )的矩形截面梁, 承受垂直方向的载荷, 若仅将竖放截面改为平放截面, 其它条件都不变,则梁的强度()A 、提高到原来的 2 倍B 、提高到原来的 4 倍、降低到原来的倍题一、 4二题图、如图所示直径为 d 的圆截面轴,其两端承受扭转力偶矩 m 的作用。
设由实验测的轴表面上与 轴线成 450 方向的正应变,试求力偶矩 m 之值、材料的弹性常数 E 、μ均为已知。
(15 分) 精心整理D 、降低到原来的 1/4 倍 5.已知图示二梁的抗弯截面刚度EI 相同,若二者自由端的挠度相 等,则 P 1/P 2=()A 、2B 、4C 、8D 、16、作图示梁的剪力图、弯矩图 15分)题答准不内线封四、电动机功率为 9kW ,转速为 715r/min ,皮带轮直径 D=250mm , 轴外伸部分长度为l=120mm , 主轴直径 d=40mm ,〔σ〕 =60MPa ,用第三强三题图 三题图五、重量为 Q 的重物自由下落 的垂直位移。
资料力学试题及全--------江苏科技大学-------学年第二学期资料力学试题(A 卷)----号---学--题号-_-一二三四五六总分-_-_--_-_-_--得分_-_-_-_--_-_--一、选择题(20 分)-名---姓---- 1 、图示刚性梁 AB 由杆 1 和杆 2 支承,已知两杆的资料同样,长度不-----级-等,横截面积分别为 A1和 A2,若载荷 P 使刚梁平行下移,则其横截面--班--题面积()。
答准不业内专A、A1〈A2B、A1〉A2_线__封___密_C、A1=A 2题一、 1_--_-_--_-_-_--_-_----院---学---术---技---程---工----------------------D、A1、A2为随意2 、成立圆周的扭转应力公式τρ=M ρρ/I ρ时需考虑以下要素中的哪几个答:()(1 )扭矩 M T与剪应力τρ的关系 M T= ∫AτρρdA(2 )变形的几何关系(即变形协调条件)(3 )剪切虎克定律(4 )极惯性矩的关系式 I T= ∫Aρ2 dAA、( 1)B、(1)( 2)C、( 1)(2)( 3)D、所有资料力学试题及全3 、二向应力状态如下图,其最大主应力σ1=()A、σB、2 σC、3 σ题一、3 图D、4σ4 、高度等于宽度两倍 (h=2b) 的矩形截面梁,蒙受垂直方向的载荷,若仅将竖放截面改为平放截面,其余条件都不变,则梁的强度()A 、提升到本来的 2 倍B、提升到本来的 4 倍题一、 4C、降低到本来的1/2 倍D、降低到本来的1/4 倍5.已知图示二梁的抗弯截面刚度 EI 同样,若两者自由端的挠度相等,则 P1/P2= ()A、2B、4题一、5 图C、8D、16二、作图示梁的剪力争、弯矩图。
(15分)二 题三、如下图直径为d 的圆截面轴,其两头蒙受扭转力偶矩 m 的作用。
设由实验测的轴表面上与轴线成 45 0 方向的正应变,试求力偶矩 m 之值、资料的弹性常数 E 、μ均为已知。
精心整理江苏科技大学学年第二学期材料力学试题(A 卷)一、 选择题(20分)1、图示刚性梁AB 由杆1和杆2支承,已知两杆的材料相同,长度不等,横截面积分别为A 1和A 2,若载荷P 使刚梁平行下移,则其横截面面积()。
A 、A 1〈A 2B 、A 1〉A 2C 、A 1=A 2D 、A 1、A 2为任意2、建立圆周的扭转应力公式τρ=M ρρ/I ρ时需考虑下列因素中的哪几个?答:() (1) 扭矩M T 与剪应力τρ的关系M T =∫A τρρdA (2) 变形的几何关系(即变形协调条件) (3) 剪切虎克定律(4) 极惯性矩的关系式I T =∫A ρ2dAA 、(1)B 、(1)(2)C 、(1)(2)(3)D 、全部 3、二向应力状态如图所示,其最大主应力σ1=() A 、σ B 、2σ C 、3σ D 、4σ4、高度等于宽度两倍(h=2b)的矩形截面梁,承受垂直方向的载荷,若仅将竖放截面改为平放截面,其它条件都不变,则梁的强度() A 、提高到原来的2倍 B 、提高到原来的4倍 C 、降低到原来的1/2倍题号 一 二 三四五六总分得分题一、3图---------------------------------------------------密封线内不准答题-------------------------------------------------------------题一、4题一、1D 、降低到原来的1/4倍 5.已知图示二梁的抗弯截面刚度EI 相同,若二者自由端的挠度相等,则P 1/P 2=() A 、2 B 、4 C 、8 D 、16二、作图示梁的剪力图、弯矩图。
(15分)三、如图所示直径为d 的圆截面轴,其两端承受扭转力偶矩m 的作用。
设由实验测的轴表面上与轴线成450方向的正应变,试求力偶矩m 之值、材料的弹性常数E 、μ均为已知。
(15分) 四、电动机功率为9kW ,转速为715r/min ,皮带轮直径D =250mm ,主轴外伸部分长度为l =120mm ,主轴直径d =40mm ,〔σ〕=60MPa ,用第三强度理论校核轴的强度。
xx 苏科技大学学年第二学期材料力学试题(A卷)一、选择题(20分)1、图示刚性xxAB由杆1和杆2支承,已知两杆的材料相同,xx不等,横截面积分别为A1和A2,若载荷P使刚xx 平行下移,则其横截面面积()。
A、A1〈A2B、A1 〉A2C、A1=A2D、A1、A2为任意2、建立圆周的扭转应力公式τρ=Mρρ/Iρ时需考虑下列因素中的哪几个?答:()(1)扭矩MT与剪应力τρ的关系MT=∫AτρρdA(2)变形的几何关系(即变形协调条件)(3)剪切xx定律(4)极惯性矩的关系式IT=∫Aρ2dAA、(1)B、(1)(2)C、(1)(2)(3)D、全部3、二向应力状态如图所示,其最大主应力σ1=()A、σB、2σC、3σD、4σ4、高度等于宽度两倍(h=2b)的矩形截面xx,承受垂直方向的载荷,若仅将竖放截面改为平放截面,其它条件都不变,则xx的强度()A、提高到原来的2倍B、提高到原来的4倍C、降低到原来的1/2倍D、降低到原来的1/4倍5. 已知图示二梁的抗弯截面刚度EI相同,若二者自由端的挠度相等,则P1/P2=()A、2B、4C、8D、16二、作图示梁的剪力图、弯矩图。
(15分)二题图三、如图所示直径为d的圆截面轴,其两端承受扭转力偶矩m的作用。
设由实验测的轴表面上与轴线成450方向的正应变,试求力偶矩m之值、材料的弹性常数E、μ均为已知。
(15分)四、电动机功率为9kW,转速为715r/min,皮带轮直径D=,主轴外伸部分xx为l=,主轴直径d=,〔σ〕=60MPa,用第三强度理论校核轴的强度。
(15分)四题图五、重量为Q的重物自由下落在图示刚架C点,设刚架的抗弯刚度为EI,试求冲击时刚架D处的垂直位移。
(15分)六、结构如图所示,P=15kN ,已知xx 和杆为一种材料,E=210GPa 。
xxABC 的惯性矩I=4,等直圆杆BD 的直径D=。
规定杆BD 的稳定安全系数nst=2。
求BD 杆承受的压力。
目 录2014年江苏科技大学832材料科学基础(A卷)考研真题2013年江苏科技大学832材料科学基础(A卷)考研真题2012年江苏科技大学825材料科学基础考研真题2011年江苏科技大学830材料科学基础(A卷)考研真题2009年江苏科技大学材料科学基础(A卷)考研真题2008年江苏科技大学材料科学基础(B卷)考研真题2007年江苏科技大学材料科学基础(A卷)考研真题2006年江苏科技大学材料科学基础考研真题2005年江苏科技大学材料科学基础考研真题2014年江苏科技大学832材料科学基础(A卷)考研真题江苏科技大学2014年硕士研究生入学考试初试试题—科日窘称:_粗珂学扇础A富所:|也分毋日代遇832—注,意①认奔询读獭心%意M3础找.砌写在国诳土写在本试"或*惧无敕;碧本试睡龈翎酰筌题统一起装入试Jt|金中文日1'-----------------------------^、名词解释(每题5分,其40分)卜.电f化合物* 2.有序固溶体:3.共格相界;4.滑移弹;5.上坡扩6.枝品偏析;7.形按功:&二次拇结品二、通择题(每题6分,共36分)L利3、ac-Fe和Zn三种常见的金札塑性最差的是{A Cu:B a-Fet CZn:2.Cu与AJ均为面心立方金岛在3中队观察到退火享品.而At申则雄以发明|主要原因是(LA0的表面能更低:8«的品界能更低:CCu的房钳能更低:I3-位错线的运动方向总是与()."L扪氏矢堆方向相同;B.位错线本身垂直;G品体滑移方向相同,!密排六方晶体的密排方向是(九A-[颇I]:队[1I20J; C.IHJIG];|盆二元扩散偶中只能出现()o,站单相区:H,双相区;C,二榭区;61F列组织只"E北平衡凝固时4会出他j 桓伪共晶:A.离弄共晶:C.比重偏析:_____I第I页共二页三、分析题(I}画出祁IP出招凯并标出相图中所有一相平衡转斐中押衡相的成分利温度:口0分)⑵分析含碳量为1.豹WI的挟碳合金的平衡冷如过群的组维转变.并计瓠该合命圾慢冷却至室温后组织中相坦成物和绢织组成物的相时含!由<10分)(3>画出上述室温组织的示意图;(3分)(41指出上述合金在HA8V时R有的组织,并指出碳原子在晶胞中所处的位置,用示意图表示;(5^)⑸指出上述台金平衡冷■戏0』时具宵的组织,指出碳主要以什么形式存在,存在F固溶体中的碳在品胞中所处的位嚣,用示意图丧型。
精心整理江苏科技大学学年第二学期材料力学试题(A 卷)一、 选择题(20分)1A 1和A 22时需考虑下列因素中的哪几个?答:(1ρdA(2(3(4A 、(1、全部 3A 、σ B 、2σ C 、3σ D 、4σ4、高度等于宽度两倍(h=2b)的矩形截面梁,承受垂直方向的载荷,若仅将竖放截面改为平放截面,其它条件都不变,则梁的强度() A 、提高到原来的2倍 B 、提高到原来的4倍 C 、降低到原来的1/2倍题一、3图---------------------------------------------------密封线内不准答题-------------------------------------------------------------题一、4题一、1D 、降低到原来的1/4倍 5.已知图示二梁的抗弯截面刚度EI 相同,若二者自由端的挠度相等,则P 1/P 2=() A 、2 B 、4 C 、8 D 、16轴线成 四、,皮带轮直径D =250mm ,主轴外伸部分长度为,,用第三强度理论校核轴的强度。
(15分)的重物自由下落在图示刚架C 点,设刚架的抗弯刚度为EI D 处4,求BD 用欧拉公式判断BD 杆是否失稳。
(20分)江苏科技大学学年第二学期材料力学试题(B 卷)二、 选择题(20分题一、5图三题图六题图五题图四题图-------------------------------密封线内不准答题--------------------------------------------------------------------------------------------------------)1、下列结论中正确的是()A 、材料力学主要研究各种材料的力学问题B 、材料力学主要研究各种材料的力学性质C 、材料力学主要研究杆件受力后变形与破坏的规律D 、材料力学主要研究各种材料中力与材料的关系2、有两根圆轴,一根为实心轴,直径为D 1,另一根为空心轴,内外径比为d 2/D 2=0.8。
考试时间为3小时,卷面总分为
答案必须写在答题纸上
小题,每小题3分,计30分)
、用积分法求图示梁的挠曲线时,挠曲线方程要分为
_______________________________________________
题一(1)图
、钢制直杆受轴向力作用,横截面上的正应力σ超过了材料的屈服极限,此时,现在开始卸载,拉力全部卸掉后,轴向残余应变为
题一(3)图
为形心,关于截面惯性矩,有下列四种结论,试判断哪
题一(4)图
为弹簧支承,设梁和弹簧的应变能分
题一(5)图
(提示:回答问题简明扼要,未答或答错不得分,每小题答、什么叫梁的对称弯曲?什么叫梁的斜弯曲?
题(二)图
(a)(b)
题(三)图
题(四)图
AB 为18 号工字钢,其长度为的中点D 处时,杆内的最大正应力。
设工字钢的自重可略34105.18m -⨯,106.30A -⨯=
题(五)图
分)
为圆截面杆,其直径d=80mm
的正方形截面杆,长度为3m。
已知该结构的约
,B,C为球铰。
两杆材料均为
100
=,可各自独立发生弯曲互不影响。
若结
n=2.5,试求所能承受的许可压力。
st
题(六)图
)求微元体的三个主应力及最大剪应力。
(2)画出其
题(七)图
试用卡氏第二定理求解图示超静定结构。
集中力F作用在
题(八)图。
河南科技大学2014年硕士研究生入学考试试题答案及评分标准考试科目代码: 801 考试科目名称: 材料力学一、如题一图所示,结构AD 段为钢杆,横截面面积241102mm A ⨯=,弹性模量a GP E 2101=,DB 段为铜杆,横截面面积242101mm A ⨯=,弹性模量a GP E 1002=,kN F 1000=, 试求上、下端反力及各段横截面上的应力。
(25分)二、题二图所示阶梯状圆轴,已知:直径D =22mm ,d =18mm ,若[ τ ]=300MPa ,试求许可的最大外力偶矩Me 。
(25分)三、题三图所示外伸梁,已知分布载荷集度q 和尺寸a ,作出悬臂梁的剪力图和弯矩图,并确定剪力和弯矩的最大值。
(20分)四、题四图所示为一应力状态,试求其主应力,并画出主应力单元体。
若该单元为正方形单μ,试求其对角长元体(边长为1cm),已知材料的弹性模量E = 200GPa,泊松比3.0=度的改变量l∆。
(20分)五、题五图所示截面为40 mm×5 mm的矩形截面直杆,受轴向拉力F = 12kN作用,现将σ,(1) 计算切口许杆件一侧开一切口,如图所示。
已知材料的许用应力[]a100MP=可的最大深度,并画出切口处截面的应力分布图。
(2) 如在杆的另一侧切出同样的切口,试计算切口处截面的正应力。
(20分)六、如题六图所示拐轴位于水平面内,受铅垂载荷 P1 以及水平载荷 P2 的共同作用,已知:kN P 201=, kN P 102=,mm l 1501=,mm l 1402=,[]a MP 160=σ。
试按第四强度理论确定圆轴AB 的直径。
(20分)七、如题七图所示结构中,AB 杆为直径mm d 80=的圆截面杆,BC 杆为正方形截面杆,边长为70mm 。
AB 和BC 杆可以独立发生弯曲变形并且互不影响;两杆的弹性模量同为a GP E 200=,比例极限同为a P MP 160=σ;已知 m l 3=,稳定安全系数5.2=w n ,求许可载荷 P 。
精心整理江苏科技大学学年第二学期材料力学试题(A 卷)题号一二三四五六总分一、选择题(20 得分分)A1和1、图示刚性梁 AB 由杆 1 和杆 2 支承,已知两杆的材料相同,长度不等,横截面积分别为A2,若载荷 P 使刚梁平行下移,则其横截面面积()。
A、A1〈A2B、A1 〉 A2C、A1=A2D、A1、A2为任意2、建立圆周的扭转应力公式τρ=Mρ ρ/Iρ 时需考虑下列因素中的哪几个?答:()题一、 1(1)扭矩 M T与剪应力τρ的关系 M T=∫AτρρdA(2)变形的几何关系(即变形协调条件)(3)剪切虎克定律(4)极惯性矩的关系式I T=∫Aρ2dAA、( 1)B、( 1)( 2)C、( 1)( 2)( 3)D、全部3、二向应力状态如图所示,其最大主应力σ1=()A、σB、2σ号C、3σ学D、4σ题一、 34、高度等于宽度两倍 (h=2b)的矩形截面梁,承受垂直方向的载荷,若仅将竖放截面改为平放截面,其它条件都不变,则梁的强度()A、提高到原来的 2 倍B、提高到原来的 4 倍C、降低到原来的 1/2 倍D、降低到原来的1/4 倍5.已知图示二梁的抗弯截面刚度EI 相同,若二者自由端的挠度相等,则 P1/P2=()A、2题一、 5B、4C、8D、16二、作图示梁的剪力图、弯矩图。
(15分)二题三、如图所示直径为 d 的圆截面轴,其两端承受扭转力偶矩 m 的作用。
设由实验测的轴表面上与轴线成 450方向的正应变,试求力偶矩 m 之值、材料的弹性常数 E、μ均为已知。
(15 分)四、电动机功率为 9kW,转速为 715r/min ,皮带轮直径 D=250mm,主轴外伸部分长度为l=120mm,主轴直径 d=40mm,〔σ〕 =60MPa,用第三强度理论校核轴的强度。
( 15 分)三题五、重量为 Q 的重物自由下落四在题图图示刚架 C 点,设刚架的抗弯刚度为 EI,试求冲击时刚架D 处的垂直位移。