数控铣工培训资料
- 格式:pptx
- 大小:17.76 MB
- 文档页数:8
数控铣床工培训课件一、介绍数控铣床工培训课件是一种专门针对数控铣床工培训的课程资料,它包含了操作数控铣床所必需的理论知识和实践技能。
本课件以图文并茂的方式,详细介绍了数控铣床的原理、操作方法、加工工艺以及安全规范等方面的知识,旨在帮助学员全面掌握数控铣床的操作技能,提高加工效率和质量。
二、课件内容1、数控铣床基础知识本部分内容包括数控铣床的定义、分类、组成及工作原理等,帮助学员了解数控铣床的基本概念和特点。
2、数控铣床操作方法本部分内容包括数控铣床的开机、关机、手动操作、程序输入与编辑、刀具补偿设置、加工参数设置等,帮助学员掌握数控铣床的基本操作方法。
3、加工工艺及实例本部分内容以图文并茂的方式,介绍了常用材料的加工特性、加工工艺流程、切削用量选择等,同时给出了典型零件的加工实例,帮助学员深入理解数控铣床的加工工艺和技巧。
4、安全规范及防护措施本部分内容介绍了数控铣床操作过程中的安全规范、事故预防及应急处理等方面的知识,帮助学员了解操作数控铣床过程中需要注意的安全事项。
三、教学方法本课件采用图文并茂的方式,结合实际案例进行讲解,使学员更容易理解和掌握相关知识。
同时,课件中还设置了练习题和模拟试题,帮助学员巩固所学知识并进行自我检测。
四、总结数控铣床工培训课件是数控铣床工培训的重要资料之一,它包含了丰富的理论知识和实践技能,旨在帮助学员全面掌握数控铣床的操作技能,提高加工效率和质量。
通过本课件的学习,学员可以更好地了解数控铣床的工作原理和操作方法,掌握加工工艺和技巧,同时提高安全意识,为今后的工作打下坚实的基础。
绞车工是矿业、建筑、水利、电力等行业中不可或缺的重要岗位。
绞车工的技术水平直接关系到工程的安全、质量和效率。
为了提高绞车工的技术水平,保证工程的安全、质量和效率,本文将重点介绍绞车工的培训课件。
对绞车设备进行定期检查和维护,及时发现并解决设备故障;熟悉工程图纸和施工方案,了解施工进度和要求;理论授课:通过讲解、演示、图示等方式,使学员全面了解绞车设备的结构、原理和操作方法;实践操作:让学员在模拟操作和实际操作中掌握绞车设备的操作技巧和维护方法;互动讨论:组织学员进行讨论,分享经验,提高技术水平;案例分析:通过分析实际案例,使学员了解绞车设备故障的原因和处理方法。
数控中级铣工培训资料(Ⅰ)一、数控铣床操作基本知识1. 数控铣床开机及回原点一、开机打开外部电源开关,启动机床电源,将操作面板上的紧急停止按钮右旋弹起,按下操作面板上的电源开关,若开机成功,显示屏显示正常,无报警。
二、机床回原点机床只有在回原点之后,自动方式和MDI 方式才有效,未回原点之前只能手动操作。
一般在以下情况需要进行回原点操作,以建立正确的机床坐标系:1、开机后;2、机床断电后再次接通数控系统电源;3、超过行程报警解除以后;4、紧急停止按钮按下后。
回原点操作过程如下:1、选择手动回原点模式;2、调整进给速度倍率开关于适当位置;3、先按下坐标轴的正方向键+Z ,坐标轴向原点运动,当到达原点后运动自然停止,屏幕显示原点符号,此时坐标显示中Z 机械坐标为零;4、依次完成X 或Y 轴回原点,最后是回转坐标回原点,即按+Z 、+X 、+Y 、+A 的顺序操作。
2. 回参考点有什么意义如何进行回参考点的操作?回参考点有什么意义?自动回参考点有什么要求?答:1)手动回参考点的操作步骤如下:(1)确保机床通电且与PC电脑联机完成(已启动控制软件),将机床操作面板上的工作方式开关置于手动回参考点的位置上。
(2)分别按压+X、+Y、+Z轴移动方向按钮一下,则系统即控制机床自动往参考点位置处快速移动,当快到达参考点附近时,各轴自动减速,再慢慢趋近直至到达参考点后停下。
(3)到达参考点后,机床面板上回参考点指示灯点亮。
回参考点意义是确立机床坐标系。
自动回参考点通常是先提刀,并回Z轴参考点位置,再回X、Y轴参考点位置。
3. 数控铣床关机手动操纵机床,使工作台和主轴箱停在中间适当位置,先按下操作面板上的紧急停止按钮,再依次关掉操作面板电源、机床总电源、外部电源。
4. 数控铣床手动控制一、主轴控制1、点动在手动模式下,按下主轴点动键, 则可使主轴正转点动。
2、连续运转在手动模式下,按下主轴正、反转键,主轴按设定的速度旋转,按停止键主轴则停止,也可以按复位键停止主轴。
《数控铣工》培训大纲一、说明1.课程的性质和内容本课程是数控技术专业的一门专业主干课程,它以数控铣床为对象,使学生较全面地了解数控铣床的基本知识与核心技术,掌握数控铣床铣削加工编程方法、掌握数控铣床操作技能、学习数控系统的控制原理及数控铣床的维修技能。
学生掌握数控机床的基本原理和基础知识,学会合理地选用组成数控机床切削参数,培养学生达到正确使用数控铣床的能力。
2.课程的任务和要求任务:使学生掌握数控铣床的结构、工作原理、编程方法及数控铣床的操作技能,为以后从事相关工作打下基础。
通过本课程的学习,学生应达到以下要求:1、掌握数控铣床的特点、工作原理;2、掌握数控铣床的机械结构特点;3、掌握数控铣床的手工编程方法;4、了解数控系统的基本组成及软、硬件工作原理;5、掌握数控铣床的基本操作和操作要点。
二、学时分配三、课程内容及要求色子制造包任务一:数控铣床认知、维护与保养教学地点:一体化教室、实训车间任务目标:1、能按照机械加工车间安全防护规定,正确穿戴劳保用品,严格执行安全操作规程。
2、能描述数控铣床的组成、结构、功能,指出各部件的名称和作用,并能正确规范操作数控铣床。
3、能查阅数控铣床保养规定,保养数控铣床,填写保养记录。
任务内容:1、车间现场管理制度及数控铣床安全操作规程2、数控铣床的主要技术参数、功能与加工范围3、数控铣床的维护、保养方法任务二:铣平面教学地点:一体化教室、实训车间任务目标:1、能规范安装数控铣床刀具2、能根据加工要求,运用适当对刀方法,正确建立工件坐标系任务内容:1、数控铣床坐标系的建立2、铣削平面程序编制方法3、程序的模拟、检查与优化任务三:色子六面加工教学地点:一体化教室、实训车间任务目标:1、掌握六面体零件的加工顺序和基准面的选择方法。
2、掌握垂直面和平行面的铣削方法及分析铣削中出现的质量问题和注意事项。
任务内容:1、工艺分析。
2、铣六面。
信笺笔座制作包任务一:分析图样教学地点:一体化教室、实训车间任务目标:1、能够识读零件图样,明确图样中的加工信息2、能根据三角函数及相关数学知识计算零件图样中的基点坐标任务内容:1、机械制图相关知识复习2、金属材料知识3、配合精度要求任务二:工艺准备教学地点:一体化教室、实训车间任务目标:1、能正确选择夹具与刀具2、能制定加工工步,正确填写配合件零件加工工艺卡3、能够估算出零件加工时间任务内容:1、数控铣床夹具、刀具知识学习2、工艺卡片的填写任务三:编程与模拟加工教学地点:一体化教室、实训车间任务目标:1、能绘制刀具路径图2、能正确运用刀具半径补偿指令编制零件加工程序3、能够按照要求仿真模拟零件加工操作任务内容:1、程序的编制2、刀具半径补偿指令的使用3、通过观察刀具路径判断程序正误并进行程序调整任务四:内、外轮廓加工教学地点:一体化教室、实训车间任务目标:1、在加工过程中,能严格按照操作规程操作数控铣床,按制定的工艺卡和工步完成零件加工2、在数控加工过程中出现程序报警时,能查阅机床操作手册,明确报警原因,解除报警3、能选择合适的量具、量仪规范测量和记录形位误差,并分析超差产生的原因任务内容:1、配合件数控铣加工工作计划的制定方法2、配合件基准的确定方法3、配合件数控铣削加工工艺的编制方法4、加工工时的预估方法任务五:成果展示与评价教学地点:一体化教室、实训车间任务目标:1、能积极展示学习成果,在小组的讨论中总结和反思,提高学习效率2、能按规定,整理现场,保持工作环境周围清洁任务内容:1、小组成员及组员之间积极讨论2、学生自评,互评分油阀体制作包任务一:零件加工任务分析教学地点:一体化教室、实训车间任务目标:1、根据图纸及工期要求,确定加工可能性。
数控加工中心、铣床新手培训手册一、背景介绍随着制造业的快速发展,数控加工中心、铣床等机械设备在加工行业中扮演着越来越重要的角色。
然而,这些设备的操作和维护需要一定的专业知识和技能。
为了帮助新手熟练掌握数控加工中心、铣床的操作技术,我们为大家准备了这份新手培训手册,希望能够帮助大家快速入门并成为优秀的操作员。
二、数控加工中心、铣床基础知识1.数控加工中心与铣床的概念和区别数控加工中心是一种集机械、电子、液压、气动、信息技术于一体的高精密、高自动化水平的加工设备,可以自动完成铣削、钻孔、攻丝等工序。
而铣床是一种用刀具在工件上面切削金属的机床,是常用的一种加工设备。
2.数控加工中心、铣床的结构和工作原理了解数控加工中心、铣床的结构和工作原理,包括主要的机床部件、刀具系统、控制系统等,以便于后续的操作技能培训。
3.工艺参数和程序编写需要了解加工工件的尺寸、形状、加工精度要求等工艺参数,并学会编写数控加工中心、铣床的加工程序。
三、数控加工中心、铣床的操作技能1.设备开机与关机的操作规程进行设备开机、关机前的检查工作,防止因操作不当导致的事故。
2.机床的操作流程将学员带进数控加工中心、铣床的操作界面,逐步学习设备的操作流程和操作技巧,包括各种操作按钮的功能、数控系统的操作等。
3.加工工件的换刀和夹紧包括工件夹紧的方法和技巧、刀具换刀的程序和注意事项等。
4.数控加工中心、铣床的常见故障排除方法学习设备常见故障的识别和排除方法,以及故障维修时的安全操作规程。
四、数控加工中心、铣床的维护保养技能1.设备的日常保养学习设备的日常保养和润滑技巧,延长设备的使用寿命。
2.设备的定期维护学习设备的定期维护项目和方法,保证设备的稳定性和精度。
3.设备的安全操作规程和事故应急处理学习设备的安全操作规程和事故应急处理方法,确保操作人员的人身安全。
五、结语数控加工中心、铣床是制造业中的重要设备,掌握好这类设备的操作技能和维护保养技能对于提高生产效率和产品质量非常重要。
数控铣工高级21.装配图的技术要求中不应该包括()。
A、指定装配方法B、装配后的检验方法C、重要零件的技术要求D、使用环境22.( )是推力调心滚子轴承。
A、图1B、图2C、图3D、图423.在机床上改变加工对象的形状、尺寸和表面质量,使其成为零件的过程称为()。
A、机械加工工艺过程B、工序C、工步D、工位24.由于难加工材料的切削加工均处于高温高压边界润滑摩擦状态,因此,应选择含()的切削液。
A、极压添加剂B、油性添加剂C、表面添加剂D、高压添加剂25.三爪自定心卡盘内的平面螺旋误差造成工件定位误差属于()引起的基准位移误差。
A、定位表面和定位元件之间有间隙B、工件定位基准制造误差C、定位元件误差D、定位机构误差26.一个零件以垂直于Z轴的底平面和平行于Y轴的右侧面外加一个短削边销组合定位,该削边销的方向应该()。
A、在Y方向B、与X轴成45°C、在X方向D、任意方向27.用两顶尖装夹工件时,可限制()。
A、三个移动三个转动B、三个移动两个转动C、两个移动三个转动D、两个移动两个转动28.圆偏心夹紧机构的缺点是()。
A、夹紧、松开速度慢B、夹紧力小C、自锁性较差D、结构复杂29.主程序与子程序有区别的一点是子程序结束指令为()(FANUC系统、华中系统)。
A、M98B、M99C、M17D、M30 30.在G18平面中采用极坐标方式编程时,用()指定角度(FANUC系统)。
A、XB、YC、ZD、R31.指定坐标旋转角度时,5°54’的角度时编程时应以()表示(FANUC系统)。
A、5°54’B、5.54°C、5.06°D、5.9°32.孔加工循环中,()到零件表面的距离可以设定在一个有安全间隙的高度上(FANUC系统、华中系统)。
A、初始平面B、R平面C、孔底平面D、零件表面33.用户宏程序是指含有()的程序(FANUC系统、华中系统)。
模块一数控铣床基础知识项目一认识数控铣削机床及选用课堂教学安排二、数控铣床或加工中心的选择1.数控铣床或加工中心的类型选择不同类型的数控铣床或加工中心,项目二认识数控铣削刀具及铣削加工特点课堂教学安排模块二数控铣床的差不多操作训练项目一数控铣床差不多操作课堂教学安排项目二认识数控铣床的对刀及刀具补偿课堂教学安排6.作业及辅导:布置下次提问的考虑题,及课后练习题。
对考虑题、习题难点、要求进行辅导。
(3) G40、G41、G42指令格式三、讨论:X、Y向对刀的实质?总结:1、CNC铣床坐标系与工件坐标系的差不;作业及辅导:1、CNC铣床坐标系的规定?图2-1刀具左半径补偿指令G41,右半径补偿指令G42项目二认识数控铣床的对刀及刀具补偿教学后记课堂中讨论内容的安排,活跃了教学气氛,激发学生学习兴趣,增强了学生的思维分析能力。
学生掌握程度良好,然须在后续教学中进一步加强巩固。
课堂教学安排教学过程要紧教学内容及步骤1.复习及提问提问上一讲学习的要紧内容。
2.引入:3.新课内容:逐步完成本次教学内容的讲授。
引入:数控车床对刀及补偿设置。
新课内容:(3) G40、G41、G42指令格式刀具半径补偿指令的格式如下:G00/G01 G41/G42 X~Y~D~;G00/G01 G40 X~Y~;其中:G41为左偏置刀具半径补偿指令,G42为右偏置刀具半径补偿指令。
G40 取消刀具半径补偿。
如图2-1所示,当沿着刀具前进方向看,刀具中心在零件轮廓左边时为左偏置,刀具中心在零件轮廓右边时为右偏置。
(4)半径补偿的建立、执行和撤销在轮廓加工过程中,刀具半径补偿的执行过程一般分为刀具半径补偿的建立、刀具半径补偿的执行和刀具补偿撤销三步。
如图2-2,用半径补偿功能编写轮廓加工程序。
设φ24立图2-1刀具左半径补偿指令G41,右半径补偿指令G42a、G41 建立半径补偿b、G40取消半径补偿2-2半径补偿建立和取消。
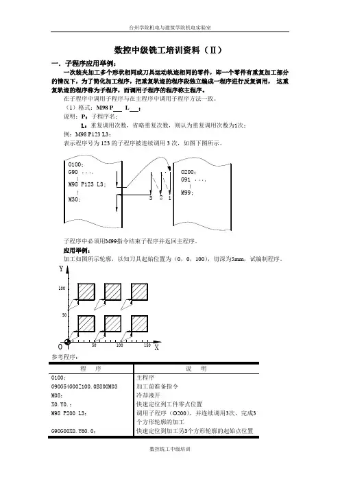
数控中级铣工培训资料(Ⅱ)一.子程序应用举例:一次装夹加工多个形状相同或刀具运动轨迹相同的零件,即一个零件有重复加工部分的情况下,为了简化加工程序,把重复轨迹的程序段独立编成一程序进行反复调用,这重复轨迹的程序称为子程序,而调用子程序的程序称主程序。
在子程序中调用子程序与在主程序中调用子程序方法一致。
(1)格式:M98 P L ;说明:P:子程序名;L:重复调用次数,省略重复次数,则认为重复调用次数为1次;例:M98 P123 L3;表示程序号为123的子程序被连续调用3次,如图下图所示。
子程序中必须用M99指令结束子程序并返回主程序。
应用举例:加工如图所示轮廓,以知刀具起始位置为(0,0,100),切深为5mm,试编制程序。
参考程序:相关知识点:●在使用子程序编程时,应注意主、子程序使用不同的编程方式。
一般主程序中使用G90指令,而子程序使用G91指令,避免刀具在同一位置加工。
●当子程序中使用M99指令指定顺序号时,子程序结束时并不返回到调用子程序程序段的下一程序段,而是返回到M99指令指定的顺序号的程序段,并执行该程序段。
编程举例:: 如图1-6所示。
主程序; ┇┇N18 ┇ M30;子程序; ┇M99 P18;图1-6 M99顺序号的指定子程序执行完以后,执行主程序顺序号为18的程序段。
思考:铣平面程序的如何编制;二、镜像功能G50.1,G51.1应用格式:G51.1 X__Y__Z__;M98 P_G50.1 X__Y__Z__;式中:G51.1建立镜像;G50.1取消镜像;X、Y、Z镜像位置;当工件相对于某一轴具有对称形状时,可以利用镜像功能和子程序,只对工件的一部分进行编程,而能加工出工件的对称部分,这就是镜像功能。
当某一轴的镜像有效时,该轴执行与编程方向相反的运动。
G50.1,G51.1 为模态指令,可相互注销,G51.1为缺省值。
应用举例:使用镜像功能编制如图1-6所示轮廓的加工程序,已知刀具起点为(0,0,100)处。
中级数控铣工理论知识辅导资料一、单项选择1. 职业道德是指从事一定职业劳动的人们,在长期的职业活动中形成的(A)。
A、行为规范B、操作程序C、劳动技能D、思维习惯2. 在企业的经营活动中,下列选项中的(B)不是职业道德功能的表现。
A、激励作用B、决策能力C、规范行为D、遵纪守法3. 企业文化的功能不包括(D)。
A、激励功能B、导向功能C、整合功能D、娱乐功能4. 职业道德与人的事业的关系是(C)。
A、有职业道德的人一定能够获得事业成功B、没有职业道德的人不会获得成功C、事业成功的人往往具有较高的职业道德D、缺乏职业道德的人往往更容易获得成功5. 对待职业和岗位,(D)并不是爱岗敬业所要求的。
A、树立职业理想B、干一行爱一行专一行C、遵守企业的规章制度D、一职定终身,不改行6. 市场经济条件下,(A)不违反职业道德规范中关于诚实守信的要求。
A、通过诚实合法劳动,实现利益最大化B、打进对手内部,增强竞争优势C、根据服务对象来决定是否遵守承诺D、凡有利于增大企业利益的行为就做7. 下列事项中属于办事公道的是(D)。
A、顾全大局,一切听从上级B、大公无私,拒绝亲戚求助C、知人善任,努力培养知己D、坚持原则,不计个人得失8. 企业员工违反职业纪律,企业(C)。
A、不能做罚款处罚B、因员工受劳动合同保护,不能给予处分C、视情节轻重,做出恰当处分D、警告往往效果不大9. 企业员工在生产经营活动中,不符合平等尊重要求的是(C)。
A、真诚相待,一视同仁B、互相借鉴,取长补短C、男女有序,尊卑有别D、男女平等,友爱亲善10. 关于创新的论述,不正确的说法是(D)。
A、创新需要“标新立异”B、服务也需要创新C、创新是企业进步的灵魂D、引进别人的新技术不算创新11. 下列说法正确的是(A)。
A、比例是指图样中图形与其实物相应要素的线性尺寸之比B、比例是指图样中图形与其实物相应要素的尺寸之比C、比例是指图样中实物与其图形相应要素的线性尺寸之比D、比例是指图样中实物与其图形相应要素的尺寸之比12. 当平面倾斜于投影面时,平面的投影反映出正投影法的(C)基本特性。
2024数控铣工培训计划
一、数控铣床基础知识
数控铣床的基本概念、特点和分类。
数控铣床的组成和工作原理。
数控铣床的安装、调试和维护。
二、铣削原理与刀具知识
铣削原理:铣削力、铣削方式、切削参数等。
刀具材料:硬质合金、高速钢、陶瓷等。
刀具的几何参数:切削刃、前角、后角、主偏角等。
刀具的磨损和寿命:磨损形式、磨损原因、提高寿命的措施等。
三、机械加工工艺与编程
机械加工工艺基础:工艺过程、工艺规程、加工余量等。
数控编程基础:编程语言、编程规则、编程技巧等。
数控铣床编程实例:平面轮廓加工、型腔加工、孔加工等。
四、实际操作与技能训练
安全操作规程:人身安全、设备安全等。
操作技能训练:手动操作、自动编程操作等。
技能考核标准与考核方式。
五、高级技术与实践
数控铣床的高级功能:多轴加工、五轴联动加工等。
复杂零件的加工工艺:曲面加工、模具加工等。
实践案例分析:典型零件的加工工艺与编程等。
六、质量管理与实践
质量管理的概念和原则:全面质量管理、质量管理的发展历程等。
质量控制的方法和工具:统计过程控制、抽样检验等。
质量管理
体系的建立与实施:ISO9000系列标准等。
持续改进和提高:质量改进的基本方法、质量改进的过程等。
书名:数控铣床操作基本技能(短期培训)书号: D46-6787ISBN : 978-7-5045-6787-1定价:¥12.00随书附赠光盘:内容简介:本书是职业技能短期培训教材,由劳动和社会保障部教材办公室组织编写。
本书内容涉及数控铣削加工过程、机床及装备知识、数控铣床的操作、数控铣削加工工艺基础、编程规范、指令应用及编程方法等。
本书内容充实,实用性强,图文并茂,通俗易懂。
通过本书的学习,学员在基本知识及操作技能上可达到初级技术工人应知、应会的要求,且能运用这些知识和技能解决生产中的有关问题。
本书由李红军、陈平主编,王鹏、姜聪参编,王虹主审。
章节目录:第一单元数控铣削加工基础模块一数控机床基本概述模块二数控铣床的特点和典型数控系统简介单元练习第二单元数控铣床加工基础模块一加工工艺文件的填写模块二数控铣削加工工艺方案单元练习第三单元数控铣削编程基础知识模块一数控铣削编程规则模块二机床的坐标系及常用的编程指令单元练习第四单元数控铣床基本操作模块一数控铣床的面板操作模块二FANUC 0i系统铣床控制面板介绍模块三数控铣床的基本操作方法单元练习建立工件坐标系及刀具补偿第五单元轮廓加工模块一加工工艺的确定模块二直线指令的应用模块三圆弧插补指令单元练习“S”字母的加工第六单元刀具半径补偿指令的应用模块一刀具半径补偿指令模块二刀具半径补偿的应用单元练习倒“C”形凸台的加工第七单元刀具长度补偿指令的应用模块一刀具长度补偿指令模块二刀具长度补偿的应用单元练习型腔的加工第八单元钻孔加工模块一加工工艺的确定模块二钻孔指令单元练习垫块的加工第九单元镗孔加工模块一加工工艺的确定模块二镗孔指令单元练习固定套的加工第十单元螺纹加工模块一加工工艺的确定模块二螺纹加工指令单元练习四孔螺纹零件的加工第十一单元子程序应用模块一加工工艺的确定模块二子程序加工指令单元练习盖板的加工书名:数控铣床操作技能考核培训教程(初级)—职业技能培训教材书号: J62-6193ISBN: 978-7-5045-6193-0定价:¥35.00随书附赠光盘:内容简介:本书将数控铣床初级技能考核培训的范围和内容作了一个简明的叙述。