钢材取样标准
- 格式:doc
- 大小:54.50 KB
- 文档页数:5
钢材取样标准和检测方法咱今儿就来唠唠钢材取样标准和检测方法这档子事儿。
你说这钢材啊,那可真是建筑界的大功臣呐!就好比咱家里盖房子,要是钢材质量不行,那房子不就跟纸糊的似的,风一吹就倒啦?所以啊,这取样标准和检测方法可得整明白了。
先说这取样吧,就跟挑水果似的,你得会挑。
可不是随便拿一块就成的。
得在钢材的不同部位取,就像吃苹果,你不能光咬一口就说这苹果甜不甜,得这儿咬一口那儿咬一口,综合判断嘛!而且取样的时候还得小心,别把钢材给弄伤了,不然检测出来的数据能准吗?这就好比你量身高,你踮着脚量,那能是你真实身高吗?检测方法呢,那就更有讲究啦。
就像医生给咱看病,得各种检查都来一遍。
什么拉伸试验啦,看看钢材能拉多长;硬度试验啦,瞧瞧钢材硬不硬;还有化学成分分析呢,这就好比看看钢材身体里都有啥营养成分。
你说要是这些都不检测,咱能放心用这钢材吗?那不是给自己找麻烦嘛!咱举个例子哈,你想想,要是建大桥用的钢材不合格,那大桥建一半塌了咋办?那可不是闹着玩的呀!这得关乎多少人的性命呐!所以说,这钢材取样标准和检测方法可不能马虎,这是大事儿!再比如说造汽车,那钢材质量不好,车开着开着散架了咋办?这多吓人呐!咱可不能拿自己的生命开玩笑不是?所以啊,从钢材的源头就得把好关,取样要严格,检测要仔细,一个环节都不能出错。
这钢材取样和检测啊,就像是给钢材做体检。
只有体检合格了,才能让它上岗工作呀!咱可不能让那些病恹恹的钢材来捣乱不是?这就要求咱负责取样和检测的人得认真负责,不能敷衍了事。
你想想,要是因为你的不认真,导致用了不合格的钢材,那后果得多严重啊!总之呢,钢材取样标准和检测方法是非常重要的,这可关系到咱们生活中的方方面面。
从高楼大厦到小桥流水,从汽车轮船到日常用品,哪儿都离不开钢材。
咱可得把好这道关,让钢材发挥出它最大的作用,为咱们的生活添砖加瓦呀!这可不是闹着玩的,这是实实在在的事儿,咱得重视起来呀!你说是不是这个理儿?。
钢筋原材取样标准
钢筋是混凝土结构中的重要构件,其质量直接影响到混凝土结构的安全性和稳定性。
为了确保钢筋的质量,必须严格按照标准进行取样。
钢筋原材取样标准主要包括取样地点、取样数量、取样方法和取样记录等内容。
首先,取样地点应选择在原材料堆放地或者是运输途中的中间站点进行。
在取样地点,应该避免选择有明显锈蚀、变形或者其他异常情况的钢筋进行取样。
同时,取样地点应该尽可能代表整个批次的原材料情况,以保证取样的代表性。
其次,取样数量应符合国家标准的要求。
一般来说,每批原材料应至少取样3份,每份样品的长度应不少于1m。
在取样时,应该避免人为因素对取样数量进行减少,保证取样数量的充分性和代表性。
取样方法是保证取样质量的关键环节。
在取样过程中,应该使用专业的取样工具,避免出现切口不整齐、变形或者其他影响取样质量的情况。
取样时,应该避免对钢筋表面造成损伤,以免影响后续的检测和评定。
最后,取样记录是取样工作的重要环节。
在取样过程中,应该对取样地点、数量、方法和时间等信息进行详细记录,并在取样样品上做好标识。
取样记录应该由专业人员进行审核和签字确认,以确保取样工作的真实性和准确性。
总之,钢筋原材取样标准的严格执行对于保证钢筋质量具有重要意义。
只有通过严格的取样工作,才能保证后续的检测和评定工作的准确性和可靠性,从而保证混凝土结构的安全性和稳定性。
希望相关单位和人员能够严格按照标准要求执行取样工作,共同维护混凝土结构的安全。
钢筋的取样
钢材的取样
一、钢筋的取样试验
(一)钢筋
1.检验标准:
钢筋原材试验应以同厂别、同炉号、同规格、同一交货状
态、同一进场时间每60t为一验收批,不足60t时,亦按一验收批计算。
2.取样数量:
每一验收批中取试样一组(2根拉力、2根冷弯、1根化学)。
低碳钢热轧圆盘条时,拉力1根。
3.取样方法:
⑴试件应从两根钢筋中截取:每一根钢筋截取一根拉力,
一根冷弯,其中一根再截取化学试件一根,低碳热轧圆盘条
冷弯试件应取自不同盘。
(25/45,30/50)
⑵试件在每根钢筋距端头不小于500mm处截取。
⑶拉力试件长度:7d0+200mm。
⑷冷弯试件长度:5d0+150mm。
⑸化学试件取样采取方法:
1)分析用试屑可采用刨取或钻取方法。
采取试屑以前,
应将表面氧化铁皮除掉。
钢筋原材送检取样规范篇一:钢筋原材料取样要求钢筋原材料取样要求根据《混凝土结构工程施工质量验收规范》(GB50204-2002),《钢筋焊接及验收规程》(JGJ18-2003),《钢筋机械连接通用技术规程》(JGJ107-2003),《预应力筋锚具、夹具与连接器应用技术规程》(JGJ85-2002),《钢筋混凝土用钢第1部分:热轧光圆钢筋》(GB1499.1-2007,《钢筋混凝土用钢第2部分:热轧带肋钢筋》(GB1499.2-2007)),《钢筋混凝土用余热处理钢筋》(GB13014-1991),《碳素结构钢》(GB/T700-2006),《冷轧带肋钢筋》(GB13788-2000),《预应力混凝土用钢绞线》(GB/T 5224-2003),钢筋、焊接件及连接件的取样规定为:(一)热轧光圆钢筋1、组批规则(二)以同一牌号、同一炉罐号、同一规格、同一交货状态,不超过60吨为一批。
(三)2、取样方法1(四)1)尺寸、重量:测量钢筋重量偏差,试样应从不同根钢筋上截取,数量不少于5支,每支试样长度不小于500mm,尺寸逐支测量。
(五)2)物理性能:(六) 任选两根钢筋上切取,拉伸、冷弯各切取两个试样;(七)在切取试样时,应将钢筋端头的500mm去掉后再切取。
(八) (二)碳素结构钢1、组批规则以同一牌号、同一炉罐号、同一品种、同一尺寸、同一交货状态,不超过60吨为一批。
(九)2、取样方法:(十) 1)尺寸、重量:测量钢筋重量偏差,试样应从不同根钢筋上截取,数量不少于5支,每支试样长度不小于500mm,尺寸逐支测量。
(十一)(十二)(十三)(十四)2(十五) 2)物理性能: 任选两根钢筋上切取,拉伸、冷弯各切取两个试样; 在切取试样时,应将端头的500mm去掉后再切取。
(三)冷轧带肋钢筋 1、组批规则(十六) 冷轧带肋钢筋每批以同一牌号、同一炉罐号、同一品种、同一尺寸、同一交货状态,不超过60吨为一批。
一、钢材原材料1、取样数量:拉伸1个,冷弯1个(优质碳素结构钢仅拉伸2个)冲击试样3个布氏硬度试件3个(优质碳素结构钢)2、取样要求:长度>500mm,厚度b,(试样加工成宽厚比不超过8:1)冲击试样制成V型缺口尺寸为10*10*55布氏硬度试件100*100*板厚,表面平坦光滑,无氧化皮、外界污物。
油脂二、钢材焊接(板、管对接接头)1、取样数量:试件厚度<14mm,拉伸2个,面弯2个,背弯2个;试件厚度≥14mm,拉伸2个,侧弯4个2、取样要求:板厚d<25mm,焊缝方向长度>400mm;焊缝垂直方向>400mm板厚d≥25mm,焊缝方向长度>600mm;焊缝垂直方向>500mm冲击试样焊缝中心及热影响区各3个三、扭矩系数1、取样数量:高强度大六角螺栓取≥8套连接副2、取样要求:螺栓长度≥3d(d为直径)四、抗滑移系数1、取样数量:每2000t为一批,每批去三组试样2、取样要求:试件钢板厚度t1(2块)、t2(2块)由工程中代表性板材厚度确定,板宽见下表,t1板五、预拉力1、取样数量:扭剪型高强度螺栓取≥8套连接副2、取样要求:螺栓长度≥3d(d为直径)六、螺栓实物最小拉力荷载1、取样数量:每一规格螺栓抽查8个2、取样要求:七、螺栓楔负载1、取样数量:每一规格螺栓抽查8个2、取样要求:八、焊接球节点拉、压承载力1、取样数量:拉、压承载力个3个试件2、取样要求:按设计指定规格的球及其匹配的钢管焊接成试件九、螺栓球节点抗拉强度1、取样数量:3个试件十、施工终拧扭矩大六角:节点10%抽查,且不少于10个,每个抽查节点按螺栓抽查10%,不少于2个。
扭剪型:节点10%抽查,且不少于10个,抽查节点梅花头为拧掉的扭剪型高强度螺栓连接副全数进行。
钢材力学及工艺性能试验取样规定GB2975-1982本标准适用于轧制、锻制、冷拉和挤压钢材的拉力、冲击、弯曲、硬度和顶锻等试验的取样。
也可供其它力学及工艺性能试验取样时参考。
如产品标准或双方协议对取样板另有规定时,则按规定执行。
1样坯的切取1.1样坯应在外观及尺寸合格的钢材上切取。
1.2切取样坯时,应防止因受热、加工硬化及变形而影响其力学及工艺性能。
1.2.1用烧割法切取样坯时,从样坯切割线至试样边缘必须留有足够的加工余量,一般应不小于钢材的厚度或直径,但最小不得少于20mm。
对厚度或直径大于60mm的钢材,其加工余量可根据双方协议适当减小。
1.2.2冷剪样坯所留的加工余量可按下表选取:2样坯切取位置及方向2.1对截面尺寸〈图1的D和a〉小于或等于6Omm的圆钢、方钢和六角钢,应在中心切取拉力及冲击样坯;截面尺寸大于60mm时,则在直径或对角线距外端四分之一处切取,如图1所示。
2.2样坯不需热处理时,截面尺寸小于或等于40mm的圆钢、方钢和六角钢,应使用全截面进行拉力试验。
当试验机条件不能满足要求时,应加工成GB228-76《金属拉力试验法》中相应的圆形比例试样。
2.3样坯需要热处理时,应按有关产品标准规定的尺寸,从圆钢、方钢和六角钢上切取。
2.4应从圆钢和方钢端部沿轧制方向切取弯曲样坯,截面尺寸小于或等于35mm时,应以钢材全截面进行试验。
截面尺寸大于35mm时,圆钢应加工成直径25mm的圆形试样,并应保留宽度不大于5mm的表面层,方钢应加工成厚度为2Omm并保留一个表面层的矩形试样,如图2所示。
2.5应从工字钢和槽钢腰高四分之一处沿轧制方向切取矩形拉力、弯曲和冲击样坯。
拉力、弯曲试样的厚度应是钢材厚度,如图3所示。
2.6应从角钢和乙字钢腿长以及T形钢和球扁钢腰高三分之一处切取矩形拉力、弯曲和冲击样坯,如图4所示。
2.7应从扁钢端部沿轧制方向在距边缘为宽度三分之一处切取拉力、弯曲和冲击样坯,如图5所示。
钢材弯曲试样取样要求
钢材弯曲试样取样是一项关键的实验工作,用于评估钢材的材料性能和弯曲强度。
为了确保结果的准确性和可靠性,以下是钢材弯曲试样取样的要求:
1. 取样位置:根据实验要求,在钢材中选择合适的取样位置。
应该避免选择具
有明显缺陷、异质性或其他损害的区域。
2. 取样数量:根据实验要求,确定所需的取样数量。
通常情况下,至少需要三
个试样进行多次测试和结果的平均计算。
3. 取样方法:采用标准化的取样方法,确保取样的精确和一致性。
常用的方法
包括钳夹法、机械剪切法或刨削法。
4. 取样尺寸:根据实验要求和标准规定,确定取样的尺寸。
通常,取样的宽度
和厚度应符合标准规范。
5. 取样处理:对取样进行适当的处理,以确保取样的平整和无明显的表面缺陷。
可以采用砂纸磨光、清洗或其他方法进行处理。
6. 取样记录:在取样过程中,确保做好详细的记录,包括取样位置、数量、方法、尺寸和处理等信息。
这有助于保持实验的可追溯性和结果的准确性。
钢材弯曲试样取样的要求对于确保实验结果的准确性和可重复性至关重要。
只
有遵循标准规范和科学原则,才能获得可靠的试验数据,从而进一步评估钢材的性能和适用性。
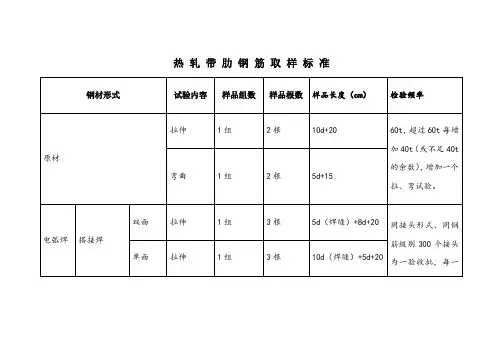
钢筋检测的取样及取样要求钢筋混凝土结构用筋检测内容和使用要求:1,检测内容(1)钢材进场时,应按现行国家标准的规定抽取事件作用力学性能检测,其质量必须符合有关标准规定。
取样要求:1取样数量和批量(1)热轧带肋钢筋每批由同一牌号、同一炉罐号、同一规格的钢筋组成。
每批重量通常不大于60t。
每批钢筋应做2个拉伸试验、2个弯曲试验。
超过60t的部分,每增加40t(或不足40t的余数),增加1个拉伸试样和1个弯曲试样。
(2)热轧光圆钢筋每批由同一牌号、同一炉罐号、同一尺寸的钢筋组成。
每批重量通常不大于60t。
每批钢管应做2个拉伸实验、2个弯曲试验。
超过60t的部分,每增加40t(或不足40t的余数),增加1个拉伸试样、1个弯取试样。
(3)余热处理钢筋每批与重量不大于60t的同一牌号、同一炉罐号、同一规格、同一交货状态的钢筋组成。
每批钢筋应做2个拉伸试验、2个弯取试验。
(4)碳素结构钢每批由重量不大于60t的同一牌号、同一炉罐号、同一等级、同一品种、同一尺寸、同一交货状态的钢筋组成。
用《碳素结构钢》(GB/T700-2006)验收的直条钢筋每批应做1个拉伸试验、1个弯曲试验。
(5)冷轧钢筋每批由同一牌号、同一外形、同一规格、同一生产工艺和同一交货状态的钢筋组成,每批不大于60t。
逐盘或逐捆做1个拉伸试验,牌号CRB550每批做2个弯曲试验,牌号CRB650批号及以上每批做2个反复弯曲试验。
2 试样长度拉伸试样和弯取试样长度根据试样直径和所使用的设备确定。
日常使用参考长3 取样方法(1)拉伸和弯曲试验的试样可在每批材料中任选两根钢筋切取,钢筋试样不需做任何加工。
(2)上海市规定凡是表面轧上牌号标志的带肋钢筋,见证取样时截取的热轧带肋钢筋样品应当带有表面标志。
钢筋焊接接头件检测内容和使用要求1检测内容(1)在施工现场,应按国家规定标准,抽取焊接接头作力学性能检验,其质量应符合有关规程的规定,(2)闪光对接焊头每批应进行拉结和弯曲检测。
钢筋取样标准(一)热轧钢筋1、组批规则以同一牌号、同一炉罐号、同一规格、同一交货状态,不超过60吨为一批。
2、取样方法拉伸检验:任选两根钢筋切取。
两个试样,试样长500mm。
冷弯检验:任选两根钢筋切取两个试样,试长度按下式计算:L=1.55*(a+d)+140mm式中:L—试样长度a—钢筋公称直径d—弯曲试验的弯心直径;按下表取用钢筋牌号(强度等级) HPB235(Ⅰ级) HRB335 HRB400HRB500公称直径(mm) 8~20 6~25 28~50 6~25 28~50 6~25 28~50弯心直径d 1a 3a 4a 4a 5a6a 7a在切取试样时,应将钢筋端头的500mm去掉后再切取。
(二)低碳钢热轧圆盘条1、组批规则以同一牌号、同一炉罐号、同一品种、同一尺寸、同一交货状态,不超过60吨为一批。
2、取样方法:拉伸检验:任选一盘,从该盘的任一端切取一个试样,试样长500mm。
弯曲检验:任选两盘,从每盘的任一端各切取一个试样,试样长200mm。
在切取试样时,应将端头的500mm去掉后再切取。
(三)冷拔低碳钢丝1、组批规则甲级钢丝逐盘检验。
乙级钢丝以同直径5吨为一批任选三盘检验。
2、取样方法从每盘上任一端截去不少于500mm后,再取两个试样一个拉伸,一个反复弯曲,拉伸试样长500mm,反复弯曲试样长200mm。
(四)冷轧带肋钢筋1、冷轧带肋钢筋的力学性能和工艺性能应逐盘检验,从每盘任一端截去500mm以后,取两个试样,拉伸试样长500mm,冷弯试样长200mm。
2、对成捆供应的550级冷轧带肋钢筋应逐捆检验。
从每捆中同一根钢筋上截取二个试样,其中,拉伸试样长500mm,冷弯试样长250mm。
如果,检验结果有一项达不到标准规定。
应从该捆钢筋中取双倍试样进行复验。
(五)钢筋焊接接头的取样A、取样规定[根据《钢筋焊接及验收规程》(JGJ18-2003)]1、钢筋闪光对焊接头取样规定a 在同一台班内,由同一焊工完成的300个同牌号、同直径钢筋焊接接头应作为一批。
钢材检验试样取样方法
1,2,(3)号试棒
(A,B,C,D/E位置)
(3),4,5,6号试棒
(A,B位置)
7—X号试棒
(A位置)
钢材试样坯料取样示意图
注:A-E只代表位置,不需标识。
A、B、C位置为片状试样,
D、E位置为棒状试样。
取样细则规定如下:
1.钢材试样坯料取样数量
每个冶炼炉号至少于不同捆材料中取3只试棒坯料作为分析用。
原则上,小于等于10吨料取3只样,大于10吨者每增加(1-10)吨增取1只样,即:(11-21) 吨取4只样; (21-31) 吨取5只样;依次类推。
所取试样坯料编上序号XX-1,2,3……,同时在被取材料上必须编写上相同的序号,以便校对、复样。
2.试样制取与加工方法
试样坯料采用气割方法取下,所取试样检测面与气割面间的距离
不少于100mm,试样距坯料端面20mm的一段须切除掉。
按A、B、C、D、E位置分别用锯床落料,及时在所取试样上正确地记上原编号。
按钢材试样加工图纸制取试样。
3.常见钢材各检测项目试样位置与坯料尺寸
A、B、C位置为片状试样,分别用于光谱分析或成份分析取样屑、低倍、硬度和金相试样的制取。
D、E位置为棒状试样,分别用于制取淬透性、机械性能试样。
4.复样的制取方法
钢材经检验某项目超标,需重新取样检验,称之为复样。
复样须在首次取样的原钢材上截取,复样要取双份试样,取样编号在原编号后加尾号“2/3”。
钢筋检测取样标准钢筋是混凝土结构中的重要构件,其质量直接关系到整个建筑物的安全性和稳定性。
因此,对于钢筋的检测取样工作非常重要。
本文将介绍钢筋检测取样的标准及相关注意事项。
首先,钢筋检测取样的标准主要包括以下几个方面:1. 取样位置,在进行钢筋检测时,需要根据设计图纸和实际施工情况确定取样位置。
一般来说,应该选择离结构表面较远的位置进行取样,以确保取样的准确性和代表性。
2. 取样数量,根据相关标准规定,钢筋的取样数量应该符合一定的比例,以确保检测结果的可靠性。
一般来说,每个批次的钢筋取样数量不得少于3根,并且应该在同一位置进行取样。
3. 取样方法,钢筋的取样方法包括手工取样和机械取样两种。
在进行取样时,需要确保取样工具的清洁和钢筋表面的无损伤,以避免对检测结果产生影响。
4. 取样标识,在进行钢筋取样时,需要对取样位置进行标识,并记录取样的时间、地点、数量等相关信息,以便后续的检测工作。
除了以上几点标准外,钢筋检测取样还需要注意以下几个方面的问题:1. 取样工具,在进行钢筋取样时,需要选择合适的取样工具,确保取样的准确性和安全性。
同时,取样工具需要定期进行清洁和维护,以确保其正常使用。
2. 取样过程,在进行钢筋取样时,需要严格按照相关标准和规定进行操作,确保取样的准确性和可靠性。
同时,需要注意避免因操作不当而对钢筋造成损伤。
3. 取样记录,在进行钢筋取样时,需要及时记录取样的相关信息,并确保取样位置的准确标识,以避免后续工作中的混淆和错误。
综上所述,钢筋检测取样是建筑工程中非常重要的一环,其标准和注意事项直接关系到建筑物的安全性和稳定性。
因此,在进行钢筋检测取样工作时,需要严格按照相关标准和规定进行操作,确保取样的准确性和可靠性。
同时,需要注意及时记录取样的相关信息,并对取样工具进行定期清洁和维护,以确保取样工作的顺利进行。
钢材理化试样取样规程一、取样数量:组批:由同一材质、同一品种规格、同一供应商/生产商、同一到货时间/地点,二、取样尺寸:1、拉伸试样首次取样:(单位:工为t=25。
2、加工要求:⑴气割后自然冷却、清渣,不可水冷或风冷;⑵厚度、宽度应保证左端到右端一致,误差小于0.5mm;⑶弯曲试样应至少保留一个原表面,不得划伤;⑷试样剪切后呈弧形,上液压机压平,批锋应小于0.5mm;⑸钢管试样取母材呈弧形,上液压机压平;取中间焊缝样,不压平。
3、试样应用白色油性笔写明材质(Q235/Q345/20#)、规格(长度/厚度/直径);若相同规格 1两个供方供货,应写明供方。
三、取样位置:一、型钢/钢板/钢管拉伸、弯曲试样加工要求:单位:mm1、钢材厚度t≤25,剪切或气割加工试样;钢材厚度t>25,气割加工试样,厚度方向气割或锯床加工为t=25。
2、加工要求:⑴气割后自然冷却、清渣,不可水冷或风冷;⑵厚度、宽度应保证左端到右端一致,误差小于0.5mm;⑶弯曲试样应至少保留一个原表面,不得划伤;⑷试样剪切后呈弧形,上液压机压平,批锋应小于0.5mm;⑸钢管试样取母材呈弧形,上液压机压平;取中间焊缝样,不压平。
3、试样应用白色油性笔写明材质(Q235/Q345/20#)、规格(长度/厚度/直径);若相同规格两个供方供货,应写明供方。
二、圆钢拉伸试样加工要求:d=25mm 单位:50≤D8080 40外,d=25,除车床加工小径>;圆钢直径,车床加工小径≤、圆钢直径1D50d=25D50 还应加工大径。
D=50 2、加工要求:⑴气割取样后自然冷却、清渣,不可水冷或风冷;⑵加工大径表面宜粗2(Q235/Q345/ 糙,便于夹具夹持;⑶试样应用白色油性笔写明材质直径);若相同规格两个供方供货,应写明供方。
20#/40Cr)、规格(力学试验重取样规定为了不影响生产进度,力学试验第一次抽样检验不合格,对第二次加倍抽样检查取样规定如下:理化室通知仓库重取样坯钢材,仓库应在不同的捆扎重取样坯,并做好标识,重取样坯及试样尺寸和数量如下:1. 角钢×角钢100mm的,用气割取两条样坯角钢(长度300mm(1)对角钢边宽度大于等于,报验给理化2个试样如图D边宽度b)图A; 其中一条角钢用气割或剪切制成×角钢边宽度b)交给理化室。
常用钢材型钢钢产品取样要求公司标准化编码 [QQX96QT-XQQB89Q8-NQQJ6Q8-MQM9N]常用钢材、钢产品取样要求1钢管进场检测程序隧道工程中所用的管棚、超前小导管等钢管类原材必须进行进场检验,其质量应符合国家有关标准规定及设计要求。
所有进场型钢必须进行检验,合格方可投入使用。
按以下方法取样加工成试件后,送试验室进行试验检测相应国家标准《结构用无缝钢管》,GB/T 8162-2008《输送流体用无缝钢管》,GB/T 8163-2008《低压流体输送用焊接钢管》GB3901-2008《直缝电焊钢管》GBT 13793-2008取样方法、检验数量、检验频率以同牌号、同炉罐号、同规格、同交货状态,外径不大于76mm,并且壁厚不大于3mm的钢管400根为一批;外径大于351mm钢管,50根为一批;其他尺寸的钢管200根为一批;剩余钢管的根数,如不少于上述规定的50%,则单独列为一批;如少于上述规定的50%时,可并入同牌号、同炉罐号、同规格的相邻一批中。
表1 钢管检验项目序号检验项目取样数量试件长度备注1拉伸试验每批在两根钢管上各取一个试样不小于450mm抗拉强度、屈服点、断后伸长率2弯曲试验每批在两根钢管上各取一个试样不小于450mm 对于外径不大于22mm的钢管可做弯曲试验3压扁试验每批在两根钢管上各取一个试样不小于450mm 对于外径大于22~400mm并且壁厚与外径比值不大于10%的钢管应进行压扁试验4扩口试验每批在两根钢管上各取一个试样不小于450mm对壁厚不大于8mm的钢管可做扩口试验图中符合2型钢进场检测程序所有进场型钢必须进行检验,合格方可投入使用。
按以下方法取样加工成试件后,送试验室进行试验检测。
抽样批量、抽样抽取数量和抽取方法2.1.1每批交货的型钢必须附有证明该批型钢符合标准要求和订货合同的质量证明书。
按批进行检查和验收。
2.1.2每批由同一牌号、同一炉罐号、同一等级、同一品种、同一尺寸、同一交货状态、同一进厂时间的钢材组成。
钢筋取样标准及数量规范
一、概述
钢筋取样是钢材质量管理的重要环节,主要目的是确保生产制造出来的钢筋质量控制
在规定范围内,进而确保在未来的施工中不会造成损害,特别是在高精尖的施工中,有助
于保证施工质量,另外,对于大规模工程,大量使用钢材,也有助于确定和控制钢材质量,保证工程质量。
二、钢筋取样标准
1.取样规定
所使用的钢筋的取样,按照GB 567等标准规定,根据生产厂家的规定,按照取样实
际情况进行钢筋取样,以保证钢筋的质量控制在规定范围内,确保施工质量。
2.取样实施
(1)每批钢筋取样,每种规格钢筋抽取10件,全部手工抽取,取样数量按钢筋的重
量进行统计;
(2)钢筋表面应洁净无灰尘,取样实施人员不得使用刷子擦拭,以免污染表面;
(3)每件钢筋取样取抽的长度以50cm为宜,不得小于45cm,相关取样材款;
(4)每批取样完毕后,应在取样证上记录日期,标记质量情况,作为钢筋质量变更
的查询凭据。
三、钢筋数量规范
1.大型工程钢筋
对于大型行业及公共建设、水利水电等工程,应当按照国家或行业相关标准数量规格
进行钢筋采购,比如拱坝工程钢筋取样900公斤以上每100公斤必须取样检验,其他规模
工程也应该符合相应规范要求;
2.中小型工程钢筋
对于中小型工程,其钢筋数量也应符合相应标准,比如普通建筑工程21mm直径的钢
筋的平均能重是用于砼标准中每立方米砼混凝土混凝土把楼板需要1.5吨;
3.在钢筋用量上,在按照有关规定的情况下,比较常见的结构钢筋使用量也有一定的
规范,比如落坑支撑模板混凝土中把直径20mm钢筋使用量标准是2.7kg/m3,把钢筋使用
量是2.2kg/m3,其他结构也有类似标准指标。