结构件通用检验规范
- 格式:docx
- 大小:59.85 KB
- 文档页数:7
类 别■新制定 □修订 □废止版次A1页次1/6修订记录版本修 订 日 期 核准审查制订A1 2016年 11 月 3日年 月 日 1、目的建立通用的检验规范,明确钣金结构件产品验收标准,尽量量化缺陷标准,增强参考性和可操作性,为来料检验以及供应商出货检验提供统一的依据,从而确保产品的质量。
2、适用范围1)本标准规定德为产品对钣金结构件的质量要求。
对外观部分进行了质量分级,请按相应质量要求选用。
2)本标准为通用标准,对于零件的特殊要求应按检验指导书要求执行。
3)本标准分为:一、表面喷涂验收标准(1级、2级、3级)二、电镀验收标准三、丝网印刷验收标准 根据产品的具体情况,这些标准可以单独或组合起来应用。
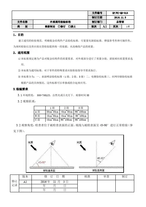
3.检验要求3.1环境照度: 300-700LUX ,自然光或日光灯下。
观察时间5S 3.2观察距离:3.2观察角度:检查者位于被检查表面的正面、视线与被检表面呈45-90°进行正常检验(参见下图)。
1级 2级 3级 A 面 30cm~35cm 40cm~50cm 90~100cm B 面 40cm~50cm 40cm~50cm 90~100cm C 面 40cm~50cm 90~100cm 90~100cm类别■新制定□修订□废止版次A1 页次2/6修订记录版本修订日期核准审查制订A12016年11 月3日年月日4.缺陷定义:Note.1 Note.2 Note.3点状缺陷:线状缺陷:当L>2W时按Note.2d=(a+b)/2 W: width, L:length,当L≤2W时按Note.15.字母定义L:长度,W:宽度,d:直径,D:缺陷间的距离,N:缺陷数量,ΔE:色差值。
6.验收标准6.1表面喷涂验收标准序号检验项目检查面1级2级3级工具1 色差A、B、C ΔE≤1.0 ΔE≤1.5 ΔE≤3.0 色板、色差仪2 涂膜光泽、纹理A、B、C 对比色板,无明显差异目视、色板3 附着力A、B、C 百格测试,剥离面积不可有超过总体面积5%以上。
煤机结构件通用检验规范1 范围本规范规定了液压支架焊接结构件通用检验要求。
本规范适用于液压支架焊接结构件在制造和检验过程中应达到的基本要求。
本规范规定了液压支架结构件等级划分界定标准。
本规范是在MT/T 587—1996的基础上,根据机安郑州分公司的具体情况而制定,未涉及到部分仍按MT/T 587—1996《液压支架结构件制造技术条件》执行。
2 规范性引用文件GB/T 324 焊缝符号表示法GB/T 8110-1995 气体保护焊用碳钢、低合金钢焊丝GB/T 14693 焊缝无损检测符号GB/T 11336 直线度误差检测GB/T 11337 平面度误差检测MT/T 587-1996 液压支架结构件制造技术条件3术语3.1 在0°~25°倾斜煤层使用的液压支架叫缓倾斜液压支架;在25°~45°倾斜煤层使用的液压支架叫大倾斜液压支架;在45°~60°倾斜煤层使用的液压支架叫急倾斜液压支架。
3.2 定位板:对保证结构件拼焊尺寸起关键作用的筋板即为定位板。
定位板上起定位作用的尺寸称为定位尺寸。
3.3 未熔合:熔焊时,焊道与母材之间或焊道与焊道之间,未能完全熔化结合的部分叫未熔合。
未熔合的原因是:焊接规范不恰当,电流过大,熔敷金属堆积太快,焊枪摆动角度(或幅度)、焊接速度不合适,使母材或上次焊道未熔化,造成熔化的熔敷金属与未熔化的母材粘接在一起,而形成未熔合。
3.4 咬边:在沿着焊趾的母材部位,烧熔形成凹陷或沟槽的现象叫咬边。
大功率电弧高速焊时,强大的电弧力把熔池金属猛烈地排向尾部,并在那里迅速地凝固,熔池金属没有均匀地分布在整个焊缝宽度上,形成咬边。
这种现象限制了焊速的提高。
3.5 焊缝种类:(1)按焊缝的空间位置可分为:纵向焊缝——沿支架(结构件)长度方向的焊缝;横向焊缝——沿支架(结构件)宽度方向的焊缝;环形焊缝——沿直线过渡到圆弧或沿圆弧的焊缝;(2)按在结构件上的具体位置可分为:里焊缝——结构件箱体内部焊缝;表面(外)焊缝——结构件箱体外部焊缝;(3)按焊缝的常见形状可分为:角焊缝,塞焊缝、V型焊缝、Y型焊缝;(常称作平焊缝)型焊缝Y(4)按焊接方式可分为:环形焊缝——由直线过渡到圆弧或沿圆弧的焊缝;多层多道焊缝(排焊缝)——焊肉多次分层焊接成形的焊缝;( 排焊 )多层多道焊4 检验要求4.1 切割下料的检验要求4.1.1 下料前应进行钢板的表面处理(即除锈及去除氧化皮)。
钣金结构件检验通用标准1.目的规范钣金结构件的检验标准,以使各过程的产品质量得以控制。
2.适用范围本标准适用于各种钣金结构件(设备防护、电控柜等)的检验,图纸和技术文件并同使用。
当有冲突时,以技术规范为准。
3.引用标准本标准的尺寸未注单位皆为mm,未注公差按以下国标IT13级执行GB/T1800.3-1998 极限与配合标准公差和基本偏差数值表GB/T1800.4 -1998 极限与配合标准公差等级和孔、轴的极限偏差表GB/1804-2000 一般公差未注公差的线性和角度尺寸的公差未注形位公差按GB/T1184 –1996 形状和位置公差未注公差值执行。
4.原材料检验标准(我司有权对厂家生产用原材料进厂抽检)4.1金属材料4.1.1钣材厚度及质量应符合国标,采用的钣材需出示性能测试报告及厂商证明。
4.1.2 材料外观:平整无锈迹斑痕,无开裂与变形。
4.1.3尺寸:按图纸或技术要求执行,本司未有的按现行国标执行。
4.2通用五金件、紧固件4.2.1外观:表面无绣迹、无毛刺批锋,整批来料外观一致性良好。
4.2.2尺寸:按图纸与国标要求,重要尺寸零缺陷。
4.2.3性能:试装配与使用性能符合产品要求。
5.钣金结构件加工工序质量检验标准5.1下料检验标准5.1.1钣金件表面平整,加工处无毛刺、凸起、裂纹等。
表一、平面度公差要求表面尺寸(mm) 变形尺寸(mm)3以下±0.2以下大于3小于30 ±0.3以下大于30小于315 ±0.5以下大于315小于1000 ±1.0以下大于1000小于2000 ±1.5以下大于2000小于3150 ±2.0以下5.2.1除特别注明外,折弯内圆角为R1。
5.2.2压印:看得到有折痕,但用手触摸感觉不到(可与限度样板相比较)。
5.2.3折弯检验尺寸的选取原则(如图)5.2.3.1 L型表二一次折弯的折弯高度尺寸未注公差值(单位:mm)基本尺寸分段≤30 >30~120 >120~500>500~1000>1000未注公差值±0.2 ±0.3 ±0.5 ±0.8 ±1.0a).压死边的折弯尺寸的未注公差值如图,尺寸H3的未注公差值为(+0.5~0),尺寸H4未注公差值±1。
机械结构件检验规范(IATF16949/ISO9001-2015)1.0目的本文件目的是确保公司产品质量,有效的提高供应商的合格率,及减少不合格品流入生产、终检的作业过程。
2.0适用范围本文件适用于机械原材料、钣金件、机械加工件、标准件的进货检验工作。
3.0定义无4.0职责质量管理部负责本文件的执行。
5.0作业内容5.1检验准备工作。
5.1.1根据送检通知单,备好所须图纸。
5.1.2熟悉并掌握待检产品的纸图型号、尺寸要求、技术要求、工艺要求。
5.1.3备好检验工具如:卷尺、游标卡尺、高度尺、直角尺、万能角度尺、平台等。
5.2检验过程5.2.1须严格按照设计图纸、工艺、国标进行检验。
5.2.1.1检查钣金件、机械加工件的物料编号与送检单上的物料编号是否统一。
5.2.1.2外观检验如下表:板材敷铝锌钣喷漆结构件电镀件铜排检验要求对于表面不作任何处理的敷铝锌板:表面须无刮伤、料裂、严重变形、残留毛刺等现象,且表面保护膜进厂前须去除。
对于表面喷漆的结构件,须喷漆色泽均匀,无起泡、刮伤、料裂、变形等现象。
对电镀零部件,表面电镀须不能有明显针眼、暇疵、凹坑或电镀不全、镀层脱落现象。
铜排表面须色泽光亮、无划痕及刮伤现象。
5.2.1.3材料检验:依据图纸、材质报告检验各零部件的材料是否正确,如下表:材质铜排敷铝锌钣喷漆件、电镀件检验要求对于比较关键的铜排,须外协产家提供材质报告,检验人员须审查材质报告内容:铜排的材质、精度等级、导电率、纯度、表面硬度、抗拉强度等关键技术参数。
敷铝锌钣外观相当美观,在检验时若发现颜色很黑,说明此材质是放得时间非常久的边角料,若此零部件是安装在柜体外面如:侧板、顶底封板、门板等,检验员可判材质不合格,退回供应商。
对于喷漆件、电镀件须外协产家提供检验报告;检验人员须审查此报告的完整性。
1、特别是喷件漆,漆的型号;电镀件镀层材质;这两个参数在相应报告中须完整体现。
2、漆层、镀层厚度、及其附着力等关键参数报告中也须完整体现。
结构件检验标准本帖被 tandongchi 执行锁定操作(2008-07-27)结构件检验标准1、目的:用以规范和统一产品注塑、喷涂工艺标准,维护产品注塑、喷涂、电镀质量,指导生产人员和QA检验人员的依据。
2、适用范围:本标准建立了移动电话的注塑喷涂工艺质量标准,适用于移动电话产品的注塑喷涂质量检验,用于规范和统一产品喷涂外观检查标准。
3、编制依据:《可靠性试验程序》、《手机外观检验标准》、《QA 结构测试标准》4、测量面定义:A面:用户在使用经常看到和十分介意的表面,如:手机翻盖前、后面,键盘面和天线B面:除去A面的所有表面C面:用户在使用中看不到的表面,如:机壳内表面5、缺陷定义5.1 注塑件缺陷定义:点缺陷:具有点形状的缺陷,测量时以其最大直径为尺寸。
异色点:在产品表面出现的颜色异于周围的点。
凹凸点:由于模具的损坏等原因造成塑料件表面上出现的高低不平。
颗粒:在喷漆件表面上附着的细小颗粒。
缩水:当塑料熔体通过一个较薄的截面后,其压力损失很大,很难继续保持很高的压力来填充在较厚截面而形成的凹坑。
熔接线:塑料熔体在型腔中流动时,遇到阻碍物(型芯等物体)时,熔体在绕过阻碍物后不能很好的融合,而在塑料件的表面形成一条明显的线。
顶白:由于塑料件的包紧力大,顶杆区域受到强大的顶出力,所产生的痕迹或白印。
白化:因脱模应力关系产生的注塑件表面或背面或筋、柱、槽、墙刻印等部位的发白的印记。
破裂:因内应力或机械损伤而造成在塑料件表面上的裂纹。
油渍:在塑料件表面残留的油污。
翘曲及变形:塑料件成型时由于受力不均或应力而造成塑料件的形变。
飞边:由于注塑工艺或模具原因,造成在塑料件的边缘分型面处所产生的废边。
细碎划痕:由于摩擦或滑划而造成产品表面留下点、线或块状的轻度残留线印记,目测看不出深度。
硬划痕:由于摩擦或滑划而造成产品表面留下点、线或块状的损伤。
碰伤:由于碰撞而造成产品表面有明显可视的缺损、变形或凹坑。
气泡:由于原料在成型前充分干燥,水分在高温的树脂中气化而形成气泡。
结构料检验标准编号:QC-JG-XXXX-XX 版本: XX 1、目的本规范规定了本公司产品配套的结构外壳件、装饰件等部件的检验、试验技术要求及测试方法。
采购、研发及质量等部门在选择供应商时必须要考虑本规范要求的测试条件和测试设备,优先选择具备相应测试能力的供应商。
2、范围2.1 适用于福建科立讯通信产品配套的结构外壳件、装饰件等部件的质量监控,确保部件质量的可靠性和稳定性。
2.2 任何新的项目,供应商都需要完整的按照本标准进行检查、验证测试,并提供报告。
2.3 按照本标准测试样品必须是自动线体生产或具备量产性,任何手动制作的样品不能用于测试。
2.4 已经通过科立讯通信电子技术验收测试正式签样的项目,如果出现任何工程变更,包含但不限于油漆颜色变化、光泽变化、油漆型号变化、底材变化、生产制程变化等,必须同步通知科立讯通信,按照相关协议要求,用PCN形式批准通过后,并按照本标准进行全面测试,提供测试报告给科立讯通信。
2.6、当本标准与客户标准发生冲突时,以客户标准为准。
3、职责3.1 SQE负责制定文件。
3.2 各代工厂IQC、供应商负责按照此文件内容执行检验、测试。
3.3供应商提供完整的外观、功能、可靠性及包装检验报告。
4、引用标准4.1 定义4.1.1 Critical Defect,致命缺陷:对产品使用者人身与财产安全构成威胁的缺陷;4.1.2.Major Defect,主要缺陷:影响产品正常使用并对外观和产品形象产生严重影响的缺陷;4.1.3.Minor Defect,次要缺陷:对产品外观产生轻微影响的缺陷,两个次要缺陷算一个主缺陷;4.1.4.Acceptable Defect,可接受缺陷:可以接受的缺陷,在产品制程质量评估时使用,在产品出货抽样检验中仅供参考;4.1.5.段差:两个零件装配面理论设计为零偏差,由于加工有误差,实际装配面所产生的错位现象;4.1.6.顺段差: 在正常使用时,正视使用面所看不到的段差;4.1.7.逆段差: 在正常使用时,正视使用面所看到的段差;4.1.8.封样,Golden Sample,也称为签样板:由设计、研发、质量等部门签名认可的、用于确认和鉴别各种订制结构件来料批量供货质量的样品;一般可分为ID颜色样板、结构样板、标准样板和外观/颜色限度样板。
钣金构造件外观检查规范目录1 目旳 ......................................................................................................................... 错误!未定义书签。
2 合用范围 ................................................................................................................. 错误!未定义书签。
3 术语 ......................................................................................................................... 错误!未定义书签。
4外观表面等级定义.................................................................................................. 错误!未定义书签。
4.1 1级表面................................................................................................... 错误!未定义书签。
4.2 2级表面................................................................................................... 错误!未定义书签。
4.3 3级表面................................................................................................... 错误!未定义书签。
新版结构件、五金件外观检验标准结构件和五金件质量标准:1。
目的旨在规范结构件和五金的检验工作,明确检验内容和要求,有效控制材料质量,确保满足生产需要二。
范围适用于公司所有结构件和五金件的进货检验三。
取样计划采用GB/T2828.1-2003的单次取样,检验等级(IL)和接收质量(AQL)应遵循以下规定:项目四的外观、尺寸和性能。
定义4.1平面:指整机装配后的前表面和上表面(使用时可以直接看到的表面);4.2 B面:指整机组装后的侧面(视线偏转45 ~ 90度时才能看到的四周)4.3 C平面:指整机组装后的背面和底面(正常使用时看不到的背面和底面)4.4 △E(DELTA-E):人眼在均匀的颜色感知空间中感受色差的测试装置当△E为1.0时,人眼可以感觉到颜色的变化。
当客户指定或接受某种颜色时,该测试方法被用作确保颜色一致性的措施。
4.5毛刺:由于机械冲压或切割而在机加工零件的边缘或分型面上产生的金属毛刺,且未进行适当处理4.6划痕:由于加工或包装和运输过程中保护不当造成的产品表面划痕或碎裂4.7不均匀切割:由于加工过程中产品定位不当或设备固定不当,导致产品边缘切割不均匀4.8变形:加工设备调整不当或材料内应力造成的产品平面变形检验等级(IL) II S-2S-2验收质量限值(AQL) 0.65 1.5 1.5 4.9氧化锈:由于相应的防锈处理失败或处理后处理措施不当,产品表面出现锈斑4.10尺寸偏差:由于加工设备精度不够,产品尺寸偏差超过设计允许水平。
4.11“角度r”过大:由于弯曲或冲压设备精度不够,产品的弯曲曲线过大。
4.12表面凹痕:由于热处理不良或材料生锈导致内部杂质在金属表面形成的凹痕4.13圆角不够:切割或冲压产品切割边缘产生的锐边未加工成圆弧,容易导致割手4.14焊疤:产品焊接后未经打磨或抛光的残留凸起疤痕。
4.15色差:产品表面颜色与标准样品颜色不同4.16色差点:产品表面出现与周围颜色不同的颜色点4.17破裂:因加工损伤造成的产品裂纹或微小裂纹4.18点蚀:细小颗粒附着在喷涂零件的表面4.19油漆堆积:喷涂零件表面的局部油漆堆积4.20阴影:喷涂零件表面颜色比周围区域更暗的区域4.21外露底部:喷涂部分的局部油漆太薄,无法显示基底的颜色4.22鱼眼:由于溶剂挥发速度不正确,喷涂部位表面出现凹痕或凹坑 4.23溢油:超出规定的喷洒区域4.24脱皮:产品表面的涂层脱落4.25色差:产品表面颜色与标准样品颜色不同4.26光泽度:产品表面的光泽度不同于标准样品4.27指纹:产品表面的指纹4.28硬刮:由于硬物的摩擦,产品表面有明显深度的划痕(用指甲刮有明显的感觉)4.29柔软划痕:无明显深度的划痕(无手感,但肉眼可见)4.30羊毛丝:产品表面出现细尘丝V.检验条件5.1外观检验条件5.1.1光源:在反向散射自然照明或物体距离光源0.65~1.0m的40W 荧光灯下5.1.2视距:300-500mm5.1.3视角:检测面与人眼方向成45° ~ 90°5.1.4可视时间:5 ~ 10秒5.2尺寸检验条件5.2.1测量工具:精度为0.01毫米的游标卡尺、精度为0.1毫米的卷尺或钢尺、精度为0.01毫米的塞尺、精度为0.01毫米的塞尺、色度计、精度为0.01毫米的高度规、精度为0.002毫米的横杆规六.检查公共单元代码参考表表1公共单元代码参考表对应于N个代码七的项目/名称的数量。
钢结构件焊接尺寸检验规范一、检验目的二、检验范围焊接尺寸检验主要适用于各类钢结构件的焊接工艺与产品检验,包括焊缝的尺寸、角度、深度、高度、宽度、形状、平直度等方面的检验。
三、检验方法焊接尺寸检验应采取目测和测量相结合的方式进行。
可通过直尺、卡尺、游标卡尺、量规和模板等测量工具进行尺寸检验。
四、检验要求1.焊缝尺寸:焊缝尺寸应符合设计图纸和相关标准的要求。
焊缝的长度、宽度、深度等尺寸应通过测量进行检验。
2.焊缝角度:焊缝的角度应符合设计要求,可使用量规或游标卡尺进行测量。
3.焊缝高度:焊缝的高度应符合设计要求,可使用卡尺或模板进行测量。
4.焊缝宽度:焊缝的宽度应符合设计要求,可使用卡尺或游标卡尺进行测量。
5.焊缝形状:焊缝形状应符合设计要求,可通过目测和目视比较进行检验。
6.焊缝平直度:焊缝的平直度应符合设计要求,可使用直尺或拉线测量检验。
7.焊缝的其他尺寸要求:根据设计要求和相关标准的规定,进行相应尺寸的测量检验。
五、检验记录和报告焊接尺寸检验应进行记录,并制作相应的检验报告。
记录和报告应包括以下内容:1.检验日期、项目和人员;2.检验过程中采用的工具和测量方法;3.检验结果,包括尺寸的具体数值和是否合格;4.不合格项的原因和处理措施;5.检验报告的编写人员和审核人员。
六、检验频率焊接尺寸检验的频率应根据具体情况进行确定。
一般来说,焊接过程中的首件和末件应进行全尺寸检验,中间的过程件应进行抽样检验。
检验频率可根据相关标准和工程质量要求进行规定。
七、结论焊接尺寸检验的结论应根据检验结果进行评定,合格的应标注为“合格”,不合格的应标注为“不合格”。
对于不合格的焊接尺寸,应及时采取相应的处理措施修正。
八、总结。
钣金结构件外观通用检验标准一、范围:本检验规范适应于公司生产的成品、零件的外观检验,作为外观检验的一般要求,本检验包括产品的外观装配、喷涂层的效果等特性,不包括尺寸性能,有关尺寸性能要求请详见各产品图纸的技术要求,另请比对客户签核样品或参照相近的外观现状。
二、外观:1、本标准所述外观包括:1:视觉外观;4:表现喷涂的附着力;3:装配组合性能直边图角的要求。
2、表层分级:A级表面:产品(成品、散件)安装完成后,外露且经常看见的表面。
B级表面:用户操作用日常安装时能看到的组件外表面或柜(箱)体内的表面。
C级表面:由于其它零组件的遮档,用户操作及安装时不能看到的表面。
3、零件大小的定义:三、标准要求:(一):金属表面常见的缺陷定义:1:裂纹:在冲压过程中,在受力不均时产生的裂纹。
2:腐蚀斑点:在热处理或储存过程中,由腐蚀引起板面点状缺陷。
3:折痕:在冲压及折弯机的过程中,边部产生的压折痕迹。
4:压痕:板面受异物挤压撞碰或模具沾有异物而产生凹陷变形。
5:膜层伤:膜层表面划伤,但未伤到底层。
6:伤痕:已伤到底层。
金属表面接受范围:附注:(1):表中L: 表示单个缺陷长度,单位:mm, S表示单个缺陷面积,单位mm2,P表示缺陷的数量,单位个。
(2):上表所列的缺陷个数当在每一表面上超过2个时,每二个缺陷之间的距离必须大于10mm,否则视为同一缺陷面积认其总和计算。
(二):电镀表面常见缺陷的定义:1:浅划伤:膜层表面划伤,但未伤至底层。
2:深划伤:表面膜层划伤,且以伤至底层。
3:水印:电镀因清洗水未及时干澡或干澡不彻底所形成的斑纹,印迹。
4:漏镀:电镀时,因堆积导致的工件部分表面无镀层现象。
5:雾状:镀层表面上的模湖,不清晰,不光泽的现象。
6:砂眼:镀层表面的疏松针孔现象。
7:颗粒:因材料杂质或外来物的影响在表面形成的颗状物与正常表面一致的凸起现象。
电镀件外观缺陷可按以下范围表:(三): 喷涂表面常见缺陷定义:1:附着力:色漆、清漆及有关产品的涂层从底材分离的抗性。
结构件检验指导书产品名称挡板、挡片、面板、支架、散热片、机壳受控章产品型号通用编号版本 A 一、检验依据:项目抽样方案外观检验抽样方案GB/T2828.1-2012特殊检验水平S-2尺寸、结构检验抽样方案GB/T2828.1-2012特殊检验水平S-2公差、偏差抽样方案GB/T1800.3-1998《极限与配合标准公差和基本偏差数值表》轴孔配合抽样方案GB/T1800.4 -1998《极限与配合标准公差等级和孔、轴的极限偏差表》未注公差抽样方案GB/1804-2000《一般公差未注公差的线性和角度尺寸的公差》数量检验抽样方案GB/T2828.1-2012一般检验水平Ⅰ备注:如果物料有多个生产日期或摆放有多层或多列,抽取样品时应分别在不同日期、不同层或不同列之间抽取。
二、检验内容及标准:1定义有一个或一个以上不合格项目的单位产品,称为不合格品。
按不合格类型分为致命不合格品Z类,重不合格品A类、轻不合格品B类。
从交验的合格批中,随机抽取样本。
除非另有规定,抽样方案按GB/T 2828.1中规定的一般检验水平Ⅱ,一次正常检验抽样方案。
—— Z类不合格指根据判断或经验,对产品的使用和维护人员可能造成人身危害或不安全的缺陷。
——A类不合格指可能导致失效或严重降低产品设计使用功能,为任何用户都不能接受的缺陷,AQL= 。
——B类不合格指不会严重降低产品设计功能,为一般用户可以接受的缺陷,AQL= 。
——C类不合格指不会严重降低产品设计功能,为一般用户可以接受的缺陷,AQL= 。
1.1 产品外观表面区域重要度分级——Ⅰ级面区域:前面、顶面——Ⅱ级面区域:侧面——Ⅲ级面区域:底面、机壳内部1.2 检验批合格与不合格的判定——抽取样本中工艺装配质量,安全、电磁兼容检验,发现有一个不合格品,则判定该批产品为不合格批。
——抽取样本中任一类开箱不合格品数大于或等于本规范附录一规定的该类不合格品允收数时,则判该批为不合格批。
统一供应商、客户及我厂内部的外观及结构检验标准,特制订本检验标准。
2.0适用范围:适用于制程、出货、外包的所有机械结构件检测。
3.0职责:
3.1品保部检验员负责来料、制程及出货的检验及记录;
3.2 SCM负责材料的请购、收料、储存及不良的退货处理,同时负责将此规范传达给供应商执行。
4.0定义:
4.1 A级表面:产品在客户处进行安装、操作及日常维护时能看到的表面,以及原材料无需加工的
金属表面;
4.2 B级表面:除A级以外的所有表面。
5.1按照MIL-ST-105E或(GB/T2828.1-2003)一次抽样方案,一般抽样水准II级标准,CR=0,
AQL:MAJ=0.65,MIN=1.5,特殊抽样参照检验水准S-1操作。
5.2 检验条件:
5.2.1温度与湿度:要求温度20℃±5℃;湿度45%-75%
5.2.2检验判定要求:目视检验距离300mm±5mm判定时间5S。
5.3 检验使用工具及文件:
带表卡尺、影像仪、高度仪、千分尺、环规、针规、螺纹规、样板、显微镜,根据实际情况制作的检治具,检验规范、图纸等。
5.4 各类缺陷的判定要求如下表所示:
注明:表中的L表示单个缺陷长度,单位为“mm”;S表示单个缺陷面积,单位为
“平方毫米”,P表示缺陷的数量,单位“个”。
5.5缺陷分类:
CR:致命缺陷: 导致使用者人身安全的不良。
MAJ:严重缺陷:导致功能降低或影响功能及使用的不良。
MIN:轻缺陷:对功能及使用无影响的不良项目。
6.0检验项目及判定标准。
结构件、五金件质量标准:一.目的为规范结构件、五金件的检验作业,明确检验内容和要求,有效管控材料品质,确保满足生产需要。
二.范围适用于公司所有结构件、五金件的进料检验。
三.抽样方案采用GB/T2828.1-2003单次抽样,检查水平(IL)和接收质量(AQL)遵循如下规定:四.定义4.1 A面:指组装成整机后的正前面、上表面(在使用过程能直接看到的表面);4.2 B面:指组装成整机后的侧面(需将视线偏转45°~90°才能看到的四周边)。
4.3 C面:指组装成整机后的背面及底面(正常使用时看不到的背面及底面)。
4.4 △E(DELTA-E):在均匀颜色感觉空间中,人眼感觉色差的测试单位。
当△E为1.0时,人眼就可以感觉到色彩的变化了。
这种测试方法用于当顾客指定或接受某种颜色时,用以保证色彩一致性的量度。
4.5 毛边:由于机械冲压或切割后未处理好,导致加工件边缘或分型面处所产生的金属毛刺。
4.6划伤:由于在加工或包装、运输过程中防护不当导致产品表面出现的划痕、削伤。
4.7裁切不齐:由于产品在加工过程中定位或设备固定不当,导致产品边缘切割不齐。
4.8变形:因加工设备调校不当或材料因内应力而造成的产品平面形变。
4.9氧化生锈:因产品加工后未进行相应防锈处理或处理措施不当,而导致产品表面出现锈斑。
4.10尺寸偏差:因加工设备的精度不够,导致产品尺寸偏差超过设计允许水平。
4.11“R角”过大:产品因折弯或冲压设备精度不够,导致折弯处弧度过大。
4.12表面凹痕:由于材料热处理不好或材料生锈,其内部杂质导致金属表面形成的凹痕。
4.13倒圆角不够:产品裁切边缘因切割或冲压原因产生的锐边未处理成圆弧状,易导致割手。
4.14焊接疤痕:产品焊接后未经打磨刨光而残留的凸起疤痕。
4.15色差:产品表面颜色与标准样品颜色有差异。
4.16异色点:在产品表面出现颜色异于周围颜色的点。
4.17破裂:因机加工损伤而造成产品的裂纹或细小开裂。
大唐联仪科技有限公司质量体系文件结构件通用检验规范(V 1.0)责任人:吴志雄审核:张钢批准:范炬2013 -11 –8发布2013 –11-9 实施大唐联仪科技有限公司发布目录1 范围 (3)2 规范性引用文件 (3)3 检验依据 (3)4 术语与定义 (3)4.1缺陷定义 (3)4.2表面等级定义 (4)5 检验 (5)5.1 检验环境 (6)5.2检验方式 (6)5.3 检验程序 (6)5.4检验内容及方法 (6)5.4.1文件齐套性检验 (6)5.4.2 形状尺寸检验 (7)5.4.3焊接工艺检验 (8)5.4.4装配性能检验 (9)5.4.5外观检验 (9)1 范围本规程规定了结构件产品的通用检验要求和检验方法。
本规程适用于指导各种结构件产品的检验,包括结构零件、结构部件及其他由结构件和非混合组装而成的产品。
本规程适用于各个阶段对于结构件产品实施的检验,包括来料检验、工序检验、整机检验。
本文档为通用文件,当某一或者某些结构件产品有独立成文的检验规范或质量要求时,应以其独立成文的检验规范和质量要求为标准。
2 规范性引用文件下列文件对于本文件的引用是必不可少的,凡是注明日期的标准文件,仅注日期的版本适用于本文件,凡是不注明日期的引用文件,其最新版本(包括所有的修改单)适用于本文件。
GB/T 1.1-2009 标准化工作指导第1部分:标准的结构和编写GB/T 1804-2000 一般公差未注公差的线性和角度尺寸的公差GB/T 1184-96 形状和位置公差未注公差值GB/T 9286-1998 色漆和清漆漆膜的划格试验GB/2828.1-2003 计数抽样检验程序第1部分:按接收质量限(AQL)检索的逐批检验抽样计划3 检验依据本文档为通用文件,当某一或者某些结构件产品有独立成文的检验规范或质量要求时,应按照独立成文的检验规范和质量要求进行合格与否的判定。
DTM 0.006.211 JG 结构件通用检验规范DTM 0.006.215 JG 面板检验规范结构件外检检验标准9.184 术语与定义4.1缺陷定义致命缺陷(CR):有可能危及顾客生命财产安全的缺陷重缺陷(MA):对产品装配或产品使用性能会造成较大影响的缺陷,如:重要尺寸的超差,重要技术要求的不满足,外观件的表面缺陷等。
结构件通用检验规范1、目的:为确保公司物料品质,指导品检人员正常作业,特制定本规范。
2、适用范围:本规范适用于板材类及结构件的品质检验。
3、表面等级分类A级表面:功能面,装配后能直接正视到的外表面。
透明塑胶件也属A级表面。
两面有膜层保护的板材,两面均为A级面。
普通板材类,质量较好的一面属A级面。
B级表面:除A级表面为外的所有表面。
4、检验条件:4、1在自然光或光照度300-600LX的近似自然光下(约40W日光灯下,距离500mm处)相距500mm ,观10秒。
且检查者位于被检查表面的正面,视线与被检表面呈45º-90º进行正常检验。
要求检验者校正视力不低于⒈2。
4、2检验时所使用的仪器的工具量都必须经过正常校验,有校验合格的标示,且在有效期内使用。
5、术语和定义5、1 基材花斑:因基材腐蚀,或材料中的杂质,呀微孔等原因造成的,与周围材质表面不同光泽或粗糙度的斑状花纹外观。
5、2 镀前划痕:电镀或氧化前因操作不当,或对明显缺陷进行人为处理后造成基材上的划伤或磨擦痕迹。
5、3 浅划痕:膜层表面划伤,但未划伤至底层(即底层未暴露);无膜层表面则是:目测明显,手指甲触摸无凹凸感,未伤及材料本体的伤痕。
5、4深划痕:表面膜层划伤,且已伤至底层(即底层已暴露);好无膜层表面则是:目测明显,手指甲触摸有凹凸感,伤及材料本体的伤痕。
5、5凹坑:基材缺陷,或加工过程中操作不当等原因而在材料表面留下的小坑状痕迹。
5、6 烧伤(焦):处理时因操作不当造成表面过热而留下的烧蚀痕迹。
5、7 水印:电镀或氧化后因清水未及时干燥不彻底所形成的斑纹、印迹。
5、8 露白:镀锌钝化膜因磨擦而被去除露出锌层,或因缝隙截留溶液导致的无钝化膜现象,呈现为区别周围的白色。
5、9 露底:无镀层或无涂层覆盖而导致露出基材底色的现象。
5、10 雾状:镀层表面模糊不清晰,不光亮的现象。
5、11 异物:因材料杂质或外来影响,而在表面形成的颜色与正常表面一致或明显不同的现象。
5、12 挂具印:在表面处理过程中,因装挂辅助工具而使其与零件相接触的部位局部无膜层的印痕。
5、13 起泡:因基材或加工工艺的原因,处理后的表面局部有明显的凸起,用手指压可以移动的凸点。
5、14 水纹:塑胶或压铸件成形时,溶液流动产生的条纹。
5、15 缩水:因材料、工艺等原顺使朔胶或压铸件表面出现凹陷的收缩现象。
5、16砂眼:塑胶或压铸件表面疏松、针孔。
5、17 披锋:压铸或塑胶件上浇口残留物取样后的毛刺。
5、18 积油:产品局部涂料喷涂过多的现象。
5、19 涂层剥落:因涂料,开油水附着力差或其它原因造成涂层用手可刮掉的现象。
5、20 划痕:涂层被坚硬物质划伤的痕迹。
5、21 凹痕:基材缺陷在喷涂、丝印或电镀后无法掩盖的痕迹。
5、22线细:丝印文字或图案线条局部未印刷充满而使宽度变小的现象。
5、23欠缺:丝印文字或图案线条局部未印刷上而出现残缺的现象。
5、24 渗透:丝印文字或图案线条出现局部凸出或边缘呈锯齿状的现象。
5、25 油墨飞溅:印刷时油墨飞溅到产品表面形成的斑点。
5、26 溢边:注塑或压铸过程中,充模时熔体从分型面中溢出,冷却时后形成的飞边。
5、27 缺料:注塑或压铸过程中,因工艺原因出现产品局部未完全成型的现象,5、28 翘曲:注塑或压铸时,由于温度应力或材料取向等因素使产品发生的形状翘曲变化。
6、检验项目:6.1、材质:按照图纸要求或客户要求检验。
对于原材料类供应商每批供货时必须提供相应的材质证明资料,否则不予验收。
(材质证明书必须保存一年以上方可销毁)。
6.2、结构尺寸:6.2.1、板材类(冷扎钢板、电解板、不锈钢板类)。
6.2.1.1、长度公差(见表)6.2.1.26.2.1.3、厚度公差(见表)附注:6.2.2、产品类:严格按照图纸公差要求检测,特殊情况以客房签样为准;孔位尺寸客房有特殊要时,用塞棒检测;6.3、颜色检验:6.3.1 镀锌件6.3.1.1 镀彩锌,应是带有绿色、黄色、紫色色彩的光亮彩虹色。
6.3.1.2 白色钝化应是带有光泽的均匀青白色或蓝白色。
6.3.1.3 黑色钝化应是均匀的黑色。
6.3.2 镀铬件:镀层颜色应光亮,稍带有浅蓝色的亮白色,结晶均匀,细致。
6.3.3 镀镍件:镀层颜色应光亮,带有柔和和浅黄色的银白色,结晶均匀,细致连续。
6.3.4喷涂件、塑胶件:按照顾色板或客户样板检验。
目视无明显色差,批次之间无明显色差,配套装配后无明显色差。
6.4、性能检验:6.4.1、耐蚀性检验:电镀24小时后,三天之内按GB/T10125-1997标准进行盐雾试验,镀锌件采用中性盐雾试验(96小时);镀铬、镀镍件采用,铜加速乙酸盐雾试验(实验时间为8小时);实验结果参考GB/T3832-1997盐雾试验评价方法进行判定,要求在试样边缘以外的表面不能出现基体腐蚀的现象。
6.4.2、附着力检验:6.4.2.1、镀锌件采用ISO2409百格法检验。
电镀24小时后,三天之内进行。
在镀层表面划出10条间距为10mm的平行线,深达基体金属;再划上10条与此垂直的平行线,划线时应按同一方向进行,在直线交叉处镀层不允许有起皮或脱落的现象。
6.4.2.2、镀铬件、镀镍件采用GB5270-85,锉刀法检验。
电镀24小时后,三天之,内进行。
将试样固定住,用粗糙锉刀锉镀层边棱。
锉刀与镀层呈45°角,由基体金属向镀层方向锉,以镀层不脱落、不起皮、不分层为合格。
6.4.2.3、用3M公司生产的Scotch600#胶带紧密地贴在印刷文字或图案上,5分钟后与印刷表面成60°方向迅速拉起胶带,印刷文字或图案表面不能有任何脱落的现象。
(此方法适应于对丝印件的检验)6.4.2.4、喷涂件采用ISO2409百格法检验。
在涂层表面划出间距为1mm的平行线,深达基体金属;再划上10条与此垂直的平行线,划线时应按同一方向进行。
然后用3M胶带紧密贴在方格部位,5分钟后与被测表面呈60°角迅速拉起胶带。
被测面应无起皮脱落的现象。
6.4.3厚度测试:用测厚仪在试样上取10个点(滚镀件取3-5个点)其镀层厚度,镀锌件应在8-12µm 范围内;镀铬件厚度应在30µm以上(铜镀层20-25µm,镍镀层10-15µm,铬镀层不低于0.3µm);镀镍件厚度在30-35µm(铜镀层20-25µm,镍镀层10-15µm)6.4.4高温测试(脆性测试):电镀24小时后三天之内进行。
将试样放入180-200℃的恒温烘箱中保持0.5-1小时后,取出自然冷却,镀层表面应无起皮、脱落现象。
6.4.5耐化学性:将纯度为99.8﹪的无水乙醇倒在捆绑有8层棉布的工装上,施加1㎏的力在被测表面以每秒钟往返一次的速度来回20次,被测表面不能有稀释或脱落现象。
(喷涂、丝印件)6.4.6耐磨擦性:将直径为6.35mm的橡皮放置于被测表面,施加1.6㎏的力,在25.4的行程内,以每分钟30次往返的速度磨擦30次,被测表面应无磨擦痕迹。
(喷涂、丝印件)6.4.7硬度测试将3H级硬度的铅笔前端外露3mm用400﹟砂纸磨平;放置于被测表面呈45°角施加约1㎏的力,将铅笔直移10mm,选择不同位置共做5次。
涂层表面不能有割划痕或剥落现象。
(喷涂、丝印件)6.4.8强度测试:参考产品的强度测试操作规范执行。
6.4.9互换性:即同一配件可以在不同的主体上合格使用,或同一主体可以与多个配件合格使用。
6.4.10热稳定性:将喷涂或丝印好的零件放置于80℃的恒温烘箱中,保持20分钟后取出自然冷却。
目视与试验前颜色无明显差异。
6.4.11螺纹检测:用通止规检验。
要求通规通,止规止。
通规不通时,可以用相对应的螺钉实际操作,能顺利通过也可允收。
6.5、外观缺陷判定准则:6.5.1原材料类外观判定:表面不能有明显的或影响后续加工质量的缺陷存在。
具体按照客户使用需求判定。
如果某缺陷属于可接受范围,但存在批量性的也可以拒收。
6.5.2产品类外观限定标准:(见表)备注:表中所列的缺陷个数当在同一表面超过2个时,每2个缺陷之间的距离必须大于10mm,否则视为一个缺陷,以面积以其总和计。
.6.5.3产品外观应美观,单独一零/部件的整体视觉效果不能受到破坏.如果发现某一缺陷具有批量性或大面积,即使此缺陷属于〝可接受〞范围,也可以对该产品不予验收。
6.5.4有客户签样或图纸上有特殊要求时,其对就的缺陷应优先其样板或技术要求进行判断。
7、特殊情况的处理:7.1拉丝或喷砂后再折弯,折弯部位容易出现裂纹,应控制裂纹深度,必要时以客户签样为准7.2拉丝或喷砂表面压铆后在压铆区内出现的纹理,光泽不完全一致,可以接受。
7.3镀彩零件先电镀后压铆时,压铆区的电镀层外观有变化,但未伤至到镀层及钝化膜,不作缺陷。
7.4对于机械加工过程中的正常模具压印,不属于缺陷,但必须保证其具有一定的规律性. 7.5冲压过程中产生的接刀痕,目视不明显且尺寸符合规定要求,可以接受。
7.6带有盲孔或较深通孔的零件在电镀或喷涂时,允许孔内无膜层,但必须涂上油漆加以保护,不允许有可见的腐蚀物。
(保证尺寸要求)7.7铝制零件A级面不允许出现粗晶组织现象(如斑纹状态)7.8当型材棱边有磕碰凹痕时,在A级表面上凹痕深度不能超过0.7mm宽度不限,每条边不多于2处。
7.9无色氧化处理的铝表面上的划痕,均作镀前划痕。
7.10螺钉头上出现槽口变形,表面膜层损坏,均不允许.在外部表面上槽口边缘出现轻微毛刺不予验收;在其它面上,以目视没有明显的变形,突起或膜层脱落为限。
8、表面处理:具本见其表面处理标准。
9、产品的包装标识:9.1电镀件表面标识:电镀件内标识按客户具体要求执行。
9.2喷涂件表面标识:喷涂件内标识按客户具体要求执行。
9.3电镀、喷涂检验合格后的零件必须用干净的包装袋进行包装,再装入相应规格的纸箱中。
装箱时应做到位置基本固定,避免运输过程中零件之间的相互磨擦、碰撞。
9.4检验、包装电镀件、喷涂件时,必须戴手套,严禁用裸手直接接触零件表面。
9.5纸箱规格应以成品装入后不产生变形、无松动为准。
9.6包装用的纸箱应无脏污、油渍、破损、不允许在纸箱上乱写乱画。
9.7包装后纸箱上外标签就注明客户名称、品名、规格、数量、颜色、生产日期等。
标签上数量、名称必须与实物一致。
不允许存在混料现象。
9.8包装后的成品每箱数量必须一致,每批只允许存在一个尾数。
10、贮存、防护、交付。
10.1电镀零件存放期一般为三个月。
自电镀日起超过三个月的零件必须重新检验;自电镀之日起超过半年的零件应重新对其电镀性能进行确认。
不合格时应及时返电镀或报废处理。
10.2喷涂、丝印零件存放有效期一般为半年。