CJR热继电器参数表
- 格式:docx
- 大小:18.85 KB
- 文档页数:4
热继电器CDR1系列-1CDR1系列热过载继电器CDR1系列热过载继电器主要适用于交流50Hz,主电路额定绝缘电压至660V,电流至150A的电力系统中作为三相交流电动机的过载、断相保护,并可与适当的交流接触器组合成电磁起动器。
该产品具有结构紧凑、体积小、功能齐全,具有过载保护、断相保护、温度补尝、手动及自动动复位、脱扣指示及测试等功能。
脱扣机构采用拉簧跳跃式机构,动作灵敏而迅速,并具有安装尺寸多种化。
热继电器CDR1系列-2主要技术参数1、热继电器的动作特性和温度补偿性能2、热元件额定电流、电流范围见表热继电器CDR2系列-1CDR2系列热继电器一、适用范围CDR2系列热继电器主要适用于交流50Hz(60Hz),额定绝缘电压至660V额定电流至5 00A的电力线路中,用作三相感应电动机的过载与断相保护。
一般与CDC1(B) 系列交流接触器配合组成电磁起动器。
二、结构特征CDR2-16、25热继电器为磨擦脱扣式动作机构,带断相运转保护;CDR2-45、85为拉簧式脱扣动作机构(跳跃机构),带断相保护;CD R2-105、170为背包跳跃机构,CDR2-250、370为回路带互感器的跳跃进式机构,均带断相保护。
热继电器CDR2系列-2主要技术参数1、热继电器的动作特性和温度补偿性能2、热继电器型号规格及辅助触头参数热继电器CDR2系列-3 3、热元件额定电流、电流范围见表热继电器CDR2系列-4热继电器JRS1(LR1-D)系列-1JRS1系列热继电器适用于交流50Hz、主电路额定电压至660V、额定电流0.1至80A的电路中,供交流电动机的过载及断相保护用。
它具有差动机构和温度补偿动能,可与CJX2列交流接触器插接安装。
本产品为引进法国TE公司技术制造的产品。
热继电器JRS1(LR1-D)热继电器JRS1(LR1-D)系列-3热继电器JRS1(LR1-D)系列-4热继电器JRS2(3UA5)系列-1JRS2系列热过载继电器JRS2系列热过载继电器主要适用于交流50/60Hz 、电压至660V ,电压660V ,电流0.1~630A 的电力系统中,供三相交流异步电动机作过载和断相保护之用,热过载继电器还能与C JX1系列交流触器组合安装于封闭的壳体内,构成电磁起动器使用。
继电器的分类介绍继电器其实就是我们日常生活中所用到的控制电流大小的“自动开关”,它是一种电控制器件,是当输入量的变化达到规定要求时,在电气输出电路中使被控量发生预定的阶跃变化的一种电器,继电器具有控制系统和被控制系统之间的互动关系。
因其在电路中起着自动调节、安全保护、转换电路等作用,通常又被应用于自动化的控制电路中。
继电器的种类繁多,以下是按继电器的工作原理或结构特征对继电器进行分类的:(舌簧继电器) (高频继电器) (极化继电器)1、舌簧继电器:利用密封在管内,具有触电簧片和衔铁磁路双重作用的舌簧动作来开,闭或转换线路的继电器2、高频继电器:用于切换高频,射频线路而具有最小损耗的继电器。
3、极化继电器:有极化磁场与控制电流通过控制线圈所产生的磁场综合作用而动作的继电器。
继电器的动作方向取决于控制线圈中流过的的电流方向。
(电磁继电器) (时间继电器) (固体继电器)4、电磁继电器:利用输入电路内电路在电磁铁铁芯与衔铁间产生的吸力作用而工作的一种电气继电器。
5、时间继电器:当加上或除去输入信号时,输出部分需延时或限时到规定时间才闭合或断开其被控线路继电器。
6、固体继电器:指电子元件履行其功能而无机械运动构件的,输入和输出隔离的一种继电器。
7、温度继电器:当外界温度达到给定值时而动作的继电器。
8、其他类型的继电器:如光继电器,声继电器,热继电器,仪表式继电器,霍尔效应继电器,差动继电器等。
继电器主要技术参数•额定工作电压继电器正常工作时线圈所需要的电压,也就是控制电路的控制电压。
根据继电器的型号不同,可以是交流电压,也可以是直流电压。
•直流电阻继电器中线圈的直流电阻,可以通过万能表测量。
•吸合电流继电器能够产生吸合动作的最小电流。
在正常使用时,给定的电流必须略大于吸合电流,这样继电器才能稳定地工作。
而对于线圈所加的工作电压,一般不要超过额定工作电压的1.5倍,否则会产生较大的电流而把线圈烧毁。
•释放电流继电器产生释放动作的最大电流。
电机与热继电器参数配置下载温馨提示:该文档是我店铺精心编制而成,希望大家下载以后,能够帮助大家解决实际的问题。
文档下载后可定制随意修改,请根据实际需要进行相应的调整和使用,谢谢!并且,本店铺为大家提供各种各样类型的实用资料,如教育随笔、日记赏析、句子摘抄、古诗大全、经典美文、话题作文、工作总结、词语解析、文案摘录、其他资料等等,如想了解不同资料格式和写法,敬请关注!Download tips: This document is carefully compiled by the editor. I hope that after you download them, they can help yousolve practical problems. The document can be customized and modified after downloading, please adjust and use it according to actual needs, thank you!In addition, our shop provides you with various types of practical materials, such as educational essays, diary appreciation, sentence excerpts, ancient poems, classic articles, topic composition, work summary, word parsing, copy excerpts,other materials and so on, want to know different data formats and writing methods, please pay attention!电机与热继电器参数配置在现代工业生产中扮演着重要的角色。
J R S 2(3U A 5)系列热过载继电器JRS2(3UA5)系列热过载继电器(以下简称热继电器)适用于交流50Hz或60Hz额定电压至660V,电流0.1~63A的长期工作或间断长期工作的一般交流电动机的过载保护。
热继电器具有断相保护,温度补偿,脱扣状态时指示功能。
可具有手动复位和自动复位,动作性能可靠。
热继电器可与CJX1接触器插接安装,也可以单独安装。
热继电器主要由绝缘外壳双金属热元件,触头动作机构,差动机构,整定电流调节机构,复位机构等组成。
热继电器是三相双金属片式,有独立安装和接插式两种。
具有温度补偿装置,在周围环境温度-5℃~+40℃范围内变化时,热继电器动作特性不受影响。
具有差动或动作机构,对电动机断相过载能可靠保护。
具有整定电流连续可调的装置。
具有脱扣指示。
具有测试按钮。
具有手动复位和自动复位。
具有电气上相互绝缘的常闭和常开触头。
双金属热元件接入主电路内,电动机的电流流经热元件,当电动机过载时,热元件被加热到动作温度,使热继电器动作,热继电器的动作时间与过载电流的大小,按反时限的关系变化。
外壳防护等级IP00。
海拔不超过2000m。
周围环境温度-5℃+40℃。
空气相对湿度可大于90%(相当于+25℃时)。
污染等级3级。
安装类别Ⅱ,Ⅲ级。
热带产品代号“TH”安装方式“Z”组合安装 “F”螺钉分立安装额定工作电流设计序号三相双金属片热继电器JR S 2-2011.12.07jiaoflJRS2-12.5/Z配装CJX1-09~12 JRS2-2.5/Z配装CJX1-16~22JRS2-32/Z配装CJX1-32注:(1)带有1常开或1常闭的辅助触头。
(2)带有1常开+1常闭或2常闭的辅助触头。
(3)安装为卡在35mm的标准安装轨上。
(4)与接地零件之间的间隙注:(1)与接地零件之间的间隙J R S 2-63/F 与C J X 1-45~63配装J R S 2-12.5/Z J R S 2-25/Z J R S 2-32/Z 通过连接支座构成的分立安装注:(1)安装卡在35mm的标准安装轨上。
CJ 车载用双功率继电器业界最小尺寸。
1. 2/3与本公司以往的小型双功率型CT 继电器相比,其底面积和体积约为原产品的3分之2。
最适合于继电器单元的小型化。
2. 25A具有电动机锁定负载开闭25A14V DC能力,可以小型结构实现高容量控制。
3. 可进行自动清洗的完全密封型。
电动车窗、自动车门锁定、电动反射镜、电动车顶窗、电动座椅、升降车门、滑动车门闭合器等的DC电动机正反控制电路。
包装:内箱(棒状包装)40个、外箱1000个触点构成线圈额定电压吸合电压(at20℃订购产品号1c ×2DC12VDC7.2V以下初始ACJ2212DC6.5V以下初始ACJ21121. 线圈额定电压吸合电压at20℃释放电压at20℃额定励磁电流〔±10〕at20℃线圈电阻〔±10〕at20℃额定消耗功率使用电压范围※DC12VDC7.2V以下初始DC1.0V以上初始53.3mA225??640mWDC10V~16VDC6.5V以下初始DC0.8V以上初始66.7mA180??800mW注)※也可提供吸合电压特订品。
详细情况请向营业部门咨询。
2.规格项目性能概要触点规格触点构成1c×2触点接触电阻(初始)100m??以下(通过DC6V 1A电压降低法)触点材质含银氧化锡额定额定控制容量(电阻负荷)N.O.:20A 14V DCN.C.:10A 14V DC触点最大通电电流(DC14V)20A/1小时、30A/2分钟时间(at20℃)额定消耗功率640mW(吸合电压DC7.2V型)、800mW(吸合电压DC6.5V型)最少应用负荷(参考值)※11A 12V DC电气性能绝缘电阻(初始)100M??使用DC500V绝缘电阻表耐电压初始触点间AC1000V 1分钟时间(检测电流:10mA)触点-线圈间AC1000V 1分钟时间(检测电流:10mA)动作时间(额定电压)10ms以下(at20℃、不含触点振荡时间)(初始)复位时间(额定电压)10ms 以下(at20℃、不含触点振荡时间)(初始)机械性能耐冲击性误动作冲击100m/s210G 以上(正弦半波脉冲:11ms、检测时间:10??s)耐久冲击1000m/s2100G以上(正弦半波脉冲:6ms)耐振性误动作振荡10Hz~100Hz44.1m/s24.5G以上(检测时间:10??s)耐久振荡10Hz~500Hz44.1m/s24.5G以上前后左右各2h,上下4h寿命机械寿命1000万次以上(通断频率120次/分)电气寿命10万次以上(额定控制容量,通断频率1秒ON、9秒OFF)N.O.侧:冲击25A、稳态5A、14V DC,20万次以上25A 14V DC电动机锁定,10万次以上N.C.侧:20A 14V DC制动电流,20万次以上(通断频率0.5秒ON、9.5秒OFF)使用条件使用的周围、运输、保管条件※2温度:-40℃~+85℃、湿度:5%RH~85%RH(但是,应无结冰、结露)、气压86kPa~106kPa 最大操作频率6次/分钟(额定控制容量)重量约6.5g注※1.在微小负荷水平下能够通断的下限目标值。
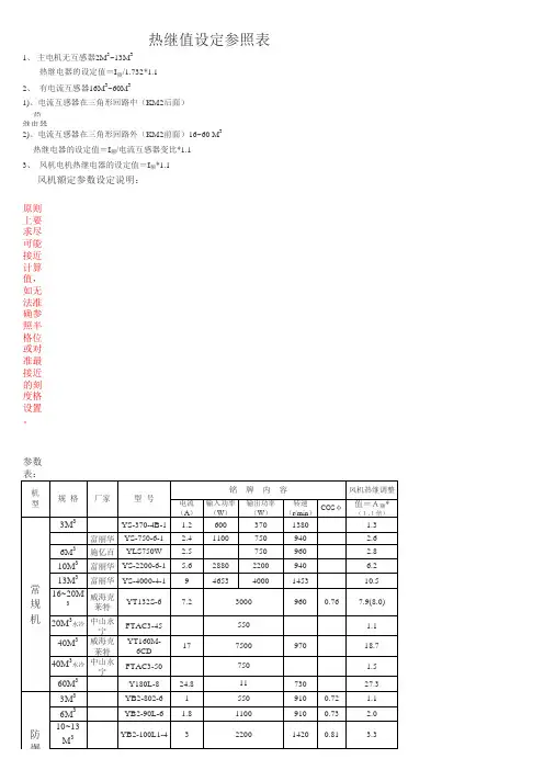
热继电器参数对照表1. 额定电流(Rated Current),指热继电器能够承受的最大电流值。
单位通常为安培(A)。
2. 额定电压(Rated Voltage),指热继电器能够正常工作的电压范围。
单位通常为伏特(V)。
3. 动作电流(Pick-up Current),指热继电器开始动作的电流值。
一般情况下,动作电流小于或等于额定电流。
4. 释放电流(Drop-out Current),指热继电器停止动作的电流值。
一般情况下,释放电流小于或等于动作电流。
5. 动作时间(Pick-up Time),指热继电器从开始动作到完全动作所需的时间。
单位通常为毫秒(ms)。
6. 释放时间(Drop-out Time),指热继电器从停止动作到完全停止所需的时间。
单位通常为毫秒(ms)。
7. 绝缘电阻(Insulation Resistance),指热继电器在特定条件下的绝缘电阻值。
单位通常为兆欧姆(MΩ)。
8. 工作温度范围(Operating Temperature Range),指热继电器能够正常工作的温度范围。
通常以摄氏度(℃)表示。
9. 安装方式(Mounting Type),指热继电器的安装方式,如插座安装、螺丝固定等。
10. 电气生命(Electrical Life),指热继电器在特定条件下能够正常工作的时间。
单位通常为次数。
11. 机械生命(Mechanical Life),指热继电器在特定条件下能够正常工作的次数。
单位通常为次数。
12. 接点类型(Contact Type),指热继电器的接点类型,如常开(NO)、常闭(NC)或双刀双掷(DPDT)等。
以上是热继电器参数对照表的一些常见参数及其含义。
不同型号的热继电器可能会有不同的参数,具体的参数还需根据具体的产品手册或规格表来确定。