(整理)数字电路实验6移位寄存器的应用
- 格式:doc
- 大小:1.75 MB
- 文档页数:8
移位寄存器原理引言移位寄存器是一种常见的数字电路元件,它用于在计算机和其他数字系统中处理串行数据的移位操作。
本文将介绍移位寄存器的原理和工作方式。
移位寄存器的定义移位寄存器是一种特殊的存储器元件,它可以在输入端和输出端之间进行数据移位操作。
移位寄存器通常是由触发器组成的,每个触发器都可以存储一个位(bit)的数据。
移位寄存器的输入端和输出端都是并行接口,但是数据在寄存器内部是以串行的方式传输的。
移位寄存器的工作原理并行加载移位寄存器最常见的操作之一是并行加载。
在这种操作模式下,通过并行输入引脚将数据加载到移位寄存器中。
当时钟信号到达时,移位寄存器将存储的数据向左或向右移位,并将其输出到并行输出引脚。
移位的方向由控制信号决定。
串行移位除了并行加载,移位寄存器还可以进行串行移位操作。
在串行移位模式下,输入数据通过串行输入引脚进入移位寄存器,并且顺序地从寄存器的一端移出。
当时钟信号到达时,移位寄存器会将存储的数据按位移动一个位置,并从另一端输出。
这种操作模式可以用于各种应用,例如数据的平移、数据的旋转等。
循环移位循环移位是移位寄存器的另一个重要特性。
在循环移位模式下,移位寄存器的输出会通过反馈引脚重新进入输入端,形成一个闭环。
当时钟信号到达时,移位寄存器将在输入和输出之间循环移动数据。
这种操作模式常用于数据的循环处理、数据的延时等应用场景。
移位寄存器的应用移位寄存器在数字系统中有广泛的应用。
以下是一些常见的应用场景:•移位寄存器常用于串行通信中的数据传输和接收。
通过移位寄存器,可以将并行数据转换为串行数据进行传输,并将接收到的串行数据重新转换为并行数据。
•移位寄存器可以用于数字时钟电路中。
通过串行输入信号和移位寄存器的移位操作,可以实现时钟信号的频率除法,从而生成不同的时钟信号。
•移位寄存器还可用于数据的处理和分析。
例如,在图像处理中,移位寄存器可以用来进行图像平移、旋转和缩放等操作。
总结移位寄存器是一种常见的数字电路元件,用于处理串行数据的移位操作。
一、实验目的利用数字电路设计中移位寄存器的相关知识,通过课程设计更加深入的了解移位寄存器的功能。
在计算机中常要求寄存器有移位功能。
如在进行乘法时要求将部分积右移在将并行传送的数转换成串行数时也需要移位。
因此移位寄存器的设计是必要的。
二、硬件要求主芯片Altera EPM7128SLC84-15,时钟信号,拨码开关。
三、实验内容设计一个双向移位寄存器四、实验原理用VHDL语言描述任意分频数的分频器,并实现占空比任意设置.每当系统时钟上升沿到来时,计数器就加计数一位(可任意设置为N位),当计数值到达预定值时就对分频时钟翻转.这样就会得到一个连续的时钟脉冲. 当移位信号到来时,移位寄存器就对存储的二进制进行移位操作.移位寄存方式可自行设置(可左移,右移,一位移,多位移位寄存)。
五、实验源程序library ieee;useuse use entity tdirreg is port (clk: in std_logic;din: in std_logic;dir : in std_logic;op_l: out std_logic;op_r: out std_logic);end tdirreg;architecture a of tdirreg issignal q: std_logic_vector(7 downto 0);beginprocess(clk)beginif clk'event and clk= '1'thenif dir = '0' thenq(0) <= din;for i in 1 to 7 loopq(i) <= q(i-1);end loop ;elseq(7) <= din;for i in 7 downto 1 loopq(i-1) <=q(i);end loop ;end if;end if;end process ;op_l <= q(7);op_r <= q(0);end a;六波形仿真结果dir为一个控制信号,clk为时钟控制信号,din为输入信号,表示要存入的数据,op_r表示右移,从高位到低位,后得到的结果,op_l表示左移,从低位到高位后得到的结果。
实验报告课程名称:数字电路实验第 6 次实验实验名称:移位寄存器的应用实验时间: 2012 年 5 月 7 日实验地点:组号学号:姓名:指导教师:评定成绩:实验六移位寄存器应用一、实验目的:1.了解寄存器的基本结构。
2.掌握74LS194移位寄存器的逻辑功能。
3.学习中规模移位寄存器的应用。
二、实验仪器:三、实验原理:数据的存储和移动是数字信号的一种常见运作,能实现这种动作的是数据寄存器和移位寄存器,它们同计数器一样也是数字电路中不可缺少的基本逻辑器件。
数据寄存器有两类结构,一类是由多个钟控D锁存器组成的,另一类是由多个钟控D触发器组成的。
数据寄存器的数据的输入和输出都是并行的。
移位寄存器的结构也是由多个触发器级联的,其数据不仅可以存储,还可以左移或右移。
移位寄存器的数据的输入和输出都有串行和并行之分,数据的动作受公共时钟信号的控制,也就是同步工作的。
4位双向移位寄存器74LS194A为TTL双极型数字集成逻辑电路,外形为双列直插,它具有清除、左移、右移、并行送数和保持等多种功能,是一种功能比较全的中规模移位寄存器,图6-1是引脚排列图,逻辑符号如图6-2所示,74LS194A的功能表见表6-1。
功能M1 M0 CP R D D R d1 d2 d3 d4 D L Q1n+1 Q2n+1 Q3n+1 Q4n+1清零― ― ― 0― ― ― ― ― ― 0 0 0 0预置 1 1 ↑ 1― d1 d2 d3 d4 ― d1 d2 d3 d4右移0 1 ↑ 1d R― ― ― ― ― d R d1 d2 d3左移 1 0 ↑ 1― ― ― ― ― d L d2 d3 d4 d L保持0 0 ― 1― ― ― ― ― ― Q1n Q2n Q3n Q4n移位寄存器的最直接应用是数据的串/并转换,图6-3和图6-4就是简单的实例。
在图6-3中M1M0=01,表示数据可以右移,首先清零端输入一个负脉冲,使Q1Q2Q3Q4=0,在单脉冲CP的作用下,右移输入端D R依次串入数据,4个CP后就可在4个输出端Q1Q2Q3Q4得到并行数据。
寄存器实验实验报告一. 引言寄存器是计算机中重要的数据存储器件之一,用于存储和传输数据。
通过对寄存器进行实验,我们可以更好地理解寄存器的工作原理和应用。
本实验旨在通过设计和测试不同类型的寄存器,深入掌握寄存器的各种功能和操作。
二. 实验设计本实验设计了两个寄存器的实验,分别为移位寄存器和计数器寄存器。
1. 移位寄存器实验移位寄存器是一种特殊的串行寄存器,它能够实现对数据位的移位操作。
本实验设计了一个4位的移位寄存器,分别使用D触发器和JK触发器实现。
实验步骤如下:1) 首先,根据设计要求将4个D或JK触发器连接成移位寄存器电路。
2) 确定输入和输出端口,将输入数据连接到移位寄存器的输入端口。
3) 设计测试用例,输入测试数据并观察输出结果。
4) 分析实验结果,比较不同触发器类型的移位寄存器的性能差异。
2. 计数器寄存器实验计数器寄存器是一种能够实现计数功能的寄存器。
本实验设计了一个二进制计数器,使用T触发器实现。
实验步骤如下:1) 根据设计要求将多个T触发器连接成二进制计数器电路。
2) 设计测试用例,输入计数开始值,并观察输出结果。
3) 测试计数的溢出和循环功能,观察计数器的行为。
4) 分析实验结果,比较不同计数器位数的性能差异。
三. 实验结果与分析在实验过程中,我们完成了移位寄存器和计数器寄存器的设计和测试。
通过观察实验结果,可以得出以下结论:1. 移位寄存器实验中,无论是使用D触发器还是JK触发器,移位寄存器都能够正确地实现数据位的移位操作。
而使用JK触发器的移位寄存器在性能上更加优越,能够实现更复杂的数据操作。
2. 计数器寄存器实验中,二进制计数器能够准确地实现计数功能。
通过设计不同位数的计数器,我们发现位数越多,计数范围越大。
综上所述,寄存器是计算机中重要的存储器件,通过实验我们深入了解了寄存器的工作原理和应用。
移位寄存器和计数器寄存器都具有广泛的应用领域,在数字电路设计和计算机系统中起到了重要作用。
学生实验报告系别电子信息学院课程名称电子技术实验班级 12通信A 实验名称移位寄存器及其应用姓名实验时间2014年4月29 日学号 20120101010 指导教师陈卉成绩教师签名陈卉批改时间2014年月日报告内容一、实验目的1. 掌握四位双向移位寄存器的逻辑功能与使用方法。
2. 了解移位寄存器的使用—实现数据的串行,并行转换和构成环形计数器。
二、实验原理1、移位寄存器是一个具有移位功能的寄存器,是指寄存器中所存的代码能够在移位脉冲的作用下依次左移或右移。
既能左移又能右移的称为双向移位寄存器,只需要改变左右移的控制信号便可实现双向移位要求。
根据寄存器存取信息的方式不同分为:串入串出、串入并出、并入串出、并入并出四种形式。
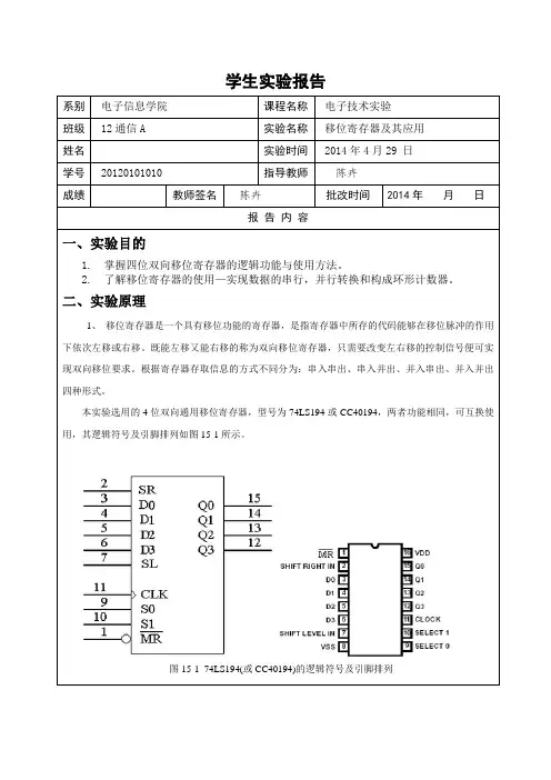
本实验选用的4位双向通用移位寄存器,型号为74LS194或CC40194,两者功能相同,可互换使用,其逻辑符号及引脚排列如图15-1所示。
图15-1 74LS194(或CC40194)的逻辑符号及引脚排列表14-1 74LS194的功能表其中SR为右移串行输入端,SL为左移串行输入端;功能作用如表15-1所示。
2、移位寄存器应用很广,可构成移位寄存器型计数器、顺序脉冲发生器和串行累加器;可用作数据转换,即把串行数据转换为并行数据,或把并行数据转换为串行数据等。
(1)环形计数器把移位寄存器的输出反馈到它的串行输入端,就可以进行循环移位,如下图所示。
图14-2 环形计数器示意图将输出端Q3与输入端SR相连后,在时钟脉冲的作用下Q0Q1Q2Q3将依次右移。
同理,将输出端Q0与输入端SL相连后,在时钟脉冲的作用下Q0Q1Q2Q3将依次左移。
(2)实现数据串、并转换1 串行/并行转换器串行/并行转换是指串行输入的数据,经过转换电路之后变成并行输出。
下面是用两片74LS194构成的七位串行/并行转换电路。
图14-3 七位串行/并行转换电路示意图电路中S0端接高电平1,S1受Q7控制,两片寄存器连接成串行输入右移工作模式。
实验移位寄存器及其应用一、实验目的1、掌握中规模4位双向移位寄存器逻辑功能及使用方法。
2、熟悉移位寄存器的应用—实现数据的串行、并行转换和构成环形计数器。
二、实验原理1、寄存器是一个具有移位功能的寄存器,是指寄存器中所存的代码能够在移位脉冲的作用下一次左移或右移。
既能左移又能右移的称为双向移位寄存器,只需要改变左、右移的控制信号便可实现双向移位要求。
根据移位寄存器存取信息的方式不同分为:串入串出、串入并出、并入串出、并入并出四种形式。
2、本实验选用的4位双向通用移位寄存器,型号为CC40194或74LS194,两者功能相同,可互换使用,其逻辑符号及引脚排列如图所示。
其中D0、D1、D2、D3为并行输入端;Q0、Q1、Q2、Q3为并行输出端;S R为右移串行输入端,S L为左移串行输入端;S1、S0为操作模式控制端;C R为直接无条件清零端;CP为时钟脉冲输入端。
功能见表8-1。
表8-1CC40194功能表功能输入输出CP R C S1S0S R S L D0D1D2D3Q0Q1Q2Q3清除×0××××××××0000送数↑111××a b c d a b c d右移↑101D SR×××××D SR Q0Q1Q2左移↑110×D SL××××Q1Q2Q3D SL保持↑100××××××Q0n Q1n Q2n Q3n保持↓1××××××××Q0n Q1n Q2n Q3n3、移位寄存器的应用可构成移位寄存器形计数器;:顺序脉冲发生器;串行累加器;可用作数据转换,即把串行数据转换为并行数据等。
EDA第四次实验报告(移位寄存器)一实验目的(1)移位寄存器的工作原理及应用(2)定制LPM原件及应用(3)电路仿真基本方法(4)混合模块工程设计方法二实验仪器(1)PC一台(2)DDA系统数字系统实验平台(3)Quatartus2配套软件三实验原理基本概念: 移位寄存器是用来存储二进制数字信息且能进行信息移位的时序逻辑电路, 根据移位寄存器存取信息的方式不同分为串入串出, 串入并行, 并行串出, 并行并出四种形式。
(1)基本原理74194是一种典型的中规模集成移位寄存器, 由四个RS触发器和一些门电路构成的四位双向移位寄存器, 该移位寄存器具有左移, 右移。
并行输入数据, 保持及异步清零五种功能, 其中ABCD为并行输入端, QAQBQCQD为并行输出端;SRSI为右移串行输入端, SLSI为左移串行输入端;S1S0为模式控制端;CLRN 为异步清零端;CLK为时钟脉冲输入端, 33移位寄存器的应用Clk, clk1: 时钟输入信号, clk频率应较高, clk1频率应较低。
clrn:清零信号, 二进制输入, 低电平输入sl 、sr: 左移或者右移, 二进制输入。
s0、s1模式控制端, 二进制输入;abcd:abcd输入端, 输入四个二进制信号;qabcd: 输出四个二进制信号应用:可构成计数器, 顺序脉冲发生器, 串行累加器, 串并转换, 并串转换等。
四实验步骤(1)74194功能验证电路(2)74194功能仿真结果五实验心得通过本次试验, 我基本掌握了移位寄存器的的工作原理, 总结了一些设置波形的方法: 添加节点前设置好参数;添加节点或总线后信号整合与位置分配, 不同类的信号要上下放置, 时钟信号置顶, 其他信号可以按照“异步控制—》同步控制—》数据输入”顺序向下放置, 同一元件的控制信号就近放置;同一功能的控制信号就近放置。
先设置时钟等激励信号完成电路的初始状态, 将时间轴划分为连续的时间段, 一小段完成一小步实验内容, 激励输入完成后立即生成波形并判断结果。
数电实验之移位寄存器移位寄存器一实验目的1.学习用D触发器构成移位寄存器(环行计数器)2.掌握中规模集成电路双向移位寄存器逻辑功能及使用方法二实验原理1、用4个D触发器组成4位移位寄存器,将每位即各D触发器的输出Q1、Q2、Q3、Q4分别接到四个0—1指示器(LED)将最后一位输出Q4反馈接到第一位D触发器的输入端,则构成一简单的四位移位环行计数器。
2、移位寄存器具有移位功能,是指寄存器中所存的代码能够在时钟脉冲的作用下依次左移或右移。
对于即能左移又能右移的寄存器称为双向移位寄存器。
只需要改变左移、右移的控制信号便可实现双向移位的要求。
根据移位寄存器存取信息的方式不同分为:串入串出、串入并出、并入串出、并入并出四种形式。
本实验选用的4位双向移位寄存器,型号为74LS194A(或CD40194),两者功能相同,其引脚分布图如下图18.1所示:其中A、B、C、D为并行输入端,A为高位依次排列;QA、QB、QC、QD为并行输出端;SR为右移串行输入端;SL为左移串行输入端;S1、S0为操作模式控制端;CLR为异步清零端;低电平有效;CLK为CP时钟脉冲输入端。
74LS194A有5种工作模式:并行输入,右移(QD→QA),左移(QD←QA),保持和清零。
74LS194功能表如表18.1所示:表18.1三实验器件数字实验箱集成电路芯片:74LS74×2 (CD4013×2);74LS75 ;74LS76 ;74LS194A(CD40194)。
图18.1四实验内容1.用74LS74组成移位寄存器,使第一个输出端点亮LED并使其右移循环。
顺序是FF1、FF2、FF3、FF4。
A) 1. 用两个74LS74按图18.2连接:图18.21. CP时钟输入先不接到电路中(单步脉冲源或连续脉冲源);1. 连接线路完毕,检查无误后加+5V电源;2. 观察4个输出端的LED应该是不亮的,如果有亮的话,应按清零端的逻辑开关,(给出一个低电平信号清零后,再将开关置于高电平)即将4个D触发器输出端的LED清零。
电学实验报告模板实验原理移位寄存器是逻辑电路中的一种重要逻辑部件,它能存储数据,还可以用来实现数据的串行-并行转换、数据的运算和处理。
1.寄存器(1)D触发器图1 D触发器图1所示D触发器。
每来一个CLK脉冲,触发器都在该CLK脉冲的上升沿时刻,接收输入数据D,使之作为触发器的新状态。
D触发器的特性方程为(2)用D触发器构成并行寄存器图2 用D触发器构成并行寄存器图2所示为用D触发器构成四位并行寄存器。
为异步清零控制端,高电平有效。
当时,各触发器输出端Q的状态,取决于CLK上升沿时刻的D端状态。
2.移位寄存器(1)用D触发器构成移位寄存器图3 用D触发器构成4位串行移位寄存器图3所示为用D触发器构成的4位串行移位寄存器。
其中左边第一个触发器的输入端接收输入数据,其余的每一个触发器的输入端均与左边相邻的触发器的Q端连接。
当时钟信号CLK的上升沿时刻,各触发器同时接收输入数据。
四位寄存器的所存数据右移一位。
(2)双向移位寄存器74LS194图4 双向移位寄存器74LS194逻辑框图图4 所示为集成电路芯片双向移位寄存器74LS194逻辑框图。
为便于扩展逻辑功能,在基本移位寄存器的基础上增加了左右移控制、并行输入、保持和异步清零等功能。
74LS194的逻辑功能如表1所列。
表13.用移位寄存器构成计数器(1)环形计数器图5 环形计数器如果将移位寄存器的串行移位输出端接回到串行移位输入端,如图5所示。
那么,在时钟CLK的作用下,寄存器里的数据将不断循环右移。
例如,电路的初始状态为,则电路的状态转换图如图6所示。
可以认为,这是一个模4计数器。
图6 环形计数器状态转换图实验内容及步骤1. 用两片74LS74构成四位移位寄存器(1)74LS74引脚图图10 74LS74引脚图(2)用74LS74构成四位移位寄存器图11 用74LS74构成四位移位寄存器实验电路按照图11连接电路。
首先设置,使寄存器清零。
然后,设置,在CLK输入端输入单次脉冲信号当作时钟信号,通过输出端的发光二极管观察的状态,判断移位的效果。
实验6移位寄存器的应用设计移位寄存器是一种特殊的寄存器,可以在逻辑电路中用于完成各种功能。
它具有较低的建造成本和较高的可靠性,因此在数字系统中被广泛应用。
本文将介绍移位寄存器的基本原理和应用设计。
移位寄存器是一种能够向左或向右移位的寄存器。
根据移位方向的不同,可以分为左移寄存器和右移寄存器。
移位寄存器有一个数据输入端和一个数据输出端,还有一个时钟输入端。
在每个时钟脉冲到来时,输入端的数据会向寄存器的下一个位置移动,并从输出端输出。
移位寄存器有多种应用,在数字系统中的应用非常广泛。
以下是一些常见的应用设计。
1.数据存储器:移位寄存器可以用作数据存储器,在数字系统中存储各种类型的数据。
通过将数据输入到移位寄存器的数据输入端,并在需要时读取输出端的数据,可以实现数据的存储和读取操作。
2.并行-串行数据转换器:移位寄存器可以将并行输入数据转换为串行输出数据。
通过将并行数据输入到移位寄存器的不同位置,并按顺序读取输出端的数据,可以将并行数据转换为串行数据。
3.串行-并行数据转换器:移位寄存器还可以将串行输入数据转换为并行输出数据。
通过连续输入串行数据,并在每个时钟脉冲到来时从输出端读取数据,可以将串行数据转换为并行数据。
4.移位寄存器作为计数器:移位寄存器可以用作计数器,在数字系统中实现各种计数操作。
通过将初始值输入到移位寄存器的数据输入端,并在每个时钟脉冲到来时将寄存器的内容向左或向右移位,可以实现计数操作。
5.并行数据压缩器:移位寄存器可以用于压缩大量的并行数据。
通过将并行数据输入到移位寄存器,并在每个时钟脉冲到来时从输出端读取一部分数据,可以将大量的并行数据压缩为较少的串行数据。
移位寄存器的应用不仅限于上述几种设计,还可以根据具体需求进行更复杂的应用设计。
移位寄存器的灵活性和可编程性为数字系统的设计提供了很大的便利。
总之,移位寄存器是一种重要且应用广泛的数字电路元件。
它可以用于实现数据存储、数据转换、计数和压缩等功能。
实验报告
课程名称:数字电路实验第 6 次实验实验名称:移位寄存器的应用
实验时间:2012 年 5 月7 日
实验地点:组号
学号:
姓名:
指导教师:评定成绩:
实验六移位寄存器应用
一、实验目的:
1.了解寄存器的基本结构。
2.掌握74LS194移位寄存器的逻辑功能。
3.学习中规模移位寄存器的应用。
二、实验仪器:
三、实验原理:
数据的存储和移动是数字信号的一种常见运作,能实现这种动作的是数据寄存器和移位寄存器,它们同计数器一样也是数字电路中不可缺少的基本逻辑器件。
数据寄存器有两类结构,一类是由多个钟控D锁存器组成的,另一类是由多个钟控D触发器组成的。
数据寄存器的数据的输入和输出都是并行的。
移位寄存器的结构也是由多个触发器级联的,其数据不仅可以存储,还可以左移或右移。
移位寄存器的数据的输入和输出都有串行和并行之分,数据的动作受公共时钟信号的控制,也就是同步工作的。
4位双向移位寄存器74LS194A为TTL双极型数字集成逻辑电路,外形为双列直插,它具有清除、左移、右移、并行送数和保持等多种功能,是一种功能比较全的中规模移位寄存器,图6-1是引脚排列图,逻辑符号如图6-2所示,74LS194A的功能表见表6-1。
移位寄存器的最直接应用是数据的串/并转换,图6-3和图6-4就是简单的实例。
在图6-3中M1M0=01,表示数据可以右移,首先清零端输入一个负脉冲,使Q1Q2Q3Q4=0,在单脉冲CP的作用下,右移输入端D R依次串入数据,4个CP后就可在4个输出端Q1Q2Q3Q4得到并行数据。
在图6-4中首先M1M0=11,在单脉冲CP的作用下,4位数据并行输入到移存器,然后使M1M0=10,表示数据可以左移,左移输入端D L=1时,在单脉冲CP的作用下,数据依次从Q1端输出,空缺位被1(D L)填补。
4个CP 后,原4位并入的数据全被移出,这时候Q1Q2Q3Q4=1111。
如果把移位寄存器的输出以一定方式馈送到串行输入端,则可以得到电路连接简单、编码别具特色、用途极为广泛的移位寄存器型计数器。
利用74LS194,把Q4接到D R端,即可得到模为4的环形计数器(不能自启动),见图6-5;把Q4通过一个非门接到D R端,即可得到模为8的扭环计数器(不能自启动),见图6-6。
Q输出通过不同的组合电路接到D R端还可得到不同模值的移位计数器或伪随机序列发生器。
四、实验内容:
1.数据的存储和移动
(1)用一片74LS194及适当门电路实现四位串/并转换,记录结果。
步骤:器件初态清零,先使Q1Q2Q3Q4=0,输出Q1Q2Q3Q4接指示灯,用单脉冲作CP,用一个开关依次串入数据至DR,一个数据一个CP。
右移
令DR=1010 1110 00,记录结果:(10个CP)
(2
步骤:器件DL=1,Q1接指示灯,先并行输入数据d1d2d3d4,然后使器件
工作在左移状态,用单脉冲作CP,每输入一个CP观察输出结果。
设有两组4位数据1010 及1110。
10个CP的输出)
2
(1)用一片74LS194及适当门实现伪随机序列,见图6-7。
步骤:器件初态清零,先使
Q1Q2Q3Q4=1,输出Q1Q2Q3Q4接指示
(2M=5的计数器,记录指示灯结果。
参考设计过程如下,得到图6-8:
五、实验思考:
1.用74LS194实现四位并/串转换需要几个CP才能完成?
答:5个
2.用74LS194实现M=5的计数器有几个无效状态,怎样实现自启动?
答:11个。
以实验2(1)为例。
采用把所有无效状态的次态都置为初始状态的方法。
如实验2(1)中的表格数据,则从接收到第5个(含)CP之后的次态都置为Q1Q2Q3Q4=1。
做出列表:
由列表绘制卡诺图,先把M0和D0D1D2D3置为1,然后利用相应的门电路,使得当出现任何无效状态时,M1的值都变为1,从而芯片进入并入状态,回到初始的1111;而出现正常状态时,M1的值均为0,正常计数。
电路图如下:
74194。