D型斗式提升机说明书
- 格式:docx
- 大小:101.44 KB
- 文档页数:18
斗式提升机操作规程斗式提升机操作规程一、总则斗式提升机是用于纵向输送物料的机械设备,为确保工作安全和设备正常操作,制定本操作规程。
二、操作要求1. 操作人员应接受相关培训,熟悉斗式提升机的结构和工作原理以及安全操作规程。
2. 在操作前,应检查斗式提升机各个部件的工作状态,如发现异常应及时报修,并进行维修后方可使用。
3. 操作员需穿戴好安全帽、防护服等必要的安全装备,并确保自身身体健康,不得饮酒、吸烟。
4. 禁止在斗式提升机附近堆放杂物,确保操作区域的整洁。
5. 操作员需熟悉斗式提升机的启动、停止、紧急停止等操作按钮位置及使用方法。
三、操作流程1. 开机前检查(1)检查电源是否正常,是否接地良好。
(2)检查电控箱内部线路是否完好,无锈蚀、松动等现象。
(3)检查润滑油、润滑脂等润滑剂是否充足。
2. 启动斗式提升机(1)按下主电源开关,使斗式提升机通电。
(2)检查照明灯是否正常。
(3)按下启动按钮,使各个电动机逐步启动。
(4)观察斗式提升机运行情况,确保运行平稳无异响。
(5)调整提升速度,根据实际工作情况选择合适的速度。
3. 斗式提升机运行(1)观察物料从料斗中转移至目标地点的情况,确保运输过程平稳无阻碍。
(2)注意观察各个部件的工作状态,如发现异常应立即停止设备运行并报修。
(3)禁止超载运输,严格按照设备额定载荷进行操作。
(4)操作员不得翻越、穿越运输区域,不得将手、脚等身体部位伸入机器内部。
4. 停止斗式提升机(1)完成运输任务后,减速运动使提升机平稳停止。
(2)关闭电动机电源,使提升机彻底停机。
(3)进行设备清理,保持设备和操作区域的整洁。
5. 紧急停止当斗式提升机出现异常情况时,如异常声响、异味、冒烟等,操作员应立即执行紧急停止操作:(1)按下紧急停止按钮,使设备立即停止运转。
(2)观察并处理异常情况,必要时报修。
四、安全注意事项1. 操作人员应注意保持专注,不得分心、围观或无关人员交谈。
2. 禁止操作人员擅自拆卸、容易损坏的设备部件,必要时应报修。
斗式提升机的作业指导书一、引言斗式提升机是一种常用的物料输送设备,广泛应用于矿山、冶金、化工等行业。
为了确保斗式提升机的安全运行和高效作业,本指导书旨在提供详细的作业指导和操作规范。
二、设备概述斗式提升机由电动机、减速机、传动链轮、提升斗、上下料口等部份组成。
其工作原理是通过电动机驱动链条运行,使提升斗沿着导轨上升或者下降,实现物料的垂直输送。
三、安全操作规范1. 操作前的准备工作a. 检查提升机的各个部件是否完好,如链条、传动轮等是否有磨损、松动等情况。
b. 检查电动机和传动装置的润滑情况,确保其正常运转。
c. 确认提升机周围的工作区域清洁,并清除可能影响安全的障碍物。
2. 操作时的注意事项a. 操作人员应穿戴好安全防护装备,包括安全帽、防护眼镜、防护手套等。
b. 操作人员应熟悉提升机的工作原理和操作流程,并按照正确的顺序进行操作。
c. 在操作过程中,严禁将手、脚或者其他物体伸入提升机的运行空间,以免发生意外事故。
d. 提升机运行时,应保持周围的通道畅通,防止人员和物料的阻塞。
3. 维护保养要求a. 定期检查链条的张紧度,确保其在运行过程中不会产生松动或者过紧的情况。
b. 定期清理提升斗和导轨上的积尘和杂物,以保证提升斗的正常运行。
c. 定期检查电动机和传动装置的润滑情况,及时添加或者更换润滑油。
d. 定期检查电气系统的连接是否坚固,避免浮现短路或者漏电等安全隐患。
四、故障处理与应急措施1. 常见故障及处理方法a. 提升机无法启动:检查电源是否正常,检查电动机是否损坏,及时修复或者更换故障部件。
b. 提升斗卡住无法运行:检查链条是否松紧适当,检查导轨是否有杂物堆积,清理或者调整相应部件。
c. 提升机运行时发生异响:检查传动装置和链条是否有松动或者磨损,及时进行维修和更换。
2. 应急措施a. 在发生故障或者意外情况时,即将住手提升机的运行,并切断电源。
b. 如遇到火灾等紧急情况,应按照现场应急预案进行处理,并及时报警。
TH型斗式提升机产品说明书一、TD型、D型斗式提升机(一)概述TD、D型斗式提升机适用于垂直输送粉状、粒状、及小块状的磨琢性较小的散状物料,如粮食、煤、水泥、碎矿石等,提升高度最高40m,其特点为:结构简单,运行平稳,挖取式装料,离心式卸料,物料温度不超过60℃。
TD型按JB3926-85《垂直斗式提升机》标准设计制造,与传统D型斗提机相比,输送效率高,料斗形式多,应优先选用。
(二)技术参数注:1、表中斗容为计算斗容,输送量按填充系数0.6计算得出。
2、斗提机料斗用途:浅料斗:输送潮湿、易结块、难抛出的物料,如湿沙、湿煤等。
深料斗:输送干燥的、松散的、易抛出的物料,如水泥、煤块、碎石等。
1(三)TD型斗式提升机外形尺寸图2TD型提升机动力参数3订货型号编写订货型号包括:型号及料斗形式-驱动号-上下轴距(m)-左右装。
例如:TD315型、深斗Sd、驱动号C2、上下轴距20.04m、右装斗提机型号为:TD315Sd-C2-20.04-右装1.驱动装置2.上部区段3.中部机壳4.挡板5.带斗6.下部区段D型提升机结构参数D型提升机动力参数5订货型号编写订货型号包括:型号及料斗形式-进卸料口形式-检视门位置-驱动号-上下轴距(m)-左右装。
例如:D160型、浅斗Q、卸料X1进料J1、检视门K1Z1、驱动号C1、上下轴距11.42m、右装斗提机型号为:D160Q-X1J1-K1Z1-C1-11.42-右装二、TH型、HL型斗式提升机(一)概述TH、HL型环链式提升机适用于垂直输送琢性较大的粉状、粒状、及小块状的物料,如粮食、煤、水泥、碎矿石等,输送高度最高40m,其特点为:结构简单,运行平稳,掏取式装料,混合式或重力卸料,轮缘采用组合链轮,更换方便,链条经特殊处理寿命长,下部采用重力自动张紧装置,能保质恒定的张力,避免打滑或脱链,同时在料斗遇阻时,有一定的容让性能够有效地保护运动部件,物料温度不超过250℃。
洛阳盛豫重工机械有限公司 斗提机安装说明书安装使用说明书洛阳盛豫重工机械有限公司斗式提升机型号:目录一、斗式提升机的用途及特点 (2)二、斗式提升机的型号及结构图 (2)1、斗式提升机的规格型号 (2)2、斗式提升机的部件组成 (2)三、斗式提升机的安装、调试及维护 (3)1、设备的安装 (3)2、设备的调试 (4)3、负载运转 (4)4、设备的维护 (5)四、斗式提升机的故障处理 (6)五、易损件及备品备件清单 (7)一、斗式提升机的用途及特点斗式提升机是通过挂在链条或胶带上的料斗将进入斗式提升机底部的物料掏取后提升 至顶部经离心力从出料口抛出的输送设备。
斗式提升机有胶带式、链条式二大类型。
斗式提升机结构简单、密封性好、安装维修方便、使用寿命长。
由于具有良好的密封性,对改善工人的操作条件和防止环境污染等方面都有较突出的优点<二、斗式提升机的型号及结构图(一)斗式提升机有DT D 二大系列6种规格(见表1) (表1)系列型号链式(DT ) DT30 DT45 NE50 NE100 胶带(D ) D160 D250 D350 D450 (二)斗式提升机部件组成总装图(图1) 三、斗式提升机的安装、调试及维护安装工作必须有钳工、起重工、电工、电焊工等专业工人参加,安装时首先要用水平 仪找平基础和安装支架的水平度,然后使之固定。
1设备的安装E J}'= ------1 1:!T ■iJ h 丄1十1 1 4- 1 VTpFl根据安装图对设备进行拼装,机尾部件就位时要确保其中心线的位臵及水平在自由公差范围内,然后按图及各中间壳体上的编号逐节安装至机头部件。
每安装一节都安用线锤测量及水平仪找准,不允许接口法兰和导轨处有上下、左右的错移,以保证链条、料斗运行时不致产生卡碰现象。
对于需要重新组装焊接等组件,按出厂时各部件连接标记及图纸顺序安装,并符合规定安装完毕后用测量仪器找准,使其头部与尾部(头轮与尾轮),垂直度,直线度符合要求(表2)(表2)由于转轮在壳体内部不便测量,因此首先要对斗式提升机的外形进行测量调整,并满足表(3)的偏差要求:(表3)在设备安装调整到位后,将斗提机的加固支架定位焊死,使斗提机不能晃动。
斗式提升机说明书安全操作规程斗式提升机是一种常用的物料输送设备,主要用于自动化生产流程中的物料储存和输送。
本文是一份斗式提升机的安全操作规程,旨在提醒操作人员注意操作中的安全问题,减少事故发生的可能性。
操作前准备在进行斗式提升机的操作前,必须对设备进行检查,确认设备处于安全状态。
以下是操作前的准备工作:1. 检查斗式提升机的电气设备在操作前,必须检查电气设备是否正常工作。
应检查所有电源连接、电缆、接头和开关。
确保所有部件没有松动或腐蚀。
如果发现任何问题,应立即通知维修人员解决问题。
2. 检查斗式提升机的液压设备在操作前,必须检查液压设备是否正常工作。
应查看启动和停止按钮是否可靠。
必须确认设备缸体在机器正常运行期间不泄漏液体。
如果发现任何问题,应立即通知维修人员解决问题。
3. 确认本人安全在操作前,操作人员必须以适当的方式穿着个人保护装备。
这应包括钢盔、安全鞋、耳塞和眼睛保护镜等。
如果操作人员没有适当的保护装备,则不能进行操作。
4. 检查斗式提升机的操作面板在操作前,必须检查斗式提升机的操作面板。
应检查所有控制器和指示器的功能是否良好。
必须确认所有开关和按钮都被正确地标识。
如果任何控制器或指示器未能正常工作,则必须通知维修人员解决。
操作中在操作中,操作人员必须严格遵守以下规则:1. 禁止站在斗式提升机运行的下方斗式提升机进行运行时,下方区域必须完全清空。
操作人员必须远离斗式提升机,并避免站在设备的下方。
2. 禁止进入斗式提升机斗式提升机进行运行时,操作人员禁止进入设备或在设备内同时进行操作。
3. 确保物料不会堆积在斗式提升机的入口处在运行斗式提升机时,必须确保物料没有堆积在设备的入口处。
必须确保物料的运输方向清晰,以防止在设备运行时减速或导致其他问题。
4. 禁止修理或调整运行中的设备当斗式提升机在运行时,操作人员必须禁止进行任何维修和调整设备的活动。
如果需要修理或调整设备,则必须停机并等待设备安全地关闭。
斗式提升机使用说明书一、斗式提升机特点与用途特TD/TG系列斗式提升机具有占地面积小,提升高度高,输送量大,动力消耗低和密封性好等特点。
适用于作粮食、食品、饲料、矿山、工业等粒状和粉状物料垂直输送设备。
二、设备结构及外形尺寸1、机脚;2、进料斗;3、机座;4、机筒;5、调节机构;6、料斗带;7、料斗;8、观察窗;9、机头;10、机头盖;11、逆止器;12、电机三、斗式提升机安装1、安装提升机应首先固定好机座,机座应固定在可靠的基础上,然后在机座上依次连接机筒,最后连接机头和安装减速电机。
2、整机安装校直后,机筒在穿过楼层处必须与楼板固定,若附着物,应安设支承机壳的支架,以防止整个机器倾斜和位移。
3、机筒连接允许垫入密封垫,以保证密封。
4、提升机的料斗按要求安装在料斗带上,装好料斗的料斗带两端分别从机头放入。
绕过头轮和底轮,早操作孔处进行连接。
在装置料斗带时。
应将底轮调至最高位置。
5、校正头轮轴至水平,并使头轮轴和尾轮轴位于统一垂直平面内。
6、斗式提升机为垂直输送设备,头轮、底轮、机筒的中心线应力求在同一铅垂线上,其偏差每米长度不超过2毫米,积累偏差不超过8毫米。
7、料斗装于提升机内,不应有偏斜造成碰撞机壳现象发生。
8、张紧装置应保证料斗带具有均匀的正常工作所必须的张紧力。
9、当提升机安装完毕后,应向各润滑部位加注润滑油,进行空载试车,空载试车正常后,方可进行负载试车和投入生产。
五.斗式提升机操作1、提升机应在空载下启动,待运转正常后,方可向提升机进料,进料应是均匀的。
以免机座内被物料堵塞,若发生堵塞,必须立即停止进料,拉开插板,清除机座内堵塞物料(严禁将手伸进机座内扒料),待料斗带运转正常后再重新进料。
2、停车前,应先停止进料,待物料基本卸空后才能停车。
3、料斗带跑偏或打滑可调节机座上的调节丝杆。
六、斗式提升机维护和保养为延长设备使用寿命,保证正常运转,应对紧固件料斗等定期进行检查,发现磨损或变形等机件,应即时修理或更换,并注意保持轴承有良好的润滑。
斗式提升机的操作使用详细介绍1、斗式提升机必须牢固地安装在坚固的砼基础上。
砼基础的表面应平整,并呈水平状态,保证斗式提升机安装后达到垂直要求。
高度较高的斗式提升机在其中部机壳和上部机壳的适当位置应与其相临的建筑物(如料仓、车间等)连在一起以增加其稳定性。
安装时先安装下部部件,固定地脚螺栓,然后安装中部机壳,后安上部机壳。
机壳安装成功,校正垂直度。
在全高上下用铅直线测量,误差应小于10mm。
上下轴应平行,其轴心线应在同一平面内。
高度较低的斗式提升机安装时,可以在地平面把上、中、下机壳全部连接并较正好,然后整体吊直固定在砼基础上。
2、机壳安装好后,安装链条及料斗。
料斗链接用的U型螺丝,既是链条接头,又是料斗的固定件。
U型螺丝的螺母一定要扭紧并可靠防松。
3、链条及料斗安装好以后,进行适当张紧。
4、给减速机及轴承座分别添加适当数量的机油和黄油。
减速机用工业齿轮油润滑。
轴承座内用钙基或钠基黄油均可以。
5、试运转,安装完成后即应进行空车试运转。
空运转应注意:不能倒转,不能有磕碰现象。
空运转不小于2小时,不应有过热现象,轴承温升不超过250C,减速机温升不超过300C。
空运转2小时后,一切正常即可进行负荷试车。
带负荷试车时喂料应均匀,防止喂料过多,堵塞下部造成“闷车”。
维护事项1、斗式提升机应空负荷开车。
所以每次停机前应排尽所有料斗内的物料,然后再停车。
2、不能倒转。
倒转即可能发生链条脱轨现象,排除脱轨故障很麻烦。
3、均匀喂料。
禁止突然增大喂料量。
喂料量不能超过提升机的输送能力。
否则容易造成底部的物料堆积严重时发生“闷车”事故。
4、及时适量补充润滑油。
5、链条和料斗严重磨损或损坏时应及时更换。
安全规程1、提升机由人员进行维护和管理,电源开关箱的钥匙由人员管理。
2、提升机必须有卷扬限制器和行程限位器,限制器应使滑轮在提升到距离卷筒或滑轮300mm以前时能自动停止。
3、提升机应有最大负荷标志,在提升、降落时重量不许超负荷(1T)。
几3力」用滿獅WjmMis 禺诫腑加师国注咖鞘蒯附加朋M 谢他浹(L覘D 妙拗Hi 狮爾狀因2占蹴 九柳机兑 4成申 夕檜椒 6.料牛7 . TfM目录1、用途及特点 (2)2、结构说明、外形图与外形尺寸.......................... ..23、提升机的技术规范 (5)4、本机订货代号的写法.................................... ..65、提升机成套表及H和L值............................... ..76、提升机工作原理与结构特征 (15)7、提升机的安装,调整和试运转.......................... ..15 &提升机的使用维护事项. (16)9、滚动轴承目录17D 型胶带离心斗式提升机一、用途及特点本系列提升机为垂直斗式提升机,它适用于向上输送粉状、粒状、小块状的无磨琢性或半磨琢性的散状物料,如煤、砂、焦末、木屑、水泥、白粉、碎块、矿石等。
本机的特点为快速离心卸料,并采用胶带作为牵引机件,故不适用于输送大块、磨琢性高以及揭取阻力大的物料。
被输送物温度不应超过60C,如采用耐热胶带允许150C。
本机共有四种规格:D160;D250;D350;D450。
本机的输送量在 3.1~6立方米/小时。
我厂生产提升机高度大约在4~30米范围内。
二、结构说明,外形图与外形尺寸(一)本机系垂直胶带离心式:它由牵引机件(系采用挠性输送胶带)、料斗、带有传动滚筒的上部驱段、带有拉紧滚筒和螺旋拉紧装置的下部驱段、中间有机壳和传动装置所组成;其运行部分(牵引机件和料斗)在整个高度中,均封闭在机壳内。
在下部驱段上装置一进料口,输送物料由下部驱段进料口加入底部而被运动着的料斗所揭取提升向上,通过传动滚筒借离心力和物料重力的共同作用进行卸料,输送物料由上部驱段出料口泻出。
传动装置位于提升机上部,系用J0型电动机(出口采用J02型),三角皮带传动轮,LQ型减速器,平衡联轴器及其安装的底座所组成,整个传动装置固定在上部传动的机壳上(见图1),再通过传动装置带动传动滚筒和牵引机件连续运转。
斗式提升机安装使用说明书安装使用说明书斗式提升机一、斗式提升机的用途及特点斗式提升机是通过挂在链条或胶带上的料斗将进入斗式提升机底部的物料掏取后提升至顶部经离心力从出料口抛出的输送设备。
斗式提升机有胶带式、链条式二大类型。
斗式提升机结构简单、密封性好、安装维修方便、使用寿命长。
由于具有良好的密封性,对改善工人的操作条件和防止环境污染等方面都有较突出的优点。
二、斗式提升机的结构图(一)斗式提升机部件组成总装图(图1)三、斗式提升机的安装、调试及维护1、设备的安装根据安装图对设备进行拼装,机尾部件就位时要确保其中心线的位置及水平在自由公差范围内,然后按图及各中间壳体上的编号逐节安装至机头部件。
每安装一节都安用线锤测量及水平仪找准。
安装完毕后用测量仪器找准,使其头部与尾部(头轮与尾轮),垂直度,直线度符合要求(表2)(表2)注:K值为头、尾轴的偏心距由于转轮在壳体内部不便测量,因此首先要对斗式提升机的外形进行测量调整,并满足表(3)的偏差要求:在设备安装调整到位后,将斗提机的加固支架定位焊死,使斗提机不能晃动。
安装链条前要打开斗提机斗部罩壳,将预先安装好的链条由机头链轮装入,再从机尾作业口处用销轴把链条连接。
料斗从机尾装入,并从链条提升的一侧装起,这样由于防逆转装置的作用链条不会因料斗的自重引起转动而发生危险。
2、设备的调试设备空载试车前要注意检查以下几方面内容:①减速机注满68#液压油。
②电机减速机转向要正确,减速机的出轴应顺时针转动。
由于主轴上有防逆转装置,因此减速机出轴转向不正确将引发事故。
有时减速机安装方式可能有变化,为确保安全可靠,最好在试车前将防逆转装置脱开,待确定转向正确后再将其装好。
③检查壳体内是否有异物,如焊条、边角料。
3、设备的维护①向斗式提升机各部分给油,根据表4,本表为一天8小时运转计算。
②斗提机开机后2-3秒后方允许有物料进入,斗提机进料停止5分钟后才能使其停机。
③经常检查转动滚子链及斗链的运转及磨损情况,及时调整,发现隐患及时处理。
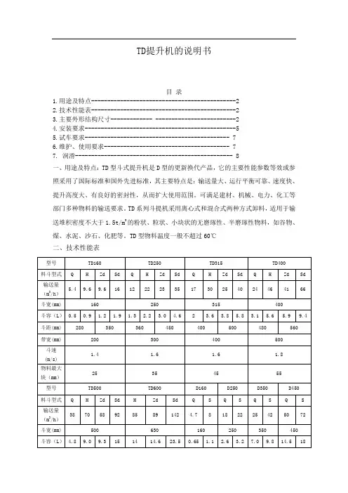
TD提升机的说明书目录1.用途及特点---------------------------------------------22.技术性能表---------------------------------------------23.主要外形结构尺寸------------- -------------------------24.安装要求-----------------------------------------------55.试车要求--------------------------------------------- 76.维护、使用要求--------------------------------------- 77. 润滑------------------------------------------------- 8一、用途及特点:TD型斗式提升机是D型的更新换代产品,它的主要性能参数等效或参照采用了国际标准和国外先进标准,其主要特点是:输送量大、运行平衡可靠、速度快、提升高度大、有良好的密封性,从而扩大使用范围。
可满足建材、机械、电力、化工等部门多种物料的输送要求。
TD系列斗提机采用离心式和混合式两种方式卸料,适用于输送堆积密度不大于1.5t/m3的粉状、粒状、小块状的无磨琢性、半磨琢性物料,如谷物、煤、水泥、沙石、化肥等。
TD型物料温度一般不超过60℃二、技术性能表2、料斗用途:浅料斗:输送潮湿、易结块、难抛出的物料,如湿料、湿煤等。
深料斗:输送干澡的、松散的、易抛出的物料,如水泥、煤块、碎石等。
三、主要外形结构尺寸TD型斗式提升机备有四种料斗:Q型(浅斗)、H型(弧底斗)、Zd型(中深斗)、Sd型(深斗)。
斗提机外形结构见图1,主要尺寸见下表地脚孔a8 200 250 300 300 400 400 380 b8 310 400 538 648 768 900 1020 n8 8 8 8 8 8 8 10 d3 Φ18 Φ18 Φ18 Φ18 Φ22 Φ22 Φ30上、下机壳及外形轮廓H3 970 1185 1320 1488 1500 1655 1750 H6 1210 1500 1800 1800 2000 2300 2500 A2 692 985 1175 1200 1350 1410 1590 A6 776 996 1266 1266 1558 1610 1890 A7 1050 1235 1600 1700 1980 2200 2500 B2 220 295 394 440 535 650 660 B4 370 461 596 706 828 980 1110 B5 330 475 610 710 835 1000 1110中部机壳A4 776 982 1152 1254 1548 1570 1850 A5 805 1021 1302 1400 1580 1630 1910 B3 390 525 682 794 920 1040 1160卸料口H1 520 630 750 795 850 1000 1200 A3 438 548 713 763 824 885 1045 a1 334 365 600 560 670 700 700 a2 120 150 200 230 295 355 300 a3 390 431 676 638 758 800 1000 b1 224 315 450 560 670 780 900 b2 95 150 200 230 295 300 280 b3 280 381 526 638 758 800 1000 n1 12 12 12 12 12 12 14 d1 Φ12 Φ12 Φ12 Φ12 Φ14 Φ18 Φ18进料口H5 900 1000 1320 1320 1600 1600 1885 a4 280 260 355 400 450 500 560 a5 80 43 58 80 100 65 85 a6 100 110 150 160 175 210 160 a7 19 26 45 38 40 40 30 b4 220 260 320 400 450 500 630 b5 100 110 155 160 210 220 160 b6 250 306 370 460 510 550 700 n2 9 9 9 9 9 9 12 d2 Φ10 Φ12 Φ12 Φ12 Φ14 Φ14 Φ14四、提升机安装要求:1、主轴的水平度不应大于0.3/1000;2、胶带提升机上、下轴安装的允许偏差(图2)应符合表1的规定;胶带提升机l 一上轴;2一下轴;n 一测量铅垂线;B 一机壳内最大可测距离(mm);H —上、下轴的距离 图2 提升机上、下轴安装表1 胶带提升机上、下轴安装的允许偏差1一上链轮轴;2一下链轮轴;n 一测量铅垂线;H —上、下轴的距离3、滚筒组装后,转动应轻便灵活;4、 机壳铅垂度 (图3)应符合表2的规定;1一机壳;n 一测量铅垂线;H —上、下轴的距离 图3 机壳组装表2 机壳铅垂度允许偏差5、机壳上部区段、中部区段、下部区段和检视门均应密封良好。
斗式提升机操作维护说明书斗式提升机用于分别将热骨料和粉料提升到震筛和称量装置的水平面上。
这些提升机均按照相同原理制成,从使用与维护的角度来看,没有什么明显的差别。
A——机械构造(参见图1)在承载结构(1)(也起构架作用)中的吊斗被固定在两条平行链(3)上,且在并排的滑轮(4)(链轮)上运行。
通过作用于脚轴及滑行于垂直导杆(7)上的支架(6)上的弹簧(5)使链拉紧。
弹簧的张力可由螺旋调节器(8)进行调节。
驱动轴(9)经传送带(11)及装在减速箱(12)上的摆动扭矩臂轴受电机(10)驱动。
B——控制装置和仪表操作台上:-启动和停止按钮(控制每一个提升机)均带有一相关的指示灯。
C——检查-调节-维护(参见图1)C1)链张力合适的张力可以避免运行时打滑。
要检查张力,应移开侧观察板。
用手摇动链时,链应略显刚性。
如果需要,可用调节器(8)确保两边的活动板(13)和固定板(14)保持平行和相等的距离。
一个实用的方法是在调节时每个调节器都转动相同的圈数。
每次调节,弹簧压缩一定不能超过50%,链磨损后,脚轴支架接近导杆下限,最好更换新链,并检查是否有必要更换链轮和吊斗。
可以减少每条链上的一或二个链节,以校正由于磨损而造成的链过长,但这不是十分合理的一种方法。
在工作过程中,如果注意到驱动轴或从动轴每转动一圈,支撑(6)就产生相当大的振动,那么链轮可能为椭圆形。
C2)更换吊斗或改变链长卸下斗门,靠近开着的斗门,取出待更换的吊斗和链。
更换吊斗时只需拧开固定它的四个螺母即可。
如果吊钩(15)也要更换,要彻底地拧松调节器(8),并抬起被动轴将链放松。
要保证一次性换好吊钩,防止链脱落。
C3)更换链最快且最简便的方法是在吊斗保持原状的情况下,从提升机上部同时取下两条链。
这步操作需要一个带一条合适长度的转动臂的吊车,可分为以下几个阶段进行:1)卸下上部壳体2)在可能的最高点吊起两条链3)举起被动轴并卸下吊斗及相应的吊钩(见C2)。
提升机说明书一、电源接通将电源空气开关接通,按下操作箱面板上的电源开关,指示灯亮,设备进入准备工作状态。
二、操作办法1、提升机上升提升机翻转架停在下限位置,将装满物料的料车平稳地推入翻转架中,料车两侧角板全部进入滑槽,且前端面与翻转架吊臂轴接触靠实,然后按电控箱控制面板“提升”按钮,升降翻转架带动料车上升,这时翻转架上的调整架自动下垂挡住滑槽端口,避免料车滑出。
当导轮臂上导轮进入滑动架导槽后,升降翻转架开始翻转同时继续上升,并将物料倒入相应的设备料斗中,升降架上端碰到上限位置的行程开关时,翻转架自行停止动作,此时提升上料工作结束。
安全提示:严禁超载运行,以免发生事故!2、提升机下降提升机同时反向转动,当导轮脱开滑动架导槽后,料车恢复水平状态继续下降,待翻转架下行至设定极限位置,下限行程开关动作,翻转架自行停止工作,操作人员可推出料车,完成此次加料过程。
在上升和下降过程中,随时松开按钮开关可在任意位置停止。
3、关机和急停正常关机:工作结束后,翻转架置于下方极限位置,按下操作面板电源开关,指示灯灭。
急停:提升或下降过程中。
如遇紧急情况或故障时,应立即松开所按钮的“上升”或“下降”按钮开关,按下“急停”开关,电源断开。
三、维修与保养维修及操作人员在维修、保养、清洗时应带防护手套操作。
1、清洗操作每天工作结束后,做清洗工作。
首先要停机断电,将控制柜关严,防止进水。
清洗设备表面的油渍污物,用热水、毛刷将提升机外表面及各部位洗刷干净。
如用清洁剂清洗,应再用清水冲洗,以防残留的清洁剂对食品的污染。
DF-300型切片切丝机使用说明书1、本机设有旋钮控制开关,设有开始、停止两档。
工作前确保旋钮开关指向停止档位后接通电源,将开关旋至开始机器开始运转。
加工前请将需加工产品分割为大小不超过入料口尺寸的块状或片状。
1.刀组安装:a.打开机器上盖,手握上刀组两侧把手,拿起上刀组。
b.根据定位块位置,将刀组放置与定位块形成的卡槽内,靠紧定位块。
D型斗式提升机一、主要用途D型斗式提升机是由胶带料斗作垂直提升的输送设备。
适用于输送粉状、颗粒、小块状的无琢磨性的松散物料。
如煤、砂、焦、末、水泥、碎石、谷物、面粉。
本机具有占地面积小;提升高;范围大(4—30米),机构简单,运行可靠等特点。
被输送物料温度不得超过60℃。
二、型号示例D——250料斗宽度(毫米)胶带牵引斗式提升机三、性能规范驱动装置的型号和规格四、提升机的安装与试车1、按要求打好地基、装好地脚螺栓,地面要求水平,螺帽要拧紧。
2、安装时,每层顶面要检查是否水平,总高度上要求铅垂,每层连接螺栓要牢固可靠,机体中部设定位装置以防侧向移动。
3、底座安装中,注意驱动轴与减速机轴对中,然后再焊接支架。
4、调整皮带的松紧程度。
5、检查减速机的润滑油面,对各润滑点打入润滑脂。
6、接通电源。
7、空载试车,检查有无碰撞、摩擦、温升过高和其他不正常现象,试车时间不少于30分。
8、负荷试车,检查声响和温度。
五、使用须知1、空载起动,为此停车前应停止供料,起动后,再开始供料。
2、及时润滑。
3、注意加料均匀。
4、发现敲击、抖动和其他不正常现象,应停车检查,排除故障,不要强行运转。
六、订货须知订货时根据成套表“6”、“7”或“8”选好高度和各种制法、装法、按以下格式编写本机的订货代号。
例如:D250型,高度=11.66米,具有Q、X2、J2、K5、Z2、C3的右装斗式提升机的订货代号为:D250Q-X2J2-K2Z2-C3-11.66右装斗提机。
如果斗提机不带动驱动装置,则在斗提机订货代号内将驱动装置的代号去掉,并在订货代号后面加注“不带驱动装置”字样。
斗式提升机使用说明书石家庄五环矿山设备有限公司。
斗式提升机说明书河北宏泰环保工程有限公司电话:3####TD系列斗式提升机产品概述:TD系列斗式提升机适用于垂直输送粉状、粒状、及小块状的磨吸性较小的散状物料,如粮食、煤、水泥、碎矿石等,提升高度最高40m。
TD系列斗式提升机严格按照JB3926-85《垂直斗式提升机》标准设计制造,目前国内常用的斗式提升机均为垂直式。
TD系列斗式提升机特点为:结构简单,运行平稳,挖取式装料,离心重力式卸料,物料温度不超过60℃;TD系列斗式提升机与传统D 型斗式提升机相比输送效率高、料斗形式多,应优先选用。
TD型斗式提升机备有四种料斗,即:Q型(浅斗)、H型(弧底斗)、ZD型(中深斗)、SD型(深斗)。
TD系列斗式提升机主要特点:1.提升范围广,这类提升机对物料的种类、特性要求少,不但能提升一般粉状、小颗粒状物料,而且可提升磨琢性较大的物料.密封性好,环境污染少。
2. 驱动功率小,采用流入式喂料、诱导式卸料、大容量的料斗密集型布置.在物料提升时几乎无回料和挖料现象,因此无效功率少。
3.使用寿命长,提升机的喂料采取流入式,无需用斗挖料,材料之间很少发生挤压和碰撞现象。
本机在设计时保证物料在喂料、卸料时少有撒落,减少了机械磨损。
4. 运行可靠性好,先进的设计原理和加工方法,保证了整机运行的可靠性,无故障时间超过2万小时。
提升高度高.提升机运行平稳,因此可达到较高的提升高度。
TD系列斗式提升机基本结构:TD型斗式提升机由运行部分(料斗与牵引胶带),带有传动滚筒的上部区段,带有拉紧滚筒的下部区段,中间机壳,驱动装置,逆止制动装置等组成,适用于向上输送松散密度ρ<1.5t/m3粉状、粒状和小块状的无磨琢性和半磨琢性散状物料,如煤、砂、焦末、水泥、碎矿石等。
TD型斗式提升机结构形式为:TD型斗提升机的传动装置有两种形式分别配有YZ型减速器ZQ(或YY)型减速器。
YZ 型轴减速器直接装在主轴轴头上,省去了传动平台、联轴器等,使结构紧凑、重量轻,而且其内部带有异型辊逆止器,逆止可靠。
斗式提升机使用说明书一、综合概述斗式提升机是利用均匀固接于无端牵引构件上的一系列料斗,竖向提升物料的连续输送机械,是磨机的配套设备,用于向磨机输送物料。
二、垂直斗式提升机的特点、结构形式及用途提升机由上部区段、中间机壳、运行链斗、下部区段等组成(见附图),具有以下特点:1、输送量大,能耗低;2、传动装置采用具有自锁功能的蜗轮蜗杆减速器,结构紧凑,使系统工作稳定;3、牵引件采用低合金钢圆环链,经过合理热处理后的圆环链,具有很高的抗拉强度和耐磨性,使用寿命长。
斗式提升机为混合式卸料,掏取式入料,适用于输送堆积密度不大于1.5t/m3粉状、粒状、小块状的低磨琢性物料,物料温度不超过100℃。
三、斗式提升机的技术参数(点击查看)四、斗式提升机的安装说明(1)提升机在安装前,应妥善保管,避免日晒雨淋、防水、防锈。
(2)减速机使用前应加注N220润滑油至油标中心点之上,并取掉通气器上的小锥塞,首次使用100小时后,洗净内部换上新油,以后2500小时换油一次。
(3)提升机为垂直式提升机,其基础承受着设备的全部重量,安装前必须对基础布置进行检查。
提升机以下混凝土长不低于2000mm,宽不低于1600mm,高不低于600mm。
基础应采用高标号水泥,混凝土标号不低于200。
工作现场应有3~5吨起吊工具,起吊高度应大于设备总高,供安装及维修用。
(4)提升机安装按以下顺序进行:在基础上根据图纸安设基础螺栓,然后将下部区段牢固地安装于基础上,在下部区段上联接中间机壳,联接完毕后再联接上部区段,安装完后用手转动减速器高速轴端,以检查各机组转动是否灵活、松动。
(5)为防止提升机向侧面偏移,必须在上部区段设支持装置,该装置应牢靠地固定于提升机附近的建筑物上,而不应限制提升机在垂直方向上的自由伸缩。
若高度过大,应在中部区段安放同样的支持装置。
(6)提升机的金属构件装设完毕后,开始安装料斗和链条,注意各料斗入料口方向应一致,料斗运转方向不得装反,最后安装上罩壳即可。
课程设计字第院(系)专业班级姓名x x x x x年月日课程设计任务书材料科学与工程学院材料科学与工程专业学生姓名学号课程设计题目: 斗式提升机得选型设计课程设计内容与要求:1、设计基本参数1)输送物料:输送粘土熟料,粒度<40mm,密度ρB=1、4g/cm3 2)布置要求:垂直输送,提升高度42m3)输送量:45 m3/h;料仓为3×3m4)下料溜管横截面为圆形2.设计要求1)对斗式提升机进行选型计算2)溜管与方圆接头设计下料速度:1、8m/s;下料量:Q=3600Fv m3/h;溜管得直径≮200mm;方圆接头角度<15°3)料仓设计4)绘制立面图,平面图,设备订货单,预留孔,基础图,进出口图;撰写设计说明书3.绘图要求按土建制图标准进行4.参考资料水泥工厂设计手册,粉体工程及设备5.绘图工具计算机(AutoCAD)绘图目录1 前言 (2)1、1 斗式提升机得简介 (2)1、2 斗式提升机得特点(优缺点) (4)1、3 斗式提升机得应用 (5)2 选型计算与校核及各种系数得确定 (5)2、1 斗式提升机输送能力得计算 (5)2、2 电机功率大小得计算选择 (6)3 斗式提升机得布置与确定 (8)3、1 检视门 (8)3、2 进料口... ... (8)3、3 卸料口... ...... (8)3、4 传动装置置法... ... (8)4 基础尺寸得确定 (8)地脚孔尺寸得确定... ... (8)5 设备得运行与维修 (9)5、1斗式提升机得安全操作规程 (9)5、2斗式提升机得维护保养 (9)6 参考资料 (10)致谢...... (11)1 前言1、1 斗式提升机得简介斗式提升机作为一种应用极为广泛得垂直输送设备[1],已经广泛应用于粮食、饲料及种子加工业。
斗式提升机具有输送量大,提升高度高,运行平稳可靠,寿命长显著优点,其主要性能及参数符合JB3926----85《垂直斗式提升机》(该标准等效参照了国际标准与国外先进标准),牵引圆环链符合MT36----80《矿用高强度圆环链》,本提升机适于输送粉状,粒状及小块状得无磨琢性及磨琢性小得物料,如:煤、水泥、石块、砂、粘土、矿石等。
斗式提升机说明书一、产品概述斗式提升机是一种常用的垂直输送设备,主要用于将散状、粒状或块状的物料从底部升至顶部的过程。
该机具有结构简单、工作可靠、运行平稳等特点,广泛应用于建筑材料、化工、冶金、矿山等行业。
二、产品结构与工作原理1. 结构:斗式提升机主要由机体、提升机链条、斗板、传动装置、驱动装置和紧急停车装置等组成。
机体由钢板焊接而成,具有足够的强度和刚性。
2. 工作原理:斗式提升机的工作原理是通过驱动装置带动提升机链条和斗板沿提升机的轨道上下运动,实现物料的垂直输送。
在运行过程中,物料由进料口进入机体内,然后被斗板抓取,随着链条的升降运动,物料逐渐向上运送,最终从卸料口排出。
三、使用方法与注意事项1. 安装:在安装斗式提升机之前,首先要确保提升机的基础牢固可靠。
然后按照提升机的安装尺寸要求,正确安装主体结构和驱动装置,同时确保链条调整到适当的张紧度。
2. 使用:在使用斗式提升机之前,要首先对设备进行全面检查,确保各个部件正常运行。
使用时,要按照提升机的额定容量和提升速度进行物料的投入,避免超载运行。
同时,要定期进行润滑保养工作,保持设备的正常运行。
3. 注意事项:1) 在操作斗式提升机时,要注意安全,禁止身体接近机体进料口和卸料口,防止发生事故。
2) 在运行中,如有异常情况或异常噪音,请立即停止使用,并进行检修。
3) 禁止在提升机正常运行时对设备进行任何改动或维修,以免发生意外。
4) 定期检查提升机链条的磨损程度,及时更换磨损严重的链条,以保证设备的正常运行。
四、维护与保养1. 润滑:定期对斗式提升机进行润滑保养工作,按照设备厂家提供的润滑图纸或说明书,对各个润滑点进行润滑。
同时要确保添加的润滑油质量和用量符合要求。
2. 清洁:定期对斗式提升机进行清洁,清除积尘和杂物。
清洁时要注意安全,关闭设备电源,并采取必要的防护措施,以免发生意外。
3. 检修:定期开展设备的全面检修,包括检查链条的磨损程度、传动装置的工作状态、电气部件的连接情况等,对发现的问题及时处理。
1、用途及特点 (2)
2、结构说明、外形图与外形尺寸.......................... ..2
3、提升机的技术规范 (5)
4、本机订货代号的写法.................................... ..6
5、提升机成套表及H和L值............................... ..7
6、提升机工作原理与结构特征 (15)
7、提升机的安装,调整和试运转 ......................... ..15 &提升机的使用维护事项.. (16)
9、滚动轴承目录17
D型胶带离心斗式提升机
一、用途及特点
本系列提升机为垂直斗式提升机,它适用于向上输送粉状、粒状、小块状的无磨琢性或半磨琢性的散状物料,如煤、砂、焦末、木屑、水泥、白粉、碎块、矿石等。
本机的特点为快速离心卸料,并采用胶带作为牵引机件,故不适用于输送大块、磨琢性高以及揭取阻力大的物料。
被输送物温度不应超过60C,如采用耐热胶带允许150C。
本机共有四种规格:D160; D250; D350 ; D450。
本机的输送量在 3.1~6立方米/小时。
我厂生产提升机高度大约在4~30米范围内。
二、结构说明,外形图与外形尺寸
(一)本机系垂直胶带离心式:它由牵引机件(系采用挠性输送胶带)、料斗、带有传动滚筒的上部驱段、带有拉紧滚筒和螺旋拉紧装置的下部驱段、中间有机壳和传动装置所组成;其运行部
分(牵引机件和料斗)在整个高度中,均封闭在机壳内。
在下部驱段上装置一进料口,输送物料由下
部驱段进料口加入底部而被运动着的料斗所揭取提升向上,通过传动滚筒借离心力和物料重力的共同作用进行卸料,输送物料由上部驱段出料口泻出。
传动装置位于提升机上部,系用J0型电动机(出口采用J02型),三角皮带传动轮,LQ型减
速器,平衡联轴器及其安装的底座所组成,整个传动装置固定在上部传动的机壳上(见图1),再通
过传动装置带动传动滚筒和牵引机件连续运转。
为了防止偶然停电,造成运行部份反向运转而将料斗中的物料倾倒于下部驱段,造成下部驱段的物料阻塞现象,特在减速器的主动轴(高速轴)上装有逆止制动装置。
(二)本机具有各种不同的制法和装法:1•按提升机料斗型式分为两种制法:
S制法----带有深圆底型料斗Q制法----带有浅圆底型料斗
2•按上部驱段卸料口的型式分两种制法:
X i制法—带有倾斜式法兰盘的卸料口
X2制法—带有水平式法兰盘的卸料口
3、按下部驱段进料口的型式分为两种制法:
J i制法一一进料口的斜面与水平面成45 °角;
J2制法------进料口的斜面与水平面成60°角;
4、按中间机壳侧面检视门的位置分为四种制法:
K1制法--- 中间机壳侧面带有下端左检视门;
K2制法——中间机壳侧面带有下端右检视门;
K3制法--- 中间机壳侧面带有上端左检视门;
K4制法——中间机壳侧面带有上端右检视门;
5、按中间机壳端面检视门的位置分为两种制法:
Z i制法——中间机壳端面带有下端检视门;
Z2制法——中间机壳端面带有上端检视门;
6、按传动装置对提升机的相对位置分为两种装法:即左装和右装。
注:以上各种制法和装法参看图1
三、提升机的技术规范
表4中列出D型提升机的输送量对于“ S”制法的料斗是按充满系数$ =0.6计算的,而对于Q ”的制法之料斗是按充满系数$ =0.4计算的。
表4
当充满系数$ =1时,对于各种输送物料I型提升机的最大许用高度以及与此相适应的传动滚筒轴上所需的功率N列于表5、6中。
带有“ S”制法的料斗按充满系数$ =1时表5
7
四本机订货代号的写法
本机订货时应提出其规定代号:其规定代号是根据选好的高度H和提升机的各种制法编成,
例如:D160提升机其高度H=24.62米、右装X!、J2>心、C2制法,其规定代号为:右装提升机D160 S! -----X i J----K 3 Z i----C 2 -----24.62。
如果提升机不带传动装置,则在提升机规定代号内将传动装置的代号除掉,并在其规定代号的后面加注“不带传动装置字样”。
五提升机成套表及H和L值
D160 见表9;D250 见表10;D350 见表11;D450 见表12。
D160提升机成套表表9
D250提升机成套表表10
11
续表12
六工作原理与结构特征
本提升机的特点为垂直离心式提升机。
采用运输胶带为牵引机件,料斗用皮带螺钉固定在运输胶带上,用自然流入和掏取方法进行装载、由工作边自下向上输送物料、经传动滚筒用离心法卸载。
本提升机由传动平台、上部驱段、中间机壳、运输胶带、防偏挡板、料斗、下部驱段、传动装置等部分组成。
(一)传动平台:由槽钢、角钢、钢板等件焊接组成,用螺栓固定于上部向躯段上。
(二)上部躯段:由机壳、出料口、左、右半罩、传动滚筒组等结构件和装配件组成。
(三)中间机壳:由角钢和钢板焊接成箱体结构件。
为便于检查及观察,具有带门(即K、Z制法)的和不带门的两种。
(四)运输胶带:出厂时按料斗要求冲孔,用皮带螺钉将料斗固定其上。
(五)防偏挡板,由钢板压型制成,安装于中间体机壳内,保证运行部分输送物料平稳运转。
(六)料斗:由钢板焊接组成。
(七)下料躯段由下部机壳、检视门、拉紧滚筒组、进料口等部件组成。
(八)传动装置:由JO2(或Y系列)电动机、三角皮带、三角皮带轮、ZQ型减速器、弹性联轴
器、平衡联轴器,逆止装置等部件组成,传动装置部件用螺栓固定在传动平台上。
七提升机的安装、调整和试运转
(一)安装与调整:
1、据机器的重量和土壤情况,按图1地脚螺栓孔位置图及A3和B4尺寸打好基础,基础平面倾斜不得超过1/1000;
2、检查另部件是否齐全,该清洗的另件进行清洗,润滑部位清洗后加足润滑油;
3、按图1将下部躯段牢固装于基础上,其上端角钢方型法兰倾斜不得大于1/1000,然后逐一安装标准中间机壳或非标准中间机壳及K、Z制法中间机壳,各种中间机壳根据实际需要情况
去调整中间机壳的位置。
中间机壳安装后其上角钢方型法兰平面倾斜均不得大于1/1000,各中间机壳之间允许用石棉橡胶垫板或石棉绳进行调整,使其上角钢方型法兰达到1/1000的要求;
4、安装上部分(包括上部躯段、传动平台、传动部分);
5、安装运输胶带及料斗;
6、安装防偏挡板,与传动滚筒和拉紧滚筒距离不得大于8米;
7、提升机为直立式的,为防止倾斜,必须设支撑中间机壳的支梁并要牢固于附近建筑物上,支梁不应限止提升机在垂直方向上自由伸缩。
为防止传动平台在工作中发生振动,应设支梁固定于建筑物上;
8、借助于螺旋拉紧装置使运输胶带具有正常的工作张力,所以在安装中,除满足运输胶带的
正常张力外,还应使拉紧装置尚有未利用的行程应不小于全行程的50% ;
9、当本机全部安装完毕,进行盘车,转动轻快,无碰撞现象后,可进行试运转。
(二)试运转:
1、空荷试运转:
试车前先松开逆止装置与传动平台联接螺栓,验证电动机旋转方向正确后,将其螺栓联接好,方可进行空荷试运转。
运转中观察运行部分情况,不准发生敲击和卡碰现象;各轴承温升情
况及逆止装置作用是否可靠;所有联接螺栓是否松动。
空荷试运转两小时认为满意后,可进
行6小时负荷试运转。
2、负荷试运转:
空荷试运转后检查所有联接螺栓,将松动的扭紧,按原设计的输送量及拟输送物料制定负荷
试运转方案,并按方案试运转。
负荷试运转中,注意观察传动装置及上下躯段工作情况,运输胶带运行情况,运行速度是否
达到设计要求,料斗的充填情况及输送量情况。
负荷试运转认为满意后可投产使用。
八提升机的使用维护事项
1、提升机在工作中要有一定技术常识和对本机性能熟悉的人员固定看管。
2、本机输送材料特性及输送量遵守本说明书,陈述的一切规定。
3、工作中给料均匀,防止给料过多造成下部躯段阻塞现象。
4、看人员随时观察各部运行工作情况,随时扭紧松动螺栓,绝对禁止在运转中对运动部件的清
扫和维修。
5、下部躯段的拉紧螺栓应调正适宜,保持运输胶带具有正常工作的张力。
注意观察料斗工作
情况,随时更换个别损坏的料斗。
6、对拆换的料斗和运输胶带应报废,原则上不准修复使用。
7、提升机必须在空荷下启动,在卸料完毕后停车。
8、提升机除保持正常润滑,拆换个别损坏零件外,每半年应全面检修一次。
根据运输和平时
检修记录,制定出小、中、大修理周期。
9、提升机各部润滑周期见表13;
表13
九、滚动轴承目录
见表14
表14。