最新建筑工程水电试验记录表填写实例大全
- 格式:doc
- 大小:1.50 MB
- 文档页数:14
室外给水管道安装工程检验批质量验收记录
消防水泵接合器及室外消火栓安装工程检验批质量验收记录
管沟及井室工程检验批质量验收记录
室外排水管道安装工程检验批质量验收记录
室外排水管沟及井池工程检验批质量验收记录
室外供热管道及配件安装工程检验批质量验收记录
架空线路及杆上电气设备安装工程检验批质量验收记录
电线导管、电缆导管和线槽敷设工程检验批质量验收记录
(室外)
施工组织设计(施工方案)报审表
技术交底记录。
施工试验记录内容填写范例2.1灌水试验记录1、试验要求:隐蔽或埋地的排水管道在隐蔽前作灌水试验,其灌水高度应不低于底层卫生器具的上边缘或底层地面高度。
检验方法:满水15min水面下降后,再灌满观察5min,液面不降,管道及接口无渗漏为合格。
2、试验记录:从上午8点开始,排水系统排出口用皮堵冲气堵住灌水,在地面立管管口注水,满水15min水面下降后,再灌满观察5min,液面不下降,检查管道及接口无渗漏现象。
3、试验结论:经检查:排水系统管道无渗漏现象,试验结果符合设计要求和《建筑给水排水及采暖工程施工质量验收规范》(GB50242-2002)的规定,同意验收。
2.2强度严密性试验(给水)1、试验要求:室内给水管道的水压试验必须符合设计要求。
给水管道系统试验压力均为工作压力的1.5倍,但不得小于0.6Mpa。
金属及复合管给水管道系统在试验压力下观测10min,压力降不大于0.02Mpa然后降到工作压力进行检查,应不渗不漏为合格。
塑料管给水系统应在试验压力下稳压1h,压力降不得超过0.05Mpa,然后在工作压力的1.15倍状态下稳压2h,压力降不得超过0.03Mpa,同时检查各连接处不得渗漏。
2、试验记录:试验压力为0.6Mpa,试验用压力表设在室外,从上午9点开始,把管道放净空气,先满水后进行加压,9点12分压力升到0.6Mpa时进行检查,10分钟后压力降为0.01MPa,把压力降至0.30MPa,检查各接口无渗漏现象。
试验压力为0.6Mpa,试验用压力表设在室内,从上午9点开始,把管道放净空气,先满水后进行加压,9点12分压力升到0.6Mpa时进行检查,稳压1h后压力降为0.01MPa。
把压力降至0.45MPa,稳压2h,检查各接口无渗漏现象。
下午1点40分试验结束。
3、经检查:室内给水系统管道在试验压力下无渗漏现象,试验结果符合设计要求和《建筑给水排水及采暖工程施工质量验收规范》(GB50242-2002)的规定,同意验收。
排水管道灌水(通水)试验记录本表由施工单位填写并保存。
给水管道通水试验记录本表由施工单位填写并保存。
卫生器具满水、通水试验记录工程名称:编号:本表由施工单位填写并保存.管道(设备)强度(严密性)试验记录工程名称: 编号:本表由施工单位填写并保存。
管道系统冲洗记录工程名称:编号:本表由施工单位填写并保存。
排水管道通球试验记录工程名称:编号:本表由施工单位填写并保存。
室内消火栓试射试验记录工程名称:编号:本表由施工单位填写并保存.补偿器预拉伸(预压缩)记录水泵试运转记录锅炉烘炉、煮炉和试运行记录采暖系统试运行调试记录锅炉报警及连锁保护装置试验记录高压电气设备及布线系统交接试验记录低压电气动力设备试运行记录双电源自动切换试验记录漏电保护器模拟动作试验记录电气接地电阻测试记录工程名称:编号:本表由施工单位填写并保存。
电气接地装置隐蔽记录工程名称:编号:本表由施工单位填写并保存。
线路绝缘电阻测试记录工程名称:编号:本表由施工单位填写并保存.电缆敷设绝缘电阻测试记录工程名称:编号:本表由施工单位填写并保存。
线路、插座、开关接线检查记录工程名称:编号:本表由施工单位填写并保存。
建筑物照明全负荷通电试运行记录工程名称:编号:本表由施工单位填写并保存。
大型照明灯具吊环承载力试验记录漏电开关模拟试验记录工程名称:编号:大容量电器线路结点温度测量记录工程名称: 编号:本表由施工单位填写并保存。
风管漏光检测记录工程名称:编号:风管漏风检测记录工程名称:编号:洁净室测试记录工程名称: 编号:现场组装除尘器、空调机漏风检测记录工程名称:编号:本表由施工单位填写并保存。
风机试运转记录工程名称:编号:房间室内风量温度测量记录工程名称:编号:本表由施工单位填写并保存。
管网风量平衡调试记录工程名称:编号:甬统表C05—8管道(设备)强度、严密性试验记录甬统表C05—9管道(设备)吹污冲洗试验记录工程名称:编号:甬统表C05-10管道(设备)真空试验记录甬统表C05—11空调制冷系统试运转调试记录本表由施工单位填写并保存.甬统表C05-12空调水系统试运转调试记录本表由施工单位填写并保存。
室内排水管道通球试验记录
防水工程试水检查试验记录
管道设备强度及严密性试验记录
管道设备强度及严密性试验记录
管道设备强度及严密性试验记录
管道设备强度及严密性试验记录
防水工程试水检查试验记录
采暖系统冲洗及试运行测试记录
采暖系统冲洗及试运行测试记录
管道(设备)强度灌(满)水试验记录
管道(设备)强度灌(满)水试验记录
管道(设备)强度灌(满)水试验记录
表c3-4-33
给水管道冲洗(消毒)检验记录
给排水管道通水试验记录
给排水管道通水试验记录
管道设备强度及严密性试验记录
给水管道冲洗(消毒)检验记录
锅炉煮炉记录
锅炉48h负荷试运行记录
表C3-4-48
电气接地电阻测试记录
表C3-4-49
电气绝缘电阻测试记录
表C3-4-53
电气器具通电安全检查记录
表C3-4-45
电气设备空载试运行记录
表C3-4-55
电气照明通电试运行记录
表C3-4-58
避雷带支架拉力测试记录
表c3-4-27
管道设备强度及严密性试验记录。
甬统表C01-32试验记录报验申请表工程名称:AAA编号:致:AAA(监理单位)我单位已完成了给排水试验工作,现报上该工程报验申请表,请予以审查和验收。
附件:1.给排水管道通水试验记录2.管道(设备)强度(严密性)试验记录3.管道系统冲洗记录4.排水管道通球试验记录5.卫生器具满水、通水试验记录6.室外消火栓试射试验记录项目技术负责人(项目经理):年月日建设单位意见建设单位项目负责人:年月日本表由施工单位填写,建设单位保存。
甬统表C03-1排水管道灌水(通水)试验记录工程名称:AAA 编号:施工单位浙江民欣建设有限公司子分部工程名称室内排水系统分项工程名称排水管道及配件安装施工图号水施-02 管道材质PVC-U管施工日期执行的规范编号及条款GB50242-2002 试验日期试验部位材质规格长度(m) 试验结论WL-1 PVC-U DE110 按实合格试验方法满水15分钟水面下降后,再灌满观察5分钟,液面不降,管道及接口无渗漏。
试验标准管道及接口无渗漏达到数据全部达到标准依据《建筑给水排水及采暖工程施工质量验收规范》GB50242-2002试验结果:合格监理(建设)单位:专业监理工程师:(建设单位(项目)负责人):年月日施工单位:安装项目技术负责人:施工员:质检员:年月日本表由施工单位填写并保存。
甬统表C03-2给水管道通水试验记录工程名称:AAA编号:施工单位浙江民欣建设有限公司分部工程名称给排水系统分项工程名称(系统名称)给水管道及配件安装项目经理张照烈施工执行标准名称及编号《建筑给水排水及采暖工程施工质量验收规范》GB50242-2002 试验日期管道材质PP-R配水点部位配水点名称设计流量(L/s)试验过程试验评价JL-1 给水管道0.2 无堵塞符合要求试验结果:合格监理(建设)单位:专业监理工程师:(建设单位(项目)负责人):年月日施工单位:安装项目技术负责人:施工员:质检员:年月日本表由施工单位填写并保存。
第1篇一、工程概况项目名称:XX小区某住宅水电工程施工地点:XX小区某栋某单元某室施工时间:2023年10月15日至2023年11月10日施工单位:XX装饰工程公司项目负责人:张工施工队伍:水电施工班组二、施工准备1. 施工图纸及资料:施工前,项目部组织技术人员对施工图纸进行了仔细审查,并收集了相关施工资料,确保施工方案的合理性。
2. 材料设备:按照施工图纸及规范要求,准备齐全了水电施工所需的各种材料,如电线、水管、开关、插座、灯具、管道、管材、胶水、焊条等。
3. 施工人员:施工队伍由具备相应资质的水电施工人员组成,并对施工人员进行技术交底和安全教育。
三、施工过程1. 水电改造前的准备工作:在施工前,对原水电线路进行现场勘查,了解原有水电线路的布局和存在问题,为后续改造提供依据。
2. 开槽及布管:按照施工图纸要求,对地面、墙面进行开槽,槽深2-3cm,确保管道安装牢固。
布管时,遵循横平竖直的原则,避免交叉,保证施工质量。
3. 水路施工:水路施工采用PP-R水管,管道连接处使用热熔焊接,确保管道密封性。
水路布置在顶部,便于及时发现并处理漏水问题。
水管安装完成后,进行水压试验,确保无漏水现象。
4. 电路施工:电路施工采用BV电线,线径符合设计要求。
强弱电分开布线,强电线路采用单管单路,每个区域独立线路,不允许有串接。
电路施工完毕后,进行绝缘电阻值摇测,确保电路安全。
5. 开关、插座安装:按照施工图纸要求,安装开关、插座,确保位置准确、牢固。
在安装过程中,注意保护开关、插座成品,防止损坏。
6. 灯具安装:根据设计要求,安装灯具,确保安装牢固、美观。
7. 工程验收:施工过程中,项目部对水电工程进行全过程监督检查,确保施工质量。
工程完工后,进行自检、互检、专检,确保工程质量达到规范要求。
四、施工总结1. 本工程按照施工图纸及规范要求,完成了住宅水电工程的施工,施工质量符合相关标准。
2. 施工过程中,施工队伍严格执行施工规范,确保了工程进度和质量。
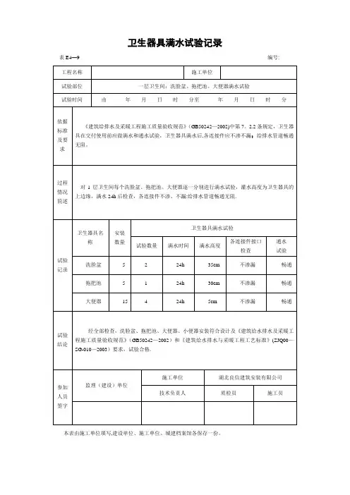
卫生器具满水试验记录
表E4—9 编号:
本表由施工单位填写,建设单位、施工单位、城建档案馆各保存一份。
接地电阻测试记录
表E5—1 编号:
本表由施工单位填写,建设单位、施工单位、城建档案馆各保存一份。
电气绝缘电阻测试记录
表E5-2编号:
本表由施工单位填写,建设单位、施工单位、城建档案馆各保存一份.
管道强度、严密性试验记录
表E4-3 编号:
本表由施工单位填写,建设单位、施工单位、城建档案馆各保存一份。
管道通水试验记录
表E4-4 编号:
本表由施工单位填写,建设单位、施工单位、城建档案馆各保存一份。
管道吹(冲)洗(脱脂)试验记录
表E4-5 编号:
本表由施工单位填写,建设单位、施工单位、城建档案馆各保存一份。
管道灌水试验记表
表E4-1 编号:
本表由施工单位填写,建设单位、施工单位、城建档案馆各保存一份。
防水工程试水检查记录
表E2-3编号:
本表由施工单位填写,建设单位、施工单位、城建档案馆各保存一份。
室内排水管道通球试验记录
表E4—6 编号:
本表由施工单位填写,建设单位、施工单位、城建档案馆各保存一份。
建筑安装工程施工记录表格目录施工现场质量管理检查记录图纸会审记录单位(子单位)装饰装修工程质量控制资料核查记录单位(子单位)装饰装修工程观感质量检验记录单位(子单位)装饰装修工程安全和功能检验资料核查及主要功能抽查记装饰装修工程实体质量现场检查用表阀门强度和严密性试验记录室内给水管道水压试验记录塑料管道水压试验记录给水管道通水试验记录室内给水管道冲洗和消毒记录室内消火栓试射试验记录敞口水箱满水试验记录水泵试运行和调试记录室内排水管道灌水试验记录排水(雨水)塑料管道伸缩节安装记录室内排水管道通球试验记录室内雨水管道灌水试验记录室内热水管道水压试验记录伸缩器预拉伸记录室内热水管道冲洗记录太阳能集热管水压试验记录热交换器水压试验记录地漏及地面清扫口排水试验记录卫生器具满水和通水试验记录减压阀、安全阀调试记录散热器水压试验记录辐射板水压试验记录低温热水盘管水压试验记录室内采暖管道水压试验记录采暖管道冲洗记录采暖系统试运行和调试记录室外给水管道水压试验记录室外给水管道冲洗和消毒记录室外消防水泵接合器及室外消火栓水压试验记录室外消防管道冲洗记录室外排水管道灌水和通水试验记录室外供热管网水压试验记录室外采暖系统冲洗、试运行和调试记录锅炉的汽、水系统水压试验记录风机试运转调试记录分水缸(分水器、集水器)水压试验记录密闭箱、罐水压试验记录地下直埋油罐气密性试验记录锅炉及辅助设备的工艺管道水压试验记录锅炉和省煤器安全阀调整记录烘炉记录煮炉记录设备开箱检查清点记录设备基础复验记录风管及部件制作检查记录风管及部件制作检查记录记录记录风机安装记录泵安装记录冷却塔安装记录风机盘管机组安装记录设备安装记录风管严密性检测记录风管漏风量检测记录制冷设备运行调试记录溴化锂制冷机组单机试运调试记录风机机组试运调试记录泵试运行调试记录通风空调机组调试记录通风空调设备单机试运调试记录通风空调记录管段风量、风压测试记录空调水管道压力(充水)试验记录空调水管道吹洗记录通风空调系统试运行记录风量、温度测试记录洁净室洁净度测试记录制冷机组试运调试记录阀门试验记录建筑电气工程主要材料、配件、器具及设备进场检查验收表建筑电气工程洽商记录避雷及接地装置接地隐蔽工程验收记录避雷及接地引线(侧击雷)隐蔽工程验收记录电线、电缆导管隐蔽工程验收记录电线、电缆穿管和线槽敷设隐蔽工程验收记录绝缘电阻测试记录避雷及接地装置接地电阻测试记录漏电保护器模拟漏电测试记录配电箱、插座、开关接线(接地)通电检查记录大型花灯重量过载试验记录照明全负荷通电试运行记录交流电动机试验记录交流电动机检查及试运转记录电缆试验记录室内环境污染控制质量验收记录施工现场质量管理检查记录GB50300-2001开工日期:工程名称××工程施工许可证(开工证)建设单位××集团开发有限公司项目负责人×××设计单位××建筑设计院项目负责人×××监理单位××建设监理公司总监理工程师×××施工单位××建设监理公司项目经理×××项目技术负责人×××序号项目内容1 现场质量管理制度质量例会制度;月评比及奖罚制度;三栓及交接检制度;质量与经济持钩制度2 质量责任制岗位责任制;设计交底会制度;技术交底制度;挂牌制度3 主要专业工种操作上岗证书测量工、钢筋工、木工、混凝土工、电工、焊工、起重工、架子工等主要专业工种操作上岗证书齐全,符合要求4 分包方资质与对分包单位的管理制度对分包方资质审查,满足施工要求,总包对分包单位制定的管理制度可行5 施工图审查情况施工图经设计交底,施工方已确认6 地质勘察资料勘察设计院提供地质勘察报告齐全7 施工组织设计、施工方案及审批施工组织设计、主要施工方案编制、审批齐全8 施工技术标准企业自定标准4项,其余采用国家、行业标准9 工程质量检验制度有原材料及施工检验制度;抽测项目的检测计划,分项工程质量三检制度10 搅拌站及计量设置有管理制度和计量设施,经计量检校准确11 现场材料、设备存放与管理按材料、设备性能要求制定了管理措施、制度,其存放按施工组织设计平面图布置检查结论:通过上述项目的检查,项目部施工现场质量管理制度明确到位,质量责任制措施得力,主要专业工种操作上岗证书齐全,施工组织设计、主要施工方案逐级审查,现场工程质量查验制度制定齐全,现场材料、设备存放按施工组织设计平面图布置,有材料、设备管理制度。
至项目专业监理工程师(建设单位项目专业负责人)签名:监理(建设)单位检测调试说明:灌水高度不低于各层卫生器具的上边缘或底层地面高度,为满水15min水面下降后,再灌满水观察5min液面不下降,管道及接口无渗漏为合格。
综合评价结论/备注施工单位检测调试负责人满水15min水面下降后,再灌满观察5min,液面不降,管道及接口无渗漏,合格。
专业质检员施工单位110无下降施工班组长无下降无渗漏/畅通无阻,无渗漏专业工长规格(管径)(mm)通水试验结果(是否畅通无阻塞及有否渗漏等)畅通无阻,无渗漏无下降无渗漏/雨水管道满水15min 后水面下降状况材质再灌满5min 后水面下降状况灌水至立管顶部1h 后,有否渗漏状况1层PVC管材110无下降施工图纸检测日期2019年09月20日2019年09月20日污(含粪、废)水管道测试计量器具(仪表、仪器)及其附属设备(器具)的名称/型号、规格/量程/分辨精度/出厂编号/制 造厂商/其他要素:/管道系统(或管段)名称/编号灌水试验过程状况所处层(区)段范围试验管段有否渗漏状况室内排水管道灌水和通水试验记录单位(子单位)工程名称XXX工程GD-C4-652施工单位分部/子分部/分项(系统/子系统)施工依据文件名称及编号最小/实际抽样数量质量验收依据文件名称及编号《建筑给水排水及采暖工程施工质量验收规范》GB50242-2002GD-C5-7124排水XXX有限公司建筑给水排水及供暖/室内排水系统检验批编号施工部位全/全110无下降无下降/卫生间WJ-2卫生间WJ-31层PVC管材1层PVC管材卫生间WJ-1畅通无阻,无渗漏无渗漏卫生间WJ-41层PVC管材110无下降无下降/畅通无阻,无渗漏无渗漏。
至质量验收依据文件名称及编
号
施工依据文件名称及编号给水管道系统通水试验记录
单位(子单位)工程名称
XXX工程
分部/子分部/分项(系统/子系统)GD-C4-6410最小/实际抽样数量
施工图纸
2019年11月18日 专业监理工程师
(建设单位项目技术负责人):
专业工长
专业质检员
施工班组长
监理(建设)单位
施工单位2019年11月18日检测调试说明:
做通水试验时,卫生器具及配件齐全,启动灵活,按给水系统的1/3配水点同时开放,各配水点应全部达到额定流量,各排放点畅通无阻,各接口处严密无渗漏为通水合格。
综合评价结论/备注各排放点畅通无阻,各接口处严密无渗漏,符合设计及规范要求。
施工单位检测调试负责人
是/否达到正常使用功能
是
管道系统名称编号
PPR给水管
GD-C5-7121001
给水全/全施工部位试 验 日 期施 工 单 位检验批编号XXX有限公司
《建筑给排水及采暖工程施工质量验收规范》GB50242-2002
建筑给水排水及采暖/给水管道安装/试验与调
试
通水试验的管段范围(层、区、段、房等)
放水试验部位及其配件名称1层
水龙头、小便器、大便
器、洗涤池。