海外石油钻井下铅模打印安全操作规程
- 格式:doc
- 大小:31.00 KB
- 文档页数:2
Standard HSE Operation Procedure 石油钻井标准化安全操作规程1. All machinery in the rig site must be run within the operating limits given by the equipment manual.井场上的所有设备都必须遵照设备使用说明书所要求的使用范围进行操作。
2. When picking up drill pipe, visually check each joint of pipe picked up to be sure it is in proper sequence according to weight, grade and class as designed.串接钻具时,要按照设计逐根检查,以便确认每个单根的重量、钢级和下井顺序准确无误。
3. When drill string is in open hole always keep the pipe moving, either up, or down, or rotating. Pipe should never be allowed to stand still for longer than a minute or two at a time, this helps avoid stuck pipe.当钻柱处在裸眼井段时,要注意勤活动钻具,活动钻具一定要上提、下放与转动相结合。
每次活动间隔不能超过1-2分钟,这样可以防止卡钻。
4. Do not take the risk of machinery failure. When any noise, vibration, or overheating develops, shut down the machinery as soon as practical, and get help and advice from the rig mechanic for eliminating the trouble.不许冒险作业。
井下作业打印作业指导书井下作业打印作业指导书一、技术要求及施工步骤1、铅印的外表面和底面必须光滑、平整、无碰擦伤痕,其直径小于套管内径8-10mm。
2、验证井壁的铅印直径,不得小于所下封隔器或其它下井工(用)具的最大外径。
3、铅印底部要有水眼,其直径为25mm。
①按设计要求选用铅印,详细丈量油管,并测量铅印规范,留有草图,做好记录。
铅印连接时应轻拿轻放,接好后上提时,油管必须拉好,不许磕碰或拖地。
②铅印入井时必须扶正,慢速下放,以放擦碰出痕迹。
③铅印下放速度为5-10m/min,下钻时平稳操作,达到匀限速,距打印位置50 m时应减速为1-2m/min。
④下钻遇阻时禁止猛蹲,应正旋转动,上下活动,若无效,则在此点打印后起出检查。
⑤距打印位置最后1根油管时,应开泵正循环洗井,慢速下放,距打印位置1-1.5米处大排量洗井10分钟。
4、根据打印位置,上提一定位置,再以1 m/min 慢速下放,遇到鱼顶后,加压在10~20kN范围内打印,不得二次下击。
5、起打印钻柱(1)打印后立即上起,不得在井内停留。
若因故必须在井内停留1小时以上时,应保持循环洗井。
(2)在套管变形处,起钻速度不得超过10m/min。
(3)铅印起出后要保护好印痕。
a.往油管桥上拉放时,不准拖地和磕碰。
b.卸铅印时,应将铅印拖着卸扣。
c.铅印卸掉后应清洗干净,观察分析印痕,并绘简图描述。
(4)保护好铅印,送至单位有关技术人员观察分析。
(5)根据对印痕的分析结论,确定下步方案。
二、质量、安全、环保1、一个铅模在井内只能加压打印一次,打印印痕清楚,无重复杂乱痕迹。
2、严禁带铅模冲砂。
3、当套管缩径、破裂、变形时,下铅模打印缓慢加压,以防止铅模卡在井内。
4、井口返出液体必须进入排污坑,妥善处理,防止污染农田或人、畜饮用,造成中毒。
铅件工人安全操作规程
1上班前穿工作服和防护装备,认真检查电加热设备、抽风设备,温控指标是否正常,指标值是否符合工艺要求。
2生产前首先打开模具,认真检查模具开合是否正常灵活,只有在正常检查这些问题后才能开始生产。
3生产过程中出现异常情况时停止铸造,认真检查清除模具内的铅渣及其它物质,如果再不正常即向领导或技术人员报告。
4合金铅一定要整齐地堆放在熔铅炉旁,不许乱放,避免被铅砸伤,添加合金铅锭时,应提前在炉缸上烘烤,使其表面水气烘干后方可缓
缓投入铅锅,注意防止铅液飞溅,以免造成事故。
5投入合金铅时,不能过多,一般铅液面离锅台面30—50MM即可,为了避免铅液外流造成人身伤害或火灾事故。
6加投铅锭时,应将铅锭斜放,将一头缓缓放入铅锅,同时,材料应沿着安装电热管的一侧缓慢下料,千万不能冲击电热管以免电热管
碰撞,引起短路。
7工作时要集中思想,严禁谈笑、打闹、串岗,违反劳动纪律的发生,确保生产安全。
8工作完成后,应清除工作现场的铅渣,模具要擦洗干净,上油,摆放整齐,电控调至保温档,关上其它电源开关方可下班。
9遵守熔铅炉安全操作规程。
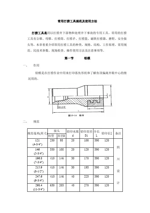
常用打捞工具规范及使用方法打捞工具是用以打捞井下落物和处理井下事故的专用工具。
常用的打捞工具有公锥、母锥、打捞筒、打捞矛、打捞篮、磁铁打捞器、磨鞋、安全接头等,本章着重介绍常用打捞工具的种类、规格、结构、工作原理、常用规范、民技术参数、现场检查、操作使用方法及注意事项等。
第一节铅模一、作用铅模是在打捞作业中用来打印落鱼形状和了解鱼顶偏离井眼中心的情况用的。
二、规范规范毫米(英寸) 接头铅印水眼d铅印直径D1全长L铅印长l 备注扣型直径D121 (4-3/4") 230 95 20 100 390 120四川设计146(5-3/4")330 108 20 120 390 120196.8(7-3/4")410 146 30 170 390 120215.9(8-1/2")410 146 30 195 390 120247.6(9-3/4")41O 146 40 225 390 120298.4(11-3/4")630 203 40 270 390 120三、使用1、铅印直径比套管内径小4.8毫米即可。
2、打印时按0.193-0.386千牛/毫米(0.5-1吨/英寸)加压。
只可一次加压打印,不得两次打印,以免难以分析。
3、由于铅很软,应在运输或存放过程中注意避免碰撞。
第二节公锥一、公锥的作用公锥是内打捞工具是内捞工具,用来打捞钻铤、接头和钻杆加厚部位。
常用尺寸为3-1/2"和4-1/2",多为国产,技术规格参见附带说明。
第三节母锥一、母锥的作用母锥是外捞工具母锥是外捞工具,用来打捞钻杆本体。
用爆炸松扣方法配合倒扣时,可用它来打捞钻杆接头或钻铤。
第四节卡瓦打捞筒一、种类Bowen150系列卡瓦打捞筒分为高强度型与小井眼型两类,按内装打捞配件的不同分为螺旋卡瓦打捞筒与篮式卡瓦打捞筒两种。
落鱼直径接近最大打捞尺寸时选用螺旋卡瓦和A型盘根。
作业常用工序操作技术要求1、开工准备⑴开工前现场必须建30cm×10cm×20cm(底宽×顶宽×高),面积不小于10m×10m油管土围子和面积不小于9m×3m抽油杆土围子;⑵现场必须有密封脂;⑶井架安装达到标准要求;⑷抽油机正确让位固定可靠,按规定安装好驴头套;⑸清点送到现场的油管、抽油杆的数量并做好记录;⑹新井装上井口后,应准确计算油补距;(7)防喷防火设备齐全良好;(8)井场标准化摆放。
2、新井替浆⑴准确计算管柱长度,复探至人工井底两次,误差不超过0.2m 为合格;⑵用不少于井筒容积1.5倍的修井液替出井内全部泥浆,并洗井干净;⑶用清水对套管试压15.0MPa,30min不降0.5MPa为合格。
(4)井口安装齐全、标准,试压25MPa不刺不漏,10min不降合格。
3、洗、压井⑴根据井口压力,选择合适密度的压(洗井)井液,计算压井液密度时选择的安全系数为1.05~1.10,做到“压而不死、活而不喷”;⑵循环压井时直到进出口压井液密度相同时为合格;⑶控制出口排量与进口排量相同;⑷条件允许时尽量采用反循环压井方式压井;⑸发现漏失层要采取堵漏措施;⑹压(洗)井液清洁、配伍,不伤害油气井。
4、起原井:⑴起出原井管柱时要详细检查,对井下工具描述,并做好记录,排放整齐;⑵起原井前要详细了解井内管柱结构,有封隔器的要按照封隔器解封方法进行解封,有泄油器的要根据泄油器使用要求打开泄油器;⑶起悬挂器时要有专人观察大钩悬重,判断管柱是否卡钻、脱扣。
5、冲砂⑴冲砂时不许带大直径工具;⑵冲砂至设计要求的深度,回探落实深度误不小于0.5m为合格;⑶冲砂液要干净、清洁,冲砂后要充分洗井至至返出液中无砂为止。
⑷冲砂及其它施工油管下入顺序要按时强度递增的原则,不允许混序下入。
⑸冲开砂埋层前要明确地层压力,选择好冲砂液,做好防喷工作。
⑹冲砂过程中提升设备发生故障要保持循环。
石油钻井安全操作规程为了确保石油钻井作业的安全性,保护人员的生命安全和财产安全,制定石油钻井安全操作规程是必不可少的。
本文将介绍一份石油钻井安全操作规程的要点,以帮助相关从业人员更好地理解和执行安全操作规程,确保钻井作业的顺利进行。
1. 普及安全意识首先,重要的是普及安全意识,使钻井工作人员充分认识到石油钻井作业的危害性和重要性。
他们应该理解并熟悉各种安全设备和防护措施的正确使用方法,以及如何处理突发事故和应急情况。
此外,每位钻井工作人员都应接受定期培训和考核,以提高其对安全事故的防范和处理能力。
2. 安全装备和设施安全装备和设施是石油钻井安全的基础。
在钻井现场,必须配备以下安全装备和设施:- 安全帽、安全鞋和护目镜等个人防护装备;- 灭火器、氧气呼吸器和救生绳索等应急设备;- 天气预警和地震监测系统等环境监测设施;- 自动泡沫灭火系统、漏油报警器和排烟风扇等防火设施;3. 安全操作流程石油钻井作业通常包括准备工作、钻井操作、固井操作和井口封堵等阶段。
在每个阶段,都需要遵循相应的安全操作规程,以减少事故风险和确保工作的连续性。
- 准备工作:在进行钻井作业前,必须检查并确保所有设备、仪器和管道的正常运行状态。
此外,还应清除现场的杂物和有害物质,并制定详细的作业计划。
- 钻井操作:在进行钻井操作时,必须严格遵守操作规程,控制好井口压力和钻井液的流量和密度。
每个员工都必须了解和掌握自己的任务,并且在必要时停止作业报告潜在的危险情况。
- 固井操作:固井是保证井筒完整性和防止井口溃塌的重要步骤。
在这个阶段,作业人员需要按照规程进行固井液的注入和压裂处理,并密切关注固井质量和井筒稳定性。
- 井口封堵:当钻井作业完成后,必须进行井口封堵以防止井涌事件的发生。
封堵操作必须确保井筒安全,并遵循相应的规程和程序,使用适当的材料和工具。
4. 事故预防和应急响应事故预防是石油钻井安全的重要一环。
在钻井操作中,应严格遵守相关的操作规程和安全标准,并制定详细的应急预案。
石油钻井井下作业安全操作规程石油钻井是石油勘探和开发中至关重要的一环。
在这个过程中,井下作业的安全是至关重要的,因为任何安全事故都可能导致严重的人身伤亡和财产损失。
为了确保钻井操作的安全性,必须遵守一系列严格的操作规程。
首先,井下作业人员必须接受相关的培训和资质认证。
只有经过正规训练并获得相应证书的人员才能参与井下作业。
这些培训涵盖了各种技术和操作技能,以及应急响应和安全意识等内容。
井下作业的安全取决于每一个参与者的专业知识和技能。
其次,井下作业必须使用经过检测和认证的设备和工具。
在进行钻井作业之前,所有设备和工具必须经过严格的检查和测试。
这些包括钻机、钻具、固井材料和工具,以及其他相关设备。
只有确保设备和工具的完好和安全性,才能保证井下作业的顺利进行。
在井下作业过程中,必须严格遵守安全操作程序。
这包括诸如穿着个人防护装备,使用正确的工具和设备,以及按照操作规程进行作业等方面。
井下作业人员必须熟悉和遵守各种安全标准和程序,这些标准和程序旨在最大限度地降低事故和灾害的风险。
井下作业过程中的沉降和开挖操作必须得到妥善管理。
沉降是指井下作业过程中地表下降的现象。
这可能会导致地质结构的变化,从而增加井下作业的风险。
因此,必须采取适当的措施来监测和管理沉降。
此外,开挖操作也需要特别关注,因为不当的开挖可能会导致地下水的渗漏和环境污染。
井下作业还涉及危险物质的处理和储存。
在钻井过程中,可能会涉及到各种危险物质,如化学品和石油产品。
这些物质必须妥善处理和储存,以防止泄露和污染。
在处理和储存危险物质时,必须遵循相关的安全规定和程序,以确保工作人员和环境的安全。
最后,井下作业人员必须具备应急响应的能力。
他们必须熟悉应急处理程序,并在任何事故发生时能够快速、冷静地采取措施。
这包括及时报告和通知有关人员,以及采取措施来最大程度地减少事故和灾害带来的影响。
总之,石油钻井作业的安全操作规程是确保井下作业安全的关键。
通过严格遵守培训和资质认证、使用检测和认证的设备和工具、遵守安全操作程序、管理沉降和开挖、处理和储存危险物质、以及具备应急响应能力等措施,可以最大限度地降低事故和灾害的风险。
海外石油钻井挤、固井塞安全操作规程1 人员准备1.1 井队队长,安全官,机械师,司机长,司钻,副司钻,井架工,钻工,场地工,水车司机,吊、叉车司机等2 工具准备2.1 与注灰管柱配套的安全阀和循环头2.2 与钻具升降配套B型大钳,上扣扭矩仪,液压大钳等2.3 与注灰队进水口匹配的接头和管道2.4 与钻具尺寸匹配的卡瓦和安全卡瓦/单根吊卡等2.5 钻杆安全阀(球阀)、扳手、钻杆内防喷器、配合接头和循环头2.6 检查泥浆泵安全阀的压力是否设置在安全范围内。
2.7 足够长的反循环管道。
2.8 泥浆比重计和取样杯。
3 安全注意事项3.1 操作要求3.1.1 在工作开始之前,组织井队、喷灰队召开安全会议,明确注灰施工程序及顶替液量,通知司钻起钻立柱根数和循环井深及体积。
3.1.2 注灰管道试压时,人员应远离高压区域。
3.1.3 起下钻时井口人员不得阻挡司钻视线。
3.1.4 注灰管线和井口试压期间井口阀门的开启和关闭应安排第三方操作。
3.1.5 注水泥钻具一般用1000FT的3-1/2”油管作为注水泥管柱,运行油管的长度不得小于水泥塞的高度。
3.1.6 在油管运行期间小心漂移,检查好丝扣,按照标准扭矩上扣。
3.1.7 下油管期间坐卡瓦后,使用安全卡瓦或单吊卡进行二次保护。
3.1.8 若注灰浆中途失败,砂浆应通过反循环排出,不允许灰浆通过BOP系统。
3.1.9 注灰施工前再次确认入井钻具数量,确保与注灰工程师和主管就提升管柱的高度和数量进行沟通。
3.1.10 保留一个泥浆筒仓,用于收集更换砂浆中的返回液体。
3.1.11 井架工应到达二层台并在更换砂浆时就位,等待起管柱。
3.1.12 应严格检查进入井内的注灰管柱的螺纹和管体,不能出现穿孔油管入井,油管连接扭矩不达标导致井下事故。
3.1.13 避免使用原始井柱进行注灰。
3.1.14 扣上吊卡后,确保安全销插入正确。
3.1.15 起下钻时井口做好防落物工作,安装了气动卡瓦或手动卡瓦,缓慢释放后悬架很重要,防止挤扁管柱本体。
起下钻杆作业安全操作规程1人员准备1.1井队司钻、副司钻、井架工、钻工、场地工等。
2工具准备2.1防喷器。
2.2上扣扭矩仪,液压大钳。
2.3与钻具尺寸合适的钻杆钩子。
2.4与钻具尺寸合适的吊卡、吊卡销子、气动卡瓦、防掉板。
2.5钻杆安全阀(球阀)、安全阀扳手、钻杆内防喷器、配合接头。
2.6钻杆提丝、通径规。
3安全注意事项3.1操作要求3.1.1在工作开始之前,要组织井队人员开安全会,讨论工具,程序和安全。
3.1.2钻具表确认根数、长度无误,工具证书齐全有效。
3.1.3检查确认防碰系统工作正常。
3.1.4检查确认BOP闸板尺寸与钻具尺寸相对应,内防喷工具工况良好。
3.1.5注意人员站位,不能遮挡司钻的视线。
3.1.6进行该项作业时,对新人要特别关照,确保他们的安全。
3.1.7通钻杆内径时,只能使用一只通径规,人员远离通径规下方,防止造成人员受伤。
3.1.8要始终坚持用游绳扶钻杆。
3.1.9所有的工具和绳套都必须处于良好的状态。
3.1.10检查所有钻杆丝扣及母扣状况,保证使用良好无刺漏。
3.1.11所有钻杆丝扣清理干净,涂抹丝扣油。
3.1.12检查液压钳使用状况良好,上扣扭矩仪准确,避免上扣扭矩不足或过大。
3.1.13对封井器本体及液压管线检查到位,确保发生溢流后封井器使用状况良好,封井效果达标。
3.1.14起下钻具安装好防掉板,避免造成起下过程中落井。
3.1.15司钻人员起下作业前检查防踫设备,设置合适高度做好灵活好用。
起下作业保持匀速,杜绝猛顿猛放,防止抽汲造成井喷事故。
3.1.16观察好指重表数据显示,下钻禁止硬压,起钻禁止硬提,防止卡钻。
3.1.17井口人员严格按照安全操作规程进行作业,相互合作,杜绝违章。
4操作程序4.1起钻杆4.1.1调试防踫天车,设置合适高度。
检查封井器,确保处于开位后方可进行施工作业。
4.1.2匀速下放游动滑车至钻杆接箍上方20-30cm,井口人员检查吊卡及销子。
确保安全后示意司钻。
下钻铤与甩钻铤作业安全操作规程1人员准备1.1井队司钻/副司钻,井架工,钻工,场地工等2工具准备2.1井口盖板2.2与上卸钻具相匹配的B型大钳,上扣扭矩仪,液压大钳等2.3与钻头型号和尺寸相配套的钻头盒2.4与钻具尺寸相配套的卡瓦和安全卡瓦等2.5钻杆安全阀(球阀)、扳手、钻杆内防喷器、配合接头3安全注意事项3.1操作要求3.1.1在工作开始之前,要组织井队人员和吊车司机开安全会,讨论工具,程序和安全。
3.1.2绝不能在悬吊的重物下站着或工作。
3.1.3不能挡住司钻或吊车司机的视线。
3.1.4进行该项作业时,对钻台上的新人员要特别关照,确保他们的安全。
3.1.5通钻铤内径时,不要让内径规从单根的头上掉出去,造成人员受伤。
3.1.6要始终坚持用游绳扶钻铤。
3.1.7所有的工具和绳套都必须处于良好的状态。
3.1.8检查物件的重量,确认每个绳套、吊钩和气动绞车的额定工作载荷。
3.1.9在起吊任何钻铤之前,要清理检查所有提升短节的公扣,把有损伤的提升短节做上记号,挪到一边。
通知司钻和带班队长。
3.1.10检查气动绞车绳和绳套的磨损情况。
对于任何受损设备都要汇报。
3.1.11用吊卡上提9"或大于9"的钻铤时,要用气动绞车控制钻铤的移动。
3.1.12扣上吊卡后,一定要确认保险销子插好。
3.1.13上提钻铤单根之前,要直观检查公母丝扣和台肩,在丝扣和台肩上发现任何损伤都必须记录在钻具本上,并向带班队长汇报。
3.1.14丈量钻铤的结构,内外径,长度,扣型,序号和打捞尺寸,并记录在钻具本上。
3.1.15在往钻铤上接提升短节之前,要把合适的丝扣油涂到提升短节和钻铤的公母扣上。
3.1.16在大门前或在小鼠洞内接上提升短节之后,要用撬杠或加力杠把提升短节上紧。
3.1.17所有的连接丝扣都必须干净,涂上合适的丝扣油,戴上护丝。
确保公扣护丝的外经不大于钻铤外径。
3.1.18所有钻铤丝扣都必须用链钳推磨上好。
洗、压井安全操作规程1人员准备井队平台经理或带班队长、司钻、安全官、副司钻,井架工,钻工,场地工2工具准备2.1泥浆泵、泥浆罐、压井液、清水、加重药品。
2.2节流压井管汇。
2.3切克森管线。
2.4榔头。
2.5通讯设备、便携式硫化氢探测仪、空气呼吸设备。
2.6压井施工单。
2.7吊叉车。
3安全注意事项3.1洗井操作要求3.1.1在作业前做好压井施工单和开具PTW,组织现场的所有参与施工的人员开安全会,讨论作业程序和作业过程中的风险隐患和应该做到的预防措施并对现场的人员进行合理的安排分工。
3.1.2井口作业人员要将PPE佩戴齐全,保证井口周围清理干净,避免造成人员滑跌或绊倒。
3.1.3新井投产(投注)井,洗井管柱深度应完成在人工井底以上1-2m。
老井施工一般管柱深度在油层下部2-3m。
注水井测吸水剖面,管柱在油层下部10m。
3.1.4新井。
要用循环洗井或分段循环洗井,替出井内泥浆,洗井液用量大于井筒容积1.5倍。
3.1.5需落实井筒内油量。
应采用反循环洗井,洗井液用量与井筒容积相同。
3.1.6地层漏失量大的井。
应采用正循环洗井,洗井液用量大于井筒容积1.5倍。
3.1.7注水井。
应采用正反交替洗井,洗井液用量大于井微容积的2倍。
3.1.8大套管(177.8mm以上)新井采用分段洗井,替出井内泥浆,洗井液用量大于井筒容积1.5倍。
3.1.9当洗井管柱带有封隔器、通井规、刮削器等大直径工具时,必须采用反循环洗井,并反复上下活动管柱,注意排量、压力变化。
3.1.10洗井过程中,随时观察并记录泵压、排量、出口量及漏失量等数据。
泵压升高,洗井不通时,应停泵及时分析原因进行处理,不应强行憋泵。
分析好计量的数据,观察好洗井出口,及时发现是否存在井喷风险。
吊装时注意观察吊车的吊臂不要挂碰绷绳,吊物下不要站人,合理摆放工具和其他物品保证钻台足够的空间,并且保证撤离通道的通畅。
3.1.11出砂井优先采用反循环洗井法,保持不喷不漏、平衡洗井。
起下钻的安全操作规程1人员准备1.1在钻台上的作业人员包括司钻、副司钻、井架工、钻工等。
2工具准备2.1钻头上卸器、防喷盒、钳头(钻杆和钻铤)、内防喷器、带扳手的方钻杆旋塞、 2米直尺、 6米ⅹ1/2马尼拉绳(棕绳)、转盘补心提出器、手动或自动卡瓦(钻杆和钻铤)、钻杆刮泥器、吊卡和平衡带(钻杆和钻铤)、链钳、钻台防滑垫、丝扣油和刷子、管钳、补给罐监控器、铁钻工或液压大钳、顶驱、安全卡瓦、换钻杆、钻铤吊卡和钳头的手工具、钻柱和BHA的转换接头。
2.2同时使用工衣、手套、安全帽、防护眼镜等其他PPE。
3安全规程3.1打开全封闸板前,司钻要确信通过节流管线和节流管汇泄卸掉闸板下积聚的压力。
3.2高度关注钻台上新工人的操作,确保他们的安全。
3.3小鼠洞不用时,要随时把它盖上。
3.4虽然多数的溢流发生在起钻时,但是下钻时也有可能发生。
3.5为了观察溢流,起钻时,一定不要随时把补给罐灌的太满。
4安全操作规程4.1起下钻前举行工作前安全会确保工人完全掌握正确的工作规程和安全注意事项。
4.2一定要连续使用补给罐,以观察整个起、下钻井内流出或灌入的泥浆量。
4.3打重塞起钻前,当钻头起到上层套管鞋内时,司钻一定要进行15分钟的溢流检查。
4.4如果已经钻开油气层,起到BHA之前再增加一次15分钟的溢流检查,参考钻井设计或特定作业程序。
4.5参考钻井设计或特定作业程序,起钻时不要造成抽吸压力;下钻时司钻要控制速度,不要造成过大的激动压力4.6司钻认为井眼状况允许,没有抽吸压力或钻头已起到套管内,装上钻杆刮泥器注意:司钻可目测泥浆液面的变化,或者下钻到井底,检查溢流。
装刮泥器之前,可以使用手动橡胶刮泥器。
4.7当司钻认为,悬重够大可防止卡瓦意外打开时,可使用自动卡瓦。
4.8井架工要确认井架上的管具,固定设备和装置随时有安全保护。
离开井架前,必须确认所有管具已用绳子和链子捆帮好。
4.9司钻必须随时把作业情况记入班报表记录中:4.9.1起钻遇阻的悬重和相应的井段。
铅零件工安全操作规程范本一、总则为了保障铅零件工作人员的人身安全和身体健康,避免事故的发生,确保工作环境的安全和生产的正常进行,制定本安全操作规程。
二、工作环境及设备安全1. 工作场所必须保持整洁,通风良好,严禁堆放杂物,确保工作通道畅通。
2. 工作区域应标示好警示标志,警示标志清晰可见。
3. 各种机器、设备必须经过安全检查,并定期进行维护和保养。
4. 在操作铅零件时,必须佩戴合适的个人防护装备,包括防护眼镜、手套、面罩等。
5. 禁止饮食、抽烟和吸烟草制品等有火源的物品进入工作区域。
三、工作操作规范1. 操作前必须进行充分的准备工作,了解工作程序和工艺流程。
2. 在操作过程中必须严格按照操作规程进行,严禁随意更改操作方法。
3. 操作人员必须保持专注和集中注意力,禁止喧哗和嬉戏,以确保操作安全。
4. 禁止擅自离开工作岗位,必须在他人辅助下进行相应的操作,确保操作过程的安全。
5. 在更换工装、刀具等设备时,必须切断电源,并在操作结束后再进行接通。
6. 操作结束后,必须清理工作现场,清除残余物和碎片,保持工作环境的整洁。
四、危险品管理与防护1. 危险品必须按规定存放,区分不同种类,并分别使用标示。
2. 严禁将危险品与其他物质混合存放,以免引发危险情况。
3. 危险品使用时必须佩戴相应的个人防护装备,如防护服、防护面罩等。
4. 在操作危险品时,必须严格按照操作规程进行,并保持谨慎和小心。
5. 如发现危险品泄漏或出现其他异常情况,必须立即停止操作并上报相关部门。
五、消防与逃生安全1. 消防器材必须常备,如灭火器、灭火器具、消防水管等,并定期进行检查和维护。
2. 禁止在工作区域使用易燃物品和燃烧物品,如酒精、汽油等。
3. 定期进行消防演习,确保工作人员熟悉逃生路线和逃生方法。
4. 工作区域必须保持通畅,不得堆放过多杂物,以确保逃生通道畅通。
5. 在火灾发生时,必须迅速报警并向上级主管汇报,并按指引进行火灾扑灭或逃生。
打印操作规程1 主题内容与适用范围本规程规定了油(气)、水井打印操作的内容与要求。
本规程适用于油气田井下作业打印操作。
2 引用标准SY/T6377-1998 鱼顶打印作业方法3 程序内容3.1 施工准备按设计要求或井况选择相应规范的铅模,检查、丈量、绘制草图、拓取原始铅印、准备水龙带 1 根,活动弯头 2-3 个,足量作业液。
3.2 施工程序3.2.1 管柱结构自下而上依次为铅模、油管(或钻杆)水平井或大斜井内打印,铅模上端要接扶正器。
下打印管柱应符合《下油管(含带工具)操作规程》和《油管上卸扣操作规程》。
3.2.2 下铅模至鱼头 5m 左右时,接水龙带,拴好保险绳,开泵正循环冲洗鱼头。
3.2.3 铅模下至鱼顶以上 2m 时,水泥车开泵正循环冲洗鱼头。
3.2.4 以小于 1m/min 的速度下放钻具,遇至鱼顶加压 50—100KN 打印。
3.2.5 起打印管柱应符合《起油管(含带工具)操作规程》和《油管上卸扣操作规程》,井眼斜度大于 30O的井起钻速度应控制在 0.3m/s以内。
3.2.6 限速起出打印管柱,卸下铅模,清洗干净,拓取铅印并详细描述。
4 质量、安全、环保规定4.1 质量规定4.1.1 铅模过井口时应扶正,以防碰挂而给分析鱼头造成错误4.1.2 铅模在井内只能加压打印一次。
4.1.3 起带铅模管柱遇卡时,要平稳活动或边洗边活动,严禁猛提猛放。
4.1.4 若套管缩径,破裂,变形时,下铅模打印加压不超过 50KN,以防止铅模卡在井内。
4.1.5 应取资料:铅模规范、长度、打印深度、铅模草图、循环液名称、密度、循环出口描述、泵压、排量、打印加压值,起出铅模描述、草图,井下落鱼描述,共 13 项。
4.2 安全环保规定4.2.1 污水回收进罐,并拉运至指定地点排放。
4.2.2 起钻时,井口装好防掉装置,严防井下落物。
油田修井打铅印操作规程油田修井打铅印操作规程一、修井打铅印的目的和意义1.1 目的:修井打铅印是为了确保油井安全,保障油井正常生产运行,防止非法开垦、滥采和偷采油气资源。
1.2 意义:修井打铅印可以有效地控制油藏外泄问题,促进油田资源的合理开采,确保油井设备的完好和安全运行。
二、修井打铅印的前期准备工作2.1 组织人员:由油田管理部门指派专业技术人员组成修井打铅印作业小组,并指定一名负责人负责统一协调。
2.2 装备准备:确保打铅印所需的工具和设备齐全,如铅印锤、铅印锤板、锤板座、电动钻等。
2.3 资料准备:收集油井相关的技术资料、操作规程以及相关法律法规,制定施工方案,并进行严格的技术审查。
三、修井打铅印的操作流程3.1 准备工作:确定修井打铅印区域边界,布置好安全警示标志,确保现场安全。
确认目标井身特征,进行目标井的定位和测量。
3.2 钻孔准备:钻孔前需调整超前钻井工程测量数据,选定合适的钻孔位置和钻穿层位。
按要求进行岩心取样和地层描述,分析并确认地层结构。
3.3 拆解井筒:根据钻孔设计要求,选择合适的钻具和钻眼取心工具,进行井筒拆解工作。
严格按照钻孔参数进行调整和控制,确保修井准确。
3.4 打铅印作业:根据现场的实际情况,选择合适的铅印锤和锤板座,并确认铅印锤板与井口的接触完好无损。
按照油田管理部门统一的印章制作标准进行铅印制作。
3.5 操作规范:铅印作业人员要熟悉相关法规和操作规程,加强沟通和协作,确保修井打铅印过程中的安全和顺利进行。
四、修井打铅印的注意事项4.1 现场安全:在修井打铅印过程中,要做好安全防护措施,加强现场安全管理,保障作业人员的人身安全。
4.2 资料保存:修井打铅印作业完成后,要进行详细的资料记录,包括修井工程方案、操作记录、地质勘探报告及钻井数据等,保存备查。
4.3 质量控制:在打铅印过程中,要确保铅印质量,不得有漏印、重印现象,铅印位置要准确无误,确保施工质量。
4.4 定期检查:油田管理部门要定期对修井打铅印作业进行检查和评估,发现问题及时处理,对不合格作业予以追责。
矿区打印工(打字、复印、描图)安全操作规程
L进入现场必须“两穿一戴”,遵守相应的安全规程。
2.作时使用电器、设备前,应检查电源、线路、开关,确认完好后方可开始作业。
3.在作业现场工作时,不准动用与本岗无关的按钮、开关、闸刀及仪器、仪表、设备。
4.不准带无关人员到工作地点;工作时间不准做与本岗无关的工作。
5.使用明火时,附近不准有易燃易爆物品:在禁火区域严禁吸烟或动用明火。
6.作业完毕下班时应关好门窗,切断电源,清扫作业场地。
7.打印作业只供本单位内部,不得承接外来打印,外来人员(业务单位)如需打印,必须经过矿领导批准后方可。
8.打印室是矿山书面材料输出部位,应注意企业机密,任何人不得泄露矿山任何打印内容,材料打印好后应及时装订好,图纸应按规范折叠好,作好临时保存。
9.打印、描图时不得随意修改送打材料,拒绝打印不符合要求的打印材料,不得把打印设备交由他人操作。
10.打印图纸时,必须要有打印图纸的通知单,通知单内应有单位盖章;打印图纸通常按1:1的比例打印。
图纸打印通知单应按单位分类整理保存,并以电子表格的形式登记,通知单式样见附表。
11.经常维护保养打印设备,统筹安排申报打印耗材计划,确保打印设备运行率。
12.搞好打印工作的成本管理,按矿成本管理要求实施划帐。
图纸打印通知单。
修井工技能操作项目(中级工)
打印操作及分析判断铅模印痕
学习目的:掌握铅模打印施工的操作方法,现场能够正确分析、判断铅模印痕。
一、准备工作
1、穿戴好劳保用品,操作人员5人;
2、工具、用具:Φ114mm铅模1个、变扣接头1个、Φ73mm 反扣钻杆1200m、游标卡尺1把、钢卷尺1把。
二、操作步骤
1、检查铅模是否有缺陷,确定完好;记录外形尺寸,测量变扣短接长度,钻杆长度并详细记录。
2、下打印钻具,管串自下而上为:铅模、变扣接头、反扣钻杆,下至距鱼头10m左右位置。
3、打印:下放钻具速度控制在5m/min,钻压30—50KN。
4、起出打印钻具。
5、铅模印痕描述:将铅模清洗干净,判断印痕类型,测量印痕尺寸并描绘出来,计算打印深度。
三、注意事项
1、铅模与管串连接时,应用管钳打紧,防止下管柱过程中脱落。
2、下第一根钻杆时扶正管柱,缓慢下放,防止伤害铅模。
3、下管柱速度控制在5m/min以内,以免伤害铅模。
4、不能重复打印,以免出现印痕判断错误。
下铅模打印安全操作规程
1人员准备
1.1井队带班队长、司钻、副司钻、场地工、钻工等。
2工具准备
2.1井口盖板。
2.2铅模、游标卡尺、钻具、压井液、通井规、钻杆安全阀(球阀)、扳手、钻杆内防
喷器、配合接头。
2.3与上卸钻具钻具,压井液,密封脂,钻具通井规。
2.4相匹配的上扣扭矩仪,液压大钳等。
2.5与钻具尺寸相配套的气动卡瓦和单根吊卡等(如果入井管柱为油管,需准备与油管
尺寸相配套的管钳)。
2.6方钻杆、水龙头、水龙带、循环冲洗设备、提升系统。
3安全注意事项
3.1操作要求
3.1.1在工作开始之前,要组织井队人员开安全会,讨论工具,程序和安全。
3.1.2下单根前盖好井口。
3.1.3在铅模搬运过程中必须带好护帽,轻拿轻放,严禁摔碰。
3.1.4铅模使用前检查水眼是否通畅。
3.1.5组合工具期间关闭全封/剪切防喷器,防止工具意外落井。
3.1.6铅模通过井口时要保证居中,避免挂碰井口。
3.1.7绝不能在悬吊的钻具下站着或工作。
3.1.8进行该项作业时,对钻台上的新人员要特别关照,确保他们的安全。
3.1.9通钻具内径时,要确保内径规到达钻具的公扣处,猫道上人员与钻工共同确
认内径规到达钻具的底部。
3.1.10要始终坚持用游绳扶钻具。
3.1.11所有的工具和绳套都必须处于良好的状态。
3.1.12确认钻具的重量,确认每个绳套、卸扣、钩子和气动绞车的额定工作载荷。
3.1.13检查气动绞车绳和绳套的磨损情况。
对于任何受损设备都要汇报。
3.1.14接下油管单根时,要先用管钳认扣2-3扣,然后再使用液压钳上扣。
3.1.15扣上吊卡后,一定要确认保险销子插好。
3.1.16上提钻具单根之前,要认真检查公母丝扣和台肩,在丝扣和台肩上发现任
何损伤都必须记录在钻具本上,并向带班队长汇报。
3.1.17丈量钻具的结构,内外径,长度,扣型,序号和打捞尺寸,并记录在钻具
本上。
3.1.18在把单根与井内管柱连接之前,要把合适的丝扣油涂到钻具的公扣上,严
禁在母扣内涂抹丝扣油,防止丝扣油刷子落井。
3.1.19所有的连接丝扣都必须干净,涂上合适的丝扣油,戴上护丝。
3.1.20涂抹丝扣油用的刷子要有保险绳。
3.1.21吊装方钻杆、水龙头时严禁人员站在吊车吊臂下方。
3.1.22接、拆水龙带时注意人员站位,避免人员受伤。
4操作程序
4.1下铅模
4.1.1选取合适尺寸和类型的铅模。
4.1.2画草图,对印模底部照相存档。
4.1.3将铅模接在钻铤末端并上紧至规定扭矩。
4.1.4按照下钻铤和钻具安全操作程序下入钻铤和钻具。
4.2打铅印
4.2.1下至鱼顶以上一单根时接水龙头、接水龙带、方钻杆。
4.2.2开泵冲洗鱼顶,冲净后停泵,
4.2.3加压打印,打印钻压一般加压30KN,特殊情况增加钻压时不能超过50KN。
4.2.4上提方钻杆,座气动卡瓦,甩掉方钻杆、水龙头、水龙带起打铅印管柱。
4.2.5按照起钻安全操作规程,直到把钻具起完。
4.2.6卸工具时盖好井口,避免井下落物。
4.2.7保护好铅印,避免铅印意外受损。