设备清单及规格参数
- 格式:doc
- 大小:457.50 KB
- 文档页数:22
附件:主要配置及技术参数
设备配置清单
技术参数
一、设备主要用途:
用于皮肤组织加热以治疗祛除皮肤的皱纹、皮肤松弛、面部下垂、抽脂术后的松弛、面部年轻化、身体塑形等。
二、主要技术参数:
1、整套系统应包括射频治疗主机、单极射频和双极射频模块;
2、输出频率40.68MHz;
3、能量控制方式:相位移动控制方式;
4、最大输出功率:300W;
5、脉冲持续发射时间可调;
6、负压调节:高负压、低负压可调;
7、加热作用深度可调,8档,加热深度4.5mm;
8、屏幕:LCD彩色触摸屏;
9、治疗无耗材,治疗手具无次数限制;
10、冷却模式:接触式全程冷却;冷却界面:陶瓷;
11、单极治疗手具,无须回流电极;
12、治疗手具采用能量累计方式,屏幕可显示治疗总发数;
13、皮下加热温度可达到65C,同时表皮温度42℃;
14、治疗过程疼痛轻微,无需麻醉;。
第1篇一、项目背景本项目为(项目名称),由(招标单位)组织招标,旨在为(项目名称)提供必要的设备,以满足项目运营需求。
本次招标设备包括但不限于以下类别:设备类别一、设备类别二、设备类别三等。
现将设备配置清单公布如下:二、设备配置清单1. 设备类别一(1)设备名称:设备名称一设备数量:10台设备规格:规格一技术参数:参数一、参数二、参数三设备功能:功能一、功能二、功能三设备产地:产地一(2)设备名称:设备名称二设备数量:5台设备规格:规格二技术参数:参数四、参数五、参数六设备功能:功能四、功能五、功能六设备产地:产地二2. 设备类别二(1)设备名称:设备名称三设备数量:20台设备规格:规格三技术参数:参数七、参数八、参数九设备功能:功能七、功能八、功能九设备产地:产地三(2)设备名称:设备名称四设备数量:10台设备规格:规格四技术参数:参数十、参数十一、参数十二设备功能:功能十、功能十一、功能十二设备产地:产地四3. 设备类别三(1)设备名称:设备名称五设备数量:15台设备规格:规格五技术参数:参数十三、参数十四、参数十五设备功能:功能十三、功能十四、功能十五设备产地:产地五(2)设备名称:设备名称六设备数量:8台设备规格:规格六技术参数:参数十六、参数十七、参数十八设备功能:功能十六、功能十七、功能十八设备产地:产地六三、设备技术要求1. 设备应满足国家相关标准和行业规范要求。
2. 设备应具备良好的安全性能,符合国家安全生产法规。
3. 设备应具备良好的环保性能,符合国家环保法规。
4. 设备应具备良好的稳定性和可靠性,使用寿命长。
5. 设备应具备良好的操作性和维护性,便于用户使用和维护。
6. 设备应具备良好的兼容性,便于与其他设备连接和使用。
四、设备售后服务1. 设备供应商应提供完善的售后服务,包括但不限于:(1)设备安装、调试、培训等;(2)设备维修、保养、更换零部件等;(3)设备技术支持、咨询等;(4)设备质保期内的免费保修等。
采购设备清单及技术参数
(1)血液凝固分析仪
一、基本参数
1.1适用范围
血液凝固分析仪适用于定性分析血液凝固,包括血清凝固活度测定及全血凝固、血小板凝固及其它血液凝固测定。
1.2主要技术指标
(1)测量原理:采用神经网络+图像处理技术;
(2)测量单位:秒;
(3)适用范围:适用于任何真核生物的血液凝固測定;
(4)测量范围:0-9999秒;
(5)分辨率:最小单位为1秒;
(6)测量精度:95%;
(7)抗干扰性能:具有良好的抗干扰性能;
(8)运行环境:温度0-35℃,湿度≤85%;
1.3结构设计
(1) 尺寸:580×382×300mm (W×D×H);
(2)外壳:真空二色注塑壳;
(3)显示屏:键盘式带LVDS4.3寸彩色LCD显示屏;
(4)连接介质:USB2.0接口;
(5)电源:AC220V±20V50/60HZ;
(6)功耗:40W;
(7) 配套软件:Windows XP/7/8/10;
1.4操作简单性
血液凝固分析仪采用简易操作,调节温度幅度可以满足各种样品的快速分析要求,可根据不同样品的类型,设置不同的程序,准确、可靠地测定凝固时间。
(2)气象仪器
一、基本参数
2.1适用范围
气象仪器是一种测量温度、湿度、风力、风速等气象要素的仪器。
2.2主要技术指标。
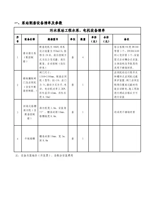
一、泵站配套设备清单及参数注:设备为落地价(开发票),含配合安装费用设备采购明细表水泵及电机订货技术要求一、工程建设条件泵站长年运行,抽排市政污水,主要是工业污水,但工业类型暂不能确定,且含有少量生活污水。
本区域历年平均气温13.3℃,年极端最高温度39.9℃,极端最低-20.2℃,历年平均月最高26℃,月最低-2.9℃。
本区域属暖温带半湿润气候区,年均气温13.3℃,无霜冻期211天,年平均降雨量560毫米,年蒸发量1280毫米。
二、工程概况本泵站配备潜水排污泵4台(三用一备),单泵设计流量950m3/h、设计扬程20米,配套90KW电机。
三、相关技术要求1、设备基本要求对于不锈钢必须采用酸洗钝化处理方式,未指明不锈钢牌号的均为AISI304。
控制箱箱体由供货厂家提供,采用聚碳酸酯材质,支架由业主自配。
所有螺栓、螺母等紧固件均采用不锈钢SS304。
2、主要设备清单详见机械设备订货任务清单。
3、供货范围4套完整的用于污水泵站的潜水排污泵,每台泵由泵壳、导流体、叶轮、轴、轴承、耐磨环、密封件、提升链、电机、底座、安装附件、紧固件、综合保护器等组成。
并应成套地配备安全、有效可靠运行所需的附件、紧固件、备品备件及所需的电缆。
总则:标准化的外观、运行、维修、备品备件以及制造商服务,所提供的设备必须是一个制造商的最终产品。
4、设备主要技术性能设备性能参数(单台)(1)泵的基本设计运行的高效点应在额定点附近,安装在泵站的泵坑内,能够间断运行或长时间停机后正常启动运行,安全运行时间至少为10,000小时。
(2)在设计工作范围内,水泵应能够平稳的运行且没有震动和气蚀,电机必须具备至少8%的功率储备。
(3)额定工况下,扬程、效率、NPSH值的误差应满足ISO2548或ISO9906标准。
(4)水泵能够自由的通过直径至少为100mm的固体颗粒,以及长纤维类物质。
(5)污水泵导杆的设置应使水泵从泵井顶部平稳地导送到水泵出口连接座上,为了拆卸及检修方便,水泵就位时能自动连锁在出口弯头的连接装置上,密封也应在下降时一并完成,无需工人下到井中。
第四章采购需求(一)设备配置清单(二)硬件部分招标参数2.1核心数据服务器(2台)2.2数据库存储(1台)2.3应用服务器(2台)2.4前置服务器(1台)负载均衡器1 .2 .3 .5 .6 .7 .2.5负载均衡器(1台)★吞吐量2Gbps、并发会话数±1600万、4层新建连接三30万、7层新建连接±40万;标配8个千兆电口,不少于3组硬件Bypass功能,可扩展到24个千兆网口或8个万兆网口、8G内存、1U标准机架式设备;*性能扩展:在不升级硬件的情况下,可通过license将性能提升至8Gbps,功能不受限制;9.2.6机柜(1台)2.7KVM切换器(1套)2.8系统集成(1套)附件1-1:资格证明材料承诺函我们,(供应商名称)已认真阅读《中华人民共和国政府采购法》及《竞争性谈判(询价)邀请公告》[(项目名称),政府采购编号:,委托代理编号]相关内容,知悉供应商参加政府采购活动应当具备的条件。
此次按《竞争性谈判(询价)邀请公告》要求提交的供应商资格证明材料,已经认真核对和检查,全部内容真实、合法、准确和完整,我们对此负责,并愿承担由此引起的法律责任。
一、我方在此声明:(一)我方与采购人或采购代理机构不存在隶属关系或者其他利害关系。
(二)我方与参加本项目的其他供应商不存在控股、关联关系,或者与其他供应商法定代表人(或者负责人)为同一人。
(三)我方未为本项目前期准备提供设计或咨询服务。
二、我方承诺(承诺期:成立三年以上的,为提交首次响应文件截止时间前三年内;成立不足三年的,为实际时间):(一)我方依法缴纳了各项税费及各项社会保障资金,没有偷税、漏税及欠缴行为。
(二)我方在经营活动中没有存在下列重大违法记录:1、受到刑事处罚;2、受到三万元以上的罚款、责令停产停业、在一至三年内禁止参加政府采购活动、暂扣或者吊销许可证、暂扣或者吊销执照的行政处罚。
供应商名称(盖单位章):法定代表人(签名):日期:—年—月—日附件1-2:法定代表人身份证明(法定代表人参加谈判)供应商名称:注册号:注册地址:成立时间:年月—日经营期限:经营范围:主营:;兼营:姓名:性别:年龄:系(供应商名称)的法定代表人。
采购设备清单及参数要求一、设备清单
二、设备品质要求
1.为保证业主正当权益,投标人需提供产品原厂商针对此项目的授权书原件。
2.为保证业主业务正常运行,需有本土化服务作为保障,所投产品厂商需在省
内设有本地售后(备件)服务机构(提供详细地址、电话/传真、邮箱及联系人等备查),投标人需提供设备原厂商针对此项目的三年售后服务承诺函原件。
3.所投产品的功能及技术指标要求为用户最低需求,加★项不满足,作废标处
理;不加★项超过五条不满足,视为无效投标。
三、主要技术参数要求
(一)业务大厅基础设备
1、PC电脑数量 30台
2、票据打印机参数要求:数量15
3、黑白激光打印机参数要求:数量30
4、打印复印一体机参数要求:数量5
5、照相器材数量 1套
6、交换机参数:数量2
7、路由器数量1台
8、防火墙数量 1台
9、上网行为管理数量1台
10、日志存储服务器数量 1台
11、社保办事大厅智能排队系统:数量6
12、笔记本电脑数量2
(二)服务器及存储
1、数据库服务器数量2台
2、中间件服务器数量4台
3、数据存储数量1台
4、存储交换机数量 2台
5、防火墙数量1台
6、交换机数量 2台。
设备清单及技术参数要求本项目核心产品:1ED教室灯、1ED黑板灯二、设备的安装调试、试运行和验收标准要求本项目为交付设备承包项目,中标供应商承包及负责招标文件对中标供应商要求的一切事宜及责任。
包括项目产品供货、配套设备提供、运输、保管、安装、调试、验收、检测、培训及相关服务等以及投标人认为必要的其他货物、材料、工程、服务;投标人应自行增加系统正常、合法、安全运行及使用所必需但招标文件没有包含的所有设备、、专利等一切费用,如果投标人在中标并签署合同后,在供货、安装、调试、培训等工作中出现货物的任何遗漏,均由中标供应商免费提供,买方将不再支付任何费用。
中标供应商在项目实施前,每所学校选取其中1间教室进行样板间施工改造,改造后由具备资质的第三方检测机构按规范进行现场检测,检测合格后再对其它教室进行改造。
中标采购设备到达目的地,经安装、调试、技术培训后,中标供应商向业主提请设备验收。
业主在接到投标人通知的5天内派人到现场负责组织验收,业主按中标供应商提供的仪器设备清单及检验产品合格证、使用说明书和其它的技术资料。
进口设备,除提供以上资料外,须会同海关、商检部门共同负责开箱检验、检查仪器设备及随机附件是否全新、完整无损,技术资料与图纸是否与业主的要求相符,可以通过逐一使用主要功能、对比、抽样检测、委托检测等方法对设备的技术指标和性能进行检测验收。
所有指标应与投标文件一致或在招标文件允许的范围内并符合响应的国家或行业标准以及符合用户的使用要求。
如有损坏、缺件、翻新等情况,应按款额赔偿。
全部改造完成后,委托与试点教室资质相同的检测机构随机抽取10%的比例进行检测(其中各市县教育局对实施照明改造的教室按照10%的比例抽取检测,且须覆盖到每一所照明改造的学校;省直属中学和高校附属中学按照本校照明改造的教室10%的比例抽取检测),均须出具书面检测报告。
检测合格报告作为各市县教育局和学校开展项目履约验收和向供应商支付费用的前提条件。
第三章实验室设备清单和主要技术参数第二包施工虚拟仿真教学课程软件(房屋构造虚拟仿真课程、建筑施工技术虚拟仿真课程、工程测量虚拟仿真课程、综合虚拟工法楼实训系统)一、房屋构造虚拟仿真课程(数量:1套)(一)实训功能及清单1、包含任务目标、建筑构造、构造剖面、构造解析、题库、图纸。
2、任务目标:了解学习的重点。
3、建筑构造:介绍构件的构造,可放大与缩小,可360°自由旋转。
4、构造剖面:剖面动画展示内部结构。
5、构造解析:配备专业的文字解析,介绍相关知识。
6、题库:系统配备知识点考核,平台自动评分。
7、图纸:学习、了解其平面结构,通过二维图与三维模型对比显示。
(二)模块清单1基础含砖基础、毛石基础、灰土基础、混凝土基础、钢筋混凝土基础、独立基础、条形基础、筏形基础、箱形基础、桩基础、钢筋混凝土锥形基础、钢筋混凝土台阶梯形基础等构造做法的讲解与实操交互练习。
2.墙体含墙体各部分名称、砌块、墙体外保温、空心砌块的形式、砖墙组砌方式、砌缝处理、砌块的竖缝、砌块的排列设计、散水构造、明沟构造、踢脚线、钢筋砖过梁、钢筋混凝土过梁、窗台、附加圈梁、构造柱、砌块墙墙芯柱、加气混凝土砌块隔墙、轻钢龙骨纸面石膏板隔墙、墙面抹灰、外墙贴面砖、防水处理等构造的讲解与实操交互练习。
3.楼板层与地面含楼板层的构成、梁板式楼板、无梁楼板、压型钢板组合楼板、预制实心平板、槽型板、空心板、板缝的处理、叠合楼板、密肋填充块楼板、水泥砂浆楼地面、现浇水磨石楼地面、石板楼地面、空铺式木楼地面、楼地面的防水构造、顶棚构造、阳台的结构布置形式、金属栏杆的形式和构造、阳台排水构造、雨棚构造等构造的讲解与实操交互练习。
4.楼梯含楼梯平面形式、楼梯的组成、踏步细部尺寸、楼梯段、楼梯段及平台净高、楼梯和暗步楼梯、平台板布置方式、踏步面层及防滑处理、无障碍楼梯和台阶形式、栏杆与踏步的连接、梯段转折处扶手处理、台阶尺度、台阶构造示例、坡道的构造做法等构造的讲解与实操交互练习。
设备参数及配套清单一.逆变直流电焊机:1.设备参数:共计:30台2.全铜橡胶绝缘多芯软电缆线(电焊线): 规格:50mm2 焊把线:90m 地线:45m 共计:135m3.电焊钳: 规格:500A 数量:30把 共计:30把4.焊机摆放小车:1.小车下带四个万向轮,可锁车。
2.小车带有不高于小车平台800mm 的推手。
3.小车长720*宽400.颜色为蓝色,小车美观,兼顾,耐用。
数量:30台 共计:30台5. 工具橱1,柜体上部双抽屉带锁,下部双开门柜子带锁,美观,坚固,耐用。
2,抽屉采用特制导轨,打开率为90%,承载重量大,抽拉方便,安全可靠。
3,柜体内隔板高低可自由调节可加层。
4,尺寸:长800*深400*高1000厚度1.2颜色:蓝色输入电压 3相 380V±(15~20)% 50~60Hz 额定输入电流 3 4 A 型号zx7-500 额定输入功率 23KW 额定空载电压 65~75V 电流调节范围 I2 25~520A 推力电流调节范围 0~200A 引弧电流调节范围 I2~2I2 额定负载持续率 60% 效率 90% 功率因数 0.95 绝缘等级 F 外壳防护等级 IP21 冷却方式 风冷外形尺寸 698×360×780(mm) 重量58Kg共计:30台设备全部厂家安装调试需购买国家级、自治区技能大赛专用设备二、熔化极二氧化碳保护焊机规格:60mm2地线:45m共计:45m3.二氧化碳(Co2)气瓶共计:30瓶4二氧化碳减压器共计30个5.焊机摆放小车:1.小车下带四个万向轮,可锁车。
2.小车带有不高于小车平台800mm的推手。
3.小车长720*宽400.颜色为蓝色,小车美观,坚固,耐用。
数量:30台共计:30台5.焊条(焊丝)摆放架共计:6组设备全部厂家安装调试需购买国家级、自治区技能大赛专用设备三、直流脉冲氩弧焊机1.设备参数共计:30台2.全铜橡胶绝缘多芯软电缆线(电焊线): 规格:50mm2 焊把线:90m 地线:45m 共计:135m3. 氩气(Ar)气瓶 共计:30瓶4.氩气减压器 共计30个5.焊机摆放小车:输入电压3相 266V-456V 50~60Hz脉冲频率 0.1-500Hz 型号 WSM-400 额定输入功率 17KW 额定空载电压 55~70V 电流调节范围 5~410A 推力电流范围 0~1500A/ms 上坡时间 0.1-99.9s 下坡时间 0.1-99.9s 电焊时间 0.01-99.9s 提前送气时间 0-13s 滞后送气时间 0.1-50s 额定负载持续率 60% 效率 85% 功率因数 0.93 绝缘等级 F 外壳防护等级 IP21S 冷却方式 风冷 外形尺寸 560×300×530(mm)1.小车下带四个万向轮,可锁车。
医疗设备采购清单及参数采购清单:1.电子血压计2.血氧饱和度仪3.心电图仪4.呼吸机5.X光机6.B超7.输液泵8.担架9.手术台10.输液器参数:1.电子血压计:- 测量范围:0-300mmHg- 准确度:±3mmHg-自动充气功能-显示屏:LCD-记忆功能:可保存至少100组测量结果2.血氧饱和度仪:-测量范围:70%-100%-准确度:±2%-显示屏:LED-自动关机功能-可调节亮度3.心电图仪:-心电导联:12导联-心电图显示方式:纸质输出和数字显示-心电图存储容量:至少1000组心电图-自动分析和诊断功能4.呼吸机:-工作模式:辅助呼吸、控制呼吸、压力支持- 压力范围:0-30cmH2O-呼吸频率范围:10-40次/分钟-呼气末正压功能5.X光机:-X光管电流:100mA-X光管电压:50-125kV-感光器件:全数字传感器-可拍摄部位:胸部、骨骼、腹部等6.B超:-移动式B超-探头频率:3.5MHz-探头类型:线性探头、凸阵探头-显示屏:液晶显示屏-可调节的深度范围7.输液泵:- 输液范围:0-9999ml- 预设容量:10ml/h-1200ml/h- 注射速度:0.01ml/h-99.9ml/h-输液精度:±5%-可选工作模式:重量模式、时间模式、体积模式8.担架:-材质:铝合金- 最大承重:至少180kg-背部角度可调节-可折叠和携带9.手术台:- 高度调节范围:至少60cm-110cm-倾斜角度可调节-操作便捷、稳定性好- 载重能力:至少180kg10.输液器:- 注射容量:100ml、250ml、500ml-注射速度可调节-定量控制精度:±5%通过明确参数和详细清单,医疗机构可以根据自身的需求和预算选择适合的医疗设备供应商,并确保设备满足医疗机构的要求。
同时,医疗机构还可以根据具体情况对设备参数进行调整和补充,以满足特殊需求。