汽车传感与检测技术 教学大纲
- 格式:docx
- 大小:25.03 KB
- 文档页数:4
《传感与检测技术》课程教学大纲一、课程性质与任务本课程是电子电器应用与维修专业的专业课。
主要内容介绍传感器技术,以模块+项目+任务的模式,将同一被测物理量放在一个模块中,每个项目介绍一种传感器的应用,解决传感器选型和接口技术。
二、课程教学目标本课程的任务是使学生掌握每种传感器的结构、原理、给你、特性、技术参数、选用原则和转换接口电路的组成原理等。
通过学习,提高学生的动手能力及分析、解决问题的能力,培养学生的职业能力。
三、教学内容与要求模块一为传感器与检测基本知识。
任务一传感器基本知识项目二传感器的测量误差和准确度项目三检测电路基本知识模块二为温度传感器的应用。
项目一热敏电阻在冰箱温度控制中的应用项目二PN节温度传感器在温室大棚中的应用项目三热电偶在输油管道温度测量中的应用项目四集成温度传感器在数字显示温度表中的应用模块三为光电传感器的应用项目一光敏电阻在报警器中的应用项目二热释电红外传感器在公共照明中的应用模块四为压力传感器的应用项目一电阻应变片在电子秤中的应用项目二压电式传感器在警戒区报警电路中的应用项目三高分析压电薄膜振动感应片在玻璃破碎报警装置中的应用项目四压阻式压力传感器在数字压力计中的应用模块五为位移传感器的应用项目一电位器式位移传感器在机械行程控制位置检测电路中的应用项目二光栅传感器在数控机床位移检测电路中的应用项目三接近传感器在防触电警告电路中的应用项目四电传感器在电动测微仪中的应用项目五超声波车载雷达在测距电路中的应用模块六为流量传感器的应用项目一涡轮流量计在天然气计量电路中的应用项目二电磁流量计在自来水厂水量监控电路中的应用模块七为速度传感器的应用项目一霍尔式传感器在汽车防抱死装置中的应用项目二磁电式传感器在发动机转速检测电路中的应用模块八为气体与温度传感器的应用项目一气敏电阻在酒精测试仪中的应用项目二湿敏传感器在自动加湿器装置中的应用在每个项目的内容组织上,用任务的方式,将理论知识融入到元件的识别与检测、电路的装配、电路的调试和电流的运行中,突出传感器的选用、识别、检测转换电路的装配和调试时的原理分析,是学生真正掌握传感器。
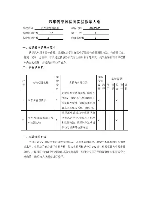
汽车传感器检测实验教学大纲
课程名称汽车传感器检测课程代码01060060
课程总学时数32 学分数 2
实验总学时数 4 应开实验数 2
一、实验教学的基本要求
认识汽车用各类传感器,并通过让学生自己动手连接传感器测量电路,传感器标定、观测、记录、分析等,以及通过传感器在汽车上应用演示等方式,使学生加强对本课程基本内容的理解,并提高实际动手能力。
二、实验项目表
三、实验考核方式
考核与评定:根据学生的课程实验报告,以及实验的表现,对学生本课程相关知识掌握水平、实际动手能力进行实验考核;每次实验考核满分为100分,根据项目内容及步骤分解,并按项目卡的评分标准给出该次实验成绩;取两个项目的平均分数作为实验综合考核成绩,最后按大纲规定进行总评。
四、实验教材或指导书
(按教材名称、编著者、出版社、出版年月顺序填写。
由学校出版、印刷的实践教材或指导书,统一写作“常州工学院印刷”)
车辆工程系.汽车传感器检测课程实验指导书.常州工学院印刷
张正伟.传感器原理与应用.中央广播电视大学出版社
刘迎春,叶湘滨.现代新型传感器原理与应用.国防工业出版社,1998,1
刘笃仁,韩保君.传感器原理及应用技术.西安电子科技大学出版, 2003,8
五、有关说明
该环节为本课程讲授部分内容的有益补充,是本课程的重要组成部分。
某些实验项目内,包括多个目的相同、内容相近但具体内容不同的实验,可根据学生需要及分组情况选择具体内容。
课程编号:“传感器与检测技术”课程教学大纲Sensor and Detection technology Course Outline40学时2学分一、课程的性质、目的及任务传感器与检测技术是计算机科学与技术专业课程之一,其任务是使学生了解检测系统与传感器的静、动态特性和主要性能指标,掌握常用传感器的工作原理和常见非电量参数的检测方法、检测系统中常用的信号放大电路、信号处理电路与信号转换电路等。
其作用是通过本课程的学习,培养学生利用现代电子技术、传感器技术和计算机技术解决生产实际中信息采集与处理问题的能力,为工业测控系统的设计与开发奠定基础。
二、适用专业——计算机科学与技术三、先修课程——电路分析基础、模拟电子技术、数字电子技术四、课程的基本要求1、通过本课程的学习,学生应了解以下知识:(1)传感器的基本概念,本课程在专业中的作用和地位(2)电阻式传感器的基本特性(3)电感式传感器的设计(4)电容式集成传感器的基本特点和应用范围(5)霍尔式传感器的特性、工作原理及转换电路(6)压电效应产生的原理及压电材料的常用结构形式(7)光电传感器的基本工作原理、光电器件的基本特性2、通过本课程的学习,学生应熟悉以下知识:(1)传感器的技术指标(2)电阻传感器的误差分析和灵敏度计算(3)电感式传感器的零点残余电压的概念、分析及减小它的方法,电涡流式传感器和压磁式传感器的基本特性(4)磁电感应式传感器的特性、类型、工作原理及转换电路(5)压电材料的种类和性能(6)光纤传感器的特点,光栅式传感器的特点、分类和工作原理3、通过本课程的学习,学生应掌握以下知识:(1)传感器的静特性和动特性(2)电阻传感器的工作原理及等效电路(3)自感与互感传感器的特性分析、转换电路、灵敏度分析(4)电容式传感器的工作原理、转换电路、主要性能和特点及其灵敏度分析(5)压电式传感器的等效电路与测量电路及其分析方法五、课程的教学内容(一)课堂讲授的教学内容1.传感器的一般特性绪论,传感器的静特性,传感器的动特性,传感器的技术指标2. 电阻式传感器(1)应变式传感器,应变式传感器的原理、结构类型、转换电路及误差分析(2)压阻式传感器,压阻式传感器的原理、结构类型、转换电路及误差分析3.电感式传感器(1)自感式传感器工作原理及自感计算、转换电路、零点残余电压(2)差动变压器工作原理及互感计算,转换电路,零点残余电压(3)电涡流式传感器(4)压磁式传感器4. 电容式传感器(1)工作原理与类型(2)转换电路(3)主要性能、特点和设计要点(4)电容式传感器的应用(5)电容式集成传感器5. 磁电式传感器(1)磁电感应式传感器工作原理,转换电路,特点及应用(2)霍尔式传感器工作原理,转换电路,误差分析,特点及应用6. 压电式传感器(1)电压效应(2)压电材料(3)压电元件常用结构形式(4)等效电路与测量电路(5)压电式传感器的应用举例7. 光电式传感器(1)光源(2)光电器件(3)光纤传感器(4)光栅式传感器(5)激光式传感器(二) 实验的教学内容1. 霍尔式传感器的直流激励特性2. 属箔式应变片传感器性能实验3. 差动变面积式电容传感器实验七、主要参考书教材及参考书名称编者出版社出版日期1.传感器强锡富机械工业出版社20012.传感器原理设计与应用刘迎春国防科技大学出版社20013.传感器原理及应用唐贤远电子科技大学出版社20004.传感器例题与习题集王其生机械工业出版社19935.传感器及其应用何希才国防工业出版社20016.检测理论及其应用朱麟章机械工业出版社1997八、评价方式(包括作业、测验、考试等)考试以期末考试为主,作业、课堂提问、实验等为平时成绩。
传感器与检测技术教学大纲一、课程简介传感器与检测技术是现代电子信息技术中非常重要的一个领域。
它涉及到了物理学、电子学、计算机科学等多个学科的知识,在现代物联网、智能家居、智能制造和智能交通等领域得到广泛应用。
本课程旨在介绍传感器和检测技术的原理、分类、特点和应用,并通过实验课程让学生了解传感器的选择、使用和调试。
二、课程大纲1. 传感器原理•传感器定义及分类;•传感器的工作原理和特点;•传感器与信号处理的关系。
2. 传感器技术•压力传感器、温度传感器、湿度传感器、光电传感器、气体传感器、生物传感器、加速度传感器等类型;•传感器选择和应用的技术;3. 检测技术•检测技术定义、分类及特点;•电子测量技术、物理量测量技术、化学分析检测技术等;•数据采集、处理、传输的技术。
4. 实验教学•基础性实验:传感器和检测技术的工作原理、检测线路的选择、传感器传输出信号的处理等;•应用性实验:使用传感器实现对温度、湿度、气体、光线等检测数据的采集和处理;•创新性实验:根据自己的兴趣和特长,选取传感器和检测技术进行创新性研究。
三、教学方式本课程采用讲授、实验、讨论和创新性研究等教学方法相结合。
讲授环节主要介绍传感器原理、分类和应用、检测技术的方法和特点等基础知识;实验教学环节通过实验,让学生了解传感器的选择、使用和调试,培养学生工程实践能力和应用能力;讨论和互动环节通过提问、回答、讨论等方式,加深学生对传感器和检测技术的理解和掌握;创新性研究环节让学生自主选题,进行独立研究,把所学的知识转化为创新成果。
四、考核方式本课程的考核方式包括期中考试、实验报告、论文、课堂表现等几个方面。
期中考试主要考察学生对课程内容的掌握情况;实验报告要求学生在每个实验完成后,按要求撰写实验报告并提交;最后要求学生按指定格式撰写一篇课程论文,介绍所选传感器或检测技术的研究成果。
课堂表现包括出勤率、提问、回答、互动等方面的表现。
五、参考资料1.《传感器技术及应用》等;2.《检测技术基础》等;3.《智能检测与传感器实验》等。
传感器与检测技术”课程教学大纲课程编号:09021370课程名称:传感器与检测技术SensorsAndMeasuringTechnology学时:64学分:3适用专业:机械设计制造及其自动化开课学期:6(春)开课部门:机电工程教研室先修课程:大学物理、高等数学、电子电工等考核要求:考试使用教材及主要参考书:戴蓉主编,《传感器原理与工程应用》,电子工业出版社,2013年郁有文等主编,《传感器原理及工程应用》,西安电子科技大学出版社,2005年贾民平等主编,《测试技术》,高等教育出版社,2003年RamonPallas-Areny等著,《传感器和信号调节》,清华大学出版社,2004年一、课程的性质和任务《传感器与测试技术》是一门多学科交叉而成的专业课程,随着科学技术的飞速发展,人们对信息资源的需要日益增长,要及时获取各种信息,解决工程、生产及科研中遇到的检测问题,必须合理的选择和应用各种传感器。
本课程在讲清基本概念、基本理论的基础上,强调工程应用,强调实验教学,理论课与实验课比例为三比一。
本课程主要为相关专业的本科生、专科生重点介绍各种传感器的工作原理和特性,结合工程应用实际,了解传感器在各种电量和非电量检测系统中的应用,培养学生使用各类传感器的技巧和能力,掌握常用传感器的工程测量设计方法和实验研究方法,了解传感器技术的发展动向。
二、教学目的与要求使学生初步掌握检测技术的基本知识。
培养学生使用各类传感器的能力。
使学生能够进一步应用传感器方面的知识解决工程检测中的具体问题。
对学科发展有初步认识,掌握基本的共性技术。
本课程学习基本要求为:1、通过本课程的学习,学生应了解以下知识:(1)传感器、检测系统组成、描述。
(2)自动检测的历史、发展。
(3)传感器测量的共性技术,传感技术的新发展。
(4)传感器的一般工程参数测量方法。
2、通过本课程的学习,学生应熟悉以下知识:(1)传感器分类方法(2)传感器动、静态特性的定义、测量方法。
《汽车传感器》教学大纲适用专业:汽车电子(普通高职)总学时:90一、课程的目的与任务本课程是普通高职汽车电子专业必修的专门课。
本课程的主要任务是使学生掌握从事汽车维修类工作的高素质劳动者和中高级专门人才必备的汽车传感器技术方面的基本理论、基本知识和基本操作技能。
主要培养学生对汽车传感器知识的理解及对传感器技术的综合运用能力。
学习本课程对学生能够从事汽车维修技术类各方面的工作打下良好的基础。
本课程主要包括传感器技术的基本概念和常用汽车传感器的工作原理、结构、特性及应用。
本课程基本要求:1、理解常用传感器的基本工作原理;2、理解常用汽车传感器的典型结构,并能根据要求适当选用;3、了解常用汽车传感器的基本电路;4、掌握各类汽车传感器的基本参数,并能按参数对传感器进行比较、选择。
二、教学内容及教学要求(一)绪论1、理解传感器的定义;2、了解传感器在汽车中的应用;(二)传感器技术的理论基础1、掌握传感器的分类方法及描述。
2、测量误差理解误差的基本概念;了解系统误差及随机误差的特点及克服方法。
3、传感器的一般特性掌握传感器的静态特性,能按参数进行评价及选择;了解传感器的动态特性。
(三)温度传感器1、金属热电阻传感器理解金属热电阻传感器的结构及原理;掌握其应用;了解金属热电阻传感器实际应用;2、热敏电阻传感器理解热敏电阻传感器的分类、结构及特性;掌握热敏电阻传感器的典型应用。
3、热电偶传感器理解热热电偶的结构及原理、特性,掌握热电偶测温定律;掌握热电偶的冷端温度补偿。
4、温度传感器在发动机排气上的应用掌握温度传感器在发动机排气上应用的实例及使用注意事项。
(四)空气流量传感器1、动片式空气流量传感器了解动片式空气流量传感器的基本原理;掌握动片式空气流量传感器的结构及应用;2、卡曼涡旋式空气流量传感器了解卡曼涡旋式空气流量传感器的基本原理;掌握卡曼涡旋式空气流量传感器的结构及应用;3、动片式空气流量传感器了解动片式空气流量传感器的基本原理;掌握卡曼涡旋式空气流量传感器的结构及应用;(五)压力传感器掌握车用压力传感器的种类与用途;掌握半导体压力传感器的原理及结构掌握集成电路型压力传感器的原理及结构掌握半导体微差压力传感器的原理及结构(六)位置与角度传感器1、位置传感器了解节气门位置传感器的基本原理及分类;掌握编码器式节气门位置传感器的原理及应用;掌握滑动式节气门位置传感器的原理及应用;2、角度传感器掌握曲轴角度传感器的原理及应用;掌握凸轮轴角度传感器的原理及应用;掌握转向角度传感器的原理及应用;(七)氧传感器1、二氧化锆氧传感器理解二氧化锆氧传感器的基本原理;掌握二氧化锆传感器的结构及应用;了解二氧化锆传感器的使用注意事项;2、二氧化钛氧传感器理解二氧化钛氧传感器的基本原理;掌握二氧化钛传感器的结构及应用;了解二氧化钛传感器的使用注意事项;3、氧传感器在三元催化系统中的应用了解氧传感器在三元催化系统中的应用;掌握氧传感器在尾气净化过程中的注意事项;(八)全范围空燃比传感器了解全范围空燃比传感器的发展过程及种类;掌握固体电解质型传感器的原理及其特点;掌握阻值变换型传感器的原理及其特点;了解全范围空燃比传感器的实例;(九)控制燃烧传感器掌握燃烧压力传感器的原理及其特点;掌握燃烧温度传感器的原理及其特点;掌握燃烧光传感器的原理及其特点;掌握离子电流传感器的原理及其特点;掌握燃油传感器的原理及其特点;(十)转速传感器掌握电磁式转速传感器的原理及结构;掌握光电式转速传感器的原理及结构;掌握霍尔式转速传感器的原理及结构;(十一)爆震传感器了解爆震传感器的作用及分类;掌握共振型爆震传感器的原理及应用;掌握非共振型爆震传感器的原理及应用;(十二)光检测传感器了解光检测传感器的分类与用途;掌握日照传感器的原理及应用;掌握灯光控制传感器的原理及应用;(十三)液位传感器掌握液位检测传感器的分类及实例;(十四)车辆周围识别传感器掌握超声波传感器的原理及应用;掌握激光雷达的原理及应用;掌握CCD与红外线传感器的原理及应用;(十五)磁场传感器掌握地磁场传感器的原理及应用;(十六)其他传感器了解电流检测用传感器的原理及应用;了解磨损检测用传感器的原理及应用;了解检测雨滴用传感器的原理及应用;了解预制转向用传感器的原理及应用;(十七)直喷发动机与传感器了解D-4型传感器用传感器;了解直喷柴油机传感器用传感器;三、学时分配表四、推荐教材及参考书目1、《汽车用传感器》董辉北京理工大学出版社2、《汽车检测技术及传感器》冯俊萍重庆大学出版社3、《汽车传感器原理与检修》何金戈化学工业出版社。
汽车传感器应用教学大纲汽车传感器应用教学大纲一、引言汽车传感器是现代汽车工程中不可或缺的一部分。
它们通过感知车辆的各种参数和环境条件,将信息传递给车辆的控制系统,从而实现对车辆性能和安全的监测与控制。
本教学大纲旨在介绍汽车传感器的基本原理、种类、应用以及故障排查与维修等方面的知识,以培养学生对汽车传感器的全面理解和应用能力。
二、传感器基础知识1. 传感器的定义和作用- 传感器的基本概念和定义- 传感器在汽车系统中的作用和重要性2. 传感器的工作原理- 传感器的工作原理和基本结构- 传感器的信号转换和输出方式三、常见汽车传感器的分类与原理1. 发动机相关传感器- 气流传感器(MAF)- 曲轴位置传感器(CPS)- 氧气传感器(O2)- 冷却液温度传感器(ECT)2. 车辆动力传输系统传感器- 变速器传感器(VSS)- 离合器位置传感器(CPS)- 制动踏板位置传感器(BPS)3. 车辆安全系统传感器- 碰撞传感器(CRS)- 倒车雷达传感器- 轮胎压力监测传感器(TPMS)四、传感器应用与故障排查1. 传感器应用案例分析- 发动机故障诊断与传感器应用- 制动系统故障诊断与传感器应用 - 安全系统故障诊断与传感器应用2. 传感器故障排查与维修- 传感器故障的常见表现和原因分析 - 传感器故障的诊断与检修方法- 传感器的校准和调试技术五、传感器发展趋势与未来展望1. 汽车传感器的发展历程- 传感器技术的演进和应用扩展- 传感器在智能汽车中的发展2. 未来汽车传感器的发展趋势- 新型传感器技术的应用前景- 传感器与人工智能、大数据的结合六、结语本教学大纲以汽车传感器为主题,介绍了传感器的基本原理、分类、应用与故障排查等方面的知识。
通过学习本课程,学生将能够全面了解汽车传感器的工作原理和应用场景,具备传感器故障排查与维修的基本能力,并对未来传感器技术的发展趋势有所了解。
希望本教学大纲能够为学生提供一份全面系统的学习指导,培养他们在汽车传感器领域的专业知识和技能。
《汽车传感器》课程教学大纲课程名称:汽车传感器课程代码:学分/总学时:2/36开课单位:机电工程系面向专业:汽车检测与维修专业(必修)一、课程的性质、目的和任务《汽车传感器》是汽车检测与维修专业的专业必修课,它阐述了汽车用各种常见传感器的结构、原理以及它们的安装位置,和学习如何通过各种车用传感器达到车辆的安全、舒适、省油、环保的目的。
通过本课程的学习,使学生了解和掌握汽车电子控制系统中汽车传感器的作品和检修的原理和过程。
通过本课程的学习,学生应达到下列要求:1.了解和掌握汽车各种常见传感器在汽车运行中的地位与作用;2.掌握汽车传感器的原理;3.了解汽车汽车传感器的新技术新工艺;4.了解汽车传感器在集体车型中的位置;5.了解汽车传感器的常见故障及诊断排除方法。
二、学习本课程学生应掌握的前设课程知识汽车构造、汽车底盘、汽车电器设备与维修、工程制图等三、学时分配汽车传感器学时分配表四、课程内容和基本要求第1章传感器概述课时数:2学时重点:1.5 汽车用传感器的种类和项目第2章温度传感器课时数:4学时重点:2.8 温度传感器的实际应用第3章空气流量传感器课时数:2学时重点: 3.1 动片式空气流量传感器3.2 卡曼涡旋式空气流量传感器3.3 热丝式空气流量传感器3.4 各种空气流量传感器的比较第4章压力传感器课时数:2学时重点:4.2 汽车用压力传感器种类与用途第5章位置传感器与角度传感器课时数:4学时重点:5.1 节气门位置传感器(编码器式)5.2 节气门位置传感器(直线式)5.3 滑动式节气门位置传感器5.7 转向传感器5.8 光电式车高传感器第6章氧传感器课时数:2学时重点:6.1 氧传感器的基本介绍6.6 氧传感器使用中的问题第7章全范围空燃比传感器课时数:2学时重点:7.4 全范围空燃比传感器应用举例第8章控制燃烧所用的传感器(略)课时数:2学时第9章转速传感器课时数:1学时重点:9.1 电磁式转速传感器课时数:4学时9.2 脉冲信号式转速传感器9.3 光电式转速(曲轴角度)传感器9.4 信号板外装式曲轴角度传感器9.5 车速传感器第10章加速度(G)传感器课时数:2学时重点:10.1 加速度传感器工作原理概述10.2 钢球式加速度传感器第11章光检测传感器课时数:2学时重点:11.1 光传感器的种类11.3 日照传感器11.4 灯光控制传感器11.5 光电导式光量传感器第12章液位传感器(整章内容)课时数:2学时第13章车辆周围识别用传感器课时数:2学时重点:13.1 超声波传感器课时数:2学时第14章磁场传感器(了解)第15章电流传感器、磨损检测用传感器、角速度检测用传感器(了解)课时数:2学时五、教材及学生参考书教材:1、《汽车传感器检测》贺建波贺展开主编,机械工业出版社,2006年出版2、《汽车用传感器》,董辉主编,北京理工大学出版社,2009年出版参考书:1、《汽车传感器识别与检修精华》吴文琳主编,机械工业出版社,2006年出版六、作业及课外学习要求本课程对汽车基础知识的要求较高,并以汽车发动机、汽车底盘、汽车电器结构与原理为基础,要求学生在课前认真进行专业基础知识的复习和巩固,按时完成不少于六次的课后作业。
汽车传感器检测课程教学大纲(总学时数32,学分数2)一、课程性质、任务和目的汽车传感器检测是为汽车服务工程专业(本科)学生开设的一门专业基础必修课程。
本课程的目的任务是:通过本课程学习使学生掌握汽车测试技术相关的信号分析、测试装置动态特性分析及信号调理与记录等工程测试基础知识;使学生掌握汽车工程中常用的传感器的结构类型、工作原理及其在汽车上的应用,掌握速度、位移、压力、温度等基本物理量的检测方法,了解汽车维修中常用的传感器的特性及应用,使学生在汽车测试与传感器技术方面具有较全面的知识,为后续汽车检测与维修等课程学习打好基础。
二、课程基本内容和要求(一)绪论了解测试技术内容与任务;清楚测试系统的组成;了解汽车测试技术与传感器的应用现状及发展趋势,了解汽车传感器种类。
重点:汽车用传感器种类。
(二)信号描述及分析了解信号的类型,理解信号的时域与频域描述;掌握信号的时域分析与相关分析方法,清楚这些方法的具体应用。
重点:典型信号的频谱、时域分析参数与相关分析法物理意义。
(三)测试装置动态特性分析与性能测试了解测试系统的静态与动态特性的数学描述,掌握典型测试系统的动态特性分析方法。
重点:一阶、二阶测试系统的频率特性。
(四)信号调理与记录了解电桥、信号的放大与隔离、调制与解调、滤波器等信号调理手段,理解其相应的工作原理。
重点:幅值调制与解调、常用滤波器的工作原理。
(五)电阻式传感器了解电阻式传感器的类型,理解变阻器式、电阻应变式传感器的工作原理与测量电路;掌握不同类型电阻式传感器在汽车上的应用。
重点:空气流量计、节气门位置传感器、压阻式进气压力传感器在汽车上的工作原理。
(六)变磁阻式传感器了解变磁阻式传感器的类型,理解自感式、互感式、电涡流式、磁电式传感器的工作原理与测量电路;掌握不同类型电感式传感器在汽车上的应用。
重点:可变电感式进气压力传感器、伸缩式爆震传感器、车轮轮速传感器、曲轴位置传感器在汽车上的应用。
教学大纲课程名称:传感器与检测技术课程类别:专业基础课适合专业:数控技术、机电一体化、电气自动化、检测技术(课程80学时)课程要求:必修课程先修课程:大学物理、电路基础、电子技术和微机原理等开课时间:第4学期传感器与检测技术是高等院校数控技术、机电一体化、电气自动化、检测技术类专业教学计划中一门必修的专业基础课。
本课程主要研究各类传感器的机理、结构、测量电路和应用方法,主要包括常用传感器、近代新型传感技术及信号调理电路等内容。
本课程的目的和任务是使学生通过本课程的学习,掌握常用传感器的基本原理、应用基础,并初步具有检测和控制系统设计的能力。
第一章检测技术的基础知识(3学时)基本概念(敏感元件、变换器、检测技术、测系统的组成及特点、传感器及检测技术的发展);;误差分析及处理技术第二章传感器的基本概念(4学时)传感器的基本概念、基本特性(静态特性、动态特性、静、动态特性标定)及其选用。
第三章常用传感器的工作原理及应用(15学时)通过对电阻式传感器、电容式传感器、电感式传感器、压电式传感器、霍尔传感器、热敏传感器的学习,掌握各种测量几何量的传感器的基本结构、工作原理、测量转换电路;熟悉几何量测控所需传感器的应用和选用。
第四章数字式传感器(7学时)掌握光栅数字式传感器、磁栅数字式传感器、感应同步器、编码器的工作原理及其应用。
第五章新型传感器(5学时)了解仿生传感器、光纤传感器、微型传感器、集成传感器的工作原理及应用和新型传感器研发的重点领域。
第六章传感器与检测系统的信号处理技术(5学时)通过对电桥电路、信号的放大与隔离、信号的变换的学习,重点掌握检测系统的信号放大与变换电路的处理技术。
第七章传感器与检测系统的干扰抑制技术(3学时)学习噪声干扰的形成、硬件抗干扰技术、软件抗干扰技术,熟悉检测系统的各种干扰拟制技术。
第八章典型非电参量的测试方法(7学时)熟悉掌握各种测量几何量的测试方法和传感器的选用原则。
包括:应变的测量、力及压力的测量、位移的测量、振动的测量、流量的测量。
《汽车传感器与检测技术》课程标准课程代码:课程名称:汽车传感器与检测技术课程类型: 专业必修课总学时:36 讲课学时:18 实验学时:18学分:2适用对象: 高等职业院校汽车检测与维修技术专业一、学习领域定位《汽车传感器与检测技术》是汽车检测与维修专业核心课程的辅助课程,是汽车检测与维修从业人员取得从业资格证书考试的相关科目,是一门理论性和实践性都很强的课程。
结合汽车检测与维修岗位的需求,以讲授常用汽车传感器的结构、检测方法为基础,并重点突出基于工作过程所涉及的汽车传感器结构、工作原理、使用、维护、检测以及故障诊断与排除的基本知识。
同时,根据本专业特点将课堂教学分为一般讲授和增强技能性训练课和顶岗实践,安排学生对传统结构和新车型进行实验、实训,使学生除掌握理论知识外,具备较强的实际动手能力。
在此基础上,基本掌握现代汽车的检测手段以及维修设备的使用方法。
课程的任务是:通过本课程的学习,增强学生对汽车维修、使用、管理与服务的实践技能,提高学生工作过程环境保护、安全防护、节能与客户服务意识,促进学生负有汽车检修质量、安全运用的社会责任感,形成良好的职业素养,使学生具备各种汽车维修检测过程的资讯、计划、决策、实施、检查和评估各环节的理论知识,并以具体工作任务为导向,培养学生发展科学探究能力,从而提高学生的职业素质和职业能力。
基于职业能力的培养,本课程所承担的具体任务为:1、能正确识别和描述汽车传感器各零部件的结构、电路组成与工作原理。
2、会正确使用各种检测工具、仪器和设备。
3、能正确检修、调整汽车传感器各组成,恢复其使用性能。
4、会熟练检查、诊断与排除汽车传感器常见故障。
5、具备良好的环境保护意识、质量与安全责任意识、团队协作精神和沟通能力。
6、具备理论联系实践,不断发展和探究新技术的能力。
二、课程设计(一)、课程基本理念基于工作过程整合、序化课程内容,基于工学交替组织教学进程,以达到教中学、学中做、做中教的理论与实践循环一体化,通过模拟岗位体验工作,通过工作体验学习,从而突出学生职业素养和职业能力的培养。
汽车传感与检测技术
一、课程说明
课程编号:080518Z10
课程名称(中/英文):汽车传感器与检测技术/ Automotive Sensors and Detection Technology
课程类别:专业教育
学时/学分:32/2
先修课程:汽车理论、汽车构造(底盘)、汽车构造(发动机)
适用专业:车辆工程
教材、教学参考书:
教材:郭彬等.汽车传感器与检测技术.北京大学出版社,2010年7月第1版.
参考书:
[1]姜立标.汽车传感器及其应用.电子工业出版社,2013年9月第2版
[2]李伟.新型汽车传感器、执行器原理与故障检测,2014年10月第1版
二、课程设置的目的意义
汽车传感器与检测技术是车辆工程专汽车智能化专业方向基本知识体系的一部分。
通过本课程的学习,学生可掌握汽车传感器与检测技术的基本概念、作用和基本原理,了解汽车传感器与检测技术的最新进展,为学习汽车智能化技术的专业知识奠定基础。
三、课程的基本要求
第1章绪论:本章主要讲述基本电子控制系统组成及在汽车上的应用概况,和传感器在汽车控制中的作用。
要求学生了解基本电子控制系统的组成及传感器在汽车控制中的作用。
第2章传感器的基本概念:本章主要讲述传感器的组成、分类、性能指标、基本特性、基本测量电路、传感器的标定与校准及改善传感器性能的主要技术途径。
要求学生掌握传感器的基本特性、基本检测电路、标定要求及改善传感器性能的主要技术途径。
第3章传感器技术现状:主要讲述传感器技术的现状及发展方向。
第4章检测技术的基础知识:本章主要讲述现代检测系统的构成、检测的一般方法及测量误差处理办法。
要求学生了解现代检测系统的构成、检测的一般方法,掌握测量误差的处理办法。
第5章常用传感器的工作原理及应用:本章主要讲述电阻式、电容式、电感式、压电式的基本原理及其应用,并对磁敏传感器、热敏传感器、光电传感器、气体传感器、湿度传感器以及光纤式传感器进行了介绍。
要求学生掌握各种传感器的基本原理。
第6章汽车用传感器:主要讲述汽车用空气流量传感器、压力传感器、位置与角度传感器、温度传感器、速度与减速度传感器、爆震与碰撞传感器、气体浓度传感器的结构、原理与检测方法。
要求学生重点掌握各种传感器的基本原理。
第7章传感器与检测系统的信号处理技术。
本章主要讲述电桥电路、信号放大与信号变换。
要求学生重点掌握信号放大的原理与方法.
第8章抗干扰技术和自动检测系统在汽车上的应用:主要介绍了汽车抗干扰技术和汽车自动检测系统的组成。
四、教学内容、重点难点及教学设计
注:实践包括实验、上机等
五、实践教学内容和基本要求
常用汽车传感器认识实验:使学生感性认识各种汽车传感器的构造
常用汽车传感器的工作原理认识实验:使学生从感性上掌握常用传感器的工作原理
六、考核方式及成绩评定
七、大纲主撰人:大纲审核人:。