电气设备安装检查记录
- 格式:doc
- 大小:37.50 KB
- 文档页数:2
电气设备检查记录一、任务描述本文档旨在记录对电气设备进行定期检查的过程和结果,以确保设备的正常运行和安全性。
检查内容包括设备的外观、电气接线、电气元件、绝缘电阻、接地电阻、漏电流等方面。
二、检查时间和地点检查时间:2022年5月1日检查地点:XX工厂生产车间三、检查人员检查人员:张工、李工、王工四、检查设备1. 设备名称:电动机型号:XYZ-1000安装位置:生产线1号2. 设备名称:变频器型号:ABC-2000安装位置:控制柜A五、检查过程及结果1. 设备外观检查- 检查电动机外壳是否有明显损坏或者变形,未发现异常。
- 检查变频器外壳是否有明显损坏或者变形,未发现异常。
2. 电气接线检查- 检查电动机接线端子是否坚固,未发现松动现象。
- 检查变频器接线端子是否坚固,未发现松动现象。
3. 电气元件检查- 检查电动机的断路器、接触器、热继电器等元件是否正常工作,未发现异常。
- 检查变频器的保险丝、断路器、继电器等元件是否正常工作,未发现异常。
4. 绝缘电阻检查- 使用绝缘电阻测试仪对电动机进行绝缘电阻测试,测试结果为100MΩ,符合要求。
- 使用绝缘电阻测试仪对变频器进行绝缘电阻测试,测试结果为50MΩ,符合要求。
5. 接地电阻检查- 使用接地电阻测试仪对电动机进行接地电阻测试,测试结果为0.5Ω,符合要求。
- 使用接地电阻测试仪对变频器进行接地电阻测试,测试结果为0.3Ω,符合要求。
6. 漏电流检查- 使用漏电流测试仪对电动机进行漏电流测试,测试结果为0.1mA,符合要求。
- 使用漏电流测试仪对变频器进行漏电流测试,测试结果为0.2mA,符合要求。
六、检查结论经过对电动机和变频器的全面检查,未发现任何异常情况,设备正常运行,符合安全要求。
七、处理措施根据检查结果,确认电动机和变频器无需进行维修或者更换。
八、备注无以上是对电气设备进行检查的记录,详细记录了检查的时间、地点、人员、设备信息以及各项检查内容和结果。
电气设备检查记录引言概述:电气设备是现代社会中不可或者缺的重要组成部份,它们的正常运行对于保障生产和生活的安全至关重要。
为了确保电气设备的安全性和可靠性,进行定期的检查是必不可少的。
本文将介绍电气设备检查的重要性,并提供一个详细的电气设备检查记录模板,以便记录和跟踪检查过程。
一、电气设备的外观检查1.1 检查设备外壳和接线盒设备外壳和接线盒应该没有明显的损坏,如裂纹、变形等。
同时,应检查接线盒的密封性能,确保没有松动或者漏电的情况发生。
1.2 检查电缆和插头检查电缆和插头是否完好无损,没有断裂、磨损或者暴露的导线。
同时,确保插头与插座连接良好,没有松动或者接触不良的情况。
1.3 检查设备标识和警示标志设备标识和警示标志应该清晰可见,没有磨损或者含糊的情况。
这些标识和标志的存在对于操作人员的安全意识和正确操作至关重要。
二、电气设备的电气性能检查2.1 检查设备的电源和电压检查设备的电源是否正常,电压是否稳定,符合设备的额定电压要求。
同时,检查电源路线是否有漏电的情况,以确保电气设备的安全使用。
2.2 检查设备的绝缘电阻使用绝缘电阻测试仪检测设备的绝缘电阻。
绝缘电阻应该符合国家标准要求,以确保设备的安全性和可靠性。
2.3 检查设备的接地情况检查设备的接地路线是否完好,并使用接地电阻测试仪检测接地电阻。
接地电阻应该符合国家标准要求,以确保设备的安全接地。
三、电气设备的运行状态检查3.1 检查设备的运行声音和振动设备的运行声音应该正常,没有异常的噪音或者震动。
任何异常的声音或者振动可能是设备故障的早期迹象,需要及时处理。
3.2 检查设备的温度使用红外测温仪检测设备的温度,确保设备运行时温度不超过设备的额定温度范围。
过高的温度可能导致设备故障或者火灾的风险。
3.3 检查设备的运行数据记录设备的运行数据,如电流、功率、电压等。
通过对运行数据的监测和分析,可以及时发现设备的异常状况,并采取相应的措施进行修复或者维护。
电气设备检查记录标题:电气设备检查记录引言概述:电气设备的检查记录对于保障设备运行安全、延长设备寿命、预防事故发生具有重要意义。
本文将从设备检查记录的重要性、检查内容、检查频率、记录方式和应对异常情况等方面进行详细介绍。
一、设备检查记录的重要性1.1 提供设备运行状态的实时数据,有利于及时发现问题。
1.2 为设备维护保养提供参考依据,有助于制定合理的维护计划。
1.3 作为事故发生后的重要依据,有助于事故原因分析和责任追究。
二、检查内容2.1 电气设备的外观检查:检查设备外壳、连接线路、接地情况等。
2.2 电气设备的性能检查:检查设备运行状态、电流电压等参数。
2.3 电气设备的安全检查:检查设备的漏电保护、过载保护等安全装置。
三、检查频率3.1 日常巡检:每日对设备进行简单的外观检查和性能检查。
3.2 定期检查:每月或每季度对设备进行全面检查,包括外观、性能和安全检查。
3.3 年度检查:每年对设备进行全面的检修和维护,确保设备运行稳定。
四、记录方式4.1 纸质记录:通过填写检查记录表格,记录设备的检查时间、检查内容和检查结果。
4.2 电子记录:通过专门的设备管理软件记录设备的检查情况,方便查询和分析。
4.3 图像记录:通过拍摄设备照片或录制视频的方式记录设备的实际情况,便于回顾和比对。
五、应对异常情况5.1 发现问题及时报修,不擅自进行维修,以免造成更大的损失。
5.2 在记录中详细描述问题的具体情况,以便维修人员更快地找到问题所在。
5.3 定期对设备进行维护保养,预防问题的发生,确保设备的长期稳定运行。
结语:电气设备检查记录是确保设备安全运行的重要手段,只有做好记录工作,才能及时发现问题、解决问题,保障设备的正常运行。
希望本文的介绍能够帮助读者更好地了解电气设备检查记录的重要性和方法。
设备安装调试检查记录记录人:XXX 日期:XXXX年XX月XX日一、安装前准备在设备安装调试之前,需要进行一系列的准备工作,确保安全和顺利完成安装调试任务。
主要包括以下几个方面:1. 确认设备安装位置和周围环境是否符合安装要求;2. 检查设备运输过程中是否有损坏情况,并核对设备配件是否齐全;3. 确保安装过程中所需的工具和材料已准备完备;4. 拟定安装工作计划,明确责任人和工作流程。
二、安装过程根据设备安装相关要求和实际情况,我们按照以下步骤进行了安装调试:1. 按照设备图纸和说明书,仔细阅读并理解设备的安装步骤和要求;2. 根据设备的类型和特点,采用相应的安装方法和工艺;3. 在安装过程中,严格按照安装要求和流程进行操作,确保每个环节的质量;4. 在安装结束前,对设备进行外观检查,确保设备安装牢固且符合相关标准;5. 根据设备的特点和要求,进行相应的连接和调试,确保设备正常运行。
三、调试过程设备安装完成后,我们进行了以下的调试工作:1. 对设备进行功能测试,验证设备的各项功能是否正常;2. 根据设备的工作原理,设置相应的参数和指标,确保设备符合工作要求;3. 对设备进行各项测试,例如电气性能测试、传感器测试、性能曲线测试等;4. 根据调试结果,对设备进行相应的调整和修正,直至设备达到预期的工作状态。
四、检查记录在安装调试过程中,我们进行了以下的检查记录:1. 外观检查:检查设备外观是否完好,无划痕、变形等情况;2. 运行状态监测:观察设备在运行过程中的工作状态,检查是否存在异常情况;3. 参数测试记录:记录并比对设备在正常工作条件下的参数数值,确保设备的准确性和稳定性;4. 安全防护措施检查:检查设备的安全防护装置是否齐全、有效;5. 操作手册和标识检查:核对设备的操作手册、标识等是否清晰、准确。
五、安装调试总结根据以上的安装调试过程和检查记录,我们对设备的安装调试工作进行了总结:1. 设备的安装步骤和工艺符合要求,安装位置合理,外观完好;2. 设备的功能测试和参数测试结果正常,达到预期的工作状态;3. 设备的安全防护装置齐全有效,操作手册、标识清晰准确;4. 安装调试过程中未出现相关问题和隐患。
日常电气安全检查记录表模板日期: [填写日期]
电气安全是一项重要的工作,为了确保工作环境的安全和正常运行,必须对电气设备定期进行检查和维护。
下面是一份电气安全检查记录表模板,供参考使用。
检查项目
1. 线路连接
- 检查所有线路连接是否牢固,无松动或烧焦现象。
- 检查电线是否有裸露的部分或损坏的绝缘层。
- 确保电线的标志清晰可见,易于辨认。
2. 电器设备
- 检查各个电器设备的插头和插座是否正常工作。
- 检查电器设备的表面是否有明显的损坏或裂纹。
- 确保电器设备的连接线路稳定,无暴露在外。
3. 电源开关
- 检查电源开关的使用情况是否正常。
- 检查电源开关是否有松动或损坏的现象。
- 确认电源开关的标志清晰可见,易于操作。
4. 保护装置
- 检查保险丝、断路器和短路保护装置是否安装并正常运行。
- 确保保护装置的参数符合设备的要求。
- 检查保护装置的标志清晰可见,易于辨认。
5. 接地设施
- 检查接地设施是否完好,无损坏或松动的情况。
- 确保接地电阻符合规定要求。
检查结果记录
备注:[填写备注,如异常情况的具体描述或处理情况]
结论
在本次检查中,发现的问题已按照相关要求进行了处理,电气
设备的安全状况得以维持。
下次检查将于 [填写下次检查日期] 进行。
签名
检查人员:[填写检查人员姓名]。
电气设备检查记录一、任务描述本次任务是对公司办公楼内的电气设备进行定期检查,以确保设备的正常运行和安全使用。
本文将详细描述检查的过程、数据和结果。
二、检查时间和地点检查时间:2022年5月15日检查地点:公司办公楼三、检查人员本次检查由公司电气工程师张先生负责,他具备丰富的电气设备检查经验和相关资质。
四、检查内容1. 检查电气设备的外观状况:- 检查设备表面是否有明显损坏、变形或者腐蚀现象;- 检查设备接线盒、插座和开关是否完好无损;- 检查设备的标识是否清晰可见。
2. 检查电气设备的接地情况:- 检查设备的接地线是否连接良好;- 使用万用表测量接地电阻,确保其符合国家标准。
3. 检查电气设备的电源供应:- 检查设备的电源线是否完好,无明显破损;- 检查设备的电源插座和开关是否正常工作;- 测量设备的电压和电流,确保其在正常范围内。
4. 检查电气设备的保护装置:- 检查设备的过载保护器、短路保护器和漏电保护器是否安装齐全;- 检查保护装置的工作状态,确保其能够及时切断电源。
5. 检查电气设备的接线和连接:- 检查设备的接线是否坚固,无松动现象;- 检查设备的连接点是否干净,无积尘或者氧化。
6. 检查电气设备的运行状态:- 检查设备的运行指示灯是否正常;- 检查设备的工做声音是否正常;- 检查设备的温度是否过高。
五、检查结果根据本次检查的数据和观察结果,得出以下结论:1. 大部份电气设备外观完好,无明显损坏或者腐蚀现象;2. 设备的接地线连接良好,接地电阻符合国家标准;3. 电源线、插座和开关正常工作,电压和电流在正常范围内;4. 保护装置安装齐全,工作状态良好;5. 设备的接线坚固,连接点清洁无积尘或者氧化;6. 设备的运行指示灯正常,工做声音正常,温度未超过安全范围。
六、存在问题和建议根据本次检查的结果,发现以下问题和给出相应建议:1. 部份设备的标识不清晰可见,建议更新或者修复标识;2. 部份设备的电源线有轻微破损,建议及时更换;3. 部份设备的工做声音稍有异常,建议进一步检查或者维修;4. 部份设备的温度略高,建议增加散热措施或者调整工作负荷。
自动扶梯电气装置安装检测记录
一、前言:
二、检测项目:
1.电气接线
2.控制柜安装
3.电动机安装
4.电气线路保护装置
5.电气设备接地
6.电气设备标志和标牌
三、检测内容和结果:
1.电气接线
检测目标:检查电气接线是否正确连接,并符合相关标准和规范的要求。
检测结果:经检查,自动扶梯电气接线正确连接,接线端子紧固可靠。
2.控制柜安装
检测目标:检查控制柜是否固定稳固,并符合相关标准和规范的要求。
检测结果:经检查,控制柜固定稳固,尺寸合适,无松动现象。
3.电动机安装
检测目标:检查电动机是否正确安装,并符合相关标准和规范的要求。
检测结果:经检查,电动机安装位置正确,紧固可靠,与传动部件协调良好。
4.电气线路保护装置
检测目标:检查电气线路是否安装了必要的保护装置,并符合相关标准和规范的要求。
检测结果:经检查,电气线路上安装了熔断器和接地断路器等保护装置,符合要求。
5.电气设备接地
检测目标:检查电气设备是否正确接地,并符合相关标准和规范的要求。
检测结果:经检查,电气设备正确接地,接地电阻合格,符合要求。
6.电气设备标志和标牌
检测目标:检查电气设备是否标志齐全,并符合相关标准和规范的要求。
检测结果:经检查,电气设备上标注有必要的标志和标牌,标识清晰可辨。
四、检测结论:
经过全面检测,自动扶梯电气装置安装符合相关标准和规范的要求,各项检测项目均符合要求,不存在安全隐患。
检测记录如上。
五、附录:
检测人员签名:
日期:。
电气设备检查记录引言概述:电气设备是现代生活中不可或缺的一部分,但由于长时间使用或者其他原因,电气设备可能存在一定的安全隐患。
因此,定期进行电气设备的检查和记录是非常重要的。
本文将从五个方面详细介绍电气设备检查的要点和注意事项。
一、设备外观检查:1.1 检查设备外壳是否完好无损,是否有明显的变形或裂纹;1.2 检查设备的标识是否清晰可见,包括额定电压、额定电流等信息;1.3 检查设备的接线端子是否松动或脱落,有无明显的氧化现象。
二、电气元件检查:2.1 检查电气元件的固定情况,如继电器、断路器等是否牢固;2.2 检查电气元件的连接情况,如接线是否牢固、插头是否松动;2.3 检查电气元件的工作状态,如继电器的触点是否正常、断路器的跳闸功能是否正常。
三、绝缘电阻检测:3.1 使用绝缘电阻测试仪对电气设备的绝缘电阻进行测量;3.2 测量前应确保设备处于断电状态,并进行安全接地;3.3 根据测量结果判断设备的绝缘状况,如是否达到规定的安全标准。
四、接地系统检查:4.1 检查接地电阻是否符合规定的要求,一般要求接地电阻小于4欧姆;4.2 检查接地线路是否完好,如有断裂或损坏应及时修复;4.3 检查接地系统的可靠性,如是否存在接地回路中断或不良接触等问题。
五、防护装置检查:5.1 检查电气设备的过载保护装置是否正常工作;5.2 检查电气设备的短路保护装置是否正常工作;5.3 检查电气设备的漏电保护装置是否正常工作。
总结:电气设备的检查记录是确保设备安全运行的重要手段,通过定期检查可以及时发现设备存在的问题并进行修复,避免潜在的安全隐患。
在进行检查时,应注意设备外观、电气元件、绝缘电阻、接地系统和防护装置等方面的问题,并及时记录检查结果,以备后续参考。
同时,对于发现的问题应及时处理,确保设备的正常运行和使用者的人身安全。
施工现场用电设备检测记录一、引言在施工现场,用电设备是不可或缺的工作工具,然而,由于施工环境特殊和用电设备众多,存在一定的安全隐患。
为了确保施工现场的电气安全,必须进行定期的用电设备检测。
本文旨在记录施工现场用电设备检测结果,以便日后问题排查和改进。
二、检测日期和地点检测日期:YYYY年MM月DD日地点:施工现场名称/具体位置三、检测项目及结果1. 电气设备检测1.1 检查电气设备外观是否完整,无明显破损、变形或裸露电线现象。
1.2 测量电气设备接地电阻,符合国家标准要求(标准值:X欧姆)。
1.3 检查电气设备的接地线是否牢固连接,无松动或接触不良现象。
2. 电线、电缆检测2.1 检查电线、电缆的绝缘层是否完好,无明显剥落、破损或老化现象。
2.2 测量电线、电缆的绝缘电阻,符合国家标准要求(标准值:Y兆欧姆)。
2.3 检查电线、电缆的敷设方式,是否与施工图纸一致。
3. 开关、插座检测3.1 检查开关、插座外观是否完整,无明显破损、变形或脱落零件。
3.2 检查开关、插座的电气连接是否紧固可靠,无松动或接触不良现象。
3.3 使用测试仪器对开关、插座的电气性能进行测试,符合国家标准要求。
4. 照明设备检测4.1 检查照明设备外观是否完整,无明显破损、变形或裸露电线现象。
4.2 测试照明设备的亮度和色温,符合施工要求(亮度:A流明,色温:B开尔文)。
4.3 检查照明设备的安装位置和角度,保证照明效果良好。
五、检测结果和处理意见根据上述检测项目,本次施工现场用电设备检测的结果如下:1. 电气设备检测:全部符合要求。
2. 电线、电缆检测:全部符合要求。
3. 开关、插座检测:全部符合要求。
4. 照明设备检测:全部符合要求。
根据检测结果,目前施工现场的用电设备安全状况良好,无需进行特殊处理。
建议继续定期进行用电设备的检测,并密切关注设备老化、磨损等情况,及时进行维修或更换,以确保施工现场的电气安全。
六、检测人员和审核人员检测人员:(姓名/岗位)审核人员:(姓名/岗位)七、附件1. 检测照片(拍摄设备前、后照片、电线接地电阻测量照片等)2. 检测数据记录表(电气设备检测数据、电线电缆检测数据等)结语通过定期的施工现场用电设备检测,可以有效排除电气安全隐患,降低事故发生的风险。
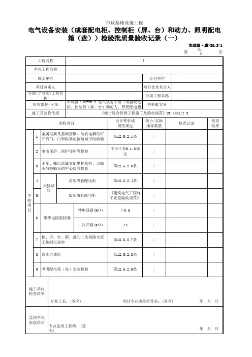
电气设备安装工程全套检验批质量验收记
录表格
项目概述
该项目是对电气设备安装工程进行全套检验,以确保工程质量符合相关标准和要求。
检验员
- 主检验员:xxx
- 副检验员:xxx
检验时间
- 开始时间:xxxx年xx月xx日
- 结束时间:xxxx年xx月xx日
检验内容
- 检查电气设备安装质量
- 检查电气设备接线是否正确
- 检查电气设备地线是否接好
- 检查电气设备与周围环境是否保持适当的距离
- 检查电气设备是否牢固固定- 检验电气设备绝缘电阻
- 检验电气设备接地电阻
检验记录
结论
- 本次电气设备安装工程全套检验合格。
或
- 本次电气设备安装工程全套检验不合格。
如果不合格请注明原因,并提出整改意见。
签名
- 主检验员:_________________________ - 副检验员:_________________________ - 日期:_____年_____月_____日。
电气设备安装检查记录电气设备是工业生产和生活中必不可少的一部分,其良好的安装和检查是确保正常运行和人身安全的关键。
以下是电气设备安装和检查记录的样本。
1.设备信息设备名称:电动机设备型号:XYZ-123设备编号:001制造商:ABC公司2.安装情况安装日期:2024年1月1日安装地点:工厂A车间安装人员:张工备注:电动机安装在生产线上的特定位置,与其他设备连接。
3.设备检查检查日期:2024年1月2日检查人员:李工a.外观检查-设备表面无明显破损或变形。
-接线端子牢固,无松动或腐蚀现象。
-冷却风扇正常运转,无异常噪音或震动。
b.电气连接检查-电源线路正确连接至电机端子,紧固牢固。
-控制线路正确连接,绝缘良好。
-电机接地线连接牢固,无松动。
c.功能检查-手动启动电机,确认启动正常并无异常噪音或震动。
-检查电机的正常运转情况,包括运行速度和电流。
-测试电机的保护装置是否正常工作,如过载保护和短路保护。
4.安全检查a.电气安全-确认电路符合国家电气安全标准。
-检查电气设备是否存在漏电现象,执行漏电保护装置测试。
-确保设备的接地保护措施正确可靠。
b.动力安全-确认设备的电源线路符合工程要求。
-检查设备是否正确接地,防止触电风险。
-确认设备的额定电压和电流与供电系统匹配。
5.结果与建议根据以上检查,电动机的外观良好,电气连接正确,功能正常,安全措施有效。
建议定期进行维护保养和检查,以确保设备长期稳定运行。
6.签字检查人员:李工日期:2024年1月2日确认人员:张工日期:2024年1月3日以上是电气设备安装检查记录的范例,实际记录中可以根据设备类型和情况进行调整和补充。
保持详细和准确的记录,有助于确保设备的正常运行和人身安全。
电气设备检查记录标题:电气设备检查记录引言概述:电气设备是工业生产中不可或者缺的重要设备,为了确保电气设备的正常运行和安全使用,定期的检查和记录是必不可少的。
本文将详细介绍电气设备检查记录的重要性以及如何进行有效的记录。
一、检查记录的重要性1.1 确保设备安全运行:定期检查记录可以及时发现设备存在的问题,确保设备在安全的状态下运行。
1.2 预防设备故障:通过检查记录可以发现设备的潜在问题,及时进行维修和保养,减少设备故障的发生。
1.3 合规要求:许多国家和地区对电气设备的检查和记录有明确的规定,及时记录检查情况可以确保企业遵守相关法规。
二、如何进行检查记录2.1 制定检查计划:根据设备的特点和工作环境制定定期的检查计划,确保每一个设备都能得到及时的检查。
2.2 记录检查结果:对每次检查的结果进行详细记录,包括设备的运行状态、存在的问题以及处理措施。
2.3 建立档案管理:建立电气设备的检查记录档案,方便查阅和追溯设备的历史检查情况。
三、注意事项3.1 专业人员操作:电气设备的检查需要专业的人员进行操作,确保检查记录的准确性和可靠性。
3.2 定期更新记录:及时更新电气设备的检查记录,确保记录的完整性和准确性。
3.3 紧急情况处理:对于发现的严重问题,应及时采取措施进行处理,并记录在检查记录中。
四、检查记录的应用4.1 设备维护管理:通过检查记录可以制定合理的设备维护计划,延长设备的使用寿命。
4.2 故障分析与改进:检查记录可以匡助进行设备故障的分析,找出问题的根源并进行改进。
4.3 审计和监管:检查记录是企业电气设备管理的重要依据,对审计和监管起到重要作用。
五、总结电气设备检查记录是企业保障设备安全运行和合规要求的重要手段,建立科学的检查记录制度对企业的生产经营具有重要意义。
企业应重视电气设备的检查记录工作,确保设备的安全运行和生产效率。
电气设备安装验收记录1. 验收目的本文档旨在记录电气设备安装的验收过程,以确保设备的正常运行和安全使用。
通过详细记录每个环节的验收情况,可以保障设备的质量和可靠性,为后续的运维提供依据。
2. 验收范围本次安装验收的电气设备包括但不限于:电动机、变压器、发电机、开关设备等。
验收范围涵盖了设备的安装质量、接线连接、设备运行情况等方面。
3. 验收内容3.1 设备安装质量验收在设备安装过程中,要进行以下方面的质量验收:- 安装位置是否符合设计要求;- 设备固定是否牢固;- 电气设备的接地是否符合标准;- 设备的外观是否完好,无明显损坏。
3.2 接线连接验收验收接线连接主要包括以下方面:- 接线端子是否清洁、整齐,接线是否牢固;- 强电与弱电的分线盒是否分离,防止干扰;- 线缆的规格和手册要求是否一致;- 设备接线是否正确,无错位和接错线的情况。
3.3 设备运行情况验收针对设备的运行状态,进行以下验收:- 设备通电后是否正常运行;- 是否存在异常噪音或异味;- 设备运行中是否有异常震动或过热的现象;- 电气设备的运行参数是否符合要求。
3.4 安全保护装置验收检查设备安全保护装置的安装和功能,包括:- 电气设备的过载保护是否正常;- 短路保护是否有效;- 地漏保护是否启动正常;- 温度保护装置是否能够及时起到保护作用。
4. 验收结果记录4.1 设备安装质量验收结果本次安装验收对设备安装质量进行了检查,结果如下:- 安装位置符合设计要求;- 设备固定牢固;- 电气设备的接地符合标准;- 设备的外观完好,无明显损坏。
4.2 接线连接验收结果接线连接的验收结果如下:- 接线端子清洁、整齐;- 接线牢固;- 强电与弱电分线盒分离,无干扰;- 线缆规格与手册要求一致;- 设备接线正确,无错位或接错线情况。
4.3 设备运行情况验收结果设备运行情况的验收结果如下:- 设备通电后正常运行;- 无异常噪音或异味;- 无异常震动或过热现象;- 电气设备的运行参数符合要求。
交流电动机安装检查及空载试运转记录为了确保交流电动机的正常运行,我们在安装后进行了详细的检查和空载试运转。
以下是我们的记录:1.安装检查:1.1确认电动机和负载设备之间的联接是否正确,并检查联接件是否牢固。
1.2检查电动机的固定螺栓是否牢固,没有松动。
1.3检查电动机的风扇叶片是否无损坏,并清除风扇叶片上的灰尘和杂物。
1.4检查电动机的冷却器是否清洁,并确保冷却水的流动是否畅通。
1.5检查电动机和负载设备的电气连线是否正确,并没有短路或接地问题。
1.6检查电动机的绝缘电阻,确保绝缘良好。
1.7检查电动机的轴向定位是否准确,并确保轴和轴承之间的间隙适合。
1.8检查电动机的轴端密封是否完好,并确保没有油漏。
1.9检查电动机的轴承润滑油是否充足,并进行必要的加注。
2.空载试运转记录:2.1打开电动机的电源开关,并观察电动机和负载设备是否正常运行。
2.2检查电动机的转动方向是否正确,符合标准设定。
2.3观察电动机的起动是否顺利,无异响或振动。
2.4记录电动机电流和电压,确保在正常范围内。
2.5检查电动机的运行温度,确保不超过额定值。
2.6检查电动机的风扇运转是否正常,确保冷却效果良好。
2.7检查电动机的噪音水平,确保在合理范围内。
2.8检查电动机的振动水平,确保在合理范围内。
2.9检查电动机和负载设备的联接部位是否有松动,有无异常磨损。
以上是我们针对交流电动机的安装检查及空载试运转的记录。
通过这些检查和试运转,我们可以保证电动机的安装质量和正常运行,为后续的工作提供了可靠的基础和保证。