工程定位测量放线记录(白表)
- 格式:doc
- 大小:336.00 KB
- 文档页数:6
工程名称:繁瑞星城D13#娄工程定位放线依据总平面图编号永久水准点名称业主指定座标占八、、永久水准点标高黄海标高16.500m建筑物设计标高20.7m~ 20.9m房屋朝向朝南纵轴编号A〜K轴附:定位放线示意图(可另附)工程编号工程测量定位放线记录施工单位:安徽中元建设有限公司定位放线日期2011年1月6日建设单位芜湖天瑞房地产开发公司15.3m22.0m工程测量定位放线记录工程测量定位放线记录工程名称:繁瑞星城D23#娄施工单位:安徽中元建设有限公司定位放线日期2011年1月6日工程名称:繁瑞星城D25#娄工程定位放线依据总平面图编号永久水准点名称业主指定座标占八、、永久水准点标高黄海标高16.500m建筑物设计标高20.7m~ 20.9m房屋朝向朝南纵轴编号A〜K轴附:定位放线示意图(可另附)工程编号工程测量定位放线记录施工单位:安徽中元建设有限公司定位放线日期2011年1月6日建设单位芜湖天瑞房地产开发公司15.3m22.0m工程名称:芜湖水岸86#楼工程定位放线依据总平面图编号永久水准点名称业主指定座标占八、、永久水准点标高黄海标高9.600m建筑物设计标高18.8m~20.8m房屋朝向朝南纵轴编号A〜p轴附:定位放线示意图(可另附)工程编号工程测量定位放线记录施工单位:芜湖世通建设有限公司定位放线日期2008年月日建设单位芜湖鸠江建设投资公司5240010.7m83#楼5010082# 楼一81#楼~Z X^6.0m20.7m82#楼工程定位放线依据总平面图编号永久水准占八、、名称业主指定座标点永久水准占八、、标高黄海标高8.000m工程编号工程测量定位放线记录施工单位:芜湖世通建设有限公司定位放线日期2008年月日附:定位放线示意图(可另附)5240079#楼83#楼87#楼18.8m78#楼建设单位77#楼10.7m芜湖鸠江建设投资公司20.7m82# 楼± 0.0005010081#楼86#楼85#楼。
工程定位测量放线记录
工程定位测量放线记录 1.1.2测量
工程名称图号 2013年 7 月日
附:定位、放线示意图: 工程定位及放线依据
说明:1、根据建筑总平面图要求~新建多功能综合楼后墙A轴外墙面距栅栏围墙基槽础内边5米~1轴为3米~且A轴与围墙平行~1轴与围墙不平行~但偏差不大~因围
总平面图编号 8-01 墙西北角并非直角。
永久水准点名称
建设物设计标高 12.5m
房屋朝向南
永久水准点标高
编号 A,E
纵
邻近建筑物名称轴
线
方距离 23.85m
位
编号 1,13
横
邻近建筑物名称轴
线
方距离 65.7m
位仪器设备名称仪器编号
项目技术负责人
质量检查员
放线人总监理工程师(建设单位项目负责人): 年月日。
施工测量放线报验表B3.4 编号:工程名称南昌云天新厂区工程办公楼施工单位江西省抚州市金巢建筑工程有限公司致:厦门港湾咨询监理有限公司(监理单位)我单位已完成基础垫层(工程或部位的名称)的放线工作,经自查合格,清单如下,请予查验。
工程或部位名称放线内容备注基础垫层工程轴线、定位、高程测量附件:1.□放线的依据材料页2.□√放线成果表 1 页测量员(签字):3. □测量设备证页查验人(签字):承包单位:江西省抚州市金巢建筑工程有限公司项目经理(签字):日期:专业监理工程师审查意见:□ 查验合格□纠正差错后再报项目监理机构:专业监理工程师(签字):日期:测量放线报验申请表A4 -工程名称芳湖苑 36# 楼致:江西省赣建工程建设监理有限公司(监理单位)我单位已经完成了三层柱及四层梁板,梯测量放线工作,现报上该工程报验申请表,请予以审查和验收。
附件:芳湖苑 36# 楼三层柱及四层梁板,梯测量放线成果。
承包单位(章)项目经理日期审查意见:项目监理机构总/专业监理工程师日期工程定位测量放线记录C2.5.1.1 编号:工程名称施工单位江西中恒建设集团有限公司图纸编号结施号测试单位江西中恒建设集团有限公司测量依据引用D1X=45868.928水准点20.16m坐标高程Y= 35683.472X= 45859.057D2 19.62 mY= 35678.990使用仪器型号经纬仪水准仪定位测量示意图(尺寸单位:mm)测量人员:施测日期:复验意见:测量精度符合设计要求和规范规定,同意按线施工。
复验日期:监理(建设)单位(签章)施工单位(签章)专业监理工程师(专业负责人)专业技术负责人质检员专业工长会签栏日期:日期:日期:日期:。
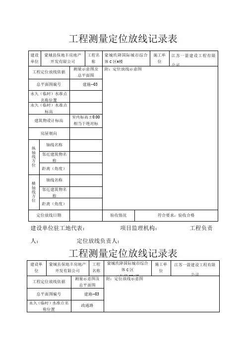
工程测量定位放线记录表
建设单位驻工地代表:项目监理机构:工程负责人:定位放线负责人:
工程测量定位放线记录表
建设单位驻工地代表:项目监理机构:工程负责人:定位放线负责人:
工程测量定位放线记录表
建设单位驻工地代表:项目监理机构:工程负责人:定位放线负责人:
工程测量定位放线记录表
建设单位驻工地代表:项目监理机构:工程负责人:定位放线负责人:
工程测量定位放线记录表
建设单位驻工地代表:项目监理机构:工程负责人:定位放线负责人:
工程测量定位放线记录表
建设单位驻工地代表:项目监理机构:工程负责人:定位放线负责人:
工程测量定位放线记录表
建设单位驻工地代表:项目监理机构:工程负责人:定位放线负责人:
工程测量定位放线记录表
建设单位驻工地代表:项目监理机构:工程负责人:定位放线负责人:
工程测量定位放线记录表
建设单位驻工地代表:项目监理机构:工程负责人:定位放线负责人:。