聚山梨酯80检验标准操作规程
- 格式:doc
- 大小:130.00 KB
- 文档页数:17
附录ⅥH 聚山梨酯80残留量测定法本法系依据聚山梨酯80中的聚乙氧基(Polyethoxylated)和铵钴硫氰酸盐反应形成蓝色复合物,可溶于二氯甲烷,用比色法测定聚山梨酯80含量。
测定法取供试品1.0ml于离心管中,加乙醇-氯化钠饱和溶液5ml,摇匀,每分钟3000转离心10分钟,取上清液,再用乙醇-氯化钠饱和溶液1.0ml小心冲洗管壁,洗液与上清液合并,每分钟3000转离心10分钟,上清液置55℃水浴中,用空气吹扫法将其浓缩至0.1~0.5ml,加1ml水溶解。
准确加入二氯甲烷2.0ml、硫氰钴铵溶液(称取硝酸钴6.0g、硫氰酸铵40.0g,加水溶解并稀释至200ml)3.0ml,加塞,混匀,室温放置1.5 小时,每15分钟振荡1次,测定前静置半小时,弃上层液,照紫外-可见分光光度法(附录ⅡA),在波长620nm处测定下层二氯甲烷液的吸光度。
用二氯甲烷作空白对照。
精密量取聚山梨酯80对照品溶液(取聚山梨酯80约100mg,精密称定,加水溶解后置100ml量瓶中,加水稀释至刻度)0μl、10μl、25μl、50μl、75μl、100μl,加入预先加入1ml水的离心管中混匀,准确加入二氯甲烷2.0ml、硫氰钴铵溶液3.0ml,加塞,混匀,自“室温放置1.5 小时”起,同法操作。
用上述聚山梨酯80系列浓度(μg/ml)与相应的吸光度作直线回归,相关系数应不低于0.98,将供试品吸光度代入回归方程,求得供试品聚山梨酯80含量(μg/ml)。
XXXXXXXXX有限公司
一、目的:建立聚山梨酯80质量标准,确保所用聚山梨酯80的质量。
二、范围:本规定适用于聚山梨酯80质量控制。
三、责任:
四、内容:
1.标准来源
《中国药典》2015年版四部
2.技术要求
3.贮存条件:避光,密封保存。
4.相关标准操作规程:聚山梨酯80检验标准操作规程(SOP-ZL-JG(FL)-033)、物料取样标准操作规程(SOP-ZL-QA-001)。
5.企业统一指定的物料名称:与《中国药典》2015年版四部一致
6.内部使用的物料代码:1102059。
7.经批准的供应商:见合格供应商目录。
8.印刷包装材料的实样或样稿:无此项内容。
9.注意事项:遮光,密封。
10.有效期:按厂家规定执行。
11.文件附件:共0份。
12.修订及变更历史:。
聚山梨酯 80Jushanlizhi 80Polysorbate 80[9005-65-6]《中国药典》2005年版二部第918页[增订]【来源与制法】本品为山梨醇及其脱水物的单油酸酯与约20摩尔的环氧乙烷共聚制得。
【性状】过氧化值本品的过氧化值(附录Ⅶ H)不得过10。
【检查】环氧乙烷和二氧六环取本品,照气相色谱法(附录V E)测定。
色谱条件与系统适用性试验石英或玻璃毛细管,固定相为聚二甲基硅氧烷,载气为氮气,流速20cm/s,分流比1:20。
检测器为火焰离子化检测器。
柱温为35℃保持5分钟,以5℃/分钟升温至180℃,然后以30℃/分钟升温至230℃,保持5分钟(可根据具体情况调整)。
进样口温度为150℃,检测器温度为250℃。
顶空进样条件:平衡温度:70℃,平衡时间45分钟,传递管线温度为75℃,载气为氮气,增压时间:1分钟。
注射时间0.5分钟。
注入对照溶液b气体1.0ml,调整仪器灵敏度使环氧乙烷和乙醛的峰高为满量程的15%,乙醛和环氧乙烷的分离度应达到至少2.0,二氧六环峰高至少应为基线噪音的5倍。
分别注入供试品溶液及对照溶液a气体1ml,重复进样至少3次。
准确度的验证计算供试品溶液和对照溶液a图谱中环氧乙烷和二氧六环峰面积的相对标准偏差,环氧乙烷的3次测量值的相对标准偏差应不得过15%,二氧六环的3次测量值的相对标准偏差应不得过10%。
供试品溶液精密称取供试品1g 置10ml顶空瓶中,加入1.0ml超纯水,密封,摇匀。
70℃放置45分钟。
环氧乙烷贮备液的配制所有操作均应在通风橱中进行,操作者应戴聚乙稀手套及合适的面具保护手和面部,所有溶液均应密闭,在4℃~8℃保存。
用冷至-10℃的玻璃注射器,取约300μl液态环氧乙烷(相当于0.25g环氧乙烷),置50ml聚乙二醇400中,加入前后称重,用聚乙二醇400稀释至100ml,用前摇匀。
环氧乙烷贮备液的含量测定:配制10ml 50%氯化镁的无水乙醇混悬液并与20ml醇制盐酸滴定液(0.1mol/L)混匀,放置过夜使平衡,精密称量5g环氧乙烷贮备液置上述溶液中混匀,放置30分钟,用0.1mol/L醇制氢氧化钾滴定液滴定,用电位法指示终点,用聚乙二醇400作为空白,按下式计算环氧乙烷浓度(mg/g):4.404(V0-V1)/mV0和V1分别为空白液和测定液消耗的醇制氢氧化钾滴定液体积,m为样品的重量(g)。
一种中药注射剂中聚山梨酯80的含量测定方法与流程中药注射剂中聚山梨酯80(Polyoxyethylene sorbitan monooleate 80,简称Tween 80)的含量测定方法与流程是确保药品质量的重要步骤之一。
下面将为您介绍一种常用的聚山梨酯80含量测定方法与相应的流程。
聚山梨酯80含量测定常用的方法是高效液相色谱法(High Performance Liquid Chromatography,HPLC)。
具体操作步骤如下:1. 仪器设备准备:确保HPLC仪器处于正常工作状态,检查和调整流速、柱温等参数。
2. 样品制备:将一定量的中药注射剂样品取出,并按照方法要求进行处理,如必要的稀释或提取。
3. 色谱条件设置:选择适当的色谱柱和流动相,一般常用反相色谱柱和甲醇-水的混合溶剂作为流动相。
4. 样品注射:利用自动进样器将样品注入色谱柱。
5. 色谱条件优化:根据实际情况调整流速、柱温等参数,以获得最佳的分离效果与峰的对称性。
6. 方法验证:根据药典要求进行含量测定方法的验证,包括线性、精密度和恢复率等指标的检测。
7. 含量测定:通过检测峰面积或峰高与标准曲线的关系,计算出聚山梨酯80在样品中的含量。
根据上述流程,通过HPLC分析仪器的运用,可以准确测定中药注射剂中聚山梨酯80的含量。
这种分析方法具有准确性高、灵敏度强、重复性好的特点,被广泛应用于药品质量控制和生产过程中的监测,确保中药注射剂的安全与有效性。
需要注意的是,在实际操作过程中,应遵循实验室标准操作规程,严格控制实验环境,避免干扰因素对测定结果产生影响。
同时,根据实际情况和要求,也可以选择其他合适的测定方法,如紫外分光光度法等。
总之,聚山梨酯80含量测定方法与流程是中药注射剂质量控制中非常重要的环节,采用HPLC分析方法可以准确测定其含量,确保药品质量和疗效的稳定性与可靠性。
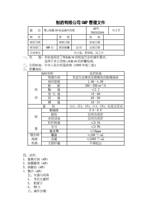
制药有限公司GMP管理文件聚梨酯80适用于本公司聚山梨酯80的质量检测。
二、引用标准:中华人民共和国药典(2000年版二部)四、试剂:1.氢氧化钠(AR)2.硫氰酸铵(AR)3.硝酸钴(AR)4.氯仿(AR)五、仪器与用具1、韦氏比重秤2、黏度计3、PH计六、操作步骤:1、性状1.1物理外观本品为淡黄色至橙黄色的黏稠液体;微有特臭,味微苦略涩,有温热感。
1.2相对密度本品的相对密度(见相对密测定操作规程中韦氏比重法)为1.06—1.09。
1.3 黏度本品的运动黏度(见黏度测定操作规程),在25℃时(毛细管内径为3.4—4.2mm)为350—550mm2/s。
1.4 酸值取本品10g,精密称定,置250ml锥形瓶中,加中性乙醇(对酚酞指标液显中性)50ml,溶解后,附回流冷凝器煮沸腾10 分钟,放冷,加酚酞指标液5滴,用氢氧化钠滴定液(0.1mol/L)滴定,酸值(见脂肪与脂肪油测定操作规程中酸值的测定)不大于2.2。
1.5 皂化值本品的皂化值(见脂肪与脂肪油测定操作规程中皂化值的测定)为45—60。
1.6 羟值本品的羟值(见脂肪与脂肪油测定操作规程中羟值的测定)为65—80。
1.7 碘值本品的碘值(见脂肪与脂肪油测定操作规程中碘值的测定)为18—24。
2.鉴别(1)取本品的水溶液(1→20)5ml加氢氧化钠试液5ml,煮沸数分钟,放冷,用稀盐酸酸化,显乳白色浑浊。
(2)取本品的水溶液(1→20),滴加溴试液,溴试液即褪色。
(3)取本品6ml,加水4ml混匀,呈胶状物。
(4)取本品的溶液(1→20)10ml,加硫氰酸钴铵溶液(取硫氰酸铵17.4g 与硝酸钴加水溶解成100ml)5ml,混匀,再加氯仿5ml,振摇混合,静置后,氯仿层显蓝色。
3.检查3.1 酸碱度取本品0.50g,加水10ml溶解后,依法测定(见PH测定操作规程),PH值应为5.0~8.0。
3.2 颜色取本品10ml,与同体积的对照液(取比色用重铬酸钾液8.0ml 与比色用氯化钻液0.8ml,加水至10ml)比较,下得更深。
聚山梨酯80检验操作规程1 目的:建立聚山梨酯80检验操作规程。
2 适用范围:适用于聚山梨酯80的检验操作。
3 职责:检验人员对本规程的实施负责。
4 规程:4.1 编制依据:《中国药典》2010年版二部P1246。
4.2 质量指标:见《聚山梨酯80质量标准》。
4.3 仪器与用具:锥形瓶、回流冷凝器、碱试滴定管、水浴锅、比色管、玻璃容器。
4.4 试药与试液:乙醇、酚酞指示液、氢氧化钠滴定液、比色用重铬酸钾、比色用氯化钴。
4.5 操作方法:4.5.1 性状:本品为淡黄色至橙黄色的黏稠液体,微有特臭,味微苦略涩,有温热感。
本品在水、乙醇、甲醇或醋酸乙酯中易溶,在矿物油中极微溶解。
相对密度:按《相对密度测定操作规程》韦氏比重秤法检验,相对密度为1.06-1.09。
黏度:按《黏度测定操作规程》第一法检验,运动黏度在25℃时(毛细管内径为3.4-4.2mm)为350-550mm2/s。
酸值:取本品10g,精密称定,置250ml锥形瓶中,加中性乙醇(对酚酞指示液显中性)50ml,溶解后,附回流冷凝器煮沸10分钟,放冷,加酚酞指示液5滴,用氢氧化钠滴定液(0.1mol/L)滴定,按《脂肪与脂肪油检查操作规程》中酸值检验,酸值不大于2.2。
皂化值:按《脂肪与脂肪油检查操作规程》中皂化值检验,皂化值为45-60。
羟值:按《脂肪与脂肪油检查操作规程》中羟值检验,羟值为65-80。
碘值:按《脂肪与脂肪油检查操作规程》中碘值检验,碘值为18-24。
过氧化值:按《脂肪与脂肪油检查操作规程》中过氧化值检验,本品的过氧化值不得过10。
4.5.2 鉴别4.5.2.1 化学反应:取本品的水溶液(1→20)5ml,加氢氧化钠试液5ml,煮沸数分钟,放冷,用稀盐酸酸化,显乳白色浑浊。
4.5.2.2 化学反应:取本品的溶液(1→20),滴加溴试液,溴试液即褪色。
4.5.2.3 物理反应:取本品6ml,加水4ml混匀,呈胶状物。
4.5.2.4 化学反应:取本品的溶液(1→20)10ml,加硫氰酸钴铵溶液(取硫氰酸铵17.4g与硝酸钴2.8g,加水溶解成100ml)5ml,混匀,再加氯仿5ml,振摇混合,静置后,氯仿层显蓝色。
有限公司GMP管理文件1、名称:聚山梨酯80Jushanlizhi 80Polysorbate 80本品为聚氧乙烯20山梨醇酐单油酸酯。
2、代号或编号:F—054、操作方法:4.1性状4.1.1性状4.1.1.1仪器、设备:试管。
4.1.1.2操作步骤:取样品适量于试管中,观察,是否为淡黄色至橙黄色的黏稠液体;闻之,是否微有特臭,尝之味微苦、略涩,用手直接接触样品是否有温热感。
取样品适量于烧杯中,分别加水、乙醇、甲醇、醋酸乙酯、矿物油搅拌,观察互溶状态。
4.1.2相对密度4.1.2.1仪器、设备:韦氏比重秤、温度计。
4.1.2.2操作步骤:取20℃时相对密度为1的韦氏比重秤,用新沸过的冷水将所附玻璃圆筒装至八分满,置20℃的水浴中,搅动玻璃圆筒内的水,调节温度至20℃,将悬于秤端的玻璃锤浸入圆筒内的水中,秤臂右端悬挂游码于1.0000处,调节秤臂左端平衡用的螺旋使平衡,然后将玻璃圆筒内的水倾去,试干,装入供试液至相同的高度,并用同法调节温度后,再把拭干的玻璃锤浸入供试液中,调节秤臂上游码的数量与位置使平衡,读取数值,即得供试品的相对密度。
4.1.3黏度4.1.3.1仪器设备:恒温水浴锅、温度计、秒表、平氏黏度计。
4.1.3.2操作步骤:取毛细管内径为3.4~4.2mm的平氏黏度计1支,在支管F上连接一橡皮管,用手指堵住管口2,倒置粘度计,将管口1插入样品中,自橡皮管的另一端抽气,使样品充满球C与A并达到测定线m2处,提出黏度计并迅速倒转,抹去粘附于管外的样品,取下橡皮管使连接于管口1上,将黏度计垂直固定于恒温水浴中,并使水浴的液面高于球C的中部,放置15分钟后,自橡皮管的另一端抽气,使样品充满球A并超过测定线m1,开放橡皮管口,使样品在管内自然下落,用秒表准确记录液面自测定线m1下降至测定线m2处的流出时间。
依法重复测定3次以上,每次测定值与平均值的差值不得超过平均值的±5%。
另取一份样品同样操作,并重复测定3次以上。
聚山梨酯80拼音名:Jushanlizhi 80英文名:Polysorbate 80书页号:2000年版二部-992本品为聚氧乙烯20山梨醇酐单油酸酯。
【性状】本品为淡黄色至橙黄色的黏稠液体;微有特臭,味微苦略涩,有温热感。
本品在水、乙醇、甲醇或醋酸乙酯中易溶,在矿物油中极微溶解。
相对密度本品的相对密度(附录ⅥA韦氏比重秤法)为1.06~1.09。
黏度本品的运动黏度(附录ⅥG第一法),在25℃时(毛细管内径为3.4 ~4.2mm)为350~550mm<2>/s。
酸值取本品10g ,精密称定,置250ml 锥形瓶中,加中性乙醇(对酚酞指示液显中性)50ml,溶解后,附回流冷凝器煮沸10分钟,放冷,加酚酞指示液5 滴,用氢氧化钠滴定液(0.1mol/L)滴定,酸值(附录ⅦH)不大于2.2。
皂化值本品的皂化值(附录ⅦH)为45~60。
羟值本品的羟值(附录ⅦH)为65~80。
碘值本品的碘值(附录ⅦH)为18~24。
【鉴别】(1) 取本品的溶液(1→20)5ml,加氢氧化钠试液5ml ,煮沸数分钟,放冷,用稀盐酸酸化,显乳白色浑浊。
(2) 取本品的溶液(1→20) ,滴加溴试液,溴试液即褪色。
(3) 取本品6ml ,加水4ml 混匀,呈胶状物。
(4) 取本品的溶液(1→20)10ml ,加硫氰酸钴铵溶液(取硫氰酸铵17.4g 与硝酸钴2.8g,加水溶解成100ml )5ml ,混匀,再加氯仿5ml ,振摇混合,静置后,氯仿层显蓝色。
【检查】酸碱度取本品0.50g ,加水10ml溶解后,依法测定(附录ⅥH),pH值应为5.0 ~8.0。
颜色取本品10ml,与同体积的对照液(取比色用重铬酸钾液8.0ml 与比色用氯化钴液0.8ml ,加水至10ml)比较,不得更深。
环氧乙烷与二氧六环取本品1g,精密称定,置顶空瓶中,精密加超纯水1.0ml,密封,摇匀,作为供试品溶液。
量取环氧乙烷300μl(相当于0.25g环氧乙烷),置含50ml经处理的聚乙二醇400(以60℃,1.5~2.5kPa旋转蒸发6小时,除去挥发性成分)的100ml量瓶中,加入相同溶剂稀释至刻度,摇匀,作为环氧乙烷对照品贮备液。
目的:为检验聚山梨酯-80规定一个标准的程序,以便获得准确的实验数据。
范围:适用于聚山梨酯-80的检验。
职责:检验员,检验室主任。
规程:1.性状本品为淡黄色至橙黄色的黏稠液体;微有特臭,味微苦略涩;有温热感。
本品在水、乙醇、甲醇或醋酸乙酯中易溶,在矿物油中极微溶解。
1.1 相对密度 : 本品按相对密度测定法(SOP-QC-308-00)测定,应为1.06~1.09为符合规定。
1.2 黏度: 本品的运动黏度,按黏度测定法(SOP-QC-309-00)测定,在25℃时(毛细管内径为3.4~4.2mm)为350~550mm2/s为符合规定。
1.3 酸值: 取本品10g,精密称定,置250ml锥形瓶中,加中性乙醇(对酚酞指示液显中性)50ml,溶解后,附回流冷凝器煮沸10分钟,放冷,加酚酞指示液5滴,用氢氧化钠滴定,酸值(附录Ⅶ H)不大于2.2为符合规定。
1.4 皂化值: 本品的皂化值(附录Ⅶ H)为45~60。
1.5 羟值: 本品的羟值(附录Ⅶ H)为65~80。
1.6 碘值: 本品的碘值(附录Ⅶ H)为18~24。
2.鉴别2.1 试剂与仪器2.1.1 氢氧化钠试液 2.1.2 稀盐酸2.1.3 溴试液 2.1.4 硫氰酸钴铵溶液2.1.5 氯仿 2.1.6 刻度吸管2.1.7 电炉2.2 项目与步骤2.2.1 取本品的水溶液(1→20)5ml,加氢氧化钠试液5ml,煮沸数分钟,放冷,用稀盐酸酸化,显乳白色浑浊。
2.2.2 取本品的溶液(1→20)滴加溴试液,溴试液即褪色为符合规定。
2.2.3 取本品6ml,加水4ml,混匀,呈胶状物为符合规定。
2.2.4 取本品的溶液(1→20)10ml,加硫氰酸钴铵溶液(取硫氰酸铵17.4g与硝酸钴2.8g,加水溶解成100ml)5ml,混匀,再加氯仿5ml,振摇混合,静置后,氯仿层显蓝色为符合规定。
3.检查3.1 试剂与仪器3.1.1 比色用重铬酸钾液 3.1.2 比色用氯化钴液3.1.3 电子天平 3.1.4 PH计3.1.5 冰箱3.2 项目与步骤3.2.1 酸碱度:取本品0.50g,加水10ml溶解后,依法测定(SOP-QC-312-00)PH值应为5.0~8.0为符合规定。
聚山梨酯80简介目录•1拼音•2聚山梨酯80药典标准o 2.1品名▪ 2.1.1中文名▪ 2.1.2汉语拼音▪ 2.1.3英文名o 2.2CAS号o 2.3来源及含量o 2.4性状▪ 2.4.1相对密度▪ 2.4.2黏度▪ 2.4.3酸值▪ 2.4.4皂化值▪ 2.4.5羟值▪ 2.4.6碘值▪ 2.4.7过氧化值o 2.5鉴别o 2.6检查▪ 2.6.1酸堿度▪ 2.6.2颜色▪ 2.6.3环氧乙烷与二氧六环▪ 2.6.3.1环氧乙烷对照品贮备液的标定▪ 2.6.4冻结试验▪ 2.6.5水分▪ 2.6.6炽灼残渣▪ 2.6.7重金属▪ 2.6.8砷盐o 2.7类别o 2.8贮藏o 2.9版本1拼音jù shān lí zhǐ 802聚山梨酯80药典标准2.1品名2.1.1中文名聚山梨酯802.1.2汉语拼音Jushanlizhi 802.1.3英文名Polysorbate 802.2CAS号[9005656]2.3来源及含量本品系油酸山梨坦和环氧乙烷聚合而成的聚氧乙烯20油酸山梨坦。
2.4性状本品为淡黄色至橙黄色的黏稠液体;微有特臭,味微苦略涩,有温热感。
本品在水、乙醇、甲醇或乙酸乙酯中易溶,在矿物油中极微溶解。
2.4.1相对密度本品的相对密度(2010年版药典二部附录Ⅵ A韦氏比重秤法)为1.06~1.09。
2.4.2黏度本品的运动黏度(2010年版药典二部附录Ⅵ G第一法),在25℃时(毛细管内径为3.4~4.2mm)为350~550mm2/s。
2.4.3酸值取本品10g,精密称定,置250ml锥形瓶中,加中性乙醇(对酚酞指示液显中性)50ml使溶解,附回流冷凝器煮沸10分钟,放冷,加酚酞指示液5滴,用氢氧化钠滴定液(0.1mol/L)滴定,酸值(2010年版药典二部附录Ⅶ H)不得过2.2。
2.4.4皂化值本品的皂化值(2010年版药典二部附录Ⅶ H)为45~60。
2.4.5羟值本品的羟值(2010年版药典二部附录Ⅶ H)为65~80。
目的:建立聚山梨酯80检验标准操作规程,保证检验结果的准确性。
范围: 适用于聚山梨酯80的检验标准操作。
职责:QC检验员:负责来样的理化检验,原始记录的填写完整、清晰准确、对检验结果数据负责;并及时出具检验报告书。
QC主任:合理分配检验工作,对来样检验的及时、结果准确负责;对QC检验员出具的检验记录和检验报告的结果审核负责。
内容:依据:《中华人民共和国药典》2010年版二部检品名称:聚山梨酯80类别:药用辅料,增溶剂和乳化剂等。
1、性状1.1性状:取本品适量,在自然光线下,用目测和鼻闻法检测,本品为淡黄色至橙黄色的黏稠液体;微有特臭,味微苦略涩;有温热感。
本品与水、乙醇、甲醇或乙酸乙酯中易容,在矿物油中极微溶解。
1.2 相对密度:本品的相对密度为1.06~1.09。
1.2.1仪器与用具:电子天平、比重瓶。
1.2.2操作步骤:取本品照《相对密度检查法操作规程》(SOP-ZL-TY-014-01)检查法在25℃测定。
计算公式:W 1 - W2W1:供试品与比重瓶的重量相对密度= W2:比重瓶的重量W 3 - W2W3:水与比重瓶的重量1.3 黏度:本品在25℃时(毛细管内径为3.4~4.2mm)应为350~550mm2/S。
1.3.1仪器与用具:黏度测定装置一套。
(平氏黏度计)1.3.2操作步骤:照《黏度测定法操作规程》(SOP-ZL-TY-047-01)第一法测定。
计算公式:ν=Kt K:黏度计常数,mm2/s;t:测得的平均流出时间1.4 酸值:本品的酸值不得过2.2。
1.4.1 仪器与用具:锥形瓶、电子天平、量筒、移液管、滴定管、烧杯1.4.2 试剂与试药:乙醇、乙醚。
1.4.3酚酞指示液:取酚酞1g,加乙醇100ml使溶解,即得。
氢氧化钠滴定液(0.1mol/L):取澄清的氢氧化钠饱和溶液 5.6ml,加新沸过的冷水使成1000ml,即得。
1.4.4 操作步骤:取本品10g,精密称定,置250ml锥形瓶中,加中性乙醇(对酚酞指示液显中性)50ml使溶解,附回流冷疑器煮沸10分钟,放冷,加酚酞指示液5滴,用氢氧化钠滴定液(0.1mol/L)滴定,照脂肪与脂肪油测定法标准操作规程(S0P-ZL-TY-061-01)测定。
目的:建立聚山梨酯80检验标准操作规程,保证检验结果的准确性。
范围: 适用于聚山梨酯80的检验标准操作。
职责:QC检验员:负责来样的理化检验,原始记录的填写完整、清晰准确、对检验结果数据负责;并及时出具检验报告书。
QC主任:合理分配检验工作,对来样检验的及时、结果准确负责;对QC检验员出具的检验记录和检验报告的结果审核负责。
内容:依据:《中华人民共和国药典》2010年版二部检品名称:聚山梨酯80类别:药用辅料,增溶剂和乳化剂等。
1、性状1.1性状:取本品适量,在自然光线下,用目测和鼻闻法检测,本品为淡黄色至橙黄色的黏稠液体;微有特臭,味微苦略涩;有温热感。
本品与水、乙醇、甲醇或乙酸乙酯中易容,在矿物油中极微溶解。
1.2 相对密度:本品的相对密度为1.06~1.09。
1.2.1仪器与用具:电子天平、比重瓶。
1.2.2操作步骤:取本品照《相对密度检查法操作规程》(SOP-ZL-TY-014-01)检查法在25℃测定。
计算公式:W 1 - W2W1:供试品与比重瓶的重量相对密度= W2:比重瓶的重量W 3 - W2W3:水与比重瓶的重量1.3 黏度:本品在25℃时(毛细管内径为3.4~4.2mm)应为350~550mm2/S。
1.3.1仪器与用具:黏度测定装置一套。
(平氏黏度计)1.3.2操作步骤:照《黏度测定法操作规程》(SOP-ZL-TY-047-01)第一法测定。
计算公式:ν=Kt K:黏度计常数,mm2/s;t:测得的平均流出时间1.4 酸值:本品的酸值不得过2.2。
1.4.1 仪器与用具:锥形瓶、电子天平、量筒、移液管、滴定管、烧杯1.4.2 试剂与试药:乙醇、乙醚。
1.4.3酚酞指示液:取酚酞1g,加乙醇100ml使溶解,即得。
氢氧化钠滴定液(0.1mol/L):取澄清的氢氧化钠饱和溶液5.6ml,加新沸过的冷水使成1000ml,即得。
1.4.4 操作步骤:取本品10g,精密称定,置250ml锥形瓶中,加中性乙醇(对酚酞指示液显中性)50ml使溶解,附回流冷疑器煮沸10分钟,放冷,加酚酞指示液5滴,用氢氧化钠滴定液(0.1mol/L)滴定,照脂肪与脂肪油测定法标准操作规程(S0P-ZL-TY-061-01)测定。
第一页【依据】中华人民共和国药典(年版二部)。
【性状】本品为。
结论:相对密度仪器:韦氏比重秤照相对密度测定法第一法韦氏比重法测定。
测定温度:水密度:同温度测定供试品水校准时游码读数:供试品相对密度:(规定:相对密度为1.06~1.09)结论:黏度照黏度测定法第一法。
取毛细管内径为3.4~4.2mm的平氏黏度计1支,在支管F 上连接一橡皮管,用手指堵住管口2,倒置黏度计,将管口1插入供试品中,自橡皮管的另一端抽气,使供试品充满球C与A并达到测定线m2处,提出黏度计并迅速倒转,抹去黏附于管外的供试品,取下橡皮管使连接于管口1上,将黏度计垂直固定于恒温水浴中,并使水浴的液面高于球C的中部,放置15分钟后,自橡皮管的另一端抽气,使供度品充满球A并超过测定线m1开放橡皮管口,使供试品在管内自然下落,用秒表准确记录液面自测定线m1下降至测定线m2处的流出时间。
依法重复测定3次以上,每次测定值与平均值的差值不得超过平均值的±5%。
另取一份供试品同样操作,并重复测定3次以上。
以先后两次取样测得的总平均值按下式计算,即为供试品的运动黏度或供试溶液的动力黏度。
平氏黏度计内径为4mm,K= mm2/s2温度:25 ℃流出时间(t): 1 2 3 平均⑴s⑵s两份平均:(+ )÷2 =计算:运动粘度(mm2/s) = Kt =(规定:本品的运动黏度在25℃时为350~550mm2/s)结论:酸值精密取本品 g,置250ml锥形瓶中,加中性乙醇(对酚酞指标液显中性)50ml,溶解后,附回流冷凝器煮沸腾10 分钟,放冷,加酚酞指标液5滴,用氢氧化钠滴定液(0.1mol/L)滴定,消耗氢氧化钠滴定液(0.1mol/L)的毫升数: ml;供试品酸值=5.61V/ W=(规定:酸值不大于2.2)结论:检验员:复核员:年月日第二页皂化值精密称取本品 g,置250ml锥形瓶中,精密加入乙醇制氢氧化钾滴定液(0.5mol/L)25ml,加热加流30分钟,然后用乙醇10ml冲洗冷凝器的内壁和塞的下部,加酚酞指示液1.0ml,用盐酸滴定液(0.5 mol/L)滴定剩余的氢氧化钾,至溶液的粉红色刚好褪去,加热至沸,如溶液又出现粉红色,再滴定至粉红色刚去褪去;同时做空白试验。
聚山梨酯80检验标准操作规程1. 目的建立聚山梨酯80检验标准操作规程,规范操作。
2. 范围适用于聚山梨酯80的检验。
3. 依据《中国药典》2010版二部。
4. 职责4.1 起草:QC 审核:质量保证部负责人批准人:质量管理负责人。
4.2 QC实施本规程。
4.3 QA监督本规程的实施。
5. 内容本品系油酸山梨坦和环氧乙烷聚合而成的聚氧乙烯20油酸山梨坦。
5.1 性状本品为淡黄色至橙黄色的粘稠液体;微有特臭,味微苦略涩,有湿热感。
本品在水、乙醇、甲醇或乙酸乙酯中易容,在矿物油中极微溶解。
5.1.1 相对密度5.1.1.1 试液及仪器一般实验仪器。
5.1.1.2 分析步骤本品的相对密度(韦氏比重秤法)为1.06-1.09.5.1.2 黏度5.1.2.1 试液及仪器一般实验仪器。
5.1.2.2 分析步骤本品的运动黏度,在25℃时(毛细管内径为3.4-4.2mm)为350-550mm2/s。
5.1.3 酸值5.1.3.1 试液及仪器一般实验仪器。
5.1.3.2 分析步骤取本品10g,精密称定,至250 ml锥形瓶中,加中性乙醇50 ml使溶解,附回流冷凝器煮沸10分钟,放冷,加酚酞指示液5滴,用氢氧化钠滴定液(0.1mol/L)滴定,酸值不得过2.2。
5.1.4 皂化值5.1.4.1 试液及仪器一般实验仪器。
5.1.4.2 分析步骤本品的皂化值为45~60。
5.1.5 羟值5.1.5.1 试液及仪器一般实验仪器。
5.1.5.2 分析步骤本品的羟值为65~80。
5.1.6 碘值5.1.6.1 试液及仪器一般实验仪器。
5.1.6.2 分析步骤本品的碘值为18~245.1.7 过氧化值5.1.7.1 试液及仪器一般实验仪器。
5.1.7.2 分析步骤本品的过氧化值不超过10。
5.2 鉴别5.2.1 试液及仪器一般实验仪器。
聚山梨酯80拼音名:Jushanlizhi 80英文名:Polysorbate 80书页号:2000年版二部-992本品为聚氧乙烯20山梨醇酐单油酸酯。
【性状】本品为淡黄色至橙黄色的黏稠液体;微有特臭,味微苦略涩,有温热感。
本品在水、乙醇、甲醇或醋酸乙酯中易溶,在矿物油中极微溶解。
相对密度本品的相对密度(附录ⅥA韦氏比重秤法)为1.06~1.09。
黏度本品的运动黏度(附录ⅥG第一法),在25℃时(毛细管内径为3.4 ~4.2mm)为350~550mm<2>/s。
酸值取本品10g ,精密称定,置250ml 锥形瓶中,加中性乙醇(对酚酞指示液显中性)50ml,溶解后,附回流冷凝器煮沸10分钟,放冷,加酚酞指示液5 滴,用氢氧化钠滴定液(0.1mol/L)滴定,酸值(附录ⅦH)不大于2.2。
皂化值本品的皂化值(附录ⅦH)为45~60。
羟值本品的羟值(附录ⅦH)为65~80。
碘值本品的碘值(附录ⅦH)为18~24。
【鉴别】(1) 取本品的溶液(1→20)5ml,加氢氧化钠试液5ml ,煮沸数分钟,放冷,用稀盐酸酸化,显乳白色浑浊。
(2) 取本品的溶液(1→20) ,滴加溴试液,溴试液即褪色。
(3) 取本品6ml ,加水4ml 混匀,呈胶状物。
(4) 取本品的溶液(1→20)10ml ,加硫氰酸钴铵溶液(取硫氰酸铵17.4g 与硝酸钴2.8g,加水溶解成100ml )5ml ,混匀,再加氯仿5ml ,振摇混合,静置后,氯仿层显蓝色。
【检查】酸碱度取本品0.50g ,加水10ml溶解后,依法测定(附录ⅥH),pH值应为5.0 ~8.0。
颜色取本品10ml,与同体积的对照液(取比色用重铬酸钾液8.0ml 与比色用氯化钴液0.8ml ,加水至10ml)比较,不得更深。
环氧乙烷与二氧六环取本品1g,精密称定,置顶空瓶中,精密加超纯水1.0ml,密封,摇匀,作为供试品溶液。
量取环氧乙烷300μl(相当于0.25g环氧乙烷),置含50ml经处理的聚乙二醇400(以60℃,1.5~2.5kPa旋转蒸发6小时,除去挥发性成分)的100ml量瓶中,加入相同溶剂稀释至刻度,摇匀,作为环氧乙烷对照品贮备液。
目的:建立聚山梨酯80检验标准操作规程,保证检验结果的准确性。
范围: 适用于聚山梨酯80的检验标准操作。
职责:QC检验员:负责来样的理化检验,原始记录的填写完整、清晰准确、对检验结果数据负责;并及时出具检验报告书。
QC主任:合理分配检验工作,对来样检验的及时、结果准确负责;对QC检验员出具的检验记录和检验报告的结果审核负责。
内容:依据:《中华人民共和国药典》2010年版二部检品名称:聚山梨酯80类别:药用辅料,增溶剂和乳化剂等。
1、性状1.1性状:取本品适量,在自然光线下,用目测和鼻闻法检测,本品为淡黄色至橙黄色的黏稠液体;微有特臭,味微苦略涩;有温热感。
本品与水、乙醇、甲醇或乙酸乙酯中易容,在矿物油中极微溶解。
1.2 相对密度:本品的相对密度为1.06~1.09。
1.2.1仪器与用具:电子天平、比重瓶。
1.2.2操作步骤:取本品照《相对密度检查法操作规程》(SOP-ZL-TY-014-01)检查法在25℃测定。
计算公式:W 1 - W2W1:供试品与比重瓶的重量相对密度= W2:比重瓶的重量W 3 - W2W3:水与比重瓶的重量1.3 黏度:本品在25℃时(毛细管内径为3.4~4.2mm)应为350~550mm2/S。
1.3.1仪器与用具:黏度测定装置一套。
(平氏黏度计)1.3.2操作步骤:照《黏度测定法操作规程》(SOP-ZL-TY-047-01)第一法测定。
计算公式:ν=Kt K:黏度计常数,mm2/s;t:测得的平均流出时间1.4 酸值:本品的酸值不得过2.2。
1.4.1 仪器与用具:锥形瓶、电子天平、量筒、移液管、滴定管、烧杯1.4.2 试剂与试药:乙醇、乙醚。
1.4.3酚酞指示液:取酚酞1g,加乙醇100ml使溶解,即得。
氢氧化钠滴定液(0.1mol/L):取澄清的氢氧化钠饱和溶液5.6ml,加新沸过的冷水使成1000ml,即得。
1.4.4 操作步骤:取本品10g,精密称定,置250ml锥形瓶中,加中性乙醇(对酚酞指示液显中性)50ml使溶解,附回流冷疑器煮沸10分钟,放冷,加酚酞指示液5滴,用氢氧化钠滴定液(0.1mol/L)滴定,照脂肪与脂肪油测定法标准操作规程(S0P-ZL-TY-061-01)测定。
计算公式:A×5.61供试品的酸值=───────WA:消耗氢氧化钠滴定液(0.1mol/L)的容积(ml) W:供试品的重量(g)1.5 羟值:本品的羟值为65~80。
1.5.1 仪器与用具:具塞锥形瓶、电子天平、量筒、移液管、水浴锅、滴定管、金属制台架、1.5.2 试剂与试药:对甲苯磺酸、乙酸乙酯、醋酐、吡啶1.5.3指示液甲酚红—麝香草芬蓝混合指示液:取甲基红指示液1份与0.1%溴麝香草酚蓝3份,混合,即得。
氢氧化钠滴定液(1mol/L):取澄清的氢氧化钠饱和溶液56ml,加新沸过的冷水使成1000ml,即得。
1.5.4 操作步骤:照脂肪与脂肪油测定法标准操作规程(S0P-ZL-TY-061-01)测定。
计算公式:(B-A)×56.1供试品的羟值=─────────+DWA:供试品消耗的氢氧化钾(或氢氧化钠)滴定液(1mol/L)的容积(ml)B:空白试验消耗的容积(ml) D:供试品的酸值W:供试品的重量(g)1.6 皂化值:本品的皂化值为45~60。
1.6.1 仪器与用具:具塞锥形瓶、电子天平、量筒、水浴锅、滴定管、金属制台架、1.6.2 试剂与试药:乙醇、氢氧化钾1.6.3酚酞指示液:取酚酞1g,加乙醇100ml使溶解,即得。
氢氧化钾乙醇溶液:取28.1g氢氧化钾,加95%的乙醇使成1000ml。
氢氧化钠滴定液(1mol/L):取澄清的氢氧化钠饱和溶液56ml,加新沸过的冷水使成1000ml,即得。
盐酸滴定液(0.5mol/L):取盐酸45ml,加水使成1000ml,即得。
1.6.4 操作步骤:照脂肪与脂肪油测定法标准操作规程(S0P-ZL-TY-061-01)测定。
计算公式:(B-A)×28.05供试品的皂化值=──────────WA:供试品消耗的盐酸滴定液(0.5mol/L)的容积(ml)B:空白试验消耗的容积(ml) W:供试品的重量(g)1.7 碘值:本品的碘值为18~24。
1.7.1 仪器与用具:碘瓶、电子天平、量筒、电炉、滴定管1.7.2 试剂与试药:三氯甲烷、冰醋酸1.7.3淀粉指示液:取可溶性淀粉0.5g,加水5ml搅匀后,缓缓倾入100ml沸水中,随加随搅拌,继续煮沸两分钟,放冷,倾取上清液,即得。
溴化碘溶液:取研细的碘13.0g置干燥的具塞玻璃瓶中,,加冰醋酸1000ml,微温使碘完全溶解,另取溴2.5ml加入碘溶液中,摇匀,即得。
碘化钾试液:取碘化钾16.5g,加水使成100ml,即得。
硫代硫酸钠滴定液(0.1mol/L):取硫代硫酸钠26g与无水碳酸钠0.20g,加新沸过的冷水适量使溶解并稀释至1000ml,放置一个月后滤过。
1.7.4 操作步骤:照脂肪与脂肪油测定法标准操作规程(S0P-ZL-TY-061-01)测定。
计算公式:(B-A)×1.269供试品的碘值=──────────WA:供试品消耗硫代硫酸钠滴定液(0.1mol/L)的容积(ml)B:空白试验消耗的容积(ml) W:供试品的重量(g)1.8 过氧化值:本品的过氧化值不得过10。
1.8.1 仪器与用具:碘瓶、电子天平、量筒、电炉、滴定管、烧杯1.8.2 试剂与试药:三氯甲烷、冰醋酸1.8.3淀粉指示液:取可溶性淀粉0.5g,加水5ml搅匀后,缓缓倾入100ml沸水中,随加随搅拌,继续煮沸两分钟,放冷,倾取上清液,即得。
碘化钾试液:取碘化钾16.5g,加水使成100ml,即得。
硫代硫酸钠滴定液(0.01mol/L):取硫代硫酸钠滴定液(0. 1mol/L)临用前加新沸过的冷水稀释制成,必要时标定浓度。
1.8.4 操作步骤:照脂肪与脂肪油测定法标准操作规程(S0P-ZL-TY-061-01)测定。
计算公式:10(A-B)供试品的过氧化值=──────────WA:供试品消耗硫代硫酸钠滴定液(0.01mol/L)的容积(ml)W:供试品的重量(g)B:空白试验消耗硫代硫酸钠滴定液(0.01mol/L)的容积(ml)1.9、鉴别(!)1.9.1仪器与用具:烧杯、量筒、移液管、电炉。
1.9.2试剂与试药:稀盐酸。
氢氧化钠试液:取氢氧化钠4.3g,加水使溶解成100ml,即得。
1.9.3操作步骤:取本品的水溶液(取本品1ml,用水溶解至20ml)5ml,加氢氧化钠试液5ml,煮沸数分钟,放冷,用稀盐酸酸化,显乳白色浑浊。
鉴别(2)2.1仪器与用具:烧杯、量筒、移液管、胶头滴管。
2.1.1试剂:溴试液:取溴2~3ml,置用凡士林涂塞的玻璃瓶中,加水100ml,振摇使成饱和的溶液,即得。
2.1. 2 操作步骤:取本品的水溶液(取本品1ml,用水溶解至20ml),滴加溴试液,溴试液即褪色。
鉴别(3)2.2. 仪器与用具:烧杯、量筒、移液管、玻璃棒2.2.1 操作步骤:取本品6ml,加水4ml混匀,呈胶状物。
鉴别(4)2.3仪器与用具:烧杯、量筒、移液管、玻璃棒2.3.1 试剂:三氯甲烷硫氰酸钴铵溶液:取硫氰酸铵17.4g与硝酸钴2.8g,加水溶解成100ml。
2.3.2 操作步骤:取本品的水溶液(取本品1ml,用水溶解至20ml)10ml,加硫氰酸钴铵溶液5ml,混匀,再加三氯甲烷5ml,振摇混合,静置后,三氯甲烷层显蓝色。
2.4检查2.4.1 酸碱度2.4.2 仪器与用具:电子天平、量筒、烧杯、pH计、洗瓶2.4.3 试剂与试药:苯二甲酸盐标准缓冲液、磷酸盐标准缓冲液2.4.4操作步骤:取本品0.50g,加水10ml溶解后,照《PH检测法操作规程》(SOP-ZL-TY-035-01)检测,P H值应为5.0~8.0。
2.5颜色2.5.1仪器与用具:分析天平、恒温水浴锅、量筒、移液管、纳氏比色管、滤纸、漏斗、锥形瓶。
2.5.2 试剂:比色用重铬酸钾液、比色用氯化钴液2.5.3操作步骤:取本品10ml,与同体积的对照液(取比色用重铬酸钾液8.0ml与比色用氯化钴液0.8ml,加水至10ml)比较,不得更深。
2.6环氧乙烷与二氧六环2.6.1仪器与用具:电子天平、胶头滴管、量瓶、移液管、顶空瓶、旋转蒸发器、微量进样针、气相色谱仪。
2.6.2试剂、试液:超纯水、环氧乙烷对照品、聚乙二醇400、二氧六环对照品、0.001%乙醛溶液、50%氯化镁的无水乙醇混悬液、乙醇制盐酸滴定液(0.1mol/L)、乙醇制氢氧化钾滴定液(0.1mol/L)2.6.3 0.001%乙醛溶液:取1ml乙醛溶液加水稀释至1000ml摇匀,即得。
50%氯化镁的无水乙醇混悬液:称取50g氯化镁加无水乙醇稀释至100ml,摇匀,即得混悬液。
乙醇制盐酸滴定液(0.1mol/L):取盐酸9.0ml,加乙醇适量使成1000ml,摇匀,即得,(必要时标定浓度)。
乙醇制氢氧化钾滴定液(0.1mol/L):取氢氧化钾7g,置锥形瓶中,加无醛乙醇适量使溶解并稀释成1000ml,用橡皮塞密塞,静置24小时后,迅速倾取上清液,置具橡皮塞的棕色玻瓶中,(必要时标定浓度)。
2.6.4操作规程:取本品1g,精密称定,置顶空瓶中,精密加超纯水1.0ml,密封,摇匀,作为供试品溶液。
量取环氧乙烷300ul(相当于0.25g环氧乙烷),置含50ml经处理的聚乙二醇400以(60℃,1.5~2.5kpa旋转蒸发6小时,除去挥发性成分)的100ml量瓶中,加入相同溶剂稀释至刻度,摇匀,作为环氧乙烷对照品贮备液。
精密量取1g冷的环氧乙烷对照品贮备液,置含40ml经过处理的聚乙二醇400的50ml量瓶中,加水稀释至刻度,摇匀,作为环氧乙烷对照品溶液。
取二氧六环适量,精密称定,用水制成每1ml中含0.1mg 的溶液,作为二氧六环对照品溶液。
精密称取本品1g,置顶空瓶中,精密加入环氧乙烷对照品溶液0.5ml与二氧六环对照品溶液0.5ml,密封,摇匀,作为对照品溶液。
量取环氧乙烷对照品溶液0.5ml置顶空瓶中,加入新鲜配制的0.001%乙醛溶液0.1ml与二氧六环对照品溶液0.1ml,密封,摇匀,作为系统适用性试验溶液。
《照气相色谱法操作规程》(SOP-ZL-TY-042-01)试验。
以聚二甲基硅氧烷为固定液,起始温度为35℃,维持5分钟,以每分钟5℃的速率升温至180℃,再以每分钟30℃的速率升温至230℃,维持5分钟(可根据具体情况调整)。
进样口温度为150℃,检测器温度为250℃。
顶空平衡温度为70℃,平衡时间为45分钟。
取系统适用性试验溶液顶空进样,调节检测灵敏度使环氧乙烷峰和乙醛峰的峰高约为满量程的15%,乙醛峰和环氧乙烷峰之间的分离度不小于2.0,二氧六环峰高应为基线噪音的5倍以上。