LS变频器说明书iS5-中文说明书
- 格式:doc
- 大小:15.44 MB
- 文档页数:202
变频器培训LS产电变频器产品综合示意图LS产电变频器综合介绍目录第1章变频器基础知识-----------------------------------------------------------------------------------1-1 1.1 异步电机基本工作原理和控制----------------------------------------------------------------------1-1 1.1.1异步电机基本工作原理------------------------------------------------------------------------------1-1 1.1.2 异步电动机的变频调速-----------------------------------------------------------------------------1-1 1.1.3 异步电动机的等效电路-----------------------------------------------------------------------------1-2 1.1.4 异步电动机的机械特性-----------------------------------------------------------------------------1-2 1.2 变频器的基本构成和工作原理----------------------------------------------------------------------1-3 1.2.1 变频器的基本构成-----------------------------------------------------------------------------------1-3 1.2.2 变频器内部电路的基本功能-----------------------------------------------------------------------1-3 1.2.3 逆变电路基本工作原理-----------------------------------------------------------------------------1-3 1.2.4 脉宽调制(PWM)型逆变电路-------------------------------------------------------------------1-4 1.3 变频器控制方式和基本原理-------------------------------------------------------------------------1-6 1.3.1 V/f控制-------------------------------------------------------------------------------------------------1-6 1.3.2 转差频率控制-----------------------------------------------------------------------------------------1-7 1.3.3 矢量控制-----------------------------------------------------------------------------------------------1-8 第2章变频器的基本结构和主要功能-----------------------------------------------------------------2-1 2.1 变频器主电路构成-------------------------------------------------------------------------------------2-1 2.1.1 整流电路-----------------------------------------------------------------------------------------------2-1 2.1.2 直流中间电路-----------------------------------------------------------------------------------------2-1 2.1.3 逆变电路-----------------------------------------------------------------------------------------------2-1 2.1.4 制动电路的作用及工作原理-----------------------------------------------------------------------2-2 2.2 变频器的主要功能-------------------------------------------------------------------------------------2-3 2.2.1 系统所具有的功能-----------------------------------------------------------------------------------2-3 2.2.2 频率设定功能-----------------------------------------------------------------------------------------2-4 2.2.3 与保护有关的功能-----------------------------------------------------------------------------------2-4 第3章 iG5应用与功能------------------------------------------------------------------------------------3-1 3.1 iG5简介---------------------------------------------------------------------------------------------------3-1 3.2 iG5的特性------------------------------------------------------------------------------------------------3-1 3.3 iG5的安装------------------------------------------------------------------------------------------------3-3 3.3.1 检验-----------------------------------------------------------------------------------------------------3-3 3.3.2 环境条件-----------------------------------------------------------------------------------------------3-3 3.3.3 安装-----------------------------------------------------------------------------------------------------3-3 3.3.4 尺寸-----------------------------------------------------------------------------------------------------3-5 3.3.5 基本配线-----------------------------------------------------------------------------------------------3-6 3.3.6 电源端子-----------------------------------------------------------------------------------------------3-7 3.3.7 控制端子---------------------------------------------------------------------------------------------3-10 3.4 iG5的运行----------------------------------------------------------------------------------------------3-13 3.4.1 频率组运行------------------------------------------------------------------------------------------3-13 3.4.2 参数设定与变更------------------------------------------------------------------------------------3-14 3.4.3 参数组------------------------------------------------------------------------------------------------3-16 3.4.4 运行---------------------------------------------------------------------------------------------------3-19 3.5 参数清单-----------------------------------------------------------------------------------------------3-203.5.2 功能1组[FU1]-------------------------------------------------------------------------------------3-21 3.5.3 功能2组[FU2]-------------------------------------------------------------------------------------3-23 3.5.4 输入/输出组[I/O]-----------------------------------------------------------------------------------3-26 第4章 iS5应用与功能------------------------------------------------------------------------------------4-14.1 iS5简介---------------------------------------------------------------------------------------------------4-1 4.2 iS5的特性------------------------------------------------------------------------------------------------4-1 4.3 iS5的安装------------------------------------------------------------------------------------------------4-4 4.3.1 检查-----------------------------------------------------------------------------------------------------4-4 4.3.2 环境条件-----------------------------------------------------------------------------------------------4-4 4.3.3 安装-----------------------------------------------------------------------------------------------------4-4 4.3.4 其它注意事项-----------------------------------------------------------------------------------------4-5 4.3.5 尺寸-----------------------------------------------------------------------------------------------------4-6 4.3.6 基本配线--------------------------------------------------------------------------------------------- 4-11 4.3.7 电源端子-------------------------------------------------------------------------------------------- -4-12 4.3.8 电源端子配线----------------------------------------------------------------------------------------4-15 4.3.9 控制端子----------------------------------------------------------------------------------------------4-17 4.3.10 控制端子配线---------------------------------------------------------------------------------------4-18 4.3.11 键盘和RS485电路连接配线---------------------------------------------------------------------4-19 4.4 参数组----------------------------------------------------------------------------------------------------4-21 4.5 LCD键盘-------------------------------------------------------------------------------------------------4-22 4.5.1 LCD键盘显示-----------------------------------------------------------------------------------------4-23 4.5.2 设定数据的步骤--------------------------------------------------------------------------------------4-24 4.5.3 参数导航-----------------------------------------------------------------------------------------------4-25 4.6 7-段键盘---------------------------------------------------------------------------------------------------4-26 4.6.1 7段键盘显示-------------------------------------------------------------------------------------------4-27 4.6.2 设定数据的步骤--------------------------------------------------------------------------------------4-28 4.6.3 参数导航-----------------------------------------------------------------------------------------------4-29 4.7 运行方法--------------------------------------------------------------------------------------------------4-30 4.8 操作范例--------------------------------------------------------------------------------------------------4-31 4.8.1 通过键盘和接线端子进行操作--------------------------------------------------------------------4-31 4.8.2 通过接线端子进行操作-----------------------------------------------------------------------------4-33 4.8.3 通过键盘进行操作-----------------------------------------------------------------------------------4-35 4.9 功能设置-------------------------------------------------------------------------------------------------4-36 4.9.1 基本功能参数设置-----------------------------------------------------------------------------------4-36 4.9.2 高级功能设置-----------------------------------------------------------------------------------------4-39 4.9.3 应用功能设置-----------------------------------------------------------------------------------------4-42 4.10 操作示例------------------------------------------------------------------------------------------------4-43 4.11 快速启动------------------------------------------------------------------------------------------------4-49 4.11.1 使用键盘运行----------------------------------------------------------------------------------------4-50 4.11.2 使用控制端子运行----------------------------------------------------------------------------------4-51 4.11.3 使用键盘和控制端子运行-------------------------------------------------------------------------4-52 4.12 参数清单------------------------------------------------------------------------------------------------4-54 4.12.1 驱动组[DRV]-----------------------------------------------------------------------------------------4-544.12.3 功能2组[FU2]---------------------------------------------------------------------------------------4-56 4.12.4 输入/输出组[I/O]------------------------------------------------------------------------------------4-60 4.12.5 外部组[EXT]-----------------------------------------------------------------------------------------4-64 4.12.6 通讯组[COM]----------------------------------------------------------------------------------------4-67 4.12.7 应用组[APP]-----------------------------------------------------------------------------------------4-69 第5章变频器驱动系统设计-------------------------------------------------------------------------------5-15.1 机械负载与电动机的转矩特性------------------------------------------------------------------------5-1 5.1.1 恒转矩负载----------------------------------------------------------------------------------------------5-1 5.1.2 平方降转矩负载----------------------------------------------------------------------------------------5-1 5.1.3 恒功率负载----------------------------------------------------------------------------------------------5-1 5.1.4 电动机的转矩特性-------------------------------------------------------------------------------------5-2 5.2 设计变频器驱动系统的要点---------------------------------------------------------------------------5-3 5.2.1 驱动恒转矩负载----------------------------------------------------------------------------------------5-3 5.2.2 驱动平方降转矩负载----------------------------------------------------------------------------------5-3 5.2.3 驱动恒功率负载----------------------------------------------------------------------------------------5-3 第6章变频器常见异常及其对策-------------------------------------------------------------------------6-16.1 变频器自身异常及对策---------------------------------------------------------------------------------6-1 6.1.1 设置环境-------------------------------------------------------------------------------------------------6-1 6.1.2 外部噪声的影响----------------------------------------------------------------------------------------6-1 6.2 变频器对周边设备的影响及对策---------------------------------------------------------------------6-1 6.2.1 高次谐波对电网电源的影响及对策----------------------------------------------------------------6-1 6.2.2 电波噪声的影响及对策-------------------------------------------------------------------------------6-2 6.3 iG5故障排除与维护--------------------------------------------------------------------------------------6-2 6.3.1 故障显示-------------------------------------------------------------------------------------------------6-2 6.3.2 故障复位-------------------------------------------------------------------------------------------------6-4 6.3.3 故障排除-------------------------------------------------------------------------------------------------6-5 6.3.4 故障检查-------------------------------------------------------------------------------------------------6-6 6.3.5 如何检查电源部件-------------------------------------------------------------------------------------6-7 6.3.6 维护-------------------------------------------------------------------------------------------------------6-8 6.3.7 日常和定期检查项目----------------------------------------------------------------------------------6-9 6.4 iS5故障排除与维护-------------------------------------------------------------------------------------6-10 6.4.1 故障显示-----------------------------------------------------------------------------------------------6-10 6.4.2 故障消除-----------------------------------------------------------------------------------------------6-12 6.4.3 故障排除-----------------------------------------------------------------------------------------------6-14 6.4.4 如何检查电源部件-----------------------------------------------------------------------------------6-15 6.4.5 维护-----------------------------------------------------------------------------------------------------6-16 6.4.6 日常和定期检查项目--------------------------------------------------------------------------------6-17第1章 变频器基础知识1.1 异步电动机基本工作原理和控制1.1.1 异步电动机基本工作原理当在一台三相异步电动机的定子绕组上加上三相交流电压时, 电压将产生一个如图 1-1所示的旋转磁场,该磁场的速度由定子电压的频率所决定。
iS5变频器中文说明书内容用户选择指南 (iS5 规范) .................................................................... ................................................4 第一章安装...................................................................... ..................................................................6 1.1 检查 ..................................................................... .......................................................................6 1.2 环境条件 ..................................................................... ............................................................... 6 1.3 安装 ..................................................................... .......................................................................6 1.4 其它注意事项 ..................................................................... ........................................................ 7 1.5 尺寸 ..................................................................... .......................................................................8 1.6 基本配线 ..................................................................... ............................................................. 10 1.7 电源端子 ..................................................................... ............................................................. 11 1.7.1 类型 A 构造...................................................................... ................................................ 12 1.7.2 类型B 构造...................................................................... ................................................. 12 1.7.3 类型C 构造...................................................................... ................................................. 13 1.7.4 电源端子配线 ..................................................................... ............................................... 14 1.8 控制端子 ..................................................................... ............................................................. 16 1.8.1 控制端子配线 ..................................................................... ............................................... 17 1.8.2 键盘和 RS485电路连接配线 ..................................................................... ........................ 18 第二章运行...................................................................... ................................................................20 2.1 参数组 ..................................................................... (20)2.2 LCD键盘 ..................................................................... (21)2.2.1 LCD键盘显示...................................................................... ................................................... 22 2.2.2 设定数据的步骤 (LCD 键盘) .................................................................... ............................ 23 2.2.3 参数导航 (LCD 键盘) .................................................................... ....................................... 24 2.3 7-段键盘 ..................................................................... .. (25)2.3.1 7段键盘显示...................................................................... ................................................... 26 [2个数字] –参数丢失时...................................................................... ........................................ 26 2.3.2 设定数据的步骤 (7-段键盘) .................................................................... ............................ 27 2.3.3 参数导航 (7-段键盘) .................................................................... ....................................... 28 2.4 运行方法 ..................................................................... ................................................................. 29 使用扩展板 ..................................................................... ................................................................. 29 第三章快速启动...................................................................... ........................................................31 3.1使用键盘运行...................................................................... .......................................................... 32 3.2 使用控制端子运行 ..................................................................... ................................................... 33 3.3 使用键盘和控制端子运行 ..................................................................... ........................................ 34 3.3.1由外源设定频率和键盘控制运行/停止 ..................................................................... ............. 34 3.3.2由键盘设定频率和外部端子控制运行/停止...................................................................... ..... 35 第四章参数清单...................................................................... ........................................................36 4.1 驱动组[DRV] .................................................................. ......................................................... 36 4.2. 功能 1 组[FU1]................................................................... ................................................... 37 4.3. 功能2 组[FU2] .................................................................. . (39)1输入/输出组[I/O]................................................................... ............................................... 43 4.4.4.5. 外部组[EXT]................................................................... .......................................................... 47 第五章参数描述...................................................................... .................................................... 52 5.1 驱动组[DRV]................................................................... .......................................................... 52 5.2 功能1 组[FU1] .................................................................. .................................................... 57 5.3. 功能 2 组[FU2] .................................................................. ................................................... 68 5.4. 输入/输出组[I/O] .................................................................. ................................................. 84 5.5. 外部组[EXT] .................................................................. ....................................................... 100 第六章选项...................................................................... ................................................................ 106 6.1. 子板A ...................................................................... (107)6.1.1. 板构造...................................................................... ....................................................... 107 6.1.2. 端子结构 ..................................................................... .................................................... 108 6.1.3. 端子描述 ..................................................................... .................................................... 108 6.1.4. 子板A的参数...................................................................... ........................................... 108 6.2. 子板B ...................................................................... (109)6.2.1. 板结构............................................................................................................................. 109 6.2.2. 端子构造 ..................................................................... .................................................... 110 6.2.3. 端子描述 ..................................................................... .................................................... 110 6.2.4. 子板B参数 ..................................................................... ............................................... 110 6.3. 子板C ...................................................................... (111)6.3.1. 板构造...................................................................... ....................................................... 111 6. 3. 2 端子构造 ..................................................................... ..................................................... 112 6. 3. 3 端子描述 ..................................................................... ..................................................... 112 6.3.4. 子板C的参数...................................................................... ............................................ 112 6.4. 扩展板 ..................................................................... ............................................................... 113 6.5.面板...................................................................... (113)6.5.1 LCD 面板 ..................................................................... .................................................... 113 6.5.2 7-LED面板 ..................................................................... ................................................. 113 6.6. DB 单元 ..................................................................... (114)6.6.1 规范 ..................................................................... ........................................................... 114 6.6.2 尺寸 ..................................................................... ........................................................... 114 6.7. DB 电阻器 ..................................................................... ........................................................... 115 6.7.1. 内部电阻器 ..................................................................... ................................................ 115 6.7.2. 外部 (可选) DB 电阻器 ..................................................................... ............................ 115 第七章故障排除与维护 ..................................................................... .......................................... 117 7.1. 故障显示 ..................................................................... ........................................................... 117 7.2. 故障消除 ..................................................................... ........................................................... 119 7.3. 故障排除 ..................................................................... ........................................................... 121 7.4. 如何检查电源部件 ..................................................................... ............................................ 122 7.5. 维护...................................................................... (123)7.5.1. 注意事项 ..................................................................... .................................................... 123 7.5.2. 常规检查 ..................................................................... .................................................... 123 7.5.3. 常规检查 ..................................................................... . (123)2内部保险丝更换 ..................................................................... ......................................... 123 7.5.4.7.6. 日常和定期检查项目 ..................................................................... ......................................... 124 附录A –使用功能 ..................................................................... ......................................................125 附录B –目的参数 ..................................................................... ......................................................126 附录C - 外围设备 ..................................................................... .. (128)3用户选择指南 (iS5 规范)220V 类 (1 - 30HP)变频器类型 008-015-022-037-055-075-110-150-185-220-(SvxxxiS5-x) 2 2 2 2 2 2 2 2 2 2 电机 HP 1 2 3 5 7.5 10 15 20 25 30 1功率 kW 0.75 1.5 2.2 3.7 5.5 7.5 11 15 18.5 22 2电容 [kVA] 1.9 3.0 4.5 6.1 9.1 12.2 17.5 22.9 28.2 33.5 输出输出电流 [A] 5 8 12 16 24 32 46 60 74 88 功率频率 0 - 400 Hz 3 电压 200 - 230 V输入电压 3 相, 200 - 230 V (, 10 %)功率频率 50 - 60 Hz (,5 %)制动电路在板上在板上在板上可选 (制动单元, 电阻)平均制动转矩 100% 100% 100% 150% 动态最大连续制动4制动 5 秒 5 秒 5 秒由制动单元控制时间最大负载 30 % ED 30 % ED 30 % ED 10 % ED重量 [lbs] 10.1 10.1 10.6 10.8 16.5 17.0 30.4 31.5 42.8 44.1380V 类 (1 - 30HP)变频器 015-022-037-055-075-110-150-185-220-008-4 (SvxxxiS5-x) 4 4 4 4 4 4 4 4 4 电机 HP 1 2 3 5 7.5 10 15 20 25 30 1 功率kW 0.75 1.5 2.2 3.7 5.5 7.5 11 15 18.5 22 2电容 1.9 3.0 4.5 6.1 9.1 12.2 18.3 22.9 29.7 34.3[kVA]输出输出电流 2.5 4 6 8 12 16 24 30 39 45 功率 [A]频率 0 - 400 Hz 3 电压 380 - 460 V输入电压 3 相, 380 - 460 V (, 10 %)功率频率 50 - 60 Hz (,5 %)制动电路在板上在板上在板上可选 (制动单元, 电阻)最大制动动态 100% 100% 100% 150% 转矩 4 制动最大连续5 秒 5 秒 5 秒由制动单元控制制动时间1 表明了当使用4极LG标准电机时的最大可用容量。
第一章:变频器IG5 与PC MODBUS通讯例程 (1)第二章:变频器IG5 与PLC MODBUS通讯例程 (3)第三章:变频器IGX 与PLC RS-485通讯例程 (5)第四章:变频器IS5 与F-NET通讯例程 (8)第五章:变频器IS5 与PLC D-NET通讯例程 (12)第六章:变频器IS5 与PLC P-NET通讯例程 (29)第一章:变频器IG5 与PC MODBUS通讯例程一.硬件连接1.PC:安装串口通讯软件2.变频器:IG53.转换器:ND-652二.变频器设置1.DRV [控制模式]: 3(RS-485)2.FRQ [频率模式]: 5(RS-485)3.I/O -50 [通讯口]: 7(MODBUS RTU)4.I/O -46 [变频器站号]: 15.I/O -47 [波特率]: 3(出厂值9,600 bps)三.通讯软件参数设置A. 频率设定1.选择通讯方式:Protocol: MODBUS2.变频器站号:INV Number: 13.控制方式设定:Function: 06注:06代表向变频器写数据,04代表从变频器读数据4.目标地址设定:0005注:0005是变频器的频率地址,0006是控制指令地址等,详细见变频器用户手册。
5.写入的数据:1388,此处的1388是十六进制的,转换成十进制就是5000,表示要给变频器写入的频率是50.00HZ.6.通讯端口设定:Port :Com17.波特率设定:Baud Rate: 9600点击发送Send,当有RX数据返回值的时候,说明通讯已成功。
B. 运行命令发送C. 停止命令发送第二章:变频器IG5 与PLC MODBUS通讯例程一.硬件连接1.PLC: MASTER-K120S标准型,作为主站2.变频器:IG5作为从站二.变频器设置1.DRV [控制模式]: 3(RS-485)2.FRQ [频率模式]: 5(RS-485)3.I/O -50 [通讯口]: 7(MODBUS RTU)4.I/O -46 [变频器站号]: 15.I/O -47 [波特率]: 3(出厂值9,600 bps)三.PLC 参数设置1.选择通道1, 通讯为Enable,2.PLC站号设置为0,波特率设置96003.选择通讯协议MODBUS设PLC为主站:Master.传送方式选择:RTU(HEX)四.PLC 程序注解:1.,H0110的意思是指要表示对方的站号和功能代码,这里的01代表要与站号01 的变频器通讯,10(这里的10是十六进制的H10,十进制就是16,在MODBUS 协议中代表编码16.)是指MODBUS 的通用的功能代码:设置(写入)多个寄存器.2.,是指要写入对方的首地址,这里指要写入变频器的首地址是0005,就是设定频率.3.,设定要写入的数目,这里是2,代表这次发送要2个字,发送到变频器的0005和0006 的地址中4.,要发送的数据准备.5.A. MODCOM是MODBUS的通讯指令,0001代表PLC的通讯端口是通道1B. D0000指设定通讯代码和站号,其后会自动发送D1,D2的设置信息,在此说明一下,只要指明设定信息是以D0开始的,D1,D2就会自动发送.D0,D1,D2设置的信息将1,2,3条的解释.C. D1000指要发送数据的PLC首地址,就是将D1000的数据写入到0005,因为设定的发送数目是2,所以D1001的数据会自动写入0006中.D. MI0用来保存通讯状态的.第三章:变频器IGX 与PLC RS-485通讯例程一.硬件连接1.PLC: MASTER-K120S标准型,作为主站2.变频器:IGX 作为从站二.变频器设置1.DRV-03 [控制模式]: 3(RS-485)2.DRV-04 [频率模式]: 7(RS-485)3.I/O -59 [通讯口]: 1(LS BUS)4.I/O -60 [变频器站号]: 15.I/O -61 [波特率]: 3(出厂值9,600 bps)三.PLC 参数设置1.选择通道1, 通讯为Enable,2.PLC站号设置为0,波特率设置96003.选择专用协议DEDICA TED LG INVERTER选项,点击LIST.4.PLC 发送数据设置设置变频器站号Station是1,每次发送数据的个数Address Number是3,模式是Send. PLC 发送数据的首地址是D0变频器接收数据的首地址是4就是将PLC D0的数据传送至变频器寄存器4中(变频器参数琐(0:锁定1:解锁)) 将PLC D1的数据传送至5中(输出频率)将PLC D2的数据传送至6中(运行指令)设置完毕,点击OK.5.PLC 接收数据设置设置变频器站号Station是1,每次接收数据的个数Address Number是3,模式是Receive. PLC接收数据的首地址是D10变频器发送数据的首地址是7就是将变频器寄存器7中的数据(加速时间)传送至PLC的D10中将变频器寄存器8中的数据(减速时间)传送至PLC的D11 中将变频器寄存器9中的数据(输出电流)传送至PLC 的D12中设置完毕,点击OK.四.PLC 程序注解:1.当P0接通时,,根据参数设置,D0会把数据H1传送到变频器的寄存器4中,将参数锁解锁,这样就可以向变频器写参数了.,根据参数设置,D1会把数据4000传送到变频器的寄存器5中,变频器的输出频率变为40.00HZ.,根据参数设置,D2会把数据H2传送到变频器的寄存器6中,变频器的正转启动.在此需要说明一下,H2代表十六进制的2,二进制是0010.2.当P1接通时,, 根据参数设置,D10中的把数据来自变频器的寄存器7(加速时间),这样加速时间值传送到M000中保存., 根据参数设置,D11中的把数据来自变频器的寄存器8(减速时间),这样减速时间值传送到M001中保存.,根据参数设置,D12中的把数据来自变频器的寄存器9(输出电流),这样输出电流值传送到M002中保存.第四章:变频器IS5 与F-NET通讯例程一. 硬件连接:PLC:MASTER K120S 主单元,通讯模块G7L-FUEA。
熟悉串口的朋友,了解U盘控制卡的话,直接看最后部分,U盘控制说明即可目录第一章概述 (2)1.1概述 (2)1.2主要特性 (2)1.3操作环境 (2)第二章安装与卸载 (4)2.1安装 (4)2.2卸载 (4)第三章界面介绍 (6)3.1菜单 (6)3.1.1文件 (6)3.1.2控制 (8)3.1.3设置 (9)3.1.4帮助 (9)3.2工具栏 (9)3.2.1主工具栏 (19)3.2.2管理窗工具栏 (10)第四章节目制作 (10)4.1第一步:设置尺寸 (10)4.2第二步:创建节目 (11)4.3第三步:节目设置 (12)4.4第四步:完成制作 (13)第五章技术支持 (14)第六章相关常见问题 (14)第一章概述1.1概述LED图文控制系统是由联胜电子科技公司为图文控制系统专业制作的集编辑、模拟和控制为一体的专业软件。
它不仅安全、稳定、实用而且便于各类人群的学习和使用。
由于其高可靠性和稳定性,它被广泛运用于各个领域。
本软件其根据人机交互原理设计使其结构合理、便于使用和维护,界面简洁而不单调,功能强大却不紊乱,处处显示出以人为本的特点。
最为重要的是它具有功能上的可扩展性。
1.2主要特性节目的播放是以页的方式进行的,页的数量根据LED条屏的尺寸的不同而各异。
其控制方式通常采用串口通讯,包括单机版的RS232以及服务器版的RS485网络通讯。
1.3操作环境操作系统:中/英文Windows/XP;硬件配置:CPU: 奔腾300MHz或以上内存:64M或以上第二章安装与卸载2.1 安装安装LED图文控制系统,可按照如下步骤进行:双击“setup”文件,在弹出的安装向导对话框中,系统显示界面:单击下一步,系统将自动进行安装。
)系统自动完装完毕后,会在您的电脑桌面上自动生成一个快捷方式图标双击该图标直接运行程序。
2.2卸载LED图文控制系统软件为您提供了一个自动卸载功能选择,以删除控制系统的所有文件、程序组以及快捷方式等。
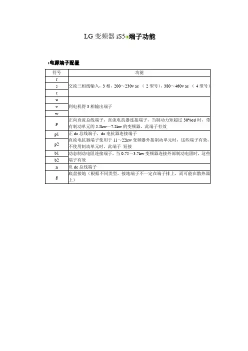
LG变频器iS5端子功能电源端子配置符号功能r交流三相线输入,3相,200~230v ac (-2型号),380~460v ac (-4型号)stu到电机得3相输出端子vwp 正向直流总线端子,直流电抗器连接端子,当制动力矩超过30%ed时,带有制动单元的5.5kw~7.5kw的变频器,此端子有效p1正dc总线端子,dc电抗器连接端子直流电抗器端子使用于11~22kw变频器外接制动单元时,这些端子有效,不使用制动单元时,此端子短接p2b1动态制动电阻连接端子,当0.75~3.7kw变频器连接外部制动电阻时,这些端子有效b2n负dc总线端子g 底盘接地(根据不同类型,接地端子不一定在端子排上,而可能在散热器上)控制端子配置类型符号名称说明输入信号起动触点功能选择p1,p2,p3多功能输入1,2,3使用的多功能输入,厂家设定步频率1,2,3fx正转指令当闭合的时候正转,打开的时候停止rx反转指令当闭合的时候反转,打开的时候停止jog寸动频率给定当寸动信号处于on时,在寸动频率下运行。
运行的方向是由fx(或者rx)信号决定的。
bx紧急停止当bx信号处于on时,变频器的输出关断。
当电机使用电子制动去停止时,使用bx去关断输出信号。
当bx信号处于off(没有被锁存关断的情况下),fx信号(或者rx信号)处于on,电机处于继续运行的状态,所以要小心。
rst故障复位当保护电路被激活后,用此端子释放保护状态cm顺序公共端子被用作触点输入端子的公共端子。
nc-不使用模拟频率设定vr频率给定电源(+12v)作为模拟频率给定的电源。
最大输出+12v,100mav1频率给定(电压)使用和0-10v作为频率给定输入,输入阻抗20kωi频率给定(电流)使用dc 4-20ma作为频率给定输入,输入阻抗250ω5g频率给定公共端子模拟频率给定和fm的公共端子(用于监视)输出信号脉冲fm-cm模拟/数字输出(用于外部监视)输出以下的其中一个:输出频率,输出电压,输出电流,dc连接电压,厂家设定的默认值为输出频率,最大输出电压和输出电流为0-12v,1ma,输出频率为500hz 触点30a,30c,30b故障触点输出保护功能运行时有效。
通用变频器用户手册第5章功能参数表FP-00设为非0值,即设置了参数保护密码,在功能参数模式和用户更改参数模式下,参数菜单必须在正确输入密码后才能进入,取消密码,需将FP-00设为0。
用户定制参数模式下的参数菜单不受密码保护。
F组、A组是基本功能参数,U组是监视功能参数。
功能表中符号说明如下:“☆”:表示该参数的设定值在变频器处于停机、运行状态中,均可更改;“★”:表示该参数的设定值在变频器处于运行状态时,不可更改;“●”:表示该参数的数值是实际检测记录值,不能更改;“*”:表示该参数是“厂家参数”,仅限于制造厂家设置,禁止用户进行操作;5.1基本功能参数简表表5-1基本功能参数简表功能码名称设定范围出厂值更改F0基本功能组F0-00GP类型显示1:G型(恒转矩负载机型)2:P型(风机、水泵类负载机型)机型确定●F0-01第1电机控制方式0:无速度传感器矢量控制(SVC)在恢复出厂设定值,更改完变频器机型或者设置完电机功率,电压等级之后,需要调谐一次,矢量控制才能最佳运行。
如何调谐参见F1-37详细说明。
1:有速度传感器矢量控制(FVC)2:V/F控制2★F0-02命令源选择0:操作面板命令通道(LED灭)1:端子命令通道(LED亮)2:通讯命令通道(LED闪烁)0☆F0-03主频率源X选择0:数字设定(预置频率F0-08,UP/DOWN可修改,掉电不记忆)1:数字设定(预置频率F0-08,UP/DOWN可修改,掉电记忆)2:AI1(J1选择AI1或面板电位器)0★通用变频器用户手册功能码名称设定范围出厂值更改3:AI24:AI3扩展(3.7KW以下为面板电位器)5:PULSE脉冲设定(DI5)6:多段指令7:简易PLC8:PID9:通讯给定F0-04辅助频率源Y选择同F0-03(主频率源X选择)0★F0-05叠加时辅助频率源Y范围选择0:相对于最大频率1:相对于频率源X0☆F0-06叠加时辅助频率源Y范围0%~150%100%☆F0-07频率源叠加选择个位:频率源选择0:主频率源X1:主辅运算结果(运算关系由十位确定)2:主频率源X与辅助频率源Y切换3:主频率源X与主辅运算结果切换4:辅助频率源Y与主辅运算结果切换十位:频率源主辅运算关系0:主+辅1:主-辅2:二者最大值3:二者最小值00F0-08预置频率0.00Hz~最大频率(F0-10)50.00Hz☆F0-09运行方向0:方向一致1:方向相反0☆F0-10最大频率50.00Hz~320.00Hz50.00Hz★F0-11上限频率源0:F0-12设定1:AI12:AI23:AI34:PULSE脉冲设定5:通讯给定0★功能码名称设定范围出厂值更改F0-12上限频率下限频率F0-14~最大频率F0-1050.00Hz☆F0-13上限频率偏置0.00Hz~最大频率F0-100.00Hz☆F0-14下限频率0.00Hz~上限频率F0-120.00Hz☆F0-15载波频率0.5kHz~16.0kHz机型确定☆F0-16载波频率随温度调整0:否1:是1☆F0-17加速时间10.00s~650.00s(F0-19=2)0.0s~6500.0s(F0-19=1)0s~65000s(F0-19=0)机型确定☆F0-18减速时间10.00s~650.00s(F0-19=2)0.0s~6500.0s(F0-19=1)0s~65000s(F0-19=0)机型确定☆F0-19加减速时间单位0:1秒1:0.1秒2:0.01秒1☆F0-21叠加时辅助频率源偏置频率0.00Hz~最大频率F0-100.00Hz☆F0-22频率指令分辨率1:0.1Hz2:0.01Hz2★F0-23数字设定频率停机记忆选择00:不记忆1:记忆0☆F0-24电机参数组选择0:电机参数组11:电机参数组20★F0-25加减速时间基准频率0:最大频率(F0-10)1:设定频率2:100Hz0★F0-26运行时频率指令UP/DOWN基准0:运行频率1:设定频率0★F0-27命令源捆绑频率源个位:操作面板命令绑定频率源选择0:无绑定1:数字设定频率2:AI13:AI20000☆通用变频器用户手册功能码名称设定范围出厂值更改4:AI35:PULSE脉冲设定(DI5)6:多段速7:简易PLC8:PID9:通讯给定十位:端子命令绑定频率源选择百位:通讯命令绑定频率源选择千位:自动运行绑定频率源选择F0-28串口通讯协议选择0:Modbus协议0☆F1第一电机组F1-00电机类型选择0:普通异步电机2:永磁同步电机1:变频异步电机0★F1-01电机额定功率0.1kW~1000.0kW在恢复出厂设定值,更改完变频器机型或者设置完电机功率,电压等级之后,需要调谐一次,矢量控制才能最佳运行。
士林变频器简易调试简介、参数修改方法了解基本操作切换流程图开传动,变频器通电后会显示开机画面,具体如下图开机画而操作模式切换如下图•0000*ooo'p细◎60••ooo讪)1)11等待2秒MODEt.MODEOi参数设定模式操作流程如下图、变频器基本使用参数简介与设定 1、 正逆转防止选择Pr78为正逆转防止选择参数,分为“ 0,1,2” 3个设定值,分别表 示为“0”:正逆均可转动;“ 1”:仅正转(按下逆转指令,电机减 速停止);“2”:仅逆转(按下正转指令,电机减速停止)2、 操作模式选择莎範遞j「注)参数设定模式下,指示灯*Hz 与指示灯MON ■不会亮。
Pr79为操作模式选择参数,分别为“ 0,123,4,5,6,7,8’ 9种设定值具体说明如下图3、操作器频率来源选择Pr59为操作器频率来源选择参数,分别为“ 0,1” 2种设定值,具体说明如下图(注:此功能为面板操作器控制,非与PLC或屏连接信号控制。
)4、显示运转速度运转速度显示主要有2个参数,频率参数Pr189与运转速度参数Pr37,具体设定如下:1、频率设置:Pr189为出厂设定值,分台湾与大陆两种。
“ 0”为台湾,即最大频率为“ 60Hz”,“ 1”为大陆,即最大频率为“ 50Hz”。
一般情况下应将Pr189设置为“ 1”。
2、运转速度参数Pr37 为运转速度参数,在设备运转时将变频器运转调整至最大即“50Hz”,在此运转频率下测量出传送带所运转的速度,记为xx m/s。
关变频器,将Pr37修改为xx即可实现显示传送带运转的速度。
3、测速简易操作在传送带上找出容易测量的两点距离作为传送距离(尽可能的长,最好是传送带进出口两端作为传送距离,因为这两端相比加热箱内可操作区域范围广,障碍小)。
开传动,并将变频器运转调整至最大即“ 50Hz”时,将任意参考物放于传送带初始点上,同时按下秒表计时。
当参考物到达终止点时结束计时,计算出传送带运转速度(多测量几组,取平均值)。
IS5变频IS5变频器控制端子:FX--正向运行\停止RX--反向运行\停止BX--变频器急停RST--故障复位JOG--寸动P1、P2、P3--多功能输入(厂家设定速度L、速度M、速度H)CM--以上的公共端子VR--速度信号的电源供应11V,10MAV1--速度信号0-10VI--速度信号4-20MA5G--VR、V1、I的公共FM--输出频率仪(0-10V脉冲)A--故障输出(常开)B--故障输出(常闭)C--故障输出(公共)AXA、AXB--多功能输出继电器(厂家设定RUN)参数组:驱动组DRV--指令频率,加速\减速时间等基本参数功能1组FU1--最大频率,转矩补偿量等.功能2组FU2--频率跳跃,频率最大、最小限定等.输入、输出组I/O--多功能端子设定,自动运行等顺序运行所需要的参数.外部可选组EXT--当安装了扩展板或子板时显示.选项组COM--当安装了通讯板时显示.应用组APP--三角波等参数设置.键盘:MODE--方式键,DRV,FUN1,FUN2,I\O,(EXT),COM,APPPROG--编程键用以进入程序方式,改变数据.ENT--确认键,用以确认被修改的数据.SHIFT\EST--在程序方式中移动光标,ESC这个键可以把程序从任何代码处移动到DRV00. REV--反向运行键FWD--正向运行键STOP\RESET--停止键,停止驱动.复位键使用作复位故障(故障时此灯闪烁)显示:1参数组2运行停止源K--使用在键盘上的FWD、REV键运行停止.T--使用控制端子输入FX,RX运行停止.O--通过扩展板运行停止.3.频率设定源,显示命令频率设定的源.K--使用键盘进行频率设定V--使用V1(0-10V)或者V1+I端子进行频率设定.I--使用I(4-20MA)端子进行频率设定.U--当选择了上\下运行时,上端子输入D--当选择了上\下运行时,下端子输入S--当选择了上\下运行时,停止状态O--通过扩展板频率设定X--通过子板频率设定J--寸动功能输入1-8--步频率运行4输出电流:在运行期间显示输出电流5参数代码:显示组代码使用↑,↓键去移动0-99代码6运行状态显示运行信息STP--停滞状态FWD--正向运行期间REV--反向运行期间直流B--直流制动期间LOP--从选项来的参数丢失(DPRAM故障)LOR--从选项来的参数丢失(通讯网络故障)LOV--模拟频率参数丢失(V1:0-10V)LOI--模拟频率参数丢失(I:4-20mALOS--从子板来的参数丢失7驱动输出频率在停止时显示指令频率,在运行期间显示输出频率设定数据的步骤:1.按下MODE键直到想得到的参数组显示为止.2.按下↑或↓键移动到想得到的参数代码.3.按下PROG键进入编程方式,然后光标开始闪烁.4.按下SHIFT\EST键移动光标到期望的位置.5.按下↑或↓键去改变数据.6.按下ENT键确认数据.光标这时停止闪烁.参数:注<>内为运行期间是否可调.DRV-00:<是>指令频率或指令转矩DRV-01:<是>加速时间DRV-02:<是>减速时间DRV-03:<否>驱动模式(运行\停止方法) Keypad-键盘控制运行停止. Fx/Rx-1-运行\停止由控制端子FX,RX和5G控制.Fx/Rx-2-运行\停止由控制端子FX,RX和5G控制.DRV-04:频率模式(频率设定方法) Keypad-1 频率设定在DRV-00.通过[PROG]键改变频率同时通过[ENT]键确认.在没有按下[ENT]键之前,变频器不会输出改变的频率.Keypad-2 频率设定在DRV-00,按下[PROG]键盘然后按[↑],[↓]键,变频器立即输出改变的频率.按下[ENT]键保存被改变的频率. V1-输入频率参数(0-10V)至V1端子. I-输入频率参数(0-20ma)至I端子. DRV-05 - DRV-07:步频率1-3.输出频率由设定在I\O-12 - I\O-17中的P1,P2,P3决定.DRV-08:输出电流.显示变频器的输出电流.DRV-09:电机速度.DRV-10:直流连接电压.DRV-11:用户显示选择.这个代码显示了在FU2-73中选择的参数{电压,瓦,转矩}DRV-12:故障显示Over Current 1-过电流1Over Voltage-过电压External-A-外部保护输入ABX-紧急停止Low Voltage-欠压Fuse Open-保险丝开路Ground Fault-接地故障Over Heat-散热片过热E-Thermal-电子热保护Over Load-超负荷保护HW-Diag-变频器硬件故障External-B-外部保护输入BArm Short-过电流2Option-选项错误Phase Open-输出缺相Inv.OLT-变频器过载DRV-13:电机方向设定DRV-14:给定\输出频率显示FU1-00:跳跃到想得到的代码.可以通过键入指定的代码号,跳跃到任何参数.FU1-03:运行禁止.这个功能防止电机向指定的反方向转动.0-可以正反1-正禁止2-反禁止FU1-05:加速方式FU1-06:减速方式0.00--运行中显示频率ACC--加速时间(0.2)DEC--减速时间(0.1)DRV--运行模式(1)PRN--频率模式(0)ST1--多步频率1(20)ST2--多步频率2(25)ST3--多步频率3(30)第四章参数说明4.1 驱动组[DRV]DRV-00: 输出频率/ 输出电流通过LCD 操作面板,这个代码给出了关于电机停止/运行,频率设定方法,输出电流,变频器运行状态和输出或者频率设定的信息。
1. 变频器内有高压部分. 处理时, 请先确认是否已切断电源.2. 变频器滤波电容器内常常储有高压电能. 处理时, 切断电源后等上3分钟左右, 充电指示灯(LED) 熄灭后再行操作.3. STARVERT-iS3系列变频器内部,并没有保留需要用户变更的部分, 请不要随意插拔接插件. 如有故障需要修理, 请托付给专业A/S人员来处理.4. 切不要对变频器进行耐压试验.5. 变频器里的CMOS器件很容易被静电击坏. 为了防止在安装修理时被静电损坏变频器,请将变频器箱体上的接地端子可靠接地. 需要从变频器取下印刷电路板时,请将取下来的印刷电路板,立即放到导体平台上.1. 这本书详细说明了,iS3系列变频器的功能、规格、安装、使用及变频器的日常维护.2. 为了您用好STARVERT-iS3系列变频器,请用心阅读这本说明书.3. 这本说明书,请放在变频器附近妥善保管.STARVERT-iS3 系列变频器标准及技术说明第1章安装及运行1. 安装1.1 查验产品1.2 安装环境1.3 变频器安装1.4 安装尺寸2. 基本接线2.1 电源(Power)端子排2.2 控制端子排2.3 端子功能2.4 基本接线图3. 输入器的使用方法3.1 控制参数组3.2 标准(7段数码显示)输入器4. 运行4.1 试运行4.2 使用输入器运行4.3 使用端子排运行4.4 使用端子排和输入器的运行4.5 多步速度运行4.6 自动运行第2章功能说明1. 控制参数提要1.1 运行组1.2 功能组(Function Group)1.3 输入输出组(I/O Group)1.4 自动运行组(Auto Group)2. 控制参数2.1 运行组2.2 功能组2.3 输入输出组2.4 自动运行组第3章变频器应用、运行举例1. 升/降速(UP-DOWN)运行2. 三线(3-WIRE)运行3. 工频/变频切换运行4. 多步速度运行第4章变频器维护及故障处理1. 变频器维护2. 故障显示及故障处理3 5 5 5 5 5 6 10 1010111213 13 13 1717181819202123 23 23 23 26 28 303031 48 5962 62 626263686869STARVERT-iS3变频器标准技术说明第1章安装及运行1. 安装1.1 查验产品• 在安装变频器前, 应先确认如下事项. 如有问题, 应立即同本公司或购货 代理店取得联系. - 所购产品是否和订货 内容相符 ? - 所购产品在托运中损坏 与否 ?• 本公司的变频器型号, 各符号定义如下, 请仔细辨认是否正确.LG 变频器变频器系列名输入电压等级制动选件1.2安装环境同其它设备一样,STARVERT-iS3 变频器也应安装在良好的工作环境中使用, 以保证良好的使 用效果. 为此,请用户 注意如下事项:• 变频器周围温度应保持在-10~40℃之间. 如安装在配电盘内, 则必须采取必要措施 (使用电风扇等), 以保证工作温度不高于40℃。
3.安装和配线3.1 安装注意事项3.1.1 不要把变频器安装在振动的地方。
3.1.2 环境温度环境温度对变频器的使用寿命有很大影响, 所以安装环境温度保持在 –10 到 40℃范围之内。
3.1.3 变频器安装在非易燃的地方。
3.1.4 避免潮湿和过热的环境。
3.1.5 变频器安装在无油污和无灰尘的地方,安装在封闭的地方,可以避免这些物质的进入。
3.1.6 安装变频器要有足够的空间以利于变频器的散热。
这一章说明了变频器的通用安装和方式,包括电源端子和控制端子的接线及警告,并且对电源和控制端子的每个端子的功能进行了详尽的解释, 5 cm3.1.7 当多个变频器安装在同一个柜子内时要特别注意。
如果多个变频器安装在同一柜子里时应特别注意变频器和风扇的位置, 如果变频器和风扇位置不正确则会影响到环境温度和排风量。
正确的处理可以保持环境温度低于最高温度。
正确不正确3.1.8 用合适的螺钉或螺丝固定变频器。
3.2 配线风扇的马达需提供220V的交流电源。
当电源使用380/440V时应使用降压变压器(380:220V, 440:220V),具体的接线如下所示:3.2.1 SV055iV5-2DB ~ SV220iV5-4DBM C2●这种接线图是基于I/O标准板(无扩展板)。
●模拟量输入端子1, 2 和 3 : -10 ~ 10V, 10 ~ 0V, 4 ~ 20mA, 20 ~ 4mA3.2.2 SV300iV5-2 ~ SV2200iV5-4M C2●这种接线图主要基于标准的I/O板(无扩展板)。
●模拟量输入端子1, 2 和 3 : -10 ~ 10V, 10 ~ 0V, 4 ~ 20mA, 20 ~ 4mA3.3 电源电路端子3.3.1 端子分配(SV055iV5-2DB ~ SV220iV5-4DB)R S T U V W G N B2 B1 P 3.3.2 端子分配(SV300iV5-2 / SV370iV5-2)R S T G U V W G P1 P2 N 3.3.3 端子分配(SV300iV5-4 / SV370iV5-4 / SV450iV5-4 / SV550iV5-4 / SV750iV5-4)R S T G U V W P1 P2 N 3.3.4 端子分配(SV900iV5-4 / SV1100iV5-4 / SV1320iV5-4 / SV1600iV5-4 / SV2200iV5-4)R S T G U V W P1 P2 N3.3.5 电源电路端子的功能描述:3.3.6 电源端子接线必要注意事项○1 R S T 三个端子用于连接3相输入电源,连接后检查是否与变频器的标注一致, U V W 三个端子决不能连接于三相输入电源,这样就会引起变频器的IGBT 击穿。
SA550iS5-4变频器说明书
打开变频器的包装
1.打开包装。
2.检查是否有损坏,如果发现变频器有损坏部分,立即通报发货方。
3.检查货物是否与您的订单相符,发货标签可用于验收您所接收的所有部件。
安装位置的准备
ACS550应被安装在满足在“准备安装”8页所要求的地方。
1.标定安装孔。
2.钻孔。
移去前面板
1.如果有控制盘,需要移去控制盘。
2.拧松在顶部的紧固螺丝。
3.由顶部摘下面板。
安装变频器
1.用螺丝或螺栓将ACS550紧固在安装地点上,四角要确保拧紧。
注意!要夹持ACS550的金属底座来搬动它。
2.非英语国家的安装地:在模块顶部有警告标签的地方再加一个当地语言的警告标签。
当您在接线时,请遵守以下几点:
“连接图”描述了变频器上的接线点位置。
“电源电缆的连接”是对连接功率电缆的详尽指导。
要与通用的安装步骤一起结合使用。
“控制电缆的连接”是对连接控制电缆的详尽指导。
也要与通用的安装步骤一起结合使用。
“可选的制动”和“浮地电网”是对这些特殊应用如何正确使用的详细指导。
“电缆端子”列出了推荐紧固力矩。
在安装地,要遵守EMC推荐。
例如电缆屏蔽层的正确接地。
感谢您选购LG 变频调速器!安全注意事项● 始终遵守安全注意事项可以防止意外事故及潜在危险的发生。
● 在本使用手册中,安全等级分类如下: 危险注意在本说明书中,全篇使用以下两个图标以使你能明白安全注意事项。
在某些确定的条件下可以识别导致人身伤害的危险。
由于危险电压可能已出现,所以应有意识地特别注意。
在某些确定的条件下可以识别潜在的危险。
仔细阅读相关信息并遵守相关指令。
● 为了方便取阅使用说明书,请就近保存。
● 仔细阅读本说明书,使 SV-iS5 系列变频器的性能达到最佳化,并确保安全地使用。
危 险● 当电源已经送电或变频器处于运行状态时,不要打开变频器的外壳。
否则,可能发生电击。
● 变频器前盖被打开时,不要运行变频器。
否则,你可能受到高压端子或裸露在外的充电电容的电击。
● 除了进行定期检查或者接线外,不要打开变频器的外壳, 即使变频器未接输入电源。
否则,你可能由于接近充电回路而受到电击。
● 接线和定期检查应该在拆除输入电源并使用仪器对直流侧电压进行放电(低于DC 30V )至少10分钟以后再操作。
否则,你可能受到电击。
● 用干燥的手启动开关。
否则,你可能受到电击。
● 不要使用绝缘层已经破损的电缆。
否则,你可能受到电击。
● 不要使电缆受到擦伤,挤压,超电压和过负载。
否则,你可能受到电击。
不正确的操作可能导致轻微的人身伤害或物体硬件的损坏。
不正确的操作可能导致严重的人身伤害或死亡。
注意✓变频器要安装在不易燃的表面,附近不要放置可燃性材料。
否则可能发生火灾。
✓如果变频器受到损坏,立刻断开输入电源。
否则可能导致设备的二次损坏和火灾。
✓输入电源存在或断开后,变频器残存的热量还会保持几分钟。
否则,你可能受到身体伤害(例如:皮肤烧伤或伤害)。
✓不要给已经受损的或零件缺少的变频器通电,即使安装已经完成。
否则可能发生电击。
✓不允许麻布,纸屑,木屑,灰尘,金属碎片或其他杂物体进入变频器。
否则可能发生火灾或意外事故。
操作防范●维护与安装按照产品的重量处理。
堆放变频器包装箱数量不要超过规定数目。
按照本手册的指令规范安装。
交货期间不要打开外壳。
不要放置重物在变频器上。
检查变频器的装箱方向是否正确。
不要使变频器受到摔跌或挤压。
对于200V级变频器,使用3类接地方式(接地电阻<100Ω)400V的变频器(接地电阻<10Ω)。
检查或安装时,在触摸印刷电路板前注意保护措施(静电放电)。
在下列环境条件下使用变频器:环境环境温度- 10 ~ 40 ℃ (无冰冻)湿度90% RH 或更低 (无凝露)储存温度- 20 ~ 65 ℃安装场所无腐蚀性气体,可燃性气体,油雾或灰尘海拔, 振动最大海拔高度 1,000m 以下,最大 5.9m/sec2 (0.6G) 或更低大气压力70~106kP●接线▪不要安装电力电容器,浪涌抑制器,或RFI滤波器在变频器的输出侧。
▪连接到电机的输出电缆(U, V, W)的连接方式将会影响到电机的旋转方向。
▪不正确的端子接线可能引起设备的损坏。
▪端子的正负极接反可能会损坏变频器。
▪只有受过专业培训的人才可以对变频器进行接线和检查。
▪先安装变频器再进行接线,否则,你可能受到电击或人身伤害。
●试运行0.0 在运行前检查所有参数,根据负载类型修改参数值。
1.0 始终在本说明书标定的电压范围内使用,否则,可能导致变频器损坏。
●操作防范当选择自动重启动功能时,由于电机会在故障停止后突然再启动,所以应远离设备。
操作面板上的“STOP”键仅在相应功能设置已经被设定时才有效,特殊情况应准备紧急停止开关。
如果故障复位是使用外部端子进行设定,将会发生突然启动。
请预先检查外部端子信号是否处于关断位,否则可能发生意外事故。
不要修改或变动变频器内部任何东西。
变频器的电子热保护功能可能无法保护电机。
在变频器的输入侧不要使用电磁式交流接触器作为变频器频繁启停的开关。
使用噪声滤波器来降低变频器产生的电磁干扰的影响,否则,附近的电子设备可能会受到干扰。
如果输入电压不平衡,需要安装交流电抗器。
来自变频器的潜在高次谐波可能会引起电力电容器和发生器变热与损坏。
参数初始化后,在运行前需要再次设定参数。
当参数被初始化后,参数值又重新回到出厂设置。
变频器可以容易地设定为高速运行,在运行前先检查一下电机或机械设备的容量。
使用直流制动功能时,不会产生停止力矩。
当需要停止力矩时,安装单独设备。
当驱动400V变频器和电机时,用绝缘整流器和采取措施抑制浪涌电压。
由于在电机接线端子配线常数问题引起的浪涌电压,有可能毁坏绝缘和损坏电机。
●事故防范准备一个安全装置,例如紧急制动装置,若变频器有问题时用来预防使用在较危险环境下的机械与设备。
●维护,检查与零件更换不要用高阻表对变频器的控制回路进行测试(绝缘电阻测量)。
定期检查(请参阅第8章),(零件更换)。
●废旧处理▪报废后作为工业废品处理。
●一般性注意事项●本安装手册中大多数图表在表示时,变频器没有安装断路器,外壳或部分开路。
变频器决不会像这样运行。
当运行变频器时,总是安装外壳与断路器的,并遵守安装手册中的规定。
精选内容用户选择指南 (iS5 规范) (7)第一章安装 (10)1.1检查 (10)1.2环境条件 (10)1.3安装 (10)1.4其它注意事项 (11)1.5尺寸 (12)1.6基本配线 (17)1.7电源端子 (18)1.7.1类型 A 构造 (19)1.7.2类型B 构造 (19)1.7.3类型C 构造 (20)1.7.4电源端子配线 (21)1.8控制端子 (23)1.8.1控制端子配线 (24)1.8.2键盘和 RS485电路连接配线 (25)第二章运行 (27)2.1 参数组 (27)2.2 LCD键盘 (28)2.2.1 LCD键盘显示 (29)2.2.2 设定数据的步骤 (LCD 键盘) (30)2.2.3 参数导航 (LCD 键盘) (31)2.3 7-段键盘 (32)2.3.1 7段键盘显示 (33)2.3.2 设定数据的步骤 (7-段键盘) (34)2.3.3 参数导航 (7-段键盘) (35)2.4 运行方法 (36)2.5 操作范例 (37)2.5.1通过键盘和接线端子进行操作 (37)2.5.2通过接线端子进行操作 (39)2.5.3通过键盘进行操作 (41)第三章多种功能设置和描述 (42)3.1功能设置 (42)3.3.1基本功能参数设置 (42)3.3.2 高级功能设置 (45)3.3.3 应用功能设置 (48)3.2 操作示例 (50)第四章快速启动 (55)4.1使用键盘运行 (56)4.2 使用控制端子运行 (57)4.3 使用键盘和控制端子运行 (58)4.3.1由外源设定频率和键盘控制运行/停止 (58)4.3.2由键盘设定频率和外部端子控制运行/停止 (59)第五章参数清单 (60)5.1 驱动组 [DRV] (60)5.2.功能 1 组 [FU1] (61)5.3.功能2 组 [FU2] (63)5.4.输入/输出组 [I/O] (67)5.5.外部组[EXT] (72)5.6.通讯组[COM] (72)5.7.应用组[APP] (72)第六章参数描述 (81)6.1 驱动组[DRV] (81)6.2 功能1 组 [FU1] (88)6.3.功能 2 组 [FU2] (100)6.4.输入/输出组 [I/O] (119)6.5.外部组 [EXT] (137)6.6.应用组 [APP] (137)第七章选项 (155)7.1.子板A (157)7.1.1.板构造 (157)7.1.2.端子结构 (158)7.1.3.端子描述 (158)7.1.4.子板A 的参数 (158)7.2.子板B (159)7.2.1.板结构 (159)7.2.2.端子构造 (160)7.2.3.端子描述 (160)7.2.4.子板B 参数 (160)7.3.子板C (163)7.3.1.板构造 (163)7. 3. 2 端子构造 (164)7. 3. 3 端子描述 (164)7.3.4.子板C的参数 (164)7.4.子板D (165)7.4.1.板构造 (165)7.4.2.子板D 的参数 (166)7.4.3.端子结构 (167)7.4.4.端子描述 (167)精选7.5.通讯选项板 (168)7.5.1.F-NET (168)7.5.2.DEVICE-NET (168)7.5.3.RS485&MODBUS-RTU通讯 (169)7.5.4.12Bit二进制输入 (169)7.5.5.安装选项板 (169)7.6.面板 (170)7.6.1.LCD 面板 (170)7.6.2.7-LED面板 (170)7.6.3. RS485通讯 (171)7.6.4. 连接电缆 (171)7.7.DB电阻 (172)7.7.制动单元 (179)第八章故障排除与维护 (185)8.1.故障显示 (185)8.2.故障消除 (187)8.3.故障排除 (189)8.4.如何检查电源部件 (190)8.5.维护 (191)8.5.1.注意事项 (191)8.5.2.常规检查 (191)8.5.3.常规检查 (191)8.5.4.内部保险丝更换 (191)8.6.日常和定期检查项目 (192)附录A –使用功能 (193)附录B –目的参数 (194)附录C - 外围设备 (196)用户选择指南 (iS5 规范)1表明了当使用4极LG标准电机时的最大可用容量。
2额定容量 (√3*V*I)对于200V类型来说是根据 220V, 400V类型是440V。
3最大输出电压不能大于输入电压。
可以设定输出电压小于输入电压。
41-5 HP 变频器具有内部制动电阻。
7.5-10 HP 变频器需要扩展制动电阻。
7精选第一章安装1.1 检查☐ 检查变频器在运输过程中有可能出现的各种损伤。
☐ 检查iS5 变频器的名签,确认是否为正确可以使用的变频器。
LG 变频器的命名系统如下:LG 变频器 适用的电机容量 变频器的系列号 输入电压 008 : 1 HP 075 : 10 HP iG5 : 1 - 5 HP 认证 015 : 2 HP 110 : 15 HP iG : 1 - 5 HP (UL508) 022 : 3 HP 150 : 20 HP iS5 : 1 - 30 HP037 : 5 HP 185 : 25 HP iS3 : 1 - 30 HP 无键盘 055 : 7.5 HP 220 : 30 HP iH : 40 - 290 HP1.2 环境条件☐ 确认安装地点的环境条件。
环境温度不能低于14ºF (-10ºC) 并且不能超过 104ºF (40ºC). 相对湿度不能超过90% (无结露)。