给水排水管道工程施工及验收规范 表格
- 格式:docx
- 大小:69.73 KB
- 文档页数:14
给水排水管道工程施工及验收规范(G B50268-2008)分项工程检验批质量验收记录表沟槽(基坑)土方开挖直线顶管管道施工沟槽(基坑)支护曲线顶管管道施工沟槽(基坑)回填)垂直顶升管道施工管道基础盾构管片制作1钢管接口连接盾构管片制作2金属类管道铺设盾构管片制作3钢管(水泥砂浆)内防护层盾构掘进和管片安装1钢管(环氧涂料)内防护层盾构掘进和管片安装2钢管外防护层盾构施工钢筋混凝土二次衬砌钢管阴极保护浅埋暗挖管道的土层开挖球墨铸铁管接口连接浅埋暗挖管道的初期衬砌1钢筋混凝土类接口连接浅埋暗挖管道的初期衬砌2钢筋混凝土类管道铺设浅埋暗挖管道的防水层化学建材管接口连接浅埋暗挖的二次衬砌柔性管道铺设定向钻施工管道管渠基础地基夯管施工管道管渠模板沉管基槽浚挖及管基处理管渠钢筋制作组对拼装管道沉放管渠现浇混凝土预制钢筋混凝土管节制作管渠变形缝钢筋混凝土管节接口预制加工管渠构件预制预制钢筋混凝土管的沉放管渠预制构件安装沉管的稳管及回填管渠砖石砌筑桥管管道安装1工作井围护结构桥管管道安装2工作井(沉井)模板现浇混凝土井室工作井(沉井)钢筋加工砖砌井室工作井(沉井)钢筋安装预制拼装井室工作井沉井制作雨水口及支、连管安装(雨水吸支、连管安装)工作井下沉及封底管道支墩安装工作井井内结构沟槽(基坑)土方开挖检验批质量检验记录表 A.0.1 编号:010001□□注:1、本表由施工项目专业质量检查员填写,监理工程师(建设单位项目技术负责人)组织项目专业质量检查员等进行验收,并应按上表进行记录。
沟槽(基坑)支护检验批质量检验记录表 A.0.1 编号:010002□□注:1、本表由施工项目专业质量检查员填写,监理工程师(建设单位项目技术负责人)组织项目专业质量检查员等进行验收,并应按上表进行记录。
沟槽(基坑)回填检验批质量检验记录表 A.0.1 编号:010003□□注:1、本表由施工项目专业质量检查员填写,监理工程师(建设单位项目技术负责人)组织项目专业质量检查员等进行验收,并应按上表进行记录。
室内给水管道及配件安装工程检验批质量验收记录表
GB 50242—2002
室内消火栓系统安装工程检验批质量验收记录表
GB 50242—2002
给水设备安装工程检验批质量验收记录表
GB 50242—2002
GB 50242—2002
雨水管道及配件安装工程检验批质量验收记录表
GB 50242—2002
GB 50242—2002
GB 50242-2002
GB 50242-2002
室内采暖管道及配件安装工程检验批质量验收记录表
GB 50242—2002
室内采暖辅助设备及散热器及金属辐射板安装工程检验批质量验收
记录表
低温热水地板辐射采暖安装工程检验批质量验收记录表
GB 50242—2002
GB 50242—2002
GB 50242—2002
GB 50242—2002
0506
GB 50242—2002
室外排水管沟及井池工程检验批质量验收记录表
GB 50242-2002
室外供热管道及配件安装工程检验批质量验收记录表
建筑中水系统及游泳池水系统安装工程检验批质量验收记录表
锅炉安装工程检验批质量验收记录表
GB 50242-2002
GB 50242-2002
工艺管道安装工程检验批质量验收记录表
GB50242-2002
(Ⅱ)
锅炉安全附件安装工程检验批质量验收记录表
GB 50242-2002
换热站安装工程检验批质量验收记录表
GB 50242—2002
0510。
给水排水管道工程施工及验收规范(GB50268-2008)分项工程检验批质量验收记录表沟槽(基坑)土方开挖直线顶管管道施工沟槽(基坑)支护曲线顶管管道施工沟槽(基坑)回填)垂直顶升管道施工管道基础盾构管片制作1钢管接口连接盾构管片制作2金属类管道铺设盾构管片制作3钢管(水泥砂浆)内防护层盾构掘进和管片安装1钢管(环氧涂料)内防护层盾构掘进和管片安装2钢管外防护层盾构施工钢筋混凝土二次衬砌钢管阴极保护浅埋暗挖管道的土层开挖球墨铸铁管接口连接浅埋暗挖管道的初期衬砌1钢筋混凝土类接口连接浅埋暗挖管道的初期衬砌2钢筋混凝土类管道铺设浅埋暗挖管道的防水层化学建材管接口连接浅埋暗挖的二次衬砌柔性管道铺设定向钻施工管道管渠基础地基夯管施工管道管渠模板沉管基槽浚挖及管基处理管渠钢筋制作组对拼装管道沉放管渠现浇混凝土预制钢筋混凝土管节制作管渠变形缝钢筋混凝土管节接口预制加工管渠构件预制预制钢筋混凝土管的沉放管渠预制构件安装沉管的稳管及回填管渠砖石砌筑桥管管道安装1工作井围护结构桥管管道安装2工作井(沉井)模板现浇混凝土井室工作井(沉井)钢筋加工砖砌井室工作井(沉井)钢筋安装预制拼装井室工作井沉井制作雨水口及支、连管安装(雨水吸支、连管安装)工作井下沉及封底管道支墩安装工作井井内结构沟槽(基坑)土方开挖检验批质量检验记录开槽施工检验批质量检验记录编号:020101□□/020201□□/020301□□/020401□□表A.0.1 编号:020202□□020302□□砖砌井室检验批质量检验记录注:1、本表由施工项目专业质量检查员填写,监理工程师(建设单位项目技术负责人)组织项目专业质量检查员等进行验收,并应按上表进行记录。
钢管接口连接检验批质量检验记录表A.0.1 编号:020102□□021301□□金属类管道铺设检验批质量检验记录表A.0.1 编号:020103□□020303□□注:1、本表由施工项目专业质量检查员填写,监理工程师(建设单位项目技术负责人)组织项目专业质量检查员等进行验收,并应按上表进行记录。
给水排水管道工程施工及验收规范范本(doc 46页)给水排水管道工程施工及验收规范(GB50268-2008)浙江省统一配套用表1、给水、排水管道工程施工及验收规范统一用表编制依据(1)《给水排水管道工程施工及验收规范》GB50268-2008(2)《给水排水构筑物工程施工及验收规范》GB50141-2008(3)城镇道路工程施工与质量验收规范实施手册(4)《地下防水工程质量验收规范》GB50208-2002(5)混凝土结构工程施工质量验收规范GB50204-2002(6)《建筑地基基础工程施工质量验收规范》GB50202-2002(7)《城市桥梁工程施工与质量验收规范》GJJ2-20082给水、排水管道工程施工质量检验控制用表2.1分项、分部、单位工程质量验收表式2.1.1单位(子单位)工程质量竣工验收记录2.1.2分部(子分部)工程检验记录2.1.3分项工程质量验收记录注:本表由施工单位制表人填写,监理工程师(建设单位项目负责人)组织施工单位项目技术负责人及质量检查员等进行验收,并应按上表进行记录。
(此处增加了“质量检查员”,以突出质量检查员的质量责任。
)(关键分项工程要求设计单位参加时,增加设计单位参加人员签字。
)2.1.5检验批质量检验记录表B.0.1编号:000000□□注:本表由施工项目专业质量检查员(制表人)填写,监理工程师(建设单位项目技术负责人)组织项目专业质量检查员等进行验收,并应按上表进行记录。
编号前两位00为分部编号,中间两位00为子分部编号,后两位00为分项工程编号,□□为检验批编号,凡是没有子分部的分部工程其中间编号全为“00”以满足编码框架需要。
2.2单位(子单位)分部(子分部)分项工程、检验批编码表给水排水管道工程单位、分部、分项、检验批划分编码框架单位(子单位)工程名称:开(挖)槽施工管道工程大型顶管工程大型桥管工程盾构管道工程浅埋暗挖管道工程大型沉管工程(可分为一种或几种组合为一个单位工程)3 分项工程检验批质量验收记录表目录沟槽(基坑)土方开挖 (286)沟槽(基坑)支护 (287)沟槽(基坑)回填 (288)管道基础 (289)钢管接口连接 (290)金属类管道铺设 (291)钢管(水泥砂浆)内防护层 (292)钢管(环氧涂料)内防护层 (293)钢管外保护层 (294)钢管阴极保护 (295)球墨铸铁管接口连接 (296)钢筋混凝土管类接口连接 (297)钢筋混凝土类管道铺设 (298)化学建材管接口连接 (299)柔性管道铺设 (300)管渠基础地基 (301)管渠模板 (302)管渠钢筋制作 (303)管渠钢筋安装 (304)管渠现浇混凝土 (305)管渠变形缝 (306)管渠构件预制 (307)管渠预制构件安装 (308)管渠砖石砌筑 (309)沉井围护结构 (310)沉井模板 (311)沉井钢筋加工 (312)沉井钢筋安装 (313)沉井混凝土制作 (314)沉井下沉及封底 (315)沉井井内结构 (316)直线顶管管道施工 (317)曲线顶管管道施工 (318)垂直顶升管道施工 (319)盾构管片制作 1 (320)盾构管片制作 2 (321)盾构管片制作 3 (322)盾构掘进和管片拼装 1 (323)盾构掘进和管片拼装 2 (324)盾构施工钢筋混凝土二次衬砌 (325)浅埋暗挖管道的土层开挖 (326)浅埋暗挖管道的初期衬砌 1 (327)浅埋暗挖管道的初期衬砌 2 (328)浅埋暗挖管道的防水层 (329)浅埋暗挖管道的二次衬砌 (330)定向钻施工管道 (331)夯管施工管道 (332)沉管基槽浚挖用管基处理 (333)组对拼装管道沉放 (334)预制钢筋混凝土管节制作 (335)钢筋混凝土管节接口预制加工 (336)预制钢筋混凝土管得沉放 (337)沉管的稳管及回填 (338)桥管管道安装 1 (339)桥管管道安装 2 (340)现浇混凝土井室 (341)砖砌井室 (342)预制拼装井室 (343)雨水口及支连管安装 (344)检查井盖安装 (345)管道支墩安装 (346)给水排水管工程施工与质量验收规范(GB50268-2008)浙江省统一配套用表3.1土方开挖3.1.1沟槽(基坑)土方开挖检验批质量验收记录表B.0.1 编号:010001□□注:本表由施工项目专业质量检查员填写,监理工程师(建设单位项目技术负责人)组织项目专业质量检查员等进行验收,并应按上表进行记录。
建筑给排水工程全套检验批检查验收表格
1. 引言
本文档旨在提供给排水工程检验批检查验收表格,为建筑施工过程中的管理和监督提供一定的规范性和标准化。
2. 检测内容
* 给排水管道的安装和连接
* 水泵、风机、水箱等设备的安装
* 给排水管道压力测试
* 排水系统的检测
3. 检查记录表格
4. 结论
通过对给排水工程进行全面检查,检查记录表格显示,所有检查项均符合要求,整个工程验收合格。
5. 建议
建议在建筑施工过程中,按照标准化要求开展施工,确保施工质量,减少安全事故的发生。
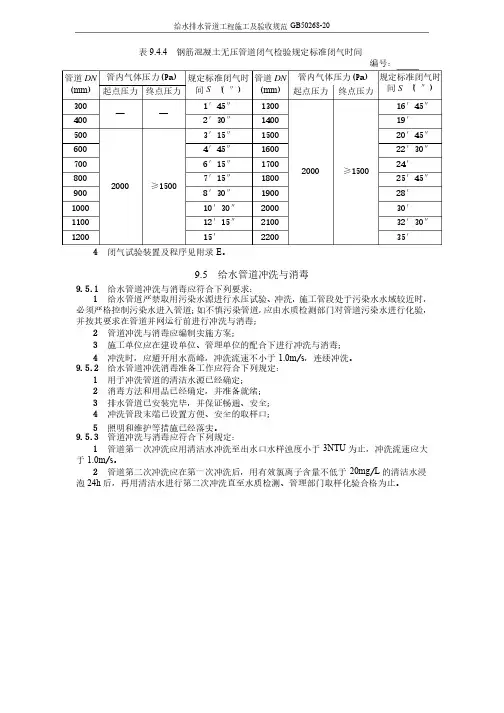
给水排水管道工程施工及验收规范GB50268-20表9.4.4 钢筋混凝土无压管道闭气检验规定标准闭气时间钢筋混凝土无压管道闭气检验规定标准闭气时间编号:编号:管道DN (mm ) 管内气体压力管内气体压力(Pa)(Pa) 规定标准闭气时间S (′″′″′″) ) 管道DN (mm ) 管内气体压力管内气体压力(Pa) (Pa) 规定标准闭气时间S (′″′″′″) ) 起点压力起点压力 终点压力终点压力 起点压力起点压力 终点压力终点压力 300 ——1′4545″″ 1300 2000≥15001616′′4545″″ 400 2′3030″″ 1400 1919′′ 500 2000≥15003′1515″″ 1500 2020′′4545″″ 600 4′4545″″ 1600 2222′′3030″″ 700 6′1515″″ 1700 2424′′ 800 7′1515″″ 1800 2525′′4545″″ 900 8′3030″″ 1900 2828′′ 1000 1010′′3030″″ 2000 3030′′ 1100 1212′′1515″″ 2100 3232′′3030″″ 12001515′′22003535′′4 闭气试验装置及程序见附录E 。
9.5 给水管道冲洗与消毒给水管道冲洗与消毒9.5.1 给水管道冲洗与消毒应符合下列要求:给水管道冲洗与消毒应符合下列要求:1 给水管道严禁取用污染水源进行水压试验、冲洗,施工管段处于污染水水域较近时,必须严格控制污染水进入管道;如不慎污染管道,应由水质检测部门对管道污染水进行化验,并按其要求在管道并网运行前进行冲洗与消毒;并按其要求在管道并网运行前进行冲洗与消毒;2 管道冲洗与消毒应编制实施方案;管道冲洗与消毒应编制实施方案;3 施工单位应在建设单位、管理单位的配合下进行冲洗与消毒;施工单位应在建设单位、管理单位的配合下进行冲洗与消毒;4 冲洗时,应避开用水高峰,冲洗流速不小于1.0m /s ,连续冲洗。
供水工程施工质量验收表验收单位:__________验收人员:__________工程名称:__________工程地址:__________施工单位:__________施工质量验收内容:一、建筑结构验收1.1 基础验收1.1.1 地基承载力符合设计要求,无裂缝、沉陷等现象;1.1.2 基础填土均匀,无空鼓、沉陷等现象;1.1.3 基础水平、垂直度符合要求。
1.2 地面验收1.2.1 地面平整度符合要求;1.2.2 地面防滑处理符合要求;1.2.3 地面排水系统正常运行。
1.3 建筑物验收1.3.1 结构偏差符合设计要求;1.3.2 墙体、柱面光滑平整,无裂缝、空鼓等现象;1.3.3 屋面防水层安装完好,无渗漏现象。
二、给水系统验收2.1 给水管道验收2.1.1 管道安装符合设计要求,无变形、松动等现象;2.1.2 管道连接处密封性好,无漏水现象;2.1.3 管道材质符合要求,无损坏、腐蚀等现象。
2.2 阀门、水表验收2.2.1 阀门操作正常,无卡滞、漏水等现象;2.2.2 水表读数准确,无损坏、误差等现象。
2.3 消防设施验收2.3.1 消火栓设施完好,操作灵活,无漏水现象;2.3.2 消防水池、消防泵房设施齐全,正常运行。
三、排水系统验收3.1 排水管道验收3.1.1 排水管道安装符合设计要求,无变形、松动等现象;3.1.2 排水管道连接处密封性好,无漏水现象;3.1.3 排水管道材质符合要求,无损坏、腐蚀等现象。
3.2 排水设备验收3.2.1 排水泵房设备正常运行,无异常声响、漏水等现象;3.2.2 排水井、检查井设施齐全,无阻塞、渗漏等现象。
四、验收结论工程施工质量经过综合评定,达到设计要求,符合相关标准和规范要求。
验收人员意见:__________验收日期:__________备注:__________以上仅为供水工程施工质量验收表的部分内容,具体验收内容还需根据具体工程情况进行调整和完善。
给水排水管道工程施工及验收规范(GB50268-2008) 浙江省统一配套用表目录1、给水、排水管道工程施工及验收规范统一配套用表编制依据 (275)2、给水、排水管道工程施工质量检验控制用表 (276)3、分项工程检验批质量验收记录表 (284)4、检查、核查及管道现场试验用表 (347)1、给水、排水管道工程施工及验收规范统一用表编制依据(1)《给水排水管道工程施工及验收规范》GB50268-2008(2)《给水排水构筑物工程施工及验收规范》GB50141-2008(3)城镇道路工程施工与质量验收规范实施手册(4)《地下防水工程质量验收规范》GB50208-2002(5) 混凝土结构工程施工质量验收规范GB50204-2002(6)《建筑地基基础工程施工质量验收规范》GB50202-2002(7)《城市桥梁工程施工与质量验收规范》GJJ2-2008《城镇道路工程施工与质量验收规范》CJJ1-2008《地下防水工程质量验收规范》GB 50208-2002《公路路基设计规范》JTG D30-2004《公路路基施工技术规范》JTG F10-2006《公路路面基层施工技术规范》JTJ 034-2000《公路沥青路面设计规范》JTG D50-2006《公路沥青路面施工技术规范》JTG F40-2004《公路水泥混凝土路面设计规范》JTG D40-2002《公路混凝土路面施工技术规范》JTG F30-2003《公路路基路面现场测试规程》JTG E60-2008《建筑地基处理技术规范》JGJ 79-2002《混凝土路缘石》JC899-20022给水、排水管道工程施工质量检验控制用表2.1分项、分部、单位工程质量验收表式2.1.1单位(子单位)工程质量竣工验收记录表B.0.4 编号:工程名称施工单位管道类型工程造价项目经理项目技术负责人制表人开工日期年月日竣工日期年月日序号项目验收记录验收结论(监理或建设单位填写)1 分部工程共分部,经查分部,符合标准及设计要求分部。
给水排水管道工程施工及验收全部检验批表格沟槽(基坑)土方开挖检验批质量检验记录表A.0.1编号:010001□□沟槽(基坑)支护检验批质量检验记录表 A.0.1 编号:010002□□沟槽(基坑)回填检验批质量检验记录表 A.0.1 编号:010003□□开槽施工检验批质量检验记录表 A.0.1 编号:020101□□/020201□□/020301□□/020401□□钢筋混凝土管接口连接检验批质量检验记录表 A.0.1 编号:020202□□020302□□钢筋混凝土类管道铺设检验批质量检验记录表 A.0.1 编号:020203□□020303□□砖砌井室检验批质量检验记录表 A.0.1 编号:030002□□钢管接口连接检验批质量检验记录表 A.0.1编号:020102□□021301□□金属类管道铺设检验批质量检验记录表 A.0.1 编号:020103□□020303□□钢管内防护层(水泥砂浆)检验批质量检验记录表 A.0.1 编号:020104□□021203□□021303□□钢管内防护层(环氧涂料)检验批质量检验记录表 A.0.1 编号:020104□□021203□□021303□□钢管外防护层检验批质量检验记录表 A.0.1 编号:020104□□021203□□021303□□钢管阴极保护检验批质量检验记录表 A.0.1 编号:020107□□020904□□021206□□021306□□球墨铸铁管接口连接检验批质量检验记录表 A.0.1 编号:020108□□化学建材管接口连接检验批质量检验记录表 A.0.1 编号:020402□□021201□□注:1、本表由施工项目专业质量检查员填写,监理工程师(建设单位项目技术负责人)组织项目专业质量检查员等进行验收,并应按上表进行记录。
柔性管道铺设检验批质量检验记录表 A.0.1 编号:020403□□灌渠基础检验批质量检验记录表 A.0.1 编号:020501□□020601□□020701□□灌渠模板检验批质量检验记录表 A.0.1 编号:020502□□注:1、本表由施工项目专业质量检查员填写,监理工程师(建设单位项目技术负责人)组织项目专业质量检查员等进行验收,并应按上表进行记录。
给水排水管道工程施工及验收规范(GB50268-2008)分项工程检验批质量验收记录表沟槽(基坑)土方开挖直线顶管管道施工沟槽(基坑)支护曲线顶管管道施工沟槽(基坑)回填)垂直顶升管道施工管道基础盾构管片制作1钢管接口连接盾构管片制作2欢迎共阅欢迎共阅沟槽(基坑)土方开挖检验批质量检验记录欢迎共阅欢迎共阅开槽施工检验批质量检验记录表A.0.1编号:020101□□/020201□□/020301□□/020401□□欢迎共阅钢筋混凝土管接口连接检验批质量检验记录欢迎共阅钢筋混凝土类管道铺设检验批质量检验记录表A.0.1编号:020203□□020303□□欢迎共阅砖砌井室检验批质量检验记录表A.0.1编号:030002□□欢迎共阅钢管接口连接检验批质量检验记录表A.0.1编号:020102□□021301□□欢迎共阅金属类管道铺设检验批质量检验记录表A.0.1编号:020103□□020303□□欢迎共阅钢管内防护层(水泥砂浆)检验批质量检验记录表A.0.1编号:020104□□021203□□021303□□欢迎共阅钢管内防护层(环氧涂料)检验批质量检验记录欢迎共阅表A.0.1编号:020104□□021203□□021303□□钢管外防护层检验批质量检验记录表A.0.1编号:020104□□021203□□021303□□欢迎共阅钢管阴极保护检验批质量检验记录欢迎共阅表A.0.1编号:020107□□020904□□021206□□021306□□球墨铸铁管接口连接检验批质量检验记录欢迎共阅表A.0.1编号:020108□□化学建材管接口连接检验批质量检验记录欢迎共阅表A.0.1编号:020402□□021201□□注:1、本表由施工项目专业质量检查员填写,监理工程师(建设单位项目技术负责人)组织项目专业质量检查员等进行验收,并应按上表进行记录。
柔性管道铺设检验批质量检验记录欢迎共阅表A.0.1编号:020403□□欢迎共阅灌渠基础检验批质量检验记录表A.0.1编号:020501□□020601□□020701□□欢迎共阅欢迎共阅欢迎共阅欢迎共阅欢迎共阅欢迎共阅欢迎共阅表A.0.1编号:020702□□欢迎共阅注:1、本表由施工项目专业质量检查员填写,监理工程师(建设单位项目技术负责人)组织项目专业质量检查员等进行验收,并应按上表进行记录。
分项工程(验收批)质量验收记录表
沟槽开挖检验批质量验收记录表《给水排水管道工程施工及验收规范》(GB50268)-2008
沟槽支护检验批批质量验收记录表《给水排水管道工程施工及验收规范》(GB50268-2008)
沟槽回填检验批批质量验收记录表《给水排水管道工程施工及验收规范》(GB50268-2008)
管道基础检验批批质量验收记录表《给水排水管道工程施工及验收规范》(GB50268-2008)
钢筋砼管道接口连接检验批批质量验收记录表《给水排水管道工程施工及验收规范》(GB50268)-2008
化学管道接口连接检验批批质量验收记录表《给水排水管道工程施工及验收规范》(GB50268)-2008
管道铺设检验批批质量验收记录表
《给水排水管道工程施工及验收规范》(GB50268)-2008
工作井检验批批质量验收记录表
《给水排水管道工程施工及验收规范》(GB50268)-2008
顶管管道检验批批质量验收记录表
《给水排水管道工程施工及验收规范》(GB50268)-2008
定向钻管道检验批批质量验收记录表《给水排水管道工程施工及验收规范》(GB50268-2008)
井室检验批批质量验收记录表《给水排水管道工程施工及验收规范》(GB50268-2008)
雨水口及支、连管检验批批质量验收记录表《给水排水管道工程施工及验收规范》(GB50268-2008)。
给水排水管道工程施工及验收规范(GB50268-2008)浙江省统一配套用表目录1、给水、排水管道工程施工及验收规范统一配套用表编制依据 (275)2、给水、排水管道工程施工质量检验控制用表 (276)3、分项工程检验批质量验收记录表 (284)4、检查、核查及管道现场试验用表 (347)1、给水、排水管道工程施工及验收规范统一用表编制依据(1)《给水排水管道工程施工及验收规范》GB50268-2008(2)《给水排水构筑物工程施工及验收规范》GB50141-2008(3)城镇道路工程施工与质量验收规范实施手册(4)《地下防水工程质量验收规范》GB50208-2002(5)混凝土结构工程施工质量验收规范GB50204-2002(6)《建筑地基基础工程施工质量验收规范》GB50202-2002(7)《城市桥梁工程施工与质量验收规范》GJJ2-20082给水、排水管道工程施工质量检验控制用表2.1分项、分部、单位工程质量验收表式2.1.1单位(子单位)工程质量竣工验收记录表B.0.4 编号:工程名称施工单位管道类型工程造价项目经理项目技术负责人制表人开工日期年月日竣工日期年月日序号项目验收记录验收结论(监理或建设单位填写)1 分部工程共分部,经查分部,符合标准及设计要求分部。
2 质量控制资料核查共项,经审查符合要求项,经核定符合规范要求项。
3 安全和主要使用功能核查和抽查结果共核查项,符合要求项,共抽查项,符合要求项,经返工处理符合要求项。
4 观感质量验收共抽查项,符合要求项,不符合要求项。
5 综合验收结论参加验收单位建设单位监理单位施工单位设计单位勘查单位(单位公章)项目负责人:(签字)年月日(单位公章)总监理工程师:(签字)年月日(单位公章)项目经理:(签字)年月日(单位公章)项目负责人:(签字)年月日(单位公章)项目负责人:(签字)年月日2.1.2分部(子分部)工程检验记录B.0.3表编号:工程名称分部工程名称施工单位项目经理项目技术负责人分包单位分包单位负责人分包项目经理施工员质量员日期年月日序号分项工程名称检验批数质量情况123456789101112质量控制资料安全和功能检验(检测)报告观感质量验收分部(子分部)工程验收结果参加验收单位施工单位项目经理:(签字)年月日监理(建设)单位总监理工程师(或建设单位项目专业技术负责人):(签字)年月日设计单位项目负责人:(签字)年月日勘察单位项目负责人:(签字)年月日2.1.3分项工程质量验收记录B.0.2表编号:工程名称施工单位单位工程名称分部工程名称分项工程分包单位分包项目经理施工班组长项目经理项目技术负责人制表人序号检验批部位、区段施工单位自检情况监理(建设)单位验收情况123456789101112施工单位检查结论项目质量检查员(签字):项目技术负责人(签字):年月日验收结论监理工程师(签字):(建设单位项目专业技术负责人):年月日注:本表由施工单位制表人填写,监理工程师(建设单位项目负责人)组织施工单位项目技术负责人及质量检查员等进行验收,并应按上表进行记录。
《给水排水工程施工及验收规范》
(CJJ82-2012)表格
给水排水工程施工及验收规范 (CJJ82-2012) 表格
本文档旨在为给水排水工程施工和验收提供规范和指导。
根据《给水排水工程施工及验收规范》(CJJ82-2012)的要求,以下是一些相关的表格。
1. 水源及供水工程信息
2. 给水设备信息
2.1 水泵信息
2.2 水箱信息
3. 排水设备信息3.1 排水管道信息
3.2 排水泵信息
4. 工程验收信息
以上是《给水排水工程施工及验收规范》(CJJ82-2012)表格中的一些示例。
根据具体项目的需要,可根据该规范中的要求进行进一步补充和调整。
给水排水管道工程施工及验收规范沟槽开挖的允许偏差
刚性管道沟槽回填土压实度
柔性管道沟槽回填土压实度
管道基础的允许偏差
水泥砂浆防腐层厚度及表面缺陷的允许偏差
液体环氧涂料内防腐层厚度及电火花试验规定
2 凡漏点检测不合格的防腐层都应补涂,直至合格。
外绝缘防腐层厚度、电火花检漏、粘结力验收标准
管道铺设的允许偏差(mm)
工作井施工的允许偏差
顶管施工贯通后管道的允许偏差
i
曲线顶管的设计曲率半径(mm)。
水平管道内垂直顶升施工的允许偏差
管片的钢模制作的允许偏差
单块管片尺寸的允许偏差
管片水平组合拼装检验的允许偏差
12
钢筋混凝土管片的钢筋骨架制作的允许偏差
在盾尾内管片拼装成环的允许偏差
管道贯通后的允许偏差
钢筋混凝土衬砌施工质量的允许偏差
土层开挖的允许偏差
钢格栅、钢架的加工与安装的允许偏差
钢筋网加工、铺设的允许偏差
初期衬砌喷射混凝土质量的允许偏差
1/2;厚度总平均值不小于设计厚度;
2 每20m管道检查一个断面,每断面以拱部中线开始,每间隔2~3m设一个点,但每一检查断面的拱部不应少于
3个点,总计不应少于5个点。
防水层铺设质量的允许偏差
二次衬砌模板安装质量的允许偏差
二次衬砌混凝土施工的允许偏差
i
夯管贯通后的管道的允许偏差
i
2 D i≤700mm时,检查项目1和2可直接测量管道两端,检查项目3可检查施工记录。
沉管基槽浚挖及管基处理的允许偏差
沉管下沉铺设的允许偏差
钢筋混凝土管节预制的允许偏差
端部钢壳端面加工成型的允许偏差
橡胶圈外观质量要求
钢筋混凝土管沉放的允许偏差
钢管预拼装尺寸的允许偏差
桥管管道安装的允许偏差
井室的允许偏差
雨水口、支管的允许偏差
管道支墩的允许偏差。