电气元器件进货检验规程(卡片)
- 格式:doc
- 大小:141.00 KB
- 文档页数:7
电子元器件进厂检验规程
一、目的
确保关键元器件和材料满足本公司的需要和认证所规定的
要求。
二、范围
本规程适用于关键元器件和材料日常进货检验和定期确认
检验。
三、职责
1、技术部制定关键元器件和材料的采购要求和检验标准。
2、质检部负责关键元器件和材料的日常进货检验和定期确认
检验。
四、程序
1、关键元器件和材料的进货检验。
2、对购进的元器件和材料,仓库管理员核对送货单、确认名称、
规格、数量等无误、包装无损后置于待检区,并且填写送检
单通知检验员检验。
3、检验员根据《进货检验规范》进行验证或验收,并填写相应
的原材料入库质量检验记录表。
4、进货检验合格时,检验员通知仓库管理员办理入库手续,检
验不合格时,检验员在物料上贴不合格标签或放置不合格区
域,按不合格控制程序进行处理。
5、检验方式可包括测量、观察、工艺验证、提供合格证明文件
等方式。
进货检验员根据相应的检验规程采取相应的检验方
式。
五、关键元器件和材料的定期确认检验
1、对关键元器件和材料,质检部每年一次对其进行确认检验。
2、定期确认检验一般由供应商按本公司规定的检验项目和方
法进行,检验员只验证其检验报告。
3、检验员应保留关键元器件和材料的进货检验和定期确认检
验记录、供应商提供的合格证及质量证明资料等。
个人整理,仅供参考。
电气元件原材料进厂检验规程
一、总则
1.1电气元件、原材料进厂检验,是指在电气元件、原材料投入使用前,按照国家有关质量标准要求,由检验部门对其质量和规格进行检验。
1.2本检验规程适用于电气元件、原材料的进厂检验。
1.3本检验规程对供方要求:
(1)供方必须严格按照甲方的技术要求;
(2)供方所供应的电气元件、原材料必须符合国家相关质量标准;
(3)供方应提供准确、完整的工程技术和质量资料,以便核实和检验。
二、电气元件、原材料的检验项目
2.1入厂抽样检验
2.1.1规格符合性检验
对比产品标准规格,检验产品尺寸、外形、接头布置、介质等是否符合验收要求。
2.1.2抗拉强度检验
根据标准要求,检验产品的抗拉强度,确保其耐用性。
2.1.3电气性能检验
根据标准要求,检验产品的电气特性,确保安全可靠。
2.2产品全检
2.2.1抽样检验
依据样品检验要求,进行抽样检验,检验样品外观、尺寸、性能等。
2.2.2功能检验
根据实际使用的环境要求,检验产品的真实功能,以确保运行质量。
2.2.3性能检验
根据标准要求。
电子元件进料检验规范
1 目的
对电子元件进行进料检验,确保其质量符合工艺要求和客户要求。
2 范围
用于电讯机箱产品各类电子元件。
3 检验规则
3.1 外观检查
3.1.1 电子元件表面光滑、色泽均匀,不得有裂纹、气泡、凹缩现象。
3.1.2 形状一致,不得有缺损、变形现象。
3.1.3 元件脚无松动、氧化现象。
3.1.4 极性标识清晰、一致。
3.2 尺寸检查
对有尺寸要求的电子元件用游标卡尺进行尺寸测量,应符合图纸的要求。
3.3 性能检查
将万用表调至相关档位,测试电子元件。
应无以下缺陷:极性反、击穿、沑漏电、参数超差、短路、开路。
4 因工程变更而需做相应要求的改变时,以最新工程图纸、样品为准。
5 相关记录
《IQC 检验报告》。
Rev I1.0 目的对电器元件进行进料检验,确保其质量符合工艺要求和客户要求。
2.0 范围用于公司产品各类电器元件的检验。
3.0 检验规则3.1 外观检查3.1.1 外包装:不应有影响产品性能和外观的损坏。
3.1.2 有合格证。
3.1.3 外表:金属表面无锈蚀,裂纹。
涂复起层式其他机械损伤,胶车、塑料表面平整,无疏松孔及裂纹和变色。
瓷质玻璃表面无裂纹、气泡、缺陷。
3.1.4 坚固件无松动。
3.1.5 标识的字迹清晰准确。
3.1.6 按装箱单或备件明细表对附件检查,附件(含使用说明书等技术文件)不合格不入库。
3.1.7 电子元件表面光滑、色泽均匀,不得有裂纹、气泡、凹缩现象。
电线无节瘤、收缩。
3.1.8 电子元件形状一致,不得有缺损、变形现象。
针脚无松动、氧化现象。
3.1.9 极性标识清晰、一致。
3.1.10 保护(漆包)层厚度、颜色与采购要求相符。
3.1.11 产品标识,提检单据与采购要求相符。
3.2 尺寸检查对有尺寸要求的电器元件用卡尺或千分尺进行尺寸测量,应符合工艺或客户的要求。
电线类,采取抽样检验芯层截面积;金属层有节瘤,线径不均匀的做退货处理。
3.3 性能检查3.3.1按规定值在自然条件下检验绝缘电阻:绝缘电阻测量应用误差不大于±20﹪的500伏兆欧表,有半导体元件的元器件必须用2.5级(直流级)万用表测量,用X1K或X10K档。
3.3.2将万用表调至相关档位,测试电器元件。
3.3.3应无以下缺陷:极性反、击穿、泄漏电、参数超差、短路、开路。
3.3.4绝缘电阻值符合要求。
开关类拨动灵活无阻滞,回位准确。
1)开关、按钮:1、钮子开关:a、转换应灵活,声音清脆,无卡滞,能保持转换后的位置。
b、钮子开关闭合触点应接触良好。
c、各非闭合触点间及各触点与外表的绝缘电阻≥10兆欧。
2)组合开关:a、转动灵活,转换迅速,转换区位置准确,不应有卡滞或停留在中间位置。
b、在任何档位上闭合触点应接触良好,非闭合触点应确切断开。
电气元件进厂检验规程1目的本规程的制定是依据国家电力部高压实验规程和继电保护规程及开关检修工艺规程,对电气元件和产品加工质量进行严格控制,以保障产品质量符合有关规定要求及顾客的需要。
2适用范围本规程适用于变压器、断路器(开关)、隔离开关(刀闸)、电流互感器、电压互感器、电容器、保护控制器、高低压(箱、屏、盘)等电器元件的进货检验。
3职责3.1质检部是检验和试验的归口管理部门,负责原料进货检验。
3.2供应部及仓库负责进货检验的申报。
3.3质检员应严格按照国家对元器件的有关规定,严格遵守本规程的有关要求,认真做好每一项试验。
4工作程序4.1三无产品不能进货4.2售后服务不到位不能进货4.3进货必须具备如下条件:供货单位使用说明书产品名称国家生产许可证型号有关国家认证(如9000、CCC认证)数量(尺寸)生产厂家、地址、联系电话、邮编入厂日期没有向CQC申报的有CCC要求的必须经CQC批准发运地点是否运输中有破损产品合格证所配附件是否齐全满足要求4.4针对电器元件的性质,满足国家对电气元件有关规程、要求及CCC认证一致性要求的方能进货。
4.5检验范围4.5.1 一般性检查对所进电气元件外观、机构、转动部分、安全距离等项目的检查4.5.1.1高低压断路器(开关)进厂检验a)查对产品的型号规格是否相符,是否为本厂确定的合格分承包方产品,若不符合,拒绝检测验收。
b)检查规定的随机文件是否齐全,带附件的产品要检查附件是否齐备。
c)检查表面外观质量、要求外壳无破损,金属组件无锈蚀。
d)检查采购产品安装形式、操作方法等是否符合《进货检验申请单》及采购计划的要求,若不符合,拒绝验收。
e)进行手动分合试验5次,应实现可靠的闭合断开动作,出现异常为不合格。
4.5.1.2 高低压隔离开关(刀闸)进厂检验a) 检查隔离开关型号、规格是否相符,若不相符,拒绝验收。
b) 目测进货产品外观应无损伤、变形。
架体焊接牢固、平整,漆面均匀、无掉漆现象,电镀层无脱落、锈蚀,瓷瓶浇注牢固、无掉漆缺陷。
成套电器制造公司电气元件进厂检验规程一、目的和适用范围为了保证供应商提供的电气元件质量,规范进厂检验流程,确保进厂电气元件的质量符合公司要求,特制定本规程。
本规程适用于成套电器制造公司进口和国内采购的电气元件进厂检验。
二、检验内容和方法2.1外观检验2.1.1外包装检查检查外包装是否完好无损,有无磨损、变形、潮湿或其他异常情况。
2.1.2外观检查检查电气元件的外观是否平整,无明显变形、裂缝、划痕或漆面剥落等缺陷。
2.2功能性能检验依据产品技术要求和标准,采取相应的检验方法和测试设备,检查电气元件的各项功能性能是否符合要求。
2.3尺寸和标志检验2.3.1尺寸检验检查电气元件的尺寸是否符合产品技术要求和标准规定的尺寸容差范围。
2.3.2标志检验检查电气元件上的商标、型号、额定电流、额定电压等标志是否清晰、准确。
三、检验流程3.1接受检验供应商将电气元件送至成套电器制造公司仓库,并填写进厂检验单,附上产品证书和相关检测报告等。
3.2外观检验仓库人员按照2.1节的检验要求,对电气元件的外包装和外观进行检查,将结果填写在进厂检验单上,并记录照片或视频。
3.3功能性能检验质量检验部门的工作人员按照产品技术要求和标准,使用相应的检验方法和测试设备对电气元件的功能性能进行检验,将结果填写在进厂检验单上,并记录照片或视频。
3.4尺寸和标志检验质量检验部门的工作人员按照2.3节的检验要求,对电气元件的尺寸和标志进行检验,将结果填写在进厂检验单上,并记录照片或视频。
3.5检验结论和报告根据检验结果,填写进厂检验单的检验结论,并将进厂检验单报告交由质量检验部门主管审核通过。
四、不合格品处理4.1不合格品隔离将不合格品从合格品中分离,并妥善保存,确保不会进入生产流程。
4.2不合格品处理由质量检验部门与供应商沟通,对不合格品进行退货、返修或报废处理。
4.3不合格品记录和报告将不合格品的处理情况记录在不合格品记录表中,并及时向供应商反馈处理结果。
1.0 目的:
为了严格控制电子元器件,气动元件,阀门,电机设备等来料质量,规范电气元件检验规范、检验标准,为此类产品的验收工作提供指导依据。
2.0 适用范围:
适用于本公司及子公司和控股分公司的产品生产所需要的电子元器件,气动元件,阀门,电机设备等的检验。
3 .0 检验依据
3.1国家标准、行业标准
3.2质量计划、检验计划
3.3产品图纸及加工工艺
4.0 检验项目
4.1数量
4.2规格型号
4.3性能
4.4出厂资料
5.0 验收要求
5.1 按钮旋钮类
按钮旋钮类包括按钮开关,旋钮开关,转换开关。
5.2断路器类
熔断器包括保险丝熔断器,陶瓷熔断器,塑壳式快速熔断器。
5.3指示灯
5.4继电器类
继电器类包括中间继电器,时间继电器,控制继电器,热过载继电器等。
5.5接触开关类
接触开关包括交流接触器,直流接触器等。
压力仪器,仪表类包括普通压力表,不锈钢压力表,真空压力表,压力传感器,压感传感器,速
度传感器,温度传感器等。
5.7 中央控制器类
中央控制器包括PLC,PLC 扩展模块,数据模块,文本显示器,触摸屏
5.9 其他类
其他类包括电流互感元件,变压器,软启动器,开关电源,通讯模块,辅助触点,通讯线,电源线,绝缘材料等.
6.0 相关文件
《来料检验抽样流程》
《来料检验报告》
来料检验通知单》
核准: 审核: 制定: :。
原材料、零部(元、器)件及外协件进厂检验规程本规程规定了公司现有产品在生产过程中所涉及到的原材料、零部(元、器)件验证、抽样及检验方法。
一、外购原材料、零部(元、器)件的生产厂家必须是评定合格的供方。
二、外购原材料、零部(元、器)件必须进行抽样检验,合格后方可入库。
三、抽样方法及检验结果处理外购的原材料、零部(元、器)件从每批次中按10%的比例抽检,如有一个不合格品,再抽取20%,如仍有不合格品,本批次不合格。
四、检验方法1.电阻器1.1 外观检查检查项目:管脚有无折断,表面釉层是否饱满,色环标志是否清晰。
1.2 功率检测检测方法:电阻器体积观测——调节直流稳压电源输出电压加载至电阻器二端——检查外观——阻值测量。
加载电压按1式计算:V=PR……(1)其中P为电阻器的标称功率,R为电阻器的标称电阻值。
1.3阻值和精度测量电阻器放置在绝缘检测台上,用数字万用表检测电阻器的阻值。
操作时万用表的表笔要和电阻器的2个管脚接触良好,连续检测3次,检测精度在允许偏差范围,此次检测有效,否则重新检测。
电阻器阻值精度按2式计算:精度=实测值/标称值*100% (2)数字万用表的操作按《数字万用表操作规程》进行。
2.电位器2.1 外观检查检查项目:管脚有无折断锈蚀——外表有无缺损——型号、生产厂、参数等标志是否清晰。
2.2 功率检测检测方法:调节阻值到一定值——调节直流稳压电源输出电压加载至电位器二端——检查外观——阻值测量。
直流稳压电源输出电压按1式计算。
2.3阻值测量电位器放置在绝缘检测台上,用数字万用表检测电位器的总阻值——调整阻值变化——检测阻值变化。
操作时万用表的表笔要和电位器的各管脚接触良好,连续检测3次,检测精度在允许偏差范围,此次检测有效,否则重新检测。
电位器阻值精度按2式计算:数字万用表的操作按《数字万用表操作规程》进行。
3.电容器3.1 外观检查检查项目:管脚有无折断——表面釉层是否饱满——参数标志是否清晰。
元器件进料检验规范一、目的:本文件规定了公司进货电子元器件入库前检验的依据及存储过程规范。
二、适用范围:适用于本公司电子元器件入库前产品的检验和存储过程。
三、检验规范:1.电阻类:1.1外观包装:a 按送检的卷、袋、根的按比例随机抽取检查,不足一卷、袋、根的按一卷、袋、根进行检查,若发现抽样检查数中的不合格,则判该批不合格。
表面字迹清晰,产品的名称、型号、规格、数量及生产厂家等标注明确并与要求相符,无破损,无划痕;每一批都应有清楚的质量标识。
b 色环电阻的色环颜色应清晰易于辨认,色环颜色与标称阻值相符,引脚无氧化、发黑。
c 贴片电阻的数字标注应正确,与标称阻值相符,引脚无氧化、发黑。
注:色环电阻识别方法见附表1.2功率值:功率值应与包装标称值及ERP要求相符。
1.3电阻值:按5件/批抽取,用万用表所测得的电阻值及公差应与包装标称值及采购要求相符。
1.4封装尺寸:按5件/批抽取,所测得的单体封装尺寸应与样品或采购要求相符,如0603封装、0805封装、脚间距、长度、高度等。
(具体封装尺寸见附表)2.电容类:1.1外观包装:a 按送检的卷、袋、根的按比例随机抽取检查,不足一卷、袋、根的按一卷、袋、根进行检查,若发现抽样检查数中的不合格,则判该批不合格。
表面字迹清晰,产品的名称、型号、规格、数量及生产厂家等标注明确并与要求相符,无破损,无划痕;每一批都应有清楚的质量标识。
b 电容表面印字清晰,容量标识与标称值,引脚无氧化、发黑,电解电容短引脚端的PVC 封膜上应有"-"标记,为电容负极,长引脚为正极。
1.2 材质:材质标识明确,并与ERP要求相符。
1.3 电容值:按5件/批抽取,用LCR所测得的电容值及公差应与包装标称值及采购要求相符。
1.4 耐电压值:按5件/批抽取,用可调电源所测得的耐电压值应与包装标称值及采购要求相符。
1.5 封装尺寸:按5件/批抽取,所测得的单体封装尺寸应与样品或采购要求相符,如0603封装、0805封装、脚间距、外径、高度等。
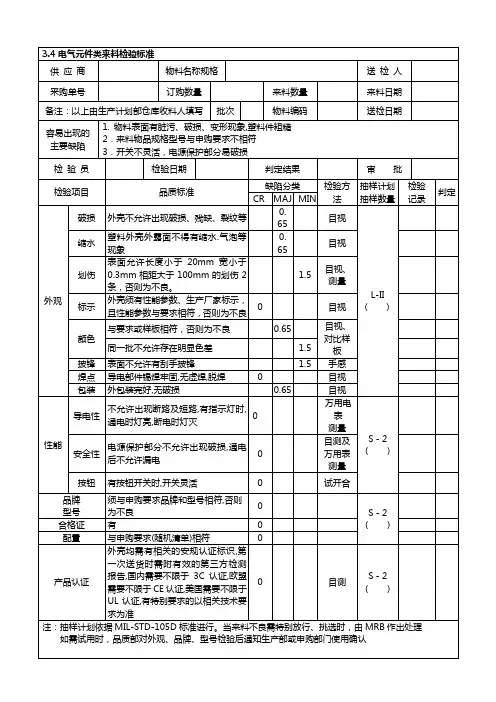
电阻、瓷片电容、钽电解电容、铝电解电容、电感、二极管、三极管、晶体、模块、卡座、IC、自恢复保险、线路板、机壳、接插件、天线、线缆、螺丝1、主题内容:本总则规定了进货检验的一般流程,检验内容,缺陷判定及处理方案.本总则适用于本厂所有原材料、外协件的进货检验。
2、一般流程:原材料到厂→收货检查→送检→抽样→检验与试验→判定→返单→标识。
3、检验内容:原材料一般需进行外观、结构尺寸、装配、电气性能、可焊性、抗折性等项目的检验,但是不同材料的检验方法有所不同,具体检验内容参见相应的原材料检验作业指导书和试验作业指导书。
4、缺陷判定:原材料缺陷分类一般分为:A类不合格、B类不合格和C类不合格。
5、相关术语定义:A类不合格:原材料的质量特性极严重不符合规定(即指会造成安全事故的不合格)。
B类不合格:原材料的质量特性严重不符合规定。
C类不合格:原材料的质量特性轻微不符合规定。
A类不合格品:有一个或一个以上A类不合格,也可能还有B类和(或)C类不合格的原材料。
B类不合格品:有一个或一个以上B类不合格,也可能还有C类不合格,但不包含A类不合格的原材料。
C类不合格品:有一个或一个以上C类不合格,但不包含A类和B类不合格的原材料。
6、原材料的缺陷判定具体参见相应的原材料检验作业指导书和试验作业指导。
在实际检验过程中,如发现原材料存在某种缺陷,而作业指导书中的缺陷分类中没有,则根据4.2中不合格定义作出相应的判定。
7、处理方案:当A、B、C三类不合格品数分别在相应判定数组的合格判定数范围时,则判该批原材料合格,由IQC 出具合格报告,并在该批原材料上贴上合格标贴。
当A、B、C三类不合格品数中任何一类不合格品数达到相应判定数组的不合格判定时,则判该批原材料不合格。
此时应及时通知采购员,若无特采之必要,则由IQC出具退货报告,并在该批原材料上贴不合格标贴,若需特采则按《采购控制程序》执行。
9、原材料存在重大质量问题或连续多批不合格或多批出现相同缺陷时,由IQC发出《质量信息联络单》给供应商,要求其回复控制方案和处理措施,并跟踪验证改善效果,若无改善或改善不明显则填写《纠正和预防措施处理单》,交公司上层领导处理,其具体处理方案参见《纠正和预防措施控制程序》。